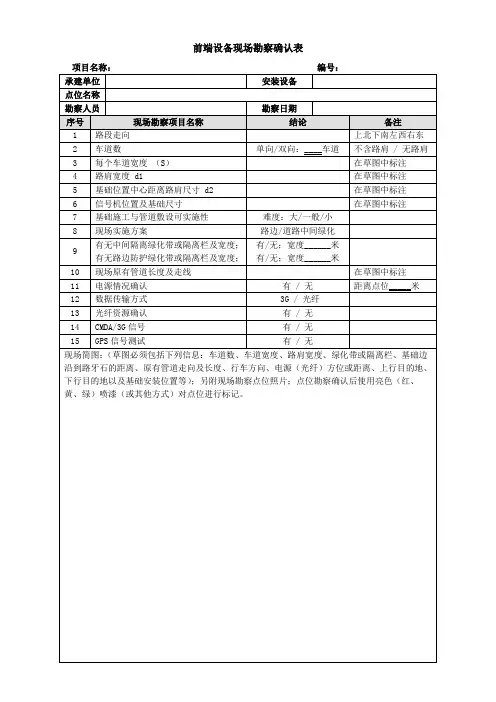
前端点位现场勘察确认表
- 格式:doc
- 大小:65.50 KB
- 文档页数:2
监控工程- 前端视频监控勘察表勘探时间:勘探人员:
工程名称:
公安辖区:
点位编号
安装方式:□立杆□借杆(备注) □壁挂□定制〔画简略图〕
安装地点:
安装朝向:看守位
地理坐标:X: Y:
□标清枪机□标清球
机
设施种类:720P 1080P 有红外无红外
□高清枪机□高清球
机
接电种类:□民电□市政□单位□供电局□太阳能□其余
联系方式:
接电地点:
地埋长度架空长度
施工方式:
〔米〕〔米〕
一般土面一般砖面
路面〔沥、水〕
〔米〕〔米〕
面包砖〔平大理石〔平其余资料〔平
方〕方〕方〕
电源长度:网线长度
恢复采用资料
恢复方式:
原资料可改换资料
营运商链
路:
备注:
安装环境简略图
署名
日期。
现场勘察记录表(范例)
建设人:
建设位置:
一、位置及示意图(单位:米)
二、四至具体情况
1.项目(工程)□已建□部分已建□未建□旧房改造
2.四周道路情况
3.□该项目(工程)临面的河(涌),离河(涌)边米,河(涌)宽米,防洪堤不准建筑控制区米,水利部门□同意□不同意;
4.□该项目(工程)临面的高压线伏,距离高压边线米,供电部门□同意□不同意;
5.□该项目(工程)临面的古树名木木冠边缘米;
6.□该项目(工程)临面的文物或历史建筑米;
7.□四至与土地证不符;□用地类型不符;□土地证登记时错漏;
三、四至建筑物情况
现场勘察人:
日期:年月日。
标准勘察及现场确认表(存量改造站)、现场交底确认表(存量改造站)使用说明一、概述及要求标准勘察表中包含勘察站点根底信息、地面塔信息、楼面站信息、机房〔柜〕信息、配套信息、引电信息、电缆信息、特别说明等八大内容。
本文对其中的局部字段填写、照片拍摄、字段设置的意义等做详细说明,便于后期理解使用。
标准勘察及现场确认表填写要求:标准勘察及现场确认表需签字单位:包含:工程经理、设计、选址、塔检测单位、施工等;然后设计院留档,日期务必填写。
现场交底确认表填写要求:交底确认单必须签字单位〔如涉及此项〕:工程经理、维护经理、设计、选址、施工、监理、塔检测、美化;然后设计、监理留档,日期务必填写。
二、局部字段意义及填写说明2.1 根本信息标准勘察表中根本信息表达该查勘站点的站点名称、该站址需求运营商信息、需求经纬度以及现场勘察选址经纬度等信息。
〔1〕、站名:为了便于工作连续和维护工作方便,勘察表中填写的站名需符合中国铁塔公司站点命名规则要求:现有存量站址以原资产全部方现有命名为主。
名称特点鲜亮、不产生歧义的,沿用现有名称;名称特点不明确的,在现有站址名称根底上参照新建站点的命名标准进行修正。
注:○1进行原资产存量站址命名标准进行修正时应和铁塔公司资源治理系总揽理员联系,并履行相关流程手续方可修改。
○2从站址筛查阶段开始,需明确铁塔公司站点名称〔存量站〕,并在与运营商签订订单时表达在订单上,积极引导运营商采纳铁塔公司站点名称,预防同一个站点多个名称,减少沟通本钱。
〔2〕、运营商需求方:勘察表中运营商需求方字段是指计时至设计人员在该站址现场查勘时为止,对该站址全部需求运营商的情况描述,原则上标准标准填仅可填写为:移动、联通、电信、移动+联通、移动+电信、联通+电信、移动+联通+电信共计7种填写方法,如X存量站有联通和移动两家运营商共享需求,那么应填写移动+联通,而联通+移动、移动和联通等不标准填写方法原则上不同意出现。