110V与220V节能灯电子镇流器线路的区别
- 格式:pdf
- 大小:114.75 KB
- 文档页数:4
220v的灯接在110V的电压上电压是电能传输和使用中至关重要的参数之一。
通常,我们使用标准化的电压来供电,以确保各种设备的正常运行。
然而,在某些情况下,由于错误连接或其他原因,设备可能会接收到与其额定电压不匹配的电压。
在这篇文章中,我们将探讨一个有趣的情况,即将一个额定为220V的灯接在110V的电压上。
我们将讨论可能发生的结果和可能的解决方案。
首先,让我们了解一些关于电压的基础知识。
电压,也称为电势差,是单位电荷在电路中移动时所具有的能量。
它通常以伏特(V)为单位表示。
每个电器设备都有一个额定电压,这是设备设计时所考虑的最佳电压。
当我们将一个额定为220V的灯接在110V的电压上时,会发生什么呢?首先,我们需要理解灯的工作原理。
灯通常使用一种称为灯丝的材料来产生光。
这个灯丝通常是由一种称为钨的金属制成的,具有较高的熔点和较低的电阻。
当电流通过灯丝时,它会使灯丝发热并发光。
当我们将220V的灯接在110V的电压上时,实际上是给灯供电的电压下降了一半。
这会导致灯丝发热的温度明显降低。
由于灯丝的电阻是固定的,较低的电压将导致较低的电流通过灯丝。
因此,灯的亮度将降低。
除了亮度降低外,还可能出现其他问题。
由于灯丝的温度下降,其寿命可能会延长,因为灯丝的易损性减少。
另一方面,灯丝的较低温度可能导致其寿命缩短。
此外,灯光的颜色可能会发生一些变化,因为灯丝的温度和光谱特性发生变化。
那么,当我们面对将220V的灯接在110V的电压上时,有哪些解决方案呢?首先,我们可以尝试更换灯泡,使用适配110V电压的灯泡。
这样可以确保灯泡能够在正常电压下工作,并获得预期的亮度和寿命。
另一个解决方案是使用变压器来调整电压。
变压器是一种设备,可以将电压从一种值转换为另一种值。
通过使用适当的变压器,我们可以将110V的电压转换为220V,以适应灯的额定电压。
总之,将220V的灯接在110V的电压上会导致灯的亮度降低和其他一些问题。
镇流器(BALLAST)的概况照明是一个城市乃至一个国家文明程度的指标。
一般而言,文明程度越高的城市或国家,照明的使用量就越大越普遍。
然而近年来随着全球环保及节能意识的提高,越来越重视合理用电。
因此,在此就照明上使用的几种镇流器(BALLAST)做一些粗浅的分类介绍。
一. 电感式镇流器这是一款最典型传统的镇流器,原理简单,制作容易,线路稳定性佳,安全性高,但功效转换率低,电能损耗大,而且点灯频率为市电频率,只有50Hz或者60Hz,所以光效很低,约为40Lm/W。
由于近年来矽钢材料飞涨,再加上其本身的光效低,能耗较大,其使用已经被大部分先进国家设定时限,将于2009-2010之间走入历史。
二. 传统电子式镇流器基本上是针对电感镇流器的缺点做改进。
电子镇流器主要是由电源管理电路,点灯驱动电路构成,其原理是:将原来的交流电(110V60Hz / 220V50Hz)经整流电路变成直流电后,再由驱动电路控制功效管(开关管)产生高频的交流电点亮灯管,点灯的频率由原来的50Hz/60Hz提升到20KHz以上,大大提高了光效。
一般可达到70Lm/W甚至更高,还可以通过电源管理电路以无源的方式将功率因数提高到0.8-0.98。
但是由于驱动电路一般是由触发器,磁环,电感等离散性比较大的分离元器件组成,所以开发难度较大,生产的一致性比较差,生产过程中返修率较高,而且温度稳定性也比较差,致使温度变化时点灯频率漂移比较大,造成电源管理的功率因数补偿能效较差,最后会影响镇流器的整体性能。
于是有厂家开始研究出功率因数校正的集成(积体)电路(PFC IC),再进一步研发出点灯专用驱动的集成电路(LAMP DRIVE IC)。
三. 集成化智能电子镇流器针对传统电子式镇流器生产时的一致性不佳和功率因数校正不稳定的缺陷,很多国际半导体商家相继投入研发这方面的集成电路。
PFC IC方面有意法半导体的ST6561,ST6562等等和Fairchild的7527,DRIVE IC 方面有国际镇流器的IR2156,IR2520等,飞利浦的UBA2014,2015等等,昶龙国际光电亦推出DRIVE ICEV0108系列和PFC IC SG6808系列这些集成电路,其主要目的就是针对传统的电子式镇流器开发及生产的缺陷及其产品的不稳定性提出飞跃性的改善措施,具体表现如下:在分离器件跟IC的应用电路上就有很大的差别。
电子镇流器工作原理电子镇流器是一种用于调节电流和保护电路的电子设备。
它可以将电源电压转换为适合负载的电流,并提供稳定的电流输出。
本文将详细介绍电子镇流器的工作原理,包括其组成部份、工作原理和应用。
一、组成部份电子镇流器通常由以下几个主要部份组成:1. 输入电源:电子镇流器需要接受来自电网的交流电源,通常为220V或者110V的电压。
2. 整流电路:整流电路用于将交流电源转换为直流电源。
它通常由整流桥或者整流二极管组成。
3. 滤波电路:滤波电路用于平滑直流电源,以减小电流波动。
它通常由电容器和电感器组成。
4. 控制电路:控制电路用于监测负载电流,并根据需要调节输出电流。
它通常由微控制器或者集成电路组成。
5. 输出电路:输出电路将调节后的电流提供给负载。
它通常由功率晶体管或者MOSFET组成。
二、工作原理电子镇流器的工作原理可以分为以下几个步骤:1. 输入电源接入:将电子镇流器的输入端连接到电网,使其接收交流电源。
2. 整流转换:交流电源经过整流电路,将其转换为直流电源。
3. 滤波平滑:直流电源经过滤波电路,去除电流波动,使其更加稳定。
4. 控制调节:控制电路监测负载电流,并根据需要调节输出电流。
通过控制电路中的微控制器或者集成电路,可以实现对输出电流的精确控制。
5. 输出供电:调节后的电流通过输出电路提供给负载,以满足其需求。
三、应用电子镇流器具有广泛的应用领域,包括但不限于以下几个方面:1. 照明:电子镇流器可以用于LED灯具、荧光灯等照明设备,提供稳定的电流输出,延长灯具寿命。
2. 电子设备:电子镇流器可以用于电视、电脑显示器等电子设备的电源供应,保护设备免受电压波动的影响。
3. 工业控制:电子镇流器可以用于工业设备的电源调节,确保设备正常运行,并提供电流保护。
4. 太阳能发电:电子镇流器可以用于太阳能发电系统中,将太阳能电池板产生的直流电转换为交流电,以供电网使用。
总结:电子镇流器是一种重要的电子设备,通过将电源电压转换为适合负载的电流,并提供稳定的电流输出,保护电路和延长设备寿命。
节能灯镇流器工作原理
节能灯镇流器工作原理就是通过一系列的电路和元件,将市电的高电压(通常为220V或110V)转换为适合节能灯工作的低电压(通常为30-100V)。
下面是节能灯镇流器工作的主要原理:
1. 开关电路:节能灯镇流器内部有一个开关电路,它的作用是将市电的交流电转换为直流电。
开关电路通常由MOS管、二极管等元件组成,其中MOS管用于开关电路的开关控制,二极管用于整流和反向电流保护。
2. 非绝缘型开关电源:节能灯镇流器采用非绝缘型开关电源,即输出端与输入端没有电气隔离。
非绝缘型开关电源通常由电容器、电感器等元件组成,能够实现市电电压的降压和稳定输出。
3. 电流限制电路:节能灯镇流器内部还有一个电流限制电路,用于限制节能灯的工作电流,防止过电流对节能灯的损坏。
电流限制电路通常由电阻和电感器等元件组成。
4. 温度保护电路:节能灯镇流器还配有温度保护电路,用于监测节能灯和镇流器的工作温度。
当温度过高时,保护电路会自动断开电路,以避免发生过热损坏。
总的来说,节能灯镇流器的工作原理就是通过开关电路将市电电压转换为适合节能灯工作的低电压,并通过电流限制和温度
保护电路对节能灯进行保护,实现安全、稳定和高效的节能灯工作。
220v节能灯的工作原理
节能灯的工作原理是通过利用电子器件来实现电能的高效转换和发光效果。
下面是详细的工作原理:
1. 节能灯的核心组件是电子镇流器,它通过转换电路将交流电源的电能转换为适合节能灯工作的直流电能。
电子镇流器包括整流电路、滤波电路和逆变电路。
2. 当交流电源接通时,整流电路将交流电转换为直流电。
滤波电路会将转换后的电流进行平滑处理,以确保输入到逆变电路的电流稳定。
3. 逆变电路将直流电源转换为高频交流电源。
这样做是为了激发节能灯中的荧光粉,使其产生发光效果。
逆变电路中的开关元件通常采用三极管或场效应管。
4. 高频交流电驱动荧光粉发光。
节能灯的荧光粉包覆在灯管内表面,当高频交流电通过荧光粉时,荧光粉会吸收电能并转化为可见光。
不同的荧光粉会发射不同波长的光,从而产生具有不同颜色的光。
5. 节能灯的灯管内有一对电极,当高频交流电经过灯管时,电极产生电场,促使气体放电。
放电时,气体中的电子与汞蒸汽碰撞,激发汞蒸汽的原子和离子,从而产生紫外线。
紫外线激发荧光粉发光,并且透过灯管的荧光粉发射出可见光。
通过以上工作原理,节能灯可以在较低的功率下产生较大的发光效果,从而实现能效的提升和节能的目的。
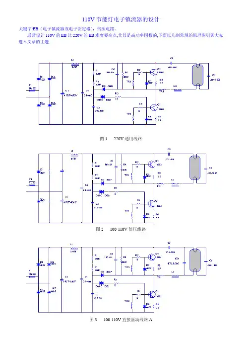
110V节能灯电子镇流器的设计关键字:EB(电子镇流器或电子安定器),倍压电路。
通常设计110V的EB比220V的EB难度要高点,尤其是高功率因数的,下面以几副常规的原理图引领大家进入文章的主题.图1 220V通用线路图2 100-110V倍压线路图3 100-110V直接驱动线路A图4 100-110V直接驱动线路A为何110V的EB比220V的EB难度要高,最直接的影响是灯的启动问题,尤其是整灯在高温低压时,容易出现灯管不能成功启动,只有两边灯丝发红。
原因是在高温时磁环和三极管的驱动能力降低,以至灯启动电压和灯启动电流供应不足而不能使灯管成功引燃。
灯启动电压和启动电流供应不足也影响低温低压时灯的启动。
另外,要想EB输出相同的功率,110V的EB的输出电流自然要比220V的输出电流大一倍,输出电流受控的关键点是EB的输出电感(也称扼流圈),此电感的选值太大,输出功率不足。
选值太小,便会引至EB的工作频率严重超标,三极管的开关损耗会上升,引至管子发热。
在线路的拓朴上,以上四副原理图是一样的,都是串联谐振正反馈电路,只是有一些巧妙的地方和元器件的数值选取不同。
此电路的最佳工作状态,必须符合:式1式中:Fw为工作频率。
Fo为整个谐振电路的固有频率。
以简单的词语说明就是:工作频率与输出电感和谐振电容的固有频率要相等,电路才能工作于最佳状态,此时负载电路等效于一个电阻,可提高整个EB 的效率,降低热损耗,整机性能上升。
图1是常规的220V原理图,图2是110V经过倍压的原理图。
图3为110V双谐振电容直接驱动原理图,图4是双谐振电容与灯丝交叉的直接驱动原理图。
图1不适宜用在110电路当中,何解?是因为要维持确定的功率,输出电感L2必须选得很小,要符合上式,谐振电容C6将要选取得很大,而C6不能选取得太大,因为太大了,启动电压将降低。
原因是:设有一高频电流流过灯丝,C6增大,等效于C6的电阻减小,C6两端的电压便下降,输出电感和灯丝的压降便上升,C6两端的电压下降,等于灯管电压下降,便很容易出现前文所述的高温不能启动问题。
电子镇流器的几种类型对比-基础电子导读:电子镇流器是指采用电子技术驱动电光源,使之产生所需照明的电子设备。
本文主要对电子镇流器的原理、特性及电子镇流器的几种类型进行对比、分析。
1.电子镇流器知识简介电子镇流器是使用半导体电子元件,将直流或低频交流电压转换成高频交流电压,驱动低压气体放电灯(杀菌灯)、卤钨灯等光源工作的电子控制装置。
与之对应的是电感式镇流器(或镇流器),目前应用广的是荧光灯电子镇流器。
现代日光灯越来越多的使用电子镇流器,轻便小巧,甚至可以将电子镇流器与灯管等集成在一起,同时,电子镇流器通常可以兼具起辉器功能,故此又可省去单独的起辉器。
电子镇流器还可以具有更多功能,比如可以通过提高电流频率或者电流波形(如变成方波)改善或消除日光灯的闪烁现象;也可通过电源逆变过程使得日光灯可以使用直流电源。
电子镇流器分:荧光灯电子镇流器、高压钠灯电子镇流器、金属卤化物灯电子镇流器。
由于采用现代软开关逆变技术和先进的有源功率因数矫正技术及电子滤波措施,具有很好的电磁兼容性,降低了镇流器的自身损耗。
2.电子镇流器的主要特性(1)节能它的自身功耗为电感镇流器1/4,工作电流为1/3,功率因数高,无功损耗低。
发光效率较电感镇流器提高15%,所以输入功率比标称功率下降5%左右,其照度不变。
综合计算比电感镇流器节电不小于25%,能够低电压或低温启动。
(2)无频闪灯管内荧光粉在高频20KHZ以上工作时发光稳定,光线柔和,消除了“频闪”,启动无需启辉器、无闪烁、有利于保护眼睛视力。
(3)无噪音而电感镇流器工作发出的令人烦躁的轰鸣声,不利于人们在安静的环境中工作学习。
(4)灯管寿命长灯管启动无需启辉器,不被反复冲击、闪烁、不会使灯管两端过早发黑。
启辉,延长灯管寿命3倍,大大减少维修更换灯管的工作量。
总之,高性能电子镇流器对电网的阴抗表视为容性,功率因数高减少无功率损耗,减少供电设备的增容和线路中的铜铁损。
3.电子镇流器的三种启动类型(1)热启动:欧洲地区又叫做柔性启动、暖性启动、或者北美地区又叫可程式启动,此种设计方式系于灯管启动时,先给予灯丝预热或者加温,其特色为不受灯管开关点灭次数的影响,减轻灯管黑化现象,可以延长灯管的寿命,适合开关频率高的使用场所,或者维修困难的场所,如果配合使用调光电子镇流器,更必须使用含有预热式启动功能的电子镇流器,换而言之,预热启动式的电子镇流器对灯管的保护提供的保证。
什么是电子镇流器电子镇流器和电感镇流器的区别
镇流器(ballast)又称电感镇流器,它是一个铁芯电感线圈,电感的性质是当线圈中的电流发生变化时,则在线圈中将引起磁通的变化,从而产生感应电动势,其方向与电流的方向相反,因而阻碍着电流变化。
关于“什么是电子镇流器电子镇流器和电感镇流器的区别”的详细说明。
1.什么是电子镇流器
镇流器(ballast)又称电感镇流器,它是一个铁芯电感线圈,电感的性质是当线圈中的电流发生变化时,则在线圈中将引起磁通的变化,从而产生感应电动势,其方向与电流的方向相反,因而阻碍着电流变化。
在日光灯中用到。
镇流器可以由电阻、电感、电容和漏磁变压器等独立组成,也可以由这些器件或由电子元件等组合而成。
镇流器在实际应用中,其功能已不仅局限于镇流器本身,还常将电路中所需的其他功能或装置,都包含于镇流器之中。
2.电子镇流器和电感镇流器的区别
一、性质不同
1、电感镇流器:一个铁芯电感线圈,电感的性质是当线圈中的电流变化时,会引起线圈中
磁通量的变化,从而产生方向与电流方向相反的感应电动势,从而阻碍电流的变化。
2、电子镇流器:镇流器的一种,是指采用电子技术驱动电光源,使之产生所需照明的电子设备。
二、工作原理不同
1、电感镇流器:当开关闭合电路中施加220V50Hz的交流电源时,电流流过镇流器、灯丝和启动器加热灯丝(启动器在开始时断开,因为施加的交流电压大于180V,气体会发光。
2、电子镇流器:由于气体放电灯(如荧光灯、霓虹灯、金卤灯等)是具有V-I特性的负阻光源,即负值,当灯电流上升时,灯管的工作电压下降,但电源电压不会下降,多出的这点电压加到灯管后会使灯电流进一步上升。
节能灯和电子整流器三极管参数的选择指南过去,人们对用于节能灯、电子镇流器三极管参数的要求定位是不清晰的。
除了BVceo、BVcbo、Iceo、hFE、Vces、Ic等常规参数要求之外,低频管只有特征频率的要求(一般在几兆数量级)。
但是,特征频率是对正弦波线性放大的要求,与开关工作状态下三极管开关参数不是一个概念。
另外,由于认识水平和国内硬件条件的限制,妨碍了人们对灯用三极管的参数进行有效的控制和鉴别。
本文试图将节能灯和电子镇流器用三极管的选择做一些总结,以便充分了解应用过程中三极管的损坏机制。
完整的功率容限曲线降低三极管的发热损耗放大倍数hFE和贮存时间ts 完整的功率容限曲线功率容限(SOA)是一个曲线包围的区域(图1),当加在三极管上的电压、电流坐标值超过曲线范围时,三极管将发生功率击穿而损坏。
在实际应用中,某些开关电源线路负载为感性,三极管关断后,电感负载产生的自感电势反峰电压加在三极管的CE极之间,三极管必须有足够的SOA、BVceo和BVcbo 值才能承受这样的反压。
必须注意:目前一般三极管使用厂家不具备测试SOA的条件,即使是有条件的半导体三极管生产厂家,具备测试该指标的能力,但是仪器测试出的往往只是安全工作区边界点上的数值,而不是SOA曲线的全部。
这样就有可能出现:在一点上SOA值完全一样的两对三极管,实际线路上使用过程中,一对三极管损坏了,而另外一对却没有损坏。
因此,在选择灯用三极管的过程中,一定要找到器件生产厂家提供的完整SOA曲线。
降低三极管的发热损耗目前,节能灯、电子镇流器普遍采用上下管轮流导通工作的线路,电感负载产生的自感电势反峰电压经由导通管泄放,所以普遍感到三极管常温下SOA值在节能灯、电子镇流器线路中不十分敏感。
而降低三极管的发热损耗却引起了业界的普遍关注,这是因为三极管的二次击穿容限是随着温度的升高而降低的(图2)。
三极管在电路中工作一段时间以后,线路元器件会发热(包括管子本身的发热),温度不断上升导致三极管hFE增大,开关性能变差,二次击穿特性下降。
电子镇流器的选购建议随着LED照明技术的发展,越来越多的人开始使用LED灯具。
而LED灯具的高效、环保、长寿命等优点,也让它成为了现代照明领域的一种重要趋势。
然而,要让LED灯具发挥出最佳效果,要依靠好的电子镇流器。
本文将为大家介绍电子镇流器的基本知识以及如何选购电子镇流器。
电子镇流器的基本知识1. 什么是镇流器电子镇流器是一种用于发光二极管(LED)照明系统的电子装置。
它的主要功能是提供恰当的电流和电压,以使LED灯具达到最佳的亮度、效率和寿命。
镇流器还能提供稳定的电流和保护LED灯泡免受过电流的损害。
2. 电子镇流器的种类电子镇流器可以分为交流镇流器(AC)和直流镇流器(DC)两种。
交流镇流器是以交流电源作为输入,输出交流电流驱动LED灯,而直流镇流器是以直流电源作为输入,输出直流电流用于驱动LED灯。
3. 电子镇流器的工作原理电子镇流器主要由电容、电阻等被动元件和晶体管、集成电路等有源元件组成。
当输入电压经过整流滤波变成平稳的直流电压之后,电子镇流器会对输出电流进行控制,将之控制在LED灯的最佳工作电流之内,以达到稳定亮度和出色的能耗效率。
如何选购电子镇流器选择最合适的电子镇流器对于灯具的使用寿命和亮度都有很大的影响,如何选择合适的电子镇流器就显得尤为重要了。
以下是选购电子镇流器时需要注意的几个方面。
1. 适配灯具功率:首先,要根据自己所用的LED灯具的功率,来选择对应的电子镇流器。
如果用功率大于镇流器所规定的最大功率,则极有可能导致镇流器损坏。
2. 适配输入电压:其次,要根据自己使用的电压,来选择对应的电子镇流器。
比如,在中国大陆一般使用的电压稳定器电力为220V,而在台湾地区则是110V,不同的电压稳定器和电源,对应的电子镇流器也是有区别的。
3. 适配工作环境:电子镇流器的选择也要考虑安装的位置和周围的环境,比如温度、湿度等。
如果安装位置离灯具远,工作时会有更多的能量损失,需要选择功率大一些的电子镇流器。
节能灯电子镇流器原理
节能灯电子镇流器是一种用于给节能灯供电的装置,它能够将交流电转化为恰当的直流电,并且可以控制电流的大小以满足节能灯的工作要求。
节能灯电子镇流器的原理主要包括以下几个方面:
1. 整流:电子镇流器首先将交流电转换为直流电,这是通过整流电路实现的。
整流电路通常由电桥、二极管等元件组成,可以将交流电转变为纯粹的直流电。
2. 滤波:由于整流后的直流电仍然存在一定的脉动,为了使电压更加稳定,电子镇流器需要对直流电进行滤波处理。
滤波电路一般由电容器组成,其作用是通过存储电荷来平滑电流的脉动。
3. 变压器:为了适应节能灯的工作电压要求,电子镇流器通常还包括一个变压器。
变压器能够调整输出电压的大小,确保电能以适当的电压供给节能灯。
4. 开关管:电子镇流器中还有一个重要的元件是开关管,也被称为MOS管。
开关管的作用是控制电流的通断,进而调整电流的大小。
开关管被电路控制器以一定的频率开关,使得电流以脉冲的形式传输。
5. 控制器:电子镇流器的控制器主要负责检测和控制开关管的开关频率和占空比,从而精确调节输出电流的大小。
控制器通常由微处理器或其他控制芯片组成,能够根据输入电压和输出
负载自动调整工作参数。
通过以上原理的组合,节能灯电子镇流器可以将交流电高效地转换为直流电,并且能够控制电流的大小以实现对节能灯的供电要求。
这种镇流器具有高效、稳定、可控的特点,广泛应用于各种节能灯的驱动电路中。
电压220V和110V有什么区别电压是电力系统中一个非常重要的参数,它决定了电能的传输和供应能力。
在许多国家和地区,人们使用的电压标准通常是220V或110V。
这两种电压有什么区别呢?让我们来深入了解一下。
电压的定义电压,也叫电势差,是电流在电路中流动时电路两点间产生的电场力。
它通常以伏特(V)为单位表示。
220V和110V的含义220V和110V分别代表的是电流的电压值。
其中,220V是指电压为220伏特,而110V则是表示电压为110伏特。
电压的区别1.供电能力220V的电压相对于110V来说,具有更高的供电能力。
能够提供更大的功率,因此可以用于供电更多的家庭电器和设备,例如空调、冰箱、电炉等高功率设备。
而110V的电压则相对较低,适用于使用功率较小的家用电器,如电视机、吸尘器等。
2.传输损耗高压传输相对于低压传输来说,电流相同情况下的电阻损耗更小。
因此,220V的电流相比于110V来说,可以在同等线径或导体截面积下传输更远的距离,减少了输电线路的电能损耗。
3.安全性220V的电压相较于110V来说,电流通过人体时产生的伤害更大,因此需要更为严格的安全措施。
相对而言,110V的电流对人体的危害较小,但仍然需要注意使用电器时的安全问题,避免触电事故的发生。
4.国际标准不同国家和地区的电压标准也不尽相同。
有些国家采用220V作为标准电压,如中国、欧洲、澳大利亚等地;而像美国、加拿大等国则采用110V 作为标准电压。
这种差异主要是因为历史和技术因素的不同。
选择电压的考虑因素在使用电器时,我们需要根据实际需求选择合适的电压。
通常情况下,我们可以根据以下因素进行考虑:1.国家标准不同国家和地区的电压标准不同,如果你在不同的国家之间搬家或旅行,需要了解目标国家/地区所使用的电压标准,确保你的设备能够适应当地的电压。
2.设备功率不同的电器设备对电压的要求有所不同。
高功率设备通常需要更高的电压供电,而低功率设备则可以使用较低的电压。
220V与110V电压的区别
220V与110V电压的区别:
一、220V传输耗电小,与110V相比能有效地减少能量损耗,这个原理和超高压输点一样。
二、传输相同的电量,在传输损耗相同的情况下,220V电压使用的导线截面积比110V的小一倍,如果全中国的线路加起来,那么220V比110V电压不知节省了多少的铜和其它一些金属。
三、220V相比110V,可以减少变电器的工作负荷,使变电这一个关键而脆弱的节点有更多的安全保证,这对于中国国情也比较合适。
相同功率的情况下,电压越小电流越大;对于一些用110V、120V电压的国家,电器的防护重点在于防火;而对于中国等用220V电压的国家,电器的防护重点在于触电。
从理论角度来说,电压越高,线路上的损耗就越小,而电压越低越安全。
电子镇流器日光灯工作原理
电子镇流器是一种电子器件,用于控制和调节日光灯的电流和电压,使其工作在恰当的条件下。
其主要工作原理如下:
1. 输入电源: 电子镇流器通常通过接入交流电源供电。
对于
110V和220V电源,电子镇流器会将其转换为适当的电压。
2. 桥式整流器: 电子镇流器中的桥式整流器将交流电源转换为
直流电。
桥式整流器由四个二极管组成,可将输入电源的负半周和正半周转换为直流电。
3. 滤波器: 滤波器用于平滑直流电压,以减少电流和电压的波动。
滤波器通常由电容和电感组成。
4. 霍尔效应传感器: 电子镇流器通常使用霍尔效应传感器来检
测电流的变化和控制电子元件工作。
霍尔效应传感器基于霍尔效应,根据通过其上的电流的变化来产生电压。
5. 电子元件: 电子镇流器中的电子元件,如晶体管和场效应管,通过控制电流和电压来调节日光灯的亮度和功率。
6. 反馈回路: 电子镇流器通常具有反馈回路,用于监测和控制
电流和电压,并确保其稳定在正常范围内。
总的来说,电子镇流器通过一系列电子元件和控制电路,将输入电源转换为适当的电流和电压,从而实现对日光灯亮度和功率的调节和控制。
110v供电和220v供电对比
220V电压的电流比110V少一半,导线要细一点,可节省导线金属材料。
由于中国用电传输面积较大,用电人数众多,电压的损耗较大,也由于早期中国经济的因素,导致电力的投入有限,在很多地方,220V的电压输送到用户端电压只有一百多伏,甚至几十伏,可以想象110伏的输送到用户端才会有多少伏,输电线又要增粗多少才行,这对于像中国这样一个发展中国家是难以想象的,当然这些情况在现在的城市已经有很大的改善。
220V/50Hz电压是根椐早期的中国国情决定的。
日本用电电压为110V/60Hz,由于国土面积狭小,用电传输距离较短,电压损耗自然就小得多。
日本人口密度较大,要求保证电流高传输而增加的开支,对日本来说也并不算什么。
对于美国等用120V电压的国家,电器的防护重点在于防火;而对于中国等用220V电压的国家,电器的防护重点在于触电.从理论角度来说,电压越高,线路上的损耗就越小,而电压越低越安全,如果超导体能走出实验室,我们都用12V供电就可以了。
随着社会的发展,电子产品越来越多,电压高会增加开关或者电子组件的成本,也节省不了多少钱。
如果我国开始发展电力的时候选择100-120VAC,会在直接利用整流电路的用电器方面减少很多资金,也会更安全,斩波电路的谐波也会减少,甚至电力线路干扰源会减少许多。
随着电力供应越来越紧张,动力设备使用变频技术也越来越多,由于整流电路功率因子比较低,所以改善功率因子的FPC电路也会在不久的将来普及,那个时候,110V的供电电路比220V有着更高的优势!
再就是频率,60Hz比50Hz效率更高,电动机功率体积比更小,能节约很多制造电机的材料。
台灯镇流器电压标准台灯镇流器是一种常见的照明设备,其作用是将市电的交流电转换为适合灯具使用的直流电。
在使用台灯镇流器时,我们需要了解其电压标准,以确保其正常工作和安全使用。
本文将针对台灯镇流器电压标准进行详细介绍,帮助大家更好地了解和使用台灯镇流器。
首先,台灯镇流器的电压标准通常包括输入电压和输出电压两部分。
输入电压是指台灯镇流器接入市电时所需的电压范围,而输出电压则是指台灯镇流器输出的直流电的电压值。
在选择台灯镇流器时,我们需要根据实际使用情况来确定其电压标准,以确保其能够正常工作。
其次,台灯镇流器的输入电压标准通常为交流220V,这是我国家庭用电的标准电压,因此大部分家庭都可以直接使用220V输入电压的台灯镇流器。
然而,在一些特殊情况下,如工业用电或特殊场合,可能需要使用其他输入电压标准的台灯镇流器,因此在选购时需要特别留意输入电压标准是否符合实际需求。
再次,台灯镇流器的输出电压标准通常为直流12V或24V,这取决于所使用的灯具的电压要求。
一般来说,较小的台灯或灯带等灯具需要的输出电压为12V,而一些较大的灯具可能需要的输出电压为24V。
因此,在选购台灯镇流器时,我们需要根据实际使用的灯具来确定其输出电压标准,以确保其能够正常供电。
最后,台灯镇流器的电压标准是其正常工作和安全使用的基础,因此在选购和使用时需要格外注意。
在选购台灯镇流器时,我们需要仔细查看产品说明书,确认其输入和输出电压标准是否符合实际需求;在安装和使用时,我们需要严格按照产品说明书和相关规定来操作,以确保其安全可靠地工作。
总的来说,了解台灯镇流器的电压标准对于我们选择、安装和使用台灯镇流器都至关重要。
只有确保台灯镇流器的电压标准符合实际需求,我们才能够安心地使用台灯镇流器,享受其带来的便利和舒适。
希望本文的介绍能够帮助大家更好地了解和使用台灯镇流器,让我们的生活更加美好和便利。
110V节能灯电子镇流器的设计
关键字:EB(电子镇流器或电子安定器),倍压电路。
通常设计110V的EB比220V的EB难度要高点,尤其是高功率因数的,下面以几副常规的原理图引领大家进入文章的主题.
图1 220V通用线路
图2 100-110V倍压线路
图3 100-110V直接驱动线路A
图4 100-110V直接驱动线路A
为何110V的EB比220V的EB难度要高,最直接的影响是灯的启动问题,尤其是整灯在高温低压时,容易出现灯管不能成功启动,只有两边灯丝发红。
原因是在高温时磁环和三极管的驱动能力降低,以至灯启动电压和灯启动电流供应不足而不能使灯管成功引燃。
灯启动电压和启动电流供应不足也影响低温低压时灯的启动。
另外,要想EB输出相同的功率,110V的EB的输出电流自然要比220V的输出电流大一倍,输出电流受控的关键点是EB的输出电感(也称扼流圈),此电感的选值太大,输出功率不足。
选值太小,便会引至EB的工作频率严重超标,三极管的开关损耗会上升,引至管子发热。
在线路的拓朴上,以上四副原理图是一样的,都是串联谐振正反馈电路,只是有一些巧妙的地方和元器件的数值选取不同。
此电路的最佳工作状态,必须符合:
式1
式中:Fw为工作频率。
Fo为整个谐振电路的固有频率。
以简单的词语说明就是:工作频率与输出电感和谐振电容的固有频率要相等,电路才能工作于最佳状态,此时负载电路等效于一个电阻,可提高整个EB 的效率,降低热损耗,整机性能上升。
图1是常规的220V原理图,图2是110V经过倍压的原理图。
图3为110V双谐振电容直接驱动原理图,图4是双谐振电容与灯丝交叉的直接驱动原理图。
图1不适宜用在110电路当中,何解?是因为要维持确定的功率,输出电感L2必须选得很小,要符合上式,谐振电容C6将要选取得很大,而C6不能选取得太大,因为太大了,启动电压将降低。
原因是:设有一高频电流流过灯丝,C6增大,等效于C6的电阻减小,C6两端的电压便下降,输出电感和灯丝的压降便上升,C6两端的电压下降,等于灯管电压下降,便很容易出现前文所述的高温不能启动问题。
因为这样,人们便研究出了如图2所示的倍压整流电路,D1,D1,C1构成倍压全波整流滤波电路,整流滤波后的电压可用下式表示:
式2
式中:V o为输出直流电压,Vin为输入交流电压。
此电路的缺点是在120V以上的线路当中难以被采用,如127V的电子节能灯,原因?你可以按上式算一算120V的节能灯,在正110%的电压环境132V交流电压供给的情况下整流滤波后的电压有多高,耐压差一点的三极管受得了吗?还得提醒你:三极管在高温时它的最高耐压值比常温耐压值是会有小许下降的。
当供电电压超过三极管最高耐压值,三极管便出现二次击穿,引起集电极和发射极短路。
图3中比图1增加了补偿电容C0,可有效的符合谐振公式(式1),令EB的效率提高了很多,启动性能也大为提高,是较为理想的直接驱动电路。
此电路的磁环材料宜选用BS温度曲线较为平坦的2K或2.5K材料。
三极管的集电极电流Ic和放大倍数β宜大些。
此电路也有一个较大的缺点,就是当灯工作了一定时间后,灯管阴极完全老化,灯丝开路,EB电路因C0的接入仍然构成串联谐振正反馈电路,线路仍然工作,线路功率会比正常时大一倍,若此时EB不损坏,灯管两端发红,温度很高,足可以将固定灯管的塑料件溶掉。
图4是比图3更理想的直接驱动电路,采用双谐振电容与灯丝交叉的方法取得更好的启动性能,工作频
率与固有频率更为贴近。
图1和图2整流滤波后的电路对电流要求不高,并且供电电压比价高,故负反馈电阻(也即发射极电阻)可选得大些,以15W的EB为例,可选用2.2欧姆的。
但图3和图4中反馈电阻适宜小点或甚至直接不用。
电解电容的选取,必须保证灯的电流波峰系数小于1.7,保证这个参数的前提条件是增大电解电容的容量,增大电解电容的容量以后会导致输入电流总谐波的提高,有些国家或地区是对电流总谐波有要求的,例如我国的台湾地区,节能灯的输入电流总谐波不能高于120%,有时为了使两者都符合要求,一般在电源输入端串联一个3-10Ω的大功率线绕电阻,提高阻性负载来降低电流总谐波,此电阻的阻值不宜过大,以免过高的功耗而使其严重发热。
还有,不能选用炭膜电阻,因为炭膜电阻抗电流冲击的能力并不是那么理想的。
磁环脉冲变压器与负载电路的关系,就问题而言,请先看下图:
图5
图5中:A,B两端为高频输入端,TR为磁环脉冲变压器,L为输出电感,C1为谐振电容,C2为隔直电容,OUT1,OUT2为三极管的驱动源。
它们构成了一个完整的LC串联电路。
我们先讨论一下TR初级圈数与次级圈数多少对输出电压大小的影响问题,从很表面来说,根据变压器的比值:
可以说:初级的圈数越小,次级的圈数越多,输出的电压就越高。
以上概念是有道理的,可别忽略了初级线圈是与输出电感L,谐振电容C1,隔直电容C2串联的,初级的圈数越小,它在回路的等效电阻便越小,它的压降就越小,也就是它在回路拿到的电压就越低,输出反而小了。
TR初级的圈数与输出电感L的关系为:输出电感L大,磁环脉冲变压器初级的圈数跟着大,输出电感L小,磁环脉冲变压器初级的圈数跟着小。
但输出电压的大小要符合三极管的驱动要求,不能欠电压激励,以免三极管工作在放大区,也不能过激励,这样容易使延迟时间过长,增加开关损耗,管子发热,更严重会出现共态导通,烧毁三极管。
详细的驱动参数请参阅你所用的三极管的数据表。
110V直接驱动线路对磁环的材料也有较严格的要求,一般合适选用BS随温度变化而变化不大的低磁导率材料,如2K或2.5K的材料。
下图中,图A是比较理想的。
图6
110V直接驱动线路对三极管的要求,主要是集电极电流Ic一定要有足够的余量,保证在高温时能向灯提供足够的启动电流,使灯成功引燃。
另外,放大倍数适宜大些(如β=25-35),耐压大于300V就行了。
工作频率,以我们目前手头上的双极型三极管,28-40KHz是最为合适的。
另外还要视能源之星和其他国家的安规认证要求。
总体而言,110V的节能灯EB设计的要点是灯的启动和灯的谐振适应问题。
具体的定值还要你在实际操作中做适当调整。
其它元器件的质量一定要过关。
因本人的水平有限,难免有错漏的地方,请莫见笑。
若有疑问请电邮younglan@
蓝荣扬
2004年10月于中山。