附录B.14施工升降机施工现场类隐患排查清单
- 格式:doc
- 大小:450.50 KB
- 文档页数:19
施⼯现场安全隐患排查清单表(安全管理)
安全⽣产事故隐患排查清单表(⼆)(⽂明施⼯)
(落地及悬挑脚⼿架)
(施⼯现场临时⽤电)
(塔式起重机)
1.⽆⼒矩限制器,或⼒矩限制器不灵敏。
2.⽆超⾼、变幅、⾏⾛限位器,或限位器不灵敏。
3.吊钩⽆保险装置。
4.卷扬机滚筒⽆保险装置。
5.上⼈爬梯⽆护圈或护圈不符合要求。
6.塔吊⾼度超过规定不安装附墙装置。
7.附墙装置不符合说明书规定。
8.⽆夹轨钳或有夹轨钳不⽤。
9.⽆安装及拆卸施⼯⽅案或违反操作规程,造成坠落事故。
10.司机或指挥⼈员⽆证上岗。
11.路基不坚实、不平整、⽆排⽔措施。
12.轨道⽆极限位置阻挡器。
13.⾏⾛塔吊⽆卷线器或卷线器失灵,⾼塔基础不符合设计要求。
14.塔吊与架空线路⼩于安全距离⼜⽆防护措施。
15.道轨⽆接地、接零,或接地接零不符合要求。
(基坑⽀护)
(模板⼯程)
(施⼯机具)
(三宝、四⼝)。
房屋建筑工程“施工升降机”区域安全检查清单一、检查区域:防护棚1、检查项目:防护棚搭设1)检查内容:1、棚底至地面高度不应小于4m;2、宽度大于施工升降机宽度;3、长度大于坠落半径;4、双层防护棚层间距不小于700mm;5、采用条状防护板时上下两层铺设方向互相垂直。
6、钢管扣件搭设的防护棚立杆间距不大于1.5m,扫地杆离地200mm,两侧设剪刀撑。
7、工具式防护棚应牢固稳定。
2)规范依据:《建筑施工升降机安装、使用、拆卸安全技术规范》JGJ 215-2010:1、当建筑物超过2层时,施工升降机地面通道上方应搭设防护棚。
当建筑物高度超过 24m 时,应设置双层防护棚。
2、检查项目:安全标语、警示标志1)检查内容:安全标语、警示标志应齐全、醒目、无破损。
2)规范依据:《建筑施工安全检查标准》JGJ 59-2011:1)施工现场入口处及主要施工区域、危险部位应设置相应的安全警示标志牌;2、文明施工;3)施工现场应有安全标语;4)应有宣传栏、读报栏、黑板报。
3、检查项目:照明灯1)检查内容:1、照明灯离地高度不低于3米;2、若顶棚不能有效防水,灯头应做防水弯或采取其他防水措施;3、顶棚采取易燃物时,照明灯离顶棚高度不低于300mm;4、禁止采用聚光灯、碘钨灯做照明;5、LED灯带可以直接敷设;6、照明灯电源线应采用穿管及其他绝缘措施,严禁直接敷设在金属构件上。
2)规范依据:《施工现场临时用电安全技术规范》JGJ 46-2005:1、照明灯具的金属外壳必须与PE线相连接,照明开关箱内必须装设隔离开关、短路与过载保护电器和漏电保护器,并应符合本规范第8.2.5条和第8.2.6条的规定。
2、室外220V灯具距地面不得低于3m,室内220V灯具距地不得低于2.5m。
普通灯具与易燃物距离不宜小于300mm;聚光灯、碘钨灯等高热灯具与易燃物距离不宜小于500mm,且不得直接照射易燃物。
达不到规定安全距离时,应采取隔热措施。
个人采集整理仅供参照学习施工起落机、物料提高机作业前安全隐患排查表工程名称施工单位租借单位设施型号存案编号序检查项目检查结果发现问题及办理状况号1 开关箱、总接触器正常正常□,不正常□2 地面防备围栏门完满,机电联锁正常正常□,不正常□3 吊笼顶门、吊笼门完满,机电联锁操作正常正常□,不正常□4 吊笼及对重通道无阻碍物,运转安稳无异响正常□,不正常□5 钢丝绳完满,摆列齐整,无压扁、变形曲折现正常□,不正常□象,固定坚固,曳引钢丝绳松紧一致6 导轨架连结螺栓无松动、缺失正常□,不正常□7 附墙架连结无松动和异样挪动现象正常□,不正常□8 齿轮、齿条啮合正常正常□,不正常□9 各导向轮、背轮齐备,与导轨接触优秀,转动正常□,不正常□灵巧10 电机、变速箱工作正常,无异样发热和异响;正常□,不正常□11 各电体制动器正常有效正常□,不正常□12 变速箱润滑油无泄露正常□,不正常□13 上、下限位开关正常有效正常□,不正常□14 极限限位开关正常有效正常□,不正常□15 重量限制装置完满有效正常□,不正常□16 急停断电开关正常正常□,不正常□17 电缆完满无损坏正常□,不正常□18 地面防备围栏内及吊笼顶部无杂物正常□,不正常□19 物料提高机停靠装置完满有效正常□,不正常□20 防坠器敏捷有效正常□,不正常□排查人署名:年月日个人采集整理仅供参照学习塔式起重机作业前安全隐患排查表工程名称施工单位租借单位设施型号存案编号序检查项目检查结果发现问题及办理状况号1 基础稳固无异样变形,无积水、杂物正常□,不正常□2 预埋螺杆、地脚螺栓紧固无松动正常□,不正常□3 主要结构件无可见裂纹、开焊和显然变形现象正常□,不正常□4 标准节连结螺栓、销轴齐备紧固正常□,不正常□5 吊钩完满,无裂纹,钢丝绳防脱钩装置完满靠谱正常□,不正常□6 防断绳、防脱绳、防断轴保险完满靠谱正常□,不正常□7 制动器敏捷靠谱,电机无异响正常□,不正常□8 滑轮转动灵巧,无损坏,钢丝绳防脱装置有效正常□,不正常□9 钢丝绳摆列齐整,无压扁、变形曲折现象正常□,不正常□10 钢丝绳无严重磨损、断丝、缺油现象正常□,不正常□11 起重量、力矩限制器敏捷靠谱正常□,不正常□12 变幅位限、高度、展转限位装置敏捷靠谱正常□,不正常□13 附墙装置连结螺栓紧固、销轴齐备,安装靠谱正常□,不正常□14 附墙杆无开焊、裂纹、变形正常□,不正常□15 主电缆无损坏、无严重歪曲变形现象正常□,不正常□16 操控手柄工作正常,仪表显示完满、有效正常□,不正常□17 接地、接零正确靠谱正常□,不正常□18 开关箱、电控箱完满,封闭紧密。
施工安全隐患排查清单为了确保施工现场的安全,防范施工过程中的安全隐患,保障工人和相关人员的生命财产安全,施工单位应该建立健全的安全管理制度,加强对施工现场的安全监管和隐患排查。
本文将从施工现场的各个环节逐一列举可能存在的安全隐患,并提出相应的排查措施,以期对施工单位进行有力的指导。
一、施工前的安全隐患排查1. 土地规划和地基分析可能存在的安全隐患:地质状况未知、地基不稳、地下管道未清理、场地不平整等。
排查措施:要求开发商协助完成地质勘察,彻底了解土地情况;对地基进行全面勘测,确保地基坚固;清理地下管道和杂物,保持场地平整。
2. 施工环境可能存在的安全隐患:施工现场周边道路狭窄、交通拥堵、周边建筑物安全隐患等。
排查措施:对施工周边道路进行交通规划,确保施工交通通畅;对周边建筑物进行安全评估,消除安全隐患。
3. 施工材料可能存在的安全隐患:材料质量不合格、储存不当、采购不规范等。
排查措施:与供应商签订严格的材料质量合格证明,确保材料质量;严格按照材料储存规范进行储存管理;规范采购流程,确保材料来源合法。
4. 施工工艺与技术可能存在的安全隐患:施工工艺不规范、技术人员缺乏相关证书、业务素质不高等。
排查措施:做好施工工艺方案,保障施工质量和安全;严格要求技术人员持证上岗,提高施工人员素质。
二、施工中的安全隐患排查1. 临时设施可能存在的安全隐患:临时搭建的脚手架、安全网、围挡等设施不牢固、不完善,存在坠落、碰撞等安全隐患。
排查措施:对临时设施进行全面检查,确保牢固可靠,符合安全标准;设置警示标志,明确使用范围和注意事项。
2. 电气设备可能存在的安全隐患:电气设备线路敷设不合理、漏电保护设备不完善、电气设备维护不及时等。
排查措施:做好电气设备的线路规划,确保线路敷设合理;安装漏电保护开关、避雷设备等,确保电气设备安全可靠;定期对电气设备进行维护保养。
3. 作业人员可能存在的安全隐患:作业人员缺乏安全防护意识、个人防护设备使用不当等。
施工现场安全隐患检查目录为了确保施工现场的安全,降低事故发生的风险,特制定本安全隐患检查目录。
本目录涵盖了施工现场可能存在的安全隐患,旨在帮助施工管理人员对现场进行全面、系统的安全检查。
一、施工现场安全管理1.1 安全生产责任制落实情况1.2 安全生产管理制度建立及执行情况1.3 安全生产费用投入情况1.4 施工现场安全防护设施设置情况1.5 施工现场安全培训及教育情况1.6 施工现场应急预案制定及演练情况二、施工现场作业行为2.1 基坑工程2.1.1 基坑支护结构验收情况2.1.2 基坑周边安全防护措施设置情况2.1.3 基坑排水措施落实情况2.2 模板工程2.2.1 模板设计及验收情况2.2.2 模板安装及拆除作业安全措施2.3 脚手架工程2.3.1 脚手架搭设及验收情况2.3.2 脚手架使用及拆除作业安全措施2.4 起重机械及吊装工程2.4.1 起重机械验收及检验情况2.4.2 吊装作业安全措施2.5 施工临时用电2.5.1 施工现场临时用电方案制定及验收情况2.5.2 施工现场临时用电线路敷设情况2.5.3 施工现场临时用电设备安全防护情况2.6 高处作业2.6.1 高处作业安全防护设施设置情况2.6.2 高处作业操作人员安全防护用品使用情况2.7 施工机械设备2.7.1 施工机械设备验收及检验情况2.7.2 施工机械设备操作人员培训及持证情况三、施工现场环境及设施3.1 施工现场平面布局合理性3.2 施工现场道路及排水设施3.3 施工现场安全标志及警示标识设置情况3.4 施工现场消防设施设置及使用情况3.5 施工现场临时设施(如宿舍、食堂、厕所等)安全情况四、施工现场人员安全素质4.1 施工管理人员安全知识及能力4.2 施工操作人员安全知识及技能培训情况4.3 施工现场作业人员安全防护用品使用情况五、其他5.1 施工现场食品安全及卫生情况5.2 施工现场环境保护及措施5.3 施工现场治安及防火防盗措施请根据本目录,对施工现场进行全面检查,并对发现的安全隐患进行整改,确保施工现场的安全。
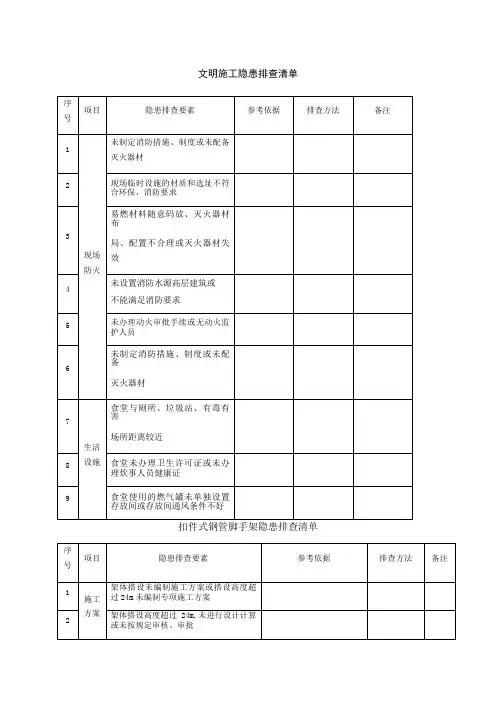
文明施工隐患排查清单
扣件式钢管脚手架隐患排查清单
悬挑脚手架隐患排查清单
门式脚手架隐患排查清单
碗扣式钢管脚手架隐患排查清单
附着式钢管脚手架隐患排查清单
承插型盘扣式隐患排查清单
满堂式脚手架隐患排查清单
高处作业与吊篮隐患排查清单
基坑支护、土方作业隐患排查清单
模板支架隐患排查清单
“三宝、四口”及临边防护隐患排查清单
施工用电隐患排查清单
物料提升机隐患排查清单
施工升降机隐患排查清单
塔式起重机隐患排查清单
起重吊装隐患排查清单
施工机具隐患排查清单。
文明施工隐患排查清单
扣件式钢管脚手架隐患排查清单
悬挑脚手架隐患排查清单
门式脚手架隐患排查清单
碗扣式钢管脚手架隐患排查清单
附着式钢管脚手架隐患排查清单
承插型盘扣式隐患排查清单
满堂式脚手架隐患排查清单
高处作业与吊篮隐患排查清单
基坑支护、土方作业隐患排查清单
模板支架隐患排查清单
“三宝、四口"及临边防护隐患排查清单
施工用电隐患排查清单
物料提升机隐患排查清单
施工升降机隐患排查清单
塔式起重机隐患排查清单
起重吊装隐患排查清单
施工机具隐患排查清单。
施工升降机使用中常见的事故隐患及整改要求施工升降机(电梯)主要用于高层建筑物、桥梁等结构物施工过程中垂直运输物料和人员,相对于梯笼、脚手架爬梯等其他施工垂直通道更安全、舒适和高效,因其特有的高空垂直运输、载人较多等使用属性,又是一种危险性较大的特种设备,违规使用易导致重大伤亡事故。
以下,介绍桥梁施工现场施工升降机(电梯)使用中常见的事故隐患,仅供参考。
1、地面通道上方无防护棚(安全通道)(1)案例图片(2)事故隐患:在地面通道上方无防护棚(安全通道)的施工升降机现场,升降机司乘人员以及其他有关人员易遭受高空坠物的物体打击伤害。
(3)整改要求:按规定在施工升降机地面通道上方搭设防护棚。
(4)依据:《施工升降机安全使用规程》(GB/T 34023-2017) 12.7.2(能导致严重伤人风险的故障)升降机通道防护装置或层站入口保护装置缺失。
《施工升降机安装、使用、拆卸安全技术规程》(JGJ215-2010) 5.2.6当建筑物超过2层时,施工升降机地面通道上方应搭设防护棚;当建筑物高度超过24m时,应设置双层防护棚。
《建筑施工高处作业安全技术规范》(JGJ 80-2016)7.1.4 施工现场人员进出的通道口,应搭设安全防护棚。
2、防护围栏门无机电联锁装置或机电联锁装置失效(1)案例图片(2)事故隐患:防护围栏门无机电联锁装置(机械锁钩及电气联锁的限位开关)或机电联锁装置失效,易发生在吊笼运行过程中有人员或异物意外侵入吊笼下方(危险区域),导致人员受到物体打击或机械伤害等。
(3)整改要求:施工升降机围栏门应设置机械锁钩、电气联锁的限位开关,并保持持续有效。
当吊笼位于底部或运行至规定的位置时才能打开,同时,地面防护围栏门开启后吊笼不能启动。
(4)依据:《施工升降机安全使用规程》(GB/T 34023-2017) 12.7.2(能导致严重伤人风险的故障)升降机通道防护装置或层站入口保护装置缺失。
3、吊笼门、吊笼双开门电气联锁装置失效(1)案例图片(2)事故隐患:施工升降机的吊笼门、吊笼双开门电气联锁的限位开关损坏(限位开关杠杆滚轮缺失),易发生吊笼门、吊笼双开门未关闭,施工升降机就启动运行,造成司乘人员高处坠落或吊笼内坠物的意外事故。
施工升降机安全风险清单一、部位:安全装置。
1、较大危险因素:未安装起重量限制器或起重量限制器不灵敏、未安装渐进式防坠安全器或防坠安全器不灵敏,防坠安全器超过有效标定期限,SC型施工升降机未安装安全钩,导致起重伤害事故。
2、易发生的事故类型:起重伤害。
3、主要防范措施:(1)应安装起重量限制器,并应灵敏可靠;(2)应安装渐进式防坠安全器并应灵敏可靠,应在有效的标定期内使用;(3)对重钢丝绳应安装防松绳装置,并应灵敏可靠;(4)吊笼的控制装置应安装非自动复位型的急停开关,任何时候均可切断控制电路停止吊笼运行;(5)底架应安装吊笼和对重缓冲器,缓冲器应符合规范要求;(6)SC型施工升降机应安装一对以上安全钩。
4、依据:《施工升降机安全规程》GB 10055;《建筑施工升降机安装、使用、拆卸安全技术规程》JGJ 215;《建筑施工安全检查标》(J1334-2011)第3.16.3条。
二、部位:限位装置。
1、较大危险因素:未安装极限开关或极限开关不灵敏,未安装上限位开关或上限位开关不灵敏,未安装吊笼门机电连锁装置或不灵敏,导致起重伤害事故。
3、主要防范措施:(1)应安装非自动复位型极限开关并应灵敏可靠;(2)应安装自动复位型上、下限位开关并应灵敏可靠,上、下限位开关安装位置应符合规范要求;(3)上极限开关与上限位开关之间的安全越程不应小于 0.15m;(4)极限开关、限位开关应设置独立的触发元件;(5)吊笼门应安装机电联锁装置并应灵敏可靠;(6)吊笼顶窗应安装电气安全开关并应灵敏可靠。
4、依据:《施工升降机安全规程》GB 10055;《建筑施工升降机安装、使用、拆卸安全技术规程》JGJ 215;《建筑施工安全检查标》(J1334-2011)第3.16.3条。
三、部位:防护设施。
1、较大危险因素:未设置地面防护围栏或设置不符合规范要求,未安装层门或层门不起作用,导致高处坠落事故。
2、易发生的事故类型:高处坠落。
建筑施工安全生产隐患排查清单
背景
建筑施工中存在着众多安全隐患,一旦发生事故,会对工人的
生命造成威胁,同时也会给企业带来不必要的法律风险和经济损失。
为了最大程度地保障工人的生命安全以及企业的合法利益,需要开
展建筑施工安全生产隐患排查。
目的
开展建筑施工安全生产隐患排查的目的是为了及时发现和消除
安全隐患,确保工人的生命安全和健康,保障企业的合法利益。
内容
建筑施工安全生产隐患排查应包括以下内容:
1. 建筑施工过程中可能存在的安全隐患;
2. 安全生产责任的落实情况;
3. 安全管理制度执行情况;
4. 安全教育培训和技能培训情况。
步骤
建筑施工安全生产隐患排查的步骤包括:
1. 制定建筑施工安全生产隐患排查计划;
2. 组织安全生产专家对工地进行全面排查;
3. 发现隐患后,及时采取措施消除;
4. 定期进行复查,确保隐患消除情况得到落实。
重点
建筑施工安全生产隐患排查的重点包括:
1. 高处作业安全;
2. 施工机械设备的安全使用;
3. 用电安全;
4. 消防安全。
结论
建筑施工安全生产隐患排查是保障工人生命安全和企业合法利益的重要措施,应当高度重视。
只有及时发现问题并采取措施,才能够有效预防和避免事故的发生。
施工电梯安全检查重点项目施工升降机也叫外用施工电梯或简称升降机。
它是高层建筑施工中的重要设备,也是施工现场容易发生事故的危险源,更因为它能引发多人伤害的重大事故,在安全检查工作中应列为重点检查的内容。
根据以往发生的事故案例和现场检查中经常发现的问题,将我们认为应该重点检查的关键部位和内容简述如下,供大家参考:1、先检查基础部位是否有积水,是否有下沉迹象。
检查过程中发现有装在一层楼板上的升降机,必须检查地下室的顶撑系统及计算方案;检查接地系统是否符合要求;缓冲器(弹簧)应齐全有效;底笼围挡严密无破损;升降机底层进出口应有防护棚。
2、检查架体结构,应查看基础及标准节连接螺栓紧固情况,螺栓按规定设置双螺帽或弹簧垫;各部位焊缝完好无裂纹;附着杆件应按照说明书要求的材质、规格设置,不应任意更改。
附着杆间距应符合说明书要求,一般为6m一道;附着杆的连接方式及紧固方式应按说明书要求执行,不应随意变更。
安全检查过程中发现,有用钢筋代替螺栓,钢筋两端分别焊个钢筋头代替螺帽的现象。
这种做法是非常危险的。
还有未采用双螺帽的。
3、机械传动系统:升降机的机械传动系统可分为封闭式和开启式两部分。
它的变速部分(蜗轮、蜗杆减速箱)和锥鼓式限速器的离心制动部分,是封闭式的。
其它部分是开启式的。
封闭部分不易检查,现场只能看一下变速箱是否漏油、锥鼓式限速器名牌上标注的检测日期是否超期,它的检测周期一般为两年,锥鼓式限速器(渐进式限速器)必须经国家规定的安全监测中心定期监测并做铅封,使用单位不准随意调整。
开启部分的检查与检测不同,因安全检查涉及的点多面广,时间有限,相对于升降机的安全检测要粗放一些。
一般情况下不带仪器,全凭经验观察。
第一要检查各传动部位的间隙不能过大,一般控制在0.2--0.5mm左右,齿轮与齿条啮合时齿底的间隙为2mm左右。
啮合间隙过大或齿轮齿条磨损严重都是很危险的,升降机的运行和制动力都要通过齿轮齿条传递,啮合深度不够、磨损严重或轴向错位过大,都会使啮合面积减小而造成齿轮齿条强度降低,发生断齿事故。
第1篇一、前言为确保项目安全顺利进行,预防和减少安全事故的发生,提高项目安全管理水平,特制定本安全隐患排查清单。
本清单适用于各类项目,包括但不限于建筑工程、水利工程、道路工程、电力工程等。
各项目单位应严格按照本清单进行安全隐患排查,切实保障人民群众生命财产安全。
二、排查范围1. 施工现场:包括施工场地、临时设施、施工机械、施工材料等。
2. 施工设备:包括起重机械、塔吊、施工电梯、施工升降机、挖掘机、搅拌机、切割机等。
3. 施工人员:包括管理人员、技术人员、施工人员、监理人员等。
4. 施工环境:包括天气、地质、水文、交通等。
5. 项目周边环境:包括周边建筑物、道路、地下管线等。
三、排查内容1. 施工现场安全隐患排查(1)施工场地:检查施工现场是否平整、排水设施是否完善、临时设施是否稳固。
(2)临时设施:检查临时设施是否符合安全要求,如宿舍、食堂、厕所、办公室等。
(3)施工机械:检查施工机械是否定期维护保养,是否存在安全隐患。
(4)施工材料:检查施工材料是否合格,是否存在易燃、易爆、有毒等危险品。
2. 施工设备安全隐患排查(1)起重机械:检查起重机械的吊装、变幅、行走、制动等机构是否完好,安全装置是否齐全。
(2)塔吊:检查塔吊的钢丝绳、卷筒、吊钩、限位器等是否完好,安全装置是否齐全。
(3)施工电梯:检查施工电梯的运行、制动、限位等机构是否完好,安全装置是否齐全。
(4)施工升降机:检查施工升降机的钢丝绳、卷筒、吊钩、限位器等是否完好,安全装置是否齐全。
(5)挖掘机、搅拌机、切割机等:检查机械设备的安全防护装置是否齐全,是否存在漏电、漏油等隐患。
3. 施工人员安全隐患排查(1)管理人员:检查管理人员是否具备相关资质,是否了解和掌握安全生产法律法规。
(2)技术人员:检查技术人员是否具备相关资质,是否熟悉施工图纸、施工方案和安全操作规程。
(3)施工人员:检查施工人员是否具备相关资质,是否了解和掌握安全操作规程。
施工现场安全隐患排查清单表一、施工人员1、个人防护用品施工人员是否正确佩戴安全帽,安全帽是否符合标准,有无破损。
安全带的使用是否规范,有无磨损、断裂等情况。
工作服、工作鞋是否符合施工要求,是否具备防护功能。
2、特种作业人员资质电焊工、架子工、电工等特种作业人员是否持有有效的操作证。
证件是否在有效期内,作业范围是否与证件相符。
3、施工人员健康状况有无身体不适、疲劳作业的人员。
高温、严寒等恶劣天气条件下,施工人员是否采取了相应的防护措施。
4、安全教育培训新入场工人是否接受了三级安全教育。
日常安全教育是否定期开展,培训内容是否具有针对性。
二、施工设备与机械1、起重设备塔吊、起重机等起重设备的基础是否牢固,地脚螺栓有无松动。
起重设备的钢丝绳是否磨损、断丝,吊钩是否有裂纹。
限位器、防碰撞装置等安全保护装置是否有效。
2、施工电梯与吊篮施工电梯的门锁、限速器、缓冲装置是否正常。
吊篮的悬挂机构、配重是否符合要求,安全锁是否灵敏可靠。
3、电焊机电焊机的外壳是否接地良好,电源线是否破损。
二次侧空载降压保护器是否正常工作。
4、手持电动工具电动工具的绝缘性能是否良好,插头、插座是否完好。
工具的防护罩是否齐全,运转是否正常。
5、机械设备维护保养各类施工机械设备是否按照规定进行定期维护保养,并有记录。
设备的润滑、紧固、调整等工作是否到位。
三、施工用电1、配电箱与开关箱配电箱、开关箱是否符合“三级配电两级保护”要求。
箱内电器元件是否完好,有无破损、漏电现象。
漏电保护器是否灵敏可靠,动作电流和动作时间是否符合要求。
2、电线电缆电线电缆的敷设是否符合规范,有无拖地、泡水、架空高度不足等情况。
电缆是否有破损、老化、接头松动等问题。
3、接地与接零保护施工现场的用电设备是否进行了接地或接零保护,接地电阻是否符合要求。
保护零线是否与工作零线分开设置,有无混接现象。
四、脚手架与吊篮1、脚手架脚手架的搭设是否符合施工方案和规范要求。
立杆、横杆、剪刀撑的设置是否符合标准,连接是否牢固。
施工现场隐患排查清单施工现场是个危险的场所,在施工过程中,各种事故随时可能发生。
为了保障工人们的身体健康和施工安全,必须严格按照相关法规规定来开展施工工作,并且要在施工过程中不断排查隐患,及时进行处理。
以下是施工现场隐患排查清单。
一、周围环境在施工现场进行施工之前,必须先仔细考虑周围环境是否妨碍施工安全。
下面是需要考虑的几个方面:1.1 地形施工现场周围的地形是否平坦?是否有高低落差,因为高低不平的地面容易使工人摔倒,需尽可能的平整。
1.2 路面施工现场周围的道路是否宽敞通畅,交通是否繁忙,是否存在突然停车现象?需畅通无阻,以防发生人员交通事故。
1.3 生活区施工人员生活区的断路器是否已配备?供电是否输出适当?各种住宅是否具备消防管、灭火器等,以防火灾发生。
1.4 炊事区在炊事区,用于烧制饭菜的炉子和气罐是否齐全、有无损坏或漏气现象?是否有专门的抽排设施?二、设施设备在施工现场,各种设施设备的安全检查可以避免下列安全隐患:2.1 施工升降机施工升降机是否被安装在正确的位置?是否有固定牢靠?升降机是否在使用前受到安全检查并得到高质量的维护?是否有专门维修人员进行维修?2.2 脚手架脚手架搭建是否牢固?是否固定牢靠、稳定?是否有倾斜、开裂或破损?是否有专门的人员进行日常检查?2.3 模板支架支架牢固吗?是否有变形或松动现象?支架是否放置在固定的位置?2.4 吊车是否有专业人员对吊车的条件和工作性能进行检查?是否有专业人员负责吊车的日常维护和操作?2.5 灭火设备灭火器是否到位?是否测量合适的火灾威胁级别?是否有足够的数量覆盖施工现场的各个区域?是否定期检查灭火设备的使用状态?三、人员安全3.1 人员施工现场人员是否配备到位?是否有人员留待施工外?是否有专业人员对不同施工位置的风险进行安全评估和检查?3.2 操作人员特别是在使用各种设备和机器的操作人员是否接受过专业的技术培训?是否有经验丰富的指导员来进行设备的操作?设备的使用和维护?3.3 外来人员外来人员如何进入施工区域?如何与施工人员进行沟通?如何确保外来人员了解施工现场的风险?3.4 防护措施规定Slippery和临时的路面是否有足够的标识和防护措施?是否有专门的人员监督施工现场的整体安全状况?四、材料管理4.1 材料在运输中材料是否装运在合适的车辆中?是否有专业司机进行驾驶?是否有必要的配套材料和设备及时到位,以确保工程的顺利进行?4.2 材料在现场各种材料是否已经分类,并正确地摆放和储存?是否有必要的及时清理,以确保在施工现场不出现杂物堆积?五、环保及安全质量5.1 环保安全工程施工现场是需要对环境和天气进行监测的。