办公楼结构次梁计算书
- 格式:doc
- 大小:1.81 MB
- 文档页数:24
湖南理工学院南湖学院题目:岳阳市某单位综合楼作者:学号:系别:土木建筑工程系专业:土木工程指导老师:职称:讲师完成时间:某理工学院办公楼设计摘要:本设计的题目为岳阳市某单位综合楼。
其中该设计分为建筑设计、结构设计和施工组织设计。
第一部分:建筑设计,本工程的建筑设计方案简单,采用对称布置,呈矩形。
能充分满足了单位办公的需求,建筑立面造型独特,表现了学院办公楼建筑的特点。
第二部分:结构设计,本工程的结构设计围绕安全、经济两个重点展开,采用多层框架结构。
其中选取一榀框架对其梁和柱的计算采用电算加手算,整个计算过程力求正确,基础采用柱下独立基础,并进行了楼梯和楼板的设计计算,过程详见计算书。
第三部分:施工组织设计,本工程施工组织设计详细阐述了施工布置、施工准备、施工方法、质量控制、安全生产等五个方面,明确了工程人员职则。
并根据劳动定额及计算工程量确定日工作人数,绘制施工进度计划表。
关键词:办公楼建筑设计结构设计施工组织设计框架结构计算Institute technonogy office building of the DesignSummary: The topic originally designed is the office building of institute of some job. The designs hadbeen divided into the architectural design, design and operatiol of the structure and organize the design.First part : Architectural design, the architectural design of this project is simple ,adopt and fix up asymmetrically, take the form of rectangle word. Can fully meet the demand that the institute handles official business, the elevation model of the buikding is unique; have displayed the characteristic of the building of office building of the institute.Second part: Structural design, project this structural design launch around security , economy two focal points, adopt the multi-layer frame structure. Choose one pin frame adopt electricity is it add to roof beam and calculation of post their hand charge to regard as among them, the whole computational process strives to be correct, the foundation adopts the independent foundation under the post, the design carrying on the stair floor is calculated, the course sees and calculates the book.The third part : Construct and organize and design, this construction organizes the design to explain and construct such five respects as assigning , preparation of construction , construction method , quality control , safety in production ,etc. in detail , have defined project duties of personnel . And confirm the working number of people on day according to the work norm and project amount of calculation, draw the planning chart of the construction speed.Keyword: Office building Architectural design Structural design Construct and organize and design the frame structure calculating目录第一部分:结构设计计算书一、设计概况 (4)二、结构计算书(基本情况) (5)三、框架侧移刚度计算 (7)四、荷载标准值计算 (10)五、确定结构计算简图 (13)六、恒荷载作用下框架内力分析 (16)七、活荷载作用下框架内力分析 (17)八、水平地震作用计算(横向水平地震) (26)九、横向风荷载作用下框架结构内力和侧移计算 (36)十、横向框架内力组合 (43)十一、框架截面设计与配筋计算 (52)十二、基础设计 (62)十三、楼梯设计 (66)十四、楼板设计 (70)第二部分:施工组织设计(内容附后) (75)参考文献 (82)致谢词 (83)结构设计计算书.一、设计概况1.建设项目名称:岳阳市某单位综合楼2.建设地点:岳阳市某地3.设计资料:3.1.地质水文资料:①.该场地地形平整,无滑坡、无液化土层等不良地质现象。
结构计算书要求:设计南昌市七星机械厂办公楼工程概况:本建筑为南昌七星机械厂办公楼,位于南昌市,六层刚框架结构,总建筑面积5930.56m2,底层高4.2m,其他层高3.0m,室内外高差0.45m。
满足防火要求,设俩个双跑楼梯和一个双分平行楼梯,墙体采用双层聚氨酯嘉芯墙板,屋面为不上人屋面,采用改进沥青防水,夹板保温。
结构形式为钢框架结构,设计基准期50年,雪荷载0.40kN/m^2,基本风压0.45kN/m^2,抗震设防烈度为6度,设计基本地震加速度值为0.15g一、(1)结构布置:采用焊接工字形截面的框架梁和箱型柱,楼板采用压型钢板钢筋混凝土组合结构。
(2)工程地质条件:拟建场地地形平坦,地下水位距天然地面-1.8m处,土质分布具体情况见表1,II类场地,地震设防烈度为6度。
建筑地层一览表表1:(3)施工条件:材料为:Q235钢、16Mn钢(Q345)、钢筋:HPB235-HRB400,水泥32.5-42.5级普通硅酸盐水泥。
二、截面初选:主梁截面高度500mm,腹板宽度20mm,厚度均为20mm;次梁截面高度450mm,腹板宽度16mm,厚度均为16mm;柱截面为焊接箱形柱截面,规格为500mmX500mm,厚度为20mm。
梁柱截面图:截面特性见下表:注:t为梁翼缘厚度、箱形柱厚度。
三、结构方案概述1、设计依据本设计依据以下现行国家规范及规程设计《建筑结构荷载规范》GB 5009-2001《钢结构设计规范》GB 50017-2003《建筑抗震设计规范》GB 50011-2010《建筑地基基础设计规范》GB 50007-20022、结构形式及布置采用钢框架结构,框架梁采用焊接工字型截面,框架柱采用焊接箱型截面,楼板采用压型钢板钢筋混凝土组合结构,楼梯为现浇混凝土楼梯,基础采用柱下独立基础,结构布置如下图所示:3、材料选用所有构件及零件均采用Q235B,组合楼板混凝土强度等级C20,基础混凝土强度等级C25,钢筋为HRB335级及HPB235。
目录设计资料 (1)楼盖平面布置 (2)板的设计 (3)次梁的设计 (6)主梁的设计 (9)楼梯设计 (15)雨篷设计 (19)设计资料1.建设地点:烟台市区2.楼面做法:水磨石地面、钢筋混凝土现浇板,20mm 石灰砂浆抹底。
3.层高:4.5m ;门:宽×高=3300mm ×3000mm ;楼梯位置见图,楼梯尺寸自定。
4.墙体为370mm 砖砌体,柱截面尺寸为400mm ×400mm 5.雨棚悬挑长度为1200。
6.使用用途为书库。
活荷载:板/次梁/主梁 5.0/5.0/5.0 L1×L2=7200mm ×6900mm 混凝土强度等级C30 钢筋品种:板,HPB300;梁,HRB500。
72007200720072007200690069006900楼盖的结构平面布置主梁沿横向布置,次梁沿纵向布置。
主梁的跨度为6.9m ,次梁的跨度为7.2m ,主梁每跨内布置两根次梁,板的跨度为2.3m ,L02/L01=7.2/2.3=3.13>3,因此按单向板设计。
(1)按高跨比条件,要求板厚h ≥2300/40=57.5,对民用建筑的楼盖板要求h ≥60取h=80mm 。
(2)次梁截面高度应满mm l l h )600~400(12/7200~18/720012/~18/00===。
考虑到楼面可变荷载比较大,取mm h 500=。
截面宽度满足b=h/3~h/2=500/3~500/2=167~250,则取为mm b 200=。
(3)主梁的截面高度应mm l l h )690~460(10/6900~15/690010/~15/00===,取mm h 600=。
截面宽度取)(mm h h b 300~2002600~36002/~3===,则取为250b mm =。
板的设计荷载板的永久荷载标准值:水磨石面层 2/65.0m KNmm 80钢筋混凝土板 2/22508.0m KN =⨯mm 20石灰砂浆 2/34.01702.0m KN =⨯小计 2/99.2m KN板的可变荷载标准值: 2/0.5m KN 取纵向的1m 的板带计算,则恒荷载 2.991 2.99/g KN m =⨯= 活荷载 5.015/q KN m =⨯=组合一 1.2 1.4 1.2 2.99 1.4510.588/g q KN m +=⨯+⨯=组合二 1.35 1.40.9 1.35 2.99 1.450.910.3365/g q KN m +⨯=⨯+⨯⨯= 荷载总设计值取10.6/KN m1. 计算简图次梁截面为mm mm 500002⨯,现浇板在墙上的支承长度不小于100mm,取板在墙上的支承长度为mm 120。
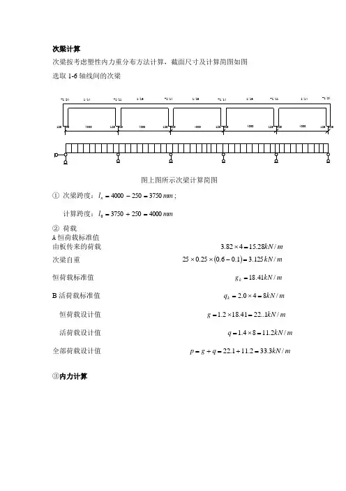
次梁计算次梁按考虑塑性内力重分布方法计算,截面尺寸及计算简图如图 选取1-6轴线间的次梁-1/14-1/11-1/244000400040001251251251251251251/14-1/141/161/141/16125125-1/111/164000125125-1/241251254000 图上图所示次梁计算简图① 次梁跨度:mm l n 37502504000=-=; 计算跨度:mm l 400025037500=+=② 荷载A 恒荷载标准值由板传来的荷载 m kN /28.15482.3=⨯ 次梁自重 ()m kN /125.31.06.025.025=-⨯⨯ 恒荷载标准值 m kN g k /41.18= B 活荷载标准值 m kN q k /840.2=⨯= 恒荷载设计值 m kN g /1..2241.182.1=⨯= 活荷载设计值 m kN q /2.1184.1=⨯= 全部荷载设计值 m kN q g p /3.332.111.22=+=+=③内力计算弯矩计算表剪力计算表 (0=V Pl β)表 9.2④配筋计算 1、正截面计算次梁跨中截面按T 型截面计算翼缘宽度:mm b f 1333400031=⨯=,mm b 200=mm h 600=,mm h 565356000=-=,100f h mm =mm N f c /9.11=,2360/y f N mm =,.max 0.384s α=M m kN h h h b f M f f f c f >=-⨯⨯⨯=-=.93.816)2100565(10013339.11)2(0为第一类T 型截面按mm mm h b f 6001333⨯=⨯的矩形截面计算 次梁支座截面按矩形截面计算mm b 250=,mm h 600=,mm h 565356000=-=次梁配筋计算表002.0)002.0,45.0max(min ==ytf f ρ 2min 300600250002.0mm bh A s =⨯⨯=>ρ,满足最小配筋率 2、斜截面承载力计算426.2250565<==bh wkN V kN bh f c c 88.682.4205652509.110.125.025.00=>=⨯⨯⨯⨯=β 故截面满足要求。
1 结构设计说明1、结构方案选取选择合理的抗侧力结构体系,进行合理的结构或构件布置,使之具有较大的抗侧刚度和良好的抗风、抗震性能,是结构设计的关键。
同时还须综合考虑建筑物高度、用途、经济及施工条件等因素。
1.1竖向框架承重体系选取框架结构体系:由梁、柱构件通过节点连接而成,其具有建筑平面布置灵活、造型活泼等优点,可以形成较大的使用空间,易于满足多功能的使用要求。
在结构受力性能方面,框架结构属于柔性结构,自振周期长,地震反应较小,经合理设计可具有较好的延性性能。
其缺点是结构的抗侧刚度较小,在地震作用下侧向位移较大。
横向框架承重体系选取常见的横向承重体系包括:现浇楼盖、叠合楼盖、预制板楼盖、组合楼盖等。
现浇楼盖可分为肋梁楼盖、密肋楼盖、平板式楼盖和无粘结预应力现浇平板楼盖等。
肋梁楼盖结构具有良好的技术经济指标,可以最大限度地节省混凝土和钢筋的用量,能充分发挥材料的作用,结构整体性好,抗震性能好,且结构平面布置灵活,易于满足楼面不规则布置、开洞等要求,容易适用各种复杂的结构平面及各种复杂的楼面荷载。
1.3纵、横向混合承重体系选取在纵、横两个方向布置主梁以承担楼面荷载,就构成了纵、横向混合框架承重方案。
纵、横向混合框架承重方案具有较好的整体性,为空间受力体系。
本设计为六层的多层结构,根据功能使用性进行结构布置。
经各方案比较筛选,本工程选用框架结构的纵、横向承重体系。
2、楼梯方案的选择整体式楼梯按照结构形式和受力特点不同,可分为板式楼梯、梁式楼梯、剪刀式楼梯和圆形楼梯、螺旋楼梯等。
其中,应用较为经济的、广泛的是板式楼梯和梁式楼梯,剪刀式楼梯、圆形楼梯和螺旋式楼梯属于空间受力体系,外观美观,但结构受力复杂,设计与施工较困难,用钢量大,造价高,在实际中应用较少。
梁式楼梯由踏步板、斜梁、平台板和平台梁组成。
踏步板支承于两端的斜梁上,斜梁可设在踏步下面,也可设在踏步上面。
根据梯段宽度大小,梁式楼梯的梯段可采用双梁式,也可采用单梁式。
摘要本设计是办公楼设计。
除建筑设计之外,结构设计是本专业设计的重点,其主要有设计计算书和结构施工图两部分组成。
结构设计主要是竖向荷载作用下的框架内力计算和水平作用下的地震作用、风作用计算,内力组合,梁柱配筋,楼梯计算,基础计算。
本设计竖向荷载作用下的框架计算取一榀框架,4层3跨,用弯矩分配法逐层求得;水平抗震计算采用D值法求得。
求出上述内力后,即可进行内力组合,然后根据内力组合的结果进行梁柱的配筋设计。
最后进行基础设计。
关键词:框架结构、钢筋混凝土、现浇。
第一部分设计条件一、工程名称。
二、建筑设计资料本建筑主要用途办公楼。
采用钢筋砼全现浇框架结构,四层(局部五层),底层层高3.7m,其余各层为3.5m。
本建筑总长为67.5m,总宽为36m,总高为16.2m。
本建筑中的一些构造作法如下:1.墙身做法:墙身为普通机制砖填充墙,M5混合砂浆砌筑。
外墙240mm,内墙200mm。
2.内墙面做法:刷乳胶漆,5mm厚1:0.3:3水泥石灰膏砂浆粉面压实抹光,12mm 厚1:1:6水泥石灰膏砂浆打底。
外墙面做法:1:1水泥砂浆(细砂)勾缝,5mm厚水磨石墙面,10mm厚1:2水泥砂浆粘结层,10mm厚1:3水泥砂浆打底。
3、楼面做法:50mm厚面层,板厚100mm4、屋面做法:油毡防水屋面,二毡三油、热铺绿豆砂一层;冷底子油一道;20mm厚1:2水泥砂浆找平层;100~140mm厚水泥防水珍珠岩块或沥青珍珠岩块保温层;热沥青一道隔气层;捣制钢筋混凝土屋面板。
三、基本数据(一)、工程地质情况(1)、设计标高室内设计标高±0.000,室内外高差300mm。
(2)、地下水位地下水位位于地表下1.0m处。
(3)、土层描述第一层为杂填土,厚度500mm;f k=60 kN/m2;第二层为亚粘土,厚度1000mm,f k=110 kN/m2;q pk=15 kN/m2第三层为粘土层,厚度2000m,f k=160 kN/m2;q pk=25 kN/m2第四层为粘土层,厚度6000mm—13000mm,f k= 80 kN/m2;q pk=20 kN/m2(二)、抗震要求本工程设计使用年限为50年,抗震设防烈度为六度,设计基本地震加速度0.10g,设计地震分组为第一组,抗震等级为二级,Ⅱ类场地土,近震。
结构设计计算书一、梁计算:(一)屋面验算:本设计的钢结构梁均为简支梁,材质为Q345,材料设计标准值为310N/mm²;以最不利构件计算,主梁取F~G轴线/4轴线之间的钢梁GL1,次梁取1~4轴线/F~G 轴线之间的次梁GL3验算。
1.次梁GL3验算HN400×150×8×13(1)永久荷载计算:防水层荷载(两层3mm厚SBS): 2.1×0.006×5000×10=0.63KN/m;防水找平层(20mm厚水泥砂浆): 2.1×0.02×1700×10=0.84KN/m;屋面1:6珍珠岩水泥砂浆找坡层(平均厚度200mm):2.1×0.2×800×10=3.36KN/m;100mm厚挤塑板保温层: 2.1×0.1×40×10=0.084KN/m;150mm厚钢承板C30砼结构板:(2.1×0.074+2.1×0.076÷2)×2500=5.88KN/m HN400×150×8×13钢梁自重:55.8×10=0.558KN/m;合计:11.352KN/m (2)屋面活荷载计算:不上人屋面活荷载标准值:0.5KN/㎡: 2.1×0.5=1.05KN/m;基本雪载:0.35KN/㎡: 2.1×0.35=0.735KN/m;基本风荷载:0.25KN/㎡: 2.1×0.25=0.525KN/m;施工荷载:2.0KN/㎡: 2.1×2.0=4.2KN/m;合计: 6.51KN/m (3).弯矩计算:M=ql²/8=(1.35×11.352+1.4×6.51)×9²÷8=220.887KN.m(4)验算钢梁弯矩值:W=M/f=220.877×1000×1000÷310=712538.7mm³=712.54cm³经过查表得钢梁HN350×175×7×11的W x=782cm³>712.54 cm³2.主梁GL1验算(HN692×300×13×20):11.352×9÷2=45.408次梁传来的集中荷载简图F1 =45.408 F2=45.408 F3=45.408弯矩组合计算:M=1.35×1.66×8.42÷8+45.408×3×4.2×1.35=792.16KN.MW=M/f=964.4103×1000×1000÷295=2685273.559mm³<4980cm³选用HN700×300×13×203.主梁GL2验算:1.主梁验算HN400×150×8×13(1)永久荷载计算:防水层荷载(两层3mm厚SBS): 2.0×0.006×5000×10=0.60KN/m;防水找平层(20mm厚水泥砂浆): 2.0×0.02×1700×10=0.68KN/m;屋面1:6珍珠岩水泥砂浆找坡层(平均厚度200mm):2.0×0.2×800×10=3.2KN/m;100mm厚挤塑板保温层: 2.0×0.1×40×10=0.08KN/m;150mm厚钢承板C30砼结构板:(2.0×0.074+2.0×0.076÷2)×2500=5.6KN/m HN400×150×8×13钢梁自重:55.8×10=0.558KN/m;合计:10.718KN/m (2)屋面活荷载计算:不上人屋面活荷载标准值:0.5KN/㎡: 2.0×0.5=1.0KN/m;基本雪载:0.35KN/㎡: 2.0×0.35=0.70KN/m;基本风荷载:0.25KN/㎡: 2.0×0.25=0.50KN/m;施工荷载:2.0KN/㎡: 2.0×2.0=4.0KN/m;合计: 6.2KN/m(3).弯矩计算:M=ql²/8=(1.35×11.398+1.4×6.2)×8.4²÷8=212.274KN.m(4)验算钢梁弯矩值:W=M/f=212.274×1000×1000÷310=684753.5mm³=684.75cm³经过查表得钢梁HN350×175×7×11的W x=782cm³>827.36 cm³2.主梁GL2验算(HN600×200×11×17):10.718×8.4÷2=47.872次梁传来的集中荷载简图F1 =47.872 F2=47.872 F3=47.872弯矩组合计算:M=1.35×0.896×82÷8+45.016×3×4×1.35=785.2KN.MW=M/f=889.8×1000×1000÷295=2661705.763mm³<3000cm³选用HN600×200×11×17(二)楼面积算:1.次梁GL3验算HN400×150×8×13(1)永久荷载计算:楼面装修材料荷载: 1.20KN/m150mm厚钢承板C30砼结构板:(2.1×0.074+2.1×0.076÷2)×2500=5.88KN/m HN400×150×8×13钢梁自重:55.8×10=0.558KN/m;合计:7.638KN/m (2)屋面活荷载计算:医院楼面活荷载标准值:0.5KN/㎡: 2.5KN/m;施工荷载:2.0KN/㎡: 2.1×2.0=4.2KN/m;合计: 6.7KN/m (3).弯矩计算:M=ql²/8=(1.35×7.638+1.4×6.7)×9²÷8=119.374KN.m(4)验算钢梁弯矩值:W=M/f=119.374×1000×1000÷310=643143.266mm³=643.143cm³经过查表得钢梁HN350×175×7×11的W x=782cm³>643.143 cm³2.主梁GL1验算(HN692×300×13×20):7.638×9÷2=45.408次梁传来的集中荷载简图F1 =34.371 F2=34.371 F3=34.371弯矩组合计算:M=1.35×1.66×8.42÷8+34.371×3×4.2×1.35+6.7×8.42÷8=679.456KN.MW=M/f=679.456×1000×1000÷295=2303.241mm³<4980cm³选用HN700×300×13×203.主梁GL2验算:1.主梁验算HN400×150×8×13(1)永久荷载计算:楼面装修材料荷载: 1.20KN/m150mm厚钢承板C30砼结构板:(2.0×0.074+2.0×0.076÷2)×2500=5.6KN/m HN400×150×8×13钢梁自重:55.8×10=0.558KN/m;合计:7.358KN/m (2)楼面活荷载计算:楼面活荷载标准值: 2.5KN/m;施工荷载:2.0KN/㎡: 2.0×2.0=4.0KN/m;合计: 6.5KN/m (3).弯矩计算:M=ql²/8=(1.35×7.358+1.4×6.5)×8.4²÷8=167.874KN.m (4)验算钢梁弯矩值:W=M/f=167.874×1000×1000÷310=541.528.084mm³=541.528cm³经过查表得钢梁HN350×175×7×11的W x=782cm³>541.528 cm³2.主梁GL2验算(HN600×200×11×17):7.358×8.4÷2=30.904 次梁传来的集中荷载简图F1 =30.904 F2=30.904 F3=30.904弯矩组合计算:M=1.35×0.896×82÷8+30.904×3×4×1.35+6.5×1.4×82÷8=583.115KN.M W=M/f=583.115×1000×1000÷295=1976661.424mm³<3000cm³选用HN600×200×11×17二、单柱荷载计算以F轴线与4轴线交点的柱进行计算:P=47.872×3+45.408×3+34.371×3+30.904×3=475.665KN故单柱承载力为475.665KN单柱强度验算:P÷S=475.665×1000÷12040=39.507N/mm2<215N/mm2单柱稳定性验算:λ=l0/¡,¡=(I/A)1/2=(20500÷120.4)1/2=13.05cmλ=l0/¡=360÷13.05=27.59<150。
3 次梁计算3.1 次梁选取本次计算选取B板和C板间次梁进行计算,梁两端支座按固定支座进行计算,不考虑连续梁的荷载不利组合,按照弹性理论方法进行计算。
5004500/12375h=>=,梁宽200b mm=。
3.2 材料选用混凝土:采用C30(2214.3/, 1.43/c tf N mm f N mm==)。
钢筋:采用HPB335(2300/yf N mm=)。
3.3 荷载组合系数永久荷载的分项系数:1.20 Gγ=可变荷载的分项系数:1.40 Gγ=3.4 荷载统计恒荷载设计值:由板传来:2322323.3 3.3 3.34.5kN/m122 4.5 4.54.2 4.2 4.24.5kN/m125.84/2 4.5 4.5mm kN m⎡⎤⎛⎫⎛⎫⨯⨯-⨯+⎢⎥⎪ ⎪⎝⎭⎝⎭⎢⎥⎣⎦⎡⎤⎛⎫⎛⎫+⨯⨯-⨯+=⎢⎥⎪ ⎪⎝⎭⎝⎭⎢⎥⎣⎦次梁自重325/0.2(0.50.1) 2.0/ KN m m m m KN m ⨯⨯-=梁上墙重30.2(3.00.5)20/ 4.3/m m m kN m KN m⨯-⨯=两侧抹灰3217/0.02(3.00.10) 1.972/ KN m m m m KN m ⨯⨯⨯-=合计19.814/KN m 活荷载设计值:由板传来:2322323.3 3.3 3.32kN/m122 4.5 4.54.2 4.2 4.22kN/m12 2.51/2 4.5 4.5mm kN m⎡⎤⎛⎫⎛⎫⨯⨯-⨯+⎢⎥⎪ ⎪⎝⎭⎝⎭⎢⎥⎣⎦⎡⎤⎛⎫⎛⎫+⨯⨯-⨯+=⎢⎥⎪ ⎪⎝⎭⎝⎭⎢⎥⎣⎦荷载设计值1.2 1.427.291/g q KN m +=3.5 内力计算跨内弯矩 127.291/ 4.5 4.523.02724KN m m m KN m⨯⨯⨯=•支座弯矩127.291/ 4.5 4.546.05412KN m m m KN m -⨯⨯⨯=•支座剪力 127.291/ 4.561.4052KN m m KN⨯⨯=3.6 配筋计算按弹性理论进行计算,次梁采用C30混凝土,钢筋采用HRB335,查表得:2300/y f N mm =,0.550b ξ=,214.3/c f N mm =,min 0.215%ρ=,21.43/t f N mm =。
次梁计算1.计算简图主梁截面高h 按700~4008/~14/=l l 估算,取h=600mm ,主梁宽度按mm h h 300~2002/~3/=估算,取b=200mm ,按考虑塑性内力重分布计算,各跨计算跨度为边跨 mm l 56752/24012012558000=+--= mm l 875.5693)1201255600(025.10=--⨯= 取边跨mm l 56750=。
中跨 mm l 555025058000=-=边跨与中跨计算跨度相差小于10%,故可按等跨连续梁计算。
荷载板传来的荷载 m kN /66.61.217.3=⨯次梁自重 m kN /22.22508.0-45.02.02.1=⨯⨯⨯)( 次梁侧面抹灰 m kN /21.0162)08.045.0(015.02.1=⨯⨯-⨯⨯ m kN g /77.8= 板活荷载计算 m kN q /11.191.21.9=⨯= 合计 m kN q g /20.28=+ 次梁的计算简图如下图所示:2.内力计算 m KN M M B ∙=⨯⨯=-=56.82675.520.2811121 ; m KN M M C∙=⨯⨯=-=29.54650.520.2816122 ; KN V A 66.62555.580.284.0=⨯⨯= ; KN V l B 99.93555.580.286.0=⨯⨯= ; KN V r B 78.3555.580.285.0=⨯⨯= ; KN V l C 78555.580.285.0=⨯⨯= . 3.正截面抗弯承载力计算取mm h 415354500=-=。
次梁跨中截面上部受压,按T 形截面计算抗弯承载力,其翼缘计算宽度取m l b f 933.138.530'===或 m S b b n f 0.28.12.0'=+=+= 二者中取小值,即取m b f 867.1'=。
判别各跨跨中截面类型: mmN h h f h b f c f f ∙⨯=-⨯⨯⨯='-''8011042.6)2/80415(98.11801933)2/(αm kN m kN ∙>∙=495.73642 因此各跨跨中截面均属第一类T 形截面。
悬挑型钢及次梁计算书(转角位置)1.次梁型钢梁计算次梁材料采用16号工字钢;H=160mm,b=88mm,t w=6.0mm,t=9.9mm,q=0.21kN/m,w=140900 mm3,I X=11270000mm4,S=80800mm3,E=206000N/mm2,f=215.00N/mm2,f v=120.00N/mm2,f y=235N/mm 2。
N=10360N①内力分析根据力学求解器计算,V max=5.18kN;M max=6.73kN·m②抗弯强度验算W=M max /σ=6.73×103/215=31.3cm3查表得,16号工字钢[W]=140.9cm3>W=31.3cm316号工字钢抗弯强度满足设计要求;③抗剪强度验算V max=5.18kNτ=V max/(I/S×t w)=5180×80800/(11270000×6) =6.18N/mm216号工字钢抗剪强度τ=6.18N/mm2<f v=125N/mm2,满足要求。
④挠度验算16号工字钢,I=1127cm4,E=210GPa根据力学求解器计算:挠度系数Kυ=3.4υmax=Kυ×103/EI=3.4×102/(210×1127) =8.2×10-3m=1.43mm[υ] =2600/250=10.4mm挠度υmax=1.43mm<[υ]=10.4mm,满足要求。
计算简图和内力图如下图:计算模型简图(单位:P=kN,q=kN/m)弯矩图(单位:kN.m)剪力图(单位:kN)位移图6.悬挑型钢梁计算悬挑材料选采用16号工字钢;H=160mm,b=88mm,t w=6.0mm,t=9.9mm,q=0.21kN/m,w=1409 00mm3,I X=11270000mm4,S=80800mm3,E=206000N/mm2,f=215.00N/mm2,f v=120.00N/mm2,f y=235N/ mm2。
目录1基本建设条件及要求 (3)1.1工程地质条件 (3)1.2气象条件 (3)1.3建设规模 (4)1.5建筑设计 (4)1.5.1设计要求 (4)1.5.2图纸要求 (4)1.6结构设计 (5)1.6.1设计要求 (5)1.6.2结构计算容 (5)1.6.3结构施工图 (5)1.7建筑材料选用 (5)2结构布置 (7)2.1结构平面布置 (7)2.2梁、柱截面尺寸的确定 (7)3.1屋面及楼面的永久荷载 (9)3.2屋面及楼面可变荷载 (10)3.4荷载分层总汇 (11)4 框架梁截面设计 (12)4.1 梁的正截面计算与配筋 (12)4.2 梁斜截面计算与配筋 (14)5框架柱计算 (17)5.1柱正截面计算与配筋 (17)5.2柱斜截面计算与配筋 (20)6 楼梯的设计与计算 (22)6.1结构设计 (23)6.1.1楼梯梯段板的计算 (23)6.1.2荷载计算 (23)6.1.3力计算 (23)6.2平台板的计算 (24)6.2.1荷载计算 (24)6.2.2力计算与配筋计算 (24)6.3平台梁计算 (25)6.3.1荷载计算 (25)6.3.2力计算 (25)6.3.3配筋计算 (25)7 楼板设计计算 (26)7.1 荷载设计值 (27)7.2弯矩计算 (27)7.3 截面配筋设计 (29)结束语 (30)参考文献 (31)某行政办公大楼结构设计摘要该项目建于市区,场地地形平整,建设用地不受限制,与周围建筑的交通便利,周围建筑物环境对本建设项目无特殊要求。
建筑采用钢筋混凝土框架结构,首先,根据设计出的建筑方案及所选用的建筑材料及做法,确定结构计算简图,进行荷载和力计算,其次,确定结构控制截面的弯矩、剪力和轴力设计值,最后,根据已经计算出的结构控制截面的力值,对梁、板、柱、基础等进行配筋计算,并绘制相应的结构施工图。
关键词:框架结构;力计算;配筋计算1基本建设条件及要求1.1工程地质条件(1)地场土层:(自上而下)第一层填土:土质松软,结构不匀,不应作拟建建筑物的天然地基,土层厚度0.4~1.0m。
目录1 绪论 (1)2 工程概况 (1)2.1设计资料 (1)2.2结构方案确定 (3)3 梁柱截面尺寸估算 (3)3.1梁柱截面估算 (3)3.2柱网尺寸,层高和梁柱截面尺寸的确定 (4)4 二层楼面梁板设计计算 (7)4.1楼面板的计算 (7)4.2多跨连续梁LL配筋计算 (16)4.3次梁配筋计算 (19)5. 框架结构抗震设计 (20)5.1重力荷载代表值 (20)5.2各层重力荷载代表值计算 (21)5.3梁柱线刚度计算 (24)5.4自振周期计算 (26)5.5横向地震作用计算 (27)5.6横向水平地震作用下楼层变形验算 (27)5.7水平地震作用下的KJ-11内力计算(用D值法计算) (28)6. 竖向荷载作用下KJ-11内力计算 (34)6.1计算单元的选取 (34)6.2荷载计算 (34)6.3各种情况荷载分布图 (39)6.4竖向恒载作用下梁端弯矩计算 (43)6.5竖向活载(满跨)作用下梁端弯矩计算 (43)6.6内力计算采用弯矩二次分配法 (43)7.框架内力组合 (57)7.1框架梁内力组合 (57)7.2框架柱内力组合 (59)8. 框架梁截面设计 (69)8.1手算一层A-B轴梁的跨中配筋情况 (69)8.2手算一层A支座梁的支座配筋情况 (70)9. 框架柱截面设计 (72)9.1手算第一层A柱配筋 (74)9.2其余的配筋计算见下表 (77)10. 楼梯设计 (80)10.1梯段板设计 (81)10.2平台板设计 (82)10.3平台梁设计 (83)11. 基础设计 (84)11.1设计资料 (85)11.2基础布置及截面尺寸确定 (85)11.3基础梁荷载计算 (86)11.4基础梁配筋 (87)11.5基础底板配筋计算 (92)12 .PKPM计算书 (93)结论 (132)致谢 (133)参考文献 (134)1 绪论毕业设计是大学本科教育培养目标实现的重要阶段,是毕业前的综合学习阶段,是深化、拓宽、综合教和学的重要过程,是对大学期间所学专业知识的全面总结。
办 公 楼 次 梁 结 构 计 算 书1、L 1计算 ()700300⨯(1)楼板传荷载恒载 m KN m /29.12)25.025.021(45.3m .0kN/4322=+⨯-⨯⨯ 活载 m KN m /5.16)25.025.021(45.3m .0kN/2322=+⨯-⨯⨯ 梁自重 ()m KN m m KN /5.41.07.03.0/253=-⨯⨯ (抹灰不算) 恒载标准值 12.29+4.5=16.79m /KN 活载标准值 6.15m /KN可变荷载控制效应 m KN /76.2815.64.179.162.1=⨯+⨯永久荷载控制效应 m KN /69.28.7015.64.179.1635.1=⨯⨯+⨯ L1的荷载:q=28.76KN/m(2)计算跨度: 主梁截面尺寸mm h b 800350⨯=⨯,则0l =n l =6900-100=6800mm (3)计算简图: 跨中弯矩按两端简支计算,支座弯矩按两端固支计算,因此(4) 内力计算: 弯矩设计值:2081ql M =跨中=166.2kN ·m ,20121ql M -=支座=-110.8kN ·m 剪力设计值:0max 21ql V ==97.78kN (5)承载力计算① 正截面受弯承载力计算梁截面按T 形截面计算。
翼缘宽度取'f b =3l=36800=2267 mm ,又'f b =n s b +=300+3450=3750 mm ,故'f b =2267 mm 。
采用C25混凝土,c f =11.9 N/2mm ,t f =1.27N/2mm ,纵向钢筋采用HRB335级钢筋,y f =300N/2mm ,箍筋采用HRB335级钢筋,y f =300N/2mm ,保护层厚度25mm ,受力钢筋一排布置,则取=s α35mm 0h =700-35=665mm类型判别:)2/('0''1f f f c h h h b f a -=1.0x11.9x2267x100x(665-50)=1610m kN ⋅>=max M 166.2m kN ⋅,因此属于第一类型。
摘要本设计是根据城市整体规划和商业区布局需要,在沈阳浑南新区某一地段新建的一幢商用综合写字楼,取名为亿光国际大厦。
该建筑共9层,采用框架结构。
总建筑面积约8300平方米。
该写字楼主要以办公为主,故房间组成主要是单、套间办公室。
此外,大、中型会议室共7个。
设有一个大型用餐中心、空中花园、展览中心。
顶层除有部分办公间外,还设有一个舞厅及阅览室、活动室、小型超市、配电室等其他辅助用房。
考虑到写字间的采光要求,建筑正面全部采用玻璃幕墙。
本建筑周围场地平整,无障碍物和异常物,场地东西长80米,南北长60米,南侧为城市主干道,东侧为次干道,交通方便。
在总平面图上除写字楼外,还考虑到了车库、院内甬路、花坛及绿地等的布置。
本设计共包括建筑设计和结构设计。
建筑设计部分包括平面设计、剖面设计、立面设计,用天正建筑软件进行设计。
结构设计部分包括结构布置、结构计算、结构施工图。
结构计算分电算手算两方面,其中电算部分我们应用的是广厦结构程序进行计算。
建筑施工图包括总平面图、首层平面图、标准层平面图、特殊层平面图、正立面图、侧立面图、背立面图、剖面图。
本建筑完全符合“适用、安全、经济、美观”的设计原则,满足使用要求及建筑物的防火、排水、抗震、沉降、承载等规范要求。
房间功能分区明确,布局合理。
梁、柱的布置符合结构要求。
关键词:建筑设计;结构设计;框架结构;结构计算;广厦软件I目录中文摘要 (I)ABSTRACT .......................................... 错误!未定义书签。
第1章引言 . (1)1.1场地情况 (1)1.2基本要求 (1)1.3设计条件及要求 (1)1.4设计内容 (2)1.4.1建筑部分 (2)1.4.2结构部分 (3)第2章设计方案 (4)2.1方案一 (4)2.2方案二 (6)2.3方案三 (8)第3章建筑设计总说明 (10)3.1工程概况: (10)3.1.1工程名称 (10)3.1.2工程位置 (10)3.1.4结构形式 (10)3.2建筑物功能与特点 (10)3.2.1平面设计 (10)3.2.2立面设计 (10)3.2.3防火 (10)3.2.4抗震 (10)3.2.5屋面 (11)3.2.6工程做法 (11)第4章结构设计计算书 (13)4.1结构布置及结构计算简图的确定 (13)4.1.1结构布置 (13)4.1.2 确定梁柱截面尺寸 (13)4.1.3计算简图的确定 (13)II4.2荷载计算 (14)4.2.1恒载标准值计算 (14)4.2.3风荷载的计算 (21)4.2.4风载下的位移计算 (22)4.3非抗震内力计算 (25)4.3.1竖向恒载作用下的内力计算 (25)4.3.2竖向活荷载作用下的内力计算 (27)4.3.3雪荷载内力计算 (27)4.3.4风载下内力计算 (28)4.4内力组合 (50)4.4.1梁的弯矩调幅 (50)4.4.3柱内力组合 (59)4.5梁柱截面配筋计算 (68)4.5.1梁的配筋计算 (68)4.5.2柱的配筋计算 (77)第5章结构电算 (87)5.1结构电算的步骤 (87)5.1.1结构录入 (87)5.1.2生成结构计算数据 (88)5.1.3进入楼板、次梁和砖混的计算 (88)5.1.4进行SSW结构计算 (88)5.1.5进行配筋计算 (88)5.1.6进行基础计算 (88)5.1.7生成施工图 (88)5.2电算结果 (88)5.2.1 总信息 (88)5.2.2风荷载 (89)5.2.3各层的重量、形心和重心 (90)5.2.4静力分析 (90)5.2.5倾覆力矩 (92)5.26一榀框架配筋图(标准层) .................. 错误!未定义书签。
中国电子工程设计院---------------- 楼板承重计算书连续梁计算书取的是平行于C、D轴,并且在C、D轴之间的连续次梁,计算过程和荷载都在其中,可见结果不是很理想,计算配筋比图中实配钢筋要大============================================1 计算简图:2 计算条件:荷载条件:均布恒载 : 21.11kN/m_活载准永久值系数: 0.50均布活载 : 5.20kN/m_支座弯矩调幅系数: 100.0%梁容重 : 26.00kN/m3_计算时考虑梁自重: 考虑恒载分项系数: 1.20__活载分项系数 : 1.40配筋条件:抗震等级 : 非抗震__纵筋级别 : HRB400混凝土等级 : C30__箍筋级别 : HPB235配筋调整系数: 1.0__上部保护层厚度 : 25mm面积归并率 : 30.0%__下部保护层厚度 : 25mm最大裂缝限值: 0.300mm__挠度控制系数C : 200截面配筋方式: 单筋3 计算结果:单位说明:弯矩:kN.m_剪力:kN纵筋面积:mm2__箍筋面积:mm2/m裂缝:mm__挠度:mm----------------------------------------------------------------------- 梁号 1: 跨长 = 3600mm B × H = 250mm × 600mm左中右弯矩(+) : 0.000 23.811 0.000弯矩(-) : 0.000 -17.270 -136.104剪力: 42.186 -37.807 -104.937上部纵筋: 300 300 715下部纵筋: 300 300 300箍筋: 452 452 452上纵实配: 2E22(760) 2E22(760) 2E22(760)下纵实配: 2E18(509) 2E18(509) 2E18(509)箍筋实配: 2d8@220(457) 2d8@220(457) 2d8@220(457)腰筋实配: 4d10(314) 4d10(314) 4d10(314)裂缝: 0.000 0.000 0.375挠度: 0.000 0.002 0.000最大裂缝:0.375mm>0.300mm 超限最大挠度:0.002mm<18.000mm(3600/200)----------------------------------------------------------------------- 梁号 2: 跨长 = 7200mm B × H = 250mm × 600mm左中右弯矩(+) : 0.000 107.475 0.000弯矩(-) : -136.103 0.000 -199.676剪力: 134.352 -13.290 -146.609上部纵筋: 715 300 1087下部纵筋: 300 556 300箍筋: 452 452 452上纵实配: 2E22(760) 2E16(402) 3E22(1140)下纵实配: 2E22(760) 2E22(760) 2E22(760)箍筋实配: 2d8@220(457) 2d8@220(457) 2d8@220(457)腰筋实配: 4d10(314) 4d10(314) 4d10(314)裂缝: 0.375 0.207 0.339挠度: 0.000 8.737 0.000最大裂缝:0.375mm>0.300mm 超限最大挠度:8.737mm<36.000mm(7200/200)----------------------------------------------------------------------- 梁号 3: 跨长 = 7200mm B × H = 250mm × 600mm左中右弯矩(+) : 0.000 129.079 0.000弯矩(-) : -199.674 0.000 -247.334剪力: 156.267 17.737 -192.638上部纵筋: 1087 300 1388下部纵筋: 300 675 300箍筋: 452 452 452上纵实配: 3E22(1140) 2E16(402) 3E25(1473)下纵实配: 2E22(760) 2E22(760) 2E22(760)箍筋实配: 2d8@220(457) 2d8@220(457) 2d8@220(457)腰筋实配: 4d10(314) 4d10(314) 4d10(314)裂缝: 0.339 0.215 0.314挠度: 0.000 6.353 0.000最大裂缝:0.339mm>0.300mm 超限最大挠度:6.353mm<36.000mm(7200/200)----------------------------------------------------------------------- 梁号 4: 跨长 = 7200mm B × H = 250mm × 600mm左中右弯矩(+) : 0.000 165.023 0.000弯矩(-) : -247.331 0.000 -256.598剪力: 206.999 -11.586 -207.257上部纵筋: 1388 300 1449下部纵筋: 300 880 300箍筋: 452 452 452上纵实配: 3E25(1473) 2E16(402) 3E25(1473)下纵实配: 3E20(942) 3E20(942) 3E20(942)箍筋实配: 2d8@220(457) 2d8@220(457) 2d8@220(457)腰筋实配: 4d10(314) 4d10(314) 4d10(314)裂缝: 0.314 0.226 0.331挠度: 0.000 8.556 0.000最大裂缝:0.331mm>0.300mm 超限最大挠度:8.556mm<36.000mm(7200/200)----------------------------------------------------------------------- 梁号 5: 跨长 = 7200mm B × H = 250mm × 600mm左中右弯矩(+) : 0.000 149.824 0.000弯矩(-) : -256.595 0.000 -259.587剪力: 202.320 -13.568 -208.471上部纵筋: 1449 300 1468下部纵筋: 300 793 300箍筋: 452 452 452上纵实配: 3E25(1473) 2E16(402) 3E25(1473)下纵实配: 3E20(942) 3E20(942) 3E20(942)箍筋实配: 2d8@220(457) 2d8@220(457) 2d8@220(457)腰筋实配: 4d10(314) 4d10(314) 4d10(314)裂缝: 0.331 0.188 0.355挠度: 0.000 7.159 0.000最大裂缝:0.355mm>0.300mm 超限最大挠度:7.159mm<36.000mm(7200/200)----------------------------------------------------------------------- 梁号 6: 跨长 = 7200mm B × H = 250mm × 600mm左中右弯矩(+) : 0.000 165.544 0.001弯矩(-) : -259.585 0.000 -0.001剪力: 185.812 35.373 -111.185上部纵筋: 1468 300 300下部纵筋: 300 883 300箍筋: 452 452 452上纵实配: 3E25(1473) 2E16(402) 2E18(509)下纵实配: 3E20(942) 3E20(942) 3E20(942)箍筋实配: 2d8@220(457) 2d8@220(457) 2d8@220(457)腰筋实配: 4d10(314) 4d10(314) 4d10(314)裂缝: 0.355 0.260 0.000挠度: 0.000 9.532 0.000最大裂缝:0.355mm>0.300mm 超限最大挠度:9.532mm<36.000mm(7200/200)----------------------------------------------------------------------- 4 所有简图:。
3 次梁计算次梁选取本次计算选取B板和C板间次梁进行计算,梁两端支座按固定支座进行计算,不考虑连续梁的荷载不利组合,按照弹性理论方法进行计算。
5004500/12375h=>=,梁宽200b mm=。
材料选用混凝土:采用C30(2214.3/, 1.43/c tf N mm f N mm==)。
钢筋:采用HPB335(2300/yf N mm=)。
荷载组合系数永久荷载的分项系数:1.20 Gγ=可变荷载的分项系数:1.40 Gγ=荷载统计恒荷载设计值:由板传来:2322323.3 3.3 3.34.5kN/m122 4.5 4.54.2 4.2 4.24.5kN/m125.84/2 4.5 4.5mm kN m⎡⎤⎛⎫⎛⎫⨯⨯-⨯+⎢⎥⎪ ⎪⎝⎭⎝⎭⎢⎥⎣⎦⎡⎤⎛⎫⎛⎫+⨯⨯-⨯+=⎢⎥⎪ ⎪⎝⎭⎝⎭⎢⎥⎣⎦次梁自重325/0.2(0.50.1) 2.0/ KN m m m m KN m ⨯⨯-=梁上墙重30.2(3.00.5)20/ 4.3/m m m kN m KN m⨯-⨯=两侧抹灰3217/0.02(3.00.10) 1.972/ KN m m m m KN m ⨯⨯⨯-=合计19.814/KN m 活荷载设计值:由板传来:2322323.3 3.3 3.32kN/m122 4.5 4.54.2 4.2 4.22kN/m12 2.51/2 4.5 4.5mm kN m⎡⎤⎛⎫⎛⎫⨯⨯-⨯+⎢⎥⎪ ⎪⎝⎭⎝⎭⎢⎥⎣⎦⎡⎤⎛⎫⎛⎫+⨯⨯-⨯+=⎢⎥⎪ ⎪⎝⎭⎝⎭⎢⎥⎣⎦荷载设计值1.2 1.427.291/g q KN m +=内力计算跨内弯矩 127.291/ 4.5 4.523.02724KN m m m KN m⨯⨯⨯=• 支座弯矩 127.291/ 4.5 4.546.05412KN m m m KN m -⨯⨯⨯=•支座剪力 127.291/ 4.561.4052KN m m KN⨯⨯=配筋计算按弹性理论进行计算,次梁采用C30混凝土,钢筋采用HRB335,查表得:2300/y f N mm =,0.550b ξ=,214.3/c f N mm =,min 0.215%ρ=,21.43/t f N mm =。
办 公 楼 次 梁 结 构 计 算 书1、L 1计算 ()700300⨯(1)楼板传荷载恒载 m KN m /29.12)25.025.021(45.3m .0kN/4322=+⨯-⨯⨯ 活载 m KN m /5.16)25.025.021(45.3m .0kN/2322=+⨯-⨯⨯ 梁自重 ()m KN m m KN /5.41.07.03.0/253=-⨯⨯ (抹灰不算) 恒载标准值 12.29+4.5=16.79m /KN 活载标准值 6.15m /KN可变荷载控制效应 m KN /76.2815.64.179.162.1=⨯+⨯永久荷载控制效应 m KN /69.28.7015.64.179.1635.1=⨯⨯+⨯ L1的荷载:q=28.76KN/m(2)计算跨度: 主梁截面尺寸mm h b 800350⨯=⨯,则0l =n l =6900-100=6800mm (3)计算简图: 跨中弯矩按两端简支计算,支座弯矩按两端固支计算,因此(4) 内力计算: 弯矩设计值:2081ql M =跨中=166.2kN ·m ,20121ql M -=支座=-110.8kN ·m 剪力设计值:0max 21ql V ==97.78kN (5)承载力计算① 正截面受弯承载力计算梁截面按T 形截面计算。
翼缘宽度取'f b =3l=36800=2267 mm ,又'f b =n s b +=300+3450=3750 mm ,故'f b =2267 mm 。
采用C25混凝土,c f =11.9 N/2m m ,t f =1.27N/2m m ,纵向钢筋采用HRB335级钢筋,y f =300N/2m m ,箍筋采用HRB335级钢筋,y f =300N/2m m ,保护层厚度25mm ,受力钢筋一排布置,则取=s α35mm 0h =700-35=665mm类型判别:)2/('0''1f f f c h h h b f a -=1.0x11.9x2267x100x(665-50)=1610m kN ⋅>=max M 166.2m kN ⋅,因此属于第一类型。
(表3—6)截面跨中 支座 弯矩设计值 (m kN ⋅)166.2 -110.8 201/bh f a M a c s = 0.105 0.07 ξ=s a 211--(ξb =0.550)0.111 0.072 )211(5.0s s αγ-+=0.944 0.964 计算配筋0h f M A y s sγ=(mm ) 883 576 实配钢筋(2m m )6φ14S A =923 4φ14S A =615%2.045.0min ==yt f f ρ 且>0.2 % 0.46% 0.31%② 截面受剪承载力计算1)验算截面尺寸:'0f w h h h -==665-100=565 mm ,b h w /=565/300=1.88<4,因此截面尺寸按下式计算:=025.0bh f c c β0.25x1.0x11.9x300x665=593.5kN >max V =97.78kN ,满足截面尺寸要求。
2) 配箍筋计算:=07.0bh f t 0.7x1.27x300x665=177.4kN >max V =97.78kN ,故按构造配箍筋, 选用φ10@200 3)配箍率计算:==bsA svsv ρ157/300x200=0.26%>=min ρy f f t /24.0=0.1%,故满足要求。
2、L 2计算 ()700300⨯(1)楼板传荷载恒载 m KN m /7.12)6.206.2021(6.3m .0kN/4322=+⨯-⨯⨯ 活载 m KN m /5.36)26.026.021(6.3m .0kN/2322=+⨯-⨯⨯ 梁自重 ()m KN m m KN /5.41.07.03.0/253=-⨯⨯ (抹灰不算) 恒载标准值 12.7+4.5=17.2m /KN 活载标准值 6.35m /KN可变荷载控制效应 m KN /3.52935.64.1.2172.1=⨯+⨯永久荷载控制效应 m KN /4.429.7035.64.1.21735.1=⨯⨯+⨯ L2的荷载:q=29.53KN/m(2)计算跨度: 主梁截面尺寸mm h b 800350⨯=⨯,则0l =n l =6900-100=6800mm (3)计算简图: 跨中弯矩按两端简支计算,支座弯矩按两端固支计算,因此(4) 内力计算: 弯矩设计值:2081ql M =跨中==⨯⨯.863.529812170.7kN ·m20121ql M -=支座=.8113.863.5291212-=⨯⨯kN ·m 剪力设计值:0max21ql V ==.4100.863.52921=⨯⨯kN(5)承载力计算① 正截面受弯承载力计算梁截面按T 形截面计算。
翼缘宽度取'f b =3l=36800=2267 mm ,又'f b =n s b +=300+3600=3900 mm ,故'f b =2267 mm 。
采用C25混凝土,c f =11.9 N/2m m ,t f =1.27N/2m m ,纵向钢筋采用HRB335级钢筋,y f =300N/2m m ,箍筋采用HRB335级钢筋,y f =300N/2m m ,保护层厚度25mm ,受力钢筋一排布置,则取=s α35mm 0h =700-35=665mm类型判别:)2/('0''1f f f c h h h b f a -=1.0x11.9x2267x100x(665-50)=1610m kN ⋅>=max M 170.7m kN ⋅,因此属于第一类型。
(表3—6)截面跨中 支座 弯矩设计值 (m kN ⋅)170.7 -113.8 201/bh f a M a c s = 0.108 0.072 ξ=s a 211--(ξb =0.550)0.114 0.075 )211(5.0s s αγ-+=0.943 0.961 计算配筋0h f M A y s sγ=(mm ) 907593 实配钢筋(2m m )6φ16S A =1206 4φ14S A =615%2.045.0min ==yt f f ρ 且>0.2 % 0.6% 0.31%② 截面受剪承载力计算1)验算截面尺寸:'0f w h h h -==665-100=565 mm ,b h w /=565/300=1.88<4,因此截面尺寸按下式计算:=025.0bh f c c β0.25x1.0x11.9x300x665=593.5kN >max V =100.4kN ,满足截面尺寸要求。
2) 配箍筋计算:=07.0bh f t 0.7x1.27x300x665=177.4kN >max V =100.4kN ,故按构造配箍筋, 选用φ10@200 3)配箍率计算:==bsA svsv ρ157/300x200=0.26%>=min ρy f f t /24.0=0.1%,故满足要求。
3、L 3计算 ()700300⨯(1)楼板传荷载恒载 m KN m /11)17.2017.2021(3m .0kN/4322=+⨯-⨯⨯ 活载 m KN m /.55)217.0217.021(3m .0kN/2322=+⨯-⨯⨯ 梁自重 ()m KN m m KN /5.41.07.03.0/253=-⨯⨯ (抹灰不算) 恒载标准值 11+4.5=15.5m /KN 活载标准值 5.5m /KN可变荷载控制效应 m KN /.3265.54.15.512.1=⨯+⨯永久荷载控制效应 m KN /.326.705.54.15.5135.1=⨯⨯+⨯ L3的荷载:q=26.3KN/m(2)计算跨度: 主梁截面尺寸mm h b 800350⨯=⨯,则0l =n l =6900-100=6800mm (3)计算简图: 跨中弯矩按两端简支计算,支座弯矩按两端固支计算,因此(4) 内力计算:弯矩设计值:2081ql M =跨中=152.86.326812=⨯⨯kN ·m 20121ql M -=支座=101.36.8.3261212-=⨯⨯kN ·m 剪力设计值:0max 21ql V ==89.42kN(5)承载力计算① 正截面受弯承载力计算梁截面按T 形截面计算。
翼缘宽度取'f b =3l=36800=2267 mm ,又'f b =n s b +=300+3600=3900 mm ,故'f b =2200 mm 。
采用C25混凝土,c f =11.9 N/2m m ,t f =1.27N/2m m ,纵向钢筋采用HRB335级钢筋,y f =300N/2m m ,箍筋采用HRB335级钢筋,y f =300N/2m m ,保护层厚度25mm ,受力钢筋一排布置,则取=s α35mm 0h =700-35=665mm类型判别:)2/('0''1f f f c h h h b f a -=1.0x11.9x2267x100x(665-50)=1610m kN ⋅>=max M 152m kN ⋅, 因此属于第一类型。
(表3—6)截面跨中 支座 弯矩设计值 (m kN ⋅)152 -101.3 201/bh f a M a c s = 0.096 0.064 ξ=s a 211--(ξb =0.550)0.101 0.066 )211(5.0s s αγ-+=0.949 0.967 计算配筋0h f M A y s sγ=(mm ) 803 525 实配钢筋(2m m )6φ14 S A =9234φ14S A =615%2.045.0min ==yt f f ρ 且>0.2 % 0.46%0.31%② 截面受剪承载力计算1)验算截面尺寸:'0f w h h h -==665-100=565 mm ,b h w /=565/300=1.88<4,因此截面尺寸按下式计算:=025.0bh f c c β0.25x1.0x11.9x300x665=593.5kN >max V =89.4kN ,满足截面尺寸要求。
2) 配箍筋计算:=07.0bh f t 0.7x1.27x300x665=177.4kN >max V =89.4kN ,故按构造配箍筋, 选用φ10@200 3)配箍率计算:==bsA svsv ρ157/300x200=0.26%>=min ρy f f t /24.0=0.1%,故满足要求。