实验三__应变片全桥性能实验
- 格式:doc
- 大小:64.50 KB
- 文档页数:2
目录实验一金属箔式应变片――单臂电桥性能实验实验二金属箔式应变片――半桥性能实验实验三金属箔式应变片――全桥性能实验实验四直流全桥的应用――电子秤实验实验五交流全桥的应用――振动测量实验实验六直流激励时霍尔式传感器的位移特性实验实验七霍尔测速实验实验八K型热电偶测温实验实验一金属箔式应变片――单臂电桥性能实验一、实验目的:了解金属箔式应变片的应变效应,单臂电桥工作原理和性能。
二、实验仪器:应变传感器实验模块、托盘、砝码、数显电压表、±15V、±4V电源、万用表(自备)。
三、实验原理:电阻丝在外力作用下发生机械变形时,其电阻值发生变化,这就是电阻应变效应,描述电阻应变效应的关系式为:ΔR/R=Kε,式中ΔR/R为电阻丝电阻相对变化,K为应变灵敏系数,ε=Δl/l为电阻丝长度相对变化。
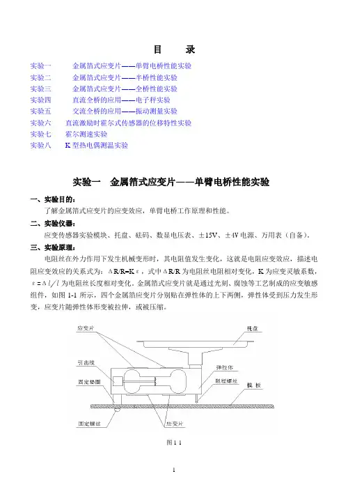
金属箔式应变片就是通过光刻、腐蚀等工艺制成的应变敏感组件,如图1-1所示,四个金属箔应变片分别贴在弹性体的上下两侧,弹性体受到压力发生形变,应变片随弹性体形变被拉伸,或被压缩。
图1-1图1-2通过这些应变片转换被测部位受力状态变化、电桥的作用完成电阻到电压的比例变化,如图1-2所示R5、R6、R7为固定电阻,与应变片一起构成一个单臂电桥,其输出电压Uo=RR RR E ∆⋅+∆⋅211/4(1-1) E 为电桥电源电压,R 为固定电阻值,式1-1表明单臂电桥输出为非线性,非线性误差为L=%10021⋅∆⋅-RR 。
四、实验内容与步骤1.图1-1应变传感器上的各应变片已分别接到应变传感器模块左上方的R1、R2、R3、R4上,可用万用表测量判别,R1=R2=R3=R4=350Ω。
2.从主控台接入±15V 电源,检查无误后,合上主控台电源开关,将差动放大器的输入端Ui 短接,输出端Uo 2接数显电压表(选择2V 档),调节电位器Rw4,使电压表显示为0V 。
Rw4的位置确定后不能改动。
关闭主控台电源。
应变片全桥实验报告-V1应变片全桥实验报告前言:应变片全桥是一种常见的测量物体应变值的方法,通过对应变片进行定位和粘贴,得到物体在受力时的应变值,进而可以计算出物体的应力值和形变值,为材料加工、机械设计等领域提供参考。
本实验旨在验证应变片全桥的测量可靠性和准确性。
一、实验步骤1、下载安装测试软件,接入传感器2、将应变片黏贴在弹性体上,并连接到测试设备上3、加压施力,记录物体的应变值和力值4、在测试软件中进行数据分析和计算,并以图表的形式展现实验结果二、实验过程1、制作应变片首先需要制作应变片,可以使用玻璃纤维增强塑料或铜箔作为材料,将其粘贴在待测物体的表面。
应变片的制作需要保证较高的质量,如粘附度、厚度、尺寸等,以免影响测量的准确性。
2、连接测试设备将制作好的应变片连接到测试设备上。
连接过程需要注意防止剪切,保证连接稳固。
3、施加力在应变片连接测试设备之后,需要对待测物体施加压力,以获得应变值。
不同材料在受不同的力和形状变化时,其应变表现也不同,因此在施加力时需要对应的实验条件进行严格控制,以确保获得准确的数据。
4、分析数据在完成了施加力后,需要将数据传输到计算机中进行分析。
可以使用测试软件进行数据分析和计算,根据测量结果绘制图表,并计算出物体的应力值。
同时,也可以使用其他数据处理软件进行数据处理,并生成相关的报表。
三、实验结果在实验中,通过施加不同的力对弹性体进行测试,得到了不同的应变值和力值。
分析实验结果后,发现应变值随着力的增大而增大,符合实验假设。
通过测试软件分析数据,可以得到物体的应力值,并绘制出应变-力和应变-时间的图表。
图表显示出数据的趋势和规律,可以为后续相关领域提供参考。
四、结论通过对应变片全桥的实验,我们得到了物体在受力时的应变值和力值,同时也可以通过数据分析得到物体的应力值和形变值。
整个实验过程进行了科学规划和操作,得到的实验结果准确可靠,为材料加工、机械设计等相关领域提供了有价值的参考。
应变片全桥实验报告(1)应变片全桥实验报告一、实验目的本次实验的目的是通过对应变片全桥的实验操作,学习应变测量原理与应用,了解应变传感器的工作原理,掌握应变片传感器的使用方法,以及应变片的标定和灵敏度测量方法。
二、实验原理应变片是利用金属材料受力后会产生形变的物理原理,通过将应变片粘贴在试件上进行应变的传感器。
当试件受到力的作用,应变片也会跟随变形,从而导致内部的应变变化。
应变片旁边粘有导线,通过连接到采集器中来连接计算机,进而记录下应变片受到的应变值。
三、实验操作1. 提前准备:将所需设备的连接准备工作完成,包括收集器、应变片、试件、电缆等设备准备就绪。
2. 清洁试件表面:将脏物和杂质从试件表面切除,确保应变片能够正常贴合。
3. 应变片粘贴:仔细去除应变片上的塑料薄膜,然后附在试件上,用指压将其平整环绕在试件的表面上。
4. 连接装置:使用电缆将应变片连接到收集器,以便将其应变数据传输到计算机上。
5. 核对应变片灵敏度:比较已经安装应变片的试件与没有应变片的试件之间的区别,获得标准应变片灵敏度。
四、实验结果本次实验使用全桥形式的应变传感器,选择20×10 mm2的一块薄金属片作为试件,经过应变片的安装和采样,得到了试件在不同施力条件下的应变值。
通过计算和记录每个读数,我们得到了如下测试数据:力(N) 应变(με)0 01.5 0.933 1.854.5 2.756 3.707.5 4.549 5.5五、实验结论本次应变片全桥实验得出的结论是,应变片全桥的使用使得我们可以对金属类材料的变形进行精确的观测和计算。
通过监测装置和薄金属片的读数数据,可以获得牢固且精确的变形读数,这使得我们可以更好地了解这些材料的物理特性和反应。
六、实验分析本次应变片全桥实验的记录和观测数据非常精准,没有明显的差异,这表明应变片传感器在材料应变测量中的重要性和它的可靠性。
由于应变片反应的是试件表面的应变情况,所以应用范围还是有限的。
实验三应变片全桥性能实验一、实验目的:了解应变片全桥工作特点及性能。
掌握测量方法。
二、基本原理:应变片基本原理参阅实验一。
应变片全桥特性实验原理如图3—1所示。
应变片全桥测量电路中,将应力方向相同的两应变片接入电桥对边,相反的应变片接入电桥邻边。
当应变片初始阻值:R1=R2=R3=R4,其变化值ΔR1=ΔR2=ΔR3=ΔR4时,其桥路输出电压Uo≈(△R/R)E=KεE。
其输出灵敏度比半桥又提高了一倍,非线性得到改善。
图3—1应变片全桥性能实验接线示意图三、需用器件和单元:主机箱中的±2V~±10V(步进可调)直流稳压电源、±15V直流稳压电源、电压表;应变式传感器实验模板、托盘、砝码。
四、实验步骤:将实验数据填入表3作出实验曲线并进行灵敏度和非线性误差计算。
实验完毕,关闭电源五、实验结果及分析位移(mm)0 -0.5 -1.0 -1.5 -2.0 -2.5 -3.0电压(mv)0 -0.03 -0.07 -0.10 -0.14 -0.17 -0.20位移(mm)-3.5 -4.0 -4.5 -5.0 -5.5电压(mv)-0.23 -0.27 -0.30 -0.34 -0.37位移(mm)0 0.5 1.0 1.5 2.0 2.5 3.0电压(mv)0.01 0.05 0.09 0.13 0.18 0.23 0.27位移(mm) 3.5 4.0 4.5 5.0 5.5电压(mv)0.32 0.36 0.41 0.46 0.51最小二乘法拟合如图所示由此可知灵敏度为0.07935,经计算最大非线性误差为0.039mv,线性度为7.69%。
六、实验心得实验中应变梁的自由端产生负位移后,重新回到位移原点时,其电压值并不为零,这体现了传感器的迟滞。
迟滞误差在本次拟合中修正了。
金属箔式应变片交流全桥实验报告篇一:自动化传感器实验报告三__金属箔式应变片——全桥性能实验实验三项目名称:金属箔式应变片——全桥性能实验一、实验目的了解全桥测量电路的原理及优点。
二、基本原理全桥测量电路中,将受力性质相同的两个应变片接入电桥对边,当应变片初始阻值:R1=R2=R3=R4,其变化值ΔR1=ΔR2=ΔR3=ΔR4时,其桥路输出电压U03=KE?。
其输出灵敏度比半桥又提高了一倍,非线性误差和温度误差均得到明显改善。
三、需用器件和单元传感器实验箱(一)中应变式传感器实验单元,传感器调理电路挂件、砝码、智能直流电压表(或虚拟直流电压表)、±15V电源、±5V电源。
四、实验内容与步骤1.根据图3-1接线,实验方法与实验二相同。
将实验结果填入表3-1;进行灵敏度和非线性误差计算。
图3-1 应变式传感器全桥实验接线图五、实验注意事项1.不要在砝码盘上放置超过1kg的物体,否则容易损坏传感器。
2.电桥的电压为±5V,绝不可错接成±15V。
一、实验目的了解全桥测量电路的原理及优点。
二、基本原理全桥测量电路中,将受力性质相同的两个应变片接入电桥对边,当应变片初始阻值:R1=R2=R3=R4,其变化值ΔR1=ΔR2=ΔR3=ΔR4时,其桥路输出电压U03=1KE?。
其输出灵敏度比半桥又提高了一倍,非线性误差和温度误差均得到明显改善。
三、需用器件和单元传感器实验箱(一)中应变式传感器实验单元,传感器调理电路挂件、砝码、智能直流电压表(或虚拟直流电压表)、±15V电源、±5V电源。
四、实验内容与步骤1.根据图3-1接线,实验方法与实验二相同。
将实验结果填入表3-1;进行灵敏度和非线性误差计算。
表3-1全桥输出电压与加负载重量值图3-1 应变式传感器全桥实验接线图2五、实验注意事项1.不要在砝码盘上放置超过1kg的物体,否则容易损坏传感器。
2.电桥的电压为±5V,绝不可错接成±15V。
实验一 金属箔式应变片――单臂电桥性能实验一、实验目的:认识金属箔式应变片的应变效应,单臂电桥工作原理和性能。
二、基来源理: 电阻丝在外力作用下发活力械变形时,其电阻值发生变化,这就是电阻应变效应,描绘电阻应变效应的关系式为:ΔR/R =K ε,式中 ΔR/ R 为电阻丝电阻相对变化, K 为应变敏捷系数,ε=l/l 为电阻丝长度相对变化,金属箔式应变片就是经过光刻、腐化等工艺制成的应变敏感元件,经过它变换被测部位受力状态变化、电桥的作用达成电阻到电压的比率变化,电桥的输出电压反应了相应的受力状态。
对单臂电桥输出电压Uo1= EK ε 。
/4图 1-1 应变式传感器安装表示图三、需用器件与单元:应变式传感器实验模板、应变式传感器-电子秤、砝码、数显表、 ±15V 电源、 ±4V 电源、万用表(自备) 。
四、实验步骤:1.依据图( 1-1)应变式传感器(电子秤)已装于应变传感器模板上。
传感器中各应变片已接入模板的左上方的R1、R2、R3、R4。
加热丝也接于模板上,可用万用表进行丈量鉴别, R 1= R 2 =R 3 =R 4=350Ω,加热丝阻值为 50Ω 左右。
2.接入模板电源 ±15V (从主控台引入),检查无误后,合上主控台电源开关,将实验模板调理增益电位器R W3 顺时针调理大概到中间地点,再进行差动放大器调零,方法为将差放的正负输入端与地短接,输出端与主控台面板上数显表电压输入端 V i相连,调理实验模板上浮零电位器 R W4,使数显表显示为零(数显表的切换开关打到2V 档)。
封闭主控箱电源(注意:当R w3、R w4的地点一旦确立,就不可以改变。
向来到做完实验三为止)。
3.将应变式传感器的此中一个电阻应变片R1(即模板左上方的R1)接入电桥作为一个桥臂与R5、 R6、R7 接成直流电桥( R5、R6、R7 模块内已接好),接好电桥调零电位器R W1,接上桥路电源±4V(从主控台引入),此时应将±4 地与±15 地短接。
实验三金属箔式应变片全桥性能实验本实验旨在研究金属箔式应变片全桥性能。
应变片是一种能够测量物体应力和应变的传感器,广泛应用于机械、仪器仪表、建筑结构等领域。
实验操作步骤如下:1. 准备金属箔式应变片全桥电路实验仪器。
该实验仪器包括一个桥式电路主机、一个数据采集器和一台计算机。
2. 将金属箔式应变片粘贴到待测物体的表面,并与待测物体形成一定的接触面积。
应变片需要贴紧,确保不会产生任何空隙。
3. 打开电路主机和数据采集器,并接通电源。
将电路主机的四个端口与应变片的四个引脚连接。
4. 进行桥路平衡操作。
调整电路主机上的平衡旋钮,使电桥两端电压差为零。
5. 施加不同的载荷或应力。
通过增加或减小物体的负载或力度,产生不同程度的应变,以观察应变片测量的电信号变化。
6. 记录采集的电信号数据。
实验过程中,数据采集器将自动记录实验结果,并将数据发送到连接的计算机上。
7. 处理和分析数据。
将采集到的电信号数据导入计算机软件进行处理和分析,得出应变片的精确测量结果。
在实验过程中,需要注意以下几点:1. 应变片的表面必须清洁干燥,以确保应变片与待测物体有良好的接触。
2. 应恰当选择应变片的种类和规格,以适应不同的测量范围和特定应用场合。
3. 在进行实验前,应对电路主机和数据采集器进行检查和调试,确保设备正常运转。
4. 实验过程中应注意安全问题,避免因误操作而引起电击、短路等事故。
总之,金属箔式应变片全桥性能实验是一项重要的测试技术,可以有效地测量物体的应力和应变。
通过本实验,我们可以学习并掌握应变片的工作原理和使用方法,为日后的实际应用提供必要的技术支持。
实验三--应变片全桥性能实验实验三:应变片全桥性能实验一、实验目的1.掌握全桥应变测量电路的工作原理及使用方法。
2.了解全桥测量电路的非线性误差及其补偿方法。
3.学会用静态应变仪测量试件的应变。
二、实验原理应变片全桥性能实验主要通过搭建全桥应变测量电路,利用应变片感受试件应变,并利用静态应变仪进行测量。
全桥测量电路由四个应变片组成,其中两个为工作应变片,两个为补偿应变片。
工作应变片感受试件的应变,补偿片则用于补偿温度引起的误差。
通过全桥测量电路,可将试件的应变转换成电信号输出。
三、实验步骤1.准备实验设备:试件、全桥应变片、静态应变仪、绝缘胶带、万能表。
2.搭建全桥应变测量电路:将四个应变片粘贴在试件上,组成全桥电路。
使用万能表检查电路的正确性。
3.安装补偿片:选择与工作片相同型号和规格的应变片作为补偿片,粘贴在试件附近的适当位置,以补偿温度引起的误差。
4.连接静态应变仪:将全桥应变测量电路的输出端连接到静态应变仪的输入端。
5.开始测量:打开静态应变仪,设置合适的测量范围,开始测量试件的应变。
6.分析实验数据:记录实验数据,分析全桥测量电路的非线性误差及其补偿方法。
7.整理实验器材:完成实验后,将所有设备恢复原状,整理实验器材。
四、实验结果与分析1.实验结果:记录实验中测得的应变值,与理论值进行比较,分析误差。
2.结果分析:对实验数据进行线性拟合,分析全桥测量电路的非线性误差。
如果误差较大,需要考虑补偿方法。
常见的补偿方法有温度补偿和电桥平衡补偿。
温度补偿可以通过粘贴温度传感器来实现,以监测环境温度的变化。
电桥平衡补偿可以通过调整电桥的电阻值来实现,以使电桥在零载条件下达到平衡状态。
五、结论通过本次实验,我们掌握了全桥应变测量电路的工作原理及使用方法,了解了全桥测量电路的非线性误差及其补偿方法,并学会了用静态应变仪测量试件的应变。
这些技能和方法对于工程实践中的结构健康监测和损伤识别具有重要的应用价值。
中国地质大学(北京)实验报告专用纸实验名称:学号:1002123229 姓名:王秀禹同组人员:实验三金属箔式应变片全桥性能实验一、实验目的了解全桥测量电路的优点,理解全桥电路的性能特点。
二、基本原理全桥测量电路中,将受力状态相同的两片应变片接入点桥对边,不同方的应接入邻边,应变片初始阻值是R1=R2=R3=R4,当其变化值∆R1=∆R2=∆R3=∆R4时,桥路输出电压U O2=KEε∆,比半桥灵敏度又提高一倍,非线性误差进一步得到改善。
三、需用器件与单元应变式传感器实验模板、应变式传感器、砝码(每只约20g)、数显表、±15V电源数、±5V电源、数字万用表。
四、实验步骤1、接入模板电源±15V,检查无误后,合上主控台电源开关,将实验模板增益调节电位器Rw3顺时针调节到大致中间位置;(2)将差放的正、负输入端与地短接,Vo1输出端与数显电压表输入端Vi相连,调节实验模板上调零电位器RW4,使数显表显示为零(数显表的切换开关打到2V档),完毕后关闭主控台电源。
2、根据图3-1接入传感器,将R1、R2、R3、R4应变片接成全桥,注意受力状态不要接错。
接入桥路电源+5V,先粗调节Rw1,再细调RW4使数显表显示为零,保持增益不变;逐一加上砝码,将实验结果填入表3-1;进行灵敏度和非线性误差计算。
图3-1 应变片全桥性能实验接线图五、实验结果分析与处理1、记录数显表数值如下:表3-1:全桥测量时,输出电压与负载重量的关系:2、由所得数据绘出半桥电桥的传感器特性曲线如下图3-2 全桥传感器特性曲线由图可知,全桥的传感器特性曲线的线性特性良好,电桥输出灵敏度很高。
3、(1)计算系统灵敏度:ΔV=(58.2-28.0)+(88.4-58.2)+∙∙+(309-277)/9=(309-58.2)/9=31.22mV∙ΔW=20gS=ΔV/ΔW=1.56mV/g(2)计算非线性误差:Δm =(28.0+58.2+88.4+119.6+150.7+182.8+214.2+246+277+309)/10=167.39mVy FS=309mVδf =Δm / yFS×100%=54.2%六、思考题1、全桥测量中,当两组对边(R1、R3)电阻值相同时,即R1=R3,R2=R4,∆R2时,是否可以组成全桥:(1)可以?(2)不可以?而R1≠答:可以组成全桥电路。
一、实验目的1. 理解应变片电桥的工作原理及组成。
2. 掌握应变片电桥的测量方法及操作步骤。
3. 分析应变片电桥的输出特性,包括灵敏度、非线性误差和温度误差等。
4. 了解应变片在力学测试领域的应用。
二、实验原理应变片电桥是一种将应变信号转换为电信号的传感器。
当应变片受到外力作用时,其电阻值发生变化,通过电桥电路将这种变化转换为电压输出。
电桥电路由四个电阻组成,其中两个电阻为应变片,另外两个电阻为固定电阻。
应变片电桥的输出电压与应变片的电阻变化成正比,其关系式为:\[ U = \frac{R_1}{R_1 + R_2} \times U_{max} \]其中,\( U \) 为输出电压,\( R_1 \) 和 \( R_2 \) 为应变片电阻,\( U_{max} \) 为电源电压。
三、实验仪器与设备1. 应变片电桥传感器2. 电桥电源3. 数据采集系统4. 计算机5. 加载设备(如砝码、力传感器等)四、实验步骤1. 将应变片电桥传感器安装于加载设备上。
2. 将应变片电桥传感器与数据采集系统连接。
3. 启动数据采集系统,设置采样频率和采样时长。
4. 对应变片电桥传感器施加不同大小的力,记录对应的应变值和输出电压。
5. 分析应变片电桥的输出特性,包括灵敏度、非线性误差和温度误差等。
五、实验结果与分析1. 灵敏度:应变片电桥的灵敏度表示单位应变引起的输出电压变化。
通过实验数据计算得到应变片电桥的灵敏度为:\[ S = \frac{ΔU}{Δε} \]其中,\( ΔU \) 为输出电压变化,\( Δε \) 为应变变化。
2. 非线性误差:应变片电桥的输出电压与应变之间存在非线性关系。
通过实验数据绘制输出电压与应变的关系曲线,分析非线性误差。
3. 温度误差:应变片电桥的输出电压受温度影响较大。
通过实验数据绘制输出电压与温度的关系曲线,分析温度误差。
六、实验结论1. 应变片电桥能够将应变信号转换为电信号,具有较高的灵敏度和稳定性。
金属箔式应变片三种桥路性能比较一、实验目的:1、了解金属箔片式应片及应变电桥的原理和性能;2、验证单臂、半桥、全桥的性能及相互间的关系;3、比较单臂、半桥、全桥输出时的灵敏度和非线性度,得出相应的结论。
二、基本原理:电阻应变式传感器是在弹性元件上通过特定工艺粘贴电阻应变片来组成。
一种利用电阻材料的应变效应,将工程结构件的内部变形转换为电阻变化的传感器,此类传感器主要是通过一定的机械装置将被测量转化成弹性元件的变形,然后由电阻应变片将变形转换成电阻的变化,再通过测量电路进一步将电阻的改变转换成电压或电流信号输出。
可用于能转化成变形的各种非电物理量的检测,如力、压力、加速度、力矩、重量等。
1、应变片的电阻应变效应所谓电阻应变效应是指具有规则外形的金属导体或半导体材料在外力作用下产生应变而其电阻值也会产生相应地改变,这一物理现象称为“电阻应变效应”。
以圆柱形导体为例:设其长为L 、半径为r 、材料的电阻率为ρ时,根据电阻的定义式得2r L A L R ⋅==πρρ(3-1)当导体因某种原因产生应变时,其长度L 、截面积A 和电阻率ρ的变化为dL 、dA 、dρ相应的电阻变化为dR 。
对式(3—1)全微分得电阻变化率dR /R 为:ρρd r dr L dL R dR +-=2(3-2)式中:dL /L 为导体的轴向应变量εL ;dr /r 为导体的横向应变量εr由材料力学得:εL =-μεr (3-3)式中:μ为材料的泊松比,大多数金属材料的泊松比为0.3~0.5左右;负号表示两者的变化方向相反。
将式(3—3)代入式(3—2)得:()ρρεμd R dR ++=21(3-4)式(3—4)说明电阻应变效应主要取决于它的几何应变(几何效应)和本身特有的导电性能(压阻效应)。
2、应变灵敏度它是指电阻应变片在单位应变作用下所产生的电阻的相对变化量。
(1)、金属导体的应变灵敏度K :主要取决于其几何效应,可取()l R dR εμ21+≈(3-5)其灵敏度系数为:()με21+==RdR K l 金属导体在受到应变作用时将产生电阻的变化,拉伸时电阻增大,压缩时电阻减小,且与其轴向应变成正比。
实验三金属箔式应变片全桥性能实验一、实验目的了解全桥测量电路的优点。
二、基本原理全桥测量电路中,将受力状态相同的两片应变片接入点桥对边,不同方的应接入邻边,应变片初始阻值是R1=R2=R3=R4,当其变化值∆R1=∆R2=∆R3=∆R4时,桥路输出电压U O2=KEε∆,比半桥灵敏度又提高一倍,非线性误差进一步得到改善。
三、需用器件与单元应变式传感器实验模板、应变式传感器、砝码(每只约20g)、数显表、±15V电源数、±5V电源、数字万用表。
四、实验步骤1、接入模板电源±15V,检查无误后,合上主控台电源开关,将实验模板增益调节电位器Rw3顺时针调节到大致中间位置;(2)将差放的正、负输入端与地短接,Vo1输出端与数显电压表输入端Vi相连,调节实验模板上调零电位器RW4,使数显表显示为零(数显表的切换开关打到2V档),完毕后关闭主控台电源。
2、根据图3-1接入传感器,将R1、R2、R3、R4应变片接成全桥,注意受力状态不要接错。
接入桥路电源+5V,先粗调节Rw1,再细调RW4使数显表显示为零,保持增益不变;逐一加上砝码,将实验结果填入表3-1;进行灵敏度和非线性误差计算。
图3-1 应变片全桥性能实验接线图五、实验结果分析与处理1、记录数显表数值如下:表3-1:全桥测量时,输出电压与负载重量的关系:2、由所得数据绘出半桥电桥的传感器特性曲线如下图3-2 全桥传感器特性曲线由图可知,全桥的传感器特性曲线的线性特性良好,电桥输出灵敏度很高。
3、(1)计算系统灵敏度:ΔV=(58.2-28.0)+(88.4-58.2)+∙∙+(309-277)/9=(309-58.2)/9=31.22mV∙ΔW=20gS=ΔV/ΔW=1.56mV/g(2)计算非线性误差:Δm =(28.0+58.2+88.4+119.6+150.7+182.8+214.2+246+277+309)/10=167.39mVy FS=309mVδf =Δm / yFS×100%=54.2%六、思考题∆R21、全桥测量中,当两组对边(R1、R3)电阻值相同时,即R1=R3,R2=R4,而R1≠时,是否可以组成全桥:(1)可以?(2)不可以?答:可以组成全桥电路。
实验一金属箔式应变片——单臂电桥性能实验一、实验目的了解金属箔式应变片的应变效应及单臂电桥工作原理和性能。
二、基本原理电阻丝在外力作用下发生机械变形时,其电阻值发生变化,这就是电阻应变效应。
描述电阻应变效应的关系式为:ΔR/R=Kε式中:ΔR/R 为电阻丝电阻相对变化,K 为应变灵敏系数,ε=ΔL/L为电阻丝长度相对变化。
金属箔式应变片就是通过光刻、腐蚀等工艺制成的应变敏感元件,通过它反映被测部位受力状态的变化。
电桥的作用是完成电阻到电压的比例变化,电桥的输出电压反映了相应的受力状态。
单臂电桥输出电压Uo1= EKε/4。
三、实验器材主机箱(±4V、±15V、电压表)、应变传感器实验模板、托盘、砝码、万用表、导线等。
图2-1 应变式传感器安装示意图如图2-1,将托盘安装到应变传感器的托盘支点上,应变式传感器(电子秤传感器)已安装在应变传感器实验模板上。
传感器左下角应变片为R1,右下角为R2,右上角为R3,左上角为R4。
当传感器托盘支点受压时,R1、R3 阻值增加,R2、R4 阻值减小。
如图2-2,应变传感器实验模板中的R1、R2、R3、R4为应变片。
没有文字标记的5 个电阻是空的,其中4 个组成电桥模型是为实验者组成电桥方便而设的。
传感器中4片应变片和加热电阻已连接在实验模板左上方的R1、R2、R3、R4 和加热器上。
可用万用表进行测量判别,常态时应变片阻值为350Ω,加热丝电阻值为50Ω左右。
四、实验步骤1、根据图2-3 工作原理图、图2-2 接线示意图安装接线。
图2-2 应变传感器实验模板、接线示意图2、放大器输出调零:将实验模板上放大器的两输入端口引线暂时脱开,再用导线将两输入端短接(Vi=0);调节放大器的增益电位器RW3 大约到中间位置(先逆时针旋到底,再顺时针旋转2 圈);将主机箱电压表的量程切换开关打到2V 档,合上主机箱电源开关;调节实验模板放大器的调零电位器RW4,使电压表显示为零。
金属箔式应变片三种桥路性能比较一、实验目的:1、了解金属箔片式应片及应变电桥的原理和性能;2、验证单臂、半桥、全桥的性能及相互间的关系;3、比较单臂、半桥、全桥输出时的灵敏度和非线性度,得出相应的结论。
二、基本原理:电阻应变式传感器是在弹性元件上通过特定工艺粘贴电阻应变片来组成。
一种利用电阻材料的应变效应,将工程结构件的内部变形转换为电阻变化的传感器,此类传感器主要是通过一定的机械装置将被测量转化成弹性元件的变形,然后由电阻应变片将变形转换成电阻的变化,再通过测量电路进一步将电阻的改变转换成电压或电流信号输出。
可用于能转化成变形的各种非电物理量的检测,如力、压力、加速度、力矩、重量等。
1、应变片的电阻应变效应所谓电阻应变效应是指具有规则外形的金属导体或半导体材料在外力作用下产生应变而其电阻值也会产生相应地改变,这一物理现象称为“电阻应变效应”。
以圆柱形导体为例:设其长为L 、半径为r 、材料的电阻率为ρ时,根据电阻的定义式得2r L A L R ⋅==πρρ(3-1)当导体因某种原因产生应变时,其长度L 、截面积A 和电阻率ρ的变化为dL 、dA 、dρ相应的电阻变化为dR 。
对式(3—1)全微分得电阻变化率dR /R 为:ρρd r dr L dL R dR +-=2(3-2)式中:dL /L 为导体的轴向应变量εL ;dr /r 为导体的横向应变量εr由材料力学得:εL =-μεr (3-3)式中:μ为材料的泊松比,大多数金属材料的泊松比为0.3~0.5左右;负号表示两者的变化方向相反。
将式(3—3)代入式(3—2)得:()ρρεμd R dR ++=21(3-4)式(3—4)说明电阻应变效应主要取决于它的几何应变(几何效应)和本身特有的导电性能(压阻效应)。
2、应变灵敏度它是指电阻应变片在单位应变作用下所产生的电阻的相对变化量。
(1)、金属导体的应变灵敏度K :主要取决于其几何效应,可取()l R dR εμ21+≈(3-5)其灵敏度系数为:()με21+==RdR K l 金属导体在受到应变作用时将产生电阻的变化,拉伸时电阻增大,压缩时电阻减小,且与其轴向应变成正比。
班级:学号:姓名:组别:试验一电阻应变片灵敏系数的测定报告一、试验目的掌握通用电阻应变片灵敏系K值的测定方法。
二、试验设备及仪表1 静态电阻应变仪;2 等应力梁;3 待测电阻应变片。
图1 试验材料准备三、试验方法测试装置见教材第九章附图1.1。
灵敏系数K值是电阻应变片的输入和输出的比值,其准确性是保证测量结果真实性的保证,出厂标称K值有时存在误差,对要求较高的应变测点,有必要进行灵敏系数K值测量。
具体步骤:1 在等应力梁上沿轴向准确贴好应变片;2 用全桥将应变片接入应变仪,灵敏系数调节器旋钮置于某任意选定的K仪=2);值(如K仪3 应变初始置零,并保证其漂移量小于教材P.54页静态应变仪要求。
然后给等应变梁逐级加砝码,由钢梁所加重量换算出已知应变ε计(梁的材料弹性模量已知);=MEWε计,式中:M —贴片处截面处的弯矩,E —梁弹性模量,W —贴片处抗弯截面模量。
4 由应变仪测取每级荷载下的应变值ε仪记入表格(附表1.1)。
对测定的应变片,均需要加卸荷载三次,从而得到三组灵敏系数K 值,再取三组的平均值即为所代表的同批产品的平均灵敏系数K 值。
5 按试验过程算出灵敏系数K 值附表1.1加载 项目9.97 N19.95 N 29.9N1点 2点 3点 4点 1点 2点 3点 4点 1点 2点 3点4点 第一次ε仪1(με) 第二次ε仪2(με) 第三次ε仪3(με)实测平均ε仪(με) 111 222 332 计算应变ε计(με)113 226 339 K=K εε仪仪计1.961.961.96 注:计算应变ε计的计算过程可另附页,K 仪为仪器随意设置的灵敏度。
现场试验完成图长:363 mm 厚:4.5 mm 宽:46 mm g:10 N/kg E:2.06*10^11 paW=1/6*0.046*0.0045^2=1.5525*10^(-7) N/(M^2)M=9.97*0.363=3.61911 N·M ε=3.61911/(2.06*10^11*(1.5525*10^(-7)))*10^6=113 1M=19.95*0.363=7.24185 N·M ε=7.24185/(2.06*10^11*(1.5525*10^(-7)))*10^6=226 2M=29.9*0.363=10.8537 N·M ε=10.8537/(2.06*10^11*(1.5525*10^(-7)))*10^6=339 3K=111/113*2=1.961K=222/226*2=1.962K=332/339*2=1.963%=(113-111)/111*100%=1.8%1%=(226-222)/222*100%=1.8%2%=(339-332)/332*100%=2.1%3实验心得班级: 学号:姓名:组别这次实验做的是关于电阻应变片的实验,反映的是应变片对所测地方发生形变时测量出的数据的灵敏程度。
传感器实验报告学号:U201013649专业班级:自动化1002班姓名:陈俊鑫成绩:华中科技大学目录一、实验一金属箔式应变片——单臂电桥性能实验 (3二、实验二金属箔式应变片——半桥性能实验 (4三、实验三金属箔式应变片——全桥性能实验 (6四、实验四金属箔式应变片单臂、半桥、全桥性能比较 (8五、实验六直流全桥的应用——电子秤实验 (10六、实验十差动变压器的性能实验 (11七、实验十四电容式传感器的位移实验 (14八、实验十六直流激励时霍尔式传感器位移特性实验 (16九、实验二十四电涡流传感器位移实验 (19十、实验三十光纤传感器的位移特性实验 (22实验一金属箔式应变片——单臂电桥性能实验一、实验目的了解金属箔式应变片的应变效应,单臂电桥工作原理和性能。
二、实验原理电阻丝在外力作用下发生机械变形时,其电阻值发生变化,这就是电阻应变效应,描述电阻应变效应的关系式为:ΔR/R=Kε式中ΔR/R为电阻丝电阻相对变化,K为应变灵敏系数,ε=ΔL/L为电阻丝长度相对变化,金属箔式应变片就是通过光刻、腐蚀等工艺制成的应变敏感元件,通过它转换被测部位受力状态变化、电桥的作用完成电阻到电压的比例变化,电桥的输出电压反应了相应的受力状态。
对单臂电桥输出电压U01=EKε/4。
三、实验器材应变式传感器实验模板、应变式传感器、砝码、数显表、±15V电源、±4V电源、万用表(自备。
四、实验步骤实验中用到的应变传感器实验模板连接图如图 1 应变式传感器单臂电桥实验连接图图1所示。
图 1 应变式传感器单臂电桥实验连接图安装传感器,将IC1和IC2的同相端接地后,调节Rw4使得数显表显示为0后(即将差动放大器调0,再将电路的电桥部分按图中所示接入电路后,调节Rw1,使数显表为0。
然后在电子称上放置砝码读取数显表的数值,依次增加砝码和读取相应的数显表值。
五、实验结果与分析实验结果如表格 1所示。
表格 1 单臂电桥性能实验数据记录表由以上实验结果知:平均电压变化量:∆u=[(28.5-4.6/5+(33.3-8.8/5+(37.7-14.2/5+(42.5-18.8/5+(47.3-23.6/5]/5≈4.77mv 平均重量变化量:∆W=20g系统灵敏度:S1=∆u/∆W=0.2386mv/g 线性误差:1/100%f F s m y ∙δ=∆⨯=≈0.67%-六、思考题单臂电桥时,作为桥臂电阻应变片的选用时正、负应变片均可使用,换成负应变片时,所得的电压值为负值,需做一定的变换后方能比较直观。
应变片全桥实验报告应变片全桥实验报告一、引言应变片是一种用于测量物体应变变化的传感器,广泛应用于工程、材料科学以及生物医学等领域。
本实验旨在通过应变片全桥实验,探究应变片的工作原理、测量方法以及应变片在不同应变条件下的性能表现。
二、实验原理1. 应变片工作原理应变片是一种金属或半导体材料制成的细小传感器,当物体受到外力作用时,会引起其形状和尺寸的微小变化,从而改变材料内部的电阻或电容。
应变片全桥利用应变片的电阻变化来测量物体的应变程度。
2. 应变片全桥电路应变片全桥电路由四个应变片组成,分别连接在电桥的四个臂上。
其中两个应变片处于拉伸状态,另外两个处于压缩状态。
当物体受到外力作用时,拉伸和压缩的应变片的电阻值会发生变化,从而导致电桥的电势差发生变化。
3. 应变片的测量方法通过测量电桥的电势差变化,可以计算出应变片的应变程度。
常用的测量方法有电压法和电流法。
电压法通过测量电桥两端的电压差来计算应变片的应变值,而电流法则通过测量通过电桥的电流大小来计算应变片的应变值。
三、实验步骤1. 搭建应变片全桥电路根据实验要求,搭建应变片全桥电路,确保电桥的四个臂上分别连接了四个应变片。
2. 调整电桥平衡通过调节电桥上的可变电阻,使得电桥平衡,即电桥两端的电势差为零。
3. 施加外力在已搭建好的电桥上施加外力,可以通过拉伸或压缩物体来引起应变片的应变变化。
4. 测量电势差变化使用电压表或电流表,测量电桥两端的电势差变化。
记录不同外力条件下的电势差值。
5. 计算应变值根据测得的电势差值,利用已知的公式计算应变片的应变值。
四、实验结果与分析根据实验数据,我们可以绘制应变片的应变-电势差曲线。
通过分析曲线的趋势,可以得出以下结论:1. 应变片的应变与电势差呈线性关系,即应变越大,电势差变化越大。
2. 应变片的灵敏度与材料的选择有关,不同材料的应变片具有不同的灵敏度。
3. 在一定应变范围内,应变片的灵敏度基本稳定,超过该范围后,灵敏度会下降。
实验三应变片全桥性能实验
一、实验目的:了解应变片全桥工作特点及性能。
掌握测量方法。
二、基本原理:应变片基本原理参阅实验一。
应变片全桥特性实验原理如图3—1所示。
应变片全桥测量电路中,将应力方向相同的两应变片接入电桥对边,相反的应变片接入电桥邻边。
当应变片初始阻值:R1=R2=R3=R4,其变化值ΔR1=ΔR2=ΔR3=ΔR4时,其桥路输出电压Uo≈(△R/R)E=KεE。
其输出灵敏度比半桥又提高了一倍,非线性得到改善。
图3—1应变片全桥性能实验接线示意图
三、需用器件和单元:主机箱中的±2V~±10V(步进可调)直流稳压电源、±15V直流稳压电源、电压表;应变式传感器实验模板、托盘、砝码。
四、实验步骤:
将实验数据填入表3作出实验曲线并进行灵敏度和非线性误差计算。
实验完毕,关闭电源
五、实验结果及分析
位移(mm)0 -0.5 -1.0 -1.5 -2.0 -2.5 -3.0
电压(mv)0 -0.03 -0.07 -0.10 -0.14 -0.17 -0.20
位移(mm)-3.5 -4.0 -4.5 -5.0 -5.5
电压(mv)-0.23 -0.27 -0.30 -0.34 -0.37
位移(mm)0 0.5 1.0 1.5 2.0 2.5 3.0
电压(mv)0.01 0.05 0.09 0.13 0.18 0.23 0.27
位移(mm) 3.5 4.0 4.5 5.0 5.5
电压(mv)0.32 0.36 0.41 0.46 0.51
最小二乘法拟合如图所示
由此可知灵敏度为0.07935,经计算最大非线性误差为0.039mv,线性度为7.69%。
六、实验心得
实验中应变梁的自由端产生负位移后,重新回到位移原点时,其电压值并不为零,这体现了传感器的迟滞。
迟滞误差在本次拟合中修正了。