室内采暖管道及配件安装工程检验批质量验收记录(一)
- 格式:xlsx
- 大小:12.49 KB
- 文档页数:1
《室内采暖管道及配件安装工程检验批质量验收记录》填写说明与依据一、总说明(1)适用范围,适用于饱和蒸汽压力不大于o.7MPa.热水温度不超过130C的室内采暖系统安装工程的质量检验与验收。
(2)检验批的划分:室内采暖管道及配件安装分项工程应按系统、区城施工段或楼层等划分分项工程应划分成若干检验批进行验收。
(3)验收人员:由监理工程师(建设单位项目专业技术负责人)组织施工单位项目经理和有关勘察、设计单位项目负责人等进行验收。
二、.表格项目填写说明1.主控项目(1)管道安装坡度1)规范要求:管道安装坡度,当设计未注明时,应符合下列规定:①汽、水同向流动的热水采暖管道和汽、水同向流动的蒸汽管道及凝结水管道、坡度应为3‰,不得小于2‰。
②汽、水逆向流动的热水采暖管道和汽、水逆向流动的蒸汽管道、坡度不应小于5‰.③散热器支管的坡度应为1%,坡向应利于排汽和泄水。
2)检查方法:观察.水平尺、拉线、尺量检查。
检查数量:按系统内直线管段长度每50m抽查2段,不足50m不少于1段,分隔墙建筑,以隔墙为分段数,抽查5%.但不少于5段。
3)填写说明与依据:管道坡度是热水采服系统中的空气和蒸汽采暖系统中的凝结水顺利排除的重要措施,安装时应满足设计或规范要求。
(2)采暖系统水压试验1)规范要求:采暖系统安装完毕,管道保温之前应进行水压试验。
试验压力应符合设计要求。
当设计未注明时,应符合下列规定:①蒸汽、热水采暖系统,应以系统顶点工作压力加0.1MPa 作水压试验,同时在系统顶点的试验压力不小于0.3MPa。
②高温热水采暖系统,试验压力应为系统顶点工作压力加0.4MPa。
③使用塑料管及复合管的热水采暖系统,应以系统顶点工作压力加0.2MPa 作水压试验,同时在系统顶点的试验压力不小于0.4MPa.2)检查方法:使用钢管及复合管的采暖系统应在试验压力下10min 内压力降不大于0.02MPa,降至工作压力后检查,不渗、不湖;使用塑料管的采暖系统应在试验压力下1h 内压力降不大于0.05MPa,然后降压至工作压力的1.15 倍,稳压2h,压力降不大于0.03MPa.同时各连接处不渗、不漏。
123456789101第8.2.1条2
第8.2.2条3第8.2.3条4第8.2.4条5第8.2.5条6第8.2.6条123456789101
第8.2.7条2第8.2.9条3第8.2.10条4第8.2.11条5第8.2.12条6第8.2.13条7第8.2.14条8第8.2.15条9第8.2.16条焊口 平直度管壁厚1/4小于0.5mm 连续长度25mm 总长度(两侧)小于焊缝
长度的10%专业工长施工班组长监理(建设)单位验收记录分包项目 经 理验收部位高度施工单位检查评定记录施工单位检查评定记录长 度热水干管变径连接方法
管道干管焊接分支管要求
膨胀管及循环管上安装阀门
管壁厚10mm内规范规定规范规定1mm 采暖热媒为高温水时管道可拆卸件接头方法
管道转弯弯曲方式
方形补偿器安装
热量表、疏水器、除污器、过滤器及
阀门的型号、规格、公称压力及安装
位置采暖系统入口装置及分户热计量系统入户装置散热器支管安装管卡要求
宽度深度管道、金属支架和设备的防腐和涂漆钢
管
管
道
焊
口
尺
寸
允
许
偏
差焊缝 加强面咬 边施工执行标准名
称及编号
分包单位
主控项目
一般项目
10
管道安装坡度
补偿器的型号、安装位置及预拉伸和
固定支架的构造及安装
平衡阀及调节阀型号、规格、公称压力及安装位置
蒸汽减压、安全阀的型号、规格、公称压力及安装位置方形补偿器制作
室内采暖系统管道及配件安装工程 检验批质量验收记录(表一)
工程名称
施工单位
项目经理。
室内热水管道及配件安装工程检验批质量验收记录项目名称:室内热水管道及配件安装工程验收单位:(填写具体单位名称)施工单位:(填写具体单位名称)施工日期:(填写具体施工日期)一、工程概况本次工程是对室内热水管道及配件进行安装,主要包括水管布置、管道连接、热水器安装等内容。
1.检验时间:(填写具体检验时间)2.检验人员:(填写具体检验人员姓名)3.检验设备:(填写具体检验设备名称)4.检验内容及验收标准:4.1水管布置:-检查水管布置是否符合设计要求,管道是否平直、平稳。
-检查水管是否有过度弯曲或过度拉伸现象。
-确认水管是否固定牢固,且固定点距离符合要求。
4.2管道连接:-检查管道连接处是否密封良好,无漏水现象。
-检查连接管件、阀门等是否正确安装,是否有松动现象。
-检查连接处是否有异常现象,如变形、裂缝等。
-检查连接管是否安装牢固,是否固定整齐。
4.3热水器安装:-检查热水器是否牢固安装,无晃动现象。
-检查热水器与管道连接处是否密封良好,无漏水现象。
-检查热水器是否正确接通电源,电源插座是否符合安全标准。
5.检验结果:-经过以上内容的检验,本次室内热水管道及配件安装工程通过了验收。
-所有管道连接处无漏水现象,无明显异常。
热水器安装牢固,与管道连接处密封良好,无漏水现象。
-现场整洁,施工质量满足设计要求。
三、存在的问题及处理意见-在检验过程中,未发现明显的质量问题或不合格项。
-对于已发现的质量问题或不合格项,经施工单位整改后,再行验收。
四、其他事项-验收单位对本次室内热水管道及配件安装工程表示满意,并确认施工单位已按照设计要求进行了施工。
-验收单位对施工单位的辛勤工作表示感谢,并希望施工单位保持良好的工作态度,继续发扬工匠精神。
五、验收人员签字施工单位负责人签字:。
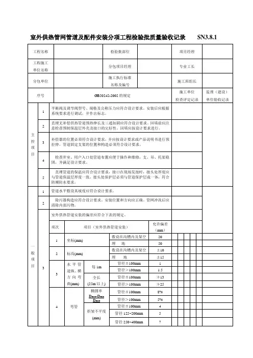
室外供热管网管道及配件安装分项工程检验批质量验收记录SN3.8.1
系统水压试验及调试分项工程质量验收记录统表2
游泳池水系统安装分项工程质量验收记录统表2
游泳池水系统安装工程检验批质量验收记录SN3.9.2
锅炉安装分项工程质量验收记录统表2
室外供热管网管道及配件安装分项工程检验批质量验收记录SN3.10.1
辅助设备及管道安装分项工程质量验收记录统表2
辅助设备及管道安装分项工程检验批质量验收记录SN3.10.2
安全附件安装分项工程质量验收记录统表2
锅炉安全附件安装工程检验批质量验收记录SN3.10.3
续表
烘炉、煮炉和试运行分项工程质量验收记录统表2
锅炉烘炉、煮炉和试运行检验批质量验收记录SN3.10.4
热换站安装分项工程质量验收记录统表2
换热站安装分项工程检验批质量验收记录SN3.10.5。
室内热水供应管道及配件安装检验批质量验收记录一、项目概述热水供应是室内生活中不可或缺的一个环节,为了保证热水供应的正常运行,需要对热水供应管道及配件进行质量验收。
本项目为室内热水供应管道及配件的安装工程,旨在确保热水供应的安全、可靠和高效。
下面是本次工程的质量验收记录。
二、质量验收内容本次质量验收的内容包括:室内热水供应管道及配件的安装情况、管道的封堵和保温情况、配件的固定与连接、工程的清洁以及验收所需文件的齐全。
三、质量验收结果1.热水供应管道及配件的安装情况:(1)检查管道布局是否符合设计要求,是否保持水平、竖直、整齐、稳固。
(2)检查管道安装是否按照标准施工,包括管道的安装间距、固定件的安装和紧固。
(3)检查管道的精封处理情况,是否存在渗漏。
(4)验收使用的管道材质是否符合要求,是否存在明显缺陷。
2.管道的封堵和保温情况:(1)检查管道的封堵情况,是否符合设计要求。
(2)检查管道的保温材料的安装情况,是否严密、牢固。
3.配件的固定与连接:(1)检查配件的选择是否合适,连接是否紧固、固定是否牢固。
(2)检查配件的加工质量是否符合要求,是否存在明显缺陷。
4.工程的清洁:(1)清理工程现场,清除杂物和垃圾。
(2)检查工程设备是否清理干净,无油污、尘土等。
5.验收所需文件的齐全:(1)提供工程图纸和设计文件。
(2)提供材料合格证明和产品检验报告等。
四、质量验收结论经过对热水供应管道及配件的安装质量进行全面检查和验收,结果如下:1.管道及配件的安装情况良好,符合设计要求。
2.管道的封堵和保温情况良好,符合设计要求。
3.配件的固定与连接牢固可靠,符合要求。
4.工程现场清洁整洁,无杂物和垃圾。
5.所需验收文件齐全,包括图纸、设计文件、材料合格证明和产品检验报告等。
综上所述,本次室内热水供应管道及配件安装工程质量符合要求,可以顺利验收通过。
五、质量验收意见和建议1.维持管道及配件的良好状态,定期检查和保养,确保其正常运行。
室内采暖管道及配件安装检验批质量验收记录项目名称:室内采暖管道及配件安装项目地点:_______________验收日期:_______________总结:本次室内采暖管道及配件安装检验验收工作已于_______日完成。
在整个施工过程中,我们严格按照相关规范和要求进行操作,并配合监理、业主等相关方的指导和检查,确保安装质量和安全性。
通过本次验收,我们确认了室内采暖管道及配件安装的质量合格,达到设计要求,并做出以下记录与总结。
一、项目概况:1.室内采暖管道及配件安装工程总面积约___________平方米;2.采暖管道材质为___________,规格为___________;3.采暖配件材质为___________,规格为___________;4.技术标准参考:国家住建部颁布的《室内建筑给水和排水设计规范》以及相关规范要求。
二、工程施工过程及技术要求:1.施工前对管道及配件进行检查,确保材料和配件的质量符合要求;2.安装前清理管道和相关设备,确保无杂质和灰尘;3.根据设计图纸进行管道布置,保证管道的合理密度和布局;4.采用焊接、连接等方式进行管道安装,并按照相关标准要求进行密封性检测;5.配件的安装要求符合相关规范和要求,确保配件与管道的连接紧密、牢固;6.完成安装后进行管道系统的压力测试,检查密封性能是否符合要求;7.完工后在每个连接点上进行标识和标注,方便日后维护和管道运行管理。
三、工程验收内容及结果:1.采暖管道的布置符合设计要求,没有发现死角或设计不当的问题;2.管道的安装工艺和工程施工符合相关规范要求,焊接接头牢固、焊缝无漏洞;3.所有配件的选用合理,连接紧密,没有发现松动、漏水等问题;4.管道系统通过压力测试,压力稳定,无渗漏现象;5.管道系统的标识清晰,易于辨认和维护。
四、存在的问题及整改措施:根据实际验收情况,我方发现了以下问题:1.______________________________________________________________________________________2.______________________________________________________________________________________3.______________________________________________________________________________________为解决以上问题,将采取以下整改措施:1.______________________________________________________________________________________2.______________________________________________________________________________________3.______________________________________________________________________________________五、项目负责人意见:本次检验验收结果表明,室内采暖管道及配件安装质量达到设计要求,并符合相关规范。
本文极具参考价值,如若有用请打赏支持我们!不胜感激!【专业知识】给排水与采暖工程检验批、分项、分部(子分部)工程质量验收记录
Ⅰ基本要求和内容
(1)建筑给水排水及采暖分部工程包括下列子分部工程:室内给水系统、室内排水
系统、室内热水供应系统、卫生器具安装、室内采暖系统、建筑中水系统及游泳池
系统、供热锅炉及辅助设备安装。
(2)各子分部工程由下列分项工程组成:
1)室内给水系统:室内给水管道及配件安装,室内消火栓系统安装,给水设备安装。
2)室内排水系统:室内排水管道及配件安装,雨水管道及配件安装。
3)室内热水供应系统:室内热水管道及配件安装,辅助设备安装。
4)卫生器具安装:卫生器具安装,卫生器具给水配件安装,卫生器具排水管道安装。
5)室内采暖系统:室内采暖管道及配件安装,辅助设备及散热器及金属辐射板安装,低温热水地板辐射采暖系统安装。
6)建筑中水系统及游泳池系统:建筑中水系统管道及辅助设备安装,游泳池水系统
安装。
7)供热锅炉及辅助设备安装:锅炉安装,辅助设备安装,工艺管道安装,安全附件
安装,烘炉、煮炉和试运行,换热站安装。
(3)建筑给水、排水及采暖工程的分项工程,应按系统、区域、施工段或楼层等划
分。
分项工程可划分若干个检验批进行验收。
(4)检验批质量验收记录由施工单位项目质量检查员填写,并填写检查评定结果。
供暖节能工程安装检验批质量验收记录DB29-126-2010A-260 单位(子单位)工程名称分部(子分部)工程名称验收部位施工单位项目经理专业分包单位分包项目经理施工执行标准名称及编号施工质量验收规范的规定施工单位检查评定记录监理单位验收记录主控项目1 设备、材料等的验证第9.2.1条2 散热器、保温材料的现场复验第9.2.2条3 供暖系统的安装第9.2.3条4 散热器及其安装第9.2.4条5 散热器恒温阀及其安装第9.2.5条6 低温热水地面辐射供暖系统的安装第9.2.6条7 热量表及其安装第9.2.7条8系统热力入口装置(各类阀门、过滤器、压力表、温度计等)第9.2.8条9 管道设备的保温层和防潮层第9.2.9条10 隐蔽部位的验收第9.2.10条11 供暖系统的试运转和调试第9.2.11条施工单位检查评定结果项目质量检查员:年月日监理单位验收结论专业监理工程师:年月日填表说明主控项目1、9.2.1供暖系统节能工程采用的散热设备、阀门、仪表、管材、保温材料等产品进场时,应按设计要求对其种类、规格、型号、外观和几何尺寸等进行检查验收.并应经监理工程师(建设单位代表)确认合格并形成验收记录后.方可用于工程。
各种产品和设备的质量证明文件和相关技术资料应齐全,并应符合设计要求和国家、本市现行有关标准和规定。
检验方法:检查实物;核查质量证明文件、相关技术资料。
检查数量:按批次全数检查。
2、9.2.2散热器和保温材料等进场时,应对其下列技术性能参数进行复验,复验应为见证取样送检:散热器的单位散热量、金属热强度;保温材料的导热系数、密度、吸水率、厚度;检验方法:现场随机抽样送检,核查复验报告。
检查数量:同一厂家同一规格的散热器按其数量的l%进行见证取样送检,但不少于2组;同一厂家同材质的保温材料见证取样送检的次数不得少于2次。
3、9.2.3供暖系统的安装应符合下列规定:系统形式应符合设计要求;散热设备、阀门、过滤器、温度计及仪表应按设计要求安装齐全。
123456789101第8.2.1条2第8.2.2条3第8.2.3条4第8.2.4条5第8.2.5条6第8.2.6条123456789101第8.2.7条2第8.2.9条3第8.2.10条4第8.2.11条5第8.2.12条6第8.2.13条7第8.2.14条8第8.2.15条9第8.2.16条管壁厚1/4211220022121小于0.5mm 连续长度25mm总长度(两侧)小于焊缝 长度的10%+0.01δ-0.05δ卷 材5涂 抹10管径≤ 100mm12111001101管径> 100mm1.5管径≤100mm ≯13管径> 100mm ≯2523201021123≯1010%8%45施工单位检查 评定结果监理(建设)单位验收结论验收部位项目经理专业工长施工班组长建筑给排水及采暖工程施工质量验收规范GB50242-2002全长> 25m 椭圆率横管道 纵横方 向弯曲 (mm)立管 垂直度 (mm)每1m每1m全长>25m 弯 管管径≤100mm 管径>100mm 管径≤100mm 管径>100mm折邹不平度焊口平直度焊缝 加强面咬 边厚 度(mm)表面平整度(mm)同意验收监理工程师 (建设单位项目技术负责人):年 月 日主控项目:全部合格 一般项目:满足规范要求项目专业质量检查员:年 月 日√管道和设备保温允许偏差12采暖管道安装的允许偏差√√√√√√—√11监理(建设验收记录√—分包项目经 理√施工单位检查评定记录√√√√施工单位检查评定记录规范规定规范规定1mm 采暖热媒为高温水时管道可拆卸件接头方法管道转弯弯曲方式管道、金属支架和设备的防腐和涂漆钢管管道焊口尺寸允许偏差高度宽度深度方形补偿器安装热量表、疏水器、除污器、过滤器及阀门的型号、规格、公称压力及安装位置采暖系统入口装置及分户热计量系统入户装置散热器支管安装管卡要求长 度热水干管变径连接方法管道干管焊接分支管要求膨胀管及循环管上安装阀门管壁厚10mm内施工执行标准名称及编号分包单位主控项目一般项目10管道安装坡度补偿器的型号、安装位置及预拉伸和固定支架的构造及安装平衡阀及调节阀型号、规格、公称压力及安装位置蒸汽减压、安全阀的型号、规格、公称压力及安装位置方形补偿器制作1.2.7给排水-11-1室内采暖系统管道及配件安装工程检验批质量验收记录工程名称施工单位理(建设)单位验收记录√√月 日月 日。