焊接钢管镀锌钢管换算
- 格式:xlsx
- 大小:11.54 KB
- 文档页数:1
管径 DE与DN区别1、DN是指管道的公称直径——这既不是外径也不是内径(应该与管道工程发展初期与英制单位有关,通常用来描述镀锌钢管)它与英制单位的对应关系如下:4分管:4/8英寸:DN15;6分管:6/8英寸:DN20;1寸管:1英寸:DN25;寸二管:1又1/4英寸:DN32;寸半管:1又1/2英寸:DN40;两寸管:2英寸:DN50;三寸管:3英寸:DN80(很多地方也标为DN75);四寸管:4英寸:DN100;2、De主要是指管道外径(一般采用De标注的,均需要标注成外径X壁厚的形式)主要用于描述:无缝钢管、PVC等塑料管道、和其他需要明确壁厚的管材。
拿镀锌焊接钢管为例,用DN、De两种标注方法如下:DN20 De25X2.5mmDN25 De32X3mmDN32 De40X4mmDN40 De50X4mm我们习惯于使用DN来标注焊接钢管,在不涉及到壁厚的情况下很少使用De来标注管道;但是标注塑料管就又是另外一回事了;还是跟行业习惯有关,实际施工过程中我们简略称呼的20、25、32等管道均是指De,而不是指DN。
别外据在现场的实践经验:a、两种管道材料的连接方式不外乎:丝扣连接及法兰连接。
b、镀锌钢管、PPR管均能采用以上两种连接,只是小于50的管道用丝扣较方便,大于50的用法兰比较可靠。
c、如果是两种不同材质的金属管道相连,要考虑是否会产生原电池反应,否则会加速活跃金属材料管道的腐蚀速度,最好要用法兰连接,并用橡胶垫片类的绝缘材质将两种金属分隔开,包括螺栓都要用垫片分隔,避免接触。
3、DN 、De、Dg的区别DN Nominal diameterDe external diameterDg diameter gong(汉语拼音“公”的声母) 这下你就明白了,Dg是国产货,有中国特色的国产货,现在都不用了a、各种管子的不同标注方法:1 、水煤气输送钢管(镀锌或非镀锌)、铸铁管等管材,管径宜以公称直径DN 表示(如DN15、DN50);2、无缝钢管、焊接钢管(直缝或螺旋缝)、铜管、不锈钢管等管材,管径宜以外径D×壁厚表示(如D108×4、D159×4.5等);3 、钢筋混凝土(或混凝土)管、陶土管、耐酸陶瓷管、缸瓦管等管材,管径宜以内径d表示(如d230、d380等);4、塑料管材,管径宜按产品标准的方法表示;5、当设计均用公称直径DN表示管径时,应有公称直径DN与相应产品规格对照表。
焊接镀锌钢管价格换算表焊接和镀锌钢管是常见的建筑用材料,在建筑、制造和其他领域中广泛使用。
根据不同行业的需求,钢管的价格会有所不同。
以下是焊接和镀锌钢管价格的换算表。
在制作焊接钢管时,首先需要选择适当的钢材材料。
焊接钢管通常使用Q235B、Q345B和16Mn等普通碳素结构钢制成,根据材质的不同,价格也会有所差异。
以下是一些常见钢材的价格:1.Q235B钢管:因其材质常用于一般建筑和工程结构中,价格相对较低。
一般来说,焊接Q235B钢管的市场价格为每吨4500-5500元。
2.Q345B钢管:Q345B钢是一种低合金高强度结构钢,通常用于各种大型建筑工程和机械结构中。
这种钢管的价格通常比Q235B钢管的价格略高,市场价格为每吨4700-6000元。
3.16Mn钢管:16Mn钢管是一种碳素-锰合金钢管,具有较高的强度和韧性,常用于输送水、煤气和油品等液体。
由于合金含量较高,16Mn钢管的价格相对较高,市场价格约为每吨5500-7000元。
此外,镀锌钢管是在普通钢管表面镀上一层锌,以提高钢管的耐腐蚀性能。
镀锌钢管的价格也会因其厚度和尺寸的不同而有所变化。
以下是一些常见镀锌钢管的价格:1.小口径镀锌钢管:该类型的镀锌钢管通常用于家庭自来水管道、天然气管道等。
其价格通常在每米5-8元之间,根据直径和壁厚的不同而有所不同。
2.中口径镀锌钢管:中口径镀锌钢管通常用于建筑内部的供水、排水及暖气管道。
价格区间在每米8-13元之间,根据直径和壁厚的不同而有所不同。
3.大口径镀锌钢管:大口径镀锌钢管通常用于工业管道和输送液体等场合。
其价格通常在每米13-20元之间,根据直径和壁厚的不同而有所不同。
总的来说,焊接和镀锌钢管的价格取决于钢材的材质、规格和市场需求等因素。
购买钢管时,建议根据具体需求和预算来选择适合的钢材和规格,以获得最佳的性价比。
依据《给水排水制图标准》(GB/T50106-2001)第2.4节管径中有关规定:1、水煤气输送钢管(镀锌和非镀锌)、铸铁管等管材,管径标注为DN(mm);2、无缝钢管、焊接钢管(直缝或螺旋缝)、铜管、不锈钢管等管材,管径标注为外径Dx壁厚;3、钢筋混凝土(或混凝土)管、陶土管、耐酸陶瓷管等管材,管径标注为d;4、塑料管材,管径宜按产品标准的方法标注;当设计用DN标注管径时,应有DN与相应产品规格对照表。
塑料管管径按产品标准的方法标注一般以外径表示,如UPUC管标注为de,HDPE管标注为De。
De、DN、d、ф的各自表示范围!De-- PPR、PE管、聚丙烯管外径DN-- 聚乙烯(PVC)管、铸铁管、钢塑复合管、镀锌钢管公称直径d -- 混凝土管公称直径ф-- 无缝钢管公称直径,其规格为,如ф100:108 X 4管径DE与DN区别ZZ(2010-07-19 08:59:41)转载标签:杂谈分类:学习科研1、DN是指管道的公称直径——这既不是外径也不是内径(应该与管道工程发展初期与英制单位有关,通常用来描述镀锌钢管)它与英制单位的对应关系如下:4分管:4/8英寸:DN15;6分管:6/8英寸:DN20;1寸管:1英寸:DN25;寸二管:1又1/4英寸:DN32;寸半管:1又1/2英寸:DN40;两寸管:2英寸:DN50;三寸管:3英寸:DN80(很多地方也标为DN75);四寸管:4英寸:DN100;2、De主要是指管道外径(一般采用De标注的,均需要标注成外径X壁厚的形式)主要用于描述:无缝钢管、PVC等塑料管道、和其他需要明确壁厚的管材。
拿镀锌焊接钢管为例,用DN、De两种标注方法如下:DN20 De25X2.5mmDN25 De32X3mmDN32 De40X4mmDN40 De50X4mm我们习惯于使用DN来标注焊接钢管,在不涉及到壁厚的情况下很少使用De来标注管道;但是标注塑料管就又是另外一回事了;还是跟行业习惯有关,实际施工过程中我们简略称呼的20、25、32等管道均是指De,而不是指DN。
钢管的重量=0.25×π×(外径平方-内径平方)×L×钢铁比重其中:π = 3.14 L=钢管长度钢铁比重取7.8 所以,钢管的重量=0.25×3.14×(外径平方-内径平方)×L×7.8 * 如果尺寸单位取米(M),则计算的重量结果为公斤(Kg)钢的密度为: 7.85g/cm3钢材理论重量计算钢材理论重量计算的计量单位为公斤( kg )。
其基本公式为:W(重量,kg )=F(断面积mm2)×L(长度,m)×ρ(密度,g/cm3)×1/1000各种钢材理论重量计算公式如下:1圆钢盘条(kg/m)W= 0.006165 ×d×d d = 直径mm直径100 mm 的圆钢,求每m 重量。
每m 重量= 0.006165×1002=61.65kg2螺纹钢(kg/m)W= 0.00617 ×d×d d= 断面直径mm断面直径为12 mm 的螺纹钢,求每m 重量。
每m 重量=0.00617 ×12 2=0.89kg3方钢(kg/m)W= 0.00785 ×a ×a a= 边宽mm边宽20 mm 的方钢,求每m 重量。
每m 重量= 0.00785×202=3.14k g4扁钢(kg/m)W= 0.00785 ×b ×d b= 边宽mm d= 厚mm边宽40 mm ,厚5mm 的扁钢,求每m 重量。
每m 重量= 0.00785 ×40 ×5= 1.57kg5六角钢(kg/m)W= 0.006798 ×s×s s= 对边距离mm对边距离50 mm 的六角钢,求每m 重量。
每m 重量= 0.006798 ×502=17kg6八角钢(kg/m)W= 0.0065 ×s ×s s= 对边距离mm对边距离80 mm 的八角钢,求每m 重量。
各种管材直径对照表1.管径的英制和mm单位的换算:1 英寸=25.4毫米 =8英分(GB/T50106-2001)管径的表达方式应符合下列规定:(管径应以mm为单位)①水煤气输送钢管(镀锌或非镀锌)、铸铁管等管材,管径宜以公称直径DN表示;②无缝钢管、焊接钢管(直缝或螺旋缝)、铜管、不锈钢管等管材,管径宜以外径×壁厚表示;③钢筋混凝土(或混凝土)管、陶土管、耐酸陶瓷管、缸瓦管等管材,管径宜以内径d表示;④塑料管材,管径宜按产品标准的方法表示;⑤当设计均用公称直径DN表示管径时,应有公称直径DN与相应产品规格对照表。
建筑排水用硬聚氯乙烯管材规格用de(公称外径)×e(公称壁厚)表示(GB 5836.1-92)给水用聚丙烯(PP)管材规格用de×e表示(公称外径×壁厚).2.关于DN与De的区别:1、DN是指管道的公称直径,注意:这既不是外径也不是内径;应该与管道工程发展初期与英制单位有关;通常用来描述镀锌钢管,它与英制单位的对应关系如下:4分管:4/8英寸:DN15;6分管:6/8英寸:DN20;1寸管:1英寸:DN25;寸二管:1又1/4英寸:DN32;寸半管:1又1/2英寸:DN40;两寸管:2英寸:DN50;三寸管:3英寸:DN80(很多地方也标为DN75);四寸管:4英寸:DN100;De主要是指管道外径,一般采用De标注的,均需要标注成外径X壁厚的形式;主要用于描述:无缝钢管、PVC等塑料管道、和其他需要明确壁厚的管材。
拿镀锌焊接钢管为例,用DN、De两种标注方法如下:DN20 De25X2.5mmDN25 De32X3mmDN32 De40X4mmDN40 De50X4mm …………①我们习惯于使用DN来标注焊接钢管,在不涉及到壁厚的情况下很少使用De来标注管道;②但是标注塑料管就又是另外一回事了;还是跟行业习惯有关,实际施工过程中我们简略称呼的20、25、32等管道均是指De,而不是指DN,这里相差一个规格呢。
各种管材直径对照表1。
管径的英制和mm单位的换算:1 英寸=25。
4毫米 =8英分(GB/T50106—2001)管径的表达方式应符合下列规定:(管径应以mm为单位)①水煤气输送钢管(镀锌或非镀锌)、铸铁管等管材,管径宜以公称直径DN表示;②无缝钢管、焊接钢管(直缝或螺旋缝)、铜管、不锈钢管等管材,管径宜以外径×壁厚表示;③钢筋混凝土(或混凝土)管、陶土管、耐酸陶瓷管、缸瓦管等管材,管径宜以内径d 表示;④塑料管材,管径宜按产品标准的方法表示;⑤当设计均用公称直径DN表示管径时,应有公称直径DN与相应产品规格对照表。
建筑排水用硬聚氯乙烯管材规格用de(公称外径)×e(公称壁厚)表示(GB 5836。
1—92)给水用聚丙烯(PP)管材规格用de×e表示(公称外径×壁厚).2。
关于DN与De的区别:1、DN是指管道的公称直径,注意:这既不是外径也不是内径;应该与管道工程发展初期与英制单位有关;通常用来描述镀锌钢管,它与英制单位的对应关系如下:4分管:4/8英寸:DN15;6分管:6/8英寸:DN20;1寸管:1英寸:DN25;寸二管:1又1/4英寸:DN32;寸半管:1又1/2英寸:DN40;两寸管:2英寸:DN50;三寸管:3英寸:DN80(很多地方也标为DN75);四寸管:4英寸:DN100;De主要是指管道外径,一般采用De标注的,均需要标注成外径X壁厚的形式;主要用于描述:无缝钢管、PVC等塑料管道、和其他需要明确壁厚的管材.拿镀锌焊接钢管为例,用DN、De两种标注方法如下:DN20 De25X2.5mmDN25 De32X3mmDN32 De40X4mmDN40 De50X4mm …………①我们习惯于使用DN来标注焊接钢管,在不涉及到壁厚的情况下很少使用De来标注管道;②但是标注塑料管就又是另外一回事了;还是跟行业习惯有关,实际施工过程中我们简略称呼的20、25、32等管道均是指De,而不是指DN,这里相差一个规格呢。
常用管表示方法
一、公称直径表示(如镀锌钢管、焊接钢管)
为了使管子、管件连接尺寸统一,使管道、管件和阀门之间具有互换性,采用公称直径(也称公称口径、公称通径),公称直径用字母“DN”后面紧跟一个数字表示,单位是mm。
只要管材公称直径相同,就可用相同公称直径的管件相连接,具有通用性和互换性。
公称直径是管路系统中所有管路附件用数字表示的尺寸,是供参考用的一个方便的圆整数,与加工尺寸仅呈不严格的关系。
例如焊接钢管按厚度可分为薄壁钢管、普通钢管和加厚钢管。
其公称直径不是外径,也不是内径,而是近似普通钢管内径的一个名义尺寸。
每一公称直径,对应一个外径,其内径数值随厚度不同而不同。
管路附件也用公称直径表示。
公称直径可用公制mm表示,也可用英制in表示。
之间换算关系见下表:
二、管道外径De X壁厚表示
主要用于描述:不锈钢管、无缝钢管、PVC等塑料管道、和其他需要明确壁厚的管材。
例如不锈钢管外径De48×3 或外径Φ48×3
备注:以后下管子材料计划查《实用金属材料手册》
通径表述的按公称直径DN 壁厚
外径表述的按管子外径Φ×(壁厚)
按以上详细表述就不会出错。
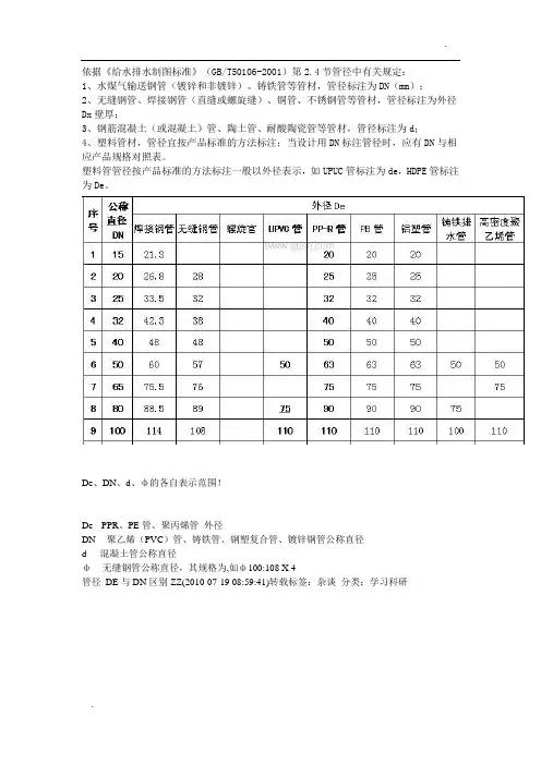
依据《给水排水制图标准》(GB/T50106-2001)第2.4节管径中有关规定:1、水煤气输送钢管(镀锌和非镀锌)、铸铁管等管材,管径标注为DN(mm);2、无缝钢管、焊接钢管(直缝或螺旋缝)、铜管、不锈钢管等管材,管径标注为外径Dx壁厚;3、钢筋混凝土(或混凝土)管、陶土管、耐酸陶瓷管等管材,管径标注为d;4、塑料管材,管径宜按产品标准的方法标注;当设计用DN标注管径时,应有DN与相应产品规格对照表。
塑料管管径按产品标准的方法标注一般以外径表示,如UPUC管标注为de,HDPE管标注为De。
De、DN、d、ф的各自表示范围!De-- PPR、PE管、聚丙烯管外径DN-- 聚乙烯(PVC)管、铸铁管、钢塑复合管、镀锌钢管公称直径d -- 混凝土管公称直径ф-- 无缝钢管公称直径,其规格为,如ф100:108 X 4管径DE与DN区别ZZ(2010-07-19 08:59:41)转载标签:杂谈分类:学习科研1、DN是指管道的公称直径——这既不是外径也不是内径(应该与管道工程发展初期与英制单位有关,通常用来描述镀锌钢管)它与英制单位的对应关系如下:4分管:4/8英寸:DN15;6分管:6/8英寸:DN20;1寸管:1英寸:DN25;寸二管:1又1/4英寸:DN32;寸半管:1又1/2英寸:DN40;两寸管:2英寸:DN50;三寸管:3英寸:DN80(很多地方也标为DN75);四寸管:4英寸:DN100;2、De主要是指管道外径(一般采用De标注的,均需要标注成外径X壁厚的形式)主要用于描述:无缝钢管、PVC等塑料管道、和其他需要明确壁厚的管材。
拿镀锌焊接钢管为例,用DN、De两种标注方法如下:DN20 De25X2.5mmDN25 De32X3mmDN32 De40X4mmDN40 De50X4mm我们习惯于使用DN来标注焊接钢管,在不涉及到壁厚的情况下很少使用De来标注管道;但是标注塑料管就又是另外一回事了;还是跟行业习惯有关,实际施工过程中我们简略称呼的20、25、32等管道均是指De,而不是指DN。