一开五孔开关接线图
- 格式:doc
- 大小:32.00 KB
- 文档页数:1
一开五孔插座原理
五孔插座是一种常见的电源插座类型,它具有五个连续排列的插孔,每个插孔都对应着不同的电源接线。
插座的原理是通过对电源线的接触,将电能传递到插头上,再由插头传递到各种电器设备中。
五孔插座中的每个孔都有特定的作用。
通常,从左到右依次排列的五个插孔分别是:
1. 火线孔(L):用于连接电源的实时电流导线,也称为“相线”。
火线孔通常是有颜色(一般为红色或棕色)的插孔。
2. 零线孔(N):用于连接电源的回路导线,也称为“零线”或“中性线”。
零线孔通常是有颜色(一般为蓝色)的插孔。
3. 接地线孔(E):用于连接电源的接地导线,主要用于保护
人身安全。
接地线孔通常是有颜色(一般为黄绿色)的插孔。
4. 左孔(L1):用于连接特殊设备或需要额外电源的设备。
这个插孔可用于满足某些特定电器设备的额外电源需求。
5. 右孔(L2):同样是用于连接特殊设备或需要额外电源的
设备。
这个插孔也可以提供额外的电源输出。
五孔插座的设计旨在满足不同电器设备的电源需求,并确保电能的安全传输。
同时,它还可以识别和防止错误插入,例如,火线孔和零线孔之间的距离会较其他孔更大,以确保正确插入。
总之,五孔插座通过电源线与插头之间的接触,将电能传递到不同的插孔中,以满足电器设备的电源需求。
每个插孔都有特定的功能,以确保电能的安全传输和正确的插头插入。
国际电工一开五孔的接线方法在电气工程中,国际电工一开五孔是一种常见的电源插座接线方式。
它由一个相位线和一个零线组成,能够提供安全可靠的电力供应。
下面将详细介绍国际电工一开五孔的接线方法及其相关知识。
一、国际电工一开五孔的接线方法国际电工一开五孔的接线方法是指将插座内部的五个孔位连接到正确的电源线上。
其中,左侧的两个孔位分别为相位线(L)和零线(N),右侧的三个孔位分别为地线(E)和两个保护接地线(PE)。
具体的接线方法如下:1. 将相位线(L)接线到插座左侧的相位线孔位上。
相位线通常为红色或棕色的线,它是电流传输的主要线路。
2. 将零线(N)接线到插座左侧的零线孔位上。
零线通常为蓝色的线,它是电流回流的线路。
3. 将地线(E)接线到插座右侧的地线孔位上。
地线通常为绿色或绿黄相间的线,它是用于保护人身安全的线路。
4. 将两个保护接地线(PE)分别接线到插座右侧的两个保护接地孔位上。
保护接地线通常也是绿色或绿黄相间的线,它们是用于保护设备安全的线路。
通过正确接线,国际电工一开五孔插座可以提供稳定、安全的电力供应,保护人身安全和设备的正常运作。
二、国际电工一开五孔的使用注意事项在使用国际电工一开五孔插座时,需要注意以下几点:1. 接线前,请确保电源已切断。
在进行插座接线或更换设备时,一定要先关闭电源开关,确保安全。
2. 确保插头与插座相匹配。
不同国家和地区可能存在不同的插头规格,使用时应选择合适的插头,并确保插头与插座的孔位对应正确。
3. 接线时要牢固可靠。
接线时,要将电线剥离一定长度,确保裸露的导线能够完全插入插座孔位,并使用螺丝或卡扣将导线固定住,以免接触不良或松动导致电路故障或安全事故。
4. 定期检查插座和电线。
使用过程中,应定期检查插座和电线的外观是否完好,如有破损或老化应及时更换,以确保电气设备的正常工作和安全使用。
5. 避免过载使用。
不同的插座和电源线具有不同的额定电流和功率,使用时应注意不要超过其额定范围,避免过载使用导致线路烧毁或设备损坏。
五孔墙壁插座开关怎么接线?
灯线:按线颜色分,红线黄线还有绿线是火线,有电。
蓝线是零线。
花线是地线(就是两种颜色的)一般都是黄绿两种颜色。
灯的控制线是白线或黑线。
现在楼房里边都是这样分。
接线方法: L接进线火线,N接进线零线。
L孔与L1用导线连接(两孔插座正面右边插孔内),L2(从开关接出火线)接灯(灯进线),灯的零线与N孔零线接一起。
(L、L1、L2、N 字母是指背面接线柱)
1:开关用来控制插座电源的通断,可按以下方法接线:把火线接入开关的L接线端子(火线进线口),将开关的L1接线端子(火线出线口)与两孔插座的L接线端子(火线接线口)联接,将零线接入插座的N接线端子(零线接线口)。
2、开关用于控制灯具,插座不用开关控制,接线方法:把火线接入开关的L接线端子,将开关的L1接线端子与灯头的一个接线端子相联接,把零线接入灯头的另一个接线端子,开关与灯形成一个回路。
再将火线接入两孔插座的L接线端子,将零线接入插座的N接线端子,两孔插座成为另一个回路。
五孔双控开关插座接法开关插座是家庭和商业建筑中经常使用的电气设备,用于控制电器设备的开关和插座连接。
五孔双控开关插座是一种特殊类型的插座,具有两个开关控制同一个插座的功能。
本文将介绍五孔双控开关插座的接法方法,并对其安装步骤进行详细说明。
五孔双控开关插座的组成五孔双控开关插座由插座本体和两个开关组成。
插座本体有五个插孔,分别用于连接火线(L)、零线(N)、地线(E)和两个开关线(L1、L2)。
两个开关共同控制插座的通断,可以实现灯具、家电等设备的双重控制。
接法方法五孔双控开关插座的接法方法相对复杂,需要注意正确接线以确保安全。
接法的主要步骤如下:1. 准备工作首先,断开电源,确保电路处于安全状态。
然后,准备好所需的工具和材料,包括五孔双控开关插座、电线、螺丝刀、剥线钳、绝缘胶带等。
2. 定位位置确定五孔双控开关插座的安装位置,通常选择离电器设备比较近的位置,方便插拔和操作。
使用铅笔在墙壁上标记开关和插座的位置,并使用水平仪确保标记的水平。
3. 拆卸旧插座使用螺丝刀拆卸旧插座,逐一拆下连接电线的螺丝,并将旧插座从壁面拆卸下来。
4. 连接电线根据五孔双控开关插座的接法方法,将电线连接到相应的插孔上。
首先,将零线(N)用绝缘胶带绑好,插入插座背板上的零线孔,并用螺丝刀将螺丝固定住。
然后,将火线(L)插入火线孔,地线(E)插入地线孔,分别使用绝缘胶带绑紧并用螺丝刀固定。
5. 安装开关将两个开关与插座本体连接,依次将开关线(L1、L2)插入对应的插孔,并用螺丝刀固定。
确保开关线的连接稳固可靠。
6. 固定插座将五孔双控开关插座固定在墙壁上,使用螺丝刀将插座的底部螺丝拧紧。
确保插座牢固地安装在墙壁上。
7. 测试功能插上电源,打开插座开关进行功能测试。
确保插座的通断可以通过两个开关进行控制,并且灯具、家电等设备能正常工作。
总结通过以上步骤,我们可以成功地完成五孔双控开关插座的安装和接线。
在实施过程中,一定要谨慎行事,遵循电气安装的相关规范和标准,确保安全可靠。
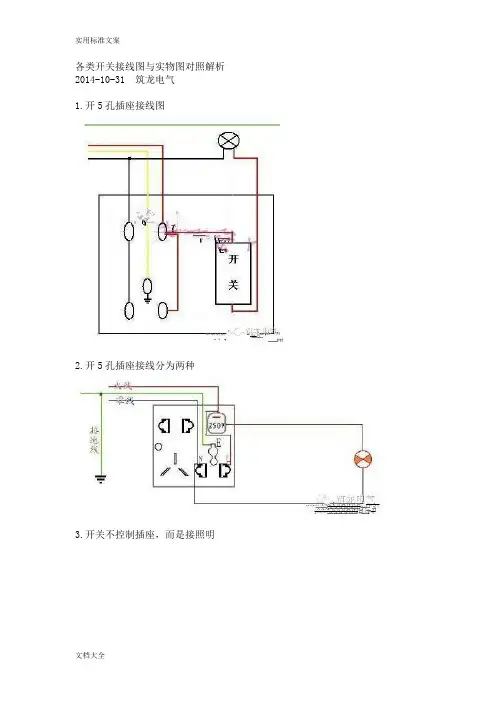
各类开关接线图与实物图对照解析2014-10-31 筑龙电气
1.开5孔插座接线图
2.开5孔插座接线分为两种
3.开关不控制插座,而是接照明
4.开关不接照明,而是控制插座
电源火线接开关进线和插座火(L)线(也就是说开关进线和插座火线进线并联接电源火线),开关出线接照明,再接插座零线(N),电源零、地线接插座零(N)、地(E)线。
L代表相线“火线”,N代表零线!插座上那样接就行了!至于你的开关上,因该是L,L1,L2 那样的3个表示,那是双联开关,主要用于2个开关同时控制一个灯用的!接开关的时候你把相线“火线”接到L点上,用电器线“开关到用电器的线”或许你用开关控制插座呢,呵呵哪个线随便你接L1,L2任何一个位置都行,只不过接在不一样的2个点上(L1,L2),那样开关的方向就刚好相反!
5.三联开关接线图
两个开关一个两相插座一个三相插座,应该怎么接线?
6.双联开关接线图
浴霸开关接线图
7.三相插座的3个脚有一个是接地的,就接L N 上面有标志的,剩下的一个是接地脚.
进线接0(火线),出线接1(火线),\这线应是红色的。
零线是蓝色的。
地线(黄绿线)。
插座左边孔零线,右边火线。
两个开关的0用线连接好。
插座一样用线左对左,右对右连接好。
然后左边蓝线,右边红线。
家装电工不求人:开关插座接线图大全本文所提到的标号名称,根据品牌不同,可能有变动。
如,本文提到开关接线柱的标号为“L,L1,L2”,在有些品牌中可能是“COM,L1,L2”,但具体用法不变。
本文所涉及的接线柱位置,根据品牌不同,可能有变动,具体请以标号名称为准。
插座(五孔插座和三控插座)家庭用到的插座多是五孔插座(12A)以及三孔插座(16A),其背面的接线柱相同,接法也相同。
如用到地插,亦可在其背面找到这三个孔,但是排列位置有所不同。
单开单控开关(面板只有一个键,一个开关控制一个灯)接所有开关时都需要注意,接入开关的线必须是火线,零线直接接在灯上。
多开单控开关(面板上有多个键,每个键单独控制一个灯)以三开单控为例。
下图中的接法代表了一类多开单控开关,即只有一个进线接线柱。
另有一类开关,每个出线柱都对应一个进线柱,即有多个L。
此时只需把所有进线柱并联即可。
一开五孔插座(面板上是一个开关和一个五孔插座)一开五孔插座有两种使用方式,一种是开关控制旁边五孔插座的通断,这种接法适用于插座长期接通充电器、电磁炉等小功率设备,如果是热水器等大功率用电器,则可能发生危险;另一种接法是开关单独控制电灯,这种接法适用于床头等空间狭小的地方。
开关控制五孔插座——开关控制电灯——新型的一开五孔插座,开关对面对应3个接线柱,这样就形成了一个双控开关,更适用于床头。
其接法请结合下文单开双控开关。
二开五孔插座(面板有两个开关和一个五孔插座)单开双控开关(面板只有一个键,两个开关控制同一盏灯)单开双控开关的正面与单开单控开关相同,但是背面是3个接线柱。
单开多控开关多控开关是指3处及3处以上开关同时控制一盏灯。
其背面有6个接线柱。
使用时,需要与双控开关结合使用。
下图以3控为例。
双开多控开关(面板上有两个键,每个键都对应6个接线柱)双开多控开关,每个键都可以单独作为一个多控开关使用。
下图只给出了其中一个键的使用方法,另一个键与之相同。
五孔开关插座接线图开关插座是家装中常见的电气产品,开关插座是带有插座的开关,所以在接线的时候跟普通的插座是不同的。
常见的是一开五孔的插座,开关可以控制灯,插座能通电,很多人不知道这种开关插座的接法,下面就来介绍一下。
一般在这种开关插座的背后都标注有L1,L11,L,PE,N。
有五个接口,也就是说要接的线有5条,零线、地线各一个,有两线绑在了一起,测出来是火线,还有一根单独的火线,问题就出现在这了。
火线另外接一截线连接到开关,灯泡的一根线接在开关另一头,灯泡的另外一根线接在零线上面。
开关是设计时就考虑好的,只要接相线、零线、公共三根线火线L零线N地线PE接到插座上的三个孔里面,从插座火线L接出来一根线到开关L1上。
灯头有两根线,一根从开关的另一个接线孔(应该是L11)接出,另一根从插座的N接出。
你说的两根绑一起的要接在插座的L上,单独的火线应该是开关上的L11。
一开五孔插座怎么安装,开关控制灯,插座常通电,主要是不知道火线怎么接如图,接线口分别为L1,L11,L,PE,N。
现在有五根线,零线,地线各一,有两线绑在了一起,测出来是火线,还有一根单独的火线,就晕在这儿了如图,火线另外接一截线连接到开关,灯泡的一根线接在开关另一头,灯泡的另外一根线接在零线上面。
开关是设计时就考虑好的,只要接相线、零线、公共三根线火线L零线N地线PE接到插座上的三个孔里面,从插座火线L接出来一根线到开关L1上。
灯头有两根线,一根从开关的另一个接线孔(应该是L11)接出,另一根从插座的N接出。
你说的两根绑一起的要接在插座的L上,单独的火线应该是开关上的L11。
如图,黄色线接地(PE)不接也行五孔带开是有4个接线端子的: L1 开关火线进线 L2 开关火线出线 N 零线GND或者三横一竖是地线接法有两种:1、带开关的插座:火线连接L1,零线连接N,花线接地线,L2空着即可;你说的两根线是一个火线一根零线,没有埋布地线,这种情况下,火线接L1,零线接N即可(请注意没有地线的插座,遇到短路空开会跳闸,而发生漏电则无法保护)。
各种插座接线图
两开五孔插座接线图
两开五孔插座接线图
N接零线,L接火线,另接地符号一个接地线
两个灯的火线进线分别接在开关的一个接口上,另一个接口接到灯座上的接口上,灯的零线不需要接开关或电源插座,直接接灯座上即可。
插座为火线接L接口,零线接N接口上就可以了。
灯的火线进线可直接用导线从电源插座的火线连接过来即可。
一开五孔插座接线图
一开五孔插座接线图
有线电视插座接线图
七孔插座接线图
中间那个是地线接口,两边的一边接一个火线,一边接一个零线,因为它设计时已经串好了,所以不用拱线了
下图是接有开关的接法
网络插座接线图
网络插座接线图
RJ45 型网线插头又称水晶头,广泛应用于局域网和 ADSL 宽带上网用户的网络设备间网线(称作五类线或双绞线)的连接。
在具体应用时,RJ45 型插头和网线有两种连接方法(线序),
分别称作 T568A 线序
T568B 线序(图2)
三孔插座接线图
三孔带开关插座。
一开五孔接线方法五孔插座是我们家庭生活中常见的电器插座,它可以同时连接多个电器,为我们的生活提供了极大的便利。
但是,在使用五孔插座的过程中,我们可能会遇到一些接线问题,今天我们就来讨论一下一开五孔接线方法。
首先,我们需要明确五孔插座的接线原理。
五孔插座通常包括火线、零线、地线和两个保护接地线。
接线时,我们需要确保每根线都连接到正确的位置,以确保电器的正常使用和安全。
接下来,我们来介绍一开五孔接线的具体方法。
首先,我们需要准备好五孔插座、电线、绝缘套管和螺丝刀等工具。
接着,我们按照以下步骤进行接线:1. 确定火线、零线和地线的位置。
通常情况下,插座的背面会标有L、N、E的符号,分别代表火线、零线和地线。
我们需要根据这些标志来确定各线的位置。
2. 连接火线。
将火线插入插座背面标有“L”的孔中,并用螺丝刀拧紧螺丝,确保火线连接牢固。
3. 连接零线。
将零线插入插座背面标有“N”的孔中,并用螺丝刀拧紧螺丝,确保零线连接牢固。
4. 连接地线。
将地线插入插座背面标有“E”的孔中,并用螺丝刀拧紧螺丝,确保地线连接牢固。
5. 安装绝缘套管。
在连接好火线、零线和地线后,我们需要在插座的背面安装绝缘套管,以确保线路的安全性和稳定性。
通过以上步骤,我们就完成了一开五孔插座的接线工作。
在接线过程中,我们需要注意一些事项,比如在接线前要断开电源,确保操作安全;接线时要注意线头的绝缘处理,避免短路或漏电等问题。
总的来说,一开五孔接线方法并不复杂,只要我们按照正确的步骤进行操作,就能够顺利完成接线工作。
希望以上内容能够帮助大家更好地理解和掌握五孔插座的接线方法,保障家庭用电的安全和稳定。
一开五孔接线方法
一开五孔接线方法是一种常见的电气接线方式,通常用于家庭、办公室等场所
的电气布线。
在进行一开五孔接线时,需要注意一些细节和步骤,以确保接线的安全可靠。
下面将详细介绍一开五孔接线的方法和注意事项。
首先,准备好需要使用的工具和材料,包括一开五孔插座、电线、绝缘剥线钳、螺丝刀等。
在开始接线之前,务必确认断开电源,以免发生触电事故。
接下来,使用绝缘剥线钳将电线的外皮剥去一定长度,露出内部的导线。
根据
插座的接线方式,通常为火线、零线和地线,将导线分别连接到对应的接线孔中。
火线通常为红色或棕色,零线为蓝色,地线为黄绿色。
在接线时,务必确保导线连接牢固,没有松动,且不会出现短路的情况。
接着,将一开五孔插座固定在墙壁上,使用螺丝刀将插座的固定螺丝拧紧,确
保插座稳固不松动。
在固定插座时,要注意不要损坏电线,以免影响接线的质量和安全性。
接线完成后,再次确认所有接线牢固可靠,没有松动或脱落的情况。
然后,重
新合上电源,进行一次简单的测试,确保插座正常工作,没有漏电或其他故障。
最后,将插头插入插座,测试接线是否成功。
如果一切正常,插座应该能够正
常供电,没有异常情况出现。
如果发现插座有异常,应立即断开电源,检查接线是否正确,排除故障原因。
总之,一开五孔接线方法并不复杂,但在进行接线时一定要谨慎小心,确保每
个步骤都正确无误。
接线完成后,务必进行必要的测试,以确保插座的安全可靠。
希望以上内容能够帮助您正确、安全地进行一开五孔接线。
一开五孔的接线方法五孔插座是一种常见的电源插座类型,主要用于连接家用电器和电源线。
一开五孔的接线方法是指将电源线正确地连接到五孔插座上,保证电器能够正常使用并确保电路安全。
下面将详细介绍一开五孔的接线方法。
首先,需要明确一下五孔插座的五个插孔分别代表的功能。
一般来说,五孔插座的上方是一个大的圆孔,左侧有两个小的竖形孔,右侧也有两个小的竖形孔。
大圆孔是地线孔,它用于接地,可以确保电器外壳与地之间有良好的接触,从而起到防止电器漏电的作用。
左侧的两个小竖孔分别是火线孔,用于接入电源的火线。
右侧的两个小竖孔是零线孔,用于接入电源的零线。
接下来,我们详细介绍一下一开五孔的接线方法。
首先,切记在进行接线之前,一定要确保电源已经切断,以免发生触电事故。
接线时需要使用绝缘工具,避免直接用手接触电线和插座,确保安全。
1. 火线接线:首先,将电源线的火线剥开一段绝缘层,大约为1-2厘米。
然后,将火线的铜芯线的一段插入插座上的左侧火线孔中,确保插入深度适当。
接下来,使用螺丝刀或扳手旋紧左侧火线孔旁边的螺丝,将火线牢固固定在插座上。
2. 零线接线:接下来,将电源线的零线剥开一段绝缘层,同样是大约1-2厘米。
然后,将零线的铜芯线的一段插入插座上的右侧零线孔中,确保插入深度适当。
再次使用螺丝刀或扳手旋紧右侧零线孔旁边的螺丝,将零线牢固固定在插座上。
3. 地线接线:最后,将电源线的地线剥开一段绝缘层,同样是大约1-2厘米。
然后,将地线的铜芯线的一段插入插座上的大圆孔中,确保插入深度适当。
与前两步类似,使用螺丝刀或扳手旋紧大圆孔旁边的螺丝,将地线牢固固定在插座上。
完成上述接线后,需要检查整个接线是否牢固,确保电线与插座的连接可靠。
接下来,可以将插座的外壳盖上,并用螺丝固定好。
总的来说,一开五孔的接线方法相对较简单,但需要确保每个接线够牢固,避免出现松动导致电线断开或接触不良的情况发生。
此外,为了保证电路安全,建议在接线之前请咨询专业电工,以确保接线符合安全规范。
一开五孔接线方法
在进行电气工程中,我们经常会遇到需要进行五孔接线的情况。
而正确的接线方法不仅可以确保电路的正常运行,还可以保障使用
者的安全。
接下来,我将为大家介绍一种常见的一开五孔接线方法。
首先,我们需要准备好以下工具和材料,五孔插座、导线、螺
丝刀、绝缘胶带等。
在开始接线之前,务必确认断开电源,以免发
生触电事故。
接下来,我们将插座拆开,将导线剥去一定长度的绝缘层,露
出内部的金属导线。
接着,根据接线端子的标识,将导线依次连接
到对应的端子上。
通常来说,插座上会标有L、N、E三个端子,分
别代表火线、零线和地线。
在接线时,应确保导线连接牢固,且不
出现松动现象。
接下来,我们需要使用螺丝刀将插座固定在墙壁上。
在固定插
座时,要注意不要损坏插座内部的导线,同时要确保插座与墙壁紧
密贴合,避免出现安装不牢固的情况。
接下来,我们需要使用绝缘胶带将接线端子进行绝缘处理。
绝
缘处理的目的是防止导线之间发生短路,同时也可以增加接线的安
全性。
在进行绝缘处理时,要确保绝缘带包裹牢固,不留有裸露的
导线。
最后,我们可以重新合上插座的外壳,并恢复电源。
在通电前,务必再次确认接线是否正确,以免出现接线错误导致的安全事故。
通过以上的步骤,我们就完成了一开五孔接线的整个过程。
正
确的接线方法不仅可以确保电路的正常运行,还可以保障使用者的
安全。
希望以上内容对大家有所帮助,谢谢阅读!。
五孔一开的接线方法
五孔一开的接线方法是指一个中央开孔,四个周边开孔,其中以中央开孔为中心,通过排列相应线条来实现接线目的的方法。
下面就介绍五孔一开的接线方法:
一、准备工作
1.集中式:首先准备好保护件、闸刀、接线端子和接线导线,以及一个5孔的接线箱;
2.分布式:需要准备电缆接头盒、接地管、接线端子和接线导线,以及一个5孔的保险把手;
二、接线过程
1.集中式:将接线端子安装到接线箱上,再将接线导线分别接上接线端子,最后将接线箱封闭;
2.分布式:将接线端子安装到单独的电缆接头盒上,接好接线端子、接地管和地线,并将接头盒盖上,最后将接头盒固定在保险把手上。
三、注意事项
1.在接线时,要注意保持零线和火线的接法正确;
2.为了避免接触危险,要确保接线完毕后适当安装保护件;
3.在安装的过程中要保证螺丝头不松动,要正确拧紧螺丝才可防止电路短路;
4.所有接线件都应被正确锁定,以防止火花及热量积聚而烧毁接线件。
五孔一开的接线方法有很多优点,它可以抗干扰能力强,充分使用接线设备空间,使电缆线路更加紧凑整洁,提高工作效率,降低施工成本,提高电气设备的安全性能等等。
总之,五孔一开接线方法是非常有效的,应尽可能地采用。
五空一开开关怎么接线
家庭装修相信大家都知道它是属于一个比较漫长的过程,同时要使用到的材料也是比较多,所以在选择时候还是要多个心眼才行。
下面就来给大家介绍一下五空一开开关怎么接线。
五空一开开关怎么接线
首先把那220Ⅴ进线(L火线)接到开关一端,此时开关的另一端接在那五孔插座的(L孔内),然后在把220V进线的(N零线)接到那五孔插座的(N孔内)即可。
开关插座要如何选购
1、选品牌
小厂家生产的开关或者插座很不可靠,使用寿命短且不安全,大多数知名品牌会向消费者进行有效质保承诺。
可以先关注多个品牌,再比较价格了解评价,最后购买;
2、挑款式
开关的款式、档次应该与室内的整体风格相吻合,选择合适的款式却可以起到画龙点睛的作用。
白色是主流,开关面板的颜色要与整体色调协调;
3、看外观、手感
好的插座使用材料稳定性强,不易变色,外观表面光洁平滑、无气泡、无划痕、无污迹、色彩均匀有质感的,肉眼可以清楚的看出,手感非常好;
4、掂分量
好的开关插座应当有足够的分量,开关里面的铜片是最关键的部分,如果是合金的或者薄的铜片将不会有同样的重量和品质;
5、看配件
开关插座要固定到墙面需要用螺丝拧到其底座上,这个底座的结实度也将影响开关面板的使用,现在有的品牌是用冷扎钢板制作这个底座,这样的会更加耐用;
6、验货
开关送货到家时应仔细验货,产品包装应当规范完整,设计印刷精美,上面应该有清晰的商标,厂家地址,电话,公司网址等信息,内有使用说明和合格证,附件螺丝等。
总结:关于五空一开开关怎么接线相关内容就介绍到这,要接线的时候一定要认真,避免一些没有必要的事情发生。
一开无孔开关的接法
无孔开关是指没有插座的开关,通常用于控制电灯等设备的开关。
一开无孔开关的接法如下:
1. 先将主电源关闭,确保安全。
2. 将电源线的火线(L线)接到开关的一个端口上,可以标记
为“COM”(Common)。
3. 将电源线的零线(N线)直接接到电灯的零线上。
4. 将电灯的火线接到开关的另一个端口上,可以标记为“L1”(Live)。
5. 确保接线牢固,并将开关安装到固定位置。
6. 打开主电源开关,此时可以通过开关控制电灯的开关状态。
需要注意的是,接线前应该断开电源,以免发生触电事故。
此外,为了确保安全,可以请专业电工进行接线和安装。