XXXX隧道施工计划横道图
- 格式:xls
- 大小:50.50 KB
- 文档页数:1
隧道施工进度计划横道图工期 2007年 2008年 2009年序号项目名称,d, 5 6 7 8 9 10 11 12 1 2 3 4 5 6 7 8 9 10 11 12 1 2 3 4 1 施工准备31 2 出入段线双线及连拱隧道开挖、支护 122 3 出入段线单线隧道左线开挖、支护 152 4 出入段线单线隧道右线CYK0+327.300,CYK0+628.725段开挖、支护 77 5 出入段线单线隧道右线CYK0+142.581,CYK0+327.300段开挖、支护 46 6 区间马家岩站端连拱及双线隧道开挖、支护 31 7 区间马家岩站端连拱及喇叭口隧道开挖、支护 91 8 区间右线单线及连拱隧道开挖、支护 168 9 区间左线单线隧道开挖、支护 230 10 区间高庙村站端双线隧道开挖、支护 15 11 区间高庙村站端喇叭口及连拱隧道开挖、支护 123 12 出入段线双线及连拱隧道衬砌 123 13 出入段线单线隧道左线衬砌 152 14 出入段线单线隧道右线CYK0+327.300,CYK0+628.725段衬砌 91 15 出入段线单线隧道右线CYK0+142.581,CYK0+327.300段衬砌 47 16 区间马家岩站端连拱及双线隧道衬砌 45 17 区间马家岩站端连拱及喇叭口隧道衬砌 92 18 区间右线单线隧道衬砌 153 19 区间左线单线隧道衬砌230 20 区间高庙村站端双线隧道衬砌 31 21 区间高庙村站端喇叭口及连拱隧道衬砌 120 22 附属工程 243 23 场地清理及竣工验交 15下面是经典歌词100句,朋友们可以享受下,不需要的朋友可以下载后编辑删除!!谢谢!!林夕经典歌词1、若只是喜欢,何必夸张成爱。
——林2、擦光所有火柴难令气氛像从前闪耀,至少感激当日陪着我开甜蜜的玩笑。
——《失恋太少》3、你是千堆雪我是长街,怕日出一到彼此瓦解。
——《邮差》4、谁能告诉我,要有多坚强,才敢念念不忘。
龙海二路(西二大道)中段市政 ( 排水 )工程施工进度计划横道图
编制日期:2011年 月 日
监理单位:惠州远顺工程监理有限公司施工单位:惠阳建筑工程总公司 总 监:
项目负责人:
龙海二路(西二大道)中段市政 ( 道路 )工程施工进度计划横道图
编制日期:2011年 月 日
建设单位:惠州大亚湾经济技术开发区公用事业管理业主代表:
监理单位:惠州远顺工程监理有限公司 总 监:
项目负责人:
龙海二路(西二大道)中段市政 ( 路灯、绿化 )工程施工进度计划横道图
编制日期:2011年 月 日
建设单位:惠州大亚湾经济技术开发区公用事业管理业主代表:
建设单位:惠州大亚湾经济技术开发区公用事业管理
监理单位:惠州远顺工程监理有限公司施工单位:惠阳建筑工程总公司
业主代表:
总 监:项目负责人:。
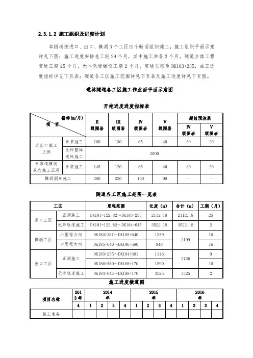
2.3.1.2 施工组织及进度计划
本隧道按进口、出口、横洞3个工区四个断面组织施工,施工组织平面示意详见下图;施工进度安排总工期29个月,其中施工准备3个月,隧道主体工程贯通工期25个月,无咋轨道铺设工期2个月,贯通里程为DK183+235,施工进度指标详见下页表;隧道各工区施工范围详见下页表及施工进度详见下页图。
遂林隧道各工区施工作业面平面示意图
开挖进度进度指标表
隧道各工区施工范围一览表
任务分配及劳动力配置表
主要机械设备配置表
⑶洞口平面布置
遂林隧道进口平面布置图
遂林隧道出口平面布置图
遂林隧道横洞口平面布置图
2.3.1.3 主要施工方案
本隧道按新奥法组织施工,采用光面爆破和喷锚支护。
隧道Ⅴ级围岩采用四步CD法和三台阶临时仰拱法、三台阶法施工;Ⅳ级围岩段采用三台阶法施工;Ⅲ级围岩开挖采用台阶法施工;Ⅱ级围岩开挖采用全断面法施工。
Ⅴ级围岩地段设I20型钢初期支护,洞口处拱部设置Φ108超前大管棚,洞身处拱部设置Φ89超前长管棚加强支护;Ⅳ级围岩采用I18型钢支护及拱部Φ42超前小导管加强支护;Ⅲ级围岩部分采用拱墙格栅钢架及锚杆加强支护。
(完整版)施工总进度计划横道图一、项目概述本施工总进度计划横道图旨在为某工程项目提供一份全面、系统的施工进度安排。
该工程项目的范围包括主体结构、机电安装、装饰装修等各个阶段,涉及多个施工班组及专业分包商的协同作业。
为确保工程按期、保质完成,特制定本横道图,以明确各施工阶段的起止时间、关键节点及相互之间的逻辑关系。
二、编制依据1. 工程合同文件:包括工程承包合同、施工图纸、设计文件、技术规范等。
2. 工程现场踏勘报告:对施工现场的实际情况进行详细描述,为施工进度安排提供依据。
3. 施工组织设计:明确施工工艺、施工方法、施工顺序等。
4. 相关法律法规及行业标准:确保施工进度安排符合国家及行业标准。
三、施工进度安排1. 主体结构施工阶段:包括基础、主体结构、屋面等部分,起止时间为第1个月至第6个月。
2. 机电安装阶段:包括给排水、电气、暖通、消防等系统,起止时间为第5个月至第10个月。
3. 装饰装修阶段:包括内外墙涂料、地面铺装、门窗安装等,起止时间为第8个月至第12个月。
4. 竣工验收阶段:包括工程自检、监理验收、竣工验收等,起止时间为第12个月至第13个月。
四、关键节点1. 基础施工完成:第1个月。
2. 主体结构封顶:第4个月。
3. 机电安装完成:第10个月。
4. 装饰装修完成:第12个月。
5. 竣工验收合格:第13个月。
五、逻辑关系1. 主体结构施工完成后,方可进行机电安装。
2. 机电安装施工过程中,应与装饰装修施工同步进行,以确保工程进度。
3. 各施工班组及专业分包商应按照施工进度计划进行作业,确保工程按期完成。
六、注意事项1. 施工进度计划应根据现场实际情况进行调整,确保工程进度不受影响。
2. 各施工班组及专业分包商应加强沟通协调,确保施工进度顺利进行。
3. 工程项目负责人应定期对施工进度进行检查,发现问题及时解决。
七、资源分配与调配为确保施工进度计划的顺利实施,需要对各项资源进行合理分配与调配。