外协厂实地考察评审表
- 格式:xlsx
- 大小:135.89 KB
- 文档页数:1
外协装配队伍评价表背景为了更好地评估外协装配队伍的工作表现,我们设计了以下评价表。
评价项1. 专业技能外协装配队伍的专业技能是评价外协队伍能力的重要指标。
请根据以下标准进行评价:- 表现优秀:能够熟练使用所有必要工具,快速解决技术难题,提供优质服务;- 表现良好:熟悉大部分工具,基本能够完成任务,服务态度较好;- 表现一般:只熟悉部分工具,难以解决技术难题,工作效率较低;- 表现差:工具使用不熟练,无法解决技术难题,态度不佳,服务差。
2. 工作责任心外协队伍工作责任心能够反映他们对工作的重视程度,也是评价他们的重要指标。
请根据以下标准进行评价:- 表现优秀:工作主动性强,完成工作任务有计划、有条理、有质量,能够在时间规定内完成工作任务;- 表现良好:工作勤奋,基本按照工作计划完成任务,积极协助其他人员,但时间规定内未能按时完成任务;- 表现一般:工作缺乏条理,只完成部分任务,不能及时发现问题或无法解决小问题,对团队工作的协助程度一般;- 表现差:工作计划执行欠缺条理,经常延误工作任务,不能发现问题或者不能很好地解决问题,对团队工作协助很少甚至没有。
3. 团队合作外协队伍在项目中需要密切合作,团队合作的能力也是评价外协队伍能力的重要指标,以下是评价标准:- 表现优秀:与团队成员密切合作,遵守工作规划,能够与团队成员共同面对压力,在协助他人完成任务的同时成功完成自己的任务;- 表现良好:能够解决工作组内小问题,遵守工作规划,承担分配任务,但在面对大型值得难题时难以做出贡献;- 表现一般:工作缺乏条理性,很难承担一定的责任,对于项目进展提供的帮助相对较少;- 表现差:不遵守工作规定,不能适应团队工作,成为项目上的负担。
总结通过以上三个方面的评价,我们可以更准确地评估外协装配队伍的能力,对于一些优秀的队伍,有可能会及时予以表扬激励,而对于一些表现较差的队伍,则需要反馈问题并且进一步优化管理以提高工作效率和质量。
服装厂外协工厂评审表企业名称:企业注册名称:详细地址:评审日期:年月日生产进度日报表本年度累计生产:统计日期:制表:生产作业计划与控制表款号:单号:日期:缝制生产作业通知单注:1.一共4联,分为调度留存、辅料裁片、小组留存。
2.调度填写。
缝制车间各组完成情况汇总日报表注:该表由面料库保管,每次发货后半小时内填写,次月5日前交档案室。
注:该表由面料库保管,每次收货后半小时内填写,次月5日前交档案室。
注:该表由面料库保管,每次退货后半小时内填写,次月5日前交档案室。
裁片交接记录表注:签收栏由收裁片的小组组长填写,次月5日前交生产部。
裁床记录单裁断主管:核料员:收发:主裁:注:1.该记录单为每床一份。
2.由主裁填写后交裁片收发交裁断主管。
3.该单每月5日前由裁断主管交档案室。
(1)床号:裁床的顺序号。
(2)款号:由生产计划通知单而定。
(3)单号:根据生产计划通知单而定。
(4)品名:根据生产计划通知单确定。
(5)完工数为实际下半年的数量。
(6)原料名称:根据生产计划通知单确定。
(7)电脑皮利用率:根据画皮上标识而定。
(8)皮长:根据画皮上标识而定。
(9)皮宽:根据画皮上标识而定。
(10)板长:实际辅料长度。
(11)领料尺码:每匹布料的标识尺度。
(12)序号:由下而上辅料每匹的顺序号。
(13)色号:由生产计划通知单而定。
(14)规格层数:服装的型号/每匹布辅料层数。
(15)余料:每匹布辅料完毕不够1层长度的余料长度。
(16)用料:耗用面料长度=层数*板长。
(17)短码:领料尺码-用料-余料。
(18)幅宽:每匹布的实际幅度。
面、里、衬料的成本核算表生产通知单号: 日期:2.余料包括退回仓库及配片室的数量。
3.短码=领料数*短码率短码率见验布员的里、面、衬质量抽检报告单。
4.实际总用料=铺料长度*层数 5.画皮利用率见画皮上注示。
6.画皮面积=画皮长*画皮宽7.裁片净面积=画皮面积*画皮利用率8.毛利用率=铺料长度幅宽裁片净面积* 9.实际利用率=配片用量层数铺料长度幅宽实裁数裁片净面积 ***10.配片用量及实际利用率由核料员在该单生产完成后4h 内,将数据报核算科及财务科。
外协加工商考核评分表
供方的基本信息
评审的具体项目及条件
说明
无营业执照的单位不得进入评审范围。
评分计算方式:乂=实际评审各项得分总和/理论评审各项得分总和X100%
等级:综合等级评定,采用100分制综合评分的考评办法,划分为4个等级
优(综合分数90分-100分)为优秀外协单位。
良(综合分数8-0分-90分)为合格外协单位。
中(综合分数70分-80分)为不合格外协单位,次要问题改善后仍可评为合格外协单位。
差(综合分数在70分以下)淘汰,不在考虑入选我司的外协厂。
审核的项目及得分
基本情况(共15分)
配合程度(共20分)
品质控制(共30分)
车间综合评审(共35 分)
综合得分。
供应商现场考察和评审表
第二部分:设备配置及管理
第三部分:规模、产能及交货管理
第四部分:环境物质管理要求
质量体系现场评审评分说明
1. 对供应商的现场评审评分方法实行单元化考核,共包含4个大项目14个单元。
根据供应商供应物料类型的不同,分配不同范围的评审项目,
2. 评审过程中对单元中各项或部分选项比对供应商现状进行区分打分,分为五个等级,如果某项目不适合该供应商。
各单元评分后再根据相应
权重计算总体得分。
3. 评分时采用等级评定法,评审人员根据每项的执行程度决定分值,参考依据如下表:
S1=╳ 100 ╳ 权重40% 〕 S2=〔 ╳ 100 ╳ 权重15% 〕 S3=╳ 100 ╳ 权重20% 〕╳ 100 ╳ 权重10% 〕
〔 ╳ 100 ╳ 权重15% 〕
最终得分S = S1+S2+S3+S4+S5
∑(1-11)单元得分 ∑12单元得分
∑15单元得分。
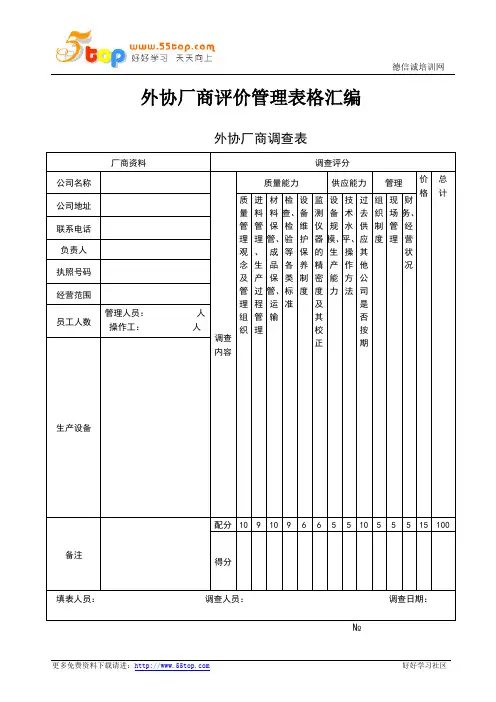
外协厂商评价管理表格汇编外协厂商调查表外协厂商质量管理检查表□原料供应商№:外包厂商資料1.厂商名称:2.负责人姓名:3.成立时间:4.工厂登记证号码: ( 附影印本)营业登记证号码: ( 附影印本)公司执照号码: ( 附影印本)5.厂商地址: ( 附影印本)6.厂商所在地位置图:7.资本额:8.过去三年营业额:去年:前年:大前年:9.主要产品或服务:10.主要客户:11.质量体系:已验证通过的第三方审核:(附证书影印本)品质政策:品保架构:12.现有人力:直接人员(作业员) : 人品管人员: 人工程人员: 人其它间接人员: 人总计: 人其中与本公司产品有关:直接人员(作业员) : 人品管人员: 人工程人员: 人其它间接人员: 人总计: 人13.人力扩充计划:14.工厂面积:生产线面积: 平方米工程品管面积: 平方米库房面积: 平方米办公室面积: 平方米总计: 平方米厂房外面积: 平方米其中与本公司产品有关生产线面积: 平方米工程品管面积: 平方米库房面积: 平方米办公室面积: 平方米总计: 平方米15.厂房扩充计划:16.管理人员、作业人员学经历:其中与本公司产品有关:关键管理、技术、作业岗位需附详情。
17.厂商人员组织架构及各部门功能:其中与本公司产品有关:18.外包厂商所有生产、检测、试验设备明细:设备名称厂牌规格数量用途购置时间其中可用于我公司产品生产、检测、试验设备明细:(按工序分别列出)设备名称厂牌规格数量用途购置时间19.与我方产品有关的管理、作业文件明细及内容20.外包厂生产安全管制措施生产线周边装置检验、试验设备外包厂商审核表厂商名称: 审核日期: 审核人員:说明:1.审核项目共60项合格项,不合格项。
2.审核后扣除不适用,并以100分制均分各ITEM内单项比重。
3.SURVEY 合格分数:60分4.本审核表共15项,仅供内部使用,请勿提供给厂商。
外协加工商审查记录表表单编号: AQ2B-03-R001(V01) 记录序厂商名称:成即刻间:公司性质:公司法人:生产经营范围: 合作项目:合作时间: 评鉴时间:查核部门:参加人员:1. 评鉴方法:1. 评鉴方法﹕评鉴是按下边的评鉴检查表中所列项目﹐分为5个等级做出评论﹐按相应标准给出实得分数。
以各项评鉴内容评论﹐再以总实得分数与总评论分数对比﹐给出评论分数。
被评公司没有的项目可不做评论﹐并将其从总评论分数中扣除。
( 比如﹕所有项目 100 项﹐分数为 500分.)2. 评论标准﹕评论分数评价标准5分能严格依照标准﹑规定要务实行﹑运转。
4分有实质运转﹐但未完整切合标准要求﹐或有标准规定但未实行。
3分现未能完整按标准规定实行﹐但此后有可能会履行。
2分有计划﹑规定﹐但未实行﹐或计划内容不尽完美。
1分未能正确应答﹐或未见有实行运用的迹象和凭证。
3. 审查检查表:项序评鉴内容目号1 对资料保留限时及储藏环境能否有明确规定?2 对资料的搬运,寄存方式能否有明确规定?3 对库房人员上岗所需的训练能否有明确的规定?4 库房人员对 TSP供给资料标示的意义能否清楚认识?5 库房主要人员能否会应用 SAP系统?能否经过培训?仓6 库房环境可否知足 7S的要求?7 库房分区能否明确,并可有效区分开绝良品与不良品?库管 8 库房环境可否保证资料质量?制9 危险品能否履行隔绝?能否有足够的消防举措?能10 能否认期对库房物料进行内部清点?(需有物料卡证明)力11 资料摆放能否规定摆放高度和方式 ?( 能否可裸漏在外)12搬运资料的设施可否保证资料不受损失?13对TSP要求回收的原资料包装箱能否准时回收?14能否有产品和资料裝卸 , 储藏 , 包装及出货程序?15能否有安全的储藏区保证未能实时送货的成品能够安全寄存不受损害?16所有资料领料能否按先进先出原则进行?生 17 能否按客户订单如期交货?产18 能否每个月按客户订单排出生产计划并履行之?交19 当生产计划因故不可以履行﹐能否有改正计划的有关规定?期管 20 对交期延迟能否有事先与客户交流的制度规定?理21 在质量异样时有无紧迫应付举措保证交期?生 22 生产作业人员能否经培训上岗 ?有无有关证件?理产 23 对于生产作业人员能否采纳举措根绝人为不良(如相应的评分规则,奖罚举措)管24 生产作业人员流动率能否过大?月流失率能否高出7%?评论分数设定实质评分得分555555555555555555555555不切合内容记录评鉴(当评分≦ 3分部门时)生产25 能否有首件确认?并有定义明确确实认的机遇(新机型导入/ 新PO生产等) 526 首件确认的权限能否有明确的规范? 527 首件检查的项目能否足够,或依照顾客要求? 528 IPQC能否认时或定量进行抽验?对查验要点在现场能否有明确注明? 529 查验员对仪器的使用能否娴熟,及拥有足够的量测能力? 5生30 现场能否有有效的地区区分? ( 良品及不良品和半成品 ) 半成品的摆放方式能否规范5 化?产31 对不合格的表记﹑隔绝和处理能否有明确规定并履行? 5制程32 假如不良率超出限度能否有明确的停线标准及相应的改良举措? 5控33 对产品的流程能否有足够的标示保证每一道需要的工序均被达成? 5制34 产品标示能否有较强的追忆性? 5能力35 现场重工或不良产品IPQC有无作确认标示记录, 办理能否实时合理有效? 536 作业人员能否受过足够训练?作业人员能否会正确使用设施 , 对操作规范能否明确? 537 产品过程转移,物件原资料周转能否明确包装方式? 538 包装作业能否有作业指导书 ? 作业指导书内容能否详细明确注明自检要点? 539 包装前能否对产品作有效的洁净以保证质量? 540 包装作业可否有效防备混料?对于漏配件能否有管理举措及有关记录? 5生产部评鉴得分共计:1 能否有独立的技朮管理部门和完美的技朮管理制度? 52 从事技朮岗位工作人员能否均有大﹑中专以上学历? 5技 3 可否实时拟订出产品生产所需的各样技朮文件? 5朮 4 技朮文件对工序生产控制数目及要分能否提出明确要求? 5控5 技朮文件对生产设施﹑工具﹑治具的控制能否有明确要求? 5制6 技朮文件的拟订﹑审查﹑改正﹑刊行﹑保留能否有明确规定? 5能力7 TSP发出的技术改正文件可否实时传达给生产等有关部门? 58 对T SP新产品 / 新机型的导入生产能否有明确的程序规定并仔细履行? 59 能否有明确的作业指导书?并保证现场为最新有效版本? 510 对于生产中发现的异样能否有技术人员进行跟进剖析? 5过11 技术人员能否能够跟 TSP有关人员进行有效交流?出现异样时可否实时反应保证问题得5程到解决控12 生产中出现判断标准不一致时技术人员可否制作限度样品并作表记指导产线生产? 5制13 针对机器,治具和标准样品能否有全面的預防性保护计划和更新记录? 5能力14 技术人员能否能够参加新产品及 PO首件确认流程? 515 技术人员能否参加客户投诉办理?并采纳举措根绝再发? 516 生产设施精度和产能能否知足本公司需要? 517 生产设施能否如期进行分检和保护? 518 设施能否认期养护、保护? 5设19 各样检测仪器能否有台帐? 5备20 各样检测仪器能否有校准计划并如期校准? 5仪21 校准的质量仪器能否拥有校准证书? 5器22 测试仪器能否有特意计量人员管理? 523 测试仪器工作环境能否切合规定要求? 524 能否有成立适合的方法储藏量测设施 , 治具 , 工具 . ? 5工程部评鉴得分共计:生产工程1 能否拟订有对于生产﹑设施﹑采买﹑人事﹑技朮﹑总务﹑财务各方面的管理制度? 5公2 能否经过 ISO9001、CQC、TS16949等有关质量系统认证?(一项或多项) 53 对职工能否有分层次的培训? 5司体 4 能否保持正确的培训记录?能否有相应的查核记录? 5系5 能否拟订有详细的“ 7S”分检评选规定﹐并如期分检? 56 高层管理能否认期招集开会解决生产及品责问题? 57 能否有质量管理系统架构图? 5质8 各质量有关责任部门和人员职责和权限能否明确? 5量9 QA人员能否经培训合格才能上岗? 5控10 有无实行首件查验合格后方可生产的管理制度? 5制11 高层管理能否参加质量控制? 5能力12 有无实行 LOT.NO:管理 , 产品的表记和可追忆性怎样? 513 有无利用如 QC七大手法, SPC等统计技术来监督和丈量各过程? 5纠14 对不良品的处理能否有明确的程序规定? 5正15 对不良品可否进行原由剖析并拟订纠正举措? 5与16 对于查验出的不良能否有报表统计﹖ 5预防17 对于查验出的不良现象能否有相应的改良动作﹖ 5纠18 对于查验出的不良品能否有效管束并妥当办理? 519 针对不良管理 , 能否有术语或不良代码定义和记录? 5 质量正与20 能否有针对制程中的不良开纠正预防举措办理单? 5预21 改良举措能否有包含長期 / 短期预防举措?能否经过审批后刊行? 5防22 改良举措能否能有效的管控预防近似不良?当履行力达不到时,能否有采纳行动? 5记23 能否有质量记录文件管控程序? 5质量记录能否有表记,编入引索 , 存档 , 采集起來 , 储藏 , 保护及那些过期的文件能否录24 5有办理?25 内部 QA抽检批退时 , 能否将信息传达到各个部门? 526 质检人员能否受过足够的训练?质检人员对查验规范及要点能否清楚? 5检27 信任性实验(各样靠谱性)能否有履行 ?有充足设施吗? 5验28 成品能否做到所有查验项目合格后才能出厂? 529 半成品﹑成品查验能否均有查验 SOP? 530 产品判断和允收水平 AQL能否依照顾客要求? 531 针对客户退货 / 拒收 , 能否有采纳适合的改良和预防举措除去实质或潜伏的不良? 5客32 客户反应之异样能否传达至內部有关人员&部门? 533 客户反应之异样能否进行正确的统计&剖析,并进行有效的改良对策预防再发生? 5诉处34 能否明确设定了客诉的管理部门和程序? 5理35 对客诉能否能实时剖析原由﹐拟订纠正举措回馈客户? 536 对客诉纠正举措的实行政策能否有追踪考证管理? 5质量部评鉴得分共计:4.评分计算、评定标准与评定等级:4.2. 评定标评鉴总分数评定等级控制管理要求80~100 A 列为合格加工商﹐能够进行批量加工合作。
供应商质量管理体系考察报告供应商名称:主要业务:地点:联系人:电话:传真:拟制: 审核: 会签:供应商考察---现场审计/自检结果评估表一、评估操作说明1)评分标准按照《供应商现场审计标准I》审核,审核项目可以根据具体情况选择。
2)如果是现场审计,按选择项目打印出相应的《供应商现场审计标准I》,然后逐项审计并打分。
3)如果是供应商自检,则按照《供应商体系自检表》,选择部分或全部进行编辑,编辑完后发电子件发给供应商,然后由逐项自检打分。
4)按《供应商现场审计标准I》得出每项自然分数后,逐个填入《分项评估表》和以下《供应商质量、环境体系审核计算表》,进行总分计算。
5)根据《计算表》数据,拷入到相应的《总评表》中得到总分,或按照总评表计算方法人工计算相应得分。
6)总体评价原则:总体评价原则如下:◆<60分:不合格◆60-79分:合格◆80-90分:良好◆90-100分:优秀二、考察信息1、考察小组成员考察组长:姓名/工号考察成员:姓名1/工号;姓名2/工号;。
2、考察时间:XXXX-XX-XX三、总评表1、本次现场审计结果1、质量体系分项评估供应商质量管理体系考察报告供应商名称:主要业务:地点:联系人:电话:传真:拟制: 审核: 会签: 供应商考察---现场审计/自检结果评估表一、评估操作说明1)评分标准按照《供应商现场审计标准I》审核,审核项目可以根据具体情况选择。
2)如果是现场审计,按选择项目打印出相应的《供应商现场审计标准I》,然后逐项审计并打分。
3)如果是供应商自检,则按照《供应商体系自检表》,选择部分或全部进行编辑,编辑完后发电子件发给供应商,然后由逐项自检打分。
4)按《供应商现场审计标准I》得出每项自然分数后,逐个填入《分项评估表》和以下《供应商质量、环境体系审核计算表》,进行总分计算。
5)根据《计算表》数据,拷入到相应的《总评表》中得到总分,或按照总评表计算方法人工计算相应得分。
6)总体评价原则:总体评价原则如下:◆<60分:不合格◆60-79分:合格◆80-90分:良好◆90-100分:优秀二、考察信息1、考察小组成员考察组长:姓名/工号考察成员:姓名1/工号;姓名2/工号;。