基于Ansys无比钢外墙的传热系数分析
- 格式:pdf
- 大小:233.55 KB
- 文档页数:4
第一章 简 介一、热分析的目的热分析用于计算一个系统或部件的温度分布及其它热物理参数,如热量的获取或损失、热梯度、热流密度(热通量〕等。
热分析在许多工程应用中扮演重要角色,如内燃机、涡轮机、换热器、管路系统、电子元件等。
二、ANSYS的热分析•在ANSYS/Multiphysics、ANSYS/Mechanical、ANSYS/Thermal、ANSYS/FLOTRAN、ANSYS/ED五种产品中包含热分析功能,其中ANSYS/FLOTRAN不含相变热分析。
•ANSYS热分析基于能量守恒原理的热平衡方程,用有限元法计算各节点的温度,并导出其它热物理参数。
•ANSYS热分析包括热传导、热对流及热辐射三种热传递方式。
此外,还可以分析相变、有内热源、接触热阻等问题。
三、ANSYS 热分析分类•稳态传热:系统的温度场不随时间变化•瞬态传热:系统的温度场随时间明显变化四、耦合分析•热-结构耦合•热-流体耦合•热-电耦合•热-磁耦合•热-电-磁-结构耦合等第二章 基础知识一、符号与单位项目 国际单位英制单位ANSYS 代号长度 m ft 时间 s s 质量 Kg lbm 温度 ℃ o F 力N lbf 能量(热量) J BTU 功率(热流率) W BTU/sec 热流密度 W/m 2 BTU/sec-ft 2 生热速率 W/m 3 BTU/sec-ft 3 导热系数 W/m-℃ BTU/sec-ft-o F KXX 对流系数 W/m 2-℃ BTU/sec-ft 2-o FHF 密度 Kg/m 3 lbm/ft 3 DENS 比热 J/Kg-℃ BTU/lbm-o F C 焓J/m 3BTU/ft 3ENTH二、传热学经典理论回顾热分析遵循热力学第一定律,即能量守恒定律:l对于一个封闭的系统(没有质量的流入或流出〕PE KE U W Q ∆+∆+∆=−式中: Q —— 热量;W —— 作功;∆U ——系统内能; ∆KE ——系统动能; ∆PE ——系统势能;l 对于大多数工程传热问题:0==PE KE ∆∆; l 通常考虑没有做功:0=W , 则:U Q ∆=;l对于稳态热分析:0=∆=U Q ,即流入系统的热量等于流出的热量; l对于瞬态热分析:dtdUq =,即流入或流出的热传递速率q 等于系统内能的变化。
传热学上机实验指导书ANSYS Workbench 热分析基础教程编制:杨润泽汽车工程系热能教研室2012年7月1.大平板一维稳态导热问题1.1. 问题描述长500mm,宽300mm,厚度30mm的大钢板,钢板上下表面的温度分别为200℃和60℃,钢的导热率为30W/(m·K),试分析钢板温度分布和热流密度。
图1-1 大平板一维稳态导热模型1.2. 问题分析该问题为稳态导热问题,分析思路如下:1.选择稳态热分析系统。
2.确定材料参数:稳态导热问题,仅输入平板导热率。
3.【DesignModeler】建立钢板的几何模型。
4.进入【Mechanical】分析程序。
5.网格划分:采用系统默认网格。
6.施加边界条件:钢板上下表面施加温度载荷,四周对称面无热量交换,为绝热边界,系统默认无需输入。
7.设置需要的结果:温度分布和热流密度。
8.求解及结果显示。
1.3. 数值模拟过程1、选择稳态热分析系统1)工程图解中调入稳态热分析系统Steady-State Thermal(ANSYS)2)工程命名Conduction Thermal Analysis3)保存工程名为Conduction Heat Transfer2、确定材料参数1)编辑工程数据模型,添加材料的导热率,右击鼠标选择【Engineering Data】【Edit】2)选择钢材料属性【Properties of Outline Row 3: Structure Steel】【Isotropic ThermalConductivity】3)出现【Table of Properties Row 2: Thermal Conductivity】材料属性表,双击鼠标,点击每个区域输入材料属性参数:温度20℃,导热率30W/(m·℃)。
4)参数输完后,工程数据表显示导热率-温度图表。
3、DM建立模型1)选择【Geometry】【New Geometry】,出现【DesignModeler】程序窗口,选择尺寸单位【Millimeter】。
文档收集于互联网,已重新整理排版.word版本可编辑.欢迎下载支持. 6-1•本章练习稳态热分析的模拟,包括:A. 几何模型B. 组件-实体接触C. 热载荷D. 求解选项E. 结果和后处理F. 作业6.1• 本节描述的应用一般都能在ANSYS DesignSpace Entra或更高版本中使用,除了ANSYS Structural• 提示:在ANSYS 热分析的培训中包含了包括热瞬态分析的高级分析K T T= Q T –在稳态分析中不考虑瞬态影响–[K] 可以是一个常量或是温度的函数–{Q}可以是一个常量或是温度的函数•上述方程基于傅里叶定律:• 固体内部的热流(Fourier’s Law)是[K]的基础;• 热通量、热流率、以及对流在{Q} 为边界条件;•对流被处理成边界条件,虽然对流换热系数可能与温度相关•在模拟时,记住这些假设对热分析是很重要的。
•热分析里所有实体类都被约束:–体、面、线•线实体的截面和轴向在D esignModeler中定义• 热分析里不可以使用点质量(Point Mass)的特性•壳体和线体假设:–壳体:没有厚度方向上的温度梯度–线体:没有厚度变化,假设在截面上是一个常量温度• 但在线实体的轴向仍有温度变化•唯一需要的材料特性是导热性(Thermal Conductivity)•Thermal Conductivity在Engineering Data 中输入•温度相关的导热性以表格形式输入若存在任何的温度相关的材料特性,就将导致非线性求解。
•对于结构分析,接触域是自动生成的,用于激活各部件间的热传导–如果部件间初始就已经接触,那么就会出现热传导。
–如果部件间初始就没有接触,那么就不会发生热传导(见下面对pinball的解释)。
–总结:–Pinball区域决定了什么时候发生接触,并且是自动定义的,同时还给了一个相对较小的值来适应模型里的小间距。
•如果接触是Bonded(绑定的)或no separation(无分离的),那么当面出现在pinball radius内时就会发生热传导(绿色实线表示)。
一个玻璃钢外壳ANSYS热应力分析的命令流/filname,test1 !定义分析名称/title,this is a plane thermal analysis abort test1 !定义标题/prep7 !进入前处理et,1,plane55 !设置单元类型mp,kxx,1,0.4 !定义玻璃钢的导热系数k,1,0,0.021,0 !创建关键点k,2,0.0793,0.021,0k,3,0.0793,0.027,0k,4,0.0553,0.027,0k,5,0.0553,0.0317,0k,6,0.0647,0.041,0k,7,0.0793,0.041,0k,8,0.0793,0.045,0k,9,0,0.045,0k,10,0,0,0k,11,0.1,0,0a,1,2,3,4,5,6,7,8,9, !由关键点生成面aesize,1,0.002 !设置网络划分数量amesh,all !划分网络/solu !进入求解器antype,static !设置为稳态分析dl,8,1,temp,175,0 !给编号为8的线上施加175度的栽荷lsel,s,loc,y,0,0.044 !选择除8号线外其它的所有的线(通过坐标)dl,all,1,temp,30,0 !施加30度的边界条件allsel,all !选择所有outpr,basic,all !控制输出文件类型solve !求解finish/prep7etchg,tts !转换单无,由热——结构mp,ex,1,2.1e10 !定义弹性模量mp,prxy,1,0.3 !定义泊松比mp,alpx,1,1.3e-5 !定义玻璃钢的线膨胀系数/solu !进入求解器antype,staticlsel,s,loc,x,0.02,0.079lsel,r,loc,y,0,0.044dl,all,,ux,0dl,all,,uy,0allsel,alldl,2,1,symmdl,7,1,symmdl,9,1,symmsfl,8,pres,140,0 tunif,30 ldread,temp,,,,,,rth solve finish。
A N S Y S热分析详解解析-CAL-FENGHAI-(2020YEAR-YICAI)_JINGBIAN第一章简介一、热分析的目的热分析用于计算一个系统或部件的温度分布及其它热物理参数,如热量的获取或损失、热梯度、热流密度(热通量〕等。
热分析在许多工程应用中扮演重要角色,如内燃机、涡轮机、换热器、管路系统、电子元件等。
二、ANSYS的热分析在ANSYS/Multiphysics、ANSYS/Mechanical、ANSYS/Thermal、ANSYS/FLOTRAN、ANSYS/ED五种产品中包含热分析功能,其中ANSYS/FLOTRAN不含相变热分析。
ANSYS热分析基于能量守恒原理的热平衡方程,用有限元法计算各节点的温度,并导出其它热物理参数。
ANSYS热分析包括热传导、热对流及热辐射三种热传递方式。
此外,还可以分析相变、有内热源、接触热阻等问题。
三、ANSYS 热分析分类稳态传热:系统的温度场不随时间变化瞬态传热:系统的温度场随时间明显变化四、耦合分析热-结构耦合热-流体耦合热-电耦合热-磁耦合热-电-磁-结构耦合等第二章基础知识一、符号与单位W/m 2-℃二、传热学经典理论回顾热分析遵循热力学第一定律,即能量守恒定律:●对于一个封闭的系统(没有质量的流入或流出〕PE KE U W Q ∆+∆+∆=-式中: Q —— 热量;W —— 作功;∆U ——系统内能; ∆KE ——系统动能; ∆PE ——系统势能;● 对于大多数工程传热问题:0==PE KE ∆∆; ● 通常考虑没有做功:0=W , 则:U Q ∆=;●对于稳态热分析:0=∆=U Q ,即流入系统的热量等于流出的热量; ●对于瞬态热分析:dtdUq =,即流入或流出的热传递速率q 等于系统内能的变化。
三、热传递的方式1、热传导热传导可以定义为完全接触的两个物体之间或一个物体的不同部分之间由于温度梯度而引起的内能的交换。
热传导遵循付里叶定律:dxdT kq -='',式中''q 为热流密度(W/m 2),k 为导热系数(W/m-℃),“-”表示热量流向温度降低的方向。
基于Ansys的热流墙体传热系数检测的研究一、内容概要随着科技的发展,人们对于建筑节能的需求越来越高。
墙体作为建筑物的重要组成部分,其传热系数的检测对于提高建筑节能效果具有重要意义。
本文主要研究了基于Ansys的热流墙体传热系数检测方法,旨在为建筑墙体设计和施工提供有效的检测手段。
首先我们分析了墙体传热系数检测的重要性,在建筑行业中,能耗问题一直备受关注,而墙体作为建筑物的主要保温结构,其传热系数的准确测量对于评估建筑能耗具有重要作用。
通过使用Ansys软件,我们可以模拟墙体的热流分布,从而更准确地测量墙体的传热系数。
接下来我们详细介绍了基于Ansys的热流墙体传热系数检测方法。
首先我们需要建立墙体的几何模型和物理模型,然后使用Ansys 软件进行数值模拟。
通过调整模型参数,我们可以模拟不同工况下的墙体热流分布。
根据模拟结果计算出墙体的传热系数。
为了验证所提出的方法的有效性,我们选取了一组实际建筑墙体进行了实验。
通过对实验数据的分析,我们发现所提方法能够较好地反映墙体的实际传热情况,具有较高的准确性和可靠性。
A. 研究背景和意义随着科技的发展,人们对建筑物的节能性能要求越来越高。
墙体作为建筑物的重要组成部分,其传热系数的检测对于提高建筑物的节能性能具有重要意义。
然而传统的墙体传热系数检测方法存在一定的局限性,如检测精度较低、检测时间较长等。
因此研究一种高效、准确、快速的墙体传热系数检测方法具有重要的理论和现实意义。
基于Ansys的热流墙体传热系数检测方法的研究,不仅可以提高墙体传热系数检测的准确性和效率,还可以为建筑物的设计和节能提供有力的技术支持。
这对于推动我国建筑行业的技术进步和可持续发展具有重要的意义。
B. 国内外研究现状随着科技的不断发展,热流墙体传热系数检测方法也在不断地完善和创新。
在国外尤其是欧美国家,热流墙体传热系数检测技术已经非常成熟,广泛应用于建筑节能、空调系统设计等领域。
这些国家的研究机构和企业通过长期的研究和实践,积累了丰富的经验和技术,形成了一系列具有代表性的检测方法和设备。
ANSYS基础教程—热分析关键字:ANSYS ANSYS教程ANSYS热分析信息化调查找茬投稿收藏评论好文推荐打印社区分享本文简述了进行稳态热分析的过程.有两方面的目的:重申第4章所介绍的典型分析步骤;介绍热荷载与边界条件.包括的主题有:概述、分析过程、专题讨论。
A. 概述·热分析用于确定结构中温度分布、温度梯度、热流以及其它类似的量.·热分析可能是稳态的或瞬态的.–稳态是指荷载条件已被“设置”成稳定状态,几乎不随时间变化. 如: 铁获得了预先设置的温度.–瞬态* 指条件随时间变化而变化. 如: 铸造中金属从熔融状态变为固态的冷却过程.·热荷载条件可能是:温度模型区温度已知.对流表面的热传递给周围的流体通过对流。
输入对流换热系数h和环境流体的平均温度Tb热通量* 单位面积上的热流率已知的面.热流率* 热流率已知的点.热生成率* 体的生热率已知的区域.热辐射* 通过辐射产生热传递的面. 输入辐射系数, Stefan-Boltzmann常数, “空间节点”的温度作为可选项输入.绝热面“完全绝热”面,该面上不发生热传递.B. 分析过程·稳态热分析过程和静力分析类似:–分析过程·几何尺寸(模型)·划分网格–求解·荷载条件·求解–后处理·查看结果·检查结果是否正确·通过(Main Menu > Preferences)把图形用户界面的优先级设置成热分析. 前处理几何尺寸(模型)·既可用ANSYS建立模型,也可用其它方法建好模型后导入.·模型建好后,以上两种建模方法的具体过程将不再显示.-划分网格·首先定义单元属性: 单元类型, 实常数, 材料属性.-单元类型·下表给出了常用的热单元类型.·每个结点只有一个自由度: 温度常用的热单元类型-材料属性–必须输入导热系数, KXX.–如果施加了内部热生成率,则需指定比热(C).–ANSYS提供的材料库(/ansys57/matlib)包括几种常用材料的结构属性和热属性, 但是建议用户创建、使用自己的材料库.–把优先设置为“热分析”,使材料模型图形用户界面只显示材料的热属性.-实常数–主要应用于壳单元和线单元.·划分网格.–存储数据文件.–使用MeshTool划分网格. 使用缺省的智能网格划分级别6可以生成很好的初始网格.·至此完成前处理,下面开始求解.求解荷载·指定的温度–热分析的自由度约束–Solution > -Loads-Apply > Temperature–或D命令系列(DA, DL, D)·热流–这些是面荷载–Solution > -Loads-Apply > Convection–或SF命令系列(SFA, SFL, SF, SFE)·绝热面–“完全绝热”面,该面上不发生热传递.–这是缺省条件, 如,没有指定边界条件的任何一个面都被自动作为绝热面处理.·其它可能的热荷载:–热通量(BTU / (hr-in2)–热流(BTU / hr)–热生成率(BTU / (hr-in3)–热辐射(BTU / hr)求解·首先存储数据库文件.·然后输入SOLVE命令或点击菜单Solution > -Solve-Current LS.–结果被写入结果文件, jobname.rth, 该结果文件同时也写入内存中的数据库文件.·至此完成求解过程. 下面进入后处理部分.后处理查看结果·典型的等值线绘图包括温度等值线,温度梯度等值线和热通量等值线–General Postproc> Plot Results > Nodal Solu…(或Element Solu…)–或用PLNSOL(或PLESOL)·对3-D 实体模型绘制云图时,选项isosurfaces(等值面)是非常有用的. 用/CTYPE命令或Utility Menu > PlotCtrls> Style > Contours > Contour Style.·检查结果是否正确·温度是否在预期的范围内?–在指定温度和热流边界的基础上,估计预期的范围.·网格大小是否满足精度?–和受力分析一样,可以画出非均匀分布的温度梯度(单元解) 并找出高梯度的单元. 这些区域可作为重新定义网格时的参考.–若节点温度梯度(平均的)和单元温度梯度(非平均的)之间的差别很大,则可能是网格划分太粗糙.。
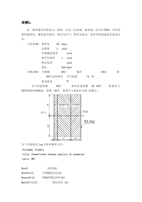
实例1:某一潜水艇可以简化为一圆筒,它由三层组成,最外面一层为不锈钢,中间为玻纤隔热层,最里面为铝层,筒内为空气,筒外为海水,求内外壁面温度及温度分布。
几何参数:筒外径30 feet总壁厚2 inch不锈钢层壁厚0.75inch玻纤层壁厚 1 inch铝层壁厚0.25i nch筒长200 feet导热系数不锈钢8.27BTU/hr.ft. o F玻纤0.028 BTU/hr.ft. o F铝117.4 BTU/hr.ft. o F边界条件空气温度70 o F海水温度44.5 o F空气对流系数2.5 BTU/hr.ft 2.0F海水对流系数80 BTU/hr.ft 2.o F沿垂直于圆筒轴线作横截面,得到一圆环,取其中1度进行分析,如图示。
空气'玻璃纤维、1*:不锈钢:3/+M海水R15 feet/filename ,Steady1 /title ,Steady-state thermal analysis of submarine /units ,BFT Ro=15 !外径(ft)Rss=15-(0.75/12) ! 不锈钢层内径ft) Rins=15-(1.75/12) ! 玻璃纤维层内径(ft) Ral=15-(2/12) ! 铝层内径(ft) Tair=70 ! 潜水艇内空气温度Tsea=44.5 !海水温度Kss=8.27 ! 不锈钢的导热系数(BTU/hr.ft.oF) Kins=0.028 ! 玻璃纤维的导热系数(BTU/hr.ft.oF)Kal=117.4 ! 铝的导热系数(BTU/hr.ft.oF) Hair=2.5 ! 空气的对流系数(BTU/hr.ft2.oF) Hsea=80 ! 海水的对流系数(BTU/hr.ft2.oF) prep7et,1,plane55 !定义二维热单元mp,kxx ,1,Kss !设定不锈钢的导热系数mp,kxx ,2,Kins !设定玻璃纤维的导热系数mp,kxx ,3,Kal !设定铝的导热系数pcirc,Ro,Rss,-0.5,0.5 !创建几何模型pcirc ,Rss,Rins ,-0.5 ,0.5 pcirc ,Rins,Ral,-0.5 ,0.5 aglue,all numcmp,area lesize,1,,,16 !设定划分网格密度lesize,4,,,4 lesize,14,,,5 lesize,16,,,2 Mshape,2 ! 设定为映射网格划分mat,1 amesh,1 mat,2 amesh,2 mat,3 amesh,3 /SOLUSFL,11,CONV ,HAIR ,,TAIR ! 施加空气对流边界SFL,1,CONV ,HSEA ,,TSEA !施加海水对流边界SOLVE /POST1PLNSOL !输出温度彩色云图finish实例2一圆筒形的罐有一接管,罐外径为 3英尺,壁厚为0.2英尺,接管外径为0.5英尺,壁厚为0.1英尺,罐与接管的轴线垂直且接管远离罐的端部。
实例1:某一潜水艇可以简化为一圆筒,它由三层组成,最外面一层为不锈钢,中间为玻纤隔热层,最里面为铝层,筒内为空气,筒外为海水,求内外壁面温度及温度分布。
几何参数:筒外径30 feet总壁厚 2 inch不锈钢层壁厚inch玻纤层壁厚 1 inch铝层壁厚inch筒长200 feet导热系数不锈钢BTU/ 玻纤BTU/ 铝BTU/边界条件空气温度70 o F海水温度o F空气对流系数BTU/ 海水对流系数80 BTU/沿垂直于圆筒轴线作横截面,得到一圆环,取其中1度进行分析,如图示。
以下分别列出log文件和菜单文件。
/filename, Steady1/title, Steady-state thermal analysis of submarine/units, BFTRo=15 !外径(ft)Rss=15-12) !不锈钢层内径ft)Rins=15-12) !玻璃纤维层内径(ft)Ral=15-(2/12) !铝层内径 (ft)Tair=70 !潜水艇内空气温度Tsea= !海水温度Kss= !不锈钢的导热系数 (BTU/ !玻璃纤维的导热系数 (BTU/ !铝的导热系数(BTU/ !空气的对流系数(BTU/ !海水的对流系数(BTU/ !定义二维热单元mp,kxx,1,Kss !设定不锈钢的导热系数mp,kxx,2,Kins !设定玻璃纤维的导热系数mp,kxx,3,Kal !设定铝的导热系数pcirc,Ro,Rss,, !创建几何模型pcirc,Rss,Rins,,pcirc,Rins,Ral,,aglue,allnumcmp,arealesize,1,,,16 !设定划分网格密度lesize,4,,,4lesize,14,,,5lesize,16,,,2eshape,2 !设定为映射网格划分mat,1amesh,1mat,2amesh,2mat,3amesh,3/SOLUSFL,11,CONV,HAIR,,TAIR !施加空气对流边界SFL,1,CONV,HSEA,,TSEA !施加海水对流边界SOLVE/POST1PLNSOL !输出温度彩色云图finish菜单操作:1.U tility Menu>File>change jobename, 输入Steady1;2.U tility Menu>File>change title,输入Steady-state thermal analysis ofsubmarine;3.在命令行输入:/units, BFT;4.M ain Menu: Preprocessor;5.M ain Menu: Preprocessor>Element Type>Add/Edit/Delete,选择PLANE55;6.M ain Menu: Preprocessor>Material Prop>-Constant-Isotropic,默认材料编号为1,在KXX框中输入,选择APPLY,输入材料编号为2,在KXX框中输入,选择APPLY,输入材料编号为3,在KXX框中输入;7.M ain Menu: Preprocessor>-Modeling->Create>-Areas-Circle>By Dimensions ,在RAD1中输入15,在RAD2中输入15-(.75/12),在THERA1中输入,在THERA2中输入,选择APPLY,在RAD1中输入15-(.75/12),在RAD2中输入15-12),选择APPLY,在RAD1中输入15-12),在RAD2中输入15-2/12,选择OK;8.M ain Menu: Preprocessor>-Modeling->Operate>-Booleane->Glue>Area,选择PICK ALL;9.M ain Menu: Preprocessor>-Meshing-Size Contrls>-Lines-Picked Lines,选择不锈钢层短边,在NDIV框中输入4,选择APPLY,选择玻璃纤维层的短边,在NDIV框中输入5,选择APPLY,选择铝层的短边,在NDIV框中输入2,选择APPLY,选择四个长边,在NDIV中输入16;10.Main Menu: Preprocessor>-Attributes-Define>Picked Area,选择不锈钢层,在MAT框中输入1,选择APPLY,选择玻璃纤维层,在MAT框中输入2,选择APPLY,选择铝层,在MAT 框中输入3,选择OK;11.Main Menu: Preprocessor>-Meshing-Mesh>-Areas-Mapped>3 or 4 sided,选择PICKALL;12.Main Menu: Solution>-Loads-Apply>-Thermal-Convection>On lines,选择不锈钢外壁,在VALI框中输入80,在VAL2I框中输入,选择APPLY,选择铝层内壁,在VALI框中输入,在VAL2I框中输入70,选择OK;13.Main Menu: Solution>-Solve-Current LS;14.Main Menu: General Postproc>Plot Results>-Contour Plot-Nodal Solu,选择Temperature。
1前言建筑围护结构保温隔热性能的优劣对建筑能耗的影响极为重要,作为建筑围护结构之一的墙体材料(砖、块和板)阻热能力在围护结构保温隔热性能中占有十分重要的地位。
研究墙体材料传、阻热截面的几何形状对墙体传热系数影响的计算方法,随着Ansys 有限元分析技术的不断普及,愈加凸显出这种现代计算技术方法的优越性。
但是,长期以来应用Anasys 研究墙体材料大多局限于二维传、阻热截面的热物性分析,这种二维分析方法最大的局限性就是忽略了砌筑墙体的垂直砂浆缝导热性能对传热系数的影响,只能将水平砂浆缝的导热性能纳入砌筑墙体传热系数的研究范围。
因此,往往与砌筑墙体的实际传、阻热能力存在一定的差距,一般情况下都是通过修正材料的导热系数来校正传热系数的计算结果。
笔者认为,只有应用Anasys 的三维热分析技术原理,才可以避免砌筑墙体二维热分析方法的局限性,因为三维热分析技术是综合考虑了水平和垂直砂浆缝对墙体的传、阻热能力的影响,较为符合砌筑墙体传阻热的实际工况。
当砌筑墙体材料的导热系数能够真实反映其热物性特征时,采用Ansys 三维热稳态分析方法进行砌筑墙体的传热系数计算,由于Ansys 有限元分析的计算精度高,尤其适用于具有复杂孔型布置结构的烧结砖砌体,完全有条件作为判定砌筑墙体传热的重要工具。
因此,与砌筑墙体传热系数的试验检测方法相比较,将会节约检测周期和必要的人力、物力成本。
2砌筑墙体稳态传热的基本数学模型2.1研究三维砌筑墙体稳态传热的基本假设2.1.1无穷大墙面假设假设图1所示墙面是一张无穷大的砌筑墙面,砌筑墙体Ansys 三维稳态热分析方法刘承(四川省建材工业科学研究院,成都610081)[摘要]籍砌筑墙体有限元数学模型的建模原理以及边界条件的基本假设,以Ansys 三维稳态热分析方法,研究烧结多孔砖砌筑墙体内的热物性指标:温度、温度梯度和热流密度的云图分布形态。
在Ansys 的后处理器中,采用切片分析技术求解热箱和冷箱空气温度等对流热荷载作用下,砌体表面的温度和热流密度的云图分布方式及其在砌体表面的平均值。
钢结构住宅楼外墙围护结构热桥传热分析发表时间:2020-08-20T01:53:07.387Z 来源:《建筑细部》2020年第11期作者:曹猛苏艳芹[导读] 针对优化方案(改变外墙中钢龙骨间距、改变钢龙骨层的保温填充材料、钢龙骨腹板开孔)进行外墙节点处延厚度方向的传热分析,并对模拟结果进行比较分析,阐述优化方案对于削弱外墙中的热桥效应的影响。
山东科技大学土木工程与建筑学院山东青岛 266590摘要:本文介绍了以实测住宅的外墙热桥节点部位为研究对象建立模型,利用ANSYS有限元分析软件,针对优化方案(改变外墙中钢龙骨间距、改变钢龙骨层的保温填充材料、钢龙骨腹板开孔)进行外墙节点处延厚度方向的传热分析,并对模拟结果进行比较分析,阐述优化方案对于削弱外墙中的热桥效应的影响。
关键词:热桥,ANSYS,优化分析1引言热桥的定义为:依据国际标准的定义,建筑围护结构中,某处被另一种不同导热系数的材料完全或部分的穿透,导致该处热阻被明显改变,此部分即称为热桥。
2热桥传热理论通过设定如下假设条件,简化建立外墙的传热模型:①热桥部位为连续介质,且传热方向相同。
(各项同性)②外墙各层的材料的导热系数、比热容、密度等物理、热工参数不随温度发生变化。
③热荷载只存在于沿厚度方向的内外表面,且其换热系数固定,即模型边界条件不变。
根据热力学第一定律与傅里叶导热定律,其传热的数学方程如下:3ANSYS软件在外墙围护结构热桥传热方面介绍ANSYS软件能够根据能量守恒热平衡方程进行有限元分析,对每个节点进行温度有限元计算。
ANSYS热分析主要应用于热传导、对流及热辐射3种传热模式,其计算结果可采用直观、易懂的云图表达。
通过ANSYS有限元分析软件,模拟该建筑外墙围护结构中沿厚度方向的温度分布情况,从而对该外墙体系进行热桥传热研究。
根据外墙中的温度分布云图,可以判断热桥的影响区域、外墙保温性能的好坏,有无结露可能,以此为依据,对其热桥处的构造形式进行优化方案讨论,得出更有效的外墙保温形式。
基于 ANSYS 的管道外自然对流换热系数的确定程宇;张巨伟【摘要】During mass transfer in pipeline,it is needed to analyze the thermal stress caused by temperature gradient and the temperature field distribution of pipelines. However, if the pipe outer wall temperature is unknown, air convection heat transfer coefficient can not be determined only by natural convection heat transfer empirical correlations. So based on the theory of heat transfer,through ANSYS structural thermal analysis, a method to determine the natural convection heat transfer coefficient was put forward. Through the case analysis, the calculation results were compared with the experimental results to determine the feasibility of the method.%管道在进行传质的过程中,需要计算温度梯度引起的热应力,以及管道温度场分布情况,但在管道外壁温度未知的情况下,仅通过自然对流换热经验关联式无法确定空气对流换热系数。
基于传热学的理论,采用 ANSYS 软件进行结构热分析,提出一种精确确定管道外自然对流换热系数的方法。
ANSYS热⼒学分析第⼀章简介⼀、热分析的⽬的热分析⽤于计算⼀个系统或部件的温度分布及其它热物理参数,如热量的获取或损失、热梯度、热流密度(热通量〕等。
热分析在许多⼯程应⽤中扮演重要⾓⾊,如内燃机、涡轮机、换热器、管路系统、电⼦元件等。
⼆、ANSYS的热分析·在ANSYS/Multiphysics 、ANSYS/Mechanical 、ANSYS/Thermal 、ANSYS/FLOTRAN 、ANSYS/ED 五种产品中包含热分析功能,其中ANSYS/FLOTRAN 不含相变热分析。
· ANSYS 热分析基于能量守恒原理的热平衡⽅程,⽤有限元法计算各节点的温度,并导出其它热物理参数。
· ANSYS 热分析包括热传导、热对流及热辐射三种热传递⽅式。
此外,还可以分析相变、有内热源、接触热阻等问题。
三、ANSYS 热分析分类·稳态传热:系统的温度场不随时间变化·瞬态传热:系统的温度场随时间明显变化四、耦合分析·热-结构耦合·热-流体耦合·热-电耦合·热-磁耦合·热-电-磁-结构耦合等第⼆章基础知识⼀、符号与单位项⽬国际单位英制单位 ANSYS 代号长度 m ft时间 s s质量 Kg lbm温度℃ oF⼒ N lbf能量(热量) J BTU功率(热流率) W BTU/sec热流密度 W/m2 BTU/sec-ft2⽣热速率 W/m3 BTU/sec-ft3导热系数 W/m-℃ BTU/sec-ft-oF KXX对流系数 W/m2-℃ BTU/sec-ft2-oF HF密度 Kg/m3 lbm/ft3 DENS⽐热 J/Kg-℃ BTU/lbm-oF C焓 J/m3 BTU/ft3 ENTH⼆、传热学经典理论回顾热分析遵循热⼒学第⼀定律,即能量守恒定律:l 对于⼀个封闭的系统(没有质量的流⼊或流出〕PE KE U W Q D D D = -式中: Q ——热量;W ——作功;DU ——系统内能;DKE——系统动能;DPE ——系统势能;l 对于⼤多数⼯程传热问题: 0 == PE KE D D ;l 通常考虑没有做功: 0 = W , 则: U Q D = ;l 对于稳态热分析: 0 = D = U Q ,即流⼊系统的热量等于流出的热量;l 对于瞬态热分析:dtdU q = ,即流⼊或流出的热传递速率q 等于系统内能的变化。
第32卷 第3期2010年2月武 汉 理 工 大 学 学 报JOURNA L OF WUHAN UNIVERSIT Y OF TECHN OLOG YVol.32 No.3 Feb.2010DOI :10.3963/j.issn.167124431.2010.03.005基于ANSYS 的无比钢外墙的传热系数分析刘 华1,蒋沧如1,宫金明2(1.武汉理工大学土木工程与建筑学院,武汉430070;2.广州空军机场工兵勤务队,广州510630)摘 要: 随着城市发展,建筑能耗将居于社会能源消耗的首位,大力发展节能建筑势在必行。
介绍了一种新型节能建筑技术———无比钢建筑体系,利用ANSYS 有限元分析软件对该体系的墙体进行热传导模拟分析,分别计算了在不同墙体厚度及填充材料的情况下,复合墙体的综合传热系数。
分析结果表明,无比钢复合墙体综合传热系数均小于0.65W/(m 3・K ),符合严寒地区民用建筑节能设计的要求。
关键词: 节能建筑; 无比钢; 热传导分析中图分类号: TU 392.5文献标识码: A文章编号:167124431(2010)0320016204Analysis on H eat 2transfer Coeff icient of Web SteelW all by Using ANSYSL IU Hua 1,Jiang Cang 2ru 1,GON G Ji n 2m i ng2(1.School of Civil Engineering and Architecture ,Wuhan University of Technology ,Wuhan 430070,China ;2.Guangzhou Divforce Air Force Airport Service Unit ,Guangzhou 510630,China )Abstract : With the development of our society ,energy consumption of construction will be topmost of all.It is imperativeto develop energy 2saving constructions rapidly.A new energy 2saving construction technology 2web steel system is introduced.The integrated heat 2transfer coefficient are obtained through analyzing heat conductivity of the composite wall by using ANSYS under the condition of different thickness and different filling materials of the wall.The result indicates that the heat 2transfer coefficient of the composite wall all are smaller than 0.65W/m 3・K and meets the requirements of energy 2saving design of civil buildings in cold regions.K ey w ords : energy 2saving construction ; web steel system ; heat conductivity analysis收稿日期:2009209210.作者简介:刘 华(19852),女,硕士生.E 2mail :liuhua0904@据不完全统计,全世界约30%的能源消耗在建筑物上,在住宅建筑中,外围护结构的热损耗较大[1],同时墙体也占了相当大的比例。
因此,采取相应的措施适当减少建筑物消耗不可再生能源势在必行。
其中,住宅建筑墙体改革与节能技术的发展是住宅建筑节能技术的一个重要环节和主要节能方式。
无比轻钢龙骨体系(Web Light 2G auge steel joist system )是一种新型的钢结构体系,由小桁架等基本单元组合而成,构造复杂,具有重量轻、标准化程度高、空间布置灵活、抗震性能好、可工业化生产、建设周期短、环保节能等特点,近20年来在北美等地区得到了广泛的应用[2],有必要在我国推广使用该类结构。
目前,国内关于无比钢建筑体系围护结构保温性能的研究还很少[3],国外研究者如Barbour 和G oodrow (1995),Mao 和Johannesson (1997),Salonvaara 和Nieminen (1998)等[325],都是针对C 型截面轻钢龙骨墙体的传热性能及其影响因素进行研究,而这种墙体与无比钢墙体有所不同。
采用ANSYS 有限元分析软件的热分析功能,对无比钢外墙体进行热传导模拟,分析了墙体填充材料的热工性能以及龙骨厚度(墙体厚度)对墙体传热系数的影响,并分析了墙体综合传热系数是否满足建筑节能设计的要求,以期为工程实践提供参考。
1 无比钢墙体传热模型1.1 无比钢墙体模型的选取无比钢墙体的建筑做法采用目前实际工程中常见做法(不考虑墙面装饰材料),无比钢外墙在中间夹层内填充岩棉或膨胀珍珠岩,墙体内侧铺石膏板,墙体外侧铺定向刨花板(OSB ),如图1所示。
填充材料岩棉或膨胀珍珠岩、石膏板等均为保温耐火材料,因此使得该墙体具有较好的耐火性能。
无比钢墙体的结构骨架是由冷弯薄壁方钢管,通过V 型连接件空间连接而成的一个空间小桁架。
其中,冷弯薄壁方钢管厚度为0.8~2.0mm ,型号有40mm ×40mm ,40mm ×60mm ,40mm ×80mm ,方钢管长度根据实际情况而定。
V 型连接件厚度不大于方钢管厚度,V 型连接件的间距(连接件中点到中点的距离)不宜大于700mm 。
空间竖向小桁架的间距一般为400~600mm ,因此取计算的墙体单元为600mm 宽,中间为一个竖向小桁架,左右各取桁架间距的一半,墙体高度取为3000mm ,如图2所示。
V 型连接件连接上下矩形管,其空间间距根据具体受力情况而定,该文墙体计算模型中取600mm ,V 型连接件厚度为1.2mm ,上下矩形管取40mm ×40mm 的方钢管,其厚度取为1.5mm ,如图3所示。
该文分别选取了以下4种模型,见表1。
表1 无比钢墙体模型模型墙体构造(由内至外)外墙110mm 厚石膏板150mm 厚龙骨+岩棉10mm 厚OSB 板25mm 厚水泥砂浆外墙210mm 厚石膏板150mm 厚龙骨+膨胀珍珠岩10mm 厚OSB 板25mm 厚水泥砂浆外墙310mm 厚石膏板240mm 厚龙骨+岩棉10mm 厚OSB 板25mm 厚水泥砂浆外墙410mm 厚石膏板240mm 厚龙骨+膨胀珍珠岩10mm 厚OSB 板25mm 厚水泥砂浆1.2 材料参数及相关指标根据《民用建筑热工设计规范》,各建筑材料的导热系数选取[7],见表2。
计算分析过程中,冬季采暖室内计算温度取为18℃,室外计算温度为-26℃,室内外对流换热系数分别取为8.7W/(m 2・K )和23W/(m 2・K )[7],墙体室内外表面给定第3类边界条件,其余部位给定绝热边界条件,按稳态传热分析。
表2 无比钢墙体模型材料参数材料导热系数/[W ・(m ・K )-1]石膏板0.33岩棉(膨胀珍珠岩)0.045(0.07)钢龙骨58.2OSB 板0.17水泥砂浆0.931.3 有限元模型的建立无比钢墙体模型中,无比钢骨架(方钢管+V 型连接件)选用4节点SHELL57单元,其余选用8节点SOL ID70单元模拟。
实体单元与壳体单元的接触部位,由于自由度不协调,因此,定义接触对(目标单元TAR GE170与接触单元CON TA175)以耦合温度自由度。
不考虑各材料间的接触热阻。
划分网格时,V 型连接件形状不规则,对其采用的是自由网格划分,单元大小为10mm 。
对方钢管及其它部分采用的是自定义尺寸的映射网格划分法,单元大小为20mm ,有限元模型如图4所示。
71第32卷 第3期 刘 华,蒋沧如,宫金明:基于ANSYS 的无比钢外墙的传热系数分析 2 墙体模型的导热系数无比钢复合墙体由于其传热具有不连续性,其综合传热系数不能运用热工规范中的外墙平均导热系数的计算公式。
根据热传导基本定律Qt=λA (T 1-T 2)d (T 1>T 2)(1)式中,Q 为时间t 内的热流量;λ为导热系数;T 为温度;A 为与热流方向垂直的传热面积;d 为传热面的厚度。
由此可得出墙体综合导热系数计算公式 λ=q ・d(T 1-T 2)(2)式中,λ为垂直墙体方向的热流密度(单位时间通过单位面积的热流量);d 为复合墙体的厚度;T 1,T 2为复合墙体两侧的温度。
墙体各部分热流密度可以通过ANSYS 计算得到,墙体总的热流通量为各部分之和。
3 计算结果与分析3.1 无比钢墙体的传热系数对表1中的4种墙体模型分别进行计算分析,各墙体模型的温度场分布分别如图5~图8所示。
表3 外墙1的热流密度和墙体综合导热系数外墙1热流密度/(W ・m -2)综合导热系数/[W ・(m ・K )-1]石膏板12.200.121龙骨+岩棉0.1050.121OSB 板1.6320.121水泥砂浆12.1770.121表4 外墙2的热流密度和墙体综合导热系数外墙2热流密度/(W ・m -2)综合导热系数/[(W ・(m ・K )-1]石膏板13.430.137龙骨+膨胀珍珠岩0.1120.137OSB 板2.9580.137水泥砂浆13.4640.137表5 外墙3的热流密度和墙体综合导热系数外墙3热流密度/(W ・m -2)综合导热系数/[W ・(m ・K )-1]石膏板7.850.155龙骨+岩棉0.0620.155OSB 板3.40.155水泥砂浆12.0450.155表6 外墙4的热流密度和墙体综合导热系数外墙4热流密度/(W ・m -2)综合导热系数/[(W ・(m ・K )-1]石膏板8.670.168龙骨+膨胀珍珠岩0.0760.168OSB 板4.420.168水泥砂浆12.0120.168 由以上几种不同情况下的温度场分布图可以看出,当墙体厚度或填充材料改变时,墙体两侧温度传递均会发生变化。
根据式(2)可计算得各模型的综合热传导系数分别见表3~表6。
以上是通过墙体各部分热流密度值计算出的复合墙体综合导热系数。