注水井调剖复习题
- 格式:doc
- 大小:36.00 KB
- 文档页数:3
第六章注水井试配作业一、多项选择题1.要搞好试配,首先要把注水井的层段划分清楚,然后根据注水井和油井连通层渗透率的好坏,合理地确定层段性质。
一般注水层可划分为()三种。
A.非限制层;B.加强层;C.接替层;D.限制层答案:BCD2.试配前井下调查:()。
A.探砂面、冲砂、探人工井底;B.检查套管内径变化;C.射孔质量;D.管外窜槽答案:ABCD3.试配下管柱要求:()。
A.油管螺纹抹上密封脂或厌氧胶等;B.上正扣、上紧扣、上扣扭矩达到标准要求值;C.当油管下到设计深度后,用磁性定位校对下井封隔器深度,达到设计要求后,方可坐井口;D.油管螺纹抹上锂基润滑脂;答案:ABC4.试配组配管柱要求:A.在射孔段顶界以上5~10m处,下保护套管封隔器一级(可洗井型);B.注水管柱使用防腐油管;C.配水器应下至对准油层中部位置;D.封隔器卡点位置不能在炮眼、套管接箍和套管损坏位置;答案:BCD5.注水井作业监督检查是否进行井况调查主要包括:探砂面、()等。
A.冲砂;B.刮削;C.通井;D.验窜答案:ABCD6.试配井作业应检查下井工具是否合格。
按照()认真核对,三者一致时方可施工。
A.使用说明书;B.施工设计要求;C.出厂合格证;D.下井工具型号答案:BCD7.注水井作业监督要点:()。
A.施工队伍具有施工资质,有市场准入证;B.施工设备、施工人员应满足施工设计和施工项目的要求;C.施工现场是否有规范的三项设计;D.采取有效措施,最大限度防止或减少施工对环境造成的污染答案:ABCD8.检查重配与调整井是否关井降压。
要求作业队提前24h通知主管井单位关井降压,若遭高寒地区,注意防止()。
应采取放溢降压的方式,开始2h,溢流量控制在2m3/h以内,以后逐渐增大,最大不超过10m3/h。
A.冻坏节流阀;B.冻坏井口设备;C.冻结管线;D.管线固定不牢靠答案:BC9.对注水井来讲,()在于清除完井前所造成的井壁和井底的泥饼杂质和脏物,并确定井的吸水指数。
注水工培训试题 Company number:【WTUT-WT88Y-W8BBGB-BWYTT-19998】注水工培训笔试试题一、填空题(每题1分,合计15分)1、我国油田目前主要采用注水开发方式进行开发。
2、电子水表是最近兴起的一种新型计量仪表。
3、电机缺相运行时,电动机转数降低。
4、目前油田注水使用的水处理添加剂主要有絮凝剂、混凝剂、杀菌剂、阻垢剂、缓蚀剂、除氧剂、PH调节剂、活性剂等8大类。
5、注水井动态资料系指单井日注水量、注水压力、泵压、油压、套压、测试资料、洗井、水质化验等八项资料。
6、“HSE”是健康、安全、环境管理体系的简称。
7、延长油田“十二五”注水开发工作总体上分为“三年上规模”和“精细注水”两步走。
8、配水间是控制、计量和调节注水井注水量的操作间。
9、地面水水质处理需要沉淀、过滤、除氧、杀菌等项工艺。
10、按注水井资料录取要求,每两小时录取一次注水量,注水压力。
11、注水站的任务是给净化系统处理合格的水升压,使其满足注水井注水压力的要求。
12、正注是水从油管注入油层13、注水站、配水间、井口倒换流程,闸门必须先开后关。
14、出现压力表不落零、指针超过最大量程或正注时套压高于油压等现象,应及时更换压力表。
15、注水量出现波动时,要按照“先地面后地下,先井筒后地层,先油井后水井”的原则去找原因。
二、判断题(每题1分,合计15分)1、日注水量是指油田实际日注入油层的水量,是衡量油田实际注水能力的重要指标。
( √)2、开泵、停泵、倒泵、开关井等操作必须平稳缓慢,严禁猛开猛关,消除紧急停泵和频繁倒泵现象。
( √)3、柱塞泵上的安全阀一般不可以自行调整。
(√)4、流量计使用前要进行校准,流量准确度高于级,压力准确度达到级,使用过程中,每半年校准一次。
( ×)5、过滤的方法有压力过滤和重力过滤。
(√)6、注水井关井都是指生产上的关井。
( ×)7、压力表是用来显示压力容器、管道系统或局部内压力的。
铁边城采油大队注水知识培训测试题(总分100分)区队:姓名:得分:一、名词解释(每小题2分)1、注采比:2、吸水指数:3、注水压差:4、水驱指数:5、存水率:二、选择题:(每题2分)1、下面属于挤水泥设计内容的是()。
(A)下套管(B)钻机及井控装置的检查(C)规定水泥浆的侯凝方式及时间(D)套管的准备2、目前油井目前注水方法有()3种。
(A)正注、反注和合注(B)正注、反注和倒注(C)反注、正注和反正注(D)倒注、反注和合注3、压力、温度、()等参数是影响结垢速度的主要原因。
(A)PH值(B)流量(C)扬程(D)热量4、注水效果分析包括()三大方面。
A.分析区块注水见效情况、分层注水状况,提出改善注水状况措施。
B.分析注水量完成情况、吸水能力的变化及原因。
C.分析含水上升率、存水率、水驱指数,并与理论值进行对比,评价注水效果、波及效率、注采比、注采对应率。
D、开采层位的变化。
5、注水井的()就是在注水井内,采用测试工具或仪器测试分层吸水量的方法。
B(A)测试(B)分层测试(C)测压(D)分层测压三、判断题(每题2分)1、油田生产对注水水质的基本要求:控制腐蚀性介质、控制含油量、控制细菌含量、控制悬浮固体浓度与粒径。
()2、洗井时所谓的“正洗”是指洗井液从套管进,从油管返出。
()3、注水井酸化一般不需要起出生产管柱,而油井酸化一般则需要起出生产管柱。
()4、注水井洗井不通的主要原因有地面流程未改通或地面流程中闸门坏或管线堵、井下堵塞等。
()5、吸水能力一般用吸水指数来衡量。
()四、简答题:(每题10分)1、注水水质要求有哪些方面?2、注水井的洗井制度(包含洗井定义、作用、方式以及何种情况下必须洗井).3、吸水剖面的定义及作用。
五、计算题(10分)1、已知某注水层段日注水量Q=100m3/d,油层静压为p e=15MPa,井底流压为p f=20MPa,计算该层段的吸水指数J。
六、看图标注题(15分)简要说明图1数字所代表的意义和注水管柱组合,以及图2与图3所采位置。
油水井解堵增注考试题18一、填空题:1、注水井解堵在我厂应用广泛旳是活性酸解堵。
2、在分层注水井解堵时,一般采用投捞水嘴旳措施分层解堵,下挤注解堵管柱通层解堵工艺。
3、缓速酸解堵旳目旳是解决地层深不堵塞。
4、油井解堵一般采用强排或气举工艺与之相配合。
5、我厂表活剂增注用旳是非离子型表活剂。
二、判断题:1、注聚井发生堵塞可分为近井堵塞和远井堵塞。
(对)2、注聚井近井堵塞物一般强度低,应采用大剂量、低浓度解堵剂。
(错)3、目前我厂注聚井解堵重要采用丁B1解堵工艺。
(错)4、表面活性剂可以增注,重要原理是洗油作用。
(错)5、评价预测表活剂增注有效期一般采用K/K O法。
(对)三、简答题:1、列举注水井解堵技术旳重要工艺特点。
答:注水井解堵旳重要工艺技术有四种:(1)活性酸解堵技术:特点重要采用一种高效活性剂,即,能解除有机物堵塞又能解除无机物堵塞,在工艺上采用两级酸化旳措施有效旳避免了地层水中钠、钾离子和氟硅化合物反映产生二次污染,对于老井旳混合性堵塞解决效果较好;(2)缓和酸解堵剂技术:采用氟化氢等缓冲添加剂做潜在酸,可以减少反映速度,使解堵液达到地层深部仍可反映解除深部堵塞;(3)分层解堵技术:采用水嘴投捞工艺对分层水井各层段分别解堵或采用分层挤注工艺管柱解堵,长处是可不上作业,解堵针对性强,缺陷是啰嗦;(4)深部解堵技术:采用活性酸解堵与缓速剂配合使用旳解堵措施,对于长期欠注或不能注水旳井用深部解堵措施,针对堵塞较深、解堵半径较大、解堵剂方量较大旳井。
2、微生物吞吐增产旳原理。
答:一是运用生物产生旳表面活性剂易溶于水,在油水界面上具有较高旳表面活性,从而清洗掉岩石表面油膜;二是运用微生物产生旳表面活性剂使烃类乳化,使岩石表面由油性便成亲水性。
三是运用其分散能力强,在固体表面上吸附量少旳性质,增强驱油能力,提高采收率。
3、油井解堵选井原则。
答:因各类作业措施导致油井堵塞、产量下降,采用相应旳解堵措施解堵,以保证油井恢复正常生产。
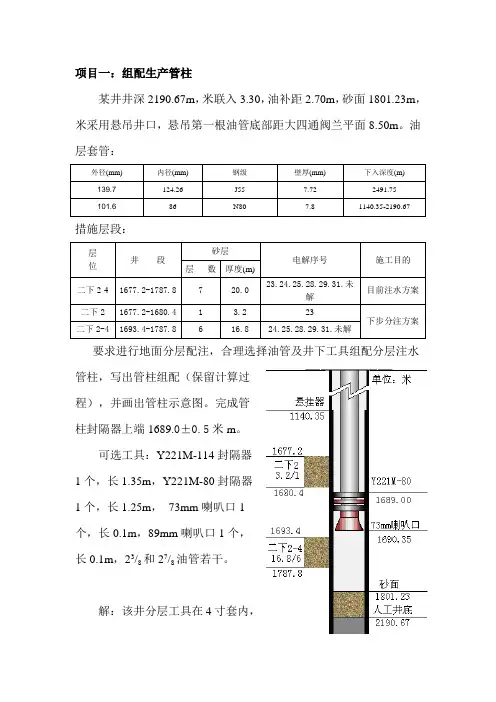
项目一:组配生产管柱某井井深2190.67m,米联入3.30,油补距2.70m,砂面1801.23m,米采用悬吊井口,悬吊第一根油管底部距大四通阀兰平面8.50m。
油层套管:外径(mm)内径(mm)钢级壁厚(mm)下入深度(m)139.7 124.26 J55 7.72 2491.75101.6 86 N80 7.8 1140.35-2190.67措施层段:层位井段砂层电解序号施工目的层数厚度(m)二下2-41677.2-1787.8 7 20.0 23.24.25.28.29.31.未解目前注水方案二下2 1677.2-1680.4 1 3.2 23下步分注方案二下2-4 1693.4-1787.8 6 16.8 24.25.28.29.31.未解要求进行地面分层配注,合理选择油管及井下工具组配分层注水管柱,写出管柱组配(保留计算过程),并画出管柱示意图。
完成管柱封隔器上端1689.0±0.5米m。
可选工具:Y221M-114封隔器1个,长1.35m,Y221M-80封隔器1个,长1.25m,73mm喇叭口1个,长0.1m,89mm喇叭口1个,长0.1m,23/8和27/8油管若干。
解:该井分层工具在4寸套内,选Y221M-80封隔器,73mm喇叭口。
封隔器位置:预置封隔器上平面1689.00米;喇叭口位置:封下直接接73mm喇叭口,故喇叭口位置1689.00m+1.25m(封长)=1690.25m,喇叭口下平面位置:1690.25m + 0.1m = 1690.35m;封上共需下入油管长度(除上发兰所接1根油管):1690.00m(封隔器位置)-2.70m(油补距)-8.50m(发兰接头及所带第一根油管长度)=1679.80m;由于该井4寸套开始于1140.35m,故设计下入23/8加大油管长度:1690.00m-1140.35m=549.65m,加上悬挂器以上23/8加大油管,共设计下入23/8加大油管600.00m;27/8加大油管长度约:1679.80m-600m=1079.80m校深后调整管柱深度选用27/8油管短节。
油气井修井作业调剖专业题库堵水专业题库(附答案)一、选择题1、注水井调剖的目的是为了( A )A、降低高吸水层吸水能力B、增加高吸水层吸水能力C、对地层吸水能力无影响2、调剖前,油井主要从( A )产水A、高渗透层B、低渗透层C、中渗透层D、不确定3、通常来说,调剖作业的单井周期比酸化作业的要( B )A、短B、长C、短的多D、不确定4、TP—30调剖设备是用( A )来向熟化罐里面输送液体的A、离心泵B、螺杆泵C、柱塞泵D、电潜泵5、在调剖作业中,注意事项不包括( C )A、注意液位,防止冒罐B、按时巡检C、按时加碱,防止PH值过大D、防止磕碰、滑倒摔伤6、调剖作业时,动力电缆至少得( D )以上,才能满足现场作业要求。
A、110KWB、130KWC、140KWD、150KW7、下列哪种药剂在遇水后比较粘,人踩到话容易滑倒( B )A、交联C剂B、聚丙烯酰胺C、交联Z剂D、交联H剂8、油井需要堵水的原因不包括( D )A、原油采收率低B、油井过早出水、甚至水淹C、低渗透部位不能发挥作用D、高渗透层产水量低9、同位素找水法,可人为地提高出水层段的放射性( D )来判断出水层的找水方法。
A、矿化度B、含水C、颗粒含量D、同位素强度10、调剖作业过程中,压力比较高的情况下,可以视情况向熟化药液里适量加入点( D )A、交联A剂B、聚丙烯酰胺C、交联D剂D、交联C剂11、注水井调剖后的效果不包括( D )A、注水压力升高B、注入水的波及系数增大C、高渗透层被封堵D、注水量增加12、调剖不包括( D )A、浅调B、深部调剖C、调驱D、堵水13、下列不属于调剖作业中使用的药剂的是( D )A、交联A剂B、交联B剂C、聚丙烯酰胺D、互溶剂14、氮气泡沫调驱的功能不包括( D )A、增能保压B、改善驱替前缘流度比C、气体自身弹性可驱替残余油D、提高产水能力15、调剖作业过程中,调剖液主要是通过( B )增压后向地层进行挤注的。
中国石油大学(北京)远程教育学院《油田化学》复习题一、名词解释。
一、名词解释。
1、晶格取代:、晶格取代:2、稠化时间:、稠化时间:3、体积波及系数:、体积波及系数:4、注水调剖:、注水调剖:5、人工井壁:、人工井壁:6、双液法:、双液法:7、聚合物:、聚合物:8、表面活性剂HLB 值:值:9、渗透水化:、渗透水化:10、临界胶束浓度:、临界胶束浓度:1111、单体:、单体:、单体:1212、乳状液:、乳状液:、乳状液: 1313、缩聚反应:、缩聚反应:、缩聚反应: 1414、水泥浆减阻剂:、水泥浆减阻剂:、水泥浆减阻剂: 1515、铝氧八面体:、铝氧八面体:、铝氧八面体: 1616、晶层:、晶层:、晶层: 1717、聚合度:、聚合度:、聚合度: 1818、表面活性剂:、表面活性剂:、表面活性剂: 1919、单液法:、单液法:、单液法: 2020、冻胶:、冻胶:、冻胶: 2121、油井结蜡:、油井结蜡:、油井结蜡: 2222、流度:、流度:、流度: 2323、吸附:、吸附:、吸附: 2424、界面:、界面:、界面: 2525、出砂:、出砂:、出砂: 2626、离子交换吸附、离子交换吸附、离子交换吸附: : 2727、表面张力:、表面张力:、表面张力: 2828、硅氧四面体:、硅氧四面体:、硅氧四面体: 2929、近井地带:、近井地带:、近井地带: 3030、化学吸附:、化学吸附:、化学吸附: 3131、链节:、链节:、链节: 3232、剪切变稀:、剪切变稀:、剪切变稀: 3333、物理吸附、物理吸附、物理吸附: : 3434、剪切增稠、剪切增稠、剪切增稠: : 3535、表面:、表面:、表面:二、判断正误题。
正确的用(T )表示,错误的用(F )表示。
)表示。
1、粘土表面存在永久负电荷、可变负电荷和正电荷,其代数和为零。
( )2、水泥浆转化为水泥石需经过水化、凝结和硬化三个过程。
( )3、阳离子交换容量与粘土矿物种类和粘土分散度有关。
油水井总复习题1《油水井增产增注技术》综合复习资料一、名词解释1、端部脱砂技术,(TSO)技术:在高渗层水力压裂中,大量支撑剂在缝前缘沉积,抑制裂缝的进一步延伸并允许成缝以后扩张和充填,造出短而宽的裂缝的技术。
2、SAGD:答,SAGD简称蒸汽辅助重力泄油,是一种将蒸汽从位于油藏底部附近的水平生产井上方的一系列直井或一口水平井注入油藏,被加热的原油和蒸汽冷凝液从油藏底部的水平井产出的采油方法。
3、空化现象:答,一定频率的振动波会使液体中原有的或新生的气泡产生共振。
在波的稀疏阶段,气泡迅速膨胀;在波的压缩阶段,气泡又很快消灭,在消灭的瞬间,气泡的内部可达几千度的高温,压力达到几千大气压,在消灭过程中所产生的加速度是重力的几十倍,这种现象就是“空化现象”。
4、液电效应:答,液体介质中高电压、大电流脉冲放电时伴随产生的热、光、力、声学等物理效应的总称。
5、无因次裂缝导流能力:答,裂缝实际导流能力和地层渗透率及裂缝半长乘积的比值。
6、水力振荡增产技术:答,是利用振动原理处理油层的技术,即以水力振动器作为井下震源下至处理井段,地面供液源按一定排量将工作液注入振动器内,振动器依靠流经它的液体来激励、产生水力脉冲波,对油层产生作用,实现振动处理油层。
7、测试压裂:答案在书上41页(也叫小型压裂)。
8、裂缝净压力:答,裂缝内任意点压力与闭合压裂之差。
9、基质酸化:答,是指在低于岩石破裂压力下将酸注入地层空隙(晶闸、空穴或裂缝)。
10、MEOR:答,利用微生物及其代谢产物来增加石油的产量,这种技术被称为微生物提高石油采收率技术(MEOR)。
11、自激振荡:答,由信号发生、反馈、放大的封闭回路导致剪切增大幅度地振动,甚至波及射流核心,在腔内形成一个脉动压力场,从喷嘴喷出的射流,其速度、压力均呈周期性变化,从而形成脉冲射流。
这种振荡是在不加任何外界控制和激励的条件下产生的,称之为自激震荡。
12、流体效率:答,停泵时缝中剩余液体体积与注入总体积的比值》 13、压裂充填防砂:答案在书上64页(压力充填)。
调剖堵水试题调剖堵水试题一、填空1、油水井堵水调剖是严重非均质油藏()的重要技术手段。
2、堵水的目的是(),其实质是改变水在地层中的流动特性,即改变水在地层中的渗透规律。
3、按堵水作业施工对象的不同,可分为()和水井调剖二类。
4、油田采用的堵水方法分为机械堵水和()两类,5、调剖决策选井技术中存在的不确定因素,包括渗透率非均质性、()、注入动态、生产动态、压降曲线和连通状况等。
6、我国油田化学堵水技术从20世纪50年代起在现场应用,至今已有50多年历史。
常用的堵水剂包括:油基水泥、()、石灰乳、树脂、聚合物、活性稠油等。
7、水泥类堵水剂是最早使用的堵水剂,主要是利用它凝固后的()进行封堵。
8、油井出水的原因按其来源,可分为注入水、边水、()、上层水、下层水和夹层水。
9、按堵剂堵塞原理,化学堵水也可分为()堵水和选择性堵水10、由于油层的非均质性及开采方式不当,使注入水及边水沿高渗透层及高渗透区不均匀推进,在纵向上形成单层突进,在横向上形成(),使油井过早水淹。
11、当油田有底水时,由于油气井在生产时在地层中造成的压力差,破坏了由于重力作用建立起来的油水平衡关系,使原来的油水界面在靠近井底时,呈锥形升高,这种现象叫()。
12、在化学堵水中将化学剂注入到油井高渗透出水层段,降低近井地带的(),减少油井出水,增加原油产量的一整套技术称为油井化学堵水技术。
13、将化学剂注入注水井的高渗透层段,用以降低高吸水层段的吸水量,提高注入压力,达到提高中、低渗透层吸水量,改善注水井(),提高注入水的体积波及系数,改善水驱状况的方法称为注水井化学调剖技术,所用化学剂叫调剖剂。
14、向地层中注入一种或由各种化学剂混合配制的液体,在指定位置,经过物理或化学作用,使液体变为凝胶、冻胶、沉淀或高粘流体的方法称为()注入工艺。
15、普通水泥的平均粒径约为25μm。
超细水泥的颗粒小于(),平均小于5μm。
16、化学堵水的成败决定于三个因素:()、施工工艺和储层条件。
[例1-25]为了试验一个新发现纯油藏的注水开发效果,在该油藏中部开辟了一个注采井距300m的规则五点法面积注水井组(图1-136),钻井证实井组所在区域油层相当均质,5口井的油层厚度均为10m,孔隙度0.25,含油饱和度70%,渗透率0.5μ㎡,原油密度0.9t/m³,体积系数1.1,饱和压力9.0MPa,原始油藏压力10.0MPa,地层水密度1.0,体积系数1,平均输差10.0%,2005年7月1日注水开发投产各井,生产数据见表1-85-表1-87.凊回答下列问题(必须给出计算公式和计算过程):1、该井组的地质储量是多少?2、该井组的采出程度和累积注采比。
3、从动态数据看,该井组可能存在什么问题。
4、采用哪些测试技术判断存在的问题。
5、提出改善该井组的措施意见。
生产井答案:1、该井组的地质储量是多少?解:井组含油面积=边长*边长=3002*3002=180000(m2)井组地质储量=体积系数原油密度含油饱和度孔隙度油层厚度含油面积****=180000*10*0.25*70%*0.9/1.1=257727(t)=25.8*104(t)2、该井组的采出程度和累积注采比。
解:①计算井组的采出程度井组核实累积产油量=井口累积产油量*(1-输差)=7.6*104*(1-10%)=6.84*104(t)井组的采出程度=%100*井组地质储量井组核实累积产油量=6.84*104/25.8*104*100%=26.5%②计算累积注采比 累积注采比=原油密度体积系数累积采油量体积系数累积产出水体积累积注水体积/**=8.65/((9.28-7.6/0.9)*1+7.6/0.9*1.1)=0.85 3、从动态数据看,该井组可能存在什么问题。
答:从动态数据看,该井组存在以下问题: ①井组的产液量下降,产油量下降。
②B 井可能存在举升故障或地层堵塞。
③D 井与注水井M 之间不连通,可能有断层遮挡。
4、采用哪些测试技术判断存在的问题。
注水考试答案(3)预览说明:预览图片所展示的格式为文档的源格式展示,下载源文件没有水印,内容可编辑和复制注水工考试题一、填空题(30分,每题2分)1、我国油田目前主要采用注水开发方式进行开发。
2、油田注水系统中,由于溶解氧的存在会加速硫化氢所引起的腐蚀。
3、造成管线不断缩颈,是由于结垢的厚度不断增加造成的。
4、泵管压差是指泵压于管压的差值,及泵压表与管压表之间沿程摩阻与局部摩阻之和。
5、电子水表是最近兴起的一种新型计量仪表。
6、电压一定,电流通过金属导体,其电功与电阻成反比。
7、一般国产三相异步电动机的额定频率为50HZ。
8、电机缺相运行时,电动机转数降低。
9、泵轴承间隙大或泵轴弯曲,转子扫膛造成了机泵振动大。
10、延长油田“十二五”注水开发工作总体上分为“_三年上规模_”和“精细注水”两步走。
11、目前油田注水使用的水处理添加剂主要有絮凝剂、混凝剂、杀菌剂、阻垢剂、____缓蚀剂____、除氧剂、PH调节剂、___活性剂_____等8大类。
12、注水井动态资料系指单井日注水量、___注水压力_____、泵压、油压、套压、测试资料、洗井、____水质化验____等八项资料。
13、按注水井资料录取要求,每两小时录取一次____注水量、注水压力____。
14、“HSE”是____健康____、___安全_____、____环境____管理体系的简称。
15、油田注水开发的三大矛盾是___层间矛盾_____ 、__平面矛盾______、___层内矛盾_____。
二、判断题(√×20分每题2分)1、油气运移至储集层后,一定形成油气藏。
( × )2、注水的优越性在于能保持地层物性。
( × )3、含油污水中含有各种金属和非金属离子。
( √ )4、离心式注水泵的流量与转速的立方成正比。
( × )5、电路通常有三种状态:通路、短路和断路。
( √ )6、泵管压差大,说明注水泵所提供的压能大于注水管网所需要的能量。
第八章注水井调剖
一、多项选择题
1.在注水井上,采用分层注水及分层改造低渗透层,是改变吸水剖面不均匀的重要措施,但对于()的井却无法解决。
A.隔层薄;
B.套变;
C.层段内无法细分;
D.隔层厚
答案:ABC
2.注水井调剖作业重点监督的内容以下有:()。
A.检查承包方的调剖施工队伍应有调剖施工资质和市场准入证,施工人员有培训上岗证和井控证;
B.应有三项设计,并履行审核、审批手续;
C.施工设备应满足注水井调剖设计要求,注入设备、配制设备完好,压力表要有标定合格证书;
D.调剖剂应有质量检验或专业部门出具的检验合格证,并现场取样备检;
答案:ABCD
3.注水井调剖应录取调剖前的吸水指示曲线资料、()、替挤量等资料。
A.上覆岩层压力;
B.启动压力;
C.调剖剂用量;
D.压力上升情况
答案:BCD
4.注水井调剖剂按使用的条件分类,可分为()等。
A.高渗透层调剖剂(如粘土/水泥固化体系);
B.低渗透层调剖剂(如粘土/水泥固化体系);
C.低渗透层调剖剂(如硫酸亚铁);
D.高温高矿化度地层调剖剂(如各种无机调剖剂)
答案:ACD
5.在地层中,冻胶微球有一定的膨胀倍数,它可在高渗透的通道中通过()、再运移、再捕集、再变形……的机理,由近及远地起调剖作用。
A.运移;
B.捕集;
C.变形;
D.分散
答案:ABC
6.双液法堵剂主要有沉淀型双液法堵剂、()等。
A.凝胶型双液法堵剂;
B.冻胶型双液法堵剂;
C.泡沫型双液法堵剂;
D.絮凝体型双液法堵剂答案:ABCD
7.近井地带可选择硅酸凝胶、、、、石灰乳、粘土/水泥分散体等。
A.锆冻胶;
B.铬冻胶;
C.水膨体;
D.冻胶微球
答案:ABC
8.远井地带可选择胶态分散体冻胶、、沉淀型双液法调剖剂等。
A.水膨体;
B.铬冻胶;
C.冻胶微球;
D.冻胶型双液法调剖剂
答案:AB
9.水膨体调剖剂一般具备如下性能:()。
A.随着水的矿化度的增加,调剖剂的膨胀倍数减少。
B.调剖剂遇水后,在前30min膨胀较快,以后膨胀速度减缓,放置5h左右,基本可膨胀完全。
C.温度升高,膨胀速度加快,膨胀倍数增加。
D.随粒径增大,膨胀速度减慢。
相同质量样品的最终膨胀倍数相近。
答案:ACD
10.颗粒通过孔喉的四种模式:()。
A.顺利通过;
B.变形爬行;
C.脱水通过;
D.破碎通过
答案:ABCD
11.深部调驱剂应具有的特征()。
A.进得去;
B.堵得住;
C.能移动;
D.不破碎
答案:ABC
12.注水井调剖作业不动管柱施工的井筒准备:()。
A.用注入水正洗井1~1.5周。
B.投捞配注水嘴。
C.正注2~4d。
D.测取注水指示曲线、压降曲线和吸水启动压力,计算调剖层的吸水指数。
答案:BCD
二、判断题
1.为了调整注水井的吸水剖面,提高注入水的波及系数,改善水驱效果,向地层中的高渗透层注入堵剂,堵剂凝固或膨胀后,降低高渗透层的渗透率,增加注入水对低含水部位的驱油作用,这种工艺措施称为注水井调剖。
()
答案:√
2.低渗透层的存在,必然使注入水首先沿着它突入油井,减小了注入水的波及系数,降低了原油采收率。
()
答案:×
正确答案:高渗透层的存在,必然使注入水首先沿着它突入油井,减小了注入水的波及系数,降低了原油采收率。
3.单液法是指向地层注入相遇后可产生封堵物质的两种工作液(或工作流体)。
答案:×
正确答案:双液法是指向地层注入相遇后可产生封堵物质的两种工作液(或工作流体)。
4.调剖剂配制量与设计误差不超过6%,替挤两与设计误差不超过6% 。
答案:×
正确答案:调剖剂配制量与设计误差不超过5%,替挤两与设计误差不超过5% 。
5.施工过程中压力上升幅度高于启动压力4~6MPa(扣除摩阻),但不能超过地层破裂压力。
答案:×
正确答案:施工过程中压力上升幅度高于启动压力2~3MPa(扣除摩阻),但不能超过地层破裂压力。
6.注水井调剖施工后应有交接书,并签字;施工过程中不得污染环境。
答案:√
7.氢氧化铝凝胶是将三氯化铝与尿素配成溶液注入地层生成的。
尿素在地层温度下分解,使溶液由酸性变成碱性,生成氢氧化铝溶胶,接着转变为氢氧化铝凝胶,是一种双液法调剖剂。
答案:×
正确答案:氢氧化铝凝胶是将三氯化铝与尿素配成溶液注入地层生成的。
尿素在地层温度下分解,使溶液由酸性变成碱性,生成氢氧化铝溶胶,接着转变为氢氧化铝凝胶,是一种单液法调剖剂。
8.按调剖剂封堵的距离分类,可分为远井地带调剖剂(如硅酸凝胶)和近井地带调剖剂(如胶态分散体冻胶)。
答案:×
正确答案:按调剖剂封堵的距离分类,可分为近井地带调剖剂(如硅酸凝胶)和远井地带调
剖剂(如胶态分散体冻胶)。
9.硅酸凝胶是一种单液法调剖剂,它是由水玻璃与活化剂反应生成。
水玻璃的性质随模数而变。
模数越小,水玻璃碱性越强,越易溶解。
答案:√
10.冻胶束是少量聚合物分子在分子内和(或)分子间由交联剂交联而成的,CDG是冻胶束的分散体,CDG适用于远井地带调剖,而且远井地带流动压差小,有利于CDG封堵作用的发挥。
答案:√
11.酚醛树脂是由甲醛与苯酚在氢氧化钠催化下缩聚产生的,是一种双液法调剖剂。
答案:×
正确答案:酚醛树脂是由甲醛与苯酚在氢氧化钠催化下缩聚产生的,是一种单液法调剖剂。
12.调剖施工前后3个月内采用相同的测井方法,在相同的条件下测试注水井的吸水剖面。
答案:√
13.水膨体是一类适当交联遇水膨胀而不溶解的聚合物,所有适当交联的水溶性聚合物都可制得水膨体,如聚丙烯酰胺。
答案:√
14.石灰乳是将氧化钙分散在水中配成的氢氧化钙悬浮体。
氢氧化钙的粒径较大( 62μm左右),特别适合于封堵裂缝性的高渗透层。
由于氢氧化钙颗粒不能进入中、低渗透层,因此对中、低渗透层有保护作用。
答案:√
15.现场施工时,所有配置调剖剂、取样、操作人员必须佩带劳动保护用品,以免药剂腐蚀对人体造成伤害。
答案:√。