铝工业污染物排放标准河南省地方标准2020版
- 格式:pdf
- 大小:774.02 KB
- 文档页数:8
工信部公布铝铅锌镁行业规范条件来源:中国矿业报作者:【铝道网】工信部近日公布2020年3月30日起施行《铝行业规范条件》《铅锌行业规范条件》《镁行业规范条件》,进一步加快铝、铅锌、镁产业转型升级,促进3个行业技术进步,提升资源综合利用率和节能环保水平,推动3个行业高质量发展。
3个行业规范条件均自2020年3月30日起施行。
《铝行业规范条件》提出,铝土矿开采、氧化铝、电解铝和再生铝生产须符合国家及地方产业政策、矿产资源规划、环保及节能法律法规和政策、矿业法律法规和政策、安全生产法律法规和政策、行业发展规划等要求。
矿山企业须依法取得采矿许可证和安全生产许可证,采矿权人应按照批准的开发利用方案、初步设计和安全设施设计进行矿山建设和开发,严禁无证开采、乱采滥挖和破坏环境、浪费资源。
鼓励电解铝企业通过重组实现水电铝、煤电铝或铝电一体化发展。
鼓励再生铝企业靠近废铝资源聚集地区布局。
《铅锌行业规范条件》提出,铅锌矿山须符合国家及地方产业政策、矿产资源规划、环保及节能法律法规和政策、矿业法律法规和政策、安全生产法律法规和政策、行业发展规划等要求。
其中,铅锌矿山企业须依法取得采矿许可证和安全生产许可证。
采矿权人应按照批准的矿产资源开发利用方案、初步设计和安全设施设计进行矿山建设和开发,严禁无证开采、乱采滥挖和破坏环境、浪费资源。
《镁行业规范条件》提出,镁矿山、冶炼企业应靠近具有资源、能源优势地区,须符合国家及地方产业政策、矿产资源规划、环保及节能法律法规和政策、矿业法律法规和政策、安全生产法律法规和政策、行业发展规划等要求。
其中,镁矿山企业须依法取得采矿许可证和安全生产许可证。
采矿权人应按照批准的矿产资源开发利用方案、初步设计和安全设施设计进行矿山建设和开发,严禁无证开采、乱采滥挖和破坏环境、浪费资源。
铝行业规范条件为推进铝行业供给侧结构性改革,促进行业技术进步,推动行业高质量发展,制定本规范条件。
本规范条件适用于已建成投产的铝土矿开采、氧化铝、电解铝、再生铝企业,是促进行业技术进步和规范发展的引导性文件,不具有行政审批的前置性和强制性。
铝工业污染物排放标准铝工业是我国重要的基础工业之一,但在生产过程中也会产生大量的污染物排放。
为了保护环境,我国制定了一系列的铝工业污染物排放标准,以限制和减少污染物的排放,保护大气、水体和土壤环境。
本文将就铝工业污染物排放标准进行详细介绍。
首先,针对大气污染物排放,我国制定了严格的标准。
铝工业生产过程中,燃烧煤炭和燃料油会产生二氧化硫、氮氧化物等大气污染物。
根据国家标准,铝工业企业必须安装脱硫脱硝设施,控制二氧化硫和氮氧化物的排放浓度,确保排放达标。
同时,对于粉尘排放也有严格的要求,要求企业采取有效措施,减少铝冶炼、氧化铝生产等环节的粉尘排放。
其次,针对水体污染物排放,我国也有相应的标准。
铝工业生产过程中,会产生大量的废水,其中含有铝离子、氟化物、重金属等有害物质。
根据国家标准,铝工业企业必须建设废水处理设施,对废水进行处理,达到国家规定的排放标准后方可排放。
同时,对于工业废水中的重金属、氟化物等有害物质也有明确的排放限值,企业必须严格控制排放浓度,保证废水排放达标。
最后,针对土壤污染物排放,我国也有相关的标准。
铝工业生产过程中,会产生固体废物和废渣,其中含有铝、氟化物等有害物质。
根据国家标准,铝工业企业必须对固体废物和废渣进行分类、储存和处置,严禁随意倾倒和排放。
对于可能影响土壤环境的有害物质,企业必须采取有效的措施,防止其对土壤造成污染。
总之,铝工业污染物排放标准的实施对于保护环境、改善生态环境具有重要意义。
各铝工业企业必须严格遵守国家标准,加强污染物排放的监测和治理,减少对环境的影响,为可持续发展做出应有的贡献。
同时,政府部门也应加大对铝工业污染物排放标准的监督检查力度,确保标准的有效实施,保护环境的可持续发展。
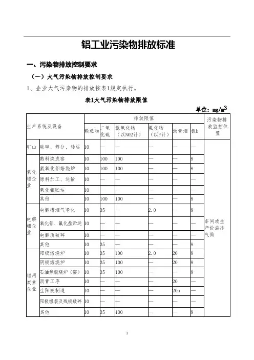
铝工业污染物排放标准一、污染物排放控制要求(一)大气污染物排放控制要求1、企业大气污染物的排放按表1规定执行。
表1大气污染物排放限值33、企业边界大气污染物任何1h平均浓度按表2规定执行。
表2企业边界大气污染物限值34、排气筒高度应不低于15m(因安全考虑或有特殊工艺要求的除外)。
5、在保障生产安全的前提下,企业物料进料采用专用运输车,卸料应采取密闭或封闭措施,料场应安装抑尘设施;散状物料应采用密闭或封闭输送方式,输送落料点、给料点应配备集尘罩和除尘系统。
6、各生产装置和环节须设立局部或整体气体收集系统,有效收集各生产环节产生的废气,控制废气无组织排放。
铝电解槽热残极冷却烟气应收集输送至电解烟气净化排放系统,减少热残极冷却无组织废气排放。
(二)水污染物排放控制要求1、企业水污染物的排放按表3规定执行。
表3水污染物排放限值单位:mg/L(pH值除外)2、企业单位产品基准排水量按表4规定执行。
表4单位产品基准排水量限值单位:m3/t3、水污染排放浓度限值适用于单位产品实际排水量不高于单位产品基准排水量的情况。
若单位产品实际排水量超过单位产品基准排水量,须将实测水污染物浓度换算为水污染物基准排水量排放浓度,并以水污染物基准排水量排放浓度作为判定排放是否达标的依据。
产品产量和排水量统计周期为一个工作日。
在企业的生产设施同时生产两种以上产品、可适用不同排放控制要求或不同行业国家污染物排放标准,且生产设施产生的污水混合处理排放的情况下,应执行排放标准中规定的最严格的浓度限值,二、污染物监测要求(一)一般要求1、企业应按照有关法律,建立企业监测制度,制订监测方案,对污染物排放状况及其对周边环境质量的影响开展自行监测,保存原始监测记录,并公布监测结果。
2、企业安装污染物排放自动监控设备按有关法律和《污染源自动监控管理办法》等规定执行。
3、企业应按照环境监测管理规定和技术规范的要求,设计、建设、维护永久性采样口、采样测试平台和排污口标志。
再生铜铝铅锌工业污染物排放标准1. 引言随着工业的发展,再生铜铝铅锌行业也越来越受到关注。
然而,随之而来的是工业污染问题。
为了保护环境、维护生态平衡,制定再生铜铝铅锌工业污染物排放标准至关重要。
本文将介绍再生铜铝铅锌工业污染物排放标准的相关内容,并对标准的制定和执行进行说明。
2. 再生铜铝铅锌工业污染物排放标准的制定再生铜铝铅锌工业污染物排放标准的制定需要参考国家相关政策和法律法规,并结合行业特点和环境保护的要求。
制定标准的主要步骤包括以下几个方面:2.1 政策和法律法规的研究针对再生铜铝铅锌工业的污染问题,研究国家对于环境保护的政策和法律法规。
了解国家对环境保护的重视程度,以及对工业污染物排放的监管要求。
2.2 行业特点的分析再生铜铝铅锌行业具有一定的特点,包括生产过程中产生的废水、废气和固体废物等。
因此,需要对行业特点进行深入分析,了解再生铜铝铅锌工业的污染物排放情况,为制定标准提供科学依据。
2.3 标准的制定过程依据政策和法律法规的要求,结合行业特点,制定再生铜铝铅锌工业污染物排放标准。
这个过程需要吸纳相关专家的意见,并进行科学论证和实地调研。
为保证标准的有效性和合理性,制定过程中应当注重专业性和可操作性。
2.4 咨询和发布过程制定完成后,需要组织相关部门和专家对标准进行咨询和评审。
并在充分公开的基础上,向社会公众发布标准,征求各界的意见和建议。
这样可以增强标准的透明度和权威性,使得标准能够得到有效执行。
3. 再生铜铝铅锌工业污染物排放标准的内容再生铜铝铅锌工业污染物排放标准包括了废水、废气和固体废物等方面的内容。
具体内容如下:3.1 废水排放标准再生铜铝铅锌工业产生的废水需要经过处理后才能排放。
废水排放标准主要包括污水的pH值、COD(化学需氧量)、BOD(生化需氧量)、SS(悬浮物)、重金属含量等指标要求。
3.2 废气排放标准再生铜铝铅锌工业产生的废气也需要进行处理和排放。
废气排放标准主要包括排放浓度、排放速率、污染物种类等指标要求。
河南排放标准
近年来,河南高度重视环境保护和污染防治工作,先后出台了一系列与排放标准相关的政策和规定。
例如,在2020年5月13日实施了针对重点行业的七项地方标准,包括《钢铁工业大气污染物排放标准》、《水泥工业大气污染物排放标准》、《铝工业污染物排放标准》、《炼焦化学工业大气污染物排放标准》、《工业涂装工序挥发性有机物排放标准》、《印刷工业挥发性有机物排放标准》和《工业炉窑大气污染物排放标准》。
这些标准旨在加强对重点行业的污染物排放控制,提升监测和监督管理水平,促进环境质量持续改善。
另外,河南省生态环境厅也在不断更新和完善相关排放标准。
例如,在2022年9月,该厅向社会征求了《河南省生活垃圾焚烧大气污染物排放标准(征求意见稿)》的意见,并根据反馈进行了修订,形成了《生活垃圾焚烧大气污染物排放标准(二次征求意见稿)》。
这一标准对颗粒物、二氧化硫、氮氧化物等污染物的排放限值做出了具体规定,旨在减少生活垃圾焚烧过程中产生的大气污染物排放,保护环境和公众健康。
以上信息显示,河南省正在积极采取措施,通过制定和执行更为严格的排放标准,努力实现环境保护目标,推动经
济社会可持续发展。
ICS 13.040.40 Z 60DB41河南省地方标准DB 41/ 1955—2020炼焦化学工业大气污染物排放标准2020-05-13发布2020-06-01实施河南省生态环境厅 河南省市场监督管理局发布河南省地方标准公共服务平台台平务服共公准标方地省南河DB41/ 1955—2020I目 次前言................................................................................ II 1 范围................................................................ ............... 1 2 规范性引用文件................................................................ ..... 1 3 术语和定义................................................................ ......... 2 4 污染物排放控制要求................................................................ . 4 5 污染物监测要求................................................................ ..... 6 6 实施与监督. (7)河南省地方标准公共服务平台DB41/ 1955—2020II前 言本标准按照GB/T 1.1—2009给出的规则起草。
本标准由河南省生态环境厅提出并归口。
本标准起草单位:河南省冶金研究所有限责任公司。
本标准主要起草人:常德政、张继光、花伟、施琪、刘世豪、鲁然英、梁现红、鹿玉琼、韩双成、王华健、赵燕、刘芳莹、李帅、卢中强、朱丽娟、郭方方、马南、程旭、王潇磊、郑瑶、郝大玮。
附件3《铝工业污染物排放标准》(GB 25465-2010)等6项污染物排放标准修改单(征求意见稿)编制说明有色金属工业污染物排放标准修改单编制组二O一三年八月—11—目 录1项目背景 (13)1.1 任务来源 (13)1.2 工作过程 (14)2大气污染物特别排放限值制订的必要性 (15)2.1 国家相关产业政策及行业发展规划中的环保要求 (15)2.2 重点区域的大气污染问题突出 (17)3有色金属行业国际先进的污染控制水平 (18)3.1 行业主要生产工艺 (18)3.2 行业产生的污染物 (18)3.3 国际先进控制技术水平 (21)3.4 国内外排放标准控制水平 (22)4特别排放限值制订原则及限值确定依据 (23)4.1 特别排放限值制订原则 (23)4.2 特别排放限值确定依据 (24)5监测分析方法 (27)—12—《铝工业污染物排放标准》(GB 25465-2010)等6项污染物排放标准修改单编制说明1项目背景1.1任务来源根据环境保护工作的要求,在国土开发密度已经较高、环境承载能力开始减弱,或环境容量较小、生态环境脆弱,容易发生严重环境污染等问题而需要采取特别保护措施的地区,应严格控制企业的污染物排放行为,在上述地区的企业执行污染物特别排放限值。
在我国已发布的特别排放限值中主要是水和大气污染物的特别排放限值。
大气污染物特别排放限值是指为防治区域性大气污染、改善环境质量、进一步降低大气污染源的排放强度、更加严格地控制排污行为而制定并实施的大气污染物排放限值,该限值的排放控制水平达到国际先进或领先程度。
2010年环境保护部发布《铝工业污染物排放标准》(GB 25465-2010)、《铅、锌工业污染物排放标准》(GB 25466-2010)、《铜、镍、钴工业污染物排放标准》(GB 25467-2010)、《镁、钛工业污染物排放标准》(GB 25468-2010)4项有色金属工业排放标准,2011年又发布了《稀土工业污染物排放标准》(GB 26451-2011)和《钒工业污染物排放标准》(GB 26452-2011)。
工业炉窑大气污染物排放标准1 范围本标准规定了工业炉窑大气污染物排放控制要求、监测和监督管理要求。
本标准适用于现有工业炉窑的大气污染物排放管理,以及工业炉窑建设项目的环境影响评价、环境保护设施设计、竣工环境保护验收、排污许可证核发及其投产后大气污染物排放管理。
国家或地方行业污染物排放标准中对工业炉窑已作规定的,按相应行业污染物排放标准规定执行。
2 规范性引用文件下列文件对于本文件的应用是必不可少的。
凡是注日期的引用文件,仅注日期的版本适用于本文件。
凡是不注日期的引用文件,其最新版本(包括所有的修改单)适用于本文件。
GB/T 4754—2017 国民经济行业分类GB/T 15432 环境空气总悬浮颗粒物的测定重量法GB/T 16157 固定污染源排气中颗粒物测定与气态污染物采样方法GB/T 37186 气体分析二氧化硫和氮氧化物的测定紫外差分吸收光谱分析法HJ/T 27 固定污染源排气中氯化氢的测定硫氰酸汞分光光度法HJ/T 42 固定污染源排气中氮氧化物的测定紫外分光光度法HJ/T 43 固定污染源排气中氮氧化物的测定盐酸萘乙二胺分光光度法HJ/T 45 固定污染源排气中沥青烟的测定重量法HJ/T 55 大气污染物无组织排放监测技术导则HJ/T 56 固定污染源排气中二氧化硫的测定碘量法HJ 57 固定污染源废气二氧化硫的测定定电位电解法HJ/T 64.1 大气固定污染源镉的测定火焰原子吸收分光光度法HJ/T 64.2 大气固定污染源镉的测定石墨炉原子吸收分光光度法HJ/T 64.3 大气固定污染源镉的测定对-偶氮苯重氮氨基偶氮苯磺酸分光光度法HJ/T 67 大气固定污染源氟化物的测定离子选择电极法HJ 75 固定污染源烟气(SO2、NO x、颗粒物)排放连续监测技术规范HJ 76 固定污染源烟气(SO2、NO x、颗粒物)排放连续监测系统技术要求及检测方法HJ/T 397 固定源废气监测技术规范HJ/T 398 固定污染源排放烟气黑度的测定林格曼烟气黑度图法HJ 533 环境空气和废气氨的测定纳氏试剂分光光度法HJ 540 固定污染源废气砷的测定二乙基二硫代氨基甲酸银分光光度法HJ 543 固定污染源废气汞的测定冷原子吸收分光光度法(暂行)HJ 548 固定污染源废气氯化氢的测定硝酸银容量法(暂行)HJ 549 环境空气和废气氯化氢的测定离子色谱法HJ 629 固定污染源废气二氧化硫的测定非分散红外吸收法HJ 684 固定污染源废气铍的测定石墨炉原子吸收分光光度法HJ 685 固定污染源废气铅的测定火焰原子吸收分光光度法HJ 692 固定污染源废气氮氧化物的测定非分散红外吸收法HJ 693 固定污染源废气氮氧化物的测定定电位电解法HJ 819 排污单位自行监测技术指南总则HJ 836 固定污染源废气低浓度颗粒物的测定重量法HJ 1121 排污许可证申请与核发技术规范工业炉窑DB41/T 1327 固定污染源颗粒物、烟气(SO2、NO x)自动监控基站建设技术规范DB41/T 1344 固定污染源颗粒物、烟气(SO2、NO x)自动监控基站运行维护技术规范《污染源自动监控管理办法》国家环境保护总局令第28号《环境监测管理办法》国家环境保护总局令第39号3 术语和定义下列术语和定义适用于本文件。
《再生铜、铝、铅、锌工业污染物排放标准》(GB31574-2015)修改单(征求意见稿)为进一步完善国家污染物排放标准,我部决定修改《再生铜、铝、铅、锌工业污染物排放标准》(GB31574-2015),增加“4.3无组织排放控制措施”,内容如下:4.3无组织排放控制措施4.3.1一般地区无组织排放控制4.3.1.1物料(含冶炼渣)运输、储存与转运a)运输产生粉尘的物料,其车辆应采取密闭、苫盖等措施。
厂区道路应硬化,并采取洒水、喷雾等降尘措施。
再生铅运输车辆出厂前应清洗车轮,或采取其他控制措施。
b)产生粉尘的物料应储存在有硬化地面的料棚或仓库中。
c)产生粉尘的物料转运点、落料点应设置密闭罩,并配备除尘设施。
4.3.1.2再生金属生产a)废有色金属原料的预处理(拆解、破碎、分选、清洗、烘干等)应在封闭厂房中进行。
破碎、分选、烘干等产生粉尘的工序应设置集气罩,并配备除尘设施。
再生铅的预处理应在负压区域操作。
b)辅料制备、配料工序产尘点应设集气罩,并配备除尘设施。
c)熔炼、精炼、熔铸工序的操作应在封闭厂房中进行。
再生铅的熔炼、精炼、熔铸工序的操作应在负压区域进行。
冶炼炉的加料口、出料口应设置集气罩,并配备除尘设施。
d)电解槽面应设置集气罩并配备除尘设施。
再生铅的电解应在负压厂房中进行。
e)再生铅生产过程中使用的溜槽应密闭。
4.3.2重点地区无组织排放控制4.3.2.1物料(含冶炼渣)运输、储存与转运a)运输产生粉尘的物料,其车辆应采取密闭、苫盖等措施。
厂区道路应硬化,并采取洒水、喷雾等降尘措施。
再生铅运输车辆出厂前应清洗车轮及车身,或采取其他控制措施。
b)产生粉尘的物料应储存在密闭料仓或封闭式建筑物中。
c)产生粉尘的物料转运点、落料点应设置密闭罩,并配备除尘设施。
4.3.2.2再生金属生产再生金属生产的无组织排放控制措施与一般地区相同。
4.3.3生产工艺设备、废气收集系统以及污染治理设施应同步运行。
废气收集系统或污染治理设施故障、检修,应停止运转对应的生产工艺设备,待检修完毕后共同投入使用,或开启备用污染处理设施。
铝工业污染物排放标准铝工业是当今世界重要的产业,其产量占全球金属铝总产量的约90%,同时也是污染物排放最严重的行业之一,产生的污染物比其他行业更多,特别是雾化、挥发性有机物(VOC)和气态重金属污染物。
为了减少铝工业污染物排放,世界各国都制定了严格的排放标准。
一、铝工业污染物排放标准的背景铝工业的污染物排放主要包括烟气及废气、废水以及固态废料。
由于铝工业的污染直接影响空气、水和土壤环境,给人们的健康带来极大的威胁。
为了保护环境资源,建立和实施严格的污染物排放标准是政府应对铝工业污染的重要管理手段。
二、铝工业污染物排放标准的具体内容1、气排放标准铝工业排放的废气主要为烟气及废气,主要污染物有二氧化硫、氮氧化物、挥发性有机物(VOC)及气态重金属等,各国的铝工业污染物排放标准均对这些污染物进行了明确限制。
据调查,欧洲联盟制定的最新版铝工业废气排放标准是每立方米废气排放硫氧化物不超过200毫克,氮氧化物不超过2500毫克,挥发性有机物(VOC)不超过50毫克,汞和其他重金属总量不超过0.15毫克。
美国环保署针对含铝工序排放的固态污染物给出了每立方米废气排放量不超过15毫克的标准。
2、水排放标准铝工业排放的废水水质大多受到VOC及重金属的污染,因此各国的铝工业污染物排放标准均对这两项污染物进行了明确限制。
例如,欧洲联盟规定的最新版污染物排放标准,对铝工业废水排放VOC的限值设定为每千克废水中总VOC含量不超过25毫克,而美国环保署则规定每千克废水中汞含量不超过0.001毫克。
3、态废料排放标准铝工业的固态废料排放主要来源于过滤器及烟气净化器,废料中的污染物通常包括VOC及重金属。
据调查,欧洲联盟最新版的固态废料排放标准对废料中VOC的排放限值设定为每千克净化器固态废料中VOC含量不超过80毫克,同时另规定每千克过滤器固态废料中重金属总量不超过1毫克。
三、铝工业污染物排放标准的执行铝工业污染物排放标准的执行是一项复杂而费时的工作,它既要求铝厂对废气及废水排放进行实时监测,还要求对废料排放进行定期监测,以确保排放污染物的浓度低于排放标准的限值。
中华人民共和国工业和信息化部公告2020年第6号——铝行业规范条件文章属性•【制定机关】工业和信息化部•【公布日期】2020.02.28•【文号】中华人民共和国工业和信息化部公告2020年第6号•【施行日期】2020.03.30•【效力等级】部门规范性文件•【时效性】现行有效•【主题分类】原材料工业正文中华人民共和国工业和信息化部公告2020年第6号为进一步加快铝产业转型升级,促进铝行业技术进步,提升资源综合利用率和节能环保水平,推动铝行业高质量发展,根据国家有关法律法规和产业政策,制定《铝行业规范条件》,现予以公告。
附件:铝行业规范条件工业和信息化部2020年2月28日附件铝行业规范条件为推进铝行业供给侧结构性改革,促进行业技术进步,推动行业高质量发展,制定本规范条件。
本规范条件适用于已建成投产的铝土矿开采、氧化铝、电解铝、再生铝企业,是促进行业技术进步和规范发展的引导性文件,不具有行政审批的前置性和强制性。
一、总体要求(一)铝土矿开采、氧化铝、电解铝和再生铝生产须符合国家及地方产业政策、矿产资源规划、环保及节能法律法规和政策、矿业法律法规和政策、安全生产法律法规和政策、行业发展规划等要求。
(二)矿山企业须依法取得采矿许可证和安全生产许可证,采矿权人应按照批准的开发利用方案、初步设计和安全设施设计进行矿山建设和开发,严禁无证开采、乱采滥挖和破坏环境、浪费资源。
氧化铝、电解铝企业应按照国家有关规定经有关部门备案,氧化铝企业应落实铝土矿资源、赤泥堆存等外部条件,电解铝企业应落实氧化铝、电力、水资源长期稳定供应。
鼓励电解铝企业通过重组实现水电铝、煤电铝或铝电一体化发展。
鼓励再生铝企业靠近废铝资源聚集地区布局。
二、质量、工艺和装备(三)企业应建立、实施并保持满足GB/T19001要求的质量管理体系,并鼓励通过质量管理体系第三方认证。
铝土矿产品质量应符合《铝土矿石》(GB/T24483),氧化铝产品质量应符合《冶金级氧化铝》(YS/T803),重熔用铝锭产品质量应符合《重熔用铝锭》(GB/T1196),再生铝产品质量应符合《铸造铝合金锭》(GB/T8733)或《变形铝及铝合金化学成分》(GB/T3190)。
河南省淘汰落后产能综合标准体系(2020年本)第一类能耗类一、通用标准GB/T 2589—2008 综合能耗计算通则GB/T 12723—2013 单位产品能源消耗限额编制通则GB 17167—2006 用能单位能源计量器具配备和管理通则二、电力行业GB 21258—2017 常规燃煤发电机组单位产品能源消耗限额三、石油石化行业GB 21343—2015 电石单位产品能源消耗限额GB 21344—2015 合成氨单位产品能源消耗限额GB 21345—2015 黄磷单位产品能源消耗限额GB 29138—2012 磷酸一铵单位产品能源消耗限额GB 29139—2012 磷酸二铵单位产品能源消耗限额GB 29140—2012 纯碱单位产品能源消耗限额GB 29141—2012 工业硫酸单位产品能源消耗限额GB 29437—2012 工业冰醋酸单位产品能源消耗限额GB 29438—2012 聚甲醛单位产品能源消耗限额GB 29439—2012 硫酸钾单位产品能源消耗限额GB 29440—2012 炭黑单位产品能源消耗限额GB 29441—2012 稀硝酸单位产品能源消耗限额GB 29449—2012 轮胎单位产品能源消耗限额GB 30250—2013 乙烯装置单位产品能源消耗限额GB 30251—2013 炼油单位产品能源消耗限额GB 30527—2014 聚氯乙烯树脂单位产品能源消耗限额GB 30528—2014 聚乙烯醇单位产品能源消耗限额GB 30529—2014 乙酸乙烯酯单位产品能源消耗限额GB 30530—2014 有机硅环体单位产品能源消耗限额四、钢铁行业GB 21256—2013 粗钢生产主要工序单位产品能源消耗限额GB 21341—2008 铁合金单位产品能源消耗限额GB 21342—2013 焦炭单位产品能源消耗限额GB 21370—2008 炭素单位产品能源消耗限额五、建材行业GB 16780—2012 水泥单位产品能源消耗限额GB 21252—2013 建筑卫生陶瓷单位产品能源消耗限额GB 21340—2013 平板玻璃单位产品能源消耗限额GB 29450—2012 玻璃纤维单位产品能源消耗限额GB 29451—2012 铸石单位产品能源消耗限额GB 30181—2013 微晶氧化铝陶瓷研磨球单位产品能源消耗限额GB 30182—2013 摩擦材料单位产品能源消耗限额GB 30183—2013 岩棉、矿渣棉及其制品单位产品能源消耗限额GB 30184—2013 沥青基防水卷材单位产品能源消耗限额GB 30185—2013 铝塑板单位产品能源消耗限额GB 30252—2013 光伏压延玻璃单位产品能源消耗限额GB 30526—2014 烧结墙体单位产品能源消耗限额六、有色金属行业GB 21248—2014 铜冶炼企业单位产品能源消耗限额GB 21249—2014 锌冶炼企业单位产品能源消耗限额GB 21250—2014 铅冶炼企业单位产品能源消耗限额GB 21251—2014 镍冶炼企业单位产品能源消耗限额GB 21346—2013 电解铝企业单位产品能源消耗限额GB 21347—2012 镁冶炼企业单位产品能源消耗限额GB 21348—2014 锡冶炼企业单位产品能源消耗限额GB 21349—2014 锑冶炼企业单位产品能源消耗限额GB 21350—2013 铜及铜合金管材单位产品能源消耗限额GB 21351—2014 铝合金建筑型材单位产品能源消耗限额GB 25323—2010 再生铅单位产品能源消耗限额GB 25324—2014 铝电解用石墨质阴极炭块单位产品能源消耗限额GB 25325—2014 铝电解用预焙阳极单位产品能源消耗限额GB 25326—2010 铝及铝合金轧、拉制管、棒材单位产品能源消耗限额GB 25327—2010 氧化铝企业单位产品能源消耗限额GB 26756—2011 铝及铝合金热挤压棒材单位产品能源消耗限额GB 29136—2012 海绵钛单位产品能源消耗限额GB 29137—2012 铜及铜合金线材单位产品能源消耗限额GB 29145—2012 焙烧钼精矿单位产品能源消耗限额GB 29146—2012 钼精矿单位产品能源消耗限额GB 29413—2012 锗单位产品能源消耗限额GB 29435—2012 稀土冶炼加工企业单位产品能源消耗限额GB 29442—2012 铜及铜合金板、带、箔材单位产品能源消耗限额GB 29443—2012 铜及铜合金棒材单位产品能源消耗限额GB 29447—2012 多晶硅企业单位产品能源消耗限额GB 29448—2012 钛及钛合金铸锭单位产品能源消耗限额七、煤炭行业GB 29436.1—2012 甲醇单位产品能源消耗限额第1部分:煤制甲醇GB 29444—2012 煤炭井工开采单位产品能源消耗限额GB 29445—2012 煤炭露天开采单位产品能源消耗限额GB 29446—2012 选煤电力消耗限额GB 29994—2013 煤基活性炭单位产品能源消耗限额GB 29995—2013 兰炭单位产品能源消耗限额GB 29996—2013 水煤浆单位产品能源消耗限额GB 30178—2013 煤直接液化制油单位产品能源消耗限额GB 30179—2013 煤制天然气单位产品能源消耗限额GB 30180—2013 煤制烯烃单位产品能源消耗限额第二类环保类DB41/276—2011 盐业、碱业氯化物排放标准DB41/681—2011 啤酒工业水污染物排放标准DB41/684—2011 铅冶炼工业污染物排放标准DB41/756—2012 化学合成类制药工业水污染物间接排放标准DB41/758—2012 发酵类制药工业水污染物间接排放标准DB41/776—2012 蟒沁河流域水污染物排放标准DB41/777—2013 省辖海河流域水污染物排放标准DB41/790—2013 清潩河流域水污染物排放标准DB41/908—2014 贾鲁河流域水污染物排放标准DB41/918—2014 惠济河流域水污染物排放标准DB41/1066—2015 工业炉窑大气污染物排放标准DB41/1135—2016 化工行业水污染物间接排放标准DB41/1257—2016 洪河流域水污染物排放标准DB41/1258—2016 涧河流域水污染物排放标准DB41/538—2017 合成氨工业水污染物排放标准未按时完成有组织及无组织超低排放改造的钢铁产能第三类质量类一、钢铁行业GB/T 1499.1—2017钢筋混凝土用钢第1部分:热轧光圆钢筋GB/T 1499.2—2018钢筋混凝土用钢第2部分:热轧带肋钢筋二、水泥行业GB/T 748—2005 抗硫酸盐硅酸盐水泥GB/T 2938—2008 低热微膨胀水泥GB/T 20472—2006 硫铝酸盐水泥GB/T 200—2017 中热硅酸盐水泥、低热硅酸盐水泥GB/T 13693—2017 道路硅酸盐水泥GB/T 13590—2006 钢渣硅酸盐水泥GB/T 25029—2010 钢渣道路水泥GB 175—2007 通用硅酸盐水泥三、平板玻璃行业GB 11614—2009 平板玻璃第四类安全类《国家安全监管总局办公厅国家煤矿安监局办公室推动钢铁煤炭行业化解过剩产能开展安全生产执法专项行动的通知》(安监总厅煤行〔2016〕55号)要求:钢铁企业存在安全生产标准化未达到三级及以上等级、吊运高温熔融金属的起重机不符合冶金起重机相关要求、炼钢厂吊运高温熔融金属的铸造起重机未使用固定式龙门钩、人员聚集场所设置在高温熔融金属吊运影响区域内、煤气柜与周边建筑物的防火间距不符合标准要求五个问题之一的,要立即停产整改,在6个月内未整改或整改后仍不合格的,予以关停退出。
《铝工业污染物排放标准》编制说明一、背景介绍铝工业是我国的重要支柱产业之一,但随着工业化进程的加速推进,铝工业污染问题已逐渐引起人们的关注。
为解决铝工业排放污染问题,规范铝工业的环境保护行为,制定《铝工业污染物排放标准》已成为迫在眉睫的任务。
二、编制目的该标准的编制旨在通过规范铝工业污染物的排放限值、监测要求和治理技术等方面的内容,促使铝工业企业对污染物的排放进行有效控制,达到环境保护的目标,保障公民健康和生态安全。
三、编制原则1.科学性原则:制定标准应以科学研究为依据,结合铝工业现状和技术发展动态,确保标准的科学性和可操作性。
2.协调性原则:标准应与相关的法律法规、国家标准和行业标准相协调,避免出现冲突和重复。
3.可行性原则:制定标准时应充分考虑技术可行性和经济合理性,以确保企业能够负担得起标准的执行。
4.时效性原则:随着科技的不断发展和环境问题的变化,标准应定期修订,保持与时俱进。
四、编制步骤2.国内外对比:比较国内外相关行业的污染物排放标准,借鉴先进经验和做法。
3.专家评审:组织相关专家对调研分析和国内外对比结果进行评审,形成初步的排放标准范围。
4.征求意见稿:在初稿的基础上编制《铝工业污染物排放标准》(征求意见稿),并广泛征求行业内外的专家、企业和公众的意见。
5.修订完善:根据征求意见稿的反馈和评估结果,对标准进行修订完善,确保标准的精确性和可实施性。
6.公示和实施:将修订完善后的标准进行公示,并确定标准的实施时间和监测方式,以保证标准的有效执行。
五、编制内容1.排放限值:明确各类污染物的排放限值,包括大气污染物、水污染物和固体废弃物的排放控制标准。
2.监测要求:制定相应的监测方法和监测频次,以确保企业能够按照标准进行自主监测和报告。
3.治理技术要求:对铝工业污染物的治理技术进行指导,推广和应用符合环境保护要求的净化设备和治理工艺。
六、编制意义1.环境保护:标准的实施将减少铝工业对环境的负面影响,保护大气、水体和土壤资源,改善环境质量。
河南省淘汰落后产能综合标准体系(2020年本)第一类能耗类一、通用标准GB/T 2589—2008 综合能耗计算通则GB/T 12723—2013 单位产品能源消耗限额编制通则GB 17167—2006 用能单位能源计量器具配备和管理通则二、电力行业GB 21258—2017 常规燃煤发电机组单位产品能源消耗限额三、石油石化行业GB 21343—2015 电石单位产品能源消耗限额GB 21344—2015 合成氨单位产品能源消耗限额GB 21345—2015 黄磷单位产品能源消耗限额GB 29138—2012 磷酸一铵单位产品能源消耗限额GB 29139—2012 磷酸二铵单位产品能源消耗限额GB 29140—2012 纯碱单位产品能源消耗限额GB 29141—2012 工业硫酸单位产品能源消耗限额GB 29437—2012 工业冰醋酸单位产品能源消耗限额GB 29438—2012 聚甲醛单位产品能源消耗限额GB 29439—2012 硫酸钾单位产品能源消耗限额GB 29440—2012 炭黑单位产品能源消耗限额GB 29441—2012 稀硝酸单位产品能源消耗限额GB 29449—2012 轮胎单位产品能源消耗限额GB 30250—2013 乙烯装置单位产品能源消耗限额GB 30251—2013 炼油单位产品能源消耗限额GB 30527—2014 聚氯乙烯树脂单位产品能源消耗限额GB 30528—2014 聚乙烯醇单位产品能源消耗限额GB 30529—2014 乙酸乙烯酯单位产品能源消耗限额GB 30530—2014 有机硅环体单位产品能源消耗限额四、钢铁行业GB 21256—2013 粗钢生产主要工序单位产品能源消耗限额GB 21341—2008 铁合金单位产品能源消耗限额GB 21342—2013 焦炭单位产品能源消耗限额GB 21370—2008 炭素单位产品能源消耗限额五、建材行业GB 16780—2012 水泥单位产品能源消耗限额GB 21252—2013 建筑卫生陶瓷单位产品能源消耗限额GB 21340—2013 平板玻璃单位产品能源消耗限额GB 29450—2012 玻璃纤维单位产品能源消耗限额GB 29451—2012 铸石单位产品能源消耗限额GB 30181—2013 微晶氧化铝陶瓷研磨球单位产品能源消耗限额GB 30182—2013 摩擦材料单位产品能源消耗限额GB 30183—2013 岩棉、矿渣棉及其制品单位产品能源消耗限额GB 30184—2013 沥青基防水卷材单位产品能源消耗限额GB 30185—2013 铝塑板单位产品能源消耗限额GB 30252—2013 光伏压延玻璃单位产品能源消耗限额GB 30526—2014 烧结墙体单位产品能源消耗限额六、有色金属行业GB 21248—2014 铜冶炼企业单位产品能源消耗限额GB 21249—2014 锌冶炼企业单位产品能源消耗限额GB 21250—2014 铅冶炼企业单位产品能源消耗限额GB 21251—2014 镍冶炼企业单位产品能源消耗限额GB 21346—2013 电解铝企业单位产品能源消耗限额GB 21347—2012 镁冶炼企业单位产品能源消耗限额GB 21348—2014 锡冶炼企业单位产品能源消耗限额GB 21349—2014 锑冶炼企业单位产品能源消耗限额GB 21350—2013 铜及铜合金管材单位产品能源消耗限额GB 21351—2014 铝合金建筑型材单位产品能源消耗限额GB 25323—2010 再生铅单位产品能源消耗限额GB 25324—2014 铝电解用石墨质阴极炭块单位产品能源消耗限额GB 25325—2014 铝电解用预焙阳极单位产品能源消耗限额GB 25326—2010 铝及铝合金轧、拉制管、棒材单位产品能源消耗限额GB 25327—2010 氧化铝企业单位产品能源消耗限额GB 26756—2011 铝及铝合金热挤压棒材单位产品能源消耗限额GB 29136—2012 海绵钛单位产品能源消耗限额GB 29137—2012 铜及铜合金线材单位产品能源消耗限额GB 29145—2012 焙烧钼精矿单位产品能源消耗限额GB 29146—2012 钼精矿单位产品能源消耗限额GB 29413—2012 锗单位产品能源消耗限额GB 29435—2012 稀土冶炼加工企业单位产品能源消耗限额GB 29442—2012 铜及铜合金板、带、箔材单位产品能源消耗限额GB 29443—2012 铜及铜合金棒材单位产品能源消耗限额GB 29447—2012 多晶硅企业单位产品能源消耗限额GB 29448—2012 钛及钛合金铸锭单位产品能源消耗限额七、煤炭行业GB 29436.1—2012 甲醇单位产品能源消耗限额第1部分:煤制甲醇GB 29444—2012 煤炭井工开采单位产品能源消耗限额GB 29445—2012 煤炭露天开采单位产品能源消耗限额GB 29446—2012 选煤电力消耗限额GB 29994—2013 煤基活性炭单位产品能源消耗限额GB 29995—2013 兰炭单位产品能源消耗限额GB 29996—2013 水煤浆单位产品能源消耗限额GB 30178—2013 煤直接液化制油单位产品能源消耗限额GB 30179—2013 煤制天然气单位产品能源消耗限额GB 30180—2013 煤制烯烃单位产品能源消耗限额第二类环保类DB41/276—2011 盐业、碱业氯化物排放标准DB41/681—2011 啤酒工业水污染物排放标准DB41/684—2011 铅冶炼工业污染物排放标准DB41/756—2012 化学合成类制药工业水污染物间接排放标准DB41/758—2012 发酵类制药工业水污染物间接排放标准DB41/776—2012 蟒沁河流域水污染物排放标准DB41/777—2013 省辖海河流域水污染物排放标准DB41/790—2013 清潩河流域水污染物排放标准DB41/908—2014 贾鲁河流域水污染物排放标准DB41/918—2014 惠济河流域水污染物排放标准DB41/1066—2015 工业炉窑大气污染物排放标准DB41/1135—2016 化工行业水污染物间接排放标准DB41/1257—2016 洪河流域水污染物排放标准DB41/1258—2016 涧河流域水污染物排放标准DB41/538—2017 合成氨工业水污染物排放标准未按时完成有组织及无组织超低排放改造的钢铁产能第三类质量类一、钢铁行业GB/T 1499.1—2017钢筋混凝土用钢第1部分:热轧光圆钢筋GB/T 1499.2—2018钢筋混凝土用钢第2部分:热轧带肋钢筋二、水泥行业GB/T 748—2005 抗硫酸盐硅酸盐水泥GB/T 2938—2008 低热微膨胀水泥GB/T 20472—2006 硫铝酸盐水泥GB/T 200—2017 中热硅酸盐水泥、低热硅酸盐水泥GB/T 13693—2017 道路硅酸盐水泥GB/T 13590—2006 钢渣硅酸盐水泥GB/T 25029—2010 钢渣道路水泥GB 175—2007 通用硅酸盐水泥三、平板玻璃行业GB 11614—2009 平板玻璃第四类安全类《国家安全监管总局办公厅国家煤矿安监局办公室推动钢铁煤炭行业化解过剩产能开展安全生产执法专项行动的通知》(安监总厅煤行〔2016〕55号)要求:钢铁企业存在安全生产标准化未达到三级及以上等级、吊运高温熔融金属的起重机不符合冶金起重机相关要求、炼钢厂吊运高温熔融金属的铸造起重机未使用固定式龙门钩、人员聚集场所设置在高温熔融金属吊运影响区域内、煤气柜与周边建筑物的防火间距不符合标准要求五个问题之一的,要立即停产整改,在6个月内未整改或整改后仍不合格的,予以关停退出。
铝工业污染物排放标准
1 范围
本标准规定了铝工业企业大气污染物和水污染物排放控制要求、监测和监督管理要求。
本标准适用于现有铝工业企业或生产设施的大气污染物和水污染物排放管理,以及铝工业建设项目的环境影响评价、环境保护设施设计、竣工环境保护验收、排污许可证核发及其投产后的大气污染物和水污染物排放管理。
本标准不适用于再生铝和铝材压延加工企业或生产系统,也不适用于附属于铝工业企业的非特征生产工艺和装置。
2 规范性引用文件
下列文件对于本文件的应用是必不可少的。
凡是注日期的引用文件,仅注日期的版本适用于本文件。
凡是不注日期的引用文件,其最新版本(包括所有的修改单)适用于本文件。
GB/T 6920 水质pH值的测定玻璃电极法
GB 7484 水质氟化物的测定离子选择电极法
GB 11893 水质总磷的测定钼酸铵分光光度法
GB/T 11901 水质悬浮物的测定重量法
GB/T 15432 环境空气总悬浮颗粒物的测定重量法
GB/T 16157 固定污染源排气中颗粒物测定与气态污染物采样方法
GB/T 16489 水质硫化物的测定亚甲基蓝分光光度法
GB/T 37186 气体分析二氧化硫和氮氧化物的测定紫外差分吸收光谱分析法
HJ/T 42 固定污染源排气中氮氧化物的测定紫外分光光度法
HJ/T 43 固定污染源排气中氮氧化物的测定盐酸萘乙二胺分光光度法
HJ/T 45 固定污染源排气中沥青烟的测定重量法
HJ/T 55 大气污染物无组织排放监测技术导则
HJ 57 固定污染源废气二氧化硫的测定定电位电解法
HJ/T 60 水质硫化物的测定碘量法
HJ/T 67 大气固定污染源氟化物的测定离子选择电极法
HJ 84 水质无机阴离子(F-、Cl-、NO2-、Br-、NO3-、PO43-、SO32-、SO42-)的测定离子色谱法HJ/T 91 地表水和污水监测技术规范
HJ/T 195 水质氨氮的测定气相分子吸收光谱法
HJ/T 200 水质硫化物的测定气相分子吸收光谱法
HJ/T 397 固定源废气监测技术规范
HJ/T 399 水质化学需氧量的测定快速消解分光光度法
HJ 479 环境空气氮氧化物(一氧化氮和二氧化氮)的测定盐酸萘乙二胺分光光度法
HJ 482 环境空气二氧化硫的测定甲醛吸收-副玫瑰苯胺分光光度法
HJ 483 环境空气二氧化硫的测定四氯汞盐吸收-副玫瑰苯胺分光光度法
HJ 484 水质氰化物的测定容量法和分光光度法
HJ 487 水质氟化物的测定茜素磺酸锆目视比色法
HJ 488 水质氟化物的测定氟试剂分光光度法
HJ 493 水质样品的保存和管理技术规定
HJ 494 水质采样技术指导
HJ 495 水质采样方案设计技术规定
HJ 502 水质挥发酚的测定溴化容量法
HJ 503 水质挥发酚的测定4-氨基安替比林分光光度法
HJ 533 环境空气和废气氨的测定纳氏试剂分光光度法
HJ 535 水质氨氮的测定纳氏试剂分光光度法
HJ 536 水质氨氮的测定水杨酸分光光度法
HJ 537 水质氨氮的测定蒸馏-中和滴定法
HJ 629 固定污染源废气二氧化硫的测定非分散红外吸收法
HJ 636 水质总氮的测定碱性过硫酸钾消解紫外分光光度法
HJ 637 水质石油类和动植物油类的测定红外分光光度法
HJ 646 环境空气和废气气相和颗粒物中多环芳烃的测定气相色谱-质谱法HJ 647 环境空气和废气气相和颗粒物中多环芳烃的测定高效液相色谱法HJ 665 水质氨氮的测定连续流动-水杨酸分光光度法
HJ 666 水质氨氮的测定流动注射-水杨酸分光光度法
HJ 667 水质总氮的测定连续流动-盐酸萘乙二胺分光光度法
HJ 668 水质总氮的测定流动注射-盐酸萘乙二胺分光光度法
HJ 670 水质磷酸盐和总磷的测定连续流动-钼酸铵分光光度法
HJ 671 水质总磷的测定流动注射-钼酸铵分光光度法
HJ 692 固定污染源废气氮氧化物的测定非分散红外吸收法
HJ 693 固定污染源废气氮氧化物的测定定电位电解法
HJ 700 水质65种元素的测定电感耦合等离子体质谱法
HJ 776 水质32种元素的测定电感耦合等离子体发射光谱法
HJ 819 排污单位自行监测技术指南总则
HJ 823 水质氰化物的测定流动注射-分光光度法
HJ 824 水质硫化物的测定流动注射-亚甲基蓝分光光度法
HJ 825 水质挥发酚的测定流动注射-4-氨基安替比林分光光度法
HJ 828 水质化学需氧量的测定重铬酸盐法
HJ 836 固定污染源废气低浓度颗粒物的测定重量法
HJ 863.2 排污许可证申请与核发技术规范有色金属工业——铝冶炼
HJ 955 环境空气氟化物的测定滤膜采样/氟离子选择电极法
HJ 956 环境空气苯并[a]芘的测定高效液相色谱法
HJ 989 排污单位自行监测技术指南有色金属工业
HJ 1119 排污许可证申请与核发技术规范石墨及其他非金属矿物制品制造DB41/ 1066 工业窑炉大气污染物排放标准
《污染源自动监控管理办法》国家环境保护总局令第28号
《环境监测管理办法》国家环境保护总局令第39号
3 术语和定义
下列术语和定义适用于本文件。
3.1
铝工业企业
铝土矿山、氧化铝厂、电解铝厂和铝用炭素生产企业或生产设施。
3.2
新建企业
本标准实施之日起环境影响评价文件通过审批的新建、改建和扩建的铝工业建设项目。
3.3
现有企业
本标准实施之日前已建成投产或环境影响评价文件已通过审批的铝工业生产企业或生产设施。
3.4
标准状态
温度为273.15 K、压力为101.325 kPa时的状态。
本标准规定的大气污染物排放浓度限值均以标准状态下的干气体为基准。
3.5
企业边界
企业或生产设施的法定边界。
若难以确定法定边界,则指企业或生产设施的实际占地边界。
3.6
排气筒高度
自排气筒(或其主体建筑构造)所在的地平面至排气筒出口计的高度。
3.7
封闭
利用完整的围护结构将物料、作业场所等与周围空间阻隔的状态或作业方式,设置的门窗、盖板、检修口等配套设施在非必要时应关闭。
3.8
密闭
物料不与环境空气接触,或通过密封材料、密封设备与环境空气隔离的状态或作业方式。
3.9
单位产品基准排水量
用于核定水污染物排放浓度而规定的生产单位铝产品的废水排放量上限值。
3.10
直接排放
排污单位直接向环境排放水污染物的行为。
3.11
间接排放
排污单位向公共污水处理系统排放水污染物的行为。
3.12
排水量
企业或生产设施向企业法定边界以外排放的废水的量,包括与生产有直接或间接关系的各种外排废水(如厂区生活污水、冷却废水、厂区锅炉和电站排水等)。
3.13
公共污水处理系统
通过纳污管道等方式收集污水,为两家以上排污单位提供污水处理服务并且排水能够达到相关排放标准要求的企业或机构,包括各种规模和类型的城镇污水处理厂、区域(包括各类工业园区、开发区、产业集聚区、工业聚集地等)污水处理厂等,其污水处理程度应达到二级或二级以上。
4 污染物排放控制要求
4.1 实施时间
新建企业自2020年6月1日起,现有企业自2021年1月1日起,按本标准规定执行。
4.2 大气污染物排放控制要求
4.2.1 企业大气污染物的排放按表1规定执行。
表1 大气污染物排放限值
单位:mg/m3
4.2.2 氧化铝企业石灰炉(窑)按DB41/ 1066规定执行。
4.2.3 企业边界大气污染物任何1h平均浓度按表2规定执行。
表2 企业边界大气污染物限值
单位:mg/m3
4.2.4 排气筒高度应不低于15 m(因安全考虑或有特殊工艺要求的除外)。
4.2.5 在保障生产安全的前提下,企业物料进料采用专用运输车,卸料应采取密闭或封闭措施,料场应安装抑尘设施;散状物料应采用密闭或封闭输送方式,输送落料点、给料点应配备集尘罩和除尘系统。
4.2.6 各生产装置和环节须设立局部或整体气体收集系统,有效收集各生产环节产生的废气,控制废气无组织排放。
铝电解槽热残极冷却烟气应收集输送至电解烟气净化排放系统,减少热残极冷却无组织废气排放。
4.3 水污染物排放控制要求
4.3.1 企业水污染物的排放按表3规定执行。
表3 水污染物排放限值
单位:mg/L(pH值除外)
4.3.2 企业单位产品基准排水量按表4规定执行。