(仅供参考)除菌过滤工艺验证顿昕
- 格式:pdf
- 大小:1.97 MB
- 文档页数:13
除菌过滤器验证方案一、背景介绍随着健康意识的提高,人们对于居住环境的清洁与卫生要求也日益提高。
为了提供更干净、更健康的室内空气,除菌过滤器的应用逐渐成为一种趋势。
为了确保除菌过滤器的有效性和可靠性,本文将分享一套验证方案,以确保其工作效果符合相关标准和要求。
二、验证目标我们的验证方案旨在验证除菌过滤器在实际使用条件下的过滤效果,具体目标如下:1. 测定除菌过滤器对细菌、病毒、灰尘等有害物质的过滤效率;2. 测定除菌过滤器使用寿命内的持续性能稳定性;3. 确保除菌过滤器的设计和材料符合相关标准和要求。
三、验证方法1. 样品准备从供应商处获取足够数量的除菌过滤器样品。
确保样品的来源可靠,符合相关标准和规定。
2. 过滤效率测试通过实验室测试,测定除菌过滤器对各种细菌、病毒和灰尘颗粒的过滤效率。
测试过程包括以下步骤:a) 准备标准菌种和病毒悬浮液,确保其浓度和纯度满足要求;b) 设置合适的试验设备,模拟真实使用条件;c) 将待测试的除菌过滤器安装到试验设备中,并按照操作说明进行正常运行;d) 通过取样分析等方法,定期监测除菌过滤器对有害物质的过滤效率,并记录测试结果。
3. 持续性能稳定性测试为了确保除菌过滤器在使用寿命期间能够持续保持效果稳定,需要进行持续性能稳定性测试。
测试过程如下:a) 设置实验条件,模拟除菌过滤器在实际使用环境中的工作情况;b) 运行除菌过滤器,并定期监测其运行状态、过滤效果等参数;c) 对于运行中出现的异常情况,及时记录并分析原因;d) 根据测试结果,判断除菌过滤器的持续性能稳定性是否符合要求。
4. 设计与材料审核除菌过滤器的设计和材料对其最终效果至关重要。
通过对设计图纸和材料报告的审核,确保除菌过滤器的设计和材料符合相关的标准和要求。
四、验证结果与分析根据上述验证方法,我们获得了有关除菌过滤器过滤效率、持续性能稳定性以及设计与材料的验证结果。
通过对数据的分析和比较,我们可以得出以下结论:1. 除菌过滤器在经过实验室测试后,对有害物质的过滤效率达到了要求,并能够有效去除细菌、病毒和灰尘等污染物;2. 持续性能稳定性测试结果表明,除菌过滤器在使用寿命期间能够持续保持高效的过滤效果,工作稳定可靠;3. 设计与材料的审核结果显示,除菌过滤器的设计与材料符合相关标准和要求,能够满足用户的需求。
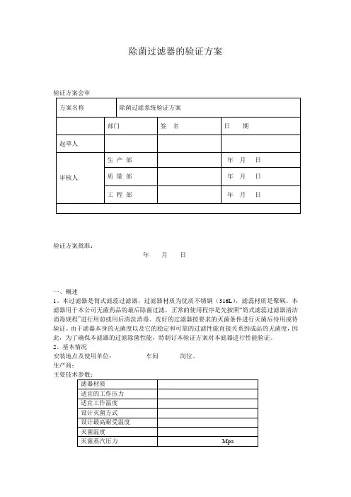
除菌过滤器的验证方案验证方案会审验证方案批准:年月日一、概述1、本过滤器是筒式滤蕊过滤器,过滤器材质为优质不锈钢(316L),滤蕊材质是聚砜。
本滤器用于本公司无菌药品的最后除菌过滤,正常的使用程序是先按照“筒式滤蕊过滤器清洁消毒规程”进行用前或用后清洗消毒。
洗好的过滤器按要求的灭菌条件进行灭菌后待用或待验证。
由于滤器本身的无菌度以及它的稳定和可靠的过滤性能直接关系到成品的无菌度,因此,为了确保本滤器的过滤除菌性能,特制订本验证方案对本滤器进行性能验证。
2、基本情况安装地点及使用单位:车间岗位。
生产商:主要技术参数:二、验证目的:确认滤芯与药液之间相互不产生不良影响,过滤器完好,除菌能力符合要求。
三、验证范围:在稀配后灌装前的药液,除菌过滤使用的0.20μm聚砜滤芯。
四、验证组织及验证人员组成通过对验证人员的培训,明确验证的目的和验证的程序和项目,确保验证数据的可靠性。
五、验证的内容及可接受的标准:1 起泡点试验1.1 目的确定使用的药液过滤器孔径与工艺规定使用的孔径是否相符。
1.2 实验用材料、介质和器具无油无菌压缩空气、压力表、注射用水。
1.3 方法将已清洁和灭菌的除菌过滤器装上待测滤蕊,用注射用水充分浸润,夹闭排气孔,将进液端用高强度管道与压力表和无菌压缩空气或氮气连接,逐渐开启供气阀,向待测过滤器中通入无菌压缩空气或氮气,观察过滤器组合中的压力表示数的变化。
当过滤器组合的后部导管出口处出现第一个气泡时,读取压力表指示值,此压力数值即为过滤器滤蕊的起泡点压力,将此压力与下表对照,可得出待测过滤器滤蕊的实际孔径。
1.4 判断标准待测过滤器起泡点压力应大于或等于下表所示孔径所对应压力数值:1.5.实验结果2 过滤器溶出物试验2.1 实验目的检查除菌过滤器在注射用水中的溶出效应,核实过滤器在使用过程中是否向注射用水或被过滤液体中释放化学物质。
2.2 实验方法先用注射用水冲洗已装滤蕊的完整过滤器,并将过滤器内灌满注射用水,在蒸汽灭菌机内灭菌(121℃,20min),然后取出过滤器中水样,按《中国药典》(二部)所载注射用水检查项目中易氧化物的检验内容进行易氧化物检验,并对此注射用水进行热原试验和急性毒性试验。
除菌过滤工艺验证是一种用于确认过滤系统能够有效去除微生物的方法。
以下是一般的除菌过滤工艺验证的步骤:
设计验证方案:确定验证的目标、范围和计划。
考虑到产品的特性、要求和过滤系统的配置,制定验证方案。
准备验证样本:准备含有代表性微生物的验证样本。
可以使用经过标准化的微生物悬浮液或特定的微生物株系。
确保验证样本中微生物的浓度和存活率符合要求。
进行验证试验:将验证样本通过待验证的过滤系统进行过滤。
注意在试验过程中遵循严格的操作规程和规范,确保验证过程的准确性和可重复性。
收集样本和分析:收集通过过滤系统后的样本,并将样本送往实验室进行微生物分析。
通过分析验证样本中的微生物数量和存活率,评估过滤系统的除菌效果。
数据分析和结果评估:对验证试验的数据进行分析和解释,评估过滤系统的除菌效果。
与事先设定的标准或要求进行比较,确定是否符合要求。
编写验证报告:根据验证结果编写验证报告,详细记录验证方案、试验过程、数据分析和结论。
验证报告应清晰地说明过滤系统的除菌效果以及是否达到预期要求。
需要注意的是,除菌过滤工艺验证的具体方法和要求可能因不同的行业、产品和标准而有所不同。
在进行验证之前,应仔细研究适用的法规、行业指南和标准,并遵循相关的操作规程和规定。
此外,验证应由专业人员进行或在专业指导下进行,以确保验证过程的可靠性和有效性。
除菌过滤系统验证方案验证方案的申请与审批验证方案的起草验证方案的审核验证方案的批准目录1.概述及验证方案说明1.1.概述1.2.验证目的1.3.验证范围1.4.验证职责2.验证仪器、试剂及文件说明2.1.验证仪器2.2.验证试剂2.3.相关文件3.验证内容3.1.细菌截留验证及滤芯化学兼容性验证3.1.1.杀菌性能验证3.1.2.验证前准备3.1.3.验证步骤3.2.溶出物验证3.2.1.验证前准备3.2.2.验证步骤3.3.吸附验证3.4.可见异物检查4.验证结果评价及结论5.正常运行后的控制要点6.验证周期1.概述及验证方案说明1.1.概述我公司的冻干粉针剂为非最终灭菌的无菌制剂,除菌过滤是整个工艺流程中保证药液无菌的重要环节。
公司在生产中使用的除菌过滤系统包括滤芯、滤壳。
滤芯为上海金科生产的0.2um的除菌级聚醚砜滤芯,规格为5英寸;过滤设备为山东潍坊精鹰生产的配液、除菌过滤系统。
1.2验证目的:通过此验证,证明该除菌过滤系统符合本公司注射用生长抑素冻干粉针剂生产工艺要求和GMP规定。
1.3验证范围本方案适用于本公司的注射用生长抑素冻干粉针剂在新建冻干粉针剂车间的除菌过滤系统验证。
1.4验证职责2.验证仪器、试剂及文件说明2.1验证仪器2.2.验证试剂2.3.相关文件5.验证内容:5.1. 细菌截留验证及滤芯化学兼容性验证取规格为107CFU/片的菌片,将其培养成1010CFU/ml的菌悬液,备用。
根据10版GMP要求,验证细菌截留时,滤膜单位面积除菌量不得低于107CFU/cm2。
2.5寸的滤芯过滤面积为1250cm2,因此所需菌液量不能少于1.25×1010CFU缺陷假单胞菌。
5.1.1杀菌性能验证3.1.1.1从生产线中取已配置好的生长抑素半成品溶液100ml,用移液枪移加入1ml浓度为1010CFU/ml的菌悬液,混匀。
取混匀后溶液1ml,稀释涂布培养,平行操作两份,作为对照组。
xxxxx制药有限公司GMP文献验证方案审批表除菌过滤系统验证方案验证方案目录1.概述2.验证目旳3.验证范畴4.验证部门职责5.采用旳文献5.1《中国药典》xxxx版x部xx页5.2药物生产质量管理规范(xxxx年修订)5.3药物生产验证指南(xxxx)5.4无菌制剂质量风险控制验证5.5原则操作程序5.6质量原则5.7检查原则操作程序5.8取样原则工作程序6. 生产操作过程简述7. 验证程序7.1除菌过滤系统验证7.2灭菌后产品检查除菌过滤系统验证方案1.概述xxxx注射剂是我公司生产近上市品种,也是药典品种,是用于xxx病、xxxxxx、xxxxxxx 等旳治疗旳一种液体制剂。
该产品旳特点是药效明确,药性稳定、安全。
确认除菌过滤0.22μm聚醚砜筒式滤芯,使微生物旳截留达到除菌过滤目旳,因此在该产品旳整体工艺设计上采用微生物残存概率百万分之一(SAL=10-6),并采用105℃、30分钟灭菌方式,使最后产品符合质量规定。
采用旳工艺方案流程如下:原料药→浓配液→稀配液→除菌过滤→灌装→轧盖→灭菌→成品附图(一)为此,验证小组对所用旳0.22μm聚醚砜筒式滤芯除菌过滤系统进行了验证,以保证按本工艺流程生产出来旳产品品质稳定、安全有效。
2.验证目旳除菌过滤系统在整个工艺流程中旳地位是极其重要旳,我们通过它来达到药液中除菌旳目旳。
这套系统自身旳合理性对产品质量保证也有重要影响。
因此,我们通过对该系统作前验证,来建立有科学根据,且有可靠质量保证旳过滤除菌系统,以维持全套工艺流程旳稳定性。
3.验证范畴:输液车间用于稀配岗位所用旳0.22μm除菌过滤系统。
4.验证部门职责:验证负责部门职责5.采用旳文献5.1《中国药典》xxxx年版x部xx页5.2药物生产质量管理规范(xxxx年修订)5.3药物生产验证指南(xxxx)5.4无菌制剂质量风险控制验证5.5原则操作程序5.6取样原则工作程序5.7检查原则操作程序6.验证需用旳硬件、软件6.1硬件6.1.1过滤系统设备及组件过滤系统组件及设备旳构成:6.2.1 工艺验证内容及可接受原则对本过滤系统工作旳验证,在内容上,重要涉及如下三部分内容:a.对微生物旳截留验证。
除菌过滤系统验证方案1. 概述XXX剂是我公司获得“国家中药保护品种”称号的一种液体制剂。
该产品的特点是药效明确,药性稳定、安全、卫生、外观澄清。
因此在该产品的整体工艺设计上采用了非最终灭菌方式,并用棕色半透明塑料容器盛装。
我们拟采用的工艺方案如下:原药液→粗配液→精配液→除菌过滤→无菌灌装→成品。
为此,我们验证小组对所用的除菌过滤系统进行了验证,以确保按本工艺流程生产出来的产品品质稳定、安全卫生,且外观澄清度也符合规定。
1.1验证对象液体制剂车间配制岗位所用的除菌过滤系统,1.2验证方法我们采取前验证方法进行验证。
1.3验证目的除菌过滤系统在我们整个工艺流程中的地位是极其重要的,我们通过它来达到药液中除菌的目的。
这套系统本身的合理性对产品质量保证也有重要影响。
因此,我们通过对该系统作前验证,来建立有科学依据,且有可靠质量保证的过滤除菌系统,以维持全套工艺流程的稳定性。
2. 验证小组结构2.1参与部门生产部、质量保证部2.2 参与人员3. 验证需用的硬件、软件3.1硬件3.1.1过滤系统组件及设备过滤系统组件及设备的构成如下:3.1.2计量仪器一览表3.2工艺验证内容及可接受标准4. 验证过程对本过滤系统工作的验证,在内容上,主要包括以下四部分内容:a.对微生物的截留验证。
b.对有效成分的截留验证。
c.滤膜完整性验证起泡点试验。
d.可溶出成分的卫生安全性验证。
4.1对微生物的截留验证4.1.1验证目的用过滤含有定量指示细菌的培养基,模拟实际过滤工艺的方法来确认除菌过滤器的过滤能力。
4.1.2指示菌a. 缺陷假单孢菌ATCC19146(由上海第二医科大学科技发展有限公司提供),该菌平均直径0.3μm。
它不能穿透孔径为0.22μm的滤膜。
指示菌量=过滤器膜面积(㎝2)×107个/㎝2我们所用0.22μ聚醚砜滤芯的有效过滤面积为0.7㎡故所需指示菌量为:7000(㎝2)×107=7×1010个b. 由上海第二医科大学科技发展有限公司提供的缺陷假单孢菌规格为1010个/菌片,所以我们投入的指示菌量为七片菌片。
除菌过滤系统验证方案编制人:编制日期:审核人:审核日期:批准人:批准日期:实施日期:验证方案目录1.概述及验证方案说明 (4)1.1概述 (4)1.2验证目的 (4)1.3验证实施条件 (4)2.预确认 (4)2.1目的 (5)2.2项目 (5)2.3小结 (5)3.安装确认 (5)3.1目的 (5)3.2项目 (5)3.3小结 (6)4.性能确认 (6)4.1目的 (6)4.2项目 (6)4.2.1过滤速度、过滤能力、对微粒截留效果、物料平衡、清洗效果的确认 (6)4.2.2对药液质量影响的确认 (8)4.3小结 (8)5.异常情况处理程序 (8)6.验证周期的确认 (9)附表2.1预确认检查记录 (10)3.1安装确认检查记录 (11)4.1最佳泵速确认记录 (12)4.2过滤能力确认记录 (13)4.3系统损耗量及完整性确认记录 (14)4.4清洗效果确认记录 (15)4.5过滤效果确认记录 (16)4.6过滤对药液质量影响确认记录 (17)4.7性能确认小结 (18)1.概述及验证方案说明1.1概述****为非最终灭菌的无菌制剂,除菌过滤是整个工艺流程中保证药液无菌的重要环节。
我公司在生产中使用的除菌过滤系统由粗滤系统和精滤系统组成,包括滤芯、滤壳、硅胶管、蠕动泵。
滤芯为****厂生产的聚醚砜滤芯,规格为5英寸、通过精度为0.2μm;滤壳为先维过滤设备厂生产的316L不锈钢滤筒;硅胶管为美国道康宁公司生产的药用级硅胶管,径为**英寸(**mm),壁厚为**英寸(**mm);蠕动泵为****生产的****型工业蠕动泵。
粗滤系统由滤芯(5英寸,0.2μm),滤壳和两根各****m长硅胶管组成;精滤系统由滤芯(5英寸,0.2μm),滤壳和一根****m长、一根****m长硅胶管组成。
1.2验证目的通过对设备厂家资质、技术文件、设备材质的检查,及对设备各项性能的试验,证明该设备符合生产工艺要求和GMP规定。
除菌过滤工艺验证策略与再验证再验证经过验证被用于特定除菌过滤工艺的除菌过滤器,在工艺条件发生改变或者过滤器制造方面发生改变是,需要进行再验证。
包括但不限于下列情况,需要考虑进行再验证:●单位面积的流速高于已验证的参数●过滤压差超过被验证参数●暴露时间超过被验证的时间●过滤面积不变的情况下提高过滤量●过滤温度改变●产品配方改变,包括浓度、pH或电导率●过滤器的灭菌程序改变●改变过滤器的制造商,或者过滤器的生产者改变了过滤膜的配方以及过滤器的其它结构性材料【实例分析】A. 修改的方法如前述,如果在工艺条件下挑战微生物不能存活或者生存力受到影响,在用产品预处理过滤器后,采用修改的方法进行测试。
下面给出一些方法修改的例子,实际应用时,可采用一种或几种进行组合测试。
应当认识到,如果有良好的科学解释,其它方式的方法修改也可能是适合的。
(1)减少暴露时间有些情况下,挑战微生物不一定在整个工艺时间下都能在产品中存活。
在挑战实验预处理阶段接近尾声的时候直接用足够浓度(见前文实施指导“D.培养基维护和挑战微生物制备”)的挑战微生物接种产品。
有一点是很重要的,将一个0.45微米阳性对照过滤器与测试过滤器平行运行,以确证微生物的尺寸和存活。
另一个办法是将挑战微生物在静态状态下置于挑战流体中。
将挑战微生物以工艺温度暴露在产品中,并在模拟工艺条件下用产品循环对过滤器进行预处理后,就可在最差条件(压差和流速)下挑战过滤器了。
挑战时间应被缩减,以确保在实际暴露、挑战和回收期间挑战微生物存活。
0.45微米阳性对照过滤器与测试过滤器平行运行,以确认微生物的存活。
(2)修改测试方法的参数在挑战有杀菌能力的产品时,测试方法参数修改是有用的,因为这种方法可以只改变一个工艺变量,例如温度。
使用这种方式以维持产品和细菌的相互反应。
这种方法不能解决所有可能的工艺/产品/挑战微生物的交互反应,但是可以实现标准挑战微生物的运用。
在实际工艺条件下使用产品对过滤器进行预处理后,工艺中的杀菌部分如温度被修改了,细菌挑战可以进行了。
. .编制人:编制日期:审核人:审核日期:批准人:批准日期:实施日期:………………………………………………………………1.1 概述…………………………………………………………………………………1.2 验证目的……………………………………………………………………………1.3 验证实施条件………………………………………………………………………………………………………………………………………………………2.1 目的…………………………………………………………………………………2.2 工程…………………………………………………………………………………2.3 小结………………………………………………………………………………………………………………………………………………………………3.1 目的…………………………………………………………………………………3.2 工程…………………………………………………………………………………3.3 小结…………………………………………………………………………………4.1 目的…………………………………………………………………………………4.2 工程…………………………………………………………………………………4.2.1 过滤速度、过滤能力、对微粒截留效果、物料平衡、清洗效果确实认……4.2.2 对药液质量影响确实认…………………………………………………………4.3 小结…………………………………………………………………………………444445555556666688. . (8) (9)2.1 预确认检查记录……………………………………………………………………3.1 安装确认检查记录…………………………………………………………………4.1 最正确泵速确认记录…………………………………………………………………4.2 过滤能力确认记录…………………………………………………………………4.3 系统损耗量及完整性确认记录……………………………………………………4.4 清洗效果确认记录…………………………………………………………………4.5 过滤效果确认记录…………………………………………………………………4.6 过滤对药液质量影响确认记录……………………………………………………4.7 性能确认小结 (10)1112131415161718****为非最终灭菌的无菌制剂,除菌过滤是整个工艺流程中保证药液无菌的重要环节。
除菌过滤器验证方案引言除菌过滤器是一种常见的设备,用于去除空气或液体中的细菌和微生物。
在医疗、食品加工和实验室等领域,除菌过滤器的准确性和可靠性至关重要。
因此,本文将介绍一个除菌过滤器验证方案,以确保设备的性能符合预期要求。
1. 验证目标验证方案的首要目标是评估除菌过滤器的过滤效率和细菌清除能力。
以下是具体的验证目标: - 确定过滤器对特定细菌株的清除效率。
- 确定过滤器对不同颗粒大小的微生物的过滤效果。
- 评估过滤器的操作时间和工作流量。
- 确定过滤器的适用范围和使用寿命。
2. 实验设备和材料进行除菌过滤器验证实验需要以下设备和材料: - 除菌过滤器:选择合适的规格和型号,以满足所需的除菌要求。
- 细菌培养基:用于培养细菌株。
- 培养皿:用于培养细菌株。
- 移液器和标准曲线:用于测量细菌株的浓度。
- 实验室平衡:用于称量和配制培养基。
- 大气压差仪:用于测量过滤器的工作压力差。
- LAL试剂:用于检测过滤器的内毒素水平。
3. 实验步骤以下是进行除菌过滤器验证的基本步骤: 1. 准备细菌株和培养基。
2. 将细菌株接种到培养基中,并在适宜的条件下孵育。
3. 使用移液器从培养皿中取出一定量的细菌悬液,用于后续实验操作。
4. 使用实验室平衡称量一定重量的除菌过滤器。
5. 将细菌悬液传递到除菌过滤器上,并记录过滤时间和工作流量。
6. 使用大气压差仪测量过滤器的工作压力差。
7. 收集通过过滤器的悬浊液样品,用于细菌测定。
8. 使用LAL试剂检测悬浊液样品中的内毒素水平。
9. 分析和评估验证实验结果。
4. 数据分析和评估在完成实验后,对实验数据进行详细分析和评估是验证方案的重要部分。
以下是数据分析和评估的一般步骤: - 计算每个过滤器样本的细菌清除率。
- 分析细菌测定数据,比较通过过滤器的悬浊液样品和初始细菌株的浓度。
- 比较不同粒径大小细菌的过滤效果。
- 比较不同过滤时间和工作流量的影响。
除菌过滤器的验证要求细菌的去除性能FDA将除菌级过滤器定义为“当过滤器用不小于107/cm2个缺陷假单胞菌(Brevundimonas diminuta ATTC 19146)进行过滤挑战试验时,下游滤过液被证明是无菌。
”除菌过滤器必须首先符合FDA这一要求,而且必须模拟实际生产中最恶劣的条件,即挑战到细菌堵塞过滤器(压差大于0.35MPa),这样的过滤器就是通常所说的0.2um 或0.22um除菌过滤器。
完整性测试除菌过滤器必须可以进行非破坏性完整性试验,FDA建议过滤前后都要进行,而所用完整性试验数据标准必须与过滤器破坏性试验,如细菌挑战试验相关联,并留有足够的安全系数,扩散流,起泡点,水侵入法,压力衰减试验都是FDA容许的完整性试验方法。
过滤操作条件确定保持除菌性能时,最恶劣的操作条件,即最高最低操作温度,压力,粘度,pH,离子强度等。
过滤器所有材质过滤器所用材料,如滤膜,保护罩,支撑无纺布,密封圈等需符合USP Class Ⅵ121℃塑料生物安全性试验标准。
颗粒清洁度过滤器需用注射用水冲洗后符合美国药典(United States Pharmacopeia,USP)颗粒清洁度的要求,无纤维脱落。
溶剂萃取物用有关溶剂萃取后,萃取后需符合USP关于氧化物含量的要求。
过滤器消毒批次记录必须保证易于进行工艺追踪和质量控制。
除菌过滤器的验证程序(1)确定过滤产品的目标品种确认过滤前常见细菌类型,微生物含量,颗粒含量,过滤后目标是无菌,无颗粒(或无支原体,无病毒等)(2)确定过滤产品的生产工艺及物理化学参数。
如pH,粘度,温度,表面张力,离子强度及变化范围等。
每一批次液体批量,处理时间,过滤器入口压力,过滤器出口压力等。
(3)所选过滤器的评价除菌过滤器评价项目基本上是根据过滤器供货商提供的数据(一般以验证指南Validation Guide 或产品介绍形式提供)进行,其内容包括:a.材料的安全性;b.液体中细菌挑战试验数据;c.完整性测试方法及标准值;d.消毒条件(方法,温度及时间等);e.使用条件(最高容许压力,化学兼容性);f.最终试验证书。