公制螺纹量规尺寸标准对照表
- 格式:xls
- 大小:90.00 KB
- 文档页数:8
尺寸偏差±T PL 尺寸偏差±T PL /2磨损下限尺寸M1.4 1.4 1.2050.260.300.002####0.0070.00950.0075 1.4020.0070 1.20720.0035 1.1977 1.349M1.7 1.7 1.4730.30.3500.006####0.0090.01250.0095 1.7060.0090 1.47870.0045 1.4662 1.638M22 1.7400.350.400.006####0.0090.01250.0095 2.0060.0090 1.74620.0045 1.7337 1.921M2.5 2.5 2.2080.390.4500.006####0.0090.01250.0095 2.5060.0090 2.21370.0045 2.2012 2.405M2.6 2.6 2.3080.390.4500.006####0.0090.01250.0095 2.6060.0090 2.31370.0045 2.3012 2.505M33 2.6750.430.500.006####0.0090.01250.0095 3.0060.0090 2.68130.0045 2.6688 2.888M44 3.5450.610.700.006####0.0090.01250.0095 4.0060.0090 3.55140.0045 3.5389 3.819M4*0.54 3.6750.430.500.006####0.0090.01250.0095 4.0060.0090 3.68130.0045 3.6688 3.888M55 4.4800.690.800.006####0.0090.01250.0095 5.0060.0090 4.48640.0045 4.4739 4.783M5*0.55 4.6750.430.500.006####0.0090.01250.0095 5.0060.0090 4.68130.0045 4.6688 4.888M66 5.3510.87100.012####0.0110.01750.0115 6.0120.0110 5.36250.0055 5.3450 5.723M6*0.756 5.5130.650.7500.012####0.0110.01750.0115 6.0120.0110 5.52490.0055 5.5074 5.813M7*0.757 6.5130.650.7500.012####0.0110.01750.01157.0120.0110 6.52490.0055 6.5074 6.813M887.188 1.08 1.2500.012####0.0110.01750.01158.0120.01107.20010.00557.18267.624M8*0.587.6750.430.500.006####0.0090.01250.00958.0060.00907.68130.00457.66887.900M8*0.7587.5130.650.7500.012####0.0110.01750.01158.0120.01107.52490.00557.50747.813M8*187.3510.87100.012####0.0110.01750.01158.0120.01107.36250.00557.34507.723M9*0.598.6750.430.500.006####0.0090.01250.00959.0060.00908.68130.00458.66888.900W GOW NGHPEIZ PLTD 2T PL通规T大径D+EI+Z PL 中径D 2+EI+Z PL大径D 2+EI+TD 2+T PL /2+2F 1螺纹规格(6H )公称尺寸D 中径尺寸D 2尺寸偏差±T PL尺寸偏差±T PL/2磨损下限尺寸W GO W NG H P EI Z PL TD2T PL通规T大径D+EI+Z PL中径D2+EI+Z PL大径D2+EI+TD2+T PL/2+2F1螺纹规格(6H)公称尺寸D中径尺寸D2M10109.026 1.3 1.500.012####0.0110.01750.011510.0120.01109.03780.00559.02039.536 M10*0.5109.6750.430.500.006####0.0090.01250.009510.0060.00909.68130.00459.66889.900 M10*0.75109.5130.650.7500.012####0.0110.01750.011510.0120.01109.52490.00559.50749.813 M10*1109.3510.87100.012####0.0110.01750.011510.0120.01109.36250.00559.34509.723 M10*1.25109.188 1.08 1.2500.012####0.0110.01750.011510.0120.01109.20010.00559.18269.624 M121210.863 1.52 1.7500.012####0.0110.01750.011512.0120.011010.87540.005510.857911.448 M12*0.51211.6750.430.500.006####0.0090.01250.009512.0060.009011.68130.004511.668811.906 M12*11211.3510.87100.012####0.0110.01750.011512.0120.011011.36250.005511.345011.733 M12*1.51211.026 1.3 1.500.012####0.0110.01750.011512.0120.011011.03780.005511.020311.546 M141412.701 1.73200.016####0.0140.01750.011514.0160.014012.71700.007012.699513.353 M14*11413.3510.87100.012####0.0110.01750.011514.0120.011013.36250.005513.345013.733 M14*1.251413.188 1.08 1.2500.012####0.0110.01750.011514.0120.011013.20010.005513.182613.644 M14*1.51413.026 1.3 1.500.012####0.0110.01750.011514.0120.011013.03780.005513.020313.546 M14*21412.701 1.73200.016####0.0140.0210.01514.0160.014012.71700.007012.696013.353 M15*0.51514.6750.430.500.006####0.0090.01250.009515.0060.009014.68130.004514.668814.906 M15*11514.3510.87100.012####0.0110.01750.011515.0120.011014.36250.005514.345014.733 M161614.701 1.73200.016####0.0140.0210.01516.0160.014014.71700.007014.696015.353 M16*0.51615.6750.430.500.006####0.0090.01250.009516.0060.009015.68130.004515.668815.906尺寸偏差±T PL尺寸偏差±T PL/2磨损下限尺寸W GO W NG H P EI Z PL TD2T PL通规T大径D+EI+Z PL中径D2+EI+Z PL大径D2+EI+TD2+T PL/2+2F1螺纹规格(6H)公称尺寸D中径尺寸D2M16*1.51615.026 1.3 1.500.012####0.0110.01750.011516.0120.011015.03780.005515.020315.546 M18*0.51817.6750.430.500.006####0.0090.01250.009518.0060.009017.68130.004517.668817.906 M18*11817.3510.87100.012####0.0110.01750.011518.0120.011017.36250.005517.345017.733 M18*21816.701 1.73200.016####0.0140.0210.01518.0160.014016.71700.007016.696017.353 M20*0.52019.6750.430.500.006####0.0090.01250.009520.0060.009019.68130.004519.668819.906 M20*12019.3510.87100.012####0.0110.01750.011520.0120.011019.36250.005519.345019.733 M20*1.52019.026 1.3 1.500.012####0.0110.01750.011520.0120.011019.03780.005519.020319.546 M22*0.52221.6750.430.500.006####0.0090.01250.009522.0060.009021.68130.004521.668821.906 M22*12221.3510.87100.012####0.0110.01750.011522.0120.011021.36250.005521.345021.733 M22*1.52221.026 1.3 1.500.012####0.0110.01750.011522.0120.011021.03780.005521.020321.546 M24*12423.3510.87100.012####0.0110.01750.011524.0120.011023.36250.005523.345023.743 M24*1.52423.026 1.3 1.500.012####0.0110.01750.011524.0120.011023.03780.005523.020323.556 M25*1.52524.026 1.3 1.500.012####0.0110.01750.011525.0120.011024.03780.005524.020324.556 M26*1.52625.026 1.3 1.500.012####0.0110.01750.011526.0120.011025.03780.005525.020325.556 M30*0.753029.5130.650.7500.012####0.0110.01750.011530.0120.011029.52490.005529.507429.831 M30*13029.3510.87100.012####0.0110.01750.011530.0120.011029.36250.005529.345029.743 M30*1.53029.026 1.3 1.500.012####0.0110.01750.011530.0120.011029.03780.005529.020329.556 M30*23028.701 1.73200.016####0.0140.0210.01530.0160.014028.71700.007028.696029.365尺寸偏差±T PL尺寸偏差±T PL/2磨损下限尺寸W GO W NG H P EI Z PL TD2T PL通规T大径D+EI+Z PL中径D2+EI+Z PL大径D2+EI+TD2+T PL/2+2F1螺纹规格(6H)公称尺寸D中径尺寸D2M33*1.53332.026 1.3 1.500.012####0.0110.01750.011533.0120.011032.03780.005532.020332.556 M35*1.53534.026 1.3 1.500.012####0.0110.01750.011535.0120.011034.03780.005534.020334.556 M36*1.53635.026 1.3 1.500.012####0.0110.01750.011536.0120.011035.03780.005535.020335.556 M42*24240.701 1.73200.016####0.0140.0210.01542.0160.014040.71700.007040.696041.365 M45*1.54544.026 1.3 1.500.012####0.0110.01750.011545.0120.011044.03780.005544.020344.556 M50*1.55049.026 1.3 1.500.016####0.0140.0210.01550.0160.014049.04180.007049.020849.570 M52*35250.052 2.6300.016####0.0140.0210.01552.0160.014050.06750.007050.046550.988 M58*1.55857.026 1.3 1.500.016####0.0140.0210.01558.0160.014057.04180.007057.020857.570 M64*16463.3510.87100.012####0.0110.01750.011564.0120.011063.36250.005563.345063.753偏差±T PL 尺寸偏差±T PL /2磨损下限0.0070 1.28370.0035 1.27620.0090 1.56220.0045 1.55270.0090 1.83470.0045 1.82520.0090 2.30720.0045 2.29770.0090 2.40720.0045 2.39770.0090 2.77980.0045 2.77030.0090 3.66790.0045 3.65840.0090 3.77980.0045 3.77030.0090 4.60990.0045 4.60040.0090 4.77980.0045 4.77030.0110 5.50600.0055 5.49450.0110 5.65040.0055 5.63890.0110 6.65040.0055 6.63890.01107.35360.00557.34210.00907.79180.00457.78230.01107.65040.00557.63890.01107.50600.00557.49450.00908.79180.00458.7823止规Z大径EI+TD 2+T PL /2+2F 1中径D 2+EI+TD 2+T PL /2偏差±T PL尺寸偏差±T PL/2磨损下限止规Z大径EI+TD2+T PL/2+2F1中径D2+EI+TD2+T PL/20.01109.21130.00559.1998 0.00909.79180.00459.7823 0.01109.65040.00559.6389 0.01109.50600.00559.4945 0.01109.35360.00559.3421 0.011011.06890.005511.0574 0.009011.79780.004511.7883 0.011011.51600.005511.5045 0.011011.22130.005511.2098 0.014012.92000.007012.9085 0.011013.51600.005513.5045 0.011013.37360.005513.3621 0.011013.22130.005513.2098 0.014012.92000.007012.9050 0.009014.79780.004514.7883 0.011014.51600.005514.5045 0.014014.92000.007014.9050 0.009015.79780.004515.7883偏差±T PL尺寸偏差±T PL/2磨损下限止规Z大径EI+TD2+T PL/2+2F1中径D2+EI+TD2+T PL/20.011015.22130.005515.2098 0.009017.79780.004517.7883 0.011017.51600.005517.5045 0.014016.92000.007016.9050 0.009019.79780.004519.7883 0.011019.51600.005519.5045 0.011019.22130.005519.2098 0.009021.79780.004521.7883 0.011021.51600.005521.5045 0.011021.22130.005521.2098 0.011023.52600.005523.5145 0.011023.23130.005523.2198 0.011024.23130.005524.2198 0.011025.23130.005525.2198 0.011029.66840.005529.6569 0.011029.52600.005529.5145 0.011029.23130.005529.2198 0.014028.93200.007028.9170偏差±T PL尺寸偏差±T PL/2磨损下限止规Z大径EI+TD2+T PL/2+2F1中径D2+EI+TD2+T PL/20.011032.23130.005532.2198 0.011034.23130.005534.2198 0.011035.23130.005535.2198 0.014040.93200.007040.9170 0.011044.23130.005544.2198 0.014049.24480.007049.2298 0.014050.33850.007050.3235 0.014057.24480.007057.2298 0.011063.53600.005563.5245。
国家标准的公制螺纹螺距,标准螺纹螺距M1.6*0.35 M2*0.4 M2.5*0.45 M3*0.5 M4*0.4 M5*0.8 M6*1.0 M8*1.25 M10*1.5 M12*1.75 M14*2.0 M16*2.0 M18*2.5 M20*2.5 M22*2.5 M24*3.0 M27*3.0 M30*3.5 M33*3.5M36*4.0公制螺纹螺距粗牙223 公称尺寸 d 螺距 P 全长 L 刃长I M4 0.70 53 13 M5 0.80 58 16 M6 1 66 19 M7 1 66 19 M8 1.25 72 22 M9 1.25 7222 M10 1.5 80 24 M11 1.5 85 25 M12 1.75 89 29 M14 2 95 30 M16 2 102 32 M18 2 .5 112 37 M20 2.5 112 37 M22 2.5 118 38 M24 3 130 45 M27 3 135 45 M30 3.5 13 8 48 M33 3.5 151 51 M36416257M39 4 170 60 M42 4.5 170 60 M45 4.5 187 67 M48 5 187 67 M52 520070细牙 224公称尺寸 d 螺距 P 全长 L 刃长I M4*0.5 0.5 53 13 M5*0.5 0.5 58 16 M6*0.75 0.75 66 19 M7*0.75 0.75 66 19 M8*0 .75 0.75 66 19 M8*1 1 72 22 M9*0.75 0.75 66 19 M9*1 1 72 19 M10*0.75 0.7573 20 M10*1 1 80 24 M10*1.25 1.25 80 24 M11*0.75 0.75 73 22 M11*1 1 80 22 M12*1180 22 M12*1.25 1.25 89 29 M12*1.5 1.5 89 29 M14*1 1 87 22 M14*1.25 1.25 95 30 M14*1.5 1.5 95 30 M16*1 1 92 22 M16*1.5 1.5 102 32 M18*1 1 97 22 M18*1.5 1.5 112 37 M18*2 2 112 37 M20*1 1 102 22 M20*1.5 1.5 112 37 M20*2 2 112 37 M22* 1 1 109 24 M22*1.5 1.5 118 38 M22*2 2 118 38 M24*1 1 114 24 M24*1.5 1.5 130 4 5 M24*2213045国家标准的公制螺纹螺距,标准螺纹螺距:M1.6*0.35、M2*0.4、M2.5*0.45、M3*0.5、M4*0.4、M5*0.8、M6*1.0、M8*1.25、M10**1.5、M12*1.75、M14*2.0、M16*2.0、M18*2.5、M20*2.5、M22*2.、M24*3.0、M27*3.0、M30*3.5、M33*3.5、M36*4.0。
公制粗牙(普通)螺纹基本尺寸表公制细牙螺纹基本尺寸表企业安全生产费用提取和使用管理办法(全文)关于印发《企业安全生产费用提取和使用管理办法》的通知财企〔2012〕16号各省、自治区、直辖市、计划单列市财政厅(局)、安全生产监督管理局,新疆生产建设兵团财务局、安全生产监督管理局,有关中央管理企业:为了建立企业安全生产投入长效机制,加强安全生产费用管理,保障企业安全生产资金投入,维护企业、职工以及社会公共利益,根据《中华人民共和国安全生产法》等有关法律法规和国务院有关决定,财政部、国家安全生产监督管理总局联合制定了《企业安全生产费用提取和使用管理办法》。
现印发给你们,请遵照执行。
附件:企业安全生产费用提取和使用管理办法财政部安全监管总局二○一二年二月十四日附件:企业安全生产费用提取和使用管理办法第一章总则第一条为了建立企业安全生产投入长效机制,加强安全生产费用管理,保障企业安全生产资金投入,维护企业、职工以及社会公共利益,依据《中华人民共和国安全生产法》等有关法律法规和《国务院关于加强安全生产工作的决定》(国发〔2004〕2号)和《国务院关于进一步加强企业安全生产工作的通知》(国发〔2010〕23号),制定本办法。
第二条在中华人民共和国境内直接从事煤炭生产、非煤矿山开采、建设工程施工、危险品生产与储存、交通运输、烟花爆竹生产、冶金、机械制造、武器装备研制生产与试验(含民用航空及核燃料)的企业以及其他经济组织(以下简称企业)适用本办法。
第三条本办法所称安全生产费用(以下简称安全费用)是指企业按照规定标准提取在成本中列支,专门用于完善和改进企业或者项目安全生产条件的资金。
安全费用按照“企业提取、政府监管、确保需要、规范使用”的原则进行管理。
第四条本办法下列用语的含义是:煤炭生产是指煤炭资源开采作业有关活动。
非煤矿山开采是指石油和天然气、煤层气(地面开采)、金属矿、非金属矿及其他矿产资源的勘探作业和生产、选矿、闭坑及尾矿库运行、闭库等有关活动。
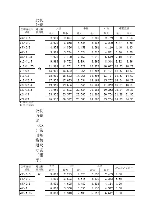
螺纹规格对照标准表格
螺纹规格对照标准表格是一种用于对照不同螺纹规格的参考表格,它可以帮助工程师、技术人员和制造商快速准确地选择正确的螺纹规格。
下面是一份简单的螺纹规格对照标准表格的示例,并对其进行详细介绍。
螺纹规格对照标准表格
详细介绍:
1.序号:表格中的序号列用于标识不同规格的螺纹。
2.螺纹类型:螺纹类型列指明了螺纹的种类,如M螺纹表示公制螺纹,UNC 表示统一粗牙螺纹,UNF表示统一细牙螺纹等。
3.直径(mm):直径列以毫米为单位给出了螺纹的直径尺寸。
4.螺距(mm):螺距列以毫米为单位表示相邻两个螺纹牙之间的距离。
5.牙型角(°):牙型角列表示螺纹牙的倾斜角度,通常以度数表示。
6.牙高(mm):牙高列表示螺纹牙的高度,以毫米为单位。
7.牙数/英寸:对于统一螺纹(UNC和UNF),该列表示每英寸内的螺纹牙数。
对于公制螺纹,该列通常为空或“-”。
8.备注:备注列可用于提供有关螺纹规格的额外信息,如“公制粗牙螺纹”或“统一细牙螺纹”等。
这份螺纹规格对照标准表格只是一个简单的示例,实际应用中可能需要包含更多的螺纹类型和规格。
此外,表格中的数值和参数也可能因不同的标准或应用而有所变化。
因此,在实际使用时,建议参考相关的国家或行业标准,以确保选择正确的螺纹规格。
尺寸偏差±T PL 尺寸偏差±T PL /2磨损下限尺寸M1.4 1.4 1.2050.260.300.002####0.0070.00950.0075 1.4020.0070 1.20720.0035 1.1977 1.349M1.7 1.7 1.4730.30.3500.006####0.0090.01250.0095 1.7060.0090 1.47870.0045 1.4662 1.638M22 1.7400.350.400.006####0.0090.01250.0095 2.0060.0090 1.74620.0045 1.7337 1.921M2.5 2.5 2.2080.390.4500.006####0.0090.01250.0095 2.5060.0090 2.21370.0045 2.2012 2.405M2.6 2.6 2.3080.390.4500.006####0.0090.01250.0095 2.6060.0090 2.31370.0045 2.3012 2.505M33 2.6750.430.500.006####0.0090.01250.0095 3.0060.0090 2.68130.0045 2.6688 2.888M44 3.5450.610.700.006####0.0090.01250.0095 4.0060.0090 3.55140.0045 3.5389 3.819M4*0.54 3.6750.430.500.006####0.0090.01250.0095 4.0060.0090 3.68130.0045 3.6688 3.888M55 4.4800.690.800.006####0.0090.01250.0095 5.0060.0090 4.48640.0045 4.4739 4.783M5*0.55 4.6750.430.500.006####0.0090.01250.0095 5.0060.0090 4.68130.0045 4.6688 4.888M66 5.3510.87100.012####0.0110.01750.0115 6.0120.0110 5.36250.0055 5.3450 5.723M6*0.756 5.5130.650.7500.012####0.0110.01750.0115 6.0120.0110 5.52490.0055 5.5074 5.813M7*0.757 6.5130.650.7500.012####0.0110.01750.01157.0120.0110 6.52490.0055 6.5074 6.813M887.188 1.08 1.2500.012####0.0110.01750.01158.0120.01107.20010.00557.18267.624M8*0.587.6750.430.500.006####0.0090.01250.00958.0060.00907.68130.00457.66887.900M8*0.7587.5130.650.7500.012####0.0110.01750.01158.0120.01107.52490.00557.50747.813M8*187.3510.87100.012####0.0110.01750.01158.0120.01107.36250.00557.34507.723M9*0.598.6750.430.500.006####0.0090.01250.00959.0060.00908.68130.00458.66888.900W GOW NGHPEIZ PLTD 2T PL通规T大径D+EI+Z PL 中径D 2+EI+Z PL大径D 2+EI+TD 2+T PL /2+2F 1螺纹规格(6H )公称尺寸D 中径尺寸D 2尺寸偏差±T PL尺寸偏差±T PL/2磨损下限尺寸W GO W NG H P EI Z PL TD2T PL通规T大径D+EI+Z PL中径D2+EI+Z PL大径D2+EI+TD2+T PL/2+2F1螺纹规格(6H)公称尺寸D中径尺寸D2M10109.026 1.3 1.500.012####0.0110.01750.011510.0120.01109.03780.00559.02039.536 M10*0.5109.6750.430.500.006####0.0090.01250.009510.0060.00909.68130.00459.66889.900 M10*0.75109.5130.650.7500.012####0.0110.01750.011510.0120.01109.52490.00559.50749.813 M10*1109.3510.87100.012####0.0110.01750.011510.0120.01109.36250.00559.34509.723 M10*1.25109.188 1.08 1.2500.012####0.0110.01750.011510.0120.01109.20010.00559.18269.624 M121210.863 1.52 1.7500.012####0.0110.01750.011512.0120.011010.87540.005510.857911.448 M12*0.51211.6750.430.500.006####0.0090.01250.009512.0060.009011.68130.004511.668811.906 M12*11211.3510.87100.012####0.0110.01750.011512.0120.011011.36250.005511.345011.733 M12*1.51211.026 1.3 1.500.012####0.0110.01750.011512.0120.011011.03780.005511.020311.546 M141412.701 1.73200.016####0.0140.01750.011514.0160.014012.71700.007012.699513.353 M14*11413.3510.87100.012####0.0110.01750.011514.0120.011013.36250.005513.345013.733 M14*1.251413.188 1.08 1.2500.012####0.0110.01750.011514.0120.011013.20010.005513.182613.644 M14*1.51413.026 1.3 1.500.012####0.0110.01750.011514.0120.011013.03780.005513.020313.546 M14*21412.701 1.73200.016####0.0140.0210.01514.0160.014012.71700.007012.696013.353 M15*0.51514.6750.430.500.006####0.0090.01250.009515.0060.009014.68130.004514.668814.906 M15*11514.3510.87100.012####0.0110.01750.011515.0120.011014.36250.005514.345014.733 M161614.701 1.73200.016####0.0140.0210.01516.0160.014014.71700.007014.696015.353 M16*0.51615.6750.430.500.006####0.0090.01250.009516.0060.009015.68130.004515.668815.906尺寸偏差±T PL尺寸偏差±T PL/2磨损下限尺寸W GO W NG H P EI Z PL TD2T PL通规T大径D+EI+Z PL中径D2+EI+Z PL大径D2+EI+TD2+T PL/2+2F1螺纹规格(6H)公称尺寸D中径尺寸D2M16*1.51615.026 1.3 1.500.012####0.0110.01750.011516.0120.011015.03780.005515.020315.546 M18*0.51817.6750.430.500.006####0.0090.01250.009518.0060.009017.68130.004517.668817.906 M18*11817.3510.87100.012####0.0110.01750.011518.0120.011017.36250.005517.345017.733 M18*21816.701 1.73200.016####0.0140.0210.01518.0160.014016.71700.007016.696017.353 M20*0.52019.6750.430.500.006####0.0090.01250.009520.0060.009019.68130.004519.668819.906 M20*12019.3510.87100.012####0.0110.01750.011520.0120.011019.36250.005519.345019.733 M20*1.52019.026 1.3 1.500.012####0.0110.01750.011520.0120.011019.03780.005519.020319.546 M22*0.52221.6750.430.500.006####0.0090.01250.009522.0060.009021.68130.004521.668821.906 M22*12221.3510.87100.012####0.0110.01750.011522.0120.011021.36250.005521.345021.733 M22*1.52221.026 1.3 1.500.012####0.0110.01750.011522.0120.011021.03780.005521.020321.546 M24*12423.3510.87100.012####0.0110.01750.011524.0120.011023.36250.005523.345023.743 M24*1.52423.026 1.3 1.500.012####0.0110.01750.011524.0120.011023.03780.005523.020323.556 M25*1.52524.026 1.3 1.500.012####0.0110.01750.011525.0120.011024.03780.005524.020324.556 M26*1.52625.026 1.3 1.500.012####0.0110.01750.011526.0120.011025.03780.005525.020325.556 M30*0.753029.5130.650.7500.012####0.0110.01750.011530.0120.011029.52490.005529.507429.831 M30*13029.3510.87100.012####0.0110.01750.011530.0120.011029.36250.005529.345029.743 M30*1.53029.026 1.3 1.500.012####0.0110.01750.011530.0120.011029.03780.005529.020329.556 M30*23028.701 1.73200.016####0.0140.0210.01530.0160.014028.71700.007028.696029.365尺寸偏差±T PL尺寸偏差±T PL/2磨损下限尺寸W GO W NG H P EI Z PL TD2T PL通规T大径D+EI+Z PL中径D2+EI+Z PL大径D2+EI+TD2+T PL/2+2F1螺纹规格(6H)公称尺寸D中径尺寸D2M33*1.53332.026 1.3 1.500.012####0.0110.01750.011533.0120.011032.03780.005532.020332.556 M35*1.53534.026 1.3 1.500.012####0.0110.01750.011535.0120.011034.03780.005534.020334.556 M36*1.53635.026 1.3 1.500.012####0.0110.01750.011536.0120.011035.03780.005535.020335.556 M42*24240.701 1.73200.016####0.0140.0210.01542.0160.014040.71700.007040.696041.365 M45*1.54544.026 1.3 1.500.012####0.0110.01750.011545.0120.011044.03780.005544.020344.556 M50*1.55049.026 1.3 1.500.016####0.0140.0210.01550.0160.014049.04180.007049.020849.570 M52*35250.052 2.6300.016####0.0140.0210.01552.0160.014050.06750.007050.046550.988 M58*1.55857.026 1.3 1.500.016####0.0140.0210.01558.0160.014057.04180.007057.020857.570 M64*16463.3510.87100.012####0.0110.01750.011564.0120.011063.36250.005563.345063.753偏差±T PL 尺寸偏差±T PL /2磨损下限0.0070 1.28370.0035 1.27620.0090 1.56220.0045 1.55270.0090 1.83470.0045 1.82520.0090 2.30720.0045 2.29770.0090 2.40720.0045 2.39770.0090 2.77980.0045 2.77030.0090 3.66790.0045 3.65840.0090 3.77980.0045 3.77030.0090 4.60990.0045 4.60040.0090 4.77980.0045 4.77030.0110 5.50600.0055 5.49450.0110 5.65040.0055 5.63890.0110 6.65040.0055 6.63890.01107.35360.00557.34210.00907.79180.00457.78230.01107.65040.00557.63890.01107.50600.00557.49450.00908.79180.00458.7823止规Z大径EI+TD 2+T PL /2+2F 1中径D 2+EI+TD 2+T PL /2偏差±T PL尺寸偏差±T PL/2磨损下限止规Z大径EI+TD2+T PL/2+2F1中径D2+EI+TD2+T PL/20.01109.21130.00559.1998 0.00909.79180.00459.7823 0.01109.65040.00559.6389 0.01109.50600.00559.4945 0.01109.35360.00559.3421 0.011011.06890.005511.0574 0.009011.79780.004511.7883 0.011011.51600.005511.5045 0.011011.22130.005511.2098 0.014012.92000.007012.9085 0.011013.51600.005513.5045 0.011013.37360.005513.3621 0.011013.22130.005513.2098 0.014012.92000.007012.9050 0.009014.79780.004514.7883 0.011014.51600.005514.5045 0.014014.92000.007014.9050 0.009015.79780.004515.7883偏差±T PL尺寸偏差±T PL/2磨损下限止规Z大径EI+TD2+T PL/2+2F1中径D2+EI+TD2+T PL/20.011015.22130.005515.2098 0.009017.79780.004517.7883 0.011017.51600.005517.5045 0.014016.92000.007016.9050 0.009019.79780.004519.7883 0.011019.51600.005519.5045 0.011019.22130.005519.2098 0.009021.79780.004521.7883 0.011021.51600.005521.5045 0.011021.22130.005521.2098 0.011023.52600.005523.5145 0.011023.23130.005523.2198 0.011024.23130.005524.2198 0.011025.23130.005525.2198 0.011029.66840.005529.6569 0.011029.52600.005529.5145 0.011029.23130.005529.2198 0.014028.93200.007028.9170偏差±T PL尺寸偏差±T PL/2磨损下限止规Z大径EI+TD2+T PL/2+2F1中径D2+EI+TD2+T PL/20.011032.23130.005532.2198 0.011034.23130.005534.2198 0.011035.23130.005535.2198 0.014040.93200.007040.9170 0.011044.23130.005544.2198 0.014049.24480.007049.2298 0.014050.33850.007050.3235 0.014057.24480.007057.2298 0.011063.53600.005563.5245。
以下是常用粗牙公制螺纹钻底孔尺寸对应表。
一般情况等于外径-螺距M1 Φ0.75M2 Φ1.6M3 Φ2.5M4 Φ3.3M5 Φ4.2M6 Φ5M8 Φ6.75M10 Φ8.5M12 Φ10.25M14 Φ12M16 Φ14M18 Φ15.5M20 Φ17.5M22 Φ19.5M24 Φ21M27 Φ24M30 Φ26.5螺纹钻孔底径计算一般按下列公式:1.攻公制螺纹:螺距t<1毫米,dz=d-tt>1毫米,dz=d-(1.04~1.06)t式中t——螺距(毫米)dz——攻丝前钻孔直径(毫米)d——螺纹公称直径(毫米)2.攻英制螺纹:螺纹公称直径铸铁与青铜钢与黄铜3/16"~5/8" dz=25(d-1/n) dz=25(d-1/n)+0.1 3/4"~11/2" dz=25(d-1/n) dz=25(d-1/n) +0.2式中dz——攻丝前钻孔直径(毫米)d——螺纹公称直径(英寸)n——每英寸牙数首先,要知道螺纹的外径D,螺距T,螺纹底孔直径d=D-T。
攻螺纹前钻底孔直径和深度的确定以及孔口的倒角(1)底孔直径的确定丝锥在攻螺纹的过程中,切削刃主要是切削金属,但还有挤压金属的作用,因而造成金属凸起并向牙尖流动的现象,所以攻螺纹前,钻削的孔径(即底孔)应大于螺纹内径。
底孔的直径可查手册或按下面的经验公式计算:脆性材料(铸铁、青铜等):钻孔直径d0=d(螺纹外径)-1.1p(螺距)塑性材料(钢、紫铜等):钻孔直径d0=d(螺纹外径)-p(螺距)(2)钻孔深度的确定攻盲孔(不通孔)的螺纹时,因丝锥不能攻到底,所以孔的深度要大于螺纹的长度,盲孔的深度可按下面的公式计算:孔的深度=所需螺纹的深度+0.7d普通螺纹底孔直径简单计算可按下式要攻丝的尺寸乘上0.85如:M3--2.4mmM4--3.1mmM5--4.2mM6--5.1mmM8--6.8mm公制螺纹的计算方法:底径=大径-1.0825*螺距英制螺纹的计算方法:底径=大径-1.28*螺距脆性材料钻孔直径D=d(螺纹外径)-1.1p(螺距)塑性材料钻孔直径D=d(螺纹外径)-p(螺距)除了以上的经验公司外,还要考虑螺纹的公差等级.普通公制螺纹用外径-螺距。
螺纹规格 公称 中径尺寸Z PL TD 2 T PLW GOW NG尺寸 (6H ) HP EIDD 2M1.4 1.4 1.205 0.26 0.3 0 0.002 #### 0.007 0.0095 0.0075 M1.7 1.7 1.4730.30.35 0 0.006 #### 0.009 0.0125 0.0095 M2 2 1.740 0.35 0.4 0 0.006 #### 0.009 0.0125 0.0095 M2.5 2.5 2.208 0.39 0.45 0 0.006 #### 0.009 0.0125 0.0095 M2.6 2.6 2.308 0.39 0.45 0 0.006 #### 0.009 0.0125 0.0095 M3 3 2.675 0.43 0.5 0 0.006 #### 0.009 0.0125 0.0095 M4 4 3.545 0.61 0.7 0 0.006 #### 0.009 0.0125 0.0095 M4*0.5 4 3.675 0.43 0.5 0 0.006 #### 0.009 0.0125 0.0095 M5 5 4.480 0.69 0.8 0 0.006 #### 0.009 0.0125 0.0095 M5*0.5 5 4.675 0.43 0.5 0 0.006 #### 0.009 0.0125 0.0095 M6 6 5.351 0.87 1 0 0.012 #### 0.011 0.0175 0.0115 M6*0.75 6 5.513 0.65 0.75 0 0.012 #### 0.011 0.0175 0.0115 M7*0.75 7 6.513 0.65 0.75 0 0.012 #### 0.011 0.0175 0.0115 M8 8 7.188 1.08 1.25 0 0.012 #### 0.011 0.0175 0.0115 M8*0.5 8 7.675 0.43 0.5 0 0.006 #### 0.009 0.0125 0.0095 M8*0.75 8 7.513 0.65 0.75 0 0.012 #### 0.011 0.0175 0.0115 M8*1 8 7.351 0.87 1 0 0.012 #### 0.011 0.0175 0.0115 M9*0.5 9 8.675 0.43 0.5 0 0.006 #### 0.009 0.0125 0.0095 M9*198.351 0.8710 0.012 #### 0.011 0.0175 0.0115 通规T大径中径大径D+EI+Z PLD 2 +EI+Z PLD 2+EI+TD 2+T PL /2+2F尺寸偏差尺寸偏差 磨损下限尺寸 ±T PL ±T PL /21.402 0.0070 1.2072 0.0035 1.1977 1.349 1.706 0.0090 1.4787 0.0045 1.4662 1.6382.006 0.0090 1.7462 0.0045 1.7337 1.921 2.506 0.0090 2.2137 0.0045 2.2012 2.405 2.606 0.0090 2.3137 0.0045 2.3012 2.5053.006 0.0090 2.6813 0.0045 2.6688 2.8884.006 0.0090 3.5514 0.0045 3.5389 3.819 4.006 0.0090 3.6813 0.0045 3.6688 3.8885.006 0.0090 4.4864 0.0045 4.4739 4.783 5.006 0.0090 4.6813 0.0045 4.6688 4.8886.012 0.0110 5.3625 0.0055 5.3450 5.723 6.012 0.0110 5.5249 0.0055 5.5074 5.8137.012 0.0110 6.5249 0.0055 6.5074 6.8138.012 0.0110 7.2001 0.0055 7.1826 7.624 8.006 0.0090 7.6813 0.0045 7.6688 7.900 8.012 0.0110 7.5249 0.0055 7.5074 7.813 8.012 0.0110 7.3625 0.0055 7.3450 7.7239.006 0.0090 8.6813 0.0045 8.6688 8.900 9.012 0.01108.36250.00558.34508.723螺纹规格公称中径尺寸尺寸(6H )D2DM10109.026 M10*0.5109.675 M10*0.75109.513 M10*1109.351 M10*1.25 109.188 M121210.863 M12*0.51211.675 M12*11211.351 M12*1.51211.026M141412.701 M14*11413.351 M14*1.251413.188 M14*1.51413.026 M14*21412.701 M15*0.51514.675 M15*11514.351M161614.701 M16*0.51615.675 M16*11615.351H P EI Z PL TD 2T PL W GO W NG1.3 1.5 0 0.012 #### 0.011 0.0175 0.01150.43 0.5 0 0.006 #### 0.009 0.0125 0.00950.65 0.75 0 0.012 #### 0.011 0.0175 0.01150.87 1 0 0.012 #### 0.011 0.0175 0.01151.08 1.25 0 0.012 #### 0.011 0.0175 0.01151.52 1.75 0 0.012 #### 0.011 0.0175 0.01150.43 0.5 0 0.006 #### 0.009 0.0125 0.00950.87 1 0 0.012 #### 0.011 0.0175 0.01151.3 1.5 0 0.012 #### 0.011 0.0175 0.01151.73 2 0 0.016 #### 0.014 0.0175 0.01150.87 1 0 0.012 #### 0.011 0.0175 0.01151.08 1.25 0 0.012 #### 0.011 0.0175 0.01151.3 1.5 0 0.012 #### 0.011 0.0175 0.01151.73 2 0 0.016 #### 0.014 0.021 0.0150.43 0.5 0 0.006 #### 0.009 0.0125 0.00950.87 1 0 0.012 #### 0.011 0.0175 0.01151.73 2 0 0.016 #### 0.014 0.021 0.0150.43 0.5 0 0.006 #### 0.009 0.0125 0.00950.87 1 0 0.012 #### 0.011 0.0175 0.0115通规T大径中径大径D+EI+Z PL D2 +EI+Z PL D2+EI+TD 2+T PL /2+2F尺寸偏差尺寸偏差磨损下限尺寸±T PL ±T PL /210.012 0.0110 9.0378 0.0055 9.0203 9.53610.006 0.0090 9.6813 0.0045 9.6688 9.90010.012 0.0110 9.5249 0.0055 9.5074 9.81310.012 0.0110 9.3625 0.0055 9.3450 9.72310.012 0.0110 9.2001 0.0055 9.1826 9.62412.012 0.0110 10.8754 0.0055 10.8579 11.44812.006 0.0090 11.6813 0.0045 11.6688 11.90612.012 0.0110 11.3625 0.0055 11.3450 11.73312.012 0.0110 11.0378 0.0055 11.0203 11.54614.016 0.0140 12.7170 0.0070 12.6995 13.35314.012 0.0110 13.3625 0.0055 13.3450 13.73314.012 0.0110 13.2001 0.0055 13.1826 13.64414.012 0.0110 13.0378 0.0055 13.0203 13.54614.016 0.0140 12.7170 0.0070 12.6960 13.35315.006 0.0090 14.6813 0.0045 14.6688 14.90615.012 0.0110 14.3625 0.0055 14.3450 14.73316.016 0.0140 14.7170 0.0070 14.6960 15.35316.006 0.0090 15.6813 0.0045 15.6688 15.90616.012 0.0110 15.3625 0.0055 15.3450 15.733螺纹规格公称中径尺寸尺寸(6H )D2DM16*1.51615.026 M18*0.51817.675 M18*11817.351 M18*21816.701 M20*0.52019.675 M20*12019.351 M20*1.52019.026 M22*0.52221.675 M22*12221.351 M22*1.52221.026 M24*12423.351 M24*1.52423.026 M25*1.52524.026 M26*1.52625.026 M30*0.753029.513 M30*13029.351 M30*1.53029.026 M30*23028.701M333330.727H P EI Z PL TD 2T PL W GO W NG1.3 1.5 0 0.012 #### 0.011 0.0175 0.01150.43 0.5 0 0.006 #### 0.009 0.0125 0.00950.87 1 0 0.012 #### 0.011 0.0175 0.01151.73 2 0 0.016 #### 0.014 0.021 0.0150.43 0.5 0 0.006 #### 0.009 0.0125 0.00950.87 1 0 0.012 #### 0.011 0.0175 0.01151.3 1.5 0 0.012 #### 0.011 0.0175 0.01150.43 0.5 0 0.006 #### 0.009 0.0125 0.00950.87 1 0 0.012 #### 0.011 0.0175 0.01151.3 1.5 0 0.012 #### 0.011 0.0175 0.01150.87 1 0 0.012 #### 0.011 0.0175 0.01151.3 1.5 0 0.012 #### 0.011 0.0175 0.01151.3 1.5 0 0.012 #### 0.011 0.0175 0.01151.3 1.5 0 0.012 #### 0.011 0.0175 0.01150.65 0.75 0 0.012 #### 0.011 0.0175 0.01150.87 1 0 0.012 #### 0.011 0.0175 0.01151.3 1.5 0 0.012 #### 0.011 0.0175 0.01151.73 2 0 0.016 #### 0.014 0.021 0.0153.03 3.5 0 0.016 #### 0.014 0.021 0.015通规T大径中径大径D+EI+Z PL D2 +EI+Z PL D2+EI+TD 2+T PL /2+2F尺寸偏差尺寸偏差磨损下限尺寸±T PL ±T PL /216.012 0.0110 15.0378 0.0055 15.0203 15.54618.006 0.0090 17.6813 0.0045 17.6688 17.90618.012 0.0110 17.3625 0.0055 17.3450 17.73318.016 0.0140 16.7170 0.0070 16.6960 17.35320.006 0.0090 19.6813 0.0045 19.6688 19.90620.012 0.0110 19.3625 0.0055 19.3450 19.73320.012 0.0110 19.0378 0.0055 19.0203 19.54622.006 0.0090 21.6813 0.0045 21.6688 21.90622.012 0.0110 21.3625 0.0055 21.3450 21.73322.012 0.0110 21.0378 0.0055 21.0203 21.54624.012 0.0110 23.3625 0.0055 23.3450 23.74324.012 0.0110 23.0378 0.0055 23.0203 23.55625.012 0.0110 24.0378 0.0055 24.0203 24.55626.012 0.0110 25.0378 0.0055 25.0203 25.55630.012 0.0110 29.5249 0.0055 29.5074 29.83130.012 0.0110 29.3625 0.0055 29.3450 29.74330.012 0.0110 29.0378 0.0055 29.0203 29.55630.016 0.0140 28.7170 0.0070 28.6960 29.36533.016 0.0140 30.7428 0.0070 30.7218 31.772螺纹规格公称中径尺寸尺寸(6H )D2DM33*1.53332.026 M35*1.53534.026 M36*1.53635.026 M42*24240.701 M45*1.54544.026 M50*1.55049.026 M52*35250.052 M58*1.55857.026 M64*16463.351常用公制螺纹塞规尺寸标准对照表通规TZ PL TD 2 T PL W GO W NG大径中径大径H P EI D+EI+Z PL D2 +EI+Z PL D2+EI+TD 2+T PL /2+2F尺寸偏差尺寸偏差磨损下限尺寸±T PL ±T PL /21.3 1.5 0 0.012 #### 0.011 0.0175 0.0115 33.012 0.0110 32.0378 0.0055 32.0203 32.5561.3 1.5 0 0.012 #### 0.011 0.0175 0.0115 35.012 0.0110 34.0378 0.0055 34.0203 34.5561.3 1.5 0 0.012 #### 0.011 0.0175 0.0115 36.012 0.0110 35.0378 0.0055 35.0203 35.5561.73 2 0 0.016 #### 0.014 0.021 0.015 42.016 0.0140 40.7170 0.0070 40.6960 41.3651.3 1.5 0 0.012 #### 0.011 0.0175 0.0115 45.012 0.0110 44.0378 0.0055 44.0203 44.5561.3 1.5 0 0.016 #### 0.014 0.021 0.015 50.016 0.0140 49.0418 0.0070 49.0208 49.5702.6 3 0 0.016 #### 0.014 0.021 0.015 52.016 0.0140 50.0675 0.0070 50.0465 50.9881.3 1.5 0 0.016 #### 0.014 0.021 0.015 58.016 0.0140 57.0418 0.0070 57.0208 57.5700.87 1 0 0.012 #### 0.011 0.0175 0.0115 64.012 0.0110 63.3625 0.0055 63.3450 63.753止规Z大径中径EI+TD2+T PL /2+2F 1 D2 +EI+TD 2 +T PL /2偏差尺寸偏差磨损下限±T PL ±T PL /20.0070 1.2837 0.0035 1.2762 0.0090 1.5622 0.0045 1.5527 0.0090 1.8347 0.0045 1.8252 0.0090 2.3072 0.0045 2.2977 0.0090 2.4072 0.0045 2.3977 0.0090 2.7798 0.0045 2.7703 0.0090 3.6679 0.0045 3.6584 0.0090 3.7798 0.0045 3.7703 0.0090 4.6099 0.0045 4.6004 0.0090 4.7798 0.0045 4.7703 0.0110 5.5060 0.0055 5.4945 0.0110 5.6504 0.0055 5.6389 0.0110 6.6504 0.0055 6.6389 0.0110 7.3536 0.0055 7.3421 0.0090 7.7918 0.0045 7.7823 0.0110 7.6504 0.0055 7.6389 0.0110 7.5060 0.0055 7.4945 0.0090 8.7918 0.0045 8.7823止规Z大径中径EI+TD2+T PL /2+2F 1 D2 +EI+TD 2 +T PL /2偏差尺寸偏差磨损下限±T PL ±T PL /20.0110 9.2113 0.0055 9.1998 0.0090 9.7918 0.0045 9.7823 0.0110 9.6504 0.0055 9.6389 0.0110 9.5060 0.0055 9.4945 0.0110 9.3536 0.0055 9.3421 0.0110 11.0689 0.0055 11.0574 0.0090 11.7978 0.0045 11.7883 0.0110 11.5160 0.0055 11.5045 0.0110 11.2213 0.0055 11.2098 0.0140 12.9200 0.0070 12.9085 0.0110 13.5160 0.0055 13.5045 0.0110 13.3736 0.0055 13.3621 0.0110 13.2213 0.0055 13.2098 0.0140 12.9200 0.0070 12.9050 0.0090 14.7978 0.0045 14.7883 0.0110 14.5160 0.0055 14.5045 0.0140 14.9200 0.0070 14.9050 0.0090 15.7978 0.0045 15.7883止规Z大径中径EI+TD2+T PL /2+2F 1 D2 +EI+TD 2 +T PL /2偏差尺寸偏差磨损下限±T PL ±T PL /20.0110 15.2213 0.0055 15.2098 0.0090 17.7978 0.0045 17.7883 0.0110 17.5160 0.0055 17.5045 0.0140 16.9200 0.0070 16.9050 0.0090 19.7978 0.0045 19.7883 0.0110 19.5160 0.0055 19.5045 0.0110 19.2213 0.0055 19.2098 0.0090 21.7978 0.0045 21.7883 0.0110 21.5160 0.0055 21.5045 0.0110 21.2213 0.0055 21.2098 0.0110 23.5260 0.0055 23.5145 0.0110 23.2313 0.0055 23.2198 0.0110 24.2313 0.0055 24.2198 0.0110 25.2313 0.0055 25.2198 0.0110 29.6684 0.0055 29.6569 0.0110 29.5260 0.0055 29.5145 0.0110 29.2313 0.0055 29.2198 0.0140 28.9320 0.0070 28.9170止规Z大径中径EI+TD2+T PL /2+2F 1 D2 +EI+TD 2 +T PL /2偏差尺寸偏差磨损下限±T PL ±T PL /20.0110 32.2313 0.0055 32.2198 0.0110 34.2313 0.0055 34.2198 0.0110 35.2313 0.0055 35.2198 0.0140 40.9320 0.0070 40.9170 0.0110 44.2313 0.0055 44.2198 0.0140 49.2448 0.0070 49.2298 0.0140 50.3385 0.0070 50.3235 0.0140 57.2448 0.0070 57.2298 0.0110 63.5360 0.0055 63.5245。
螺纹规格对照表螺纹底孔径公制粗牙螺纹 JIS B 0209-1982(单位:mm)(注1)(注2) 2级崁合度区分:中(注1)(注2) 崁合度区分:中2级内螺纹小径螺纹尺寸钻头直径下孔径最小直径最大直径M 1 × 0.25 0.75 0.78 (80%) 0.729 0.785 1.1 × 0.25 0.85 0.88 (80%) 0.829 0.885 1.2 × 0.25 0.95 0.98 (80%) 0.929 0.985 1.4 × 0.3 1.1 1.14 (80%) 1.075 1.142 1.6 × 0.35 1.25 1.32 (75%) 1.221 1.321 1.8 × 0.351.45 1.52 (75%) 1.421 1.521 2 × 0.4 1.6 1.65 (80%) 1.567 1.6792.2 × 0.45 1.75 1.83 (75%) 1.713 1.838 2.5 × 0.45 2.1 2.13 (75%) 2.013 2.1383 × 0.5 2.5 2.59 (75%) 2.459 2.599 3.5 × 0.6 2.9 3.01 (75%) 2.8503.010 4 × 0.7 3.3 3.39 (80%) 3.242 3.4224.5 × 0.75 3.8 3.85 (80%)3.688 3.878 5 × 0.84.2 4.31 (80%) 4.134 4.334 6 × 1 55.13 (80%)4.9175.153 7 × 1 66.13 (80%) 5.917 6.153 8 × 1.25 6.8 6.85 (85%)6.647 6.912 9 × 1.257.8 7.85 (85%) 7.647 7.912 10 × 1.58.5 8.62 (85%) 8.376 8.676 11 × 1.59.5 9.62 (85%) 9.376 9.676 12 × 1.75 10.3 10.40 (85%) 10.106 10.441 14 × 2 12 12.2 (85%) 11.835 12.210 16 × 2 14 14.2 (85%) 13.835 14.210 18 × 2.5 15.5 15.7 (85%) 15.294 15.744 20 × 2.5 17.5 17.7 (85%) 17.294 17.744 22 × 2.5 19.5 19.2 (85%) 19.294 19.744 24 × 3 21 21.2 (85%) 20.752 21.252 27 × 3 24 24.2 (85%) 23.752 24.252 30 × 3.5 26.5 26.6 (90%) 26.211 26.771 33 × 3.5 29.5 29.6 (90%) 29.211 29.771 36 × 4 32 32.1 (90%) 31.670 32.270 39 × 4 35 35.1 (90%) 34.67035.270 42 × 4.5 37.5 37.6 (90%) 37.129 37.799 45 × 4.5 40.5 40.6 (90%) 40.129 40.799 48 × 5 43 43.1 (90%) 42.587 43.297注(1)M1.4以下等级:5H、M1.6以上等级:6H(2)基于JIS B 0209-1982标准螺纹下孔径表公制细牙螺纹 JIS B 0211-1982(单位:mm) (注1)(注2) 2级崁合度区分:中(注1)(注2) 崁合度区分:中2级内螺纹小径螺纹尺寸钻头直径下孔径最小直径最大直径M 2.5 × 0.35 2.2 2.22 (75%) 2.121 2.221 3 × 0.35 2.7 2.72 (75%) 2.621 2.721 3.5 × 0.35 3.23.22 (75%) 3.121 3.221 4 × 0.5 3.5 3.59 (75%) 3.459 3.5994.5 × 0.5 44.09 (75%) 3.959 4.099 5 × 0.5 4.5 4.59 (75%) 4.459 4.5995.5 × 0.5 55.09 (75%) 4.959 5.099 6 × 0.75 5.3 5.35 (80%) 5.188 5.378 7 × 0.756.3 6.35 (80%) 6.188 6.378 8 × 1 77.13 (80%) 6.917 7.153 8 × 0.75 7.37.35 (80%) 7.188 7.378 9 × 1 8 8.13 (80%) 7.917 8.153 9 × 0.75 8.38.35 (80%) 8.188 8.378 10 × 1.25 8.8 8.85 (85%) 8.647 8.912 10 × 1 99.13 (80%) 8.917 9.153 10 × 0.75 9.3 9.35 (80%) 9.188 9.378 11 × 1 1010.13 (80%) 9.917 10.153 11 × 0.75 10.3 10.35 (80%) 10.188 10.378 12 × 1.5 10.5 10.62 (85%) 10.376 10.676 12 × 1.25 10.8 10.85 (85%) 10.647 10.912 12 × 1 11 11.13 (80%) 10.917 11.153 14 × 1.5 12.5 12.62 (85%) 12.376 12.676 14 × 1 13 13.13 (80%) 12.917 13.153 15 × 1.5 13.5 13.62 (85%) 13.376 13.676 15 × 1 14 14.13 (80%) 13.917 14.153 16 × 1.5 14.514.62 (85%) 14.376 14.676 16 × 1 15 15.13 (80%) 14.917 15.153 17 × 1.515.5 15.62 (85%) 15.376 15.676 17 × 1 16 16.13 (80%) 15.917 16.153 18 × 2 16 16.2 (85%) 15.835 16.210 18 × 1.5 16.5 16.62 (85%) 16.37616.676 18 × 1 17 17.13 (80%) 16.917 17.153 20 × 2 18 18.2 (85%) 17.835 18.210 20 × 1.5 18.5 18.62 (85%) 18.376 18.676 20 × 1 19 19.13 (80%) 18.917 19.153 22 × 2 20 20.2 (85%) 19.835 20.210 22 × 1.5 20.5 20.62 (85%) 20.376 20.676 22 × 1 21 21.13 (80%) 20.917 21.153 24 × 2 22 22.2 (85%) 21.835 22.210 24 × 1.5 22.5 22.62 (85%) 22.376 22.676 24 × 1 23 23.13 (80%) 22.917 23.153 25 × 2 23 23.2 (85%) 22.835 23.21025 × 1.5 23.5 23.62 (85%) 23.376 23.676 25 × 1 24 24.13 (80%)23.917 24.153螺纹下孔径表公制细牙螺纹 JIS B 0211-1982(单位:mm)(注1)(注2) 2级崁合度区分:中(注1)(注2) 崁合度区分:中2级内螺纹小径螺纹尺寸钻头直径下孔径最小直径最大直径M 26 × 1.5 24.5 24.62 (85%) 24.376 24.676 27 × 2 25 25.2 (85%)24.835 25.210 27 × 1.5 25.5 25.62 (85%) 25.376 25.676 27 × 1 26 26.13 (80%) 25.917 26.153 28 × 2 26 26.2 (85%) 25.835 26.210 28 × 1.5 26.526.62 (85%) 26.376 26.676 28 × 1 27 27.13 (80%) 26.917 27.153 30 × 327 27.2 (85%) 26.752 27.252 30 × 2 28 28.2 (85%) 27.835 28.210 30 × 1.5 28.5 28.62 (85%) 28.376 28.676 30 × 1 29 29.13 (80%) 28.917 29.153 32 × 2 30 30.2 (85%) 29.835 30.210 32 × 1.5 30.5 30.62 (85%) 30.37630.676 33 × 3 30 30.2 (85%) 29.752 30.252 33 × 2 31 31.2 (85%) 30.83531.210 33 × 1.5 31.5 31.62 (85%) 31.376 31.676 35 × 1.5 33.5 33.62 (85%) 33.376 33.676 36 × 3 33 33.2 (85%) 32.752 33.252 36 × 2 34 34.2 (85%) 33.835 34.210 36 × 1.5 34.5 34.62 (85%) 34.376 34.676 38 × 1.536.5 36.62 (85%) 36.376 36.676 39 × 3 36 36.2 (85%) 35.752 36.252 39 × 2 37 37.2 (85%) 36.835 37.210 39 × 1.5 37.5 37.62 (85%) 37.376 37.676 40 × 3 37 37.2 (85%) 36.752 37.252 40 × 2 38 38.2 (85%) 37.835 38.210 40 × 1.5 38.5 38.62 (85%) 38.376 38.676 42 × 4 38 38.1 (90%) 37.670 38.270 42 × 3 39 39.2 (85%) 38.752 39.252 42 × 2 40 40.2 (85%) 39.835 40.210 42 × 1.5 40.5 40.62 (85%) 40.376 40.676 45 × 4 41 41.1 (90%) 40.670 41.270 45 × 3 42 42.2 (85%) 41.752 42.252 45 × 2 43 43.2 (85%) 42.835 43.210 45 × 1.5 43.5 43.62 (85%) 43.376 43.676 48 × 4 44 44.1 (90%) 43.670 44.27048 × 3 45 45.2 (85%) 44.752 45.25246.2 (85%) 48 × 2 46 45.835 46.21048 × 1.5 46.5 46.62 (85%) 46.376 46.67650 × 3 47 47.2 (85%) 46.752 47.25250 × 2 48 48.2 (85%) 47.835 48.21050 × 1.5 48.5 48.62 (85%) 48.376 48.676 注(1)等级:6H(2)基于JIS B 0211-1982标准螺纹下孔径表美制粗牙螺纹 (单位:mm)内螺纹小径 2B级螺纹螺纹尺寸钻头直径下孔径最小直径最大直径NO.1 -64UNC 1.55 1.57 (65%) 1.425 1.5822 -56 1.8 1.86 (65%) 1.695 1.8713 -48 2.1 2.14 (65%) 1.941 2.1464 -40 2.3 2.36 (70%) 2.157 2.3855 -40 2.6 2.69 (70%) 2.487 2.6976 -32 2.8 2.86 (75%) 2.642 2.8958 -32 3.4 3.52 (75%) 3.302 3.53010 -24 3.9 3.91 (80%) 3.683 3.96212 -24 4.5 4.57 (80%) 4.344 4.5971/4 -20 5.1 5.25 (80%) 4.979 5.257 5/16 -18 6.6 6.72 (80%) 6.4016.7313/8 -16 8 8.15 (80%) 7.798 8.153 7/16 -14 9.4 9.5(80%) 9.144 9.550 1/2 -13 10.8 11.0 (80%) 10.592 11.0239/16 -12 12.2 12.3 (85%) 11.989 12.4465/8 -11 13.6 13.8 (85%) 13.386 13.8683/4 -10 16.5 16.8 (80%) 16.307 16.8407/8 - 9 19.5 19.6 (85%) 19.177 19.7611 - 8 22.2 22.5 (85%) 21.971 22.6061 1/8 - 7 25 25.2 (85%) 24.638 25.3491 1/4 - 7 28.2 28.4 (85%) 27.813 28.5241 3/8 - 6 30.8 31.0 (85%) 30.353 31.1151 1/2 - 6 34 34.2 (85%) 33.528 34.2901 3/4 - 5 39.5 39.8 (85%) 38.964 39.8272 - 4 45.2 45.3 (90%) 44.679 45.593螺纹下孔径表美制细牙螺纹 (单位:mm)内螺纹小径 2B级螺纹螺纹尺寸钻头直径下孔径最小直径最大直径 NO. 0 1.25 1.30 (65%) 1.182 1.305 -80UNF1 -72 1.55 1.61 (65%) 1.474 1.6122 -64 1.85 1.90 (65%) 1.756 1.9123 -56 2.1 2.17 (70%) 2.025 2.1974 -48 2.4 2.44 (70%) 2.271 2.4585 -44 2.7 2.74 (70%) 2.551 2.7406 -40 2.9 3.02 (70%) 2.820 3.0228 -36 3.5 3.59 (75%) 3.404 3.60610 -32 4.1 4.14 (80%) 3.963 4.16512 -28 4.6 4.70 (80%) 4.496 4.7241/4 -28 5.5 5.56 (80%) 5.360 5.588 5/16 -24 6.9 7.02 (80%) 6.782 7.0353/8 -24 8.5 8.61 (80%) 8.382 8.6367/16 -20 9.9 10.01 (80%) 9.729 10.0331/2 -20 11.5 11.60 (80%) 11.329 11.6079/16 -18 12.9 13.07 (80%) 12.751 13.0815/8 -18 14.5 14.65 (80%) 14.351 14.6813/4 -16 17.5 17.59 (85%) 17.323 17.6787/8 -14 20.5 20.6 (85%) 20.270 20.6751 -12 23.2 23.5 (85%) 23.114 23.5711 1/8 -12 26.5 26.7 (80%) 26.289 26.7461 1/4 -12 29.5 29.9 (80%) 29.464 29.9211 3/8 -12 32.8 33.0 (85%) 32.639 33.0961 1/2 -12 36 36.2 (85%) 35.814 36.271螺纹下孔径表缝纫机螺纹(SM) (单位:mm)2级内螺纹小径 2B级螺纹螺纹尺寸钻头直径下孔径最小直径最大直径 SM 1/16 - 1.25 1.28 (75%) 1.211 1.281 805/64 - 64 1.55 1.57 (80%) 1.513 1.593 3/32 -100 2.10 2.15 (70%)2.081 2.156 3/32 - 56 1.85 1.91 (80%) 1.841 1.936 1/8 - 44 2.50 2.58 (80%) 2.485 2.605 1/8 - 40 2.45 2.52 (80%) 2.421 2.551 9/64 - 40 2.852.91 (80%) 2.818 2.948 11/64 - 403.65 3.71 (80%) 3.612 3.742 3/16 - 323.90 3.94 (80%) 3.820 3.980 3/16 - 28 3.70 3.82 (80%) 3.684 3.844 7/32 - 324.70 4.73 (80%) 4.614 4.774 15/64 - 28 4.905.01 (80%) 4.875 5.0551/4 - 40 5.60 5.69 (80%) 5.596 5.726 1/4 - 28 5.30 5.41 (80%) 5.2725.452 缝纫机螺纹(SM) (单位:mm)2级内螺纹小径 2B 级螺纹螺纹尺寸钻头直径下孔径最小直径最大直径 SM 1/4 - 5.10 5.25 (80%) 5.086 5.266 249/32 - 28 6.10 6.20 (80%) 6.066 6.2569/32 - 20 5.70 5.82 (80%) 5.634 5.8245/16 - 28 6.90 6.00 (80%) 6.860 7.0505/16 - 24 6.70 6.84 (80%) 6.674 6.8645/16 - 18 6.30 6.38 (85%) 6.254 6.4443/8 - 28 8.50 8.58 (80%) 8.447 8.6373/8 - 18 7.90 7.97 (85%) 7.843 8.0537/16 - 28 10.10 10.17 (80%) 10.034 10.2247/16 - 16 9.30 9.36 (85%) 9.220 9.4401/2 - 28 11.70 11.76 (80%) 11.622 11.8121/2 - 20 11.30 11.38 (80%) 11.190 11.4101/2 - 12 10.30 10.36 (85%) 10.180 10.420 螺纹下孔径表英制粗牙螺纹 (单位:mm)、切削速度与切削液切削速度(m/min) 切削液加工材料高速同步丝水溶性直槽丝攻螺旋丝攻先端丝攻钨钢丝攻无屑丝攻管用丝攻油性半干式干式攻 (乳化液)低碳素钢 C0.25,以下 8~13 8~13 15~25 , 8~13 27~32 3~6 ◎ ? ? ?C0.25,中碳素钢7~12 7~12 10~15 , 7~10 27~32 3~6 ◎ ? ? ? 0.45,高碳素钢 C0.45,以上6~9 6~9 8~13 , 5~8 22~27 2~5 ◎ ? ? ? 合金钢SCM 7~12 7~12 10~15 , 5~8 22~27 2~5 ◎ ? ? ?3~5 3~5 4~6 调质钢25,45HRC , , , 2~5 ◎ ? , , (4~8) (4~8) (6~10) 不锈钢 SUS 4~7 5~8 8~13 , 5~10 , 3~6 ◎ ? , ,SUS630 不锈钢3~5 3~5 4~6 , , , 2~5 ◎ , , , SUS631工具钢SKD 6~9 6~9 7~10 , , , 2~5 ◎ , , , 铸钢 SC 6~11 6~1110~15 , , 17~22 2~5 ◎ ? , , 铸铁FC 10~15 , , 10~20 , , 2~5 ◎ ? ? ? 球铸铁FCD 7~12 7~12 10~20 10~20 , , 4~8 ◎ ? ? ,铜 Cu 6~9 6~11 7~12 10~20 7~12 27~32 2~5 ? ? , , 黄铜‧ Bs‧BsC 10~15 10~20 15~25 15~25 7~12 27~32 5~10 ? ? ? ? 黄铜铸件青铜‧ PB‧PBC 6~11 6~11 10~20 10~20 7~12 , 6~11 ? ? , , 青铜铸件变形AL 10~20 10~20 10~25 , 10~20 100~300 5~10 ◎ ? ? , 铝合金铝合金 AC‧ADC 10~15 10~15 15~20 10~20 10~15 80~300 10~15 ◎ ? ? , 铸件镁合金MC 7~12 7~12 10~15 10~20 , , 10~15 ◎ ? ? , 锌铸件 ZDC7~12 7~12 10~15 10~20 7~12 27~100 10~15 ◎ ? ? ,Thermo Setting 热硬塑料 10~20 , , 15~25 , , 5~10 , ? ? ? Plastic 热可塑性Thermo 10~20 10~15 10~20 10~20 , 27~32 5~10 , ? ? ? 塑料Plastic。
公制和英制螺纹对照表
公制和英制螺纹是两种常用的螺纹标准。
公制螺纹用螺距表示螺纹的尺寸,而英制螺纹则用每英寸包含的螺纹数量表示尺寸。
以下是公制和英制螺纹之间的转换表,以mm(毫米)为单位:
1. 公制螺纹尺寸转换为英制螺纹尺寸:
- M = 0.63659 inches = 1.27 inches (公制螺纹)
- NPT = 0.30642 inches = 1 inches (英制螺纹)
- PT = 0.23624 inches = 1/4 inches (英制螺纹)
- NPSC = 0.29371 inches = 3/8 inches (英制管螺纹)
2. 英制螺纹尺寸转换为公制螺纹尺寸:
- 0.3048 inches = 0.64676 inches (英制螺纹)
- NPT = 3.14 * 0.3048 = 1.1304 mm (公制螺纹)
- NPSC = 3.14 * 0.29371 = 0.9919 mm (公制螺纹)
- PT = 3.14 * 0.23624 = 0.6096 mm (公制螺纹)
注意:上述转换表仅供参考,实际应用中可能因螺纹类型、材料等因素而有所不同。
在进行螺纹转换时,请根据实际情况调整。
公制细螺纹规格对照表摘要:1.公制细螺纹概述2.公制细螺纹规格对照表3.公制细螺纹的选用原则4.公制细螺纹的应用范围5.公制细螺纹的螺纹公差带表示方法6.公制细螺纹的旋合长度规定7.美制统一螺纹简介8.螺丝规格型号表正文:一、公制细螺纹概述公制细螺纹是一种用于连接两个零件的螺纹,其特点是螺距较小,螺纹精度较高,适用于精密仪器、仪表和航天航空等领域。
二、公制细螺纹规格对照表公制细螺纹的规格对照表包括以下几种:M1.60.35, M20.4, M2.50.45, M30.5, M40.4, M50.8, M61.0, M81.25, M101.5, M121.75, M142.0, M162.0, M182.5, M202.5, M222., M243.0, M273.0, M303.5, M333.5, M364.0.三、公制细螺纹的选用原则在选择公制细螺纹时,应优先选用系列,其次第二系列,第三系列尽可能不用。
四、公制细螺纹的应用范围公制细螺纹广泛应用于各种机械设备的连接和固定,如汽车、摩托车、机床、电器等。
五、公制细螺纹的螺纹公差带表示方法公制细螺纹的螺纹公差带表示方法为:7H、6g 等,其中7H 表示螺纹公差为7,6g 表示螺纹公差为6。
六、公制细螺纹的旋合长度规定公制细螺纹的旋合长度规定为短(用S 表示)、中(用N 表示)、长(用L 表示)三种。
一般情况下,不标注螺纹旋合长度,其螺纹公差带按中等旋合长度(N)确定。
必要时,可加注旋合长度代号S 或L,如M20-5g6g-L。
七、美制统一螺纹简介美制统一螺纹是指14-36UNS-2A,即14 英寸螺纹,每英寸36 牙,UNS 表示UN 系列标准螺距以外的特殊系列。
螺纹精度2A 的外螺纹。
八、螺丝规格型号表螺丝的常用规格分别是直径4 毫米、5 毫米、6 毫米、8 毫米、10 毫米、12 毫米、14 毫米、16 毫米、18 毫米。
公制细螺纹规格对照表分析报告一、引言公制细螺纹规格对照表是机械制造和工程设计领域中常用的标准之一。
它规定了不同直径和螺距的细螺纹规格,为各种机械零部件的制造和装配提供了统一的标准。
本报告旨在分析公制细螺纹规格对照表的特点、应用及发展趋势,为相关领域的研究和实践提供参考。
二、公制细螺纹规格对照表概述序号公制细螺纹规格对应英制细螺纹规格1M28-32 UN-22M2.510-32 UN-23M310-32 UN-24M41/4-28 UN-25M51/4-28 UN-26M65/16-24 UN-27M85/16-24 UN-28M103/8-24 UN-2序号公制细螺纹规格对应英制细螺纹规格9M123/8-24 UN-210M147/16-20 UN-211M167/16-20 UN-212M181/2-20 UN-213M201/2-20 UN-214M229/16-18 UN-215M249/16-18 UN-216M275/8-18 UN-217M305/8-18 UN-2公制细螺纹规格对照表主要包括直径、螺距和标记三部分内容。
其中,直径是指螺纹的直径大小,通常用毫米(mm)表示;螺距是指相邻两个螺纹之间的距离,也用毫米表示;标记则是对规格的简化描述,方便用户快速识别和选择。
三、公制细螺纹规格对照表的应用1.机械制造领域:公制细螺纹规格对照表在机械制造领域中应用广泛,如机床、汽车、航空航天等领域的零部件制造。
通过选择合适的细螺纹规格,可以确保零部件的精度和可靠性。
2.工程设计领域:在工程设计中,公制细螺纹规格对照表可用于各种管道、阀门、接头等部件的设计和选型。
根据实际需求,选择合适的细螺纹规格,以满足工程的安全性和性能要求。
四、公制细螺纹规格对照表的发展趋势1.标准化和国际化:随着全球化的深入发展,公制细螺纹规格对照表的标准化和国际化趋势日益明显。
各国纷纷采用国际标准,推动细螺纹规格的统一和互换性。
螺纹对照参数表格:下面是美标统一螺纹量规的标注方法和使用方法一、美标统一螺纹量规的标注方法:在美标中一般螺纹是这样标注0.25–20UNC–2A以前又为1/4–20UNC–2A①②③④①--公称直径(现在多以小数表示基本大径,单位:inch)②--每英寸牙数(即螺距)③--螺纹系列代号④--螺纹等级代号注:①的数值小于1/4in的小直径系列为公称直径代号,不是公称直径的英寸值,用0,1,2,3,4,5,6,8,10,12十个号码,来表示。
代号为0,1,2,3,4,5,6,8,10,12的螺纹大径(in)分别为:0.060,0.073,0.086,0.099,0.112,0.125,0.138,0.164,0.190,0.216;二、美标螺纹统一量规代号:(螺纹牙型角60度)ThreadofAmericanstandard(Threadpitchshapeangle 60°UNC----统一制粗牙螺纹(代替NC)Unifiedcoarsepitchthread(InsteadofNC)UNF----统一制细牙螺纹(代替NF)Unifiedfinepitchthread(InsteadofNF)UNEF----统一制超细牙螺纹UnifiedsuperfinepitchthreadUN-----统一制不变螺距螺纹UnifiedthreadUNS----统一制特殊螺纹UnifiedSpecialthreadNPT----一般用途锥管螺纹(旧代号Z;K)Taperpipethreadforgeneralpurpose(Oldthreadcode Z,K)NPSC----管接头直管内螺纹InternalstraightpipethreadforconnectionNPSM----设备上自由配合,机械连接用直管螺纹StraightpipethreadforgeneralpurposeNPTF----干密封锥管螺纹DrysealtaperpipethreadNPSF----干密封燃油直管螺纹DrysealstraightpipeinternalthreadNGT----气瓶用锥螺纹Specialthreadforgascylinder螺纹代号说明示例:1/4-20UNC1/4-公称直径1/420-每寸20牙UNC-美标统一制粗牙螺纹再举个例子1-14UNS-2B1表示:公称直径,即螺纹的大径尺寸,也可以用分数值、螺纹号码或等值小数表示。