公制细螺纹基本尺寸表M200-250
- 格式:xls
- 大小:22.00 KB
- 文档页数:1
螺纹标准尺寸规格表螺纹是一种常用的连接方式,用于连接各种机械设备和结构件。
螺纹标准尺寸规格表包含了各种常见的螺纹尺寸和规格,以及相关的技术要求。
1.螺纹尺寸:螺纹尺寸通常由直径、螺距和螺纹类型组成。
直径是螺纹的主要尺寸,通常以毫米为单位。
螺距是螺纹每转进的距离,也以毫米计算。
螺纹类型包括内螺纹和外螺纹。
2.螺纹类型:螺纹可以分为多种类型,包括度制螺纹、英制螺纹、公制螺纹等。
不同的螺纹类型有不同的规格和技术要求。
3.螺纹标记:螺纹标记是螺纹的标识方式,通常采用字母和数字的组合,用于表示螺纹的直径、螺距和螺纹类型。
4.螺纹材料:螺纹通常由金属材料制成,如碳素钢、不锈钢、合金钢等。
不同的材料有不同的力学性能和耐腐蚀性能。
5.螺纹加工:螺纹加工是指将螺纹加工到工件上的过程。
通常采用车削、铣削、切割等加工方法进行。
6.螺纹连接:螺纹连接是螺纹的主要应用方式。
它可以通过旋转螺纹连接件来实现紧固和连接。
螺纹标准尺寸规格表是机械设计和制造中非常重要的参考资料,可以提供准确的螺纹尺寸和规格,有助于设计师选择合适的螺纹并进行相关的设计计算。
同时,螺纹标准尺寸规格表还可以提供螺纹加工和螺纹连接的相关工艺和技术要求,有助于机械制造过程的实施。
值得注意的是,螺纹标准尺寸规格表是根据国家和行业标准编制的,不同国家和行业可能会有不同的标准。
因此,在实际应用中需要根据具体情况选择适合的标准参考。
总之,螺纹标准尺寸规格表是机械设计和制造中必备的参考资料,它提供了螺纹尺寸、规格和相关技术要求,有助于选择合适的螺纹和进行相关的设计和加工工作。
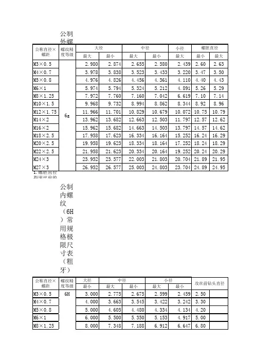
公制粗牙(普通)螺纹基本尺寸表公制细牙螺纹基本尺寸表企业安全生产费用提取和使用管理办法(全文)关于印发《企业安全生产费用提取和使用管理办法》的通知财企〔2012〕16号各省、自治区、直辖市、计划单列市财政厅(局)、安全生产监督管理局,新疆生产建设兵团财务局、安全生产监督管理局,有关中央管理企业:为了建立企业安全生产投入长效机制,加强安全生产费用管理,保障企业安全生产资金投入,维护企业、职工以及社会公共利益,根据《中华人民共和国安全生产法》等有关法律法规和国务院有关决定,财政部、国家安全生产监督管理总局联合制定了《企业安全生产费用提取和使用管理办法》。
现印发给你们,请遵照执行。
附件:企业安全生产费用提取和使用管理办法财政部安全监管总局二○一二年二月十四日附件:企业安全生产费用提取和使用管理办法第一章总则第一条为了建立企业安全生产投入长效机制,加强安全生产费用管理,保障企业安全生产资金投入,维护企业、职工以及社会公共利益,依据《中华人民共和国安全生产法》等有关法律法规和《国务院关于加强安全生产工作的决定》(国发〔2004〕2号)和《国务院关于进一步加强企业安全生产工作的通知》(国发〔2010〕23号),制定本办法。
第二条在中华人民共和国境内直接从事煤炭生产、非煤矿山开采、建设工程施工、危险品生产与储存、交通运输、烟花爆竹生产、冶金、机械制造、武器装备研制生产与试验(含民用航空及核燃料)的企业以及其他经济组织(以下简称企业)适用本办法。
第三条本办法所称安全生产费用(以下简称安全费用)是指企业按照规定标准提取在成本中列支,专门用于完善和改进企业或者项目安全生产条件的资金。
安全费用按照“企业提取、政府监管、确保需要、规范使用”的原则进行管理。
第四条本办法下列用语的含义是:煤炭生产是指煤炭资源开采作业有关活动。
非煤矿山开采是指石油和天然气、煤层气(地面开采)、金属矿、非金属矿及其他矿产资源的勘探作业和生产、选矿、闭坑及尾矿库运行、闭库等有关活动。
螺纹基本尺寸对照表-新版.pdf螺纹基本尺寸对照表(以及螺纹底孔相关尺寸)参照机械设计师首册编制OPMSM2005年7月螺纹代号Thread code一、英制螺纹(螺纹牙型角55度)BSW——英国标准惠氏螺纹(粗牙)BSF——英国标准惠氏螺纹(细牙)G——直管螺纹(外螺纹分A、B两级即在螺纹中径公差有所区别,丝锥分G、G-D)非密封性螺纹R——锥管外螺纹(旧代号ZG;KG)RC——锥管内螺纹(旧代号ZG;KG)二、美制螺纹(螺纹牙型角60度)UNC——统一制粗牙螺纹(代替NC)UNF——统一制细牙螺纹(代替NF)UNEF——统一制超细牙螺纹UN——统一制不变螺距螺纹UNS——统一制特殊螺纹三、美制螺纹(螺纹牙型角60度)NPT——一般用途锥管螺纹(旧代号Z、K)(斜角为1°47'即1:16)NPSC——管接头直管内螺纹NPSM——设备上自由配合,机械连接用直管螺纹NPTF——干密封锥管螺纹NPSF——干密封燃料内螺纹NGT——气瓶用螺纹四、米制螺纹(螺纹牙型角60度,斜角为1°47'24"即1:16)ZM——米制锥管螺纹五、其它螺纹SM——缝纫机螺纹(螺纹牙型角60度,平顶、螺纹底部为园弧形)PZ——气瓶螺纹5V1至20V1——气门芯螺纹(螺纹牙型角60度,平顶、螺纹底部为园弧形)六、管螺纹(螺纹牙型角55度,螺纹顶、底部为园弧形约)RC——圆锥内螺纹(螺纹牙型角55度,斜角为1°47'即1:16)RP——圆柱内螺纹(螺纹牙型角55度)R——圆锥外螺纹(螺纹牙型角55度,斜角为1°47'即1:16)七、普通螺纹(螺纹牙型角60度)M——普通螺纹代号八、特殊螺纹Tr——梯形螺纹(螺纹牙型角30度)B——锯齿形螺纹(牙型角30×30度)螺纹公称直径 d 螺距P钻头直径 d铜不锈钢20.4 1.6 1.6 0.25 1.75 1.7530.5 2.5 2.5 0.35 2.15 2.154 0.7 3.3 3.3 0.5 3.5 3.55 0.8 4.1 4.2 0.5 4.5 4.561 4.9 5 0.75 5.2 5.28 1.25 6.6 6.71 7 7 0.75 7.1 7.2101.5 8.4 8.5 1.25 8.6 8.71 6.9 7 0.75 7.1 7.212 1.75 10.1 10.2 1.5 10.4 10.5 1.25 10.6 10.71 10.9 11142 11.8 12 1.5 12.4 12.5 1 12.9 13162 13.8 14 1.5 14.4 14.5 1 14.9 1518 2.5 15.3 15.5 2 15.8 16 1.5 16.4 16.5 1 16.9 1720 2.5 17.3 17.5 2 17.8 18 1.5 18.4 18.5 1 18.9 1922 2.5 19.3 19.52 19.8 20 1.5 20.4 20.5 1 20.9 21243 20.7 21 2 21.8 22 1.5 22.4 22.5 1 22.9 23非螺纹密封英制英制锥管螺纹英制锥螺纹螺纹直径牙数钻头直径螺纹直径牙数钻头直径螺纹直径牙数钻头直径1/8 28 8.8 1/8 28 8.4 1/8 27 8.6 1/4 19 11.7 1/4 19 11.2 1/4 18 11.1 3/8 19 15.2 3/8 19 14.7 3/8 18 14.5 1/2 14 18.9 1/2 14 18.3 1/2 14 17.9 3/4 14 24.4 3/4 14 23.6 3/4 14 23.21 11 30.6 1 14 29.7 1 11.5 29.2 1-1/4 11 39.2 1-1/4 11 38.3 1-1/4 11.5 37.9 1-3/8 11 41.6 1-1/2 11 44.1 1-1/2 11.5 43.9 1-1/2 11 45.1 2 1155.8 2 11.5 56螺距(t) 螺纹长度基面上螺纹直径牙型高度(h1) 有效长度基面长度外径(d) 中径(d2) 内径(d1)0.91 9 4.5 9.73 9.15 8.57 0.581.34 11 6 13.16 12.3 11.45 0.861.34 12 6 16.66 15.81 14.95 0.861.81 15 7.5 20.96 19.79 18.63 1.161.81 17 9.5 26.44 25.28 24.12 1.162.31 19 11 33.25 31.77 30.29 1.482.31 22 13 41.91 40.43 38.95 1.482.31 23 14 47.81 46.33 44.85 1.482.31 26 16 59.62 58.14 56.66 1.482.31 30 18.5 75.19 73.71 72.23 1.482.31 32 20.5 87.89 86.41 84.93 1.482.31 38 25.5 113.03 111.56 110.08 1.48本螺纹基面上各直径等于圆柱螺纹的各相应直径基面上螺纹内径 d1 = d - 1.28t3/4″ = 26.44 - 1.28 * 1.81 = 24.12斜角(φ)1°47'24″锥角(2tgφ)=1:16公称直径(英寸)每英寸牙数(n)螺距(t)管子外径(d) 管接头螺纹内径(d1') 牙型高度(h1) 名义尺寸最大外径最小外径名义尺寸最大内径最小内径1/8 28 0.919.73 9.68 9.38 8.57 8.92 8.67 0.581/4 19 1.34 13.1613.1 12.74 11.4511.84 11.56 0.863/8 19 1.34 16.6616.6 16.24 14.9515.35 15.06 0.861/2 14 1.81 20.9620.89 20.5 18.6319.05 18.75 1.165/8 14 1.81 22.922.85 22.46 20.5 921.01 20.71 1.16 3/4 14 1.81 26.4426.38 25.97 24.1 224.57 24.25 1.16 7/8 14 1.81 30.2 30.14 29.73 27.8828.33 28.01 1.16 1 11 2.31 33.2533.18 32.75 30.2 930.79 30.43 1.48 1-1/4 11 2.31 41.9141.84 41.36 38.9 539.46 39.1 1.48 1-3/8 11 2.31 44.344.26 43.78 41.3741.87 41.51 1.481-1/2 11 2.31 47.8147.74 47.21 44.8545.4 45 1.481-3/4 11 2.31 53.7553.67 53.14 50.7951.34 50.94 1.482 11 2.359.659.54 59.01 56.657.21 56.81 1.48 1 2 62-1/2 11 2.31 75.1975.11 74.54 72.2372.83 72.39 1.483 11 2.3187.8987.8 87.19 84.9385.58 85.1 1.48外径d由公称直径所决定螺纹内径 d1 = d - 1.28t斜角(φ)1°47'24″锥角(2tgφ)=1:16公称直径(英寸)每英寸牙数(n)螺距(t)螺纹长度基面上螺纹直径牙型高度(h1) 有效长度基面长度外径(d)中径(d2)内径(d1)1/16 27 0.94 6.5 4.06 7.9 7.14 6.39 0.75 1/8 27 0.94 7 4.57 10.27 9.52 8.77 0.75 1/4 18 1.41 9.5 5.08 13.57 12.44 11.31 1.13 3/8 18 1.41 10.5 6.1 17.06 15.93 14.8 1.13 1/2 14 1.81 13.5 8.13 21.22 19.77 18.32 1.45 3/4 14 1.81 14 8.61 26.57 25.12 23.67 1.451 11-1/2 2.21 17.5 10.16 33.23 31.46 29.69 1.77 1-1/4 11-1/2 2.21 18 10.67 41.99 40.22 38.45 1.771-1/2 11-1/2 2.21 18.5 10.67 48.05 46.29 44.52 1.772 11-1/2 2.21 19 11.07 60.09 58.33 56.56 1.77外径d由公称直径所决定牙型高度 h1=0.8t基面上螺纹内径 d1 = d - 1.6t3/8″ = 17.06mm d1=17.06 - 1.6 * 1.41 = 14.80斜角(φ)1°47'24″锥角(2tgφ)=1:16公称直径每寸牙数螺距(t)外螺纹外径内螺纹内径选用钻头名义尺寸最大尺寸最小尺寸名义尺寸最大尺寸最小尺寸3/16″24 1.06 4.63 4.5 4.24 3.56 3.97 3.71 Φ3.7 1/4″20 1.27 6.2 6.05 5.75 4.91 5.39 5.1 Φ5.1 5/16″18 1.41 7.78 7.62 7.31 6.34 6.86 6.55 Φ6.5 3/8″16 1.59 9.36 9.2 8.9 7.73 8.29 7.97 Φ7.9 7/16″14 1.81 10.93 10.75 10.45 9.06 9.67 9.33 Φ9.3 1/2″12 2.12 12.5 12.311.9 10.3 10.96 10.61 Φ10.5 9/16″12 2.12 14.08 13.87 13.47 11.8912.56 12.2 Φ12.15/8″11 2.31 15.65 15.43 15.03 13.26 13.94 13.6 Φ13.5 3/4″10 2.54 18.81 18.57 18.17 16.17 16.92 16.54 Φ16.4 7/8″9 2.82 21.9621.7 21.2 19.03 19.82 19.45 Φ19.5 1″8 3.18 25.11 24.82 24.32 21.822.67 22.27 Φ22 1-1/8″7 3.63 28.25 27.93 27.33 24.46 25.43 24.991-1/4″7 3.63 31.43 31.09 30.49 27.64 28.59 28.181-3/8″ 6 4.23 34.56 34.2 33.6 30.13 31.23 30.761-1/2″ 6 4.23 37.73 37.36 36.76 33.31 34.38 33.941-3/4″ 5 5.08 44.02 43.59 42.79 38.7 39.95 39.451-7/8″ 4.5 5.64 47.15 46.68 45.88 41.23 42.58 42.06 2″ 4.5 5.64 50.32 49.84 49.04 44.41 45.79 45.25内螺纹(d')公称直径3/4″=19.05 mm外螺纹(d1)内径 d'-1.28 t 3/4″=19.05 -1.28 * 2.54=15.79 mm外螺纹(d1')内径d'-1.134 t 3/4″=19.05 -1.134 * 2.54=16.16 mm公称直径(英寸)每英寸牙数(n)螺距(t) 外螺纹外径内螺纹内径名义尺寸名义尺寸d =d'-0.075t-0.0511/16 14 1.814 17.28 15.43/8 20 1.27 9.38 8.08 7/8 11 2.31 22 19.6 5/8 14 1.81 15.69 13.82 3/4 12 2.12 18.84 16.65 1/4 26 0.976 6.23 5.24 1/2 16 1.587 12.53 10.9 1 10 2.54 25.15 22.52内螺纹d'(公称直径)外螺纹d1=内径=d'-1.28t 3/4″=19.05-1.28*2.116=16.34内螺纹d1=内径=d'-1.134t 3/4″=19.05-1.134*2.116=16.653/4″=12牙/英寸 t=2.116。
最全的螺纹孔径对照表在机械加工和制造领域,螺纹孔径的准确测量和选择是至关重要的。
螺纹孔的尺寸规格繁多,为了方便工程技术人员在设计、加工和装配过程中能够快速准确地找到所需的螺纹孔径数据,我们整理了这份最全的螺纹孔径对照表。
首先,让我们来了解一下什么是螺纹孔径。
螺纹孔径指的是在螺纹孔中,除去螺纹部分的内孔直径。
它是决定螺纹连接强度、密封性以及装配精度的重要参数。
常见的螺纹标准有公制螺纹和英制螺纹。
公制螺纹以毫米为单位,英制螺纹则以英寸为单位。
以下是公制螺纹孔径的对照表:M1 螺纹的孔径约为 075mm,M2 螺纹的孔径约为 16mm,M3 螺纹的孔径约为 25mm,M4 螺纹的孔径约为 33mm,M5 螺纹的孔径约为42mm,M6 螺纹的孔径约为 5mm,M8 螺纹的孔径约为 68mm,M10螺纹的孔径约为 85mm,M12 螺纹的孔径约为 102mm,M14 螺纹的孔径约为 12mm,M16 螺纹的孔径约为 14mm,M18 螺纹的孔径约为155mm,M20 螺纹的孔径约为175mm,M22 螺纹的孔径约为195mm,M24 螺纹的孔径约为 21mm,M27 螺纹的孔径约为 24mm,M30 螺纹的孔径约为 265mm,M33 螺纹的孔径约为 295mm,M36 螺纹的孔径约为 32mm,M39 螺纹的孔径约为 35mm,M42 螺纹的孔径约为375mm,M45 螺纹的孔径约为 405mm,M48 螺纹的孔径约为 43mm,M52 螺纹的孔径约为 475mm,M56 螺纹的孔径约为 505mm,M60 螺纹的孔径约为 545mm,M64 螺纹的孔径约为 585mm,M68 螺纹的孔径约为 62mm,M72 螺纹的孔径约为 66mm,M76 螺纹的孔径约为70mm,M80 螺纹的孔径约为 74mm,M85 螺纹的孔径约为 79mm,M90 螺纹的孔径约为 84mm,M95 螺纹的孔径约为 89mm,M100 螺纹的孔径约为 94mm。
公制细螺纹规格对照表分析报告一、引言公制细螺纹规格对照表是机械制造和工程设计领域中常用的标准之一。
它规定了不同直径和螺距的细螺纹规格,为各种机械零部件的制造和装配提供了统一的标准。
本报告旨在分析公制细螺纹规格对照表的特点、应用及发展趋势,为相关领域的研究和实践提供参考。
二、公制细螺纹规格对照表概述序号公制细螺纹规格对应英制细螺纹规格1M28-32 UN-22M2.510-32 UN-23M310-32 UN-24M41/4-28 UN-25M51/4-28 UN-26M65/16-24 UN-27M85/16-24 UN-28M103/8-24 UN-2序号公制细螺纹规格对应英制细螺纹规格9M123/8-24 UN-210M147/16-20 UN-211M167/16-20 UN-212M181/2-20 UN-213M201/2-20 UN-214M229/16-18 UN-215M249/16-18 UN-216M275/8-18 UN-217M305/8-18 UN-2公制细螺纹规格对照表主要包括直径、螺距和标记三部分内容。
其中,直径是指螺纹的直径大小,通常用毫米(mm)表示;螺距是指相邻两个螺纹之间的距离,也用毫米表示;标记则是对规格的简化描述,方便用户快速识别和选择。
三、公制细螺纹规格对照表的应用1.机械制造领域:公制细螺纹规格对照表在机械制造领域中应用广泛,如机床、汽车、航空航天等领域的零部件制造。
通过选择合适的细螺纹规格,可以确保零部件的精度和可靠性。
2.工程设计领域:在工程设计中,公制细螺纹规格对照表可用于各种管道、阀门、接头等部件的设计和选型。
根据实际需求,选择合适的细螺纹规格,以满足工程的安全性和性能要求。
四、公制细螺纹规格对照表的发展趋势1.标准化和国际化:随着全球化的深入发展,公制细螺纹规格对照表的标准化和国际化趋势日益明显。
各国纷纷采用国际标准,推动细螺纹规格的统一和互换性。
公制英制螺纹对照表螺紋下孔徑表公制細牙螺紋螺紋尺寸M 2.5 × 0.35 3 × 0.35 3.5 × 0.35 4 × 0.5 4.5 × 0.5 5 × 0.5 5.5 × 0.5 6 × 0.75 7 × 0.75 8×1 8 × 0.75 9×1 9 × 0.75 10 × 1.25 10 × 1 10 × 0.75 11 × 1 11 × 0.75 12 × 1.5 12 × 1.25 12 × 1 14 × 1.5 14 × 1 15 × 1.5 15 × 1 16 × 1.5 16 × 1 17 × 1.5 17 × 1 18 × 2 18 × 1.5 18 × 1 20 × 2 20 × 1.5 20 × 1 22 × 2 22 × 1.5 22 × 1 24 × 2 24 × 1.5 24 × 1 25 × 2 25 × 1.5 25 × 1 鑽頭直徑 2.2 2.7 3.2 3.5 4 4.5 5 5.3 6.3 7 7.3 8 8.3 8.8 9 9.3 10 10.3 10.5 10.8 11 12.5 13 13.5 14 14.5 15 15.5 16 16 16.5 17 18 18.5 19 20 20.5 21 22 22.5 23 23 23.5 24 崁合度區分:中下孔徑(注1)2級(注2)JIS B 0211-1982(單位:mm) 單位:單位 (註1) (註2) 崁合度區分:中2級內螺紋小徑最小直徑2.121 2.621 3.121 3.459 3.959 4.459 4.959 5.188 6.188 6.917 7.188 7.917 8.188 8.647 8.917 9.188 9.917 10.188 10.376 10.647 10.917 12.376 12.917 13.376 13.917 14.376 14.917 15.376 15.917 15.835 16.376 16.917 17.835 18.376 18.917 19.835 20.376 20.917 21.835 22.376 22.917 22.835 23.376 23.917 最大直徑 2.221 2.721 3.221 3.599 4.099 4.599 5.099 5.378 6.378 7.153 7.378 8.153 8.378 8.912 9.153 9.378 10.153 10.378 10.676 10.912 11.153 12.676 13.153 13.676 14.153 14.676 15.153 15.676 16.153 16.210 16.676 17.153 18.210 18.676 19.153 20.210 20.676 21.153 22.210 22.676 23.153 23.210 23.676 24.1532.22 (75%) 2.72 (75%)3.22 (75%) 3.59 (75%)4.09 (75%) 4.59 (75%)5.09 (75%) 5.35 (80%)6.35 (80%)7.13 (80%) 7.35 (80%)8.13 (80%) 8.35 (80%) 8.85 (85%)9.13 (80%) 9.35 (80%) 10.13 (80%) 10.35 (80%) 10.62 (85%) 10.85 (85%) 11.13 (80%) 12.62(85%) 13.13 (80%) 13.62 (85%) 14.13 (80%) 14.62 (85%) 15.13 (80%) 15.62 (85%) 16.13 (80%) 16.2 (85%) 16.62 (85%) 17.13 (80%) 18.2 (85%) 18.62 (85%) 19.13 (80%) 20.2 (85%) 20.62 (85%) 21.13 (80%) 22.2 (85%) 22.62 (85%) 23.13 (80%) 23.2 (85%) 23.62 (85%) 24.13 (80%)螺紋下孔徑表公制細牙螺紋螺紋尺寸M 26 × 1.5 27 × 2 27 × 1.5 27 × 1 28 × 2 28 × 1.5 28 × 1 30 × 3 30 × 2 30 × 1.5 30 × 1 32 × 2 32 × 1.5 33 × 3 33 × 2 33 × 1.5 35 × 1.5 36 × 3 36 × 2 36 × 1.5 38 × 1.5 39 × 3 39 × 2 39 × 1.5 40 × 3 40 × 2 40 × 1.5 42 × 4 42 × 3 42 × 2 42 × 1.5 45 × 4 45 × 3 45 × 2 45 × 1.5 48 × 4 48 × 3 48 × 2 鑽頭直徑 24.5 25 25.5 26 26 26.5 27 27 28 28.5 29 30 30.5 30 31 31.5 33.5 33 34 34.5 36.5 36 37 37.5 37 38 38.5 38 39 40 40.5 41 42 43 43.5 44 45 46 崁合度區分:中下孔徑(注1)2級(注2)JIS B 0211-1982(單位:mm) 單位:單位 (註1) (註2) 崁合度區分:中2級內螺紋小徑最小直徑24.376 24.835 25.376 25.917 25.835 26.376 26.917 26.752 27.835 28.376 28.917 29.835 30.376 29.752 30.835 31.376 33.376 32.752 33.835 34.376 36.376 35.752 36.835 37.376 36.752 37.835 38.376 37.670 38.752 39.835 40.376 40.670 41.752 42.835 43.376 43.670 44.752 45.835 46.376 46.752 47.835 48.376 最大直徑24.676 25.210 25.676 26.153 26.210 26.676 27.153 27.252 28.210 28.676 29.153 30.210 30.676 30.252 31.210 31.676 33.676 33.252 34.210 34.676 36.676 36.252 37.210 37.676 37.252 38.210 38.676 38.270 39.252 40.210 40.676 41.270 42.252 43.210 43.676 44.270 45.252 46.210 46.676 47.252 48.210 48.67624.62 (85%) 25.2 (85%) 25.62 (85%) 26.13 (80%) 26.2 (85%) 26.62 (85%) 27.13 (80%) 27.2 (85%) 28.2 (85%) 28.62 (85%) 29.13 (80%) 30.2 (85%) 30.62 (85%) 30.2 (85%) 31.2 (85%) 31.62 (85%) 33.62 (85%) 33.2 (85%) 34.2 (85%) 34.62 (85%) 36.62 (85%) 36.2 (85%) 37.2 (85%) 37.62 (85%) 37.2 (85%) 38.2 (85%) 38.62 (85%) 38.1 (90%) 39.2 (85%) 40.2 (85%) 40.62 (85%) 41.1 (90%) 42.2 (85%) 43.2 (85%) 43.62 (85%) 44.1 (90%) 45.2 (85%) 46.2 (85%) 46.62 (85%) 47.2 (85%) 48.2 (85%) 48.62 (85%)48 × 1.5 46.5 50 × 3 47 50 × 2 48 50 × 1.5 48.5 註(1)等級:6H (2)基於 JIS B 0211-1982標準螺紋下孔徑表美制粗牙螺紋螺紋尺寸 NO.1 -64UNC 2 -56 3 -48 4 -40 5 -40 6 -32 8 -32 10 -24 12 -24 1/4 -20 5/16 -18 3/8 -16 7/16 -14 1/2 -13 9/16 -12 5/8 -11 3/4 -10 7/8 - 9 1 -8 1 1/8 - 7 1 1/4 - 7 1 3/8 - 6 1 1/2 - 6 1 3/4 - 5 2 -4 鑽頭直徑 1.55 1.8 2.1 2.3 2.6 2.8 3.4 3.9 4.5 5.1 6.6 8 9.4 10.8 12.2 13.6 16.5 19.5 22.2 25 28.2 30.8 34 39.5 45.2 2B 級螺紋下孔徑 1.57 1.86 2.14 2.36 2.69 2.86 3.52 3.91 4.57 5.25 6.72 8.15 9.50 11.0 12.3 13.8 16.8 19.6 22.5 25.2 28.4 31.0 34.2 39.8 45.3 (65%) (65%) (65%) (70%) (70%) (75%) (75%) (80%) (80%) (80%) (80%) (80%) (80%) (80%) (85%) (85%) (80%) (85%) (85%) (85%) (85%) (85%) (85%) (85%) (90%) (單位:mm) 單位:單位內螺紋小徑最小直徑 1.425 1.695 1.941 2.157 2.487 2.642 3.302 3.683 4.344 4.979 6.401 7.798 9.144 10.592 11.989 13.386 16.307 19.177 21.971 24.638 27.813 30.353 33.528 38.964 44.679 最大直徑 1.582 1.871 2.146 2.385 2.697 2.895 3.530 3.962 4.597 5.257 6.731 8.153 9.550 11.023 12.446 13.868 16.840 19.761 22.606 25.349 28.524 31.115 34.290 39.827 45.593螺紋下孔徑表美制細牙螺紋螺紋尺寸 NO. 0 -80UNF 1 -72 2 -64 3 -56 4 -48 5 -44 6 -40 8 -36 10 -32 12 -28 1/4 -28 5/16 -24 3/8 -24 7/16 -20 1/2 -20 9/16 -18 5/8 -18 3/4 -16 7/8 -14 1 -12 11/8 -12 11/4 -12 13/8 -12 11/2 -12 鑽頭直徑 1.25 1.55 1.85 2.1 2.4 2.7 2.9 3.5 4.1 4.6 5.5 6.9 8.5 9.9 11.5 12.9 14.5 17.5 20.5 23.2 26.5 29.5 32.8 36 2B 級螺紋下孔徑 1.30 (65%) 1.61 (65%) 1.90 (65%) 2.17 (70%) 2.44 (70%) 2.74 (70%) 3.02 (70%) 3.59 (75%) 4.14 (80%) 4.70 (80%) 5.56 (80%) 7.02 (80%) 8.61 (80%) 10.01 (80%) 11.60 (80%) 13.07 (80%) 14.65 (80%) 17.59 (85%) 20.6 (85%) 23.5 (85%) 26.7 (80%) 29.9 (80%) 33.0 (85%) 36.2 (85%) (單位:mm) 單位:單位內螺紋小徑最小直徑 1.182 1.474 1.756 2.025 2.271 2.551 2.820 3.404 3.963 4.496 5.360 6.782 8.382 9.729 11.329 12.751 14.351 17.323 20.270 23.114 26.289 29.464 32.639 35.814 最大直徑 1.305 1.612 1.912 2.197 2.458 2.740 3.022 3.606 4.165 4.724 5.588 7.035 8.636 10.033 11.607 13.081 14.681 17.678 20.675 23.571 26.746 29.921 33.096 36.271螺紋下孔徑表縫紉機螺紋(SM) 縫紉機螺紋螺紋尺寸 SM 1/16 - 80 5/64 - 64 3/32 -100 3/32 - 56 1/8 - 44 1/8 - 40 9/64 - 40 11/64 - 40 3/16 - 32 3/16 - 28 7/32 - 32 15/64 - 28 1/4 - 40 1/4 - 28 縫紉機螺紋(SM) 縫紉機螺紋螺紋尺寸 SM 1/4 - 24 9/32 - 28 9/32 - 20 5/16 - 28 5/16 - 24 5/16 - 18 3/8 - 28 3/8 - 18 7/16 - 28 7/16 - 16 1/2 - 28 1/2 - 20 1/2 - 12 鑽頭直徑 1.25 1.55 2.10 1.85 2.50 2.45 2.85 3.65 3.90 3.70 4.70 4.90 5.60 5.30 2B 級螺紋下孔徑 1.28 (75%) 1.57 (80%) 2.15 (70%) 1.91 (80%) 2.58 (80%) 2.52 (80%) 2.91 (80%) 3.71 (80%) 3.94 (80%) 3.82 (80%) 4.73 (80%) 5.01 (80%) 5.69 (80%) 5.41 (80%) (單位:mm) 單位:單位 2級內螺紋小徑最小直徑1.211 1.513 2.081 1.841 2.485 2.421 2.818 3.612 3.820 3.684 4.614 4.875 5.596 5.272 最大直徑 1.281 1.593 2.156 1.936 2.605 2.5512.9483.742 3.980 3.8444.7745.055 5.726 5.452 (單位:mm) 單位:單位鑽頭直徑 5.10 6.10 5.70 6.90 6.70 6.30 8.50 7.90 10.10 9.30 11.70 11.30 10.302B 級螺紋下孔徑 5.25 (80%) 6.20 (80%) 5.82 (80%) 6.00 (80%) 6.84 (80%) 6.38 (85%) 8.58 (80%) 7.97 (85%) 10.17 (80%) 9.36 (85%) 11.76 (80%) 11.38 (80%) 10.36 (85%)2級內螺紋小徑最小直徑5.086 6.066 5.634 6.860 6.674 6.254 8.447 7.843 10.034 9.220 11.622 11.190 10.180 最大直徑5.266 6.256 5.824 7.050 6.864 6.444 8.637 8.053 10.224 9.440 11.812 11.410 10.420螺紋下孔徑表英制粗牙螺紋下孔徑螺紋尺寸 A 列(硬材質) B 列(軟材質) 2.6 3.7 5.1 6.6 8.0 9.4 10.7 12.3 13.7 16.7 19.5 22.4 25.0 28.3 30.5 33.8 36.0 39.2 41.8 45.0 2.5 3.6 5.0 6.5 7.9 9.3 10.5 12.0 13.5 16.5 19.3 22.0 24.8 28.0 30.3 33.5 35.7 39.0 41.5 44.7 A 列直徑 70.7 78.4 76.9 74.0 75.0 73.7 73.8 73.4 73.5 72.3 75.4 73.8 76.9 74.3 81.6 79.3 81.1 80.7 80.6 80.2 嵌合率 B 列直徑 83.0 85.8 83.0 99.5 80.0 80.0 81.2 84.4 80.3 78.4 80.9 83.6 81.3 80.7 85.3 84.8 85.7 83.8 84.7 84.4 內螺紋最小徑內螺紋最大徑 70.0 70.0 70.5 70.1 69.5 69.0 69.0 69.0 69.6 69.6 70.1 71.0 72.0 72.0 73.8 73.8 74.8 74.8 74.7 74.7 88.3 88.3 88.3 88.4 88.2 88.8 88.2 88.2 88.5 88.3 88.4 88.2 88.4 88.4 88.6 88.6 88.3 88.3 88.4 88.4 (單位:mm) 單位:單位W 1/8 3/16 1/4 5/16 3/8 7/16 1/2 9/16 5/8 3/4 7/8 1 1 1/8 11/4 13/8 11/2 15/8 13/4 17/8 2螺紋下孔徑表英制管用螺紋 JIS B 0203 管用螺紋尺寸錐管內螺紋 Rc(PT) 計算值 1/16 1/8 1/4 3/8 1/2 3/4 1 11/4 11/2 2 21/2 3 31/2 4 5 6 7 8 910 12 6.230 8.235 10.941 14.428 17.950 23.349 29.423 37.940 43.833 55.412 70.701 83.201 95.547 107.834 133.110 158.510 183.360 208.560 233.960 259.166 309.747 下孔徑 6.2 8.2 10.9 14.4 18 23 29 38 44 55 71 83 96 108 133 159 183 209 234 259 310 平行內螺紋 Rp(PS) 計算值 6.490 8.495 11.341 14.846 18.489 23.975 30.111 38.772 44.565 56.476 72.009 84.709 97.155 109.855 135.255 160.655 185.954 211.354 236.754 262.154 312.875 下孔徑 6.5 8.5 11.4 14.9 18.5 24 30 39 45 56 72 85 97 110 135 161 186 212 237 262 313(單位:mm) 單位:單位JIS B 2301 錐管內螺紋計算值-8.191 10.945 14.388 17.943 23.305 29.353 37.890 43.720 55.406 70.788 83.364 95.747 108.322 133.597 158.810 下孔徑- 8.2 10.9 14.4 18 23 29 38 43 55 70 83 95 108 133 1581982年由於 ISO 進入,JIS 管用螺紋規格得到修訂,螺紋代號有了變更,因此絲攻的名稱還是延用了舊代號。
螺丝攻牙钻孔径和滚造径对照表公制粗螺纹美制粗螺纹2级牙钻孔径2级牙钻孔径规格标准径规格(UNC)标准径最大最小最大最小M1.0×0.25 0.75 0.7850.729 NO.1-641.854 1.55 1.582 1.425M1.1×0.25 0.85 0.885 0.829 NO.2-562.184 1.801.871 1.695M1.2×0.25 0.95 0.985 0.985 NO.3-482.515 2.10 2.146 1.941M1.4×0.3 1.101.142 1.075 NO.4-402.845 2.30 2.385 2.157M1.6×0.35 1.25 1.321 1.221 NO.5-403.1752.60 2.697 2.487M1.7×0.35 1.35 1.421 1.321 NO.6-323.505 2.80 2.895 2.642M1.8×0.35 1.45 1.521 1.421 NO8-324.166 3.40 3.53 3.302M2.0×0.4 1.60 1.679 1.567NO.10-244.826 3.90 3.962 3.683M2.2×0.45 1.75 1.838 1.713 NO.12-245.486 4.50 4.597 4.344M2.3×0.4 1.90 1.979 1.867 1/4-20 5.10 5.257 4.979M2.5×0.45 2.10 2.138 2.0135/16-18 6.60 6.731 6.401M2.6×0.45 2.20 2.238 2.113 3/8-16 8.00 8.153 7.798M3.0×0.5 2.50 2.599 2.459 7/16-14 9.40 9.55 9.144M3.0×0.6 2.40 2.440 2.280 1/2-13 10.80 11.023 10.592M3.5×0.6 2.90 3.010 2.850 9/16-12 12.20 12.446 11.989M4.0×0.7 3.30 3.4223.242 5/8-11 13.60 12.868 13.386M4.0×0.75 3.25 3.326 3.106 3/4-10 16.50 18.840 16.307M4.5×0.75 3.80 3.878 3.688 7/8-9 19.50 19.761 19.177M5.0×0.8 4.20 4.3344.134 1 22.20 22.606 21.971M5.0×0.9 4.10 4.170 3.930 1-1/8-7 25.00 25.34924.638M6.0×1.0 5.00 5.153 4.917 1-1/4-7 28.20 28.524 27.813M7.0×1.0 6.00 6.1535.917 1-3/8-6 30.80 31.115 30.353M8.0×1.256.80 6.912 6.647 1-1/2-6 34.00 34.290 33.528M9.0×1.257.80 7.912 7.647 1-3/4-5 39.50 39.827 38.964M10×1.5 8.50 8.676 8.376 2-4-1/2 45.20 45.593 44.679M11×1.59.50 9.676 9.376M12×1.75 10.30 10.441 10.106M14×2.0 12.00 12.210 11.835M16×2.0 14.00 14.210 13.835M18×2.5 15.5015.744 15.294M20×2.5 17.50 17.744 17.294M22×2.5 19.50 19.744 19.294M24×3.0 21.00 21.252 20.752M27×3.0 24.00 24.252 23.752M30×3.5 26.50 26.771 26.211 螺丝攻牙钻孔径和滚造径对照表公制细螺纹美制细螺纹2级牙钻孔径2级牙钻孔径规格标准径规格(UNC)标准径最大最小最大最小M1.0×0.2 0.80 0.821 0.783 NO.0-801.524 1.25 1.305 1.182M1.1×0.2 0.90 0.921 0.883 NO.1-721.854 1.55 1.612 1.474M1.2×0.2 1.00 1.021 0.983 NO.2-642.184 1.85 1.912 1.756M1.4×0.2 1.20 1.2211.183 NO.3-562.515 2.10 2.197 2.025M1.6×0.2 1.40 1.421 1.383 NO.4-482.845 2.402.458 2.271M1.7×0.2 1.45 1.500 1.460 NO.5-443.175 2.70 2.740 2.551M1.8×0.2 1.60 1.621 1.583 NO.6-403.505 2.90 3.022 2.820M2.0×0.25 1.75 1.785 1.729 NO.8-364.166 3.50 3.606 3.404M2.2×0.25 1.95 1.985 1.929 NO.10-324.826 4.10 4.1653.963M2.3×0.25 2.05 2.061 2.001 NO.12-285.8464.60 4.724 4.496M2.5×0.35 2.202.221 2.121 1/4-28 5.50 5.588 5.360M2.6×0.35 2.20 2.246 2.186 5/16-24 6.90 7.0356.782M3.0×0.35 2.70 2.721 2.621 3/8-24 8.50 8.636 8.382M3.5×0.35 3.20 3.221 3.121 7/16-20 9.90 10.033 9.729M4.0×0.5 3.50 3.599 3.459 1/2-20 11.50 11.60711.329M4.5×0.5 4.00 4.099 3.959 9/16-18 12.90 13.081 12.751M5.0×0.5 4.50 4.5994.459 5/8-18 14.50 14.681 14.351M5.5×0.5 5.00 5.099 4.959 3/4-16 17.50 17.67817.323M6.0×0.75 5.30 5.378 5.188 7/8-14 20.50 20.675 20.270M6.0×0.5 5.50 5.5505.400 1-12 23.20 23.571 23.114M7.0×0.756.30 6.378 6.188 1-1/8-12 26.50 26.746 26.289M7.0×0.5 6.50 6.550 6.400 1-1/4-12 29.50 29.921 29.464 螺丝攻牙钻孔径和滚造径对照表公制细螺纹美制细螺纹2级牙钻孔径2级牙钻孔径规格标准径规格(UNC)标准径最大最小最大最小M8.0×1.0 7.00 7.153 6.917 1-3/8-12 32.80 33.096 32.639M8.0×0.75 7.30 7.378 7.188 1-1/2-12 36.00 36.271 35.814M8.0×0.5 7.507.520 7.400M9.0×1.0 8.00 8.153 7.917M9.0×0.75 8.30 8.378 8.188M10×1.25 8.80 8.9128.647M10×1.0 9.00 9.153 8.917M10×0.75 9.30 9.378 9.188M10×0.5 9.50 9.5209.400M11×1.0 10.00 10.153 9.917M11×0.75 10.30 10.378 10.188M12×1.5 10.50 10.67610.376M12×1.25 10.80 10.912 10.647M12×1.0 11.00 11.153 10.917M12×0.5 11.5011.520 11.400M14×1.5 12.50 12.676 12.376M14×1.0 13.00 13.153 12.917M15×1.513.50 13.676 13.376M15×1.0 14.00 14.153 13.917M16×1.5 14.50 14.67614.376M16×1.0 15.00 15.153 14.917M17×1.5 15.50 15.676 15.376 螺丝攻牙钻孔径和滚造径对照表公制细螺纹美制细螺纹2级牙钻孔径2级牙钻孔径规格标准径规格(UNC)标准径最大最小最大最小M17×1.0 16.00 16.153 15.917M18×2.0 16.00 16.210 15.835M18×1.5 16.50 16.676 16.376M18×1.0 17.00 17.15316.917M20×2.0 18.00 18.210 17.835M20×1.5 18.50 18.676 18.376M20×1.0 19.0019.153 18.917M22×2.0 20.00 20.210 19.835M22×1.5 20.50 20.676 20.376M22×1.021.00 21.153 20.917M24×2.0 22.00 22.210 21.835M24×1.5 22.50 22.67622.376M24×1.0 23.00 23.153 22.917M25×2.0 23.00 23.210 22.835M25×1.5 23.5023.676 23.376M25×1.0 24.00 24.153 23.917M26×1.5 24.50 24.676 24.376M27×2.0 25.00 25.210 24.835M27×1.5 25.50 25.676 25.376M27×1.0 26.00 26.15325.917M28×2.0 26.00 26.210 25.835M28×1.5 26.50 26.676 26.376 螺丝攻牙钻孔径和滚造径对照表公制细螺纹美制细螺纹2级牙钻孔径2级牙钻孔径规格标准径规格(UNC)标准径最大最小最大最小M28×1.0 27.00 27.153 26.917M30×3.027.00 27.252 26.752M30×2.0 28.00 28.210 27.835M30×1.5 28.50 28.67628.376M30×1.0 29.00 29.153 28.917M32×2.0 30.00 30.210 29.835M32×1.5 30.5030.676 30.376M33×3.0 30.00 30.252 29.752M33×2.0 31.00 31.210 30.835M33×1.531.50 31.676 31.376M35×1.5 33.50 33.676 33.376M36×3.0 33.00 33.25232.752M36×2.0 34.00 34.210 33.835M36×1.5 34.50 34.676 34.376 螺丝攻牙钻孔径和滚造径对照表公制迫牙丝攻钻孔径美制迫牙丝攻钻孔径精度等级精度等级规格规格G4-G6 G7-G8 G9 G4-G6 G7-G8 G9M1.0×0.25 0.86 0.88 -NO.2-56UNC 1.94 --M1.1×0.25 0.96 0.98 -NO.3-48 2.23 --M1.2×0.25 1.06 1.08 -NO.4-40 2.50 --M1.4×0.3 1.24 1.25 -NO.5-40 2.83 --M1.6×0.35 1.41 1.43 -NO.6-32 3.07 --M1.7×0.35 1.51 1.53 -NO.8-32 3.73 3.77 -M1.8×0.35 1.61 1.63 -NO.10-24 4.24 4.3 -M2.0×0.4 1.78 1.80 -NO.12-24 4.90 4.96 -M2.2×0.45 1.95 1.98 -1/4-20 -5.72 -M2.3×0.4 2.08 2.10 -5/16-18 -7.24 -M2.5×0.45 2.25 2.28 -3/8-16 -8.74 8.81M2.6×0.45 2.35 2.38 -7/16-14 -10.20 10.30M3.0×0.5 2.73 2.75 -1/2-13 -11.27 11.82M3.5×0.6 3.17 3.20 -NO.2-64UNF 1.97 --M4.0×0.7 3.62 3.65 3.69 NO.3-56 2.27 --M5.0×0.8 4.56 4.60 4.64 NO.4-48 2.56 --M6.0×1.0 5.45 5.50 5.55 NO.5-44 2.86 --M7.0×1.0 6.45 6.50 6.55 NO.6-40 3.16 --M8.0×1.25 7.31 7.38 7.44 NO.8-36 3.78 --M10×1.5 9.18 9.25 9.32 NO.10-32 4.39 4.43 -M10×1.25 9.31 9.38 9.44 NO.12-28 4.99 5.04 -M12×1.75 11.04 11.12 11.21 1/4-28 5.85 5.90 -M12×1.25 11.31 11.38 11.44 5/16-24 7.36 7.41 -3/8-24 -9.00 -7/16-20 -10.48 10.541/2-20 -12.07 12.13 美制特细螺纹英制电器螺纹2级牙钻孔径规格UNEF 标准径规格钻孔径最大最小NO.12-32 4.70 4.826 4.623 2BA 4.0-4.2 1/4 -32 5.60 5.690 5.486 3BA 5/16 -32 7.10 7.264 7.087 4BA 3.0-3.2 3/8 -32 8.70 8.865 8.661 5BA 2.7-2.8 7/16 -28 10.20 10.338 10.135 6BA 2.4-2.5 1/2 -28 11.80 11.938 11.709 9/16 -24 13.20 13.386 13.1325/8 -24 14.80 14.986 14.732 3/4 -20 17.80 17.958 17.678 7/8 -20 21.00 21.133 20.853 1 -20 24.00 24.308 24.028 螺丝攻牙钻孔径和滚造径对照表英制管螺纹英制管螺纹美制管螺纹有交牙部之标准长度钻孔径标准径长度(最(最小)中钻孔径规格标准径规格规格最大最小使用纹刀不用纹刀小)中之毋之毋螺牙内NPT NPS 时时螺牙内径径使用绞刀时不用绞刀时PS 1/16 - 28 6.50 6.632 6.490 PT 1/16 - 28 6.10 6.20 6.244 6.384 1/16 - 27 6.10 6.25 6.35 PS 1/8 - 28 8.50 8.637 8.495 PT 1/8 - 28 8.10 8.20 8.249 8.388 1/8 - 27 8.33 8.43 8.74 PS 1/4 - 19 11.40 11.54911.341 PT 1/4 - 19 10.70 11.00 10.962 11.174 1/4 - 18 10.72 11.13 11.13 PS 3/8 - 19 15.00 15.054 14.846 PT 3/8 - 19 14.20 14.50 14.448 14.658 3/8 - 18 14.27 14.27 14.68 PS 1/2 - 14 18.50 18.773 18.489 PT 1/2 - 14 17.60 18.00 17.979 18.263 1/2 - 14 17.48 17.86 18.26 PS 3/4 -14 24.00 24.259 23.975 PT 3/4 - 14 23.00 23.50 23.378 23.663 3/4 - 14 22.63 23.01 23.42 PS 1 - 11 30.20 30.471 30.111 PT 1- 11 29.00 29.50 29.459 29.822 1 - 11-1/2 28.58 28.98 29.36PS 1-1/4 - 11 38.80 39.132 38.772 PT 1-1/4 - 11 37.50 38.00 37.976 38.339 1-1/4-11-1/2 37.31 37.69 38.10PS 1-1/2 - 11 44.80 45.025 44.665 PT1-1/2 - 11 43.40 44.00 43.869 44.232 1-1/2-11-1/2 43.66 44.04 44.45 PS 2 - 11 56.50 56.836 56.476 PT 2 - 11 54.90 55.50 55.412 55.844 2 - 11 - 1/2 55.58 55.96 56.36 美制粗螺纹美制细螺纹2级牙钻孔径规格规格标准径标准径(UNC 最大最小(UNF NO.1-641.854 1.55 1.582 1.425 NO.0-801.524 1.25 NO.2-562.184 1.80 1.871 1.695 NO.1-721.854 1.55 NO.3-482.515 2.10 2.146 1.941 NO.2-642.184 1.85NO.4-402.845 2.30 2.385 2.157 NO.3-562.515 2.10 NO.5-403.175 2.60 2.697 2.487 NO.4-482.845 2.40 NO.6-323.505 2.80 2.895 2.642 NO.5-443.175 2.70 NO.8-324.166 3.40 3.530 3.302 NO.6-403.505 2.90NO.10-244.826 3.90 3.962 3.683 NO.8-364.166 3.50NO.12-245.486 4.50 4.597 4.344 NO.10-324.826 4.10 1/4 -20 5.10 5.257 4.979 NO.12-285.846 4.60 5/16 -18 6.60 6.731 6.401 1/4-28 5.50 3/8 -16 8.00 8.153 7.7985/16-24 6.90 7/16 -14 9.40 9.550 9.144 3/8-24 8.50 1/2 -13 10.80 11.023 10..。