合格供方业绩评价表及填写指南
- 格式:docx
- 大小:23.67 KB
- 文档页数:3
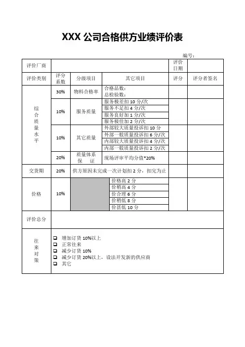
工程合格供方评价表(物业公司用表)Q/POLYGC3006-2014/B10
评价人员:, 主管领导:
评价表编制说明:
1.表格中项目名称、供方名称、合同编号、履约内容由项目部/工程部经办人统
一填写,表格中其余内容由各部门评价人员填写;
2.履约内容包含:施工区域、工程规模、合同总金额、履约主要内容等;
3.各评价人员采用打钩方式,给出各项评价内容得分;
4.表格中评价内容如被评为差,该项的评价得分根据评价供方具体表现取5〜O
分的整数分;
5.表格中评价得分为各项评价内容得分总和除以评价内容项数,评价得分只保留
小数点后2位;
6.综合评价内容包含:供方主要存在问题、改进建议、供方履约评价等。
7.评价人员在进行项目部/工程部用表中评价内容打分时,应结合供方在集团第
三方巡检表现情况进行综合打分。
供货方业绩评估评价表评价指标1. 供货质量:供货方提供的产品或服务的质量水平,包括产品的符合性、可靠性和耐久性等方面。
2. 交货准时率:供货方按照合同约定的时间交付产品或完成服务的能力。
3. 价格合理性:供货方提供的产品或服务价格与市场价格相比是否合理,是否存在不合理的虚高或低价倾销情况。
4. 售后服务:供货方提供的售后服务质量,包括快速响应、问题解决效率和客户满意度等方面。
5. 合作沟通:供货方与我方之间的沟通合作情况,包括信息反馈及时性、对问题的积极解决和合作态度等方面。
评分标准每个评价指标按照以下标准进行评分:- 优秀:供货方在该评价指标上表现出色,完全符合要求,得分90-100分。
- 良好:供货方在该评价指标上表现良好,基本符合要求,得分75-89分。
- 一般:供货方在该评价指标上表现一般,部分符合要求,得分60-74分。
- 较差:供货方在该评价指标上表现较差,未能达到要求,得分40-59分。
- 差:供货方在该评价指标上表现极差,严重不符合要求,得分0-39分。
评分结果根据上述评分标准,对供货方进行综合评分,综合评分分为以下等级:- 优秀:综合评分90分以上。
- 良好:综合评分75-89分。
- 一般:综合评分60-74分。
- 较差:综合评分40-59分。
- 差:综合评分0-39分。
评价表格请根据以上的评价指标和评分标准,在以下表格中填写供货方的业绩评估评价:综合评分:_________请根据评定结果进行相应的行动,如果供货方评分较低,可以考虑与供货方进行沟通并要求改善。
祝您工作顺利!(备注:以上评价表格仅作为参考,具体评价标准和方法可根据实际情况进行调整并明确在合同中约定。
)。