第七章 工业用钢习题参考答案
- 格式:doc
- 大小:57.00 KB
- 文档页数:11
第七章工业用钢习题参考答案一、解释下列名词1、非合金钢(或碳素钢简称碳钢):是指含碳量在%~%之间并含有少量Si、Mn、P、S等杂质元素的铁碳合金。
低合金钢:加入的合金元素总含量小于5%的合金钢。
合金钢:在碳素钢的基础上,特意加入某些合金元素而得到的钢种。
合金元素:为改善钢的力学性能或获得某些特殊性能,有目的地在冶炼过程中加入的一些化学元素。
2、合金结构钢:在碳素结构钢的基础上,特意加入某些合金元素而得到的结构钢。
合金工具钢:在碳素工具钢的基础上,特意加入某些合金元素而得到的工具钢。
轴承钢:用来制造滚动轴承的内圈、外圈和滚动体的专用钢。
不锈钢:具有耐大气、酸、碱、盐等介质腐蚀作用的合金钢。
耐热钢:在高温下具有高的热化学稳定性和热强性的特殊性能钢。
3、热硬性(或称红硬性):钢在高温下保持高硬度的能力。
回火稳定性:淬火钢在回火时抵抗软化的能力。
二次硬化:含W、Mo、V、Cr 等元素的高合金钢,在回火的冷却过程中,残余奥氏体转变为马氏体,淬火钢的硬度上升的现象。
二、填空题1、Ni、Mn、C、N、Cu 等元素能扩大Fe-FeC 相图的γ区,使临界点A4_上升__,A3_下降_。
2、W18Cr4V钢是高速钢,W的主要作用是提高回火稳定性,Cr的主要作用是提高淬透性,V 的主要作用是细化晶粒,最终热处理工艺是高温回火;预热的目的是将合金元素全部,高温淬火的目的是使大量的难溶碳化物溶于奥氏体中,三次回火的目的是减少钢中的残余奥氏体。
3、含Cr、Mn 的合金结构钢淬火后在550∼600℃回火后,将出现第二类回火脆性。
4、易切削钢中常用的附加元素有__P__、__S__、_Pb_、_Ca_,这类元素在钢中的主要作用是形成夹杂物,降低材料塑性,改善钢的切削性能。
5、对40Cr 钢制零件进行调质处理时,在高温回火后应水中冷却,目的是防止第二类回火脆性。
6、以铅浴等温处理的冷拉弹簧钢丝,经绕制成弹簧后应进行去应力退火处理,而不需象热轧弹簧那样要进行淬火处理。
第二章2.1 如图2-34所示钢材在单向拉伸状态下的应力-应变曲线,请写出弹性阶段和非弹性阶段的σε-关系式。
tgα'=E'f y 0f y 0tgα=E 图2-34 σε-图(a )理想弹性-塑性(b )理想弹性强化解:(1)弹性阶段:tan E σεαε==⋅非弹性阶段:y f σ=(应力不随应变的增大而变化) (2)弹性阶段:tan E σεαε==⋅ 非弹性阶段:'()tan '()tan y y y y f f f E f Eσεαεα=+-=+-2.2如图2-35所示的钢材在单向拉伸状态下的σε-曲线,试验时分别在A 、B 、C 卸载至零,则在三种情况下,卸载前应变ε、卸载后残余应变c ε及可恢复的弹性应变y ε各是多少?2235/y f N mm = 2270/c N mm σ= 0.025F ε= 522.0610/E N mm =⨯2'1000/E N mm =f yσF图2-35 理想化的σε-图解:(1)A 点:卸载前应变:52350.001142.0610y f Eε===⨯卸载后残余应变:0c ε=可恢复弹性应变:0.00114y c εεε=-=卸载前应变:0.025F εε== 卸载后残余应变:0.02386y c f Eεε=-=可恢复弹性应变:0.00114y c εεε=-=(3)C 点: 卸载前应变:0.0250.0350.06'c yF f E σεε-=-=+=卸载后残余应变:0.05869cc Eσεε=-=可恢复弹性应变:0.00131y c εεε=-=2.3试述钢材在单轴反复应力作用下,钢材的σε-曲线、钢材疲劳强度与反复应力大小和作用时间之间的关系。
答:钢材σε-曲线与反复应力大小和作用时间关系:当构件反复力y f σ≤时,即材料处于弹性阶段时,反复应力作用下钢材材性无变化,不存在残余变形,钢材σε-曲线基本无变化;当y f σ>时,即材料处于弹塑性阶段,反复应力会引起残余变形,但若加载-卸载连续进行,钢材σε-曲线也基本无变化;若加载-卸载具有一定时间间隔,会使钢材屈服点、极限强度提高,而塑性韧性降低(时效现象)。
专业:年级:学号:姓名:第6章练习题三、填空题1、钢的热处理是通过钢在固态下______、______和______的操作来改变其_______, 从而获得所需性能的一种工艺。
2、钢在加热时P→A 的转变过程伴随着铁原子的______, 因而是属于_____型相变。
3. 亚共析钢的淬火温度为______,过共析钢的淬火温度为_______。
7、珠光体、索氏体、屈氏体均属层片状的_____和____的机械混合物, 其差别仅在于_________________。
10、根据共析钢相变过程中原子的扩散情况, 珠光体转变属_____转变, 贝氏体转变属______转变, 马氏体转变属______转变。
17、目前生产上, 在选择淬火冷却介质时, 通常是碳素钢零件淬____, 合金钢零件淬____。
20、淬火钢在150∼250℃回火称为______回火;在100∼150℃进行长时间加热(10∼50 小时 ), 称为_______处理, 目的是___________________。
21、通常利用______淬火获得以下贝氏体为主的组织。
22、所谓正火, 就是将钢件加热至______或______以上30∼50℃, 保温后_____________冷却的一种操作。
27、以45 钢制造的机床传动齿轮, 预先热处理应采用______处理, 使其整体获得_____组织, 最终热处理应采用_________处理, 使其表面获得_____组织, 以满足使用性能要求。
31、_________________称为调质, 组织是________。
1. 加热、保温、冷却,组织。
2. 扩散,扩散。
3. Ac1、Ac3、Accm;Ar1、Ar3、Arcm。
7. α、Fe3C;片层间距不同。
10. 扩散型,半扩散型,非扩散型。
17. 水;油。
20. 低温回火,时效,消除应力。
21. 等温淬火。
22. Ac3、Accm,空冷。
27. 调质,S 回,表面淬火+低温回火,M 回。
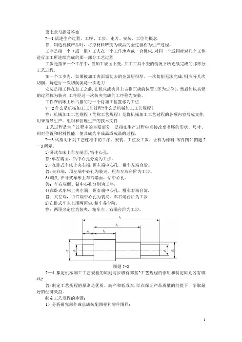
第七章习题及答案7—1试述生产过程、工序、工步、走刀、安装、工位的概念.答:制造机械产品时,将原材料转变为成品的全过程称为生产过程。
工序是指一个(或一组)工人在一个工作地点或一台机床,对同一个或同时对几个工件进行加工所连续完成的那一部分工艺过程.工步是指在一个工序中,当加工表面不变、加工工具不变的情况下所连续完成的那部分工艺过程.在一个工步内,如果被加工表面需切去的金属层很厚,一次切削无法完成,则应分几次切削,每进行一次切削就是一次走刀.安装是指工件在加工之前,在机床或夹具上占据正确的位置(即为定位),然后加以夹紧的过程称为装夹.工件经过一次装夹完成的工序称为安装。
工件在机床上所占据的每一个待加工位置称为工位.7—2什么是机械加工工艺过程?什么是机械加工工艺规程?答:机械加工工艺规程(简称工艺规程)是将机械加工工艺过程的各项内容写成文件,用来指导生产、组织和管理生产的技术文件.工艺过程是生产过程中的主要部分,是指在生产过程中直接改变毛坯的形状、尺寸、相对位置和材料性能,使其成为半成品或成品的过程.7—3试指明下列工艺过程中的工序、安装、工位及工步。
坯料为棒料,零件图如图题7—3所示。
1)卧式车床上车左端面,钻中心孔.答:车左端面、钻中心孔分别为工步。
2)在卧式车床上夹右端,顶左端中心孔,粗车左端台阶。
答:夹右端,顶左端中心孔为装夹,粗车左端台阶为工步。
3)调头,在卧式车床上车右端面,钻中心孔。
答:车右端面、钻中心孔分别为工序。
4)在卧式车床上夹左端,顶右端中心孔,粗车右端台阶.答:夹左端,顶右端中心孔为装夹。
车右端台阶为工步.5)在卧式车床上用两顶尖,精车各台阶。
答:两顶尖定位为装夹,精车左、右端台阶为工步。
图题7-37—4拟定机械加工工艺规程的原则与步骤有哪些?工艺规程的作用和制定原则各有哪些?答:制定工艺规程的原则是优质、高产和低成本,即在保证产品质量的前提下,争取最好的经济效益。
制定工艺规程的步骤:1)分析研究部件或总成装配图样和零件图样;2)选择毛坯;3)拟定工艺路线;4)确定各工序的加工余量,计算工序尺寸及公差;5)确定各工序所采用的设备及工艺装备;6)确定各工序的切削用量和时间定额;7)确定各主要工序的技术要求及检验方法;8)填写工艺文件.机械加工工艺规程的作用:1)机械加工工艺规程是指导生产的主要技术文件。
第⼀章⾄第七章作业与参考答案1、什么是冷冲压?答:冷冲压是在常温下利⽤冲模在压⼒机上对材料施加压⼒,使其产⽣分离或变形,从⽽获得⼀定形状、尺⼨和性能的零件的加⼯⽅法。
2、冷冲压⼯序概括起来可分为哪两⼤类?答:冷冲压⼯序根据材料是否从⽑坯或者原材料上分离,概括起来可分为分离⼯序和变形⼯序。
3、冷冲压可分为哪五个基本⼯序?答:冷冲压五个基本⼯序分别为:冲裁、弯曲、拉深、成形和⽴体压制(体积冲压)。
4、冲压⼯艺的优缺点?答:优点:1)⽤冷冲压加⼯⽅法可以得到形状复杂、⽤其它加⼯⽅法难以加⼯的⼯件。
尺⼨稳定,互换性好。
2)材料利⽤率⾼、⼯件重量轻、刚性好、强度⾼、冲压过程耗能少。
因此,⼯件的成本较低。
3)操作简单、劳动强度低、易于实现机械化和⾃动化、⽣产率⾼。
缺点:冲压加⼯中所⽤的模具结构⼀般⽐较复杂,⽣产周期较长、成本较⾼。
因此,在单件、⼩批量⽣产中采⽤冲压⼯艺受到⼀定限制。
冲压⼯艺多⽤于成批、⼤量⽣产。
5、常⽤的冲压设备有哪两⼤类?答:常⽤的冲压设备分为机械压⼒机和液压压⼒机两⼤类。
6、曲柄压⼒机可以根据哪些形式如何区分?答:曲柄压⼒机根据不同分类形式可以分为:(1)按床⾝结构分可分为开式压⼒机和闭式压⼒机两种。
(2)按连杆的数⽬分可分为单点、双点和四点压⼒机。
(3)按滑块⾏程是否可调分可分为偏⼼压⼒机和曲轴压⼒机两⼤类。
(4)按滑块数⽬分可分为单动压⼒机、双动压⼒机和三动压⼒机等三种。
(5)按传动⽅式分压⼒机的传动系统置于⼯作台之上叫上传动式压⼒机,传动系统置于⼯作台之下的叫下传动式压⼒机。
(6)按⼯作台结构分开式压⼒机按其⼯作台结构,可分为可倾式、固定式和升降台式三种。
7、压⼒机的主要技术参数有哪些?答:压⼒机的主要技术参数有:标称压⼒、滑块⾏程、滑块每分钟⾏程次数、压⼒机⼯作台⾯尺⼨、漏料孔尺⼨、模柄孔尺⼨,压⼒机电动机功率等。
8、什么是压⼒机的闭合⾼度?什么是压⼒机的装模⾼度?什么是模具的闭合⾼度?答:压⼒机的闭合⾼度:指滑块在下⽌点时,滑块底⾯到⼯作台上平⾯(即垫板下平⾯)之间的距离。
工业用钢一、填空题1.合金钢按主要用途可分为合金结构钢、合金工具钢和特殊性能钢三大类。
2.合金钢按合金元素总量高低可分为低合金钢、中合金钢和高合金钢三种。
3.合金结构钢又细分为普通低合金结构钢、合金渗碳钢、合金调质钢、合金弹簧钢和滚动轴承钢五类。
4.调质钢的含碳量一般在0.25%至0.5 %之间。
5.合金刃具钢分为低合金刃具钢和高速钢两类。
6.高速钢在600℃以下工作时,硬度仍保持在HRC55以上,具有高的红硬性。
三、单项选择题1.合金钢除有较高的强度、比强度、热硬性和特殊的理化性能外,还有较高的。
A.淬硬性B.淬透性C.减振性D.变形抗力2.调质钢大多是A.高碳钢B.低碳钢C.中碳钢D.B或C3.合金结构钢主要是A.低合金结构钢B.合金渗碳钢和合金弹簧钢C.合金调质钢和滚珠轴承钢D.A+B+C4.制造船舶、桥梁、大型钢结构的钢材是A.普通碳素结构钢B.普通低合金结构钢C.低合金调质钢D.不锈钢5.制造南京长江大桥的材料是A.优质碳素结构钢B.高合金钢C.合金调质钢D.普通低合金钢6.属于合金调质钢的是材料A.20Cr B.40Cr C.4Cr9Si2 D.4Cr137.调质钢要求含碳量在一定的范围,如含碳量过低,则;含碳量过高,则。
A.强度低/刚度低B.刚度低/强度低C.韧性低/疲劳性能低D.硬度低/韧性低8.下列钢材中属于合金钢的是。
A.20 B.40Cr C.ZG200—4009.生产中对较重要的零件(如汽车、拖拉机齿轮等)及对于截面较大或心部强度要求较高的渗碳零件,通常采用来制造。
A.含碳量较低(0.10~0.25%)的钢B.含碳量为0.30%的钢C.合金渗碳钢D.高碳高合金钢10.高速钢刀具刃部能保持高硬度的最高工作温度是。
A.250~300℃B.350~450℃C.500~550℃D.600~650℃11.高速钢适于制作下作高速切削的刀具,如钻头、车刀。
A.600℃B.500℃C.400℃D.300℃12.滚动轴承钢主要加入合金元素。
第七章金属及合金的回复和再结晶7-1 用冷拔铜丝线制作导线,冷拔之后应如何如理,为什么?答:应采取回复退火(去应力退火)处理:即将冷变形金属加热到再结晶温度以下某一温度,并保温足够时间,然后缓慢冷却到室温的热处理工艺。
原因:铜丝冷拔属于再结晶温度以下的冷变形加工,冷塑性变形会使铜丝产生加工硬化和残留内应力,该残留内应力的存在容易导致铜丝在使用过程中断裂。
因此,应当采用去应力退火使冷拔铜丝在基本上保持加工硬化的条件下降低其内应力(主要是第一类内应力),改善其塑性和韧性,提高其在使用过程的安全性。
7-2 一块厚纯金属板经冷弯并再结晶退火后,试画出截面上的显微组织示意图。
答:解答此题就是画出金属冷变形后晶粒回复、再结晶和晶粒长大过程示意图(可参考教材P195,图7-1)7-3 已知W、Fe、Cu的熔点分别为3399℃、1538℃和1083℃,试估算其再结晶温度。
答:再结晶温度:通常把经过严重冷变形(变形度在70%以上)的金属,在约1h的保温时间内能够完成超过95%再结晶转变量的温度作为再结晶温度。
1、金属的最低再结晶温度与其熔点之间存在一经验关系式:T再≈δTm,对于工业纯金属来说:δ值为0.35-0.4,取0.4计算。
2、应当指出,为了消除冷塑性变形加工硬化现象,再结晶退火温度通常要比其最低再结晶温度高出100-200℃。
如上所述取T再=0.4Tm,可得:W再=3399×0.4=1359.6℃Fe再=1538×0.4=615.2℃Cu再=1083×0.4=433.2℃7-4 说明以下概念的本质区别:1、一次再结晶和二次在结晶。
2、再结晶时晶核长大和再结晶后的晶粒长大。
答:1、一次再结晶和二次在结晶。
定义一次再结晶:冷变形后的金属加热到一定温度,保温足够时间后,在原来的变形组织中产生了无畸变的新的等轴晶粒,位错密度显著下降,性能发生显著变化恢复到冷变形前的水平,称为(一次)再结晶。
习题题解1.按化学成分分类,将钢分为非合金钢、低合金钢和合金钢三大类。
非合金钢是指冶炼时不特意掺合金元素的(但含有少量合金元素)钢,一般称为碳素钢。
低合金钢的合金含量和性能介于非合金钢和合金钢之间。
建筑工程中钢结构主要用钢为普通或优质碳素结构钢中的低碳钢和普通质量或优质的一般用途低合金结构钢;钢筋混凝土用钢筋和钢丝,主要应用普通质量的碳素钢筋用钢、普通质量的低合金钢筋钢和优质合金钢筋用钢。
所谓普通、优质和特殊质量是按质量等级分类的钢。
普通质量钢中硫、磷等杂质比优质钢多。
结构钢是按用途分类,以区别其它工具钢、切削钢、耐候钢等专门用途的钢。
非合金钢、低合金钢与合金钢的合金含量界限见GB/T13304-91。
2.建筑用钢的冶炼,主要使用氧气转炉和平炉冶炼。
氧气转炉钢是向氧气转炉中铁水内通入氧气,除去杂质比较彻底,钢质量比较好。
同时熔炼时间短、设备简单,比平炉钢成本低;平炉冶炼的主要是废钢、铁矿石等原料,冶炼时间长,除杂质彻底,钢的化学成分易控制,钢质量好。
尤其适合炼制优质钢和特殊用途专用钢。
由于平炉设备投资大、热效率低,所以钢的成本高。
建筑用钢大部分是氧气转炉钢。
根据冶炼后期加脱氧剂使FeO 还原成Fe 过程中的脱氧程度不同,将钢分成沸腾钢、半镇静钢、镇静钢和特殊镇静钢。
沸腾钢是脱氧不充分,气体杂质多,钢的时效敏感性大、钢的质量较差,性能不稳定,但钢的利用率高,成本低。
镇静钢和特殊镇静钢脱氧充分,钢质致密,钢性能稳定,质量好,但成本较高。
半镇静钢质量与成本介于上述二者之间。
3.屈服点(s σ)是结构设计时取值的依据,表示钢材在正常工作时承受应力不超过s σ值;屈服点与抗拉强度的比值(/s b σσ)称为屈强比。
它反映钢材的利用率和使用中安全可靠程度;伸长率(δ)表示钢材的塑性变形能力。
钢材在使用中,为避免正常受力时在缺陷处产生应力集中发生脆断,要求其塑性良好,即具有一定的伸长率,可以使缺陷处超过s σ时,随着发生塑性变形使应力重分布,而避免钢材提早破坏。
工业用钢考试试卷及参考答案(一)填空题1.决定钢的性能最主要的元素是碳。
2.硫存在钢中,会使钢产生热脆,磷存在钢中会使钢产生冷脆。
3.碳钢中的有益元素是硅、锰,碳钢中的有害杂质是 P、S、N、H、O 。
4.碳钢按质量分为普通质量钢、优质钢、高级优质钢三类,它们的主要区别在于钢中 P 、 S 杂质的含量不同。
5.碳钢按w(C)分为低碳钢、中碳钢、高碳钢三类,其w(C)分别为 w(C)≤0.25%、 w(C)=0.25%~0.6% 、 w(C)>0.6% 。
6.钢按用途分为结构钢、工具钢、特殊性能钢。
7.20钢属低碳优质钢钢,其w (C)为 0.2% 。
8.45钢属中碳优质钢钢,其w (C)为 0.45% 。
9.T8钢属高碳工具钢钢,其w (C)为 0.8% 。
10.根据合金元素在钢中与碳的相互作用,合金元素可分为碳化物形成元素和非碳化物形成元素两大类。
11.按钢中合金元素含量将合金钢分为低合金钢、中合金钢、高合金钢, 其合金元素含量分别为≤5% 、 5%~10% 、>10% 。
12.合金钢按用途分类可分为结构钢、工具钢、特殊性能钢。
13.除Co元素以外,其它所有的合金元素都使C曲线往右移动,使钢的临界冷却速度降低,提高了钢的淬透性。
P31114.形成强碳化物的合金元素有 Zr 、 Ti、 Nb 、 V 。
15.扩大奥氏体区域的合金元素有 Mn 、 Ni 、 Co 、 C 等。
16.扩大铁素体区域的合金元素有 Cr、 Si 、 P 、 V 等。
17.除 Mn 、 C 、P、N元素以外,几乎所有的合金元素都能阻止奥氏体晶粒长大,起到细化晶粒的作用。
18.几乎所有的合金元素除 Co 、Al 以外,都使Ms和Mf 温度下降。
因此,钢淬火后在相同w(C)下合金钢比碳钢组织的残余奥氏体增多,从而使钢的硬度下降。
19.对钢回火脆性敏感的元素是 Cr 、 Mn 、 Ni ;为了消除回火脆性可采用快速冷却和加入Mo、W等合金元素。
1. 铸铁分为哪几类?其最基本的区别是什么?答:按照碳的存在形态不同铸铁分三类:白口铸铁,碳主要以渗碳体形式存在,该类铸铁硬、脆,很少直接用;灰口铸铁,碳主要以石墨形式存在,该类铸铁因石墨形状不同而性能不同,用途不同;麻口铸铁,碳一部分以渗碳体形式存在另一部分以石墨形式存在,该类铸铁也硬、脆,很少直接用。
2.影响石墨化的因素有哪些?是如何影响的?答:(1)铸铁的化学成分对石墨化的影响:碳和硅是强烈促进石墨化的元素;锰是阻碍石墨化的元素。
它能溶于铁素体和渗碳体中,其固碳的作用,从而阻碍石墨化;硫是有害元素,阻碍石墨化并使铸铁变脆;磷是一个促进石墨化不显著的元素。
(2)冷却速度对石墨化过程的影响:冷却速度越慢,越有利于石墨化。
3.在生产中,有些铸件表面棱角和凸缘处常常硬度很高,难以进行机械加工,试问其原因是什么?答:由于结晶时表面棱角和凸缘处冷却速度快不利于石墨化的进行,形成的组织中存在大量的莱氏体,性能硬而脆,切削加工比较困难。
4.在铸铁中,为什么含碳量与含硅量越高时,铸铁的抗拉强度和硬度越低?答:因为碳和硅是强烈促进石墨化的元素,铸铁中碳和硅含量越高,越容易石墨化。
而石墨与基体相比,其强度和塑性都要小得多,石墨减小铸件的有效承载截面积,同时石墨尖端易使铸件在承载时产生应力集中,形成脆性断裂。
5.在铸铁的石墨化过程中,如果第一阶段(包括液相中析出一次石墨和奥氏体中析出二次石墨)、第二阶段(共析石墨)完全石墨化、部分石墨化、未石墨化,问它们各获得哪种组织的铸铁?答:6.什么是孕育铸铁?如何进行孕育处理?答:经孕育处理后的铸铁称为孕育铸铁。
孕育处理是在浇注前往铁液中加入少量的孕育剂,改变铁液的结晶条件,从而获得细珠光体基体加上细小均匀分布的片状石墨的工艺过程。
7.为什么说球墨铸铁是“以铁代钢”的好材料?其生产工艺如何?答:球墨铸铁析出的石墨呈球状,对金属基体的割裂作用比片状石墨小,使铸铁的强度达到基体组织强度的70~90%,所以球墨铸铁的抗拉强度、塑性、韧性不仅高于其它铸铁,而且可与相应组织的铸钢相媲美,特别是球墨铸铁的屈强比几乎比钢高一倍,一般钢的屈强比为0.3-0.5,而球墨铸铁的屈强比达0.7-0.8。
第七章钢铁分析第一部分复习与思考题一.简述钢铁试样中各组分存在的形式及性能钢铁是铁和碳的合金,大部分是铁,碳、硅、锰、硫、磷是主要杂质元素,俗称为“五大元素”。
1.碳存在形态:游离态:无定形碳、退火碳、石墨碳等化合态:Fe2C,Mn3C,WC,Cr3C2性能:碳是钢铁中的重要元素,对钢铁性能起决定性作用的元素。
当碳含量高时,钢的硬度和强度增加,压延性和冲击韧性降低;含碳量低时,硬度较低,压延性和冲击韧性增强,熔点较高钢铁的分类常常以碳含量的高低为主要依据。
含碳低于0.2%称为纯铁;含碳量在0.05%-2%之间的称为钢含碳量高于2%即为生铁存在状态对钢铁性能的影响:灰口铁,石墨碳多,软而韧,易于铸造;白口铁,化合物碳多,硬而脆2.硅存在形态:主要以硅化物:FeSi、MnSi、FeMnSi存在,有少部分则以硅酸盐形态存在,形成钢中非金属夹杂物。
性能:(1)增强钢的强度,弹性,提高抗氧化能力及耐蚀性(2)促使C游离态为石墨状态,使钢富于流动性,易于铸造(3)硅也是钢的有效脱氧剂硅直接控制钢铁性能,控制一定量3.锰存在形式:钢铁中主要以MnS、Mn3C、MnSi、FeMnSi及固溶体状态存在性能:(1)锰与氧硫具有较强的化合能力,故为良好的脱氧和脱硫剂,降低钢的热脆性,提高热加工性能(2)锰提高钢的可锻性和机械强度(3)含量达14%时,使钢具有良好的耐磨性锰直接影响钢铁性能,控制一定量4.硫存在形态: 主要以MnS 或FeS 状态存在性能:使钢产生热脆性——有害成分为什么会产生热脆性?FeS 的熔点较低,最后凝固,夹杂于钢铁的晶格之中。
当加热压制钢 铁时,FeS 熔融,钢铁的晶粒失去连接作用而脆裂。
因此,国家标准规定碳素钢中S<0.05%时,优质钢中S<0.025%5.磷存在形态:Fe 2P 、Fe 3P 性能:一般属于有害元素,降低钢的塑性、韧性和高温性能,减弱钢对冲击的抵抗能力,使钢铁产生冷脆现象,影响钢的锻接性能。
第七章工业用钢习题参考答案第七章工业用钢习题参考答案一、解释下列名词1、非合金钢(或碳素钢简称碳钢):是指含碳量在0.0218%~2.11%之间并含有少量Si、Mn、P、S等杂质元素的铁碳合金。
低合金钢:加入的合金元素总含量小于5%的合金钢。
合金钢:在碳素钢的基础上,特意加入某些合金元素而得到的钢种。
合金元素:为改善钢的力学性能或获得某些特殊性能,有目的地在冶炼过程中加入的一些化学元素。
2、合金结构钢:在碳素结构钢的基础上,特意加入某些合金元素而得到的结构钢。
合金工具钢:在碳素工具钢的基础上,特意加入某些合金元素而得到的工具钢。
轴承钢:用来制造滚动轴承的内圈、外圈和滚动体的专用钢。
不锈钢:具有耐大气、酸、碱、盐等介质腐蚀作用的合金钢。
耐热钢:在高温下具有高的热化学稳定性和热强性的特殊性能钢。
3、热硬性(或称红硬性):钢在高温下保持高硬度的能力。
回火稳定性:淬火钢在回火时抵抗软化的能力。
二次硬化:含W、Mo、V、Cr 等元素的高合金钢,在回火的冷却过程中,残余奥氏体转变为马氏体,淬火钢的硬度上升的现象。
二、填空题1、Ni、Mn、C、N、Cu 等元素能扩大 Fe-Fe3C 相图的γ区,使临界点A4_上升__,A3_下降_ 。
2、W18Cr4V钢是高速钢,W的主要作用是提高回火稳定性,Cr的主要作用是提高淬透性,V 的主要作用是细化晶粒,最终热处理工艺是高温回火;预热的目的是将合金元素全部,高温淬火的目的是使大量的难溶碳化物溶于奥氏体中,三次回火的目的是减少钢中的残余奥氏体。
3、含Cr、Mn 的合金结构钢淬火后在550~600℃回火后,将出现第二类回火脆性。
4、易切削钢中常用的附加元素有__P__、__S__、_Pb_、_Ca_,这类元素在钢中的主要作用是形成夹杂物,降低材料塑性,改善钢的切削性能。
5、对40Cr 钢制零件进行调质处理时,在高温回火后应水中冷却,目的是防止第二类回火脆性。
6、以铅浴等温处理的冷拉弹簧钢丝,经绕制成弹簧后应进行去应力退火处理,而不需象热轧弹簧那样要进行淬火处理。
金属材料学第7-11章课后习题答案金属材料学习题与思考题第七章铸铁1、铸铁与碳钢相比,在成分、组织和性能上有什么区别?(1)白口铸铁:含碳量约%,硅在1%以下白口铸铁中的碳全部以渗透碳体(Fe3c)形式存在,因断口呈亮白色。
故称白口铸铁,由于有大量硬而脆的Fe3c,白口铸铁硬度高、脆性大、很难加工。
因此,在工业应用方面很少直接使用,只用于少数要求耐磨而不受冲击的制件,如拔丝模、球磨机铁球等。
大多用作炼钢和可锻铸铁的坯料(2)灰口铸铁;含碳量大于%,铸铁中的碳大部或全部以自由状态片状石墨存在。
断口呈灰色。
它具有良好铸造性能、切削加工性好,减磨性,耐磨性好、加上它熔化配料简单,成本低、广泛用于制造结构复杂铸件和耐磨件。
(3)钢的成分要复杂的多,而且性能也是各不相同钢是含碳量在%%之间的铁碳合金。
我们通常将其与铁合称为钢铁,为了保证其韧性和塑性,含碳量一般不超过%。
钢的主要元素除铁、碳外,还有硅、锰、硫、磷等,而且钢还根据品质分类为①普通钢(P≤%,S≤%)②优质钢(P、S均≤%)③高级优质钢(P≤%,S≤%)按照化学成分又分①碳素钢:.低碳钢(C≤%).中碳钢(C≤~%).高碳钢(C≤%)。
②合金钢:低合金钢(合金元素总含量≤5%).中合金钢(合金元素总含量>5~10%).高合金钢(合金元素总含量>10%)。
2、C、Si、Mn、P、S元素对铸铁石墨化有什么影响?为什么三低(C、Si、Mn低)一高(S高)的铸铁易出现白口?(1)合金元素可以分为促进石墨化元素和阻碍石墨化元素,顺序为:Al、C、Si、Ti、Ni、P、Co、Zr、Nb、W、Mn、S、Cr、V、Fe、Mg、Ce、B等。
其中,Nb为中性元素,向左促进程度加强,向右阻碍程度加强。
C和Si是铸铁中主要的强烈促进石墨化元素,为综合考虑它们的影响,引入碳当量CE = C% + 1/3Si%,一般CE≈4%,接近共晶点。
S是强烈阻碍石墨化元素,降低铸铁的铸造和力学性能,控制其含量。
第七章金属材料习题参考答案出卷老师:李棱雪一、填空题1低碳钢受拉直至破坏,经历了弹性阶段、屈服阶段、强化阶段和颈缩阶段4个阶段。
2对冷加工后的钢筋进行时效处理,可用自然时效和人工时效两种方法。
3按标准规定,碳素结构钢分四种牌号,即Q195、Q215 、Q235 、和Q275 。
各牌号又按其硫和磷含量由多至少分四种质量等级。
4Q235—AZ是表示屈服点为235MPa的A级镇静碳素结构钢。
516Mn钢表示___________ o6一般情况下在动荷载状态、焊接结构或严寒低温下使用的结构,往往限制使用沸腾钢。
7按冶炼时脱氧程度分类钢可以分成:沸腾钢、半镇静钢、镇静钢和特殊镇静钢。
8随着钢材中含碳量的增加,则硬度提高、舉性降低、焊接性能变差9 碳素钢按含碳量多少分为高碳钢、中碳钢、和低碳钢。
建筑上多采用低碳钢。
二、判断题1在结构设计时,抗拉强度是确定钢材强度取值的依据。
(X)2由于合金元素的加入,钢材强度提高,但塑性却大幅下降。
(X)3钢材的品种相同时,其伸长率6 10> 65O(X)4硬钢无明显屈服点,因此无法确定其屈服强度大小。
(X)5钢材的屈强比越大,表示使用时的安全度越低。
(M)6 某厂生产钢筋混凝土梁,配筋需用冷拉钢筋,但现有冷拉钢筋不够长,因此将此钢筋对接焊接加长使用。
(X)(冷拉钢筋不适宜焊接,冷拉后可焊性变差)7所有钢材都会出现屈服现象。
(X)8钢材的牌号越大,其强度越高,塑性越好。
(X)9钢材冶炼时常把硫、磷加入作为脱氧剂。
(X)10与伸长率一样,冷弯性能也可以表明钢材的塑性大小。
(M)11钢含磷较多时呈热脆性,含硫较多时呈冷脆性。
(X)三、单项选择题1.建筑钢材是在严格的技术控制下生产的材料,下面哪一条不属于它的优点?—B—oA.品质均匀、强度高B.防火性能好C.可以焊接或钏接D.有一定的塑性和韧性,具有承受冲击荷载和振动荷载的能力2.钢筋冷加工的目的是—A—。
A.提咼材料的抗拉强度B.提咼材料的塑性C.改善材料的弹性性能D.改善材料的焊接性能3.钢是指含碳量小于2%的铁碳合金,而含碳量大于2%时,则称为—B—。
第七章7.9解:钢材为Q235钢,焊条为E43型,则角焊缝的强度设计值w 2f 160N/mm f =。
图示连接为不等肢角钢长肢相连,故K 1=0.65,K 2=0.35。
焊缝受力:110.65600390kN N K N ==⨯=220.35600210kN N K N ==⨯=所需焊缝计算长度,肢背:31w1wf1f 39010217.6mm 20.720.78160N l h f ⨯===⨯⨯⨯⨯ 肢尖:32w2wf2f 21010156.3mm 20.720.76160N l h f ⨯===⨯⨯⨯⨯ 侧面焊缝实际施焊长度,肢背:1w1f12217.628233.6mm l l h =+=+⨯=,取240mm ;肢尖:2w2f22156.326165.6mm l l h =+=+⨯=,取170mm 。
7.11解:①()()fmin fmax 6mm1~2121~210~11mmh h t ====-=-=取f 8mm h =焊缝有效截面的形心位置:()120.781921920.78256.1mm 20.7819230020.780.78x ⎛⎫⨯⨯⨯⨯⨯+⨯ ⎪⎝⎭==⨯⨯⨯++⨯⨯⨯⨯()()324x 10.7830020.7820.781921500.7866128649mm 12I =⨯⨯⨯+⨯⨯+⨯⨯⨯⨯+⨯=()2y 2340.7830020.7856.111920.7820.781920.7819256.116011537mm1222I =⨯⨯+⨯⨯⨯⎡⎤⨯⎛⎫+⨯⨯⨯⨯+⨯⨯⨯+-=⎢⎥ ⎪⎝⎭⎢⎥⎣⎦4x y 661286491601153782140186mm J I I =+=+=()6yT2A6T2x A 60101500.782111.6N/mm 821401860.78601019256.12101.3N/mm 82140186Tr J Tr J τσ⨯⨯+⨯===⨯⎛⎫⨯⨯+- ⎪⎝⎭===139.1MPa 160MPa ==≤ 所选焊脚尺寸满足强度要求(可选焊脚尺寸为7mm 验算强度,可能不满足) ②采用四面围焊,取f 6mm h =()()334x 1120020.7630020.7620030059400746mm 1212I =⨯+⨯⨯⨯+⨯⨯-⨯⨯= ()()334y 1120020.7630020.7630020032608868mm 1212I =⨯+⨯⨯⨯+⨯⨯-⨯⨯=4x y 594007463260886892009614mm J I I =+=+= ()6yT2A6T 2xA 60101500.76299.2N/mm 920096141940.7660102264.6N/mm 92009614Tr J Tr J τσ⨯⨯+⨯===⨯⎛⎫⨯⨯+ ⎪⎝⎭===112.4MPa 160MPa ==≤虽强度富裕较多,但已是最小焊脚尺寸,因此采用方案二的焊角尺寸可减少2mm③方案一耗用的焊条:()223f w 118300200222400mm 22h l ⋅=⨯⨯+⨯= 方案二耗用的焊条:()223f w 116230020018000mm 22h l ⋅=⨯⨯⨯+=所以方案二耗用的焊条少于方案一。
第七章工业用钢习题参考答案一、解释下列名词1、非合金钢(或碳素钢简称碳钢):是指含碳量在0.0218%~2.11%之间并含有少量Si、Mn、P、S等杂质元素的铁碳合金。
低合金钢:加入的合金元素总含量小于5%的合金钢。
合金钢:在碳素钢的基础上,特意加入某些合金元素而得到的钢种。
合金元素:为改善钢的力学性能或获得某些特殊性能,有目的地在冶炼过程中加入的一些化学元素。
2、合金结构钢:在碳素结构钢的基础上,特意加入某些合金元素而得到的结构钢。
合金工具钢:在碳素工具钢的基础上,特意加入某些合金元素而得到的工具钢。
轴承钢:用来制造滚动轴承的内圈、外圈和滚动体的专用钢。
不锈钢:具有耐大气、酸、碱、盐等介质腐蚀作用的合金钢。
耐热钢:在高温下具有高的热化学稳定性和热强性的特殊性能钢。
3、热硬性(或称红硬性):钢在高温下保持高硬度的能力。
回火稳定性:淬火钢在回火时抵抗软化的能力。
二次硬化:含W、Mo、V、Cr 等元素的高合金钢,在回火的冷却过程中,残余奥氏体转变为马氏体,淬火钢的硬度上升的现象。
二、填空题1、Ni、Mn、C、N、Cu 等元素能扩大Fe-Fe3C 相图的γ区,使临界点A4_上升__,A3_下降_。
2、W18Cr4V钢是高速钢,W的主要作用是提高回火稳定性,Cr的主要作用是提高淬透性,V 的主要作用是细化晶粒,最终热处理工艺是高温回火;预热的目的是将合金元素全部,高温淬火的目的是使大量的难溶碳化物溶于奥氏体中,三次回火的目的是减少钢中的残余奥氏体。
3、含Cr、Mn 的合金结构钢淬火后在550∼600℃回火后,将出现第二类回火脆性。
4、易切削钢中常用的附加元素有__P__、__S__、_Pb_、_Ca_,这类元素在钢中的主要作用是形成夹杂物,降低材料塑性,改善钢的切削性能。
5、对40Cr 钢制零件进行调质处理时,在高温回火后应水中冷却,目的是防止第二类回火脆性。
6、以铅浴等温处理的冷拉弹簧钢丝,经绕制成弹簧后应进行去应力退火处理,而不需象热轧弹簧那样要进行淬火处理。
7、滚动轴承钢预先热处理球化退火的目的在于降低钢的硬度,以利切削加工,并为零件的最终热处理作组织准备。
8、按化学成份分类,就含碳量而言,渗碳钢属低碳钢,调质钢属中碳钢,轴承钢属高碳钢。
9、以T12 钢制造的工模具经预先热处理球化退火后应获得 P+ Fe3C 组织,其组织中的渗碳体(Fe3C)呈球状或粒状。
10、高速钢W18CrV 中合金元素W 的作用是提高钢的红硬性(热硬性);Cr 的作用是提高淬透性;V 的作用是细化晶粒。
高速钢的锻造不仅是为了成型, 而且是为了改善碳化物。
高速钢淬火后需经550~570℃三次回火,回火后其组织由回火马氏体(M回)、细粒状碳化物及少量残余奥氏体(Ar)构成,其性能具有高硬度、高耐磨性、高红硬性。
11、含W、Mo、V、Cr 等元素的高合金钢,在回火的冷却过程中,残余奥氏体转变为马氏体,淬火钢的硬度上升,这种现象称为二次硬化。
12、简述下列合金元素的主要作用:⑴ Cr 在40Cr 钢中主要起提高淬透性作用;在1Cr13 钢中主要起提高耐蚀性作用;⑵ Ti 在20CrMnTi 钢中主要起细化晶粒作用;在1Cr18Ni9Ti 钢中主要起提高耐蚀性作用。
13、金属腐蚀一般包括化学腐蚀及_电化学腐蚀,前者受化学反应腐蚀,后者受原电池作用腐蚀,腐蚀过程有电流产生。
14、根据组织分类,4Cr13 属马氏体不锈钢;Cr17 属铁素体不锈钢;0Cr18Ni9Ti 属奥氏体不锈钢。
15、提高18-8 型不锈钢防腐蚀性能的常用热处理方法有固溶处理、稳定化处理及去应力处理等三种。
16、耐磨钢ZGMn13 水韧处理后应获得单一的单一的奥氏体组织,该组织具有高冲击韧性性能,主要用于受强烈冲击磨损的零件。
17、二次硬化效应产生的原因,一是回火时析出碳化物,二是大量的残余奥氏体转变为马氏体。
18、红硬性是指钢在高温下保持高硬度的能力。
三、简答题1、何谓调质钢?为什么调质钢的含碳量均为中碳?合金调质钢中常含哪些合金元素?它们在调质钢中起什么作用?答:通常把经调质处理后才使用的钢称为调质钢。
从碳含量上看,低碳钢在淬火及低温回火状态虽具有良好的综合机械性能,但它的疲劳极限低于中碳钢,淬透性也不如中碳钢。
高碳钢虽然强度高,但它的韧性及塑性很低。
因此,调质钢的含碳量均为中碳。
合金调质钢中常含合金元素有铬、锰、镍、硅、钼、钨、钒、铝、钛等。
合金调质钢的主加元素有铬、锰、镍、硅等,以增加淬透性。
它们在钢中除增加淬透性外,还能强化铁素体,起固溶强化作用。
辅加元素有钼、钨、钒、铝、钛等。
钼、钨的主要作用是防止或减轻第二类回火脆性,并增加回火稳定性;钒、钛的作用是细化晶粒;加铝能加速渗氮过程。
2、W18Cr4V钢的A c1约为820℃,若以一般工具钢A c1+30-50℃常规方法来确定淬火加热温度,在最终热处理后能否达到高速切削刃具所要求的性能?为什么?答:若以一般工具钢Ac1+30-50℃常规方法来确定W18Cr4V钢淬火加热温度,在最终热处理后不能达到高速切削刃具所要求的性能。
因为若按常规方法来确定淬火加热温度,则合金碳化物不易溶解,不能满足在高速切削时刀具应保持红硬性、高耐磨性的要求。
为使奥氏体得到足够的合金化,必须加热到远远大于A c1的温度,既1280℃左右。
3、合金元素Mn、Cr、W、Mo、V、Ti、Zr、Ni对钢的C曲线和M S点有何影响?将引起钢在热处理、组织和性能方面的什么变化?答:除Co以外,大多数合金元素都增加奥氏体的稳定性,使C曲线右移。
非碳化物形成元素Al、Ni、Si、Cu等不改变C曲线的形状,只使其右移,碳化物形成元素Mn、Cr、Mo、W等除使C曲线右移外,还将C曲线分裂为珠光体转变的贝氏体转变两个C曲线,并在此二曲线之间出现一个过冷奥氏体的稳定区。
除Co、Al外,其他合金元素均使Ms点降低,残余奥氏体量增多。
由于合金元素的加入降低了共析点的碳含量、使C曲线右移, 从而使退火状态组织中的珠光体的比例增大, 使珠光体层片距离减小, 这也使钢的强度增加, 塑性下降。
由于过冷奥氏体稳定性增大, 合金钢在正火状态下可得到层片距离更小的珠光体, 或贝氏体甚至马氏体组织, 从而强度大为增加。
Mn、Cr、Cu的强化作用较大, 而Si、Al、V、Mo等在一般含量(例如一般结构钢的实际含量)下影响很小。
合金元素都提高钢的淬透性, 促进马氏体的形成, 使强度大为增加但焊接性能变坏。
4、为什么比较重要的大截面的结构零件如重型运输机械和矿山机器的轴类,大型发电机转子等都必须用合金钢制造?与碳钢比较,合金钢有何优点?答:碳钢制成的零件尺寸不能太大,否则淬不透,出现内外性能不均,对于一些大型的机械零件,(要求内外性能均匀),就不能采用碳钢制作,比较重要的大截面的结构零件如重型运输机械和矿山机器的轴类,大型发电机转子等都必须用合金钢制造。
⑴如上所述合金钢的淬透性高⑵合金钢回火抗力高碳钢淬火后,只有经低温回火才能保持高硬度,若其回火温度超过200℃,其硬度就显著下降。
即回火抗力差,不能在较高的温度下保持高硬度,因此对于要求耐磨,切削速度较高,刃部受热超过200℃的刀具就不能采用碳钢制作而采用合金钢来制作。
⑶合金钢能满足一些特殊性能的要求如耐热性、耐腐蚀性、耐低温性(低温下高韧性)。
5、有甲、乙两种钢,同时加热至 1150 ℃,保温两小时,经金相显微组织检查,甲钢奥氏体晶粒度为 3 级,乙钢为 6 级。
由此能否得出结论:甲钢是本质粗晶粒钢,而乙钢是本质细晶粒钢?答:不能。
本质晶粒度是在930±19℃,保温3~8小时后测定的奥氏体晶粒大小。
本质细晶粒钢在加热到临界点A cl以上直到930℃晶粒并未显著长大。
超过此温度后,由于阻止晶粒长大的难溶质点消失,晶粒随即迅速长大。
1150 ℃超过930℃,有可能晶粒随即迅速长大,所以不能的出结论甲钢是本质粗晶粒钢,而乙钢是本质细晶粒钢。
6、某型号柴油机的凸轮轴,要求凸轮表面有高的硬度(HRC>50),而心部具有良好的韧性(Ak>40J),原采用45钢调质处理再在凸轮表面进行高频淬火,最后低温回火,现因工厂库存的45钢已用完,只剩15钢,拟用15钢代替。
试说明:⑴原45钢各热处理工序的作用;⑵改用15钢后,应按原热处理工序进行能否满足性能要求?为什么?⑶改用15钢后,为达到所要求的性能,在心部强度足够的前提下采用何种热处理工艺?答:⑴正火处理可细化组织,调整硬度,改善切削加工性;调质处理可获得高的综合机械性能和疲劳强度;局部表面淬火及低温回火可获得局部高硬度和耐磨性。
⑵不能。
改用15钢后按原热处理工序会造成心部较软,表面硬,会造成表面脱落。
⑶渗碳。
7、选择下列零件的热处理方法,并编写简明的工艺路线(各零件均选用锻造毛坯,并且钢材具有足够的淬透性):⑴某机床变速箱齿轮(模数m=4),要求齿面耐磨,心部强度和韧性要求不高,材料选用45钢;⑵某机床主轴,要求有良好的综合机械性能,轴径部分要求耐磨(50~55HRC),材料选用45钢;⑶镗床镗杆,在重载荷下工作,精度要求极高,并在滑动轴承中运转,要求镗杆表面有极高的硬度,心部有较高的综合机械性能,材料选用38CrMoALA。
答:⑴下料→锻造→正火→粗加工→精加工→局部表面淬火+低温回火→精磨→成品⑵下料→锻造→正火→粗加工→调质→精加工→局部表面淬火+低温回火→精磨→成品⑶下料→锻造→退火→粗加工→调质→精加工→氮化→研磨→成品8、拟用T10制造形状简单的车刀,工艺路线为:锻造—热处理—机加工—热处理—磨加工⑴试写出各热处理工序的名称并指出各热处理工序的作用;⑵指出最终热处理后的显微组织及大致硬度;⑶制定最终热处理工艺规定(温度、冷却介质)答:⑴工艺路线为:锻造—球化退火—机加工—淬火后低温回火—磨加工。
球化退火处理使碳化物球化,消除应力,调整硬度,改善切削加工性,为淬火做组织准备组织;淬火及低温回火可获得高硬度和耐磨性以及去除内应力。
⑵终热处理后的显微组织为回火马氏体,大致的硬度60HRC。
⑶ T10车刀的淬火温度为780℃左右,冷却介质为水;回火温度为150℃~250℃。
9、车床主轴要求轴颈部位的硬度为56~58HRC,其余处为20~24HRC,其加工工艺路线为:锻造-正火-机加工-轴颈表面淬火+低温回火-磨加工,请指出:(1)主轴应选用何种材料?(2)正火、表面淬火及低温回火的目的和大致工艺;(3)轴颈表面处的组织和其余部位的组织。
答:⑴选用40Cr调质钢⑵正火的目的:①改善锻造组织,消除缺陷,细化晶粒;②调整硬度、便于切削加工。
正火工艺:淬火温度850°C空冷表面淬火+低温回火的目的:获得回火M组织,提高耐磨性能。