控制柜选型标准
- 格式:docx
- 大小:75.79 KB
- 文档页数:6
控制柜的设计与选型控制柜作为电气控制系统的核心组成部分,扮演着关键的角色。
一个良好设计的控制柜能够提供可靠的电气保护和控制功能,同时满足安全性、可维护性和人机工程学的要求。
本文将介绍控制柜的设计原则和选型指南,帮助读者更好地理解并应用于实际工程中。
一、控制柜的设计原则控制柜的设计应考虑以下几个方面的因素:1. 功能划分和布局在进行控制柜设计之前,首先需要明确电气系统的功能需求和布局要求。
合理的功能划分和布局能够提高电气系统的运行效率和可维护性。
例如,将主电源与次电源的元件分开放置,减少相互干扰;将信号处理设备与高功率设备分区,避免干扰导致的故障。
2. 外部连接与布线控制柜需要与外部设备进行连接和布线。
应根据实际需求选择合适的连接方式和布线方式,确保信号传输可靠、干扰最小。
同时,还需要留有足够的距离和预留位置,便于后续设备的维护和更换。
3. 环境适应性不同工业环境对控制柜的环境适应性需求不同。
例如,在高温工作环境下,需要采用耐高温材料和散热措施,确保设备正常工作;在潮湿环境下,需要提供良好的防潮措施,避免设备受潮。
4. 安全性和防护等级控制柜应具备良好的安全性和防护等级,以保护设备和操作人员的安全。
常见的安全措施包括:选择合适的隔离器件,保护人员免受高压电流的伤害;配置可靠的过载保护器,防止过大的电流损坏设备;提供防尘、防水等等级的外壳,保护内部元件免受外部环境的侵害。
二、控制柜的选型指南在进行控制柜的选型时,需要考虑到以下几个方面的因素:1. 电气要求控制柜的选型需要根据电气系统的要求,包括主电源电压、电流、频率等参数。
对于大功率电气设备,需要选择符合额定电流和额定短时耐受电流要求的控制柜。
2. 空间要求控制柜的尺寸和空间布局需要与工程现场的实际情况相匹配。
在选择控制柜时,需要考虑到控制柜的尺寸、散热和布线需求,以及与其他设备的协调性。
3. 系统集成和通信要求现代电气系统通常要求与其他设备进行信息交互和集成控制。
无机房电梯以其独特的结构布置,可以将几乎全部的机器设备都安装在井道内。
因此节省了建筑空间,避免了建筑结构复杂化,也使得建筑物整体造型更加美观。
一、控制柜的构成1、外形尺寸控制柜的外形尺寸除受所采用的元器件尺寸约束外,主要取决于其设置位置。
如果控制柜设置在层门旁边,则其外形尺寸应宽度窄、厚度薄,以便其在层门旁边布置并不影响层门运动。
如果控制柜设置在井道内驱动主机周围,则其厚度尺寸应比较小,以保证其与井道内运动部件有一定的距离。
2、柜门如果控制柜设置在井道外,则控制柜的门应满足下列要求:①控制柜的门不应装设手柄,以防无关人员拉拽该手柄损坏控制柜;②控制柜门上的锁只能用钥匙才能在外边打开,不用钥匙也能将门关闭;③控制柜的门与柜体之间采用防水结构,以防清洗楼道时,液体意外流入控制柜内,造成电气故障。
3、工作区域照明控制柜区间和维修工作区域应设置固定的电气照明,在其地面上的照度不应小于200Lux。
4、通风与温度无论控制柜设置在井道内还是井道外,控制柜区间应能适当通风,并应给予控制柜适当的保护。
为了保证控制系统的正常工作,控制柜区间的环境温度应保持在5~40℃之间。
二、设计注意事项由于无机房电梯不设机房,因此它的控制系统和普通电梯相比应具有更高的灵活性、方便性和可靠性。
1、灵活性为了便于电气布线,无机房电梯的控制柜通常安放在靠近驱动主机的位置,主要有三种形式:一是当驱动主机安装在井道顶层部位时,控制柜放在顶层并与层门做成连体型;二是当驱动主机安装在井道底坑部位时,控制柜放在井道底层轿厢与井道壁之间并做成壁挂型;三是当驱动主机安装在井道壁开孔空间内时,控制柜放在同一开孔并做成轻便型。
2、方便性无机房电梯控制系统的方便性主要是指:第一电气设备的选型与安装应有利于井道内动力电路、安全电路、照明电路和控制电路的井道布线;第二控制柜外形应能满足连体型、壁挂型和轻便型的特殊尺寸要求;第三控制柜的设计应能适应连体型、壁挂型和轻便型的特殊安装要求;第四不论控制柜放在什么位置和采用哪种形式,都能进行检修操作。
水泵和控制柜工程采购技术要求及质量要求一、技术要求:1.水泵技术要求:1.1泵类型:选择适合工程需求的泵类型,包括离心泵、自吸泵、潜水泵等。
应根据工程特点和设计参数进行选择。
1.2流量要求:水泵应能满足工程设计要求的流量,选型时需考虑工程设计流量、水源情况等因素。
1.3扬程要求:水泵应能满足工程设计要求的扬程,选型时需考虑工程设计扬程、管道阻力等因素。
1.4效率要求:水泵的效率应符合国家标准要求,并且满足工程设计要求。
1.5材质要求:水泵的主要零部件应选择耐腐蚀、耐磨损的材料,以确保设备的使用寿命和性能稳定。
1.6运行要求:水泵要求运行平稳、振动小、噪音低,能正常运行一段时间后无故障,且易于维护和保养。
2.控制柜技术要求:2.1控制系统:控制柜应采用先进的自动控制系统,并具备远程监控及自动报警功能,方便进行操作和维护。
2.2电器元件:控制柜的电器元件应符合国家标准要求,如接触器、断路器、继电器等,以确保设备的安全可靠性。
2.3操作界面:控制柜应设有清晰简明的操作界面,便于人机交互,方便操作人员操作和监控设备状态。
2.4接线排:控制柜应采用整齐、紧凑的接线方式,便于维护和排障。
2.5配电装置:控制柜需配备适当的配电装置,确保设备的供电稳定可靠。
二、质量要求:1.水泵质量要求:1.1材料质量:水泵的零部件材料应符合相关国家标准及工程设计要求,确保使用寿命及性能稳定。
1.2制造工艺:水泵制造过程应符合相关质量管理体系的要求,制造工艺必须规范,工艺流程可追溯。
1.3出厂检验:水泵出厂前应进行必要的检验,检测项目包括外观质量、性能测试等,确保质量合格。
1.4售后服务:供应商应提供完善的售后服务,包括技术指导、设备维护、备件供应等,确保设备的正常运行。
2.控制柜质量要求:2.1控制系统质量:控制柜的控制系统应符合相关国家标准及工程设计要求,确保功能正常、稳定可靠。
2.2电器元件质量:控制柜的电器元件应符合国家标准要求,保证设备的安全可靠性,同时供应商应提供产品的质量保证书。
PLC第一章布局1.1.总则1.1.1.元器件布局原则上按照布局图进行布局,但需满足以下标准。
特殊情况,另行沟通。
1.1.2.元器件组装顺序应从板前视,由左至右,由上至下。
所有电器元件及附件,均应固定安装在支架或底板上,不得悬吊在电器及连线上。
1.1.3.PLC 控制单元、中间继电器、信号隔离器、端子,靠左、靠上对齐,左边预留5mm,上端预留10mm,右边空余、下边空余保留。
1.1.4.控制柜的风道要设计合理,排风通畅,避免在柜内形成涡流,在固定的位置形成灰尘堆积。
风扇一般安装在靠近出风口处,进风风扇安装在下部,出风风扇安装在柜体的上部。
1.1.5.根据控制柜内设备的防护等级,需要考虑控制柜防尘以及防潮功能防止粉尘大量进入变频器内部。
1.1.6.对于发热元件(例如管形电阻、散热片等)的安装应考虑其散热情况和安装距离应符合规定。
说明,机柜选择在投标报价时确定,以上点数为参考点数,两要考虑以下影响因(1)开关量信号DI/DO、模拟量信号全部按照加装隔离器或安全棚,即全隔离系统,800mm宽机柜点位不超过180 点;1000mm宽机柜点位不超过200点。
I0模块数量不超过11块,选型时尽量选用16点D/DO,8点AI/AO;出线端子可以选用单层端子。
(2)仅对开关量输出进行隔离、模拟量信号进行隔离或者只对模拟量输出进行隔离,即半隔离系统,这种配置比较常见。
800mm宽机柜点位不超过200点;1000mm宽机柜点位不超过220点;IO 模块数量不超过18块,此种配置情况下,可以选择使用32点DI/DO模块,16点A/AO 模块。
如果单台柜内配置双机架,这种情况下,隔离器数量建议不超过100 块。
开关量选用单层端子,模拟量采用双层端子。
(3)开关量输出进行隔离,其他信号不隔离,即不隔离系统,800mm 宽机柜点位不超过220点;1000 宽机柜不超过250点;I0 模块点数数量累计不超过220点,可以选样使用32点DI/DO模块,16点AI/AO 模块。
在现代工业自动化控制系统中,PLC(可编程逻辑控制器)的应用已经越来越广泛。
而作为PLC控制系统的核心部分,控制柜中的电气元器件选型标准显得异常重要。
对于工程师来说,如何选择合适的电气元器件,既能满足系统的性能需求,又能保证系统的可靠性和安全性,是一个极具挑战性的任务。
1. 选型原则在进行PLC控制柜电气元器件选型时,首先要遵循一些基本的原则。
应该根据系统的功能和性能需求来确定元器件的类型和规格,以确保其能够稳定可靠地工作。
还需要考虑元器件的品牌和质量,选择具有良好信誉和质量保证的厂家,以提高系统的整体可靠性。
2. 电源元器件选型在PLC控制柜中,电源元器件的选型尤为重要。
首先要考虑的是电源的额定功率和输入电压范围,以确保其能够满足整个系统的电能需求。
还需要考虑电源的稳定性和功率因素,以及其对系统其他设备的影响。
3. 信号元器件选型在PLC控制系统中,信号元器件的选型也是至关重要的。
输入/输出模块、传感器、执行器等设备的选型需要根据系统的控制信号类型、数量和传输距离来确定,以确保信号的准确传输和可靠控制。
还需要考虑信号的稳定性和抗干扰能力,以及其对系统性能的影响。
4. 保护元器件选型在考虑PLC控制柜中的电气元器件选型时,还要特别注意保护元器件的选择。
过载保护器、短路保护器、漏电保护器等设备的选型需要根据系统的安全性和可靠性需求来确定,以确保系统在故障情况下能够及时切断电路,保护设备和人员的安全。
总结回顾在选择PLC控制柜中的电气元器件时,需要综合考虑系统的功能需求、性能要求、可靠性和安全性等因素,遵循一定的选型原则,选择合适的电源元器件、信号元器件和保护元器件,从而确保整个系统能够稳定可靠地工作。
个人观点作为一名工程师,在进行PLC控制柜电气元器件选型时,我认为需要充分了解系统的工作环境和工作条件,综合考虑各种因素,选择合适的电气元器件,以确保系统的高性能、高可靠性和高安全性。
还需要不断学习和更新选型标准,跟上行业的最新发展和技术变化,为系统的升级和改造提供可靠支持。
电气控制柜国标电气控制柜制作标准电气装置安装工程盘、柜及二次回路接线施工规范第一章总则第1.0.1条为保证盘、柜装置及二次回路接线安装工程的施工质量,促进工程施工技术水平的提高,确保盘、柜装置及二次回路安全运行,制订本规范。
第1.0.2条本规范适用于各类配电盘、保护盘、控制盘、屏、台、箱和成套柜等及其二次回路接线安装工程的施工及验收。
第1.0.3条盘、柜装置及二次回路接线的安装工程应按已批准的设计进行施工。
第1.0.4条盘、柜等在搬运和安装时应采取防震、防潮、防止框架变形和漆面受损等安全措施,必要时可将装置性设备和易损元拆下单独包装运输。
当产品有特殊要求时,尚应符合产品技术文的规定。
第1.0.5条盘、柜应存放在室内或能避雨、雪、风、沙的干燥场所。
对有特殊保管要求的装置性设备和电气元,应按规定保管。
第1.0.6条采用的设备和器材,必须是符合国家现行技术标准的合格产品,并有合格证。
设备应有铭牌。
第1.0.7条设备和器材到达现场后,应在规定期限内作验收检查,并应符合下列要求:一、包装及密封良好。
二、开箱检查型号、规格符合设计要求,设备无损伤,附、备齐全。
三、产品的技术文齐全。
四、按本规范要求外观检查合格。
第1.0.8条施工中的安全技术措施,应符合本规范和国家现行有关安全技术标准及产品技术文的规定。
第1.0.9条与盘、柜装置及二次回路接线安装工程有关的建筑工程的施工,应符合下列要求:一、与盘、柜装置及二次回路接线安装有关的建筑物、构筑物的建筑工程质量,应符合国家现行的建筑工程施工及验收规范中的有关规定。
当设备或设计有特殊要求时,尚应满足其要求。
二、设备安装前建筑工程应具备下列条:1.屋顶、楼板施工完毕,不得渗漏;2.结束室内地面工作,室内沟道无积水、杂物;3.预埋及预留孔符合设计要求,预埋应牢固;4.门窗安装完毕;5.进行装饰工作时有可能损坏已安装设备或设备安装后不能再进行施工的装饰工作全部结束。
三、对有特殊要求的设备,安装调试前建筑工程应具备下列条:1.所有装饰工作完毕,清扫干净;2.装有空调或通风装置等特殊设施的,应安装完毕,投入运行。
电气控制柜执行标准一、引言。
电气控制柜是工业生产中常见的设备,用于控制电气系统的运行和保护电气设备。
为了确保电气控制柜的安全可靠运行,制定和执行相应的执行标准显得尤为重要。
本文将围绕电气控制柜执行标准展开讨论,以期为相关工作提供参考和指导。
二、执行标准的必要性。
1. 保障安全。
电气控制柜涉及到电气系统的运行和控制,一旦出现问题,可能会导致设备损坏、人员伤亡甚至火灾等严重后果。
因此,制定和执行执行标准可以有效保障设备和人员的安全。
2. 提高效率。
执行标准可以规范设备的运行和维护流程,减少人为因素对设备运行的干扰,提高设备的运行效率和稳定性。
3. 降低成本。
通过执行标准,可以对设备的维护和保养进行规范管理,延长设备的使用寿命,降低维护成本,提高设备的整体经济效益。
三、执行标准的内容。
1. 设计要求。
电气控制柜的设计应符合国家相关标准和规定,包括外观尺寸、内部布局、电气元件的选型和布置等方面。
同时,还应考虑设备的环境适应性和防护等级要求。
2. 安装要求。
在安装电气控制柜时,应按照相关标准和规定进行操作,包括设备的固定、接地、线缆布线等方面。
同时,还应做好安全防护措施,避免安装过程中出现意外事故。
3. 运行维护要求。
电气控制柜在运行过程中需要定期进行维护保养,以确保设备的正常运行。
执行标准应包括设备的定期检查、清洁、润滑、维修等内容,并制定相应的记录和报告。
4. 安全管理要求。
电气控制柜的安全管理是执行标准中的重要内容,包括对设备的安全使用、事故应急处理、人员培训等方面。
执行标准应明确相关的安全管理制度和操作规程。
四、执行标准的执行与监督。
1. 落实责任。
执行标准需要明确相关人员的责任和权限,包括设备的设计、安装、运行维护和安全管理等方面。
各个环节的责任人应严格执行相关标准和规定。
2. 监督检查。
相关部门应建立健全的监督检查制度,定期对电气控制柜的执行情况进行检查和评估。
对发现的问题和隐患,应及时进行整改和处理。
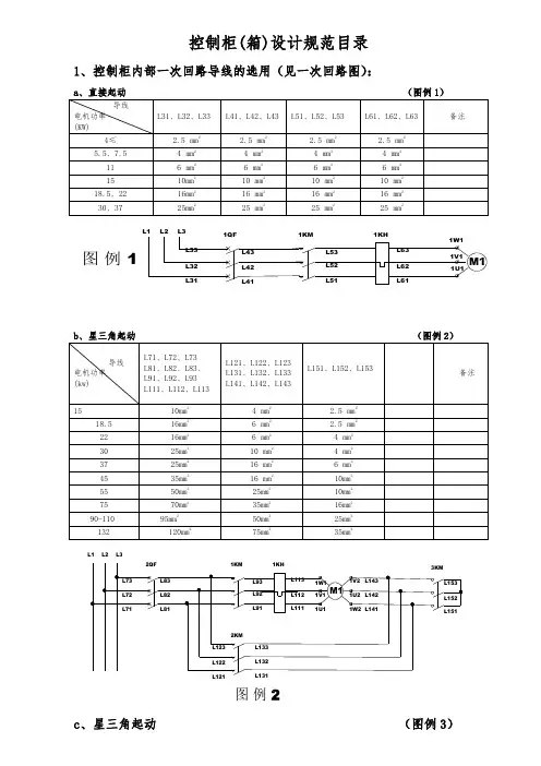
控制柜(箱)设计规范目录1、控制柜内部一次回路导线的选用(见一次回路图):1QFL41L42L43L1L2L3L31L32L331W11V11U11KH1KMM1L63L62L61L53L52L51图 例 1b 、星三角起动 (图例2)图例L3L2L1c 、星三角起动 (图例3)L1L2L3图例 3d、自耦起动(图例4)3KM图例 42、控制柜一次回路导线截面的选用(见一次回路图):3、控制柜一次回路TMY铜排截面的选用(见一次回路图):导线选用规格表 (要求从90~315KW一次母线用铜排)a、星三角起动(图例2)b、星三角起动(图例3)L1L2L3图例 3 5.2控制柜中总空开的选用:(表2)6.电流互感器与电流表的选用一用一备或一用二备的控制柜电流互感器的使用参照表中一用控制柜的使用标准。
二用一备或二用二备的控制柜电流互感器的使用参照表中二用控制柜的使用标准。
三用一备或三用二备的控制柜电流互感器的使用参照表中三用控制柜的使用标准。
四用一备或四用二备的控制柜电流互感器的使用参照表中四用控制柜的使用标准。
五用一备或五用二备的控制柜电流互感器的使用参照表中五用控制柜的使用标准。
如果控制柜中有主泵也有辅泵(或者小泵),并且大小泵有同时工作的情况,但辅泵的功率没有大泵的三分之一大,在选互感器时可不计小泵。
如辅泵的功率大于或等于大功率的三分之一,在选互感器时可将小泵计成大泵选择互感器。
如大小泵没有同时工作的情况,在选择互感器时可不计小泵。
如是两个小泵,并且两个小泵都有同时起动的可能,可将两个小泵的功率相加与大泵比较后再选互感器。
双电源控制柜可把电流折算成功率,然后再按功率选互感器。
7.交流接触器和热继电器的选用L42L1L2L3L31L32L33L43L42L41L51L52L53L61L62L63M11QF1KM1KH图 例 11U11V11W1a2.直接起动或软起动方式 (第2表 共2表 用施耐特和天正) 图例11W11V11U11KH1KM1QFM1L63L62L61L53L52L51L41L42L43L33L32L31L3L2L1L42图 例 1注: 施耐德电器:0.37~55KW 热继能与接触器组合安装,不需配热继底座;0 75~200KW 热继可独立安装,不需配热继底座。
附件一 PLC控制柜及电磁阀技术要求一、PLC控制柜技术要求结构特点合同范围内的PLC 柜要求为由800×600×2200mm柜型组成的标准柜,共2台。
材质采用2mm厚碳钢,其技术要求如下:1)采用2mm厚的钢板装配屏体,每一个门要用单独一片钢板制做,当钢板焊接时,要求焊缝接合片应是平实光滑的,屏的开孔要剪切,冲孔或钻孔,孔的周边要求平整。
2)框架采用非常稳定的三角形型材结构,(热镀锌板+聚酯环氧粉末喷涂)除非特殊说明,要提供吊环,为装配和安装期间起吊提供方便。
当屏一个接一个安装时,它们的前面板要有可靠的螺栓连接,屏体要有垫片保证水平。
3)每个屏都要提供足够的尺寸,门要逆时针打开,门采用4个铰链轴固定,门的锁紧程度应保证在门关上时,能将门垫片压入10%,在门内有空心方钢作为加强的筋条,柜门开合时不致引起箱体变形,并保证良好的通风。
4)在门上用聚安脂PU泡沫胶直接发泡成型的密封条,确保密封效果,达到防护等级。
门采用120度铰链。
5)在内部采用高防腐蚀镀锌板(不生锈)2.0mm镀锌安装板,用于所有设备和端子板安装。
2.0mm 厚的安装板两边有20mm 宽的U 形弯边,使得安装板强度更大,也便于搬运。
6)控制柜内应设计有便于调试时放置便携式计算机的支座,并可开合方便。
7)采用底座固定,柜体底部应有固定螺栓孔和电缆固定用支架;8)柜门下缘离地高20mm,固定在门板上的长方框上配有每隔25mm 一个的圆形孔,不仅加强柜门的强度,还可以用来安装电线束、电器等元件;9)安装板可以25mm 为单位距离,前后移动,调节深度;10)框架上均每25mm 配有圆形孔和方形孔(配合安装梁使用)令内部安装及固定仪器非常方便快捷;11)顶盖、侧板、后板、底板均螺丝固定,拆装容易,柜内安装工作更加方便;12)底板进线孔三块盖板可以相互更换,自由移动,便于导入电缆,开孔进线;13)门面板及外露壳体每米内的凸凹值不超过2mm,且不允许有明显的凸凹不平现象;14)组装结构要求连接牢固,用以连接的紧固件应拧紧,无打滑现象,且有防松装置。
变频器根据变频调速电梯的电力拖动系统匹配,变频器的输出功率≥曳引机的额定功率输出电流≥曳引机的额定电流的原则接触器类型的选定:根据所控制的电动机或负载电流类型来选择接触器的类型。
触头的额定电压:应选择接触器触头的额定电压大于或等于负载回路的额定电压。
触头额定电流:应选择接触器触头的额定电流大于或等于负载回路的额定电流。
主触头的额定电流:应选择主触头的额定电流大于或等于电动机的额定电流。
电动机的额定电流可按下式推算:Iw=(P N×103)/[(3)1/2 UnCOSΦη (2)式中:Iw——电动机的额定电流(A):P N——电动机的额定功率(W);COSΦ——电动机的功率因数(0.7-0.82);η——电动机的功率:取80%如使用频繁起动、制动和频繁的正反转的场合时,一般将接触器主触头的额定电流降低一个等级,或将可控制的电动机最大功率减半选用。
变压器功率的选择选用原则,变压器的额定功率×80%大于等于控制线路的实际功率P T。
P T1=2P KM1+3P KM2+6P HL1+12P HL1+3P KR1………………………………( 3)P T2=P KM2+6P X1+P R1……………………………………( 4)P KM1——CJX2-9511交流接触器的线圈起动功率:P KM2——CJX2-1201交流接触器的线圈起动功率:P HL1——显示板数码管的功率:P HL1——方向二极管的功率:P KR1——CJX1-9交流接触器的线圈起动功率:P X1——插座功率:P R1——安全灯功率:电线电缆的选择:配线原则:导线的最大允许持续电流大于线路的工作电流,即:I>Ig线路的工作电流为:Ig=I D=(βPe×103)/[(3)1/2VeηCOSΦ] (5)Pe——电动机的额定功率:Ve——电动机的额定功率:η——额定负载时的效率:取0.63COSΦ——额定负载时的功率因数:取0.85 β——负载系数:取0.9~1外配器件选型制动组件(DBR)NICE电梯一体化控制器30KW(含30KW)以下的机型已经内置了制动单元,用户只需外接制动电阻即可。
自动化控制柜标准
一、柜体设计
1.柜体应采用冷轧钢板或合金板折弯焊接而成,其结构应坚固、耐用,能够承受正常工作和运输过程中的振动和冲击。
2.柜体应设计成不可拆卸或可拆卸的结构,以便于运输和安装。
3.柜体应配备有防震、防尘、防潮、防腐蚀等防护设施,以保证内部电器元件的安全和稳定运行。
4.柜体应设有可靠的接地装置,确保操作人员的安全。
二、电器元件
1.电器元件应符合国家相关标准,并经过严格的质量检验和测试。
2.电器元件的型号、规格和性能应符合设计要求,并应选择易于维护和更换的元件。
3.电器元件的安装应合理、规范,确保其正常运行和使用寿命。
4.电器元件应有良好的绝缘性能和防潮性能,能够适应各种工作环境。
三、组装工艺
1.组装工艺应符合国家和企业标准,遵循先检查后组装的原则。
2.元件安装位置应合理、规范,排列整齐有序,便于维护和检修。
3.组装过程中应使用合格的紧固件和连接件,确保连接牢固可靠。
4.组装完成后,应进行通电测试和功能验证,确保控制柜的正常运行和使用效果。
四、安全性
1.控制柜应符合国家相关安全标准,并经过安全认证。
2.控制柜应设有漏电保护装置和过载保护装置,确保操作人员的安全和设备的安全运行。
3.控制柜应设有可靠的防火设施,如防火墙、灭火器等,以防止火灾事故的发生。
4.控制柜应设有安全警示标识,避免非专业人员误操作和意外事故的发生。
五、性能测试
1.控制柜应经过性能测试,包括通电测试、功能验证等,确保其正常运行和使用效果。
2.性能测试应按照国家和企业标准进行,测试结果应符合设计要求。
PLC控制柜、粉尘防爆就地操作箱、电动机技术要求及规定一、电动机技术要求及规定:1、所有配套电机采用YBX3系列高效率粉尘隔爆型三相异步电动机;2、电机功率≥200kw 时用 10KV 电机;3、电机功率<200kw 时用 380V 电机;4、频率 50Hz,防护等级 IP65, F 级绝缘。
5、电机选型严格按JB/T 12628-2016《YBX3系列高效率隔爆型三相异步电动机技术条件(机座号63~355)》、GB/T4942-2021《旋转电机整体结构的防护等级(IP代码)分级》、GB18613-2020 《电动机能效限定值及能效等级》、GB3836(1—35部分)《爆炸性环境用电器设备》、GB/T 3836.1-2021《爆炸性环境第1部分:设备通用要求》、GB/T 3836.34-2021《爆炸性环境第34部分:成套设备》、GB/T 3836.35-2021《爆炸性环境第35部分:爆炸性粉尘环境场所分类》、GB/T 3836.15-2017《爆炸性环境第15部分:电气装置的设计、选型和安装》要求及规定执行。
二、粉尘防爆就地操作箱技术要求:1、操作箱的箱体防护等级:IP65。
2、就地控制箱带有所有电机的启/停按钮、急停按钮及紧急断电开关、运行/停止/故障状态显示(LED)指示灯、电流表、操作指示牌,室内壁挂式安装。
3、操作箱柜内所有电气元器件满足GB/T 11918.1-2014《工业用插头插座和耦合器第1部分:通用要求》。
4、所有操作箱的结构、电器元件的安装、电路的布置必须安全可靠,操作方便,维修容易。
5、操作箱需配锁及钥匙。
6、操作箱采用下进线,下出线,并具有敲落孔,敲落孔的大小按电缆型号确定,并配备足够数量的橡皮垫圈。
7、操作箱材质采用Q235A,箱体厚度≧2.0mm。
8、操作箱的开关、仪表和插座应布置在箱/柜体的正面面板上,便于操作。
9、操作箱的外壳和隔板包括门的闭锁器件、插座部件应具有足够的机械强度以能够承受正常使用时所遇到的外力。
控制柜选型标准
本公司生产的系列控制柜按结构分为五种:轻型 GC 柜、重型GD 柜、防尘GF 柜、低压配电柜
GGD 及低压抽屉柜GCK 。
GC 柜采用标准KS 型钢为骨架,用标准件联接组装而成的控制柜适用于安装重量轻,如小容
量接触器等电器元件。
安装较重的电器元件如容量较大的变压器、电抗器、
ME 开关、大容量接触
器时不许选用。
GD 柜采用2.5mm 厚钢板生产的以宽度为 80mm 的立柱和横梁为骨架,焊接而成的控制柜,适 用于安装重量大的电器元件。
GF 柜采用标准FA38型钢为骨架,用标准件连接组装而成的控制柜适用于防尘要求极高的场所, 出口产品必须选用此柜型。
GGD 柜和GCK 柜为国家标准的低压配电柜型号,设计低压配电柜时,必须选用此柜体。
设计时在项目计划,总装图中必须注明选用的柜体型号。
柜体型号如下:
GD . □ □口 □口 □口 -F-R
柜型-
柜特征 柜高-
柜特征号:
A —前单门后板
B —前双门后板
GF —防尘柜 GDD —低压配电柜
GCK —低压抽屉柜
柜咼:
22 — 2200mm 20 —2000mm 18— 1800mm 16— 1600mm 14— 1400mm
柜宽: 06 — 600mm 08- 800mm 10 — 1000mm
柜深: 06 — 600mm 08- 800mm
10 — 1000mm 12— 1200mm GF 、GD 、GC 柜门采用如图所示形式,门锁用两个一点锁,门铰链采用三点式形式,一般为单门。
柜宽大于900mm 时可选用大小门或双门。
柜体标志板采用钢板弯制,其外形尺寸为(柜宽 -10) *100。
GGD 柜体采用国家标准柜型。
标志板采用铝合金标准件,其外型尺寸为(柜宽
-10)*60 GCK 柜体为抽屉柜,可根据器件容量选择相应的抽屉组合,标志板同 GGD 柜体。
GC —轻型柜
C —前后单门
D —前后双门 GD —重型柜
GGD 柜的外型尺寸及有关规定如下
:
GGD 柜体的外型图:
. __ B ,
GGD 柜的标住外型尺寸
GGD 柜高:2200mm
GGD 柜的宽 B : 600mm , 800mm 或 1000mm 门楣 【
仪表盘及上母排室
O
554 Ony2
下母井室
05
GGD 柜的深C: 800mm 或1000mm
GGD柜设计的几点说明:
电流表,电压表,信号灯,按钮及转换开关均装在仪表盘上。
不许装在柜门上。
元件多时,电
流表,电压
表装于上排,信号灯,按钮及转换开关装于下排。
参考图如下:
端子排采用标准安装。
若端子少时也可装于侧面。
柜内安装底版全部选用镀锌标准件
零线母排装于母排室中。
GF柜有关规定:
(1)GF柜为全封闭型,一般只前侧开门。
(2)GF柜安装底版采用板,器件的安装均采用拉脚螺丝方式固定。
PA1
HL1 HL2 HL3 SB1 SB2
I- -I | a
I I I
S
75 - .75 150
800
PA2
16
有效使用面积
2008
通风窗安装位置
X)
I
790。