橡胶基础知识30题
- 格式:doc
- 大小:49.00 KB
- 文档页数:9
橡胶工艺习题答案橡胶工艺习题答案橡胶工艺是一门涉及橡胶制品生产过程的学科,它包括橡胶材料的选择、加工工艺的设计和生产工艺的控制等方面。
在学习橡胶工艺的过程中,习题是一种常见的练习方式,通过解答习题可以帮助学生巩固所学的知识并提高解决问题的能力。
下面是一些橡胶工艺习题的答案,希望能对学习者有所帮助。
一、橡胶材料的选择1. 为什么天然橡胶在橡胶制品中的应用较广泛?答:天然橡胶具有良好的弹性、耐磨性和耐腐蚀性,同时还具有较高的物理性能和化学稳定性。
这些特性使得天然橡胶在制造轮胎、密封件、橡胶管等橡胶制品中得到广泛应用。
2. 什么是合成橡胶?它与天然橡胶有何区别?答:合成橡胶是通过化学方法合成的一种人造橡胶材料。
与天然橡胶相比,合成橡胶具有更加丰富的种类和更好的加工性能。
合成橡胶可以根据需要进行调整和改良,以满足不同领域的需求。
二、橡胶加工工艺的设计1. 请简要描述橡胶挤出工艺的基本原理。
答:橡胶挤出工艺是将橡胶料通过挤出机加热熔化,然后通过模头将熔化的橡胶料挤出成型。
挤出机通过螺杆的旋转将橡胶料从料斗中输送到加热区域,经过加热和混炼后,橡胶料变得柔软且易于挤出。
最后,将熔化的橡胶料通过模头的模孔挤出,形成所需的橡胶制品。
2. 请简要描述橡胶压延工艺的基本原理。
答:橡胶压延工艺是将橡胶料放置在两个或多个辊子之间,通过辊子的旋转将橡胶料压延成所需的形状。
在压延过程中,辊子的旋转速度和温度需要根据橡胶料的性质和所需制品的要求进行调整。
通过不断调整辊子的间距和温度,可以控制橡胶料的厚度和形状。
三、橡胶生产工艺的控制1. 请简要描述橡胶硫化工艺的基本原理。
答:橡胶硫化是指将橡胶制品放置在硫化炉中,通过加热和硫化剂的作用,使橡胶材料发生交联反应,从而提高橡胶制品的强度和耐磨性。
硫化过程中,需要控制硫化温度、硫化时间和硫化剂的用量,以确保橡胶制品的质量和性能。
2. 请简要描述橡胶模具设计中的考虑因素。
答:橡胶模具设计需要考虑多个因素,包括橡胶制品的形状、尺寸和复杂程度,以及模具的材料选择、结构设计和加工工艺等。
胶粘剂基础知识考试试卷一、单选题(每题3分,共30分)1. 胶粘剂能将同种或两种或两种以上同质或异质的制件(或材料)连接在一起,固化后具有足够强度的有机或无机的、天然或合成的一类物质,又称为()。
A. 胶水B. 粘结剂C. 胶黏剂D. 以上都是。
2. 下列哪种不是胶粘剂的组成成分()。
A. 基料B. 溶剂C. 颜料D. 固化剂。
3. 以下属于天然胶粘剂的是()。
A. 酚醛树脂胶粘剂B. 动物胶C. 环氧树脂胶粘剂D. 聚氨酯胶粘剂。
4. 胶粘剂的固化是指()。
A. 胶粘剂从液态变为固态的过程。
B. 胶粘剂从固态变为液态的过程。
C. 胶粘剂颜色发生变化的过程。
D. 胶粘剂粘性增加的过程。
5. 在选择胶粘剂时,不需要考虑的因素是()。
A. 被粘物的材质B. 使用环境C. 胶粘剂的颜色D. 粘接强度要求。
6. 环氧树脂胶粘剂的优点不包括()。
A. 粘接强度高B. 收缩率小C. 耐化学性好D. 价格低廉。
7. 热熔型胶粘剂的特点是()。
A. 常温下是固态,加热后变为液态进行粘接。
B. 常温下是液态,加热后变为固态进行粘接。
C. 一直保持液态,靠溶剂挥发固化。
D. 一直保持固态,靠压力进行粘接。
8. 对于金属材料的粘接,以下哪种胶粘剂比较合适()。
A. 淀粉胶B. 橡胶型胶粘剂C. 丙烯酸酯胶粘剂D. 以上都不合适。
9. 胶粘剂的储存期是指()。
A. 胶粘剂生产出来到失效的时间。
B. 胶粘剂可以正常储存的时间范围。
C. 胶粘剂从购买到使用的时间。
D. 胶粘剂从开封到不能使用的时间。
10. 以下哪种情况会影响胶粘剂的粘接效果()。
A. 被粘物表面清洁B. 粘接时施加合适的压力。
C. 粘接环境湿度大D. 按照正确比例调配胶粘剂。
二、多选题(每题5分,共30分)1. 胶粘剂的基料按化学结构可分为()。
A. 热塑性树脂B. 热固性树脂C. 橡胶类D. 天然高分子类。
2. 影响胶粘剂粘接强度的因素有()。
A. 被粘物表面粗糙度B. 胶粘剂的厚度C. 固化条件D. 被粘物的极性。
一、简答题1、何谓喷霜?何谓焦烧?其产生原因何在?答:喷霜即为某些配合剂(如硫磺、促进剂、防老剂、石蜡等)析出胶料或硫化胶表面的现象;造成这种现象的原因主要是某些配合剂用量过大,超过其常温下在橡胶中的溶解度所造成的。
焦烧是一种胶料早期硫化的现象,即胶料在硫化前的操作或停放中发生不应有的提前硫化现象;原因是配合不当,炼胶操作不当,胶料冷却停放不当。
2、何谓老化?影响橡胶老化的因素有哪些?答:橡胶或橡胶制品的在加工、贮存和使用的过程中,由于受到各种外界因素的作用,而逐步失去原有的优良性能,以致最后失去使用价值,这种现象称为橡胶老化;影响因素有热、氧、臭氧、金属离子、电离辐射、光、机械力等。
3、何谓塑炼?其目的意义何在?答:把具有弹性的生胶变成柔软的具有可塑性的胶料的工艺过程称为塑炼;生胶塑炼的目的:一、使生胶获得一定的可塑性,适合混炼、压延、挤出、成型等后续工艺操作;二、使生胶的可塑性均匀化,以便制得质量均匀的胶料。
4、何谓混炼?其目的意义何在?答:在炼胶机上将各种配合剂加入到橡胶中制成混合胶的工艺过程叫混炼;使配合剂均匀分散,制得质量均匀的混炼胶,并使胶料具有适合的可塑性;混炼不好,出现配合剂分散不均匀,可塑度过高或低、焦烧、喷霜现象,影响压延等后续工序的正常进行,还会导致产品的性能下降。
5、何谓压延?它包括哪些作业形式?答:压延工艺是利用压延机辊筒的挤压力作用使胶料发生塑性流动和变形,将胶料制成具有一定断面规格和一定断面几何形状的胶片,或者将胶料覆盖于纺织物表面制成具有一定断面厚度的胶布的工艺加工过程;作业形式:胶料的压片、压型和胶片贴合及纺织物的贴胶、擦胶和压力贴胶。
6、何谓挤出?它有何作用?答:橡胶的挤出是使胶料通过挤出机连续地制成各种不同形状半成品的工艺过程;应用于制造胎面、内胎、胶管以及各种复杂断面形状或空心、实心、包胶等半成品。
7、何谓弹性变形和塑性变形?答:弹性变形:橡胶在变形后能够恢复其原来状态的形变行为。
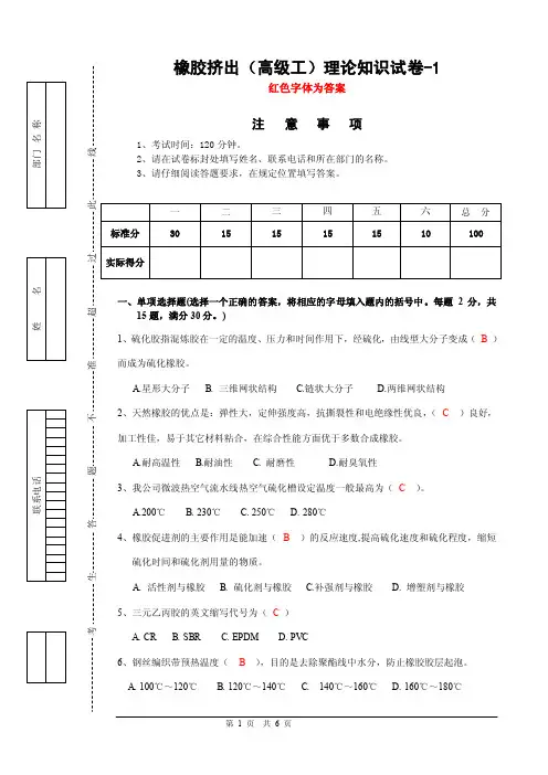
橡胶挤出(高级工)理论知识试卷-1 红色字体为答案 注 意 事 项 1、考试时间:120分钟。
2、请在试卷标封处填写姓名、联系电话和所在部门的名称。
3、请仔细阅读答题要求,在规定位置填写答案。
一、单项选择题(选择一个正确的答案,将相应的字母填入题内的括号中。
每题2分,共15题,满分30分。
) 1、硫化胶指混炼胶在一定的温度、压力和时间作用下,经硫化,由线型大分子变成( B )而成为硫化橡胶。
A.星形大分子 B. 三维网状结构 C.链状大分子 D.两维网状结构 2、天然橡胶的优点是:弹性大,定伸强度高,抗撕裂性和电绝缘性优良,( C )良好,加工性佳,易于其它材料粘合,在综合性能方面优于多数合成橡胶。
A.耐高温性 B.耐油性 C. 耐磨性 D.耐臭氧性 3、我公司微波热空气流水线热空气硫化槽设定温度一般最高为( C )。
A.200℃ B. 230℃ C. 250℃ D. 280℃ 4、橡胶促进剂的主要作用是能加速( B )的反应速度,提高硫化速度和硫化程度,缩短硫化时间和硫化剂用量的物质。
A. 活性剂与橡胶B. 硫化剂与橡胶C.补强剂与橡胶D. 增塑剂与橡胶 5、三元乙丙胶的英文缩写代号为( C ) A. CR B. SBR C. EPDMD. PVC 6、钢丝编织带预热温度( B ),目的是去除聚酯线中水分,防止橡胶胶层起泡。
A. 100℃~120℃ B. 120℃~140℃ C. 140℃~160℃ D. 160℃~180℃考 生 答 题 不 准 超 过 此 线7、冲切钢带预热温度230℃~250℃,主要目的是钢带表面( C )和预热;A. 除尘B.防锈C.除油D.达到与胶料同温8、ML1+4 100℃表示:M为门尼粘度值,L为大转子,100℃为测试温度,而1+4为(B)A. 胶料测试厚度B.预热1分钟,转子转动4分钟C.测试时间公差D.1~4个月周期9、螺杆压缩比并非橡胶体积的真正压缩,主要的目的是使橡胶挤出(D)的提高A. 硬度B.强度C.温度D.压力10、微波硫化的英文缩写代号为(A)A. UHFB.HA VC.LCMD.PVM11、热传递的三个途径是( B )A. 对流、烘烤、传播B. 对流、传导、辐射C.水、空气、金属D.接触、流动、烘烤12、橡胶密封条的压缩荷重是将一定长度的密封条,以规定的速度压缩至一定高度(或一定压缩量)时的(D)A. 时间B.功率C.尺寸D.力值13、排气螺杆可使胶料紧密,排除( B ),降低胶料挤出的膨胀性;A. 水分B.气体和低挥发物C.杂质颗粒D.凝胶14、三元乙丙橡胶,硬度范围80-90,汽车密封条用胶,其胶料编号可能为(C)A. 781B.665C.Q681D.672E15、一切旋转加工的操作严禁带( C )操作;A . 眼镜 B. 帽子 C. 手套 D. 耳塞二、多项选择题(选择一个正确的答案,将相应的字母填入题内的括号中。
14橡胶硫化工初级理论知识题库一、不定项项选择题(共25小题,每小题2分,共50分)1、氟橡胶的收缩率范围()。
A、2.5%—3%B、1%—2%C、1.5%以下D、1.5%—2%正确答案:A2、Y形密封圈的特点是耐在程度较高,可达()MpaA、20B、30C、49D、55正确答案:C3、胶料中硫黄用量小于()份,为软质胶。
A、4B、10C、30D、40正确答案:A4、一级保养是以操作工人为主,检修工人配合对设备进行()的工作A、全面擦拭保养B、局部拆卸检查C、系统保养D、部分解体修理正确答案:B5、胶件有无骨架,尺寸变化规律()。
A、缩小B、不变C、视具体结构而定D、以上都不是正确答案:C6、工程上应用的交流电的频率差异很大,其标准频率叫“工频”我国的工频定为()A、40HZB、50HZC、60HZD、100HZ正确答案:B7、高碳钢的碳含量()A、>0.25%B、>0.35%24 C、>0.45%D、>0.6%正确答案:D8、转子是密炼机主要工作零件,其材质为()。
A、HT—100B、HT—200C、45#钢D、合金钢正确答案:C9、将钢料先进行淬火,然后再()的热处理方法叫做调质处理A、低温回火B、中间回火C、高温回火D、中温退火正确答案:C10、碳素工具钢的钢号用字母()加数字表示A、LB、CC、HD、T正确答案:D11、台钻通常用来钻()mm以下的孔。
A、12B、18C、25D、40正确答案:A12、胶料中硫黄用量超过()份为硬质胶。
A、25B、30C、37D、45正确答案:C13、中国轮胎所用帘布类型,以()代表钢丝帘线。
A、MB、NC、RD、G正确答案:D14、密闭式的炼胶机中中速密炼机转子转速为()A、40r/min左右B、30r/min左右C、20r/min左右D、45r/min左右正确答案:A15、测量气体专用压力表的外壳涂色有专门规定,测乙炔的专用压力表外壳涂()色。
A、黄B、白C、天蓝D、以上都不是正确答案:B16、电流所产生的热量与电阻关系为()A、成反比B、成正比C、平方成反比D、平方成正比正确答案:B17、我国自行设计和制造的大型开炼机始于()A、1948年B、1930年C、1955年D、1970年正确答案:C18、灰口铸铁的牌号用字母()加数字表示A、YWB、HTC、BTD、QT正确答案:B19、XY—4S—1800型机械中S表示()A、第四代产品B、四川生产C、辊筒排列成S型D、以上都不是正确答案:C20、液压系统的压力是由()决定的A、液压泵B、负载C、阀正确答案:B21、高温回火的方法是将工件加热到()均热一定的时间后冷却的回火方法A、400—500℃B、500—600℃C、500—650℃D、450—600℃正确答案:B22、子午线轮胎应标出结构标记,为确定国际标永,子午线轮胎已确定以英文()字母亲标记。
2023年质量员之土建质量基础知识题库附答案(基础题)单选题(共30题)1、三元乙丙(EPDM)橡胶防水卷材属于()防水卷材。
A.合成高分子防水卷材B.沥青防水卷材C.高聚物改性沥青防水卷材D.聚氯乙烯(PVC)防水卷材【答案】 A2、从建筑施工的角度,根据土的(),可将土分为8大类。
A.颗粒级配B.沉积年代C.坚硬程度D.承载能力【答案】 C3、全数检验最大的优势是质量数据(),可以获取可靠的评价结论。
A.全面、丰富B.完善、具体C.深度、广博D.浅显、易懂【答案】 A4、关于专业承包的业务范围,下列叙述不正确的是()。
A.专业承包企业可以承接施工总承包企业依法分包的专业工程B.专业承包企业可以承接建设单位依法发包的专业工程C.专业承包企业可以对所承接的专业工程依法进行分包D.专业承包企业可以对劳务作业可以分包【答案】 C5、水准测量是利用水准仪提供()。
A.水平视线B.垂直视线C.倾斜视线D.直线定线【答案】 A6、对于土方开挖工程,施工单位编制专项施工方案后,经()签字后实施。
A.施工单位技术负责人和建设单位负责人B.施工单位项目经理和总监理工程师C.施工单位技术负责人和总监理工程师D.建设单位负责人和总监理工程师【答案】 C7、砖砌体的施工工艺过程正确的是()。
A.找平、放线、摆砖样、盘角、立皮数杆、砌筑、勾缝、清理、楼层标高控制、楼层轴线标引等B.找平、放线、摆砖样、立皮数杆、盘角、砌筑、清理、勾缝、楼层轴线标引、楼层标高控制等C.找平、放线、摆砖样、立皮数杆、盘角、砌筑、勾缝、清理,楼层轴线标引、楼层标高控制等D.找平、放线、立皮数杆、摆砖样、盘角、挂线、砌筑、勾缝、清理、楼层标高控制、楼层轴线标引等【答案】 B8、关于对从业人员安全生产教育和培训,下列叙述不正确的是()。
A.生产经营单位应当对从业人员进行安全生产教育和培训B.劳务派遣单位应当对被派遣劳动者进行安全生产教育和培训C.生产经营单位应当对劳务派遣单位进行安全生产教育和培训效果考核D.生产经营单位应当对实习学生进行安全生产教育和培训【答案】 C9、下列各项中,具有良好的隔热性能,可避免暖房效应,节约室内降温空调的能源消耗,并具有单向透视性的是()A.阳光控制镀膜玻璃B.低辐射镀膜玻璃C.中空玻璃D.着色玻璃【答案】 A10、混凝土冬期施工时,可加的外加剂是()。
橡胶加工题库一、名词解释1.橡胶2.橡胶配方3.基础配方(标准配方)4.性能配方(技术配方)5.实用配方(生产配方)6.可塑性7.塑炼8.混炼9.母炼胶10.结合橡胶11.橡胶压延12.压延效应13.胶料热炼14.织物浸胶15.橡胶压片16.橡胶压型17.橡胶压出18.压出变形19.橡胶硫化20.硫化介质二、选择题1.下列有关橡胶共性的描述中,错误的是()A.有弹性和粘弹性B.有减震缓冲作用C.有电绝缘性、有老化现象D.柔软性好,透气性好2.下列橡胶中哪种属于特种合成橡胶()A.丁苯橡胶B.氯丁橡胶C.硅橡胶D.顺丁橡胶3.下列橡胶中属于通用合成橡胶的是()A.氟橡胶B.顺丁橡胶C.丙烯酸酯橡胶D.聚硫橡胶4.下列橡胶中属于杂链橡胶的是()A.丁腈橡胶B.三元乙丙橡胶C.甲基乙烯基硅橡胶D.天然橡胶5.哪位科学家发明充气轮胎后,橡胶的消耗量急剧增加,并导致汽车工业的发展,促进了橡胶工业的真正起飞()A.施陶丁格B.邓氯普C.固特异D.弗洛里6.以生胶的质量为100份,其它配合剂用量相应地以质量份数来表示的橡胶配方表示形式为()A.质量分数配方B.体积分数配方C.生产配方D.基本配方7.用威廉氏法测定塑炼胶的可塑性时,所测得P值越大说明塑炼胶的可塑度()A.越小B.不变C.越大D.不确定8.用华莱氏快速可塑性测定法测定塑炼胶的可塑性时,所测得数值越大说明塑炼胶的可塑度()A.越小B.不变C.越大D.不确定9.橡胶经低温塑炼后,分子量分布的变化是()A.变窄B.不变C.变宽D.不确定10.用开炼机塑炼生胶时,下列哪种操作有助于提高塑炼效率,使塑炼胶快速获得适宜的可塑度()A.提高辊温B.加适量塑解剂C.增大两辊速比D.增大装胶容量11.下列设备中能对生胶进行连续塑炼的设备是()A.开炼机B.密炼机C.螺杆式塑炼机D.以上全是12.开炼机混炼胶料的前提是()A.包辊B.塑化C.湿润D.吃粉13.胶料混炼时,一般最后加入的配合剂为()A.硬脂酸B.防老剂C.硫化剂和促进剂D.抗氧剂14.针对混炼胶表面发生喷霜现象的原因,下列描述错误的是()A.塑炼不充分B.混炼温度过低C.混炼胶停放时间过长D.硫磺粒子大小不均、称量不准确15.下列是开放式炼胶机混炼通常加料顺序是()A.生胶—促进剂—液体软化剂—补强剂—硫黄B.塑炼胶—小料—补强剂—液体软化剂—硫磺C.生胶—液体软化剂—活性剂—填充剂—硫磺D.塑炼胶—防老剂—补强剂—硫磺—液体软化剂16.下列哪个是使用最普遍的硫化剂,且适用于不饱和胶()A.硫化钠B.硫化氢C.硫磺D.氧化锌17.炭黑混入时间用下列哪个缩写表示()A. BITB. IBTC. MID. PI18.先在密炼机中加入预混好的(硫黄未加)胶料1.5~2.0kg,然后再投料混炼的混炼方法是()A.逆混法B.引料法C.一段混炼法D.两段混炼法19.具有包辊性好,塑性增加快而生热量低,对配合剂的湿润性好,吃粉快,分散容易等混炼特性的橡胶是()A.氯丁橡胶B.丁苯橡胶C.丁腈橡胶D.天然橡胶20.下列选项中不属于混炼胶快检项目的是()A.拉伸强度B.可塑度C.初硫点D.密度21.下列哪种情况会使胶片离开压延机后在停放过程中出现收缩增大()A.压片温度高B.压延速度快C.胶料可塑度大D.无机填料含量高22.关于压延前采用干燥机将织物烘干,控制含水率为1%~2%的目的,描述错误的是()A.提高织物的温度B.保证压延制品质量C.防止水分增重D.增大橡胶与织物间的附着力23.通过两个辊筒的压合作用使胶浆涂覆于织物上,这种涂胶方法称为()A.刮涂B.喷涂C.浸涂D.辊涂24.关于橡胶压片的影响因素,描述错误的是()A.含胶率高或弹性大的胶料,辊温应高些B.可塑度小和配方含胶率低的胶料,压延时辊速可快些C.可塑度的大小影响压片时胶料的流动性D.适当速比有利于排气,但压延制品表面会粗糙25.使纺织物通过压延机辊筒间隙,使其表面挂上一层薄胶,制成挂胶帘布或挂胶帆布,作为橡胶制品的骨架层。
cqi30橡胶系统评估训练试题CQI30是一个橡胶系统评估的标准,它主要用于评估橡胶制造过程中的质量管理体系。
下面是一些与CQI30橡胶系统评估相关的训练试题及其回答:1. 什么是CQI30橡胶系统评估?CQI30橡胶系统评估是由汽车行业质量标准组织AIAG (Automotive Industry Action Group)制定的一项评估标准,用于评估橡胶制造过程中的质量管理体系。
2. CQI30橡胶系统评估的目的是什么?CQI30的目的是确保橡胶制造过程中的质量管理体系符合国际标准和客户要求,以提高产品质量和满足客户需求。
3. CQI30橡胶系统评估包括哪些方面?CQI30橡胶系统评估包括质量管理体系文件的评审、过程能力的评估、产品样品的评估、内部审核和管理评审等方面。
4. CQI30橡胶系统评估的步骤有哪些?CQI30橡胶系统评估的步骤包括准备评估、评审文件、现场评估、评估报告和改进计划的制定等。
5. CQI30橡胶系统评估的好处是什么?通过CQI30橡胶系统评估,企业可以识别和改进潜在的问题,提高质量管理体系的有效性和效率,增强客户信任和满意度。
6. 如何准备CQI30橡胶系统评估?为了准备CQI30橡胶系统评估,企业需要建立和实施符合标准要求的质量管理体系,培训员工,准备相关文档,并进行内部审核和管理评审。
7. 如何进行CQI30橡胶系统评估的现场评估?现场评估包括对生产设备、过程控制、产品检验、记录管理等方面的实地检查和验证,评估人员会与企业员工进行交流和访谈。
8. CQI30橡胶系统评估的评估报告有什么作用?评估报告记录了评估结果和发现的问题,对企业进行了综合评价,并提供改进建议和行动计划,帮助企业改进质量管理体系。
9. CQI30橡胶系统评估与ISO 9001有什么关系?CQI30橡胶系统评估是基于ISO 9001质量管理体系标准的补充,强调了橡胶制造过程中的特殊要求和最佳实践。
使用说明:每题后面的“(?)”是该题在授课时所处章的顺序。
其中概念题2分;填空题(每空1分);简述题5~9分;论述题12~15分。
橡胶期末考试题一、题1、概念题1)、橡胶弹性(1)2)、运输带(1)3)、传动带(1)4)、胶带种类(1)5)、橡胶杂品(1)6)、橡胶的弹性模量(1)7)、橡胶制品的使用温度(1)8)、橡胶力学状态(1)9)、橡胶三态(1)10)、弹性体(1)11)、橡胶的“弹性记忆效应”(1)12)、橡胶的“巴拉斯效应”(1)13)、橡胶的“Baras effect”(1)14)、生胶(2)15)、生橡胶(2)16)、BR(2)17)、合成橡胶(2)18)、合成橡胶的种类(2)19)、EPM20)、通用合成橡胶包括的胶种(2)21)、饱和橡胶(2)22)、不饱和橡胶(2)23)、极性橡胶(2)24)、橡胶来源(2)25)、天然橡胶等级(2)26)、通用合成橡胶(2)27)、特种合成橡胶(2)28)、再生胶(2)29)、配合剂(2)30)、防焦剂(2)31)、橡胶软化剂(2)32)、炭黑(2)33)、橡胶补强剂(2)34)、橡胶填充剂(2)35)、促进剂M(2)36)、白炭黑(2) 37)、SiO2-nH2O (2) 38)、NBR(2) 39)、橡胶硫化剂(2) 40)、硫化活性剂(2) 41)、NR(2)42)、NR的Tg(2) 43)、NR的Tf (2) 44)、NR的Td(2) 45)、NR密度(2) 46)、NR溶剂(2) 47)、BR溶剂(2) 48)、SBR溶剂(2) 49)、SBR(2) 50)、BR的Tg (2) 51)、MVQ的Tg (2) 52)、碳链橡胶(2) 53)、杂链橡胶(2) 54)、无机链橡胶(2) 55)、天然橡胶(2) 56)、丁苯橡胶(2) 57)、顺丁橡胶(2) 58)、异戊橡胶(2) 59)、硫化胶(2) 60)、SR(2)61)、CR(2)62)、EPDM(2) 63)、IIR(2)64)、IR(2)65)、MVQ(2) 66)、硫化体系(2) 67)、热塑性橡胶(2) 68)、粉末橡胶(2) 69)、液体橡胶(2) 70)、过期橡胶(2) 71)、熟橡胶(2) 72)、交联橡胶(2) 73)、硫化橡胶(2) 74)、塑炼值(3) 75)、威氏值(3) 76)、塑炼(3) 77)、塑炼目的(3) 78)、塑炼实质(3) 79)、烘胶(3)80)、烘胶目的(3)81)、混炼胶(4)82)、混炼(4)83)、母炼胶(4)84)、母胶(4)85)、母胶种类(4)86)、混炼胶的分散介质(4)87)、混炼胶的连续相(4)88)、擦胶(5)89)、橡胶压延(5)90)、纺织物的挂胶方法(5)91)、橡胶压型(5)92)、滤胶(5)93)、滤胶机(5)94)、纺织物的预加工(5)95)、橡胶挤出(6)96)、橡胶压出(6)97)、硫化体系(7)98)、正硫化(7)99)、硫化(7)100)、欠硫(7)101)、过硫(7)102)、喷硫(7)103)、焦烧(7)104)、硫化三要素(7)105)、橡胶硬度单位(7)106)、橡胶扯断伸长率单位(7) 107)、橡胶拉伸强度单位(7)108)、橡胶磨耗单位(7)109)、硫化机(7)110)、硫化机种类(7)111)、硫化罐种类(7)112)、硫化条件(7)113)、硫化历程(7)114)、天然橡胶的硫化温度(7)115)、顺丁橡胶的硫化温度(7)116)、氟橡胶的硫化温度(7)117)、硅然橡胶的硫化温度(7)118)、一般模型制品平板硫化的压力(7) 119)、自然硫化(7)120)、橡胶的自粘性(7)121)、橡胶的互粘性(7)122)、硫化效应(7)123)、硫化介质(7)124)、硫化介质的种类(7)125)、橡胶老化(7)126)、橡胶老化性能变化率(7)127)、橡胶加速老化(7)128)、橡胶臭氧龟裂(7)129)、橡胶热降解(7)130)、橡胶的溶胀(7)131)、橡胶硫化的主要工艺参数(7)132)、橡胶交联的主要工艺参数(7)133)、橡胶二段硫化(7)134)、橡胶模具的外面的粗糙度(7)135)、橡胶模具的外面的粗糙度(7)2、填空题1)、____和合成橡胶统称为橡胶,而合成橡胶又分为____和____。
橡胶硫化工(高级)理论知识题库1.填空题(30题)橡胶是一种高分子化合物,其分子量一般都在以上。
几十万橡胶区别于其他工业材料的最主要标志是它在很宽的温度X围即-50℃-150℃内具有优异的性。
弹橡胶经过工艺可制成各种橡胶制品。
硫化橡胶根据来源不同,可分为天然橡胶和橡胶两大类。
合成平板硫化机进行硫化的主要部件是加热板,包括固定平板和活动平板,活动平板靠使其升降。
液压缸橡胶加工业的主要原材料有生胶、配合剂和。
骨架材料硫化一般采用的热源有蒸汽和。
电热影响硫化过程的主要因素有温度、硫化时间和。
硫化压力掌握硫化过程的工人应经常测量和调整硫化设备的温度,常用温度计和测量温度。
热电偶压力表是显示硫化压力的仪表,当某压力表显示5.2Mpa约合大气压。
52橡胶制品的主要硫化设备有平板硫化机和等。
硫化罐平板硫化机按结构形式分为柱式硫化机、框式硫化机等,按工作面分单层、层。
多橡胶加工中的配合剂,按性质可分为硫化剂、硫化促进剂、填充剂、等。
补强剂天然橡胶常温下具有较高的弹性,稍带塑性,温度降低则逐渐变,低于-70℃则变成象玻璃一样的物质。
硬或脆使用切胶机,胶料必须预热,否则不经的胶料本身是硬的,在切胶时,当胶放入刀下容易弹出碰伤或打伤操作人。
预热按照国际标准和我国国家标准,合成橡胶按其主链结构的不同分为6类,即饱和碳—碳链橡胶M类,不饱和碳—碳橡胶R类,聚合物链含硅的橡胶Q类,聚合物链含氧的橡胶O类,聚合物类含硫的橡胶T类,以及聚合物链含碳、氧、氮的橡胶类。
R胶片硬度是表示橡胶混炼均匀和硫化程度的主要标识,硬度是橡胶抵抗外来力的性能。
压常用测胶片硬度。
硬度计橡胶模具是生产橡胶制品硫化的主要设备之一,模具设计的依据是制品的形状、特性和,根据同一件橡胶制品可以设计出几种不同结构的模具。
使用要求为使模具保持较好的光洁度,应对模具进行定期。
保养橡胶制品的工作面分为静态和动态两类。
静态工作面用于固定密封部位,工作面用于活动密封部位。
橡胶工艺学课程习题及答案一.名词解释∶1.橡胶橡胶是一种有机高分子材料,能够在大的变形下迅速恢复其形变,表现出高弹性;能够被改性,有粘弹性。
2.格林强度3.冷流性生胶或未硫化胶在停放过程中因为自身重量而产生流动的现象。
4.活性剂配入橡胶后能增加促进剂活性,能减少促进剂用量或降低硫化反应温度,缩短硫化时间的物质5.促进剂的迟效性6.焦烧加有硫化剂的混炼胶在加工或停放过程中产生的早期硫化现象。
焦烧现象本质是硫化,胶料局部交联7.工艺正硫化时间胶料从加入模具中受热开始到转矩达到M90所需要的时间。
8.硫化返原又称返硫,是胶料处于过硫化状态,胶料的性能不断下降的现象。
9.硫化效应硫化强度与硫化时间的乘积,用E表示。
10.防老剂的对抗效应防老剂(抗氧剂)并用后产生的防护效能低于参加并用的各抗氧剂单独使用的防护效能之和11.防老剂的协同效应防老剂(抗氧剂)并用后的防护效能大于各抗氧剂单独使用的效能之和,是一种正效应。
12.软质炭黑粒径在40nm以上,补强性低的炭黑13.硬质炭黑粒径在40nm以下补强性高的炭黑14.结合橡胶也称为炭黑凝胶(bound- rubber),是指炭黑混炼胶中不能被它的良溶剂溶解的那部分橡胶。
15 .炭黑的二次结构又称为附聚体,凝聚体或次生结构,它是炭黑聚集体间以范德华力相互聚集形成的空间网状结构,不牢固,在与橡胶混炼是易被碾压粉碎成为聚集体。
16.增塑剂增塑剂又称为软化剂,是指能够降低橡胶分子链间的作用力,改善加工工艺性能,并能提高胶料的物理机械性能,降低成本的一类低分子量化合物。
17.塑炼塑炼是指通过机械应力、热、氧或加入某些化学试剂等方式,使橡胶由强韧的高弹性状态转变为柔软的塑性状态的过程18.压延效应压延后胶片出现性能上的各项异性现象19. 抗氧指数又称塑性保持率,是指生胶在140℃×30min前后华莱士塑性值的比值,其大小反映生胶抗热氧化断链的能力。
二.填空∶1.碳链橡胶中,不饱和橡胶有__ NR __、__SBR __、___ BR __、__ IR __,饱和橡胶有__EPM _、__ EPDM _、__ IIR _、_ FPM _、_ ACM _;杂链橡胶有____ PU _____、_____ T _____;元素有机橡胶包括___ MVQ __等。
橡胶炼胶工(高级)理论知识考试题与答案(含A.B卷)A卷:一、单项选择题1、违反安全操作规程的是(D)。
A、严格遵守生产纪律B、遵守安全操作规程C、执行国家劳动保护D、可使用不熟悉的机床和工具2、促进剂加入胶料中流速从快到慢的排列为(B)A、D>M>DM>CZ>NS>NOBS>DZB、NS>NOBS>DZC、D>M>DM>CZ>NS>NOBSD、M>DM>CZ>NS>NOBS>DZ>D3、半制品带三角胶的钢圈停放时间不超过(A)小时。
A、5小时B、12小时C、24小时D、8小时4、目前上辅机的主要作用是投放达到称量标准的(C)。
A、配合剂B、小料C、碳黑D、大料5、生产混炼时,允许排胶温度上限为(B)度。
A、140B、165C、175D、1856、生产设备上的运动部位要加润滑油(脂),加注润滑油脂时要(B)。
A、定时不定量B、定量定时C、定量不定时D、不定时不定量7、一般单控电磁阀,在得电后,会从原来的切断状态转换到接通状态,这时再断开电源,电磁阀将(C)。
A、继续保持接通B、在接通和切断三间往复C、转到切断状态D、中立状态8、压缩空气出口的部位,用温度表测量,发现该部位的温度低于周围的环境温度,这是因为(B)。
A、压缩空气中有水汽,带走了热量B、空气从压缩状态转换到自然状态时要吸收热量C.、压缩空气快速流动,带走了热量D、外界环境温度的影响9、开炼机辊筒冷却结构有(C)两种形式。
A、循环冷却和一进一出B、二进二出和循环冷却C.、中空冷却和钻孔冷却D、一进二出冷却10、生胶为相对分子质量由(C)以上的黏弹性物质。
A、10万—50万B、30万—100万C、10万—100万D、100万—200万11、对于给定规格的挤出机来说,影响挤出产率的主要因素(A)、温度分布、机头压力和胶料配方。
A、螺杆设计B、挤出速度C、温度分布D、螺杆的类型12、轮胎工业的发展与车子和橡胶的发展紧密相关,人类在(B)年前发明了用木材制作的以马力或人力为动力的车子。
HSE基础知识试题一、填空题1、全国的安全生产方针是安全第一、预防为主。
集团公司安全生产方针是安全第一、预防为主。
2、《中华人民共和国安全生产法》于 2002 年 11 月 1 日起施行。
3、“谁主管、谁负责”和“管生产必须管安全”是安全生产的重要基本原则4、“三基”工作是指基层建设、基础工作和基本功训练。
5、安全管理上的“三违”是指违章指挥、违章操作和违反劳动纪律。
6、安全色有红、蓝、黄及(绿)四种,其中:红色代表(禁止、停止),蓝色代表(指令),黄色代表(警告),绿色代表(安全)。
7、“三不伤害”是指不伤害自己、不伤害别人、不被别人伤害。
8、我国普遍采用的安全生产教育形式有:三级安全教育、特种作业人员的安全教育、经常性的安全教育。
其中三级安全教育是指厂级、车间级、班组级安全生产教育。
9、凡在距离基准面(2米)以上的施工作业,即为高处作业。
按照高处作业的作业方式,高处作业又可分为临边作业、洞口作业、攀登作业和悬空作业等。
10、加强特种设备安全监控是安全工作的重要内容,石油石化企业常用的特种设备主要有起重机械、厂内机动车辆、卷扬机和电梯等。
11、遇6级以上大风或大雪、大雨、大雾等恶劣天气时,不得从事露天起重作业和露天高处作业。
12、生产经营单位的特种作业人员必须按照国家有关规定经专门的安全培训,取得特种作业操作资格证书,方可上岗作业。
13、对验收不合格的安全设施,生产经营单位不得投入生产和使用。
14、任何单位或者个人均有权报告、举报事故隐患或者安全生产违法行为。
15、消防工作贯彻预防为主,防消结合的方针,坚持专门机关与群众相结合的原则,实行防火安全责任制。
16、生产经营单位的从业人员有权了解其作业场所和工作岗位存在的危险因素、防范措施及事故应急措施,有权对本单位的安全生产工作提出建议。
17、物质燃烧的三要素是指可燃物、助燃物(氧化剂)、点火源。
只有三要素同时存在,且都有足够的量,并彼此相互作用的情况下才会发生燃烧。
∙橡胶基础知识30题∙来源:橡胶人才网添加时间:2010-07-13浏览次数:35次进入论坛交流∙(一)什么是橡胶老化?在表面上有哪此表现?答:橡胶及其制品在加工,贮存和使用过程中,由于受内外因素的综合作用而引起橡胶物理化学性质和机械性能的逐步变坏,最后丧失使用价值,这种变化叫做橡胶老化。
表面上表现为龟裂、发粘、硬化、软化、粉化、变色、长霉等。
(二)影响橡胶老化的因素有哪些?答:引起橡胶老化的因素有:a)氧、氧在橡胶中同橡胶分子发生游离基链锁反应,分子链发生断裂或过度交联,引起橡胶性能的改变。
氧化作用是橡胶老化的重要原因之一。
B臭氧、臭氧的化学活性比氧高得多,破坏性更大,它同样是使分子链发生断裂,但臭氧对橡胶的作用情况随橡胶变形与否而不同。
当作用于变形的橡胶(主要是不饱和橡胶)时,出现与应力作用方向垂直的裂纹,即所谓"臭氧龟裂";作用于变形的橡胶时,仅表面生成氧化膜而不龟裂。
C)热:提高温度可引起橡胶的热裂解或热交联。
但热的基本作用还是活化作用。
提高氧扩散速度和活化氧化反应,从而加速橡胶氧化反应速度,这是普遍存在的一种老化现象--热氧老化。
D)光:光波越短、能量越大。
对橡胶起破坏作用的是能量较高的紫外线。
紫外线除了能直接引起橡胶分子链的断裂和交联外,橡胶因吸收光能而产生游离基,引发并加速氧化链反应过程。
紫外线光起着加热的作用。
光作用其另一特点(与热作用不同)是它主要在橡表面进生。
含胶率高的试样,两面会出现网状裂纹,即所谓"光外层裂".E)机械应力:在机械应力反复作用下,会使橡胶分子链断裂生成游离基,引发氧化链反应,形成力化学过程。
机械断裂分子链和机械活化氧化过程。
哪个能占优势,视其所处的条件而定。
此外,在应力作用下容易引起臭氧龟裂。
F)水分:水分的作用有两个方面:橡胶在潮湿空气淋雨或浸泡在水中时,容易破坏,这是由于橡胶中的水溶性物质和清水基团等成分被水抽提溶解。
水解或吸收等原因引起的。
特别是在水浸泡和大气曝露的交替作用下,会加速橡胶的破坏。
但在某种情况下水分对橡胶则不起破坏作用,甚至有延缓老化的作用。
G)其它:对橡胶的作用因素还有化学介质、变价金属离子、高能辐射、电和生物等。
(三)橡胶老化试验方法可分为哪几类?答:可分为两大类:1)自然老化试验方法:又分为大气老验,大气加速老化试验,自然贮存老化试验,自然介质(包括埋地等)和生物老化试验等。
2)人工加速老化试验方法。
为热老化、臭氧老化、光老化、人工气候老化、光臭氧老化、生物老化、高能辐射和电老化以及化学介质老化等。
(四)热空气老化试验对于各种胶料来说应选取什么温度等级?答:对于天然橡胶来说,试验温度通常50~100℃,合成橡胶通常为50~150℃,某些特种橡胶试验温度则更高。
如丁腈橡胶用70~150℃,硅氟胶一般用200~300℃。
总之,应根据试验具体确定。
五)什么是硫化?"硫化"一词有其历史性,因最初的天然橡胶制品用硫磺作交联剂进行交联而得名,随着橡胶工业的发展,现在可以用多种非硫磺交联剂进行交联。
因此硫化的更科学的意义应是"交联"或"架桥",即线性高分子通过交联作用而形成的网状高分子的工艺过程。
从物性上即是塑性橡胶转化为弹性橡胶或硬质橡胶的过程。
"硫化"的含义不仅包含实际交联的过程,还包括产生交联的方法。
(六)硫化过程可分为哪四个阶段?各有什么特点?答:通过胶料定伸强度的测量(或硫化仪)可以看到,整个硫化过程可分为硫化诱导,预硫,正硫化和过硫(对天然胶来说是硫化返原)四个阶段。
硫化诱导期(焦烧时间)内,交联尚未开始,胶料有很好的流动性。
这一阶段决定了胶料的焦烧性及加工安全性。
这一阶段的终点,胶料开始交联并丧失流动性。
硫化诱导期的长短除与生胶本身性质有关,主要取决于所用助剂,如用迟延性促进剂可以得到较长的焦烧时间,且有较高的加工安全性。
硫化诱导期以后便是以一定速度进行交联的预硫化阶段。
预硫化期的交联程度低,即使到后期硫化胶的扯断强度,弹性也不能到达预想水平,但撕裂和动态裂口的性能却比相应的正硫化好。
到达正硫化阶段后,硫化胶的各项物理性能分别达到或接近最佳点,或达到性能的综全平衡。
正硫化阶段(硫化平坦区)之后,即为过硫阶段,有两种情况:天然胶出现"返原"现象(定伸强度下降),大部分合成胶(除丁基胶外)定伸强度继续增加。
对任何橡胶来说,硫化时不只是产生交联,还由于热及其它因素的作用产生产联链和分子链的断裂。
这一现象贯穿整个硫化过程。
在过硫阶段,如果交联仍占优势(七)什么叫焦烧?答:焦烧是胶料在工艺过程中产生的早期硫化现象。
焦烧实质上是在工艺过程中热和时间对胶料影响的积累,也可以叫做胶料的热历程。
胶料的热历程逾长,温度逾高,则可逐渐缩短胶料的焦烧时间。
(胶料在贮存加工成型过程中受热的作用,发生早期硫化(交联)并失去流动性能和再加工的能力,这就是所谓焦烧现象。
焦烧问题可以通过哪些途径来解决?通常可以通过下途径解决:(1)调整硫化体系,为次磺酰胺促进剂的采用,大大改善了防焦烧性能。
(2)改善胶料贮存和加工条件,如加强冷却;(3)采用防焦剂。
(八)理想的防焦剂应具有哪些性能?答:理想的防焦剂应具有下列性能:1、具有优良的防焦性能,对不同促进剂和胶料种选择性小,对其它配合剂不敏感;2、对胶料的硫化特性和硫化胶性能无不良影响;3、贮存稳定和操作性能良好,不结块,不飞扬,分散,不喷霜等,4、符合工业生产安全和卫生要求,5、价廉得,6、最好能兼具其它有益的功能。
(九)防焦剂有哪些类别?答:按化学结构大致可分为四类:一、有机酸防焦剂。
这类防焦剂包括邻萘二甲酸酐(PA)、水杨酸,安息香酸,邻醋酸荃萘甲酸等。
它们的防焦效果差,对促进剂品种选择性大,而且显着降低硫化速度和硫化胶性能,对皮肤有刺激作用,但这类防焦剂价廉得其中最常用的是邻萘二甲酸酐,一般用于白色配合和工业制品,它对碱性促进剂DPG有效,对MBT出有效,对NOBS,TMTD无效,对硫化速度有影响。
名称外观熔点℃比重邻萘二甲酸酐(PA)白色粉末>130 1.5安息香酸(萘甲酸)白色粉末黄色粉末122 1.27水杨酸(邻羟萘甲酸)白色与淡灰色粉末157~161 1.48邻醋酸萘甲酸白色与乳白色粉末>131 1.28亚硝硝莶类防焦剂二、一些芳族硝基化合物防焦剂,其中最常用的是N-亚硝蔡二萘胺(NDPA)。
与有机酸不同,这类防焦剂对常用的噻唑类和次磺酰胺类促进剂有较好的防焦作用。
NDPA对醛胺类似外的所有促进剂均有防焦作用,通常用量为0.5份,它对仲胺组成的次酰胺促进剂比对伯胺组成的更为有效。
但NDPA的防焦效果。
亚硝莶类防焦剂并不是一种理想的防焦剂,由于卫生原因及S-N型防焦剂的出现,其用量已剧减。
三、次磺酸胺类(S-N型)防焦剂1、含羰蔡的S-N型防焦剂(1)防焦剂CTP (2)防焦剂CCTP(3)防焦剂MTP2、含硫酰蔡的S-N型防焦剂。
(1)防焦剂E(N-三氯甲蔡硫代---萘蔡-萘酰胺)(2)防焦剂APR-(异丙蔡硫代)-N环已萘并噻唑-z-磺酰(3)防焦剂DITS3、含磷S-N型防焦剂。
4、其它防焦剂:缩硫酮,CIPA,CTPA(本题摘自特种橡胶制品)2/1985 P48《防焦剂的发展和应用》张隐西(十)防焦剂的作用以及目的是什么?答:防焦剂能防止胶料在操作期间产生早期硫化,同时一般又不妨碍硫化温度下捉时宜剂量正常作用。
加入该类物质的目的是提高胶料操作安全性,增加胶料或胶浆的贮存寿命。
(十一)橡胶为什么要进行硫化?硫化剂有哪几类?答:橡胶未经硫化以前,缺乏良好的物理机械性能,实用价值不大。
当橡胶经过硫化后,由于分子结构的变化,而使其综合性显着改进,尤其是抗拉强度,定伸强度,伸长率,弹性,耐磨性,硬度等更为明显。
硫化剂除硫磺、硒、碲以外有含硫氧化物、过氧化物,金属氧化物,醌类、胺类、树脂类等。
(十二)为什么不能无限提高硫化温度?温度是硫化三大要素之一,与所有化学反应一样,硫化反应随温度升高而加快,并且大体适用范特霍夫定律,即温度每上升8~10.C(约相当于一个表压的蒸汽压力),其反应速度约增加一倍;或者说,反应时间约减少一半。
随着室温硫化胶料的增加和高温硫化出现,硫化温度趋向两个极端。
从提高硫化效率来说,应当认为硫化温度越高越好,但实际上不能无限提高硫化温度。
首先受到橡胶导热性极小阻碍,对于厚制品来说,采用高温硫化很难使内外层胶料同时达到平坦范围;其次,各种橡胶的耐高温性能不一,有的橡胶经受不了高温的作用,如高温硫化天然橡胶时,溶于橡胶中的氧随温度提高而活性加大,引起强烈的氧化作用,破坏了橡胶的组织,降低了硫化胶的物理机械性能,第三,高温对橡胶制品中的纺织物有害为棉纤维布料超过期作废140℃时,强力下降,在240℃下加热四小时则完全破坏。
(十三)硫化体系的选择依据是什么?答:选择依据是:1、有足够长的焦烧时间2、硫化速度快,但还要考虑产品厚度、热源和导热系数;3、使胶料具有很长的硫化平坦期,以保证产品各部位硫化均匀。
(十四)采用DCP交联体系具有哪些优缺点?答:优点:1)硫化胶热老化性能很好超过其他硫化体系;2)硫化胶的压缩允久变形小;3)用于制造橡胶与金属结合的制品时,不会导致发黑与污染;4)由于DCP易于分解硫化后的残余物少;5)不必配用氧化锌便于制得透明胶。
缺点:胶料易焦烧,强力、弹性略差,硫化速度易受其他配合组分(特别是防老剂)的干扰。
(十五)为什么说橡胶是一种粘弹体?它有哪些表现?答:典型的弹性体和钢材一样,在外力作用下即可产生瞬时形变,应力与应变成正比,当外力除去后形变立即消除,恢复原来的形状。
典型的粘流体(为牛顿流体),在外力作用下,则产生持续形变,应力与应变速度成正比,当外力去除后形变将继续存在,不会消失。
橡胶的力学性能介于弹性体和粘流体之间,故称为粘弹体。
它表现为应变随时间而增加的蠕变现象,在固定的应变下,它表现为应力随时间增加而减少的松弛现象,在交变应力作用下,它的应变滞后于应力。
(十六)什么是应力松弛现象?答:所谓应力松弛是指材料在固定应变的条件下,其应力随时间逐渐衰减的现象。
橡胶的应力给予弛按其产生机理可分为两部分。
一部分是由于橡胶分子运动滞后于应力而产生的,这种松弛称为物理松弛。
另一部分是由于分子断裂,交联点密度下降引起的,这种械松弛另一部分是由于分子断裂,交联点密度下降引起的,这种松弛引起的,这种松弛称为化学松弛。
在实际问题中物理松弛和化学松弛往往交织在一起。
(十七)什么是蠕变?答:物体在固定应力下产生一形变,以后随时间增大而继续发展的现象,叫作蠕变,蠕变的机理是高聚物分子在外力长时间作用下,逐渐发生了构象或位移的变化。