300S32中开泵-中开泵参数-中开泵性能
- 格式:doc
- 大小:101.50 KB
- 文档页数:2
250S39 单级双吸离心泵250S39250 ——泵进口直径为250mmS ——卧式单级双吸清水离心泵39 ——泵设计点扬程mA ——叶轮外径切割代号I——代表叶轮外径加大G ——代表更改叶轮设计参数:泵型号流量扬程转速轴功率配套功率效率汽蚀(m3/h)(l/s)(m)(r/min)(kw)(kw)(%)(m)250S39485 134.7 39 1480 62.1 75 83 2.88工作条件:转速:370~2970 r/min 流量:135~38000m3/h (设计点)扬程:12~205m(设计点)介质温度:≤80℃(标配泵);≤150℃(轴承和机械密封增加冷却,泵壳材料采用QT500-7)允许进口压力:≤0.3Mpa(标配泵);≤0.6MPa(泵壳材料采用QT500-7)旋转方向:从驱动端看,订货时可选择顺时针或逆时针方向旋转。
简介:概述:“S”系列型泵为单级、双吸水平中开式离心清水泵。
“S”系列型泵是高效节能产品,具有结构简单,性能优良的特点。
适应于城市、电站、水利工程等排给水用泵,亦可用于农田排灌。
供输送不含固体颗粒的清水或物理、化学性质类似于水的其它液体,被输送液体温度为0℃~80℃。
允许最大进口压力为0.6MPa。
参数范围:流量Q 88~1400m3/h 扬程H 12~100m 型号说明: 6×14SD 6—吐出口径(英寸) 14—圆整的最大叶轮外径(英寸) S—单级双吸水平中开式离心泵 D—最大叶轮外径档次代号(有A、B、C、D、E、F共六档)结构型式:“S”系列型泵为卧式安装,吸入口和吐出口均在泵轴中心线下方,泵体水平中开,检修时不需拆卸进水和出水管路。
轴封为软填料密封;亦可改为机械密封。
旋转方向:从电动机端看,“S”系列型泵逆时针方向旋转,此时吸入口在左,吐出口在右,泵顺时针方向旋转,此时吸入口在右,吐出口在左。
主要零件材质:泵的过流部件材质均为铸铁。
成套范围:成套供应泵、电动机、底板、联轴器、进出口短管等。
泵是输送液体或使液体增压的机械,也是化工厂最常见的一种化工设备。
只有透彻了解每种泵的内部构造及主要性能才能在面对泵的选型时做出更好的判断。
今天,流程君为大家介绍34种泵的结构图,让大家对每种泵有更多的了解!S型单级双吸中开泵S型单级双吸水平中开式离心泵吸入口和排出口均在泵轴心线下方,检修时,只要将泵盖揭开,即可将全部零件拆下进行维修。
S型泵主要由泵体、泵盖、轴、叶轮、密封环、轴套、轴承部件等组成。
主要用于输送不含固体颗粒的清水或物理化学性质类似水的其它液体。
适用于工业和城市给排水、农田排灌。
产品特点:∙密封系统:可供选用的机械密封、填料密封其冷却润滑均采用内循环;∙流量大、效率高:双吸叶轮,具有流量大、效率高等特点;∙可更换的轴套:轴套作为易损件,起到保护轴,提高泵的使用寿命;∙密封环:密封环作为易损件,起到提高泵的效率、延长泵的使用寿命的特点。
工作条件:∙流量范围:30~6500m³/h∙扬程范围H:8~140m∙介质温度:-20℃~+80℃∙环境温度:≤+40℃AS撕裂式排污泵电缆耐用、防水:耐污重型橡套软电缆,树脂灌注,压紧固定,绝无拉松,长久可靠。
∙双重密封、双重防护:两重机封串联配置,真正实现双重保护,确保电机安全。
∙多道检测,多道保护:配控制柜、油水探头、浮子开关、均能实时检测,并能实现报警、停机、保留故障信号等功能,使潜水电机安全可靠。
∙维修方便:可采用双导轨的耦合装置,使泵起降时无需水下操作,维护便捷,省时省工;专用电控柜实现自动报警、停机、保留故障信号的功能,可大幅度提高维修效率。
∙全工况运行:采用特殊水力设计泵在全工况下运行不过载。
工作条件:∙流量范围:6~180m³/h∙扬程范围:3~17m∙转速n:1450~2900r/min∙环境温度T:≤+40℃∙介质温度:-15℃~+60℃∙介质密度:≤1.3X103kg/m³∙介质PH值范围:5~9∙系统最高工作压力:≤0.6Mpa。
300S19高效节能环保中开泵 一、300S19高效节能环保中开泵概述 300S19高效节能环保中开泵更新换代的高效节能新产品,其适用范围比SA、SH更加广泛。
它采用国家标准规范设计,其系列化、标准化、通用化程度高,该型泵性能先进、运行平稳、安全可靠,在设计中采用新结构、新材质,可适用多种介质的输送。
300S19高效节能环保中开泵是S型泵基础上采用耐腐蚀材质及机械密封结构而设计的新产品,用于各类腐蚀介质和油品的输送。
二、300S19高效节能环保中开泵性能范围: 泵出口直径 100~1200mm 流量 Q: 70~22392m3/h 扬程 H: 8~150m 工作温度 T: -20℃~200℃ 固体颗粒 ≤80mg/L 工作许用压力 ≤4Mpa 也可以根据用户要求设计性能参数。
三、300S19高效节能环保中开泵型号意义 例500SF35A 500—泵的吸入口径(mm ) SF—单级双吸,耐腐蚀中开离心泵 35—设计点扬程(m)。
A—叶轮第一次切割。
四、300S19高效节能环保中开泵结构说明 ﹒S型泵的吸入口与吐出口均在水泵轴心线的下方,与轴线垂直成水平方向。
检修时无需拆卸进出口水管及电动机。
从传动方向看去,水泵为顺时针方向旋转(根据用户需要亦可改为逆时针方向旋转)。
﹒泵的主要零件有;泵体、泵盖、叶轮、轴、双吸密封环、轴套等。
除轴的材料为优质碳钢外,其余主零件由铸铁、铸钢、不锈钢制成。
﹒泵体与泵盖构成叶轮的工作室,在进出法兰上,装有安装真空表和压力表的管螺孔。
进出水法兰的下部,装有放水的管螺纹孔。
﹒经过静平衡检验的叶轮,用轴套和两边的轴套螺母固定在轴上,其轴向位置可通过轴套螺母进行调整。
叶轮的轴向力利用其叶片对称布置、两面进水达到平衡。
﹒泵轴承为向心球轴承。
轴承装在轴承体内、安装在泵体两端,用黄油润滑。
﹒双吸密封环用以减少水泵压力室的水漏回吸水室。
﹒泵通过弹性联轴器由电动机直接传动,必要时亦可用内燃机传动。
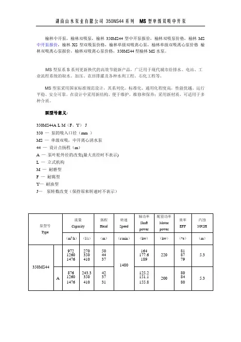
榆林中开泵,榆林双吸泵,榆林350MS44型中开泵报价,榆林双吸泵价格,榆林MS 中开泵报价,榆林XS型双吸泵价格,榆林单级双吸离心泵,榆林单级双吸离心泵价格榆林双吸离心泵报价,榆林双吸离心泵价格,350MS44型榆林MS水泵。
MS型泵系S系列更新换代的高效节能新产品,广泛用于现代城市给排水、电站、工业流程系统的取水、加压、农田排灌及各种水利工程、石化工程等。
MS型泵采用国家标准规范设计,其系列化、标准化、通用化程度高,性能优越、运行平稳、安全可靠。
在设计中采用新结构、便于维护,维修和保养;采用新材质,可适用于多种介质。
泵型号意义:350MS44A-L-M(F、Y)-J350 —泵的吸入口径(mm )MS —单级双吸,中开离心清水泵44 —设计点扬程(m)A —泵叶轮外径的改变(最大直径时不表示)L —立式机构M —耐磨型F —耐腐型Y—耐油型J—泵转数改变(保持原来转速时不表示)结构特点:1. 水泵两端支承间距短,泵运行稳定,振动噪声小,并可适当升速运行,使水泵适应范围更广。
2. 进出水口在同一直线上,使管线布置简单方便、美观。
3. 同一转子可反向运行,降低了水锤引起水泵损坏的风险。
4. 独特的高温型设计,水泵采用中间支撑、加厚泵体、密封冷却、轴承稀油润滑等,使水泵可应用于高达200℃的运行场合,特别适用于供热管网使用要求。
5. 泵体部分可根据使用条件的变化采取立式或卧式安装,密封可采用机械密封或填料密封。
6. 水泵外型应用工业化设计,线条清晰,符合现代审美观。
7. 选(采)用优异的水力模型,使泵的效率比同类型泵高2-3%,大大降低了泵的运行成本。
8. 必需汽蚀余量降低1-3米,从而降低土建投资,延长了使用寿命。
9. 选用进口轴承,零件材料可根据用户应用要求选用,使泵能适应各种现场运行条件,大大降低了维修成本。
10. 无调整式机械密封,更换机械密封成为轻松简单的工作。
11. 应用弹性预应力设计装配,转子部件装拆简单迅速。
中开泵工作原理一、什么是中开泵中开泵,即中央空调用水泵,是中央空调系统中的重要组成部分之一。
它的主要作用是将冷却水或热水从中央空调主机输送到各个末端设备,如冷却塔、风机盘管等。
中开泵工作原理是实现这一功能的基础。
二、中开泵的类型根据中开泵的工作特点和用途,可以将中开泵分为以下几种类型: 1. 冷水泵:将冷却水输送到末端设备,用于冷却空调系统。
2. 热水泵:将热水输送到末端设备,用于加热空调系统。
3. 增压泵:增加供水系统的压力,确保水流畅通。
4. 循环泵:用于建筑物的循环供水系统,实现循环供水。
三、中开泵的工作原理中开泵的工作原理主要涉及水流、电动机和控制系统等几个方面。
1. 水流过程中开泵的水流过程主要包括吸水、输水和排水三个阶段: 1. 吸水阶段:通过负压作用,水从水源(如水箱、水井)中被吸入泵体内。
2. 输水阶段:通过电动机带动叶轮的旋转,水在泵体内形成压力,从而被输送到末端设备。
3. 排水阶段:当中开泵停止工作或系统压力过高时,通常会通过减压阀或其他方式将多余的水排出。
2. 电动机中开泵通常采用电动机作为动力源。
电动机将电能转换为机械能,驱动泵体中的叶轮旋转,从而形成水流。
电动机的类型根据实际需求可以选择交流电动机或直流电动机。
3. 控制系统中开泵的控制系统用于控制泵的启停和工作状态。
主要包括控制面板、传感器和自动调节装置等。
控制面板上通常设置有启停按钮、运行指示灯和故障报警器。
传感器用于监测水流、温度和压力等参数,并将相关信息传递给自动调节装置。
自动调节装置可以根据传感器反馈的信息自动调节泵的工作状态,以实现自动控制。
四、中开泵的工作原理示意图1. 吸水阶段- 水从水源被吸入泵体内2. 输水阶段- 电动机带动叶轮旋转- 水在泵体内形成压力- 水被输送到末端设备3. 排水阶段- 停止工作或系统压力过高时,多余的水通过减压阀排出五、中开泵的应用领域中开泵广泛应用于各种建筑物和工业生产过程中的供水系统和水循环系统。
【S、SH型中开式单级双吸离心泵】产品:【S、SH型中开式单级双吸离心泵】产品简介:S、SH型中开式单级双吸离心泵,(简称:S、SH型中开泵),系属新型单级双吸卧式中开离心泵类产品。
该泵具有高效节能、应用范围广、轴向力平衡、寿命长、中开式结构、维修方便、快捷。
S、SH型中开式单级双吸离心泵适合输送各种清洁或带有微量颗粒的中性或弱腐蚀性液体。
中开泵适用于自来水厂、灌溉、排水泵站、电站、工业供水系统、空调系统、消防系统、船舶工业、亦适合炼油工业中作一般性用途。
【S、SH型中开式单级双吸离心泵】型号意义:【S、SH型中开式单级双吸离心泵】性能范围:泵进口直径DN: 100∽1400mm流量Q: 最高1800m3/h扬程H: 最高135m工作压力P: 最高2.5MPa工作温度T: 最高135°C【S、SH型中开式单级双吸离心泵】产品特点:S型中开泵与其它同类型的泵相比较具有寿命长、效率高、结构合理,运行成本低、安装及维修方便等特点,是消防、空调、化工、水处理及其它行业的理想用泵。
泵体的设计压力为1.6MPa和2.OMPa。
为满足世界范围用户的不同要求,相应的泵体进出口法兰可按ANSI、PN及IS等标准选取。
泵体的进出口法兰均位于下泵体,这样可以在不拆卸系统管路的情况下取出转子,维修方便部分泵体采用双流道设计,以减少径向力,从而延长机封和轴承的寿命。
叶轮叶轮的水力设计采用了最先进的CFD技术,因此提高了S泵的水力效率。
对叶轮进行动平衡,确保S泵的运行平稳。
轴轴径较粗,轴承间距较短,从而减小了轴的挠度,延长了机械密封和轴承的寿命。
轴套可以采用多种不同的材料,以防止轴被腐蚀和磨损,轴套可更换。
磨损环泵体与叶轮间采用可更换的磨损环,防止泵体和叶轮的磨损,更换方便,维修费用低,同时保证运行间隙和较高的工作效率。
既可以使用填料也可以使用机械密封,可以在不拆卸泵盖的情况下更换密封装置。
轴承独特的轴承体设计使轴承可采用油脂或稀油润滑,轴承的设计寿命10万小时以上,也可使用双列推力轴承和封闭轴承。
300S32 单级双吸离心泵300S32300 ——泵进口直径为300mmS ——卧式单级双吸清水离心泵32 ——泵设计点扬程32mA ——叶轮外径切割代号I——代表叶轮外径加大G ——代表更改叶轮设计参数:泵型号流量扬程转速轴功率配套功率效率汽蚀(m3/h)(l/s)(m)(r/min)(kw)(kw)(%)(m)300S32790 219 32 1480 85 110 87 5.8工作条件:转速:370~2970 r/min 流量:135~38000m3/h (设计点)扬程:12~205m(设计点)介质温度:≤80℃(标配泵);≤150℃(轴承和机械密封增加冷却,泵壳材料采用QT500-7)允许进口压力:≤0.3Mpa(标配泵);≤0.6MPa(泵壳材料采用QT500-7)旋转方向:从驱动端看,订货时可选择顺时针或逆时针方向旋转。
简介:概述:“S”系列型泵为单级、双吸水平中开式离心清水泵。
“S”系列型泵是高效节能产品,具有结构简单,性能优良的特点。
适应于城市、电站、水利工程等排给水用泵,亦可用于农田排灌。
供输送不含固体颗粒的清水或物理、化学性质类似于水的其它液体,被输送液体温度为0℃~80℃。
允许最大进口压力为0.6MPa。
参数范围:流量Q 88~1400m3/h 扬程H 12~100m 型号说明: 6×14SD 6—吐出口径(英寸) 14—圆整的最大叶轮外径(英寸) S—单级双吸水平中开式离心泵 D—最大叶轮外径档次代号(有A、B、C、D、E、F共六档)结构型式:“S”系列型泵为卧式安装,吸入口和吐出口均在泵轴中心线下方,泵体水平中开,检修时不需拆卸进水和出水管路。
轴封为软填料密封;亦可改为机械密封。
旋转方向:从电动机端看,“S”系列型泵逆时针方向旋转,此时吸入口在左,吐出口在右,泵顺时针方向旋转,此时吸入口在右,吐出口在左。
主要零件材质:泵的过流部件材质均为铸铁。
成套范围:成套供应泵、电动机、底板、联轴器、进出口短管等。
300S90B 单级双吸离心泵300S90B300 ——泵进口直径为300mmS ——卧式单级双吸清水离心泵90 ——泵设计点扬程90mA ——叶轮外径切割代号I——代表叶轮外径加大G ——代表更改叶轮设计参数:泵型号流量扬程转速轴功率配套功率效率汽蚀(m3/h)(l/s)(m)(r/min)(kw)(kw)(%)(m)300S90B 720 200 67 1480 180 220 73 4工作条件:转速:370~2970 r/min 流量:135~38000m3/h (设计点)扬程:12~205m(设计点)介质温度:≤80℃(标配泵);≤150℃(轴承和机械密封增加冷却,泵壳材料采用QT500-7)允许进口压力:≤0.3Mpa(标配泵);≤0.6MPa(泵壳材料采用QT500-7)旋转方向:从驱动端看,订货时可选择顺时针或逆时针方向旋转。
简介:概述:“S”系列型泵为单级、双吸水平中开式离心清水泵。
“S”系列型泵是高效节能产品,具有结构简单,性能优良的特点。
适应于城市、电站、水利工程等排给水用泵,亦可用于农田排灌。
供输送不含固体颗粒的清水或物理、化学性质类似于水的其它液体,被输送液体温度为0℃~80℃。
允许最大进口压力为0.6MPa。
参数范围:流量Q 88~1400m3/h 扬程H 12~100m 型号说明: 6×14SD 6—吐出口径(英寸) 14—圆整的最大叶轮外径(英寸) S—单级双吸水平中开式离心泵 D—最大叶轮外径档次代号(有A、B、C、D、E、F共六档)结构型式:“S”系列型泵为卧式安装,吸入口和吐出口均在泵轴中心线下方,泵体水平中开,检修时不需拆卸进水和出水管路。
轴封为软填料密封;亦可改为机械密封。
旋转方向:从电动机端看,“S”系列型泵逆时针方向旋转,此时吸入口在左,吐出口在右,泵顺时针方向旋转,此时吸入口在右,吐出口在左。
主要零件材质:泵的过流部件材质均为铸铁。
成套范围:成套供应泵、电动机、底板、联轴器、进出口短管等。
300S32A 单级双吸离心泵300S32A300 ——泵进口直径为300mmS ——卧式单级双吸清水离心泵32 ——泵设计点扬程32mA ——叶轮外径切割代号I——代表叶轮外径加大G ——代表更改叶轮设计参数:泵型号流量扬程转速轴功率配套功率效率汽蚀(m3/h)(l/s)(m)(r/min)(kw)(kw)(%)(m)300S32A702 195 24.7 1480 56.2 75 84 5.8工作条件:转速:370~2970 r/min 流量:135~38000m3/h (设计点)扬程:12~205m(设计点)介质温度:≤80℃(标配泵);≤150℃(轴承和机械密封增加冷却,泵壳材料采用QT500-7)允许进口压力:≤0.3Mpa(标配泵);≤0.6MPa(泵壳材料采用QT500-7)旋转方向:从驱动端看,订货时可选择顺时针或逆时针方向旋转。
简介:概述:“S”系列型泵为单级、双吸水平中开式离心清水泵。
“S”系列型泵是高效节能产品,具有结构简单,性能优良的特点。
适应于城市、电站、水利工程等排给水用泵,亦可用于农田排灌。
供输送不含固体颗粒的清水或物理、化学性质类似于水的其它液体,被输送液体温度为0℃~80℃。
允许最大进口压力为0.6MPa。
参数范围:流量Q 88~1400m3/h 扬程H 12~100m 型号说明: 6×14SD 6—吐出口径(英寸) 14—圆整的最大叶轮外径(英寸) S—单级双吸水平中开式离心泵 D—最大叶轮外径档次代号(有A、B、C、D、E、F共六档)结构型式:“S”系列型泵为卧式安装,吸入口和吐出口均在泵轴中心线下方,泵体水平中开,检修时不需拆卸进水和出水管路。
轴封为软填料密封;亦可改为机械密封。
旋转方向:从电动机端看,“S”系列型泵逆时针方向旋转,此时吸入口在左,吐出口在右,泵顺时针方向旋转,此时吸入口在右,吐出口在左。
主要零件材质:泵的过流部件材质均为铸铁。
成套范围:成套供应泵、电动机、底板、联轴器、进出口短管等。
长沙自平衡多级泵厂整理
300S12A型双吸中开泵概述:
300S12A型中开泵适应于工厂、城市、矿山、电站、农田、水利工程等领域。
用于输送不含固体颗粒的清水或物理、化学性质类似于水的其它液体,被输送的介质温度为0℃~80℃,允许最大进口压力0.6MPa。
100S32型双吸中开泵参数范围:
流量Q 100m3/h
扬程H 32m
300S12A型双吸中开泵结构型式:
泵为卧式安装,泵壳于轴心线水平分开,上部为泵盖,下部为泵体,吸入口和吐出口均在泵轴线下方的泵体上,其中心线与轴线垂直,检修时不需拆卸进水和出水管路,即可揭开泵盖,取出转子部件。
轴封为用软填料密封或机械密封。
300S12A型双吸中开泵旋转方向:
从电机端向泵看,300S12A型泵为逆时针方向旋转,即吸入口在左,吐出口在右。
300S12A型泵为顺时针方向旋转,即吸入口在右,吐出口在左。
也可根据用户要求将驱动端移到泵的另一端,此时,转向和吸入、吐出口方向均与上述相反。
300S12A型双吸中开泵主要零件材质:
泵的过流部件材质均为铸铁,如用户需要,叶轮也可用铸钢或黄铜制造,但须在订货合同上注明。
300S12A型双吸中开泵成套范围:
成套供应泵,电机、联轴器。
泵吸入口≤200mm配公用底座,其余不配底座。
中开泵型号说明及参数上海阳光泵业作为国内一家著名的集研制、开发、生产、销售、服务于一体的大型多元化企业,上海阳光泵业制造有限公司一直坚持“以质量求生存、以品质求发展”的宗旨为广大客户提供优质服务!同时,上海阳光泵业一直专注于自身实力的提升以及对产品质量的严格把关,为此,目前不但拥有国内最高水准的水泵性能测试中心、完善的一体化服务体系、经验丰富的水泵专家,同时经过多年的发展,产品以优越的性能、精良的品质、良好的服务口碑获得各项专业认证证书和客户认可。
经过团队的不懈努力,上海阳光泵业在国内水泵行业已经取得了很大成就。
这样一家诚信为本、责任重于天的水泵行业佼佼者,对于水泵的维修、保养等各大方面都有自己独特的方法,下面就一起来看看吧!一、SH型单级双吸中开泵概述:SH型系单级双吸水平中开式离心泵,适应于工厂、城市、矿山、电站、农田、水利工程等领域。
用于输送不含固体颗粒的清水或物理、化学性质类似于水的其它液体,被输送的介质温度为0℃~80℃,允许最大进口压力0.6MPa。
二、SH型单级双吸中开泵参数范围:流量Q 72~10800m3/h扬程H 11~140m三、SH型单级双吸中开泵型号说明:10SA-6JA10-吸入口径被25除(即进口直径为250mm)S-单级双吸水平中开式离心泵6-比转数被10除化整的约数J-表示额定转速变化A-表示叶轮外径第一次变化,A、B、C……依次类推300S-19A300-吸入口径300mmS-单级双吸水平中开式离心泵19-设计点扬程A-表示叶轮外径第一次变化,A、B、C……依次类推四、SH型单级双吸中开泵结构型式:中开式离心泵为卧式安装,泵壳于轴心线水平分开,上部为泵盖,下部为中开式离心泵体,吸入口和吐出口均在泵轴线下方的泵体上,中开泵中心线与轴线垂直,检修时不需拆卸进水和出水管路,即可揭开泵盖,取出转子部件。
轴封为用软填料密封或机械密封。
五、SH型单级双吸中开泵旋转方向:从电机端向泵看,SA型泵为逆时针方向旋转,即吸入口在左,吐出口在右。
200S42A 单级双吸离心泵200S42A200 ——泵进口直径为200mmS ——卧式单级双吸清水离心泵42 ——泵设计点扬程78mA ——叶轮外径切割代号I——代表叶轮外径加大G ——代表更改叶轮设计参数:泵型号流量扬程转速轴功率配套功率效率汽蚀(m3/h)(l/s)(m)(r/min)(kw)(kw)(%)(m)200S42A 270 75 36 2980 33.1 37 80 5.4工作条件:转速:370~2970 r/min 流量:135~38000m3/h (设计点)扬程:12~205m(设计点)介质温度:≤80℃(标配泵);≤150℃(轴承和机械密封增加冷却,泵壳材料采用QT500-7)允许进口压力:≤0.3Mpa(标配泵);≤0.6MPa(泵壳材料采用QT500-7)旋转方向:从驱动端看,订货时可选择顺时针或逆时针方向旋转。
简介:概述:“S”系列型泵为单级、双吸水平中开式离心清水泵。
“S”系列型泵是高效节能产品,具有结构简单,性能优良的特点。
适应于城市、电站、水利工程等排给水用泵,亦可用于农田排灌。
供输送不含固体颗粒的清水或物理、化学性质类似于水的其它液体,被输送液体温度为0℃~80℃。
允许最大进口压力为0.6MPa。
参数范围:流量Q 88~1400m3/h 扬程H 12~100m 型号说明: 6×14SD 6—吐出口径(英寸) 14—圆整的最大叶轮外径(英寸) S—单级双吸水平中开式离心泵 D—最大叶轮外径档次代号(有A、B、C、D、E、F共六档)结构型式:“S”系列型泵为卧式安装,吸入口和吐出口均在泵轴中心线下方,泵体水平中开,检修时不需拆卸进水和出水管路。
轴封为软填料密封;亦可改为机械密封。
旋转方向:从电动机端看,“S”系列型泵逆时针方向旋转,此时吸入口在左,吐出口在右,泵顺时针方向旋转,此时吸入口在右,吐出口在左。
主要零件材质:泵的过流部件材质均为铸铁。
成套范围:成套供应泵、电动机、底板、联轴器、进出口短管等。
250S24 单级双吸离心泵250S24250 ——泵进口直径为250mmS ——卧式单级双吸清水离心泵24 ——泵设计点扬程mA ——叶轮外径切割代号I——代表叶轮外径加大G ——代表更改叶轮设计参数:泵型号流量扬程转速轴功率配套功率效率汽蚀(m3/h)(l/s)(m)(r/min)(kw)(kw)(%)(m)250S24485 134.7 24 1480 36.9 55 86 6.7工作条件:转速:370~2970 r/min 流量:135~38000m3/h (设计点)扬程:12~205m(设计点)介质温度:≤80℃(标配泵);≤150℃(轴承和机械密封增加冷却,泵壳材料采用QT500-7)允许进口压力:≤0.3Mpa(标配泵);≤0.6MPa(泵壳材料采用QT500-7)旋转方向:从驱动端看,订货时可选择顺时针或逆时针方向旋转。
简介:概述:“S”系列型泵为单级、双吸水平中开式离心清水泵。
“S”系列型泵是高效节能产品,具有结构简单,性能优良的特点。
适应于城市、电站、水利工程等排给水用泵,亦可用于农田排灌。
供输送不含固体颗粒的清水或物理、化学性质类似于水的其它液体,被输送液体温度为0℃~80℃。
允许最大进口压力为0.6MPa。
参数范围:流量Q 88~1400m3/h 扬程H 12~100m 型号说明: 6×14SD 6—吐出口径(英寸) 14—圆整的最大叶轮外径(英寸) S—单级双吸水平中开式离心泵 D—最大叶轮外径档次代号(有A、B、C、D、E、F共六档)结构型式:“S”系列型泵为卧式安装,吸入口和吐出口均在泵轴中心线下方,泵体水平中开,检修时不需拆卸进水和出水管路。
轴封为软填料密封;亦可改为机械密封。
旋转方向:从电动机端看,“S”系列型泵逆时针方向旋转,此时吸入口在左,吐出口在右,泵顺时针方向旋转,此时吸入口在右,吐出口在左。
主要零件材质:泵的过流部件材质均为铸铁。
成套范围:成套供应泵、电动机、底板、联轴器、进出口短管等。
GS300-32GS300-32MAGS—高效单级双吸离心泵300—泵进口直径300mm32—设计点扬程M—改型叶轮(标准叶轮不标注)A-叶轮外径切割代号(A、B、C分别表示第一、二、三次切割)设计参数:泵型号流量扬程转速轴功率配套功率效率汽蚀(m3/h)(l/s)(m)(r/min)(kw)(kw)(%)(m)GS300-32790 219 32 1480 78.3 90 88 4.3工作条件:转速:370~2970 r/min 流量:135~38000m3/h (设计点)扬程:12~205m(设计点)介质温度:≤80℃(标配泵);≤150℃(轴承和机械密封增加冷却,泵壳材料采用QT500-7)允许进口压力:≤0.3Mpa(标配泵);≤0.6MPa(泵壳材料采用QT500-7)旋转方向:从驱动端看,订货时可选择顺时针或逆时针方向旋转。
简介:GS系列单级双吸离心泵是我公司在广泛吸收国内外同类产品先进技术的基础上,创新研制的第三代高效节能的双吸泵产品。
其型谱范围广,水力性能好,结构新颖,具有高效率和高可靠性,低汽蚀余量和低维护的显著特点。
本系列产品的设计、制造和质量符合GB/T5657《离心泵技术条件Ⅲ类》标准,其效率指标达到GB19762《清水离心泵能效限定值及节能评价值》标准。
用途本系列产品用于输送清水或物理化学性质类似清水的其它液体。
采用耐腐或耐磨材料,可输送工业废水、海水或含少量颗粒的浑水。
广泛应用于钢铁、石油化工、火力发电、矿山等工矿企业的给排水系统或冷却循环水系统,也可应用于城市自来水、供热系统循环水和农田排涝灌溉及各类水利工程等。
结构特点:泵壳:圆形压水室设计,效率高。
双蜗壳压水室结构,平衡径向力,强度好,轴承和密封受力小、寿命长。
吸水室带分流筋设计,进口无旋涡,运行平稳,无噪音,汽蚀性能好。
进出水流道涂耐磨耐腐光滑涂料,水力损失小。
自动校正泵盖,安装方便。
外壳加强筋设计,刚性好,造型美观。
水泵的维护检修规程目次1 围 (1)2 规性引用文件 (1)3 单级双吸卧式中开离心水泵的维护与检修 (1)3.1 单级双吸卧式中开离心水泵技术性能 (1)3.2 单级双吸卧式中开离心水泵的维护 (2)3.3 单级双吸卧式中开离心水泵的检修 (4)4 单级单吸离心泵的维护与检修 (5)4.1 单级单吸离心泵技术性能 (5)4.2 单级单吸离心泵的维护 (6)4.3 单级单吸离心泵的检修 (8)5 长轴立式泵的维护与检修 (8)5.1 长轴立式泵的技术性能 (8)5.2 长轴立式泵的维护 (9)5.3 长轴立式泵的检修 (12)6 自吸泵的维护与检修 (13)6.1 自吸泵技术性能 (13)6.2 自吸泵的维护 (13)6.3 自吸泵的检修 (15)7 单吸多级分段式离心泵的维护与检修 (15)7.1 自吸泵技术性能 (16)7.2 自吸泵的维护 (16)7.3 自吸泵的检修 (17)8螺杆泵的维护与检修 (18)8.1 螺杆泵技术性能 (18)8.2 螺杆泵的工作原理和特性 (19)8.3 螺杆泵的维护 (19)8.3 螺杆泵的检修 (20)水泵的维护检修规程1 围为了规水泵的维护与检修的管理,提高设备管理和维护检修质量水平,保证安全生产,特制订本规程。
本规程适用于设备维护检修的管理和控制。
2 规性引用文件下列文件的条款通过本标准的引用成为本标准的条款。
凡是标注日期的引用文件,其随后的所有修改单(不包括勘误的容)或修订版均不适用本标准,然而,鼓励本标准达成协议的各方研究是否使用这些文件的最新版本。
凡是不注日期的引用文件,其最新版本适用于本标准。
《三联卧式离心泵的使用说明书》《凯泉泵业卧式离心泵的使用说明书》《连成泵业卧式离心泵的使用说明书》《LD型长轴立式泵的安装使用说明书》《LCT型长轴立式泵的安装使用说明书》《自吸泵的安装使用说明书》3 单级双吸卧式中开离心水泵的维护与检修3.1 单级双吸卧式中开离心水泵技术性能(见表1)表1 S系列/SS系列/KQSN系列/SLOW系列/YXS系列卧式中开离心泵技术性能3.2 单级双吸卧式中开离心水泵的维护3.2.1 点检示意图(见图1)3.2.2 点检标准(见表2)表2 设备点检标准3.2.3 水泵及附属设备的维护保养3.2.3.1 停泵后要检查油质情况,每工作2000小时应清洗轴承换油两次,干油只要填满轴承即可,切不可将轴承盒填满,每运行24小时或每次起动前应以油枪注入,每隔7天补充一次干油。
300S32 单级双吸离心泵
300S32
300 ——泵进口直径为300mm
S ——卧式单级双吸清水离心泵
32 ——泵设计点扬程32m
A ——叶轮外径切割代号
I——代表叶轮外径加大
G ——代表更改叶轮
设计参数:
泵型号
流量扬程转速轴功率
配套功
率
效率汽蚀(m3/h)(l/s)(m)(r/min)(kw)(kw)(%)(m)
300S32 790 219 32 1480 85 110 87 5.8
工作条件:
转速:370~2970 r/min 流量:135~38000m3/h (设计点)
扬程:12~205m(设计点)
介质温度:≤80℃(标配泵);≤150℃(轴承和机械密封增加冷却,泵壳材料采用QT500-7)
允许进口压力:≤0.3Mpa(标配泵);≤0.6MPa(泵壳材料采用QT500-7)
旋转方向:从驱动端看,订货时可选择顺时针或逆时针方向旋转。
简介:
概述:“S”系列型泵为单级、双吸水平中开式离心清水泵。
“S”系列型泵是高效节能产品,具有结构简单,性能优良的特点。
适应于城市、电站、水利工程等排给水用泵,亦可用于农田排灌。
供输送不含固体颗粒的清水或物理、化学性质类似于水的其它液体,被输送液体温度为0℃~80℃。
允许最大进口压力为0.6MPa。
参数范围:流量Q 88~1400m3/h 扬程H 12~100m 型号说明: 6×14SD 6—吐出口径(英寸) 14—圆整的最大叶轮外径(英寸) S—单级双吸水平中开式离心泵 D—最大叶轮外径档次代号(有A、B、C、D、E、F共六档)结构型式:“S”系列型泵为卧式安装,吸入口和吐出口均在泵轴中心线下方,泵体水平中开,检修时不需拆卸进水和出水管路。
轴封为软填料密封;亦可改为机械密封。
旋转方向:从电动机端看,“S”系列型泵逆时针方向旋转,此时吸入口在左,吐出口在右,泵顺时针方向旋转,此时吸入口在右,吐出口在左。
主要零件材质:泵的过流部件材质均为铸铁。
成套范围:成套供应泵、电动机、底板、联轴器、进出口短管等。
订货时请注明主要零件材质,若对泵、电机有特殊要求,可与本公司协商有关技术要求。
结构特点:
S型泵的吸入口与吐出口均在水泵轴心线下方,与轴线垂直呈水平方向,泵壳中开,检修时无需拆卸进、出水管路及电动机(或其它原动机)。
从驱动端向泵的方向看,水泵均为顺时针方向旋转,根据用户需要也可生产为逆时针方向,需在订货时特别说明。
S型泵的主要零件有:泵体、泵盖、叶轮、轴、双吸密封环、轴套、轴承等。
叶轮经过静平衡校验,用轴套和两侧的轴套螺母固定,其轴向位置可以通过轴套螺母进行调整。
叶轮的轴向力利用其叶片的对称布置达到平衡,可能残余的轴向力则由轴端的轴承承受。
泵轴由两个单列向心球轴承或四个向心推力球轴承支承,轴承装在泵体两端的轴承体内,用油脂或稀油润滑。
水泵通过弹性柱销联轴器由电动机(或其它原动机)直接驱动。
轴封为软填料密封,为了冷却润滑密封腔和防止空气进入泵内,在填料之间装有填料环,水泵工作时少量高压水通过泵盖中开面上的梯形凹槽或外部的水封管部件流入填料腔,起水封作用。
根据需要,轴封也可采用机械密封。
材料选择:。