岩土力学参数大全
- 格式:doc
- 大小:485.50 KB
- 文档页数:7
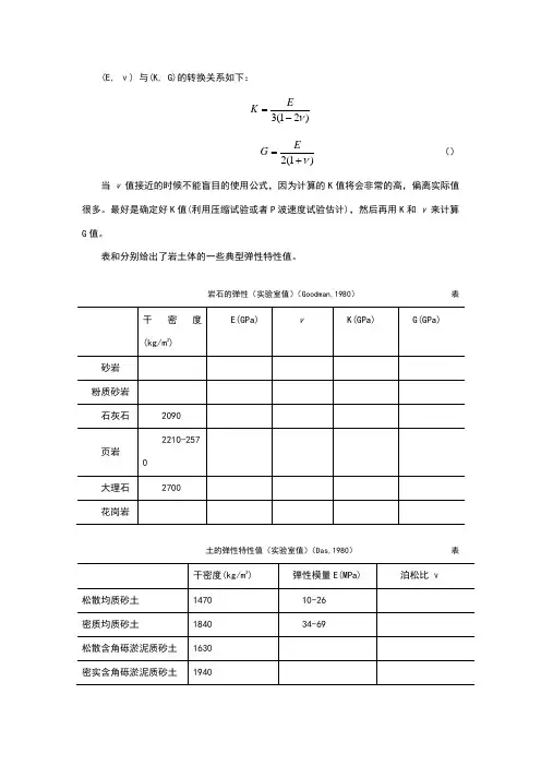
(E, ν) 与(K, G)的转换关系如下:)21(3ν-=EK)1(2ν+=EG (7.2)当ν值接近0.5的时候不能盲目的使用公式3.5,因为计算的K 值将会非常的高,偏离实际值很多。
最好是确定好K 值(利用压缩试验或者P 波速度试验估计),然后再用K 和ν来计算G 值。
表7.1和7.2分别给出了岩土体的一些典型弹性特性值。
岩石的弹性(实验室值)(Goodman,1980) 表7.1土的弹性特性值(实验室值)(Das,1980) 表7.2中弹性常量:E 1, E 3,ν12,ν13和G 13;正交各向异性弹性模型有9个弹性模量E 1,E 2,E 3,ν12,ν13,ν23,G 12,G 13和G 23。
这些常量的定义见理论篇。
均质的节理或是层状的岩石一般表现出横切各向同性弹性特性。
一些学者已经给出了用各向同性弹性特性参数、节理刚度和空间参数来表示的弹性常数的公式。
表3.7给出了各向异性岩石的一些典型的特性值。
横切各向同性弹性岩石的弹性常数(实验室) 表7.3流体弹性特性——用于地下水分析的模型涉及到不可压缩的土粒时用到水的体积模量K f ,如果土粒是可压缩的,则要用到比奥模量M 。
纯净水在室温情况下的K f 值是2 Gpa 。
其取值依赖于分析的目的。
分析稳态流动或是求初始孔隙压力的分布状态(见理论篇第三章流体-固体相互作用分析),则尽量要用比较低的K f ,不用折减。
这是由于对于大的K f 流动时间步长很小,并且,力学收敛性也较差。
在FLAC 3D中用到的流动时间步长,∆ tf 与孔隙度n ,渗透系数k 以及K f 有如下关系:'f f k K nt ∝∆ (7.3) 对于可变形流体(多数课本中都是将流体设定为不可压缩的)我们可以通过获得的固结系数νC 来决定改变K f 的结果。
f'K nm k C +=νν (7.4)其中3/4G K 1m +=νf 'k k γ=其中,'k ——FLAC 3D使用的渗透系数k ——渗透系数,单位和速度单位一样(如米/秒)f γ——水的单位重量考虑到固结时间常量与νC 成比例,我么可以将K f 的值从其实际值(Pa 9102⨯)减少,利用上面得表达式看看其产生的误差。
岩土的物理力学性质指标岩土的物理力学性质指标是边坡的稳定性计算的基本参数和重要依据。
应根据工程地质划分的扇形区及各区的边坡变形破坏特点,选取与之有关的试样进行力学试验,测定岩石及软弱夹层物理力学性质指标。
岩石及软弱夹层的物理性质指标详见表1至表7。
表1 部分岩石的容重岩石名称容重γ(g/cm3)岩石名称容重γ(g/cm3)变化范围平均值变化范围平均值花岗岩 2.25~2.80 2.65 泥质砂岩— 2.28 响岩——粘土质砂岩— 2.52 正长岩 2.50~3.00 2.79 页岩 2.3~2.6 2.50 流纹岩——砂质页岩 2.08~2.65 2.36 流纹斑岩 2.49~2.63 2.60 粘土质页岩 2.51~2.72 2.65 闪长岩 2.72~2.99 2.86 泥质页岩— 2.64 黑云母花岗闪长岩— 2.60 煤质页岩— 2.63 辉长岩 2.55~3.09 3.00 粘土岩 2.24~2.60 2.50 橄榄岩——砂质粘土岩— 2.56 石英斑岩 2.56~2.63 2.60 泥灰岩 2.32~2.65 2.50 斑岩 2.60~2.89 2.67 石灰岩 2.68~2.84 2.73 粗面岩 2.30~2.77 2.58 贝壳灰岩——安山岩 2.44~3.10 2.62 硅质灰岩 2.81~2.90 —玢岩——白云质灰岩— 2.80 蛇纹岩 2.50~2.80 2.65 泥质灰岩— 2.30 玄武岩 2.60~3.21 2.90 盐岩 2.28~2.41 2.60 辉绿岩 2.53~3.12 2.94 白垩 1.20~2.20 1.70 硅长斑岩 2.20~2.74 —石膏——安山凝灰集块岩— 2.62 花岗片麻岩 2.30~3.20 2.8 凝灰角砾岩 2.20~2.90 —片麻岩 2.59~3.00 2.78 火山凝灰岩 1.60~1.95 1.80 白云岩 2.10~2.90 2.55 凝灰岩0.75~2.40 1.80 板岩 2.60~2.90 2.75 凝灰质熔岩— 2.64 大理岩 2.69~2.87 2.78 砾岩 1.90~2.80 2.35 云母片岩 2.54~2.97 2.73 砂岩 2.45~2.72 2.60 绿泥石片岩 2.77~2.78 2.77 粗砂岩— 2.57 粘土质片岩——中砂岩— 2.60 角闪石片岩 2.67~3.05 2.90 细砂岩— 2.65 石英岩 2.30~2.70 2.50 粉砂岩— 2.59 千枚岩 2.71~2.86 2.78 石英砂岩 2.61~2.70 2.65表2 部分岩石的孔隙率与吸水率岩石名称孔隙率n(%)吸水率ω1(%)变化范围平均值花岗岩流纹斑岩闪长岩正长岩安山岩玄武岩辉绿岩霏细岩凝灰岩火山角砾岩安山凝灰集块岩砾岩砂岩砂岩(第三纪)砂岩(白垩纪)砂岩(侏罗纪)砂岩(三迭纪)砂岩新鲜的风化的石英砂岩0.04~2.801.10~3.400.25~3.00—0.29~1.131.10~4.301.00~2.200.29~5.101.59~2.230.90~7.540.40~4.102.00~5.101.04~9.305.00~20.002.20~42.007.20~37.704.20~24.600.60~27.70——0.952.001.252.540.702.301.702.201.803.202.103.205.0413.0015.3017.1013.2019.3021.112.260.10~1.700.14~1.650.18~1.000.48—0.20~1.000.30~0.800.20~1.000.18~0.350.34~2.120.14~4.000.40~1.000.14~4.101.00~9.00——————石英砂岩新鲜的风化的页岩砂质页岩泥质页岩煤质页岩泥灰岩石灰石石灰岩(第三纪)石灰岩(中生代)石灰岩(古生代)白垩石膏硬石膏片麻岩大理岩白云岩石英岩石英片岩角闪石片岩云母片岩绿泥石片岩千枚岩——0.70~7.000.80~4.15——1.00~52.000.53~27.00—1.20~26.500.80~27.005.00~58.000.10~4.000.63~6.260.30~2.400.10~6.000.30~25.000.00~8.701.53~2.80————0.29~3.761.714.91——1.351.0318.0012.0020.0011.6512.0026.401.701.651.351.007.702.402.002.960.792.103.601.30——2.30~6.00———1.00~5.000.20~6.40——————0.14~0.30——0.02~0.280.10~0.300.110.08~0.420.55~1.120.54~3.310.70板岩表3 不同成因粘土的有关物理力学性质指标(一)土类孔隙比e 液性指数I L含水量W(%)液限W L(%)塑性指数I p 下蜀系粘性土0.6~0.9 <0.8 15~25 25~40 10~18 一般粘性土0.55~1.0 0~1.0 15~30 25~45 5~20 新近沉积粘性土0.7~1.2 0.25~1.2 24~36 30~45 6~48淤泥或游泥质土沿海1.0~2.0 >1.0 36~70 30~65 10~25 内陆山区云贵红粘土 1.0~1.9 0~0.4 30~50 50~90 >17 表4 不同成因粘土的有关物理力学性质指标(二)土类容许承载力R(×105Pa)压缩模量E(×105Pa)内聚力C(×105Pa)内摩擦角φ(°)下蜀系粘性土30>80 >150 0.4~1.0 22~30 一般粘性土10>45 40~150 0.1~0.5 15~22 新近沉积粘性土8>14 20~75 0.1~0.2 7~15淤泥或游泥质土沿海4>10 10~500.05~0.15 4~10 内陆5>11 20~50山区3>8 10~60云贵红粘土10>32 50~160 0.3~0.8 5~10表5 几种土的渗透系数表土类渗透系数K(以cm/s)土类渗透系数K(以cm/s)粘土<1.2×10-6细砂 1.2×10-3~6.0×10-3亚粘土 1.2×10-6~6.0×10-5中砂 6.0×10-3~2.4×10-2轻亚粘土 6.0×10-5~6.0×10-4粗砂 2.4×10-2~6.0×10-2黄土 3.0×10-4~6.0×10-4砾砂 6.0×10-2~1.8×10-1粉砂 6.0×10-4~1.2×10-3表6 土的平均物理、力学性质指标(一)土类孔隙比e 天然含水量塑限W P容重γ内聚力C(×105Pa)内摩擦角变形模量EoW(%)(%)(×104N/m3)标准的计算的φ(°)(×105Pa)砂土粗砂0.4~0.5 15~18 2.05 0.02 0 42 4600.5~0.6 19~22 1.95 0.01 0 40 4000.6~0.7 23~25 1.90 0 0 38 330 中砂0.4~0.5 15~18 2.05 0.03 0 40 4600.5~0.6 19~22 1.95 0.02 0 38 4000.6~0.7 23~25 1.90 0.01 0 35 330 细砂0.4~0.5 15~18 2.05 0.06 0 38 3700.5~0.6 19~22 1.95 0.04 0 36 2800.6~0.7 23~25 1.90 0.02 0 32 240 粉砂0.5~0.6 15~18 2.05 0.08 0.05 36 1400.6~0.7 19~22 1.95 0.06 0.03 34 1200.7~0.8 23~25 1.90 0.04 0.02 28 100表7 土的平均物理、力学性质指标(二)土类孔隙比e 天然含水量W(%)塑限W P(%)容重γ(×104N/m3)内聚力C(×105Pa)内摩擦角φ(°)变形模量Eo(×105Pa)标准的计算的粘性土亚粘土轻亚粘土0.4~0.5 1.5~18 2.10 0.10 0.06 30 1800.5~0.6 1.9~22 <9.4 2.00 0.07 0.05 28 1400.6~0.7 2.3~25 1.95 0.05 0.02 27 1100.4~0.5 1.5~18 2.10 0.12 0.07 25 2300.5~0.6 1.9~22 9.512.4 2.00 0.08 0.05 24 1600.6~0.7 2.3~25 1.95 0.06 0.03 23 130粘土0.4~0.5 1.5~18 2.10 0.42 0.25 24 4500.5~0.6 1.9~22 12.5~15.4 2.00 0.21 0.15 23 2100.6~0.7 2.3~25 1.95 0.14 0.10 22 1500.7~0.8 2.6~29 1.90 0.07 0.05 21 1200.5~0.6 1.9~22 2.00 0.50 0.35 22 3900.6~0.7 2.3~25 1.95 0.25 0.15 21 1800.7~0.8 2.6~20 15.5~18.4 1.90 0.10 0.10 20 1500.8~0.9 3.0~34 1.85 0.11 0.03 19 1300.9~1.0 3.5~40 1.80 0.08 0.05 18 800.6~0.7 2.3~25 1.95 0.68 0.40 20 3300.7~0.8 2.6~29 18.5~22.4 1.90 0.34 0.25 19 190 粘0.8~0.9 3.0~34 1.85 0.28 0.20 18 1300.9~1.0 3.5~40 1.80 0.19 0.10 17 90土0.7~0.8 2.6~291.90 0.82 0.60 18 280 0.8~0.9 3.0~34 22.5~26.4 1.85 0.41 0.30 17 160 0.9~1.13.5~401.75 0.36 0.25 16 110 0.8~0.9 3.0~34 26.5~30.4 1.85 0.94 0.65 16 2400.9~1.1 3.5~401.750.470.3515140注:1.平均比重取:砂为2.65;轻亚粘土为2.70;亚粘土为2.71;粘土2.74。
基坑各向平均厚度(m)重度内摩擦角凝聚力土体与锚固体极限摩阻力标准值东向南向西向北向γφ CBC DE CD EF FA AB填土8 5 9 4 5 10 19 10 13 18 粘土 5.5 7.5 2.5 8.5 6.5 2.5 18.5 12 15 30 圆砾0.5 0.5 0.5 1 1 0.5 20 35 / 120 粉质粘土0.5 0.5 0.5 0.5 0.5 0.5 19.5 19 25 60 强风化板岩 2.5 8.5 7.5 7 6.5 3.5 21.5 30 30 150 中风化板岩15 15 15 15 15 15 23.5 35 35 220常用岩土材料力学参数(E, ν) 与(K, G)的转换关系如下:)21(3ν-=EK)1(2ν+=EG (7.2)当ν值接近0.5的时候不能盲目的使用公式3.5,因为计算的K 值将会非常的高,偏离实际值很多。
最好是确定好K 值(利用压缩试验或者P 波速度试验估计),然后再用K 和ν来计算G 值。
表7.1和7.2分别给出了岩土体的一些典型弹性特性值。
岩石的弹性(实验室值)(Goodman,1980) 表7.1土的弹性特性值(实验室值)(Das,1980) 表7.2各向异性弹性特性——作为各向异性弹性体的特殊情况,横切各向同性弹性模型需要5中弹性常量:E 1, E 3, ν12,ν13和G 13;正交各向异性弹性模型有9个弹性模量E 1,E 2,E 3, ν12,ν13,ν23,G 12,G 13和G 23。
这些常量的定义见理论篇。
均质的节理或是层状的岩石一般表现出横切各向同性弹性特性。
一些学者已经给出了用各向同性弹性特性参数、节理刚度和空间参数来表示的弹性常数的公式。
表3.7给出了各向异性岩石的一些典型的特性值。
横切各向同性弹性岩石的弹性常数(实验室) 表7.37.3 固有的强度特性在FLAC 3D 中,描述材料破坏的基本准则是摩尔-库仑准则,这一准则把剪切破坏面看作直线破坏面:s 13N f φσσ=-+ (7.7)其中 )sin 1/()sin 1(N φφφ-+=1σ——最大主应力 (压缩应力为负); 3σ——最小主应力φ——摩擦角c ——粘聚力当0f s <时进入剪切屈服。
(E v) •与(K. G)的转换关系如下:3(1-2v)G = ------------ (7.2)2(1+ v)当v 值接近0.5的时候不能盲目的使用公式3.5,因为汁算的K 值将会非常的高,偏离 实际值很多。
最好是确左好K 值(利用压缩试验或者P 波速度试验估计),然后再用K 和v 来计算G 值。
表7」和7.2分别给出了岩土体的一些典型弹性特性值。
各向异性弹性特性一一作为各向异性弹性体的特姝情况,横切各向同性弹性模型需要 5中弹性常量:E], E 3, V 12, VI 3和On ;正交%向异性弹性模型有9个弹性模量E h E 2,E 3, V12, V13, V23,G12,G13 GlJo 这些常量的定义见理论篇。
均质的节理或是层状的岩仃一般表现出横切各向同性弹性特性。
一些学者已经给出了 用各向同性弹性特性参数、巧理刚度和空间参数来表示的弹性常数的公式。
表3.7给出了 各向异性岩石的一些典型的特性值。
1 / 10页岩66.849.50」70.2125.3大理石6&650.20.060.2226.6花岗岩10.7 5.20.200.41 1.2流体弹性特性一一用于地F水分析的模型涉及到不可压缩的土粒时用到水的体积模量K…如果土粒是可压缩的,则要用到比奥模量M o纯净水在室温情况下的K「值是2 Gpa Q 其取值依赖于分析的目的。
分析稳态流动或是求初始孔隙压力的分布状态(见理论篇第三章流体■固体相互作用分析),则尽量要用比较低的Kr,不用折减。
这是由于对于大的K(流动时间步长很小,并且,力学收敛性也较差。
在FLAC3D中用到的流动时间步长,△"与孔隙度m渗透系数k以及心有如下关系:(7.3)对于可变形流体(多数课本中都是将流体设左为不可压缩的)我们可以通过获得的固结系数C,来决定改变&的结果。
(7.4)英中1m|z = -------------K + 4G/3 k = k /f其中,k—一FLAC3D使用的渗透系数k一一渗透系数,单位和速度单位一样(如米/秒)r r——水的单位重量考虑到固结时间常量与G,成比例,我么可以将K(的值从英实际值(2xlOSd)减少,利用上面得表达式看看其产生的误差。
基坑各向平均厚度〔m〕重度内摩擦角凝聚力土体与锚固体极限摩阻力标准值东向南向西向北向γφ CBC DE CD EF FA AB填土8 5 9 4 5 10 19 10 13 18 粘土12 15 30 圆砾 1 1 20 35 / 120 粉质粘土19 25 60 强风化板岩7 30 30 150 中风化板岩15 15 15 15 15 15 35 35 220常用岩土材料力学参数(E, ν) 与(K, G)的转换关系如下:)21(3ν-=EK)1(2ν+=EG 〔7.2〕当ν值接近0.5的时候不能盲目的使用公式3.5,因为计算的K 值将会非常的高,偏离实际值很多。
最好是确定好K 值(利用压缩试验或者P 波速度试验估计),然后再用K 和ν来计算G 值。
给出了岩土体的一些典型弹性特性值。
岩石的弹性〔实验室值〕〔Goodman,1980〕土的弹性特性值〔实验室值〕〔Das,1980〕 表各向异性弹性特性——作为各向异性弹性体的特殊情况,横切各向同性弹性模型需要5中弹性常量:E 1, E 3, ν12,ν13和G 13;正交各向异性弹性模型有9个弹性模量E 1,E 2,E 3, ν12,ν13,ν23,G 12,G 13和G 23。
这些常量的定义见理论篇。
均质的节理或是层状的岩石一般表现出横切各向同性弹性特性。
一些学者已经给出了用各向同性弹性特性参数、节理刚度和空间参数来表示的弹性常数的公式。
表3.7给出了各向异性岩石的一些典型的特性值。
横切各向同性弹性岩石的弹性常数〔实验室〕 表7.3 固有的强度特性在FLAC 3D 中,描述材料破坏的根本准那么是摩尔-库仑准那么,这一准那么把剪切破坏面看作直线破坏面:s 13N f φσσ=-+ 〔〕其中 )sin 1/()sin 1(N φφφ-+=1σ——最大主应力 (压缩应力为负);3σ——最小主应力φ——摩擦角c ——粘聚力当0f s <时进入剪切屈服。
(E, ν) 与(K, G)的转换关系如下:)21(3ν-=EK)1(2ν+=EG (7.2)当ν值接近0.5的时候不能盲目的使用公式3.5,因为计算的K 值将会非常的高,偏离实际值很多。
最好是确定好K 值(利用压缩试验或者P 波速度试验估计),然后再用K 和ν来计算G 值。
表7.1和7.2分别给出了岩土体的一些典型弹性特性值。
岩石的弹性(实验室值)(Goodman,1980) 表7.1土的弹性特性值(实验室值)(Das,1980) 表7.2各向异性弹性特性——作为各向异性弹性体的特殊情况,横切各向同性弹性模型需要5中弹性常量:E 1, E 3, ν12,ν13和G 13;正交各向异性弹性模型有9个弹性模量E 1,E 2,E 3, ν12,ν13,ν23,G 12,G 13和G 23。
这些常量的定义见理论篇。
均质的节理或是层状的岩石一般表现出横切各向同性弹性特性。
一些学者已经给出了用各向同性弹性特性参数、节理刚度和空间参数来表示的弹性常数的公式。
表3.7给出了各向异性岩石的一些典型的特性值。
横切各向同性弹性岩石的弹性常数(实验室) 表7.3流体弹性特性——用于地下水分析的模型涉及到不可压缩的土粒时用到水的体积模量K f ,如果土粒是可压缩的,则要用到比奥模量M 。
纯净水在室温情况下的K f 值是2 Gpa 。
其取值依赖于分析的目的。
分析稳态流动或是求初始孔隙压力的分布状态(见理论篇第三章流体-固体相互作用分析),则尽量要用比较低的K f ,不用折减。
这是由于对于大的K f 流动时间步长很小,并且,力学收敛性也较差。
在FLAC 3D中用到的流动时间步长,∆ t f 与孔隙度n ,渗透系数k 以及K f 有如下关系:'f f kK nt ∝∆ (7.3)对于可变形流体(多数课本中都是将流体设定为不可压缩的)我们可以通过获得的固结系数νC 来决定改变K f 的结果。
f'K nm k C +=νν (7.4)其中3/4G K 1m +=νf 'k k γ=其中,'k ——FLAC 3D 使用的渗透系数k ——渗透系数,单位和速度单位一样(如米/秒)f γ——水的单位重量考虑到固结时间常量与νC 成比例,我么可以将K f 的值从其实际值(Pa 9102⨯)减少,利用上面得表达式看看其产生的误差。
(E, ν) 与(K, G)的转换关系如下:)21(3ν-=EK)1(2ν+=EG ()当ν值接近的时候不能盲目的使用公式,因为计算的K 值将会非常的高,偏离实际值很多。
最好是确定好K 值(利用压缩试验或者P 波速度试验估计),然后再用K 和ν来计算G 值。
表和分别给出了岩土体的一些典型弹性特性值。
岩石的弹性(实验室值)(Goodman,1980) 表土的弹性特性值(实验室值)(Das,1980) 表硬质粘土17306-14软质粘土1170-14902-3黄土1380软质有机土610-820冻土2150各向异性弹性特性——作为各向异性弹性体的特殊情况,横切各向同性弹性模型需要5中弹性常量:E1, E3,ν12,ν13和G13;正交各向异性弹性模型有9个弹性模量E1,E2,E3,ν12,ν13,ν23,G12,G13和G23。
这些常量的定义见理论篇。
均质的节理或是层状的岩石一般表现出横切各向同性弹性特性。
一些学者已经给出了用各向同性弹性特性参数、节理刚度和空间参数来表示的弹性常数的公式。
表给出了各向异性岩石的一些典型的特性值。
横切各向同性弹性岩石的弹性常数(实验室)表E x(GPa)E y(GPa)νyxνzx G xy(GPa)砂岩砂岩石灰石页岩大理石花岗岩流体弹性特性——用于地下水分析的模型涉及到不可压缩的土粒时用到水的体积模量K f,如果土粒是可压缩的,则要用到比奥模量M。
纯净水在室温情况下的K f值是2 Gpa。
其取值依赖于分析的目的。
分析稳态流动或是求初始孔隙压力的分布状态(见理论篇第三章流体-固体相互作用分析),则尽量要用比较低的K f,不用折减。
这是由于对于大的K f流动时间步长很小,并且,力学收敛性也较差。
在FLAC3D中用到的流动时间步长, tf与孔隙度n,渗透系数k以及K f有如下关系:'f f kK nt ∝∆ () 对于可变形流体(多数课本中都是将流体设定为不可压缩的)我们可以通过获得的固结系数νC 来决定改变K f 的结果。
岩土主要物理力学指标参考值
1、稳定性指标参考值:
1.1压缩模量:水泥改良的砂、砾状粘结土的压缩模量一般在100-
500kPa,粉状粘结土的压缩模量在200-1000kPa,蠕变模量在101-500kPa。
1.2抗拉强度:水泥改良的砂、砾状粘结土的抗拉强度一般在0.1-
2.0kPa,粉状粘结土的抗拉强度在0.2-4.0kPa,蠕变强度在0.3-5.0kPa。
1.3抗剪强度:水泥改良的砂、砾状粘结土的抗剪强度一般在0.1-
2.5kPa,粉状粘结土的抗剪强度一般在0.2-7.0kPa,蠕变强度一般在
0.4-7.5kPa。
1.4抗冲击强度:水泥改良的砂、砾状粘结土的抗冲击强度一般在
0.1-2.5kPa,粉状粘结土的抗冲击强度一般在0.2-7.0kPa,蠕变强度一
般在0.3-8.0kPa。
2、抗损伤指标参考值:
2.1抗湿胀系数:水泥改良的砂、砾状粘结土的抗湿胀系数一般在
0.1-2.5,粉状粘结土的抗湿胀系数一般在0.2-5.0,蠕变系数一般在
0.3-6.0。
2.2抗冻结强度:水泥改良的砂、砾状粘结土的抗冻结强度一般在
0.1-2.5MPa,粉状粘结土的抗冻结强度一般在0.2-7.0MPa,蠕变强度一
般在0.4-7.5MPa。
2.3抗集水能力:水泥改良的砂、砾状粘结土的抗集水能力一般在
0.2-1.5kPa,粉状粘结土的抗集水能力一般在0.4-3.0kPa。
常用的岩土和岩石物理力学参数岩土和岩石物理力学参数是指描述岩土和岩石力学性质的一些重要参数,对于工程和地质领域的研究和实践具有重要意义。
以下是一些常用的岩土和岩石物理力学参数。
1.密度:岩土和岩石的密度是指单位体积的质量。
岩土和岩石的密度是其成分和结构的重要表征,常用单位是千克/立方米。
2.孔隙度:岩土和岩石内部的空隙或孔隙的体积与总体积的比值。
孔隙度是描述岩土和岩石中孔隙性质的重要参数,通常用百分比表示。
3.孔隙水压力:岩土和岩石中存在的地下水与孔隙水压力是一种重要的物理力学参数。
孔隙水压力对岩土和岩石的稳定性、渗透性和强度等产生重要影响。
4.饱和度:饱和度是指岩土和岩石中孔隙所含的水的含量与孔隙容量的比值。
饱和度是衡量岩土和岩石中含水情况的一项指标。
5.孔隙比:孔隙比是指岩土和岩石中孔隙体积与固体体积的比值。
孔隙比是岩土和岩石的一个重要参数,它关系到其渗透性、存储性以及力学性质等。
6.孔隙率:岩土和岩石中孔隙的比例,描述含孔岩体的空间特征的参数。
7.饱和度指数:饱和度指数是指岩土和岩石中各向同性材料,当孔隙度小于50%时,饱和度指数与孔隙度有关,其表征了岩土和岩石中孔隙数量和大小对其力学性质的影响。
8.波速:岩土和岩石中机械波传播的速度是一项重要的物理力学参数。
根据波速可以推算岩土和岩石的弹性模量和泊松比等力学参数。
9.阻尼比:用来描述岩土和岩石中振动能量的衰减情况,是衡量动力响应特性的一个重要参数。
10.岩石强度参数:包括抗拉强度、抗压强度、抗剪强度等,是衡量岩石材料抵抗各种力学载荷的重要参数。
11.几何参数:岩土和岩石中的几何参数包括颗粒形状、颗粒大小分布、颗粒间隙度等,对岩土和岩石的物理力学性质具有重要影响。
总之,岩土和岩石的物理力学参数是描述其物理性质和力学性质的重要参数,对于工程和地质领域的研究和实践具有重要意义。
不同的参数描述了岩土和岩石在不同方面的力学性质,研究者和工程师需要根据具体情况选择合适的参数进行分析和计算。
表2 部分岩石的孔隙率与吸水率花岗岩0.04 7 2.80 0.95 0.10〜-1.70流纹斑岩 1.10 7.40 2.00 0.14〜-1.65闪长岩0.25 7.00 1.25 0.18〜-1.00 正长岩— 2.54 0.48安山岩0.29 〜1.13 0.70 —玄武岩 1.10 4.30 2.30 0.20〜-1.00辉绿岩 1.00 7 2.20 1.70 0.30〜-0.80霏细岩0.29 T.10 2.20 0.20〜-1.00凝灰岩 1.59 7 2.23 1.80 0.18〜-0.35 火山角砾岩0.90 7 7.54 3.20 0.34 〜2.12安山凝灰集块岩0.40 〜4.10 2.10 0.14〜-4.00砾岩 2.00 T.10 3.20 0.40〜-1.00 砂岩 1.04 7 9.30 5.04 0.14 〜4.10砂岩(第三纪) 5.00〜20.00 13.00 1.00〜-9.00砂岩(白垩纪) 2.20〜42.00 15.30 —砂岩(侏罗纪)7.20〜-37.70 17.10 —砂岩(三迭纪) 4.20〜-24.60 13.20 —砂岩新鲜的0.60〜27.70 19.30 —风化的—21.11 —石英砂岩— 2.26 —石英砂岩新鲜的— 1.71 —风化的— 4.91 —页岩0.70 7.00 一 2.30〜-6.00 砂质页岩0.80 〜4.15 一—泥质页岩— 1.35 —煤质页岩— 1.03 —泥灰岩 1.00〜-52.00 18.00 1.00〜-5.00石灰石0.53〜27.00 12.00 0.20〜-6.40石灰岩(第三纪)—20.00 —石灰岩(中生代) 1.20〜26.50 11.65 —石灰岩(古生代)0.80〜27.00 12.00 —白垩 5.00〜-58.00 26.40 —石膏0.10 7 4.00 1.70 —硬石膏0.63 7 6.26 1.65 —片麻岩0.30 7 2.40 1.35 0.14〜-0.30 大理岩0.10 7 6.00 1.00 —白云岩0.30〜25.00 7.70 —石英岩0.00 7 8.70 2.40 0.02〜-0.28注:1.平均比重取:砂为 2.65 ;轻亚粘土为 2.70 ;亚粘土为2.71 ;粘土 2.74。
(E, ν) 与(K, G)的转换关系如下:)21(3ν-=EK)1(2ν+=EG (7.2)当ν值接近0.5的时候不能盲目的使用公式3.5,因为计算的K 值将会非常的高,偏离实际值很多。
最好是确定好K 值(利用压缩试验或者P 波速度试验估计),然后再用K 和ν来计算G 值。
表7.1和7.2分别给出了岩土体的一些典型弹性特性值。
岩石的弹性(实验室值)(Goodman,1980) 表7.1土的弹性特性值(实验室值)(Das,1980) 表7.2各向异性弹性特性——作为各向异性弹性体的特殊情况,横切各向同性弹性模型需要5中弹性常量:E 1, E 3, ν12,ν13和G 13;正交各向异性弹性模型有9个弹性模量E 1,E 2,E 3, ν12,ν13,ν23,G 12,G 13和G 23。
这些常量的定义见理论篇。
均质的节理或是层状的岩石一般表现出横切各向同性弹性特性。
一些学者已经给出了用各向同性弹性特性参数、节理刚度和空间参数来表示的弹性常数的公式。
表3.7给出了各向异性岩石的一些典型的特性值。
横切各向同性弹性岩石的弹性常数(实验室) 表7.3流体弹性特性——用于地下水分析的模型涉及到不可压缩的土粒时用到水的体积模量K f ,如果土粒是可压缩的,则要用到比奥模量M 。
纯净水在室温情况下的K f 值是2 Gpa 。
其取值依赖于分析的目的。
分析稳态流动或是求初始孔隙压力的分布状态(见理论篇第三章流体-固体相互作用分析),则尽量要用比较低的K f ,不用折减。
这是由于对于大的K f 流动时间步长很小,并且,力学收敛性也较差。
在FLAC 3D 中用到的流动时间步长,∆ tf 与孔隙度n ,渗透系数k 以及K f 有如下关系:'f f kK nt ∝∆ (7.3) 对于可变形流体(多数课本中都是将流体设定为不可压缩的)我们可以通过获得的固结系数νC 来决定改变K f 的结果。
f'K m k C +=νν (7.4)其中3/4G K 1m +=νf 'k k γ=其中,'k ——FLAC 3D 使用的渗透系数k ——渗透系数,单位和速度单位一样(如米/秒) f γ——水的单位重量考虑到固结时间常量与νC 成比例,我么可以将K f 的值从其实际值(Pa 9102⨯)减少,利用上面得表达式看看其产生的误差。
岩土主要物理力学指标参考值(2)溢洪道工程地质条件坝址溢洪道位于左坝肩斜坡顶部,进口段至坡顶地形较平缓,坡顶至出口段为降坡段,斜坡坡度25~28°。
浅表层为全、强风化石英闪长岩,工程地质条件与大坝左坝肩基本一致,但全、强风化石英闪长岩风化严重,抗冲刷能力较弱。
(3)放水、冲沙洞工程地质条件①隧洞地质条件洞区地形、地质条件较简单,主要物理地质作用为自然风化、剥蚀,无滑坡、崩塌、泥石流等不良地质作用,未见断裂构造通过,整体稳定。
隧洞进口段为第四系冲洪积砾砂土覆盖层,结构松散,强度低,对洞口边坡需进行加固护坡。
隧洞洞身前段主要由弱风化石英闪长岩组成,岩体较破碎,岩体基本质量等级为Ⅳ级,自稳能力较差,成洞后稳定性差,隧洞开挖容易产生局部塌方、掉块等挤压形式变形破坏;隧洞中段主要由微风化石英闪长岩组成,岩体较完整,自稳能力较好,开挖后可基本稳定,局部可能会出现岩块位移错动掉块;隧洞出口段主要由弱风化石英闪长岩组成,岩体较破碎,自稳能力较差,隧洞开挖容易产生局部塌方、掉块等挤形式压变形破坏。
隧洞出口段该段地层为第四系冲洪积漂石土覆盖层,结构松散,强度低,开挖易产生塌方。
②隧洞岩土物理力学特性隧洞岩土物理力学特性主要物理力学指标参考前表。
工程岩体分级标准(上)2010-04-15 | 作者:| 来源:中国地质环境信息网| 【大中小】【打印】【关闭】1 总则1.0.1 为建立统一的评价工程岩体稳定性的分级方法;为岩石工程建设的勘察、设计、施工和编制定额提供必要的基本依据,制定本标准。
1.0.2 本标准适用于各类型岩石工程的岩体分级。
1.0.3 工程岩体分级,应采用定性与定量相结合的方法,并分两步进行,先确定岩体基本质量,再结合具体工程的特点确定岩体级别。
1.0.4 工程岩体分级所必需的地质调查和岩石试验,除应符合本标准外,尚应符合有关现行国家标准的规定。
2 术语、符号2.l 术语2.1.1 岩石工程rock engineering以岩体为工程建筑物地甚或环境,并对岩体进行开挖或加固的工程,包括地下工程和地面工程。
E, ν 与K, G 的转换关系如下:)21(3ν-=EK)1(2ν+=EG 7.2当ν值接近0.5的时候不能盲目的使用公式3.5,因为计算的K 值将会非常的高,偏离实际值很多;最好是确定好K 值利用压缩试验或者P 波速度试验估计,然后再用K 和ν来计算G 值;表7.1和7.2分别给出了岩土体的一些典型弹性特性值;岩石的弹性实验室值Goodman,1980 表7.1土的弹性特性值实验室值Das,1980 表7.2中弹性常量:E 1, E 3, ν12,ν13和G 13;正交各向异性弹性模型有9个弹性模量E 1,E 2,E 3, ν12,ν13,ν23,G 12,G 13和G 23;这些常量的定义见理论篇;均质的节理或是层状的岩石一般表现出横切各向同性弹性特性;一些学者已经给出了用各向同性弹性特性参数、节理刚度和空间参数来表示的弹性常数的公式;表3.7给出了各向异性岩石的一些典型的特性值;横切各向同性弹性岩石的弹性常数实验室 表7.3流体弹性特性——用于地下水分析的模型涉及到不可压缩的土粒时用到水的体积模量K f ,如果土粒是可压缩的,则要用到比奥模量M;纯净水在室温情况下的K f 值是2 Gpa;其取值依赖于分析的目的;分析稳态流动或是求初始孔隙压力的分布状态见理论篇第三章流体-固体相互作用分析,则尽量要用比较低的K f ,不用折减;这是由于对于大的K f 流动时间步长很小,并且,力学收敛性也较差;在FLAC 3D 中用到的流动时间步长,∆ tf 与孔隙度n,渗透系数k 以及K f 有如下关系:'f f kK nt ∝∆ 7.3 对于可变形流体多数课本中都是将流体设定为不可压缩的我们可以通过获得的固结系数νC 来决定改变K f 的结果;f'K n m k C +=νν 7.4其中3/4G K 1m +=νf 'k k γ=其中,'k ——FLAC 3D 使用的渗透系数k ——渗透系数,单位和速度单位一样如米/秒 f γ——水的单位重量考虑到固结时间常量与νC 成比例,我么可以将K f 的值从其实际值Pa 9102⨯减少,利用上面得表达式看看其产生的误差;流动体积模量还会影响无流动但是有空隙压力产生的模型的收敛速率见1.7节流动与力学的相互作用;如果K f 是一个通过比较机械模型得到的值,则由于机械变形将会产生孔隙压力;如果K f 远比k 大,则压缩过程就慢,但是一般有可能K f 对其影响很小;例如在土体中,孔隙水中还会包含一些尚未溶解的空气,从而明显的使体积模量减小;在无流动情况下,饱和体积模量为:nK K K fu += 7.5 不排水的泊松比为:)G 3K (22G3K u u u +-=ν 7.6这些值应该和排水常量k 和ν作比较,来估计压缩的效果;重要的是,在FLAC 3D 中,排水特性是用在机械连接的流变计算中的;对于可压缩颗粒,比奥模量对压缩模型的影响比例与流动;7.3 固有的强度特性在FLAC 3D 中,描述材料破坏的基本准则是摩尔-库仑准则,这一准则把剪切破坏面看作直线破坏面:s 13N f φσσ=-+ 7.7其中 )sin 1/()sin 1(N φφφ-+=1σ——最大主应力 压缩应力为负; 3σ——最小主应力φ——摩擦角c ——粘聚力当0f s <时进入剪切屈服;这里的两个强度常数φ和c 是由实验室的三轴实验获得的;当主应力变为拉力时,摩尔-库仑准则就将失去其物理意义;简单情况下,当表面的在拉应力区域发展到3σ等于单轴抗拉强度的点时,tσ ,这个次主应力不会达到拉伸强度—例如;t 3t f σσ-= 7.8当0f t >时进入拉伸屈服;岩石和混凝土的抗拉强度通常有由西实验获得;注意,抗拉强度不能超过σ3, 这是和摩尔-库仑关系的顶点的限制是一致的;最大的值由下式给出φσtan ct max =7.9 表7.4列出了一系列具有代表性的典型的岩石标本的粘聚力、摩擦角和抗拉强度值;土体的具有代表性的典型粘聚力和摩擦角的具有代表性的典型值见表7.5;土体强度用无侧限抗压强度u q 表示,u q 与粘聚力C 和摩擦角φ的关系由下式确定/2)2ctan(45q u φ+= 7.10岩石的强度特性值实验室测定 表7.4土体的强度特性值排水实验测定表7.5岩石物理力学性质一览表----岩石物理力学性质各项指标土类岩类1 唐大雄刘佑荣张文殊王清工程岩土学第二版地质出版社1998 北京2 重庆建筑工程学院同济大学岩体力学中国建筑工业出版社1981.10北京3 工程地质手册编写委员会工程地质手册第三版中国建筑工业出版社1992.12北京4李先炜岩体力学性质煤炭工业出版社泊松比范围为0~0.5,不会大于0.5;砂岩泊松比0.22左右,煤岩0.3左右;一般岩石弹性模量量级为10,单位Pa;煤岩弹性模量量级为9,Pa;在岩石的弹性工作范围内,μ一般为常数,但超越弹性范围以后,μ随应力的增大而增大,直到μ=0.5为止;土的泊松比。
常用岩土材料力学重要参数(E, ν) 与(K, G)的转换关系如下:)21(3ν-=E K )1(2ν+=E G (7.2) 当ν值接近0.5的时候不能盲目的使用公式3.5,因为计算的K 值将会非常的高,偏离实际值很多。
最好是确定好K 值(利用压缩试验或者P 波速度试验估计),然后再用K 和ν来计算G 值。
表7.1和7.2分别给出了岩土体的一些典型弹性特性值。
岩石的弹性(实验室值)(Goodman,1980)表7.1土的弹性特性值(实验室值)(Das,1980)表7.2各向异性弹性特性——作为各向异性弹性体的特殊情况,横切各向同性弹性模型需要5中弹性常量:E 1, E 3,ν12,ν13和G 13;正交各向异性弹性模型有9个弹性模量E 1,E 2,E 3,ν12,ν13,ν23,G 12,G 13和G 23。
这些常量的定义见理论篇。
均质的节理或是层状的岩石一般表现出横切各向同性弹性特性。
一些学者已经给出了用各向同性弹性特性参数、节理刚度和空间参数来表示的弹性常数的公式。
表3.7给出了各向异性岩石的一些典型的特性值。
横切各向同性弹性岩石的弹性常数(实验室)表7.3流体弹性特性——用于地下水分析的模型涉及到不可压缩的土粒时用到水的体积模量K f ,如果土粒是可压缩的,则要用到比奥模量M 。
纯净水在室温情况下的K f 值是2 Gpa 。
其取值依赖于分析的目的。
分析稳态流动或是求初始孔隙压力的分布状态(见理论篇第三章流体-固体相互作用分析),则尽量要用比较低的K f ,不用折减。
这是由于对于大的K f 流动时间步长很小,并且,力学收敛性也较差。
在FLAC 3D 中用到的流动时间步长,∆ tf 与孔隙度n ,渗透系数k 以及K f 有如下关系:'f f kK n t ∝∆ (7.3) 对于可变形流体(多数课本中都是将流体设定为不可压缩的)我们可以通过获得的固结系数νC 来决定改变K f 的结果。
f 'K n m k C +=νν(7.4)其中3/4G K 1m +=ν f 'k k γ=其中,'k ——FLAC 3D 使用的渗透系数 k ——渗透系数,单位和速度单位一样(如米/秒)f γ——水的单位重量考虑到固结时间常量与νC 成比例,我么可以将K f 的值从其实际值(Pa 9102⨯)减少,利用上面得表达式看看其产生的误差。
一般岩土参数汇总岩土工程是土力学和岩石力学的综合应用,用于土壤和岩石的工程性质和行为的研究,以及基于这些特性的地下结构的设计和施工。
岩土参数是指描述土壤和岩石工程性质的一系列参数,包括物理性质、力学性质和水文性质等。
以下是一些常见的岩土参数的汇总:1.土壤物理性质-饱和度:表示土壤中孔隙空间被水饱和的程度。
-干度:表示土壤中的固体颗粒与孔隙的比例。
-孔隙度:表示土壤中空隙的体积比例,可以反映土壤的压缩性和渗流性能。
-孔隙比:孔隙总体积与固体总体积之比,反映土壤贮水能力。
-饱和导水率:表示水在饱和状态下通过土壤的能力。
2.土壤力学性质-压缩性指数:描述土壤的压缩性,反映了土壤孔隙结构变化的能力。
-剪切强度:表示土壤的抗剪切性能,通常包括剪切强度角、黏聚力和内摩擦角。
-体积重:土壤单位体积的重量。
-压缩模量:表示土壤的抗压缩性能。
-密度:土壤单位体积的质量。
-稠度:土壤颗粒排列的紧密程度。
3.土壤水文性质-渗透系数:描述土壤中水流通过的能力。
-吸力:表示土壤中的水分对负压的能力,反映土壤持水性能。
-比渗透率:表示单位负压条件下单位时间内通过单位面积的水分流量。
-饱和导水率:表示饱和状态下土壤中的水流速度。
4.岩石力学性质-抗压强度:岩石承受压力的抵抗能力。
-弹性模量:岩石在受力后恢复原状的能力。
-破坏韧度:岩石的破坏性能和抵抗破坏的能力。
-岩石饱和度:岩石孔隙中被水饱和的程度。
-岩石渗透系数:描述岩石中液体流动的能力。
除了上述的岩土参数,还有一些特殊的参数用于描述特定地质情况下的岩土性质:-风化程度:岩石的风化程度是指岩石中颗粒的破碎程度和颗粒之间的结合强度。
-腐殖质含量:描述土壤或岩石中有机物质的含量。
-土壤粒径分布:表示土壤颗粒的大小范围和分布情况。
这些岩土参数在工程设计、施工和监测中起到重要的作用,用于评估土壤和岩石的工程性质,指导地下结构的设计和施工,并评估地质灾害的潜在风险。
不同地区、不同类型的土壤和岩石具有不同的物理性质、力学性质和水文性质,因此在进行岩土参数的测定和分析时,需要充分考虑地质和地形条件的差异。
基坑各向平均厚度(m)重度内摩擦角凝聚力土体与锚固体极限摩阻力标准值
东向南向西向北向γφ C
BC DE CD EF FA AB
填土8 5 9 4 5 10 19 10 13 18 粘土 5.5 7.5 2.5 8.5 6.5 2.5 18.5 12 15 30 圆砾0.5 0.5 0.5 1 1 0.5 20 35 / 120 粉质粘土0.5 0.5 0.5 0.5 0.5 0.5 19.5 19 25 60 强风化板岩 2.5 8.5 7.5 7 6.5 3.5 21.5 30 30 150 中风化板岩15 15 15 15 15 15 23.5 35 35 220
常用岩土材料力学参数
(E, ν) 与(K, G)的转换关系如下:
)
21(3ν-=
E
K
)
1(2ν+=
E
G (7.2)
当ν值接近0.5的时候不能盲目的使用公式3.5,因为计算的K 值将会非常的高,偏离实际值很多。
最好是确定好K 值(利用压缩试验或者P 波速度试验估计),然后再用K 和ν来计算G 值。
表7.1和7.2分别给出了岩土体的一些典型弹性特性值。
岩石的弹性(实验室值)(Goodman,1980) 表7.1
土的弹性特性值(实验室值)(Das,1980) 表7.2
各向异性弹性特性——作为各向异性弹性体的特殊情况,横切各向同性弹性模型需要
5中弹性常量:E 1, E 3, ν12,ν13和G 13;正交各向异性弹性模型有9个弹性模量E 1,E 2,E 3, ν12,ν13,ν23,G 12,G 13和G 23。
这些常量的定义见理论篇。
均质的节理或是层状的岩石一般表现出横切各向同性弹性特性。
一些学者已经给出了用各向同性弹性特性参数、节理刚度和空间参数来表示的弹性常数的公式。
表3.7给出了各向异性岩石的一些典型的特性值。
横切各向同性弹性岩石的弹性常数(实验室) 表7.3
7.3 固有的强度特性
在FLAC 3D 中,描述材料破坏的基本准则是摩尔-库仑准则,这一准则把剪切破坏面看作直线破坏面:
s 13N f φσσ=-+ (7.7)
其中 )sin 1/()sin 1(N φφφ-+=
1σ——最大主应力 (压缩应力为负); 3σ——最小主应力
φ——摩擦角
c ——粘聚力
当0f s <时进入剪切屈服。
这里的两个强度常数φ和c 是由实验室的三轴实验获得的。
当主应力变为拉力时,摩尔-库仑准则就将失去其物理意义。
简单情况下,当表面的在拉应
力区域发展到3σ等于单轴抗拉强度的点时,t
σ ,这个次主应力不会达到拉伸强度—例如;
t 3t f σσ-= (7.8)
当0f t >时进入拉伸屈服。
岩石和混凝土的抗拉强度通常有由西实验获得。
注意,抗拉强度不能超过σ3, 这是和摩尔-库仑关系的顶点的限制是一致的。
最大的值由下式给出
φ
σtan c
t
max =
(7.9) 表7.4列出了一系列具有代表性的典型的岩石标本的粘聚力、摩擦角和抗拉强度值。
土体的具有代表性的典型粘聚力和摩擦角的具有代表性的典型值见表7.5。
土体强度用无侧限抗压强度u q 表示,u q 与粘聚力C 和摩擦角φ的关系由下式确定
/2)2ctan(45q u φ+= (7.10)
岩石的强度特性值(实验室测定) 表7.4
土体的强度特性值(排水实验测定)表7.5。