质检部绩效考核表
- 格式:doc
- 大小:70.00 KB
- 文档页数:7
质检员工作绩效考核表
员工信息
员工姓名: [填写员工姓名]
员工编号: [填写员工编号]
所属部门: [填写所属部门]
岗位职责: [填写岗位职责]
考核指标
在本考核表中,我们将着重评估质检员在以下几个方面的工作表现:
1. 准确性:评估员工在进行产品质检时的准确性和细致程度。
2. 效率:评估员工在完成质检任务时的效率和工作量。
3. 问题解决能力:评估员工处理质量问题的能力和解决方案的质量。
4. 团队合作:评估员工与团队成员之间的合作和协作程度。
5. 完成时间:评估员工按时完成质检任务的能力。
评分标准
在每个指标下,评分范围为1-5分,具体评分标准如下:
- 1分:表现非常差,无法达到基本要求。
- 2分:表现较差,未能达到预期水平。
- 3分:表现一般,基本完成工作要求。
- 4分:表现良好,能够胜任工作。
- 5分:表现优秀,超出预期水平。
考核结果
请按照下表进行评分,并在最后一列填写总分。
考核意见
请在此部分提供对员工的综合评价和建议。
[填写评价和建议]
签名
评分人: [填写评分人姓名]
日期: [填写评分日期]。
质检部人员绩效考核指标与考核表模板华恒智信分析员郁万亮质检部,负责企业质量管理体系的建设、组织和落实,负责工作中各个过程的检验,负责质量管理与控制,为企业的发展“保驾护航”,在企业的发展过程中起着重要作用。
那么,在绩效考核中,如何考核质检部员工的工作情况?常用的考核指标有哪些?对此,华恒智信分析员从定量和定性两个维度整理出了针对质检部员工常用的绩效考核指标,并附上绩效考核表模板供企业参考:一、绩效考核指标(一)定量指标序号指标名称说明1 来料检验来料检验批次合格率来料检验合格批次/来料检验总批次×100%2制程检验各道工序合格率各道工序产出合格数/各道工序产出总数×100%3 各道工序返工率各道工序返工总数/各道工序产出总数×100%4成品检验漏检率检验结果合格数中实际不合格数/检验总数中实际存在不合格数×100%5 错检率检验结果不合格中实际合格数/检验总数中实际存在合格数×100%6 产品出厂检验合格率产品出厂检验合格数/产品出厂检验总数×100%7 废品率废品数/总产品数×100%8 质量管理质量成本控制率质量成本/产品销售收入×100%9 客户退货率客户因质量问题退回或拒收数量/产品发运总数×100%10 外部审核一次性通过率企业质量管理体系参与外部认证机构的审核一次性通过率来料在线质量问题批次发11在线发现质量问题总数/来料总批次×100%生率产品质量报告及时出具次数/应出具产品质量报告总次数12 产品质量报告出具及时率×100%13 客户验货批次合格率客户检验产品合格批次/客户检验产品总批次×100%质量改进方案提交数考核期内提交的有效质量改进方案数14质量改进15 质量改进目标达成率质量改进目标实际完成数/质量改进目标计划数×100%16 质检报告质检报告提交及时率质检报告及时出具次数/出具质检报告总次数×100% (二)定性指标序号指标名称说明1 质量管理体系建设情况企业质量管理体系外审、复审、认证等工作完成度等情况2 质量问题处理情况分析质量问题产生原因,并提出有效的处理意见报告能否全面、完整地反映企业产品质量的现在、存在的具体问3 产品质量分析报告题及改进建议4 客户质量问题处理情况是否及时、有效地处理了客户的质量问题5 质量检验记录的质量记录项目是否完整、数据是否真实6 检验标识准确性是否能够准确贴上检验标签,注明检验日期及质检员工作编号7 客户满意度客户对质量问题处理的满意度8 部门协作满意度企业相关部门对质检工作的满意度二、绩效考核表模板质检部XXXX绩效考核表考核日期:年月日被考核人职位部门考核人职位部门序号考核指标权重绩效标准考核得分12345678910总分被考核人考核人复核人签字:日期:签字:日期:签字:日期:。
考核项目考核内容加分/扣分标准考核分值实际得分数据提供部门考核人签名备注迟到、早退,旷工迟到、早退1次扣1分,旷工扣5分。
请假未经主管领导批准且请假单未及时交案一次扣2分/次;扣完为止。
请假3天(含3天)以上扣10分。
本人在工作时间上网、玩手机、闲聊、做工作无关事情的次数发现一次扣2分。
本部门员工玩手机、打架、偷盗等违纪事件的次数玩手机扣1分/次,吵架每次扣3分,打架每次扣5分。
6 S 管理监督各部门工作环境、劳动纪律,协助6S小组做好6S检查监督工作,并做好工作总结部门内工作环境不合格,每次扣1分;6S检查不合格,每次扣1分。
10 安保部团队人员离职必须指派相关人员代理无指派人员代理,导致项目开展不顺畅,扣5分部门新人员的工作指导、培训教肓,未经培训上岗的人数每次每人扣1分。
按时提交各类工作计划、总结、表格、报告等未按时提交每次扣2分。
对每月制定的本部门工作计划及任务完成情况未按时完成,扣1分/项。
公司例会决议和任务的工作完成情况每项未按时完成扣2分;未做好配合工作每项扣1分。
做好质量检验状态的标识管理和检验检测记录,不漏检不错检,每批次有记录未做到扣5分/次。
5对检验合格的产品质检完成后恢复现场,恢复原样,维护现场秩序,装箱单记录准确无误,包装无误每发现一次扣2分,扣完为止。
5负责公司质量事故的处理,参与由于产品引起质量异议、退货、索赔等质量事件的处理处理不及时,一次扣2分;重复客诉扣3分。
10负责建立和完善质量保证体系。
制定并组织实施公司质量工作计划,健全质量管理体系,加强对生产与质检人员进行品质控制与质量意识教育制度建设不完善,扣2分;培训不到位,扣1分。
10按照校验计划对检具进行校验发现未校验,扣5分/次。
5明确巡检、来料检、成品检工作指标,质量问题而产生的客户投诉,对供应商不良、客诉要做好数据统计未按要求提供数据统计,扣3分/次;客诉3分/次。
5生产部投诉漏检、误检等问题属实(注:生产部长要基于各车间主任的报告再打分)每次扣3分/次。
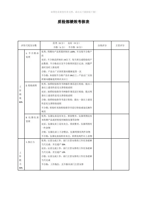
质检部员工绩效考核表
质检部员工考核办法
序号考核项目具体要求权重评价得分
1、工作目标达成性(35分)
一工作业绩 2、质量管理的控制力(35分) 25,
3、制度落实情况(30分)
1、业务知识能力(25分)
2、沟通协调能力(25分)二工作技能 15,
3、执行与贯彻能力(25分)
4、表达能力、分析能力(25分)
1、任劳任怨,竭尽所能达成任务(25分)
2、工作努力,份内工作非常完善(25分)
三工作素质 3、责任心强,自发工作(25分) 15,
4、职业道德与操守,注意个人举止、维护公
司形象(25)
1、服从工作安排,勤勉、诚恳(30分)
2、团队意识强(25分)
四工作态度 3、守时守规,务实、主动、积极(20分) 10,
4、不浪费时间,不畏劳苦、无怨言(15分)
5、工作精神面貌较强(15分)
1、迟到、早退(每次扣0。
5分)
2、旷工(每次扣4分)
3、事假、病假(不满勤扣1-5分) 出勤、处罚五
4、培训、例会(缺席一次扣2分) 10, 与奖励
5、编写工作计划(漏一次扣5分)
6、处罚、警告(每次扣2分)
7、表扬(每次加2分)
六客户投诉客户每投诉一次扣1—5分 10,七安全事故每出一次安全事故扣5分 15,
被考核人姓名: 考核月份:
考核总分: 考核人:。
质检员考核评分表(月度)姓名部门岗位填表日期年月日考核指标权重指标要求评分规则得分能力指标85%质量检验20%质量检验及时、准确,首次检验成功率达到95%以上完成目标值要求20分达到85%以上10分低于80% 0分质检档案管理20%档案存放整齐无缺失,有目录,查阅方便完成目标值要求20分有部分不完整,但未造成影响10分不完整且严重缺失0分质检事故发生率20%无质检事故发生完成目标值要求20分有小问题出现,但未造成影响10分有质检事故发生,产生不良后果0分仪器使用、保养20%按流程操作,按标准保养,仪器摆放合格、整洁完成要求20分任一项没有满足扣5分质量控制20%每周深入生产线一次,对质量进行现场把控,必要时进行生产人员培训完成目标值要求20分质量把控次数不足,但未造成影响10分无质量把控行为0分态度指标15主动性50%1级:等候指示2级:询问有何工作可给分配3级:提出建议,然后再作有关行动4级:行动,但例外情况下征求1级10分2级20分3级30分4级40分5级50分%意见5级:单独行动,定时汇报结果承担责任50%1级:承认结果,而不是强调愿望2级:承担责任,不推卸,不指责3级:着手解决问题,减少业务流程4级:举一反三,改进业务流程5级:做事有预见,有防误设计1级10分2级20分3级30分4级40分5级50分总分:(能力考核得分×85%)+(态度考核得分×15%)=被考核人签字:考核人签字:绩效得分60分以下E级-差级60-70分D级-及格70-80分C级-良好80-90分B级-胜任90-100分A级-优秀绩效工资系数00.50.811.2绩效工资收入00.5Q0.8Q Q1.2Q。
巡检员工作绩效考核表注:自评分由本人填写、考核分由部门领导填写,各占综合分的50% 。
成品检验员工作绩效考核表1裸铜线进厂抽检检查频率:每批抽检、做好记录。
检查内容:导体外观、色泽、单线直径。
2束丝工序检查检查频率:按规格分批抽检、做好记录。
检查内容:导体外观、束丝外径、束丝节距、单线直径、排线、制造卡、自检记录。
3 绞线工序检查检查频率:每盘检查、做好记录。
检查内容:导体外观、绞线外径、绞线节距、绕包带搭盖率、不圆度、排线、制造卡、自检记录。
4成缆工序检查检查频率:每盘检查、做好记录。
检查内容:线芯外观、成缆外径、成缆节距、填充材料及外径、绕包带搭盖率、不圆度、排线、制造卡、自检记录。
5 挤橡工序检查(重点)检查频率:按取样规定每盘检查、做好记录。
检查内容:1)外观检查:外观检查时常见不良品的检查项目有:a表面起泡(鼓泡)、有气孔(针眼)、竹节(突起)、绞纹(节纹);b表面有白粉点(粉粒或异物)、大小颗粒、老胶(焦烧)、欠硫、过硫;c表面粗糙、有水斑痕、线痕、刮痕、麻皮(蛇皮);d表面有炸口(破口、烂口)、脱节;e导体或线芯进水、导体氧化变色、绝缘露铜、头尾端切口有气泡;2)火花机检测、火花电压等级检查;3)绝缘(或护套)平均厚度、平均外径、外径范围、厚度最薄点、偏心、不圆度;4)印字规范、印字正确性、印字效果;5)制造卡、自检记录。
6不合格品处理过程1)在生产过程中、发现产品不合格,应马上通知相关人员及时处理,对于临时处理不了的,应坚决停机;2)通知生产部门将不合格品隔离堆放,做好记录、挂上红色标志,防止不合格流入下工序;3)填写不合格品处置单;4)送由有关部门或责任人分析原因;5)针对原因采取纠正预防措施(或做出整改方案),对整改方案的实施过程及实施效果进行跟踪。
7不合格品的处置方案1)返修或返工;2)让步放行;3)降级改为它用;4)报废。
1检查内容1.1结构检查:1)导体结构:导体外观、色泽、单线直径、股数、总根数、导体隔离带(聚酯带);2)线芯结构:绝缘平均厚度、平均外径、厚度最薄点、偏心、不圆度;3)成缆结构:填充绳(填充胶条)、成缆绕包带、护套隔离带(纸带);4)护套结构:护套平均厚度、平均外径、厚度最薄点、偏心、不圆度;1.2外观检查:常见不良现象的检查项目包括:1)表面起泡(鼓泡)、有气孔(针眼)、竹节(突起)、绞纹(节纹);2)表面有白粉点(粉粒或异物)、大小颗粒、老胶(焦烧)、欠硫、过硫;3)表面粗糙、有水斑痕、线痕、刮痕、麻皮(蛇皮);4)表面有炸口(破口、烂口)、脱节、导体或线芯进水、头尾端切口有气泡。
客服质检员绩效考核表考核周期:20xx年度一、基本信息1. 员工姓名:2. 所属部门:客服部3. 职位:客服质检员4. 入职时间:二、考核内容1. 工作质量(30分)•准确识别客服工作中的问题,提供有效的改进建议;•对客服人员的服务水平进行公正、客观的评价;•定期检查客服记录,确保信息准确无误;•按时提交质检报告,内容详实、具有针对性。
2. 工作效率(20分)•在规定时间内完成质检任务,保证工作进度;•合理安排工作计划,提高工作效率;•优化工作流程,减少不必要的重复劳动。
3. 团队协作(15分)•与客服团队保持良好沟通,共同提升服务质量;•积极参与团队活动,增强团队凝聚力;•主动分享质检经验和技巧,助力团队成长。
4. 服务态度(15分)•对待客服人员礼貌、友善,树立良好的形象;•耐心解答客服人员关于质检结果的疑问;•及时反馈客户意见,关注客户需求。
5. 创新能力(10分)•提出创新性的质检方法和思路;•持续关注行业动态,引入先进的质检理念和技术;•勇于尝试,不断改进和优化质检工作。
6. 遵守纪律(10分)•严格遵守公司规章制度,无违纪行为;•保守公司商业秘密,不泄露敏感信息;•积极参加公司培训,提升自身素质。
三、考核评分1. 评分标准:优秀(90-100分)、良好(80-89分)、一般(70-79分)、待改进(70分以下)2. 自评分数:3. 上级评分:4. 最终得分:四、考核结果与建议1. 考核结果:2. 建议与意见:五、签字确认1. 员工签字:2. 上级签字:3. 日期:注:本表仅作为绩效考核参考,具体考核内容和评分标准可根据公司实际情况进行调整。