跨境电商业务流程图
- 格式:pdf
- 大小:1.76 MB
- 文档页数:1
一、1210及9610模式下货物入境流程图二、9610和1210的诞生9610为促进跨境贸易电子商务零售进出口业务发展,方便企业通关,规范海关管理,实现贸易统计,决定增列海关监管方式代码,现将有关事项公告如下:1.增列海关监管方式代码“9610”,全称“跨境贸易电子商务”,简称“电子商务”,适用于境内个人或电子商务企业通过电子商务交易平台实现交易,并采用“清单核放、汇总申报”模式办理通关手续的电子商务零售进出口商品(通过海关特殊监管区域或保税监管场所一线的电子商务零售进出口商品除外)。
2.以“9610”海关监管方式开展电子商务零售进出口业务的电子商务企业、监管场所经营企业、支付企业和物流企业应当按照规定向海关备案,并通过电子商务通关服务平台实时向电子商务通关管理平台传送交易、支付、仓储和物流等数据1210为促进跨境贸易电子商务进出口业务发展,方便企业通关,规范海关管理,实施海关统计,决定增列海关监管方式代码,现将有关事项公告如下:1.增列海关监管方式代码“1210”,全称“保税跨境贸易电子商务”,简称“保税电商”。
适用于境内个人或电子商务企业在经海关认可的电子商务平台实现跨境交易,并通过海关特殊监管区域或保税监管场所进出的电子商务零售进出境商品(海关特殊监管区域、保税监管场所与境内区外(场所外)之间通过电子商务平台交易的零售进出口商品不适用该监管方式)。
“1210”监管方式用于进口时仅限经批准开展跨境贸易电子商务进口试点的海关特殊监管区域和保税物流中心(B型)。
2.以“1210”海关监管方式开展跨境贸易电子商务零售进出口业务的电子商务企业、海关特殊监管区域或保税监管场所内跨境贸易电子商务经营企业、支付企业和物流企业应当按照规定向海关备案,并通过电子商务平台实时传送交易、支付、仓储和物流等数据。
9610与1210解读(1)9610和1210都是“监管方式代码”进出口货物海关监管方式是以国际贸易中进出口货物的交易方式为基础,结合海关对进出口货物的征税、统计及监管条件综合设定的海关对进出口货物的管理方式。
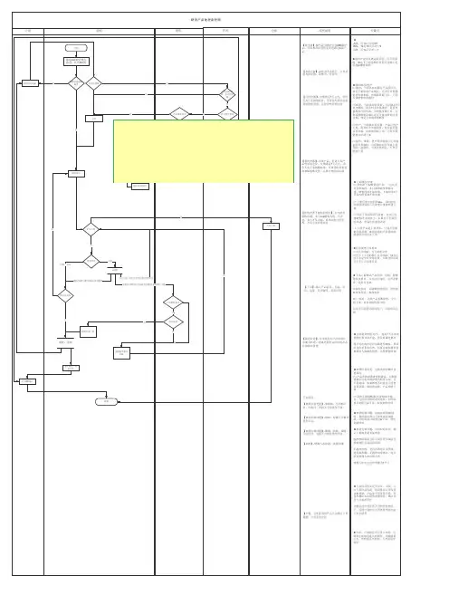
国通达B2B2C跨境电商业务操作流程(版本3.0)1.供应商评审及客户考察市场部经理负责督促和组织部门营销主管根据电子商务分公司《跨境电商业务管理规范》对供应商评审管理要求,做好供应商资信调查和供货能力审核工作,填写供应商评审表,并定期进行复审。
对业务量大,条件允许的,要定期对物品供应商(包括物流企业、电商商品经营企业)进行实地考察,了解其经营情况。
2.签订协议2.1市场部营销主管根据与客户业务磋商结果和《跨境电商业务管理规范》管理规定,结合客户业务开展模式,起草服务协议条款,明确双方权利责任及我方收费标准,市场部经理对相关协议条款内容进行审核后按电商分公司内部流程和公司合同审批流程完成《国通达跨境综合服务协议》和《国通达开放平台服务协议》的审批和盖章后方能开展业务。
2.2市场部营销主管把经市场部经理审核完成的协议文本交客服部客服主管完成公司审批盖章流程。
2.3市场部营销主管接到客服部客服主管协议完成审批盖章生效后可以开展下一步的企业备案、商品备案等相关工作。
3.业务开展前的准备和沟通3.1市场部营销主管在提交协议审批过程中把下列资料发给客户填写好并跟进发回进度,以便准备下一步工作:3.1.1企业备案表(见附件一)3.1.2 商品备案环节的T_product表(见附件二)3.1.3报国检局的商品备案申请表(见附件三)3.1.4《海关HS编码》、《行邮税号及税率》4. 政府职能部门备案4.1企业备案(海关系统和国检系统)4.1.1市场部营销主管在与客户业务商洽过程中明确告诉客户,如是客户自行提供的商城开展跨境电商业务的,必须由客户配合完成企业备案手续后才能开展业务,同时,做好客户提交企业备案资料进度的跟进工作,收到相关资料后及时提交客服部客服主管开展下一步工作。
4.1.2客服部客服主管收到市场部营销主管提交的客户企业备案资料后,在海关系统()下载相关表格并填写完成后提交客服部经理检查相关申报附件齐全、信息对应无误后把《申请表格》打印出来提交电商分公司负责人签名审批。
跨境电商整个流程详解。
跨境电商流程简介跨境电商是指通过电子商务平台,由分属不同关境的交易主体进行交易、支付结算,并通过跨境物流完成商品送达的一种国际商业活动。
相比单纯的境内贸易电商,跨境电商所涉及的工作环节或要件更多,包括商品引入、线上平台、线下门店、境外物流、保税仓储、报关报险、订单配送、结算结汇、营销推广及售后服务等。
因此,在跨境电商市场上,派生出了许多第三方专业服务公司,如境外物流、保税仓储、报关报险、订单配送、结算结汇等。
如果将这些环节委托给第三方专业公司来完成,跨境电商工作的核心内容就是商品引入、线上平台和线下体验店。
跨境电商现状跨境电商正处于“风口”。
去年,我国跨境进易额接近6000亿元,较2008年增加16.6倍,年均复合增长率59.71%。
去年我国跨境电商平台企业超过5000家,境内开展跨境电商的企业超过20万家。
跨境电商具有减少中间环节、降低信息成本、便捷支付等优势,有利于促进交易效率的显著提高。
它融合了跨境和电商两个核心要素,通过电商平台实现分属不同关境交易主体的商业活动。
与传统外贸相比,跨境电商添加了电商这个新基因,是在信息化时代充分应用互联网技术手段,实现传统外贸信息化、网络化和智能化的重要途径。
与国内电商相比,跨境电商拓展了跨境的新空间,是在全球化时代将电商拓展至全球大市场,实现更高开放水平的重要发力点。
随着我国居民收入的提高,跨境电商是在新消费时代更好满足国内居民对更高品质生活的需求,以消费升级需求引领产业升级的重要抓手。
跨境进口电商业务形态现在广大进口电商在整个生态圈里面扮演的几个角色,无非分为五类:供应链、垂直电商、国内电商平台、分销商入驻第三方平台开店(B2C或C2C)、个人创业平台(如微店)。
其中,供应链是做B出身,给卖家提供货,如海豚网。
但是,最终跨境电商的出路还是要转移到C。
如果只做进口分销平台,对比做终端2C无法进行三单比对(即电商企业提供的报关单、支付企业提供的支付清单、物流企业提供的物流运单。
计划销售采购缺货产品处理流程图开始采购在途满足缺货结束反馈计划出pr 开发有可用货源下单是采购申请下架审核通过仓库修改sku 在售状态是确认驳回原因否产品断货/下架跟进在途正常入库是否是否异常类型否供应商补发少数、丢件是产品继续售卖采购提交相应审批采购申请下架否仅补缺货是是是不良流程说明关键点【未执行pr 】-pr 状态为未执行,订单状态为待采购、审核中、可打印★注意处理下单时效⑴当天出的pr ,当天处理完毕⑵当天上午出的网上支付的pr ,12点之前下单完毕并申请付款,大部分供应商当天下午可安排发货不良原因【来货信息变更】-来错款、与资料不符、少配件、资料不全等类型不良;【来货质量问题】-破损、检测不合格等类型不良;【来货包装问题】-裸装、散装、混装、无法区分、包装不合格等类型不良;【审批】-特殊入库审批、换图审批。
★现有在途可以满足缺货的,可不再采购,满足不了的需即时反馈计划确认是否补pr 继续采购【可用货源】-交期满足7天之内、单价不高于系统最低价、可按仓库要求包装和贴箱唛发货、运费合理的供应商★下单之前确认产品信息、包装、箱唛等发货要求,并且进行询价,是否可降价,是否可包邮单量较多时,可编辑快捷用语,有需要时直接发送,提高效率例:“你好,这款产品长期拿货,今天需下单,单价还能优惠点吗”在单价不能优化的情况下,可接着谈包邮★涨价/断货/停产⑴ 涨价:当原供应商提出产品涨价时,需先了解市场产品情况,是否有其他跟低价同款货源,有则换货源下单,无则反馈销售申请涨价⑵ 断货:当原供应商反馈,无法满足7天内交期的,需及时去市场调货,是否其他现货可用货源,有则换货源下单,无则反馈销售并确认是否可接受原供应商交期,判定下单或申请断货⑶ 停产:当原供应商反馈,产品已停产下架,需及时去市场调货,是否有其他可用货源,有则换货源下单,无则反馈销售并申请下架⑷ 涨价、断货、停产等采购自己无法找到可用货源时,可反馈对应开发或主管帮助一起调货,尤其是热销品,不允许随意下架【下单】-确认产品信息、包装、单价、运费、发货箱唛、到货时间【跟进在途】-订单状态为已打印的订单都为在途,需跟进到货完结时间并备注到跟单管理★正常到货时间为7天,超过7天还未到货的应算异常在途,需及时跟进情况每日发出的在途订单跟进明细表,要求回复信息真实有效,回复完将表格信息批量导入到跟单管理,以便销售查询★下架/断货申请⑴ 需申请下架/断货的产品,一定是无可用货源的,并且要和缺货销售沟通,销售同意才能申请,上架时间3个月以内的要和开发沟通⑵ 下架反馈中驳回的sku ,及时按对应的驳回原因二次处理并重新申请下架⑶ 申请下架的原因写清楚,包含已沟通销售/开发的名字,如果有不会到货的在途,需备注有虚假在途⑷ 只有产品是下架状态,计划才会撤销不再采购,断货状态的产品需持续跟进供货时间并下单【采购申请下架驳回原因】-未与缺货销售沟通、未与top 销售沟通、有在途、未与开发沟通、系统状态已经更改,不是正常在售状态★来货信息变更,先和供应商确认变更原因⑴ 产品升级或系统资料错误,可和销售确认后走审批修改资料再入库,可不用退回,如果销售不同意且无其他可用货源,则退货退款,产品申请下架⑵ 采购下错规格/供应商发错/少配件,与供应商协商退货退款,同时联系计划重出pr 下单,加快到货时效★来货质量问题,直接协商报废/退回,要求供应商当天补发或直接退款,同时联系计划重出pr 下单,加快到货时效★来货包装问题,与供应商协商,确认下批到货是否能改善能改善的联系仓库不良管理员或驻仓采购帮忙包装此批货物不能改善的,是否有其他可用货源,是则换货源,无则和向华确认,是否可走特殊入库审批入库特殊入库审批的有效期为1个月【少数、丢件】到货产品无法满足下单数量,订单无法完结★与供应商核实是否少发、未发;无法与供应商协商一致的核实订单发货包裹重量,产品单个重量等信息,和仓库确认实际到货重量信息,确认责任方并承担责任在确认此在途异常不会到货的情况下,反馈计划核实是否需要重新出pr 下单补缺货★入库:产品到仓可正常入库的,可联系仓库加急走入库流程,登版联系王军,质检联系邝丽娟,入库联系矿春娇筛选A 级缺货优先跟进,其次B,C 级【优先级】按产品日销划分为ABC 级产品,所有操作流程优先处理跟进A 级产品★A 级:近14天日均≥5B 级:1≤近14天日均<5C 级:近14天日均<1产品继续售卖有可替代货源是否【替代货源】-同类产品,但是与原产品外观有差异,交期满足7天之内、单价不高于系统最低价、可按仓库要求包装和贴箱唛发货、运费合理的供应商否来货信息变更//无法改善包装/质量检测不合格破损/到货少配件/供应商发错款可区分后入库/可改善包装/质检错误否开发协助调货,有可用货源是否是计划撤销pr退货、退款退款成功,取消订单否决策入库上架下载后本文本框很容易删除,删除方法: 单击选中---delete键删除-保存。
跨境电商流程六步骤及主要内容
跨境电商流程六步骤及主要内容
第一步:调研选品
第二步:注册账号,想在哪个平台上开店就需要在哪个平台上注册账号
第三步:上传产品
第四步:优化好自己的产品listing
第五步:销售购买运输
第六步:收款
跨境电商从商品流向来看,分为出口和进口。
比如跨境电商出口,整个业务流程主要有六大模块:商品、跨境电商企业、支付企业、物流商、海关以及消费者。
商品在出口国被生产商或制造商上线并展示于跨境电商企业的平台上。
当用户选定产品,决定下单并完成购买支付后,跨境电商出口方就会将商品投递给相关物流公司。
经过出口国和进口国海关的两次通关商检后,商品最终到达企业或消费者手中。
也有的跨境电商出口方会直接与第三方综合服务平台进行合作,由第三方综合服务平台代办支付之后的其他工作,这就是跨境电商的整个交易过程。
跨境电商物流流程图随着全球化的发展,跨境电商成为了一种越来越常见的购物方式。
跨境电商物流则是跨境电商中最为重要的环节之一。
下面就来介绍一下跨境电商物流的流程图。
首先,跨境电商物流的第一步是商品采购。
这个环节包括了商品的选择、价格的谈判、订单的确认等等。
在采购环节中,要注意选择有信誉的供应商,并确保商品的质量和价格符合要求。
第二步是商品入库。
在商品入库环节中,需要对商品进行分类、标记和记录,并确保商品的安全。
同时,需要保证商品的存储环境符合要求,例如保持干燥、通风和防潮等。
第三步是订单处理。
在订单处理环节中需要对顾客的订单进行确认,并对订单进行分拣、打包和标记。
在这个环节中,需要确保订单的准确性和及时性。
第四步是物流配送。
在物流配送环节中,需要选择合适的物流公司,并对物流公司进行跟踪和监管。
同时,要确保物流的安全和及时性。
第五步是海关清关。
在跨境电商中,海关清关是非常重要的一环。
在海关清关环节中,需要对商品进行清关申报,并确保申报资料的准确性和完整性。
同时,需要与海关进行沟通和协商,以确保商品的正常进出口。
最后一步是商品送达。
在商品送达环节中,需要对商品进行跟踪和监管,并确保商品能够及时送达到顾客手中。
同时,需要对顾客进行售后服务,并处理售后问题。
总之,跨境电商物流流程图包括了商品采购、商品入库、订单处理、物流配送、海关清关和商品送达等环节。
在跨境电商物流中,需要注意选择合适的供应商和物流公司,并确保商品的质量和安全。
同时,需要与海关进行沟通和协商,以确保商品的正常进出口。
只有做到以上几点,才能保证跨境电商物流的顺利进行。
跨境电商业务流程跨境电商业务流程概述跨境电商业务是指通过互联网平台进行跨国贸易的一种商业模式。
随着数字化时代的到来,跨境电商业务逐渐成为一种新兴的国际贸易形式。
跨境电商业务流程是指整个跨境电商业务所涉及的各个环节和流程的总称。
下面将以一个典型的跨境电商平台为例,介绍跨境电商业务的流程。
1. 注册与入驻跨境电商平台首先需要进行注册,包括企业法人注册、商标注册等。
企业需要提交相关证明文件,并支付注册费用。
注册完成后,企业可以申请入驻跨境电商平台,提交经营范围、产品信息等。
2. 商品选品与采购注册入驻跨境电商平台后,企业可以开始进行商品选品与采购。
首先,企业需要根据市场需求和竞争对手分析等进行商品选品,选择适合自己的产品进行销售。
然后,企业进行商品采购,可以通过国内供应商或者海外供应商进行采购。
3. 仓储与物流采购完成后,企业需要进行商品仓储和物流准备。
企业可以选择自己搭建仓储体系,也可以选择使用第三方物流仓储。
在物流方面,企业需要选择合适的物流供应商,进行国际运输安排。
跨境电商流程中,物流环节是非常重要的一环,关系到商品的正常发货、运输和到达客户手中的时间。
4. 商品上架与营销仓储和物流准备完成后,企业开始进行商品上架与营销。
企业将商品信息、价格、详细描述等填写完整,并进行图片拍摄等工作。
然后,将商品上传到跨境电商平台上线销售,进行各种形式的线上推广和营销活动,以吸引消费者。
5. 订单管理与支付商品上架后,消费者开始浏览并购买商品。
企业需要建立订单管理系统,及时处理订单信息,包括确认订单、发货、退款等。
同时,企业需要提供多种支付方式,以满足消费者的需求,如支付宝、微信支付、信用卡支付等。
6. 售后服务与评价销售完成后,企业需要提供售后服务,包括解答客户咨询、处理退货等。
同时,企业需要积极鼓励消费者撰写评价,提高商品的信誉度和销售量。
7. 结算与财务管理销售结束后,企业需要进行结算与财务管理。
企业和跨境电商平台进行结算,包括商品成本、运费、平台费用等。
保税仓库货物进出库操作流程一、保税货物入库:需提供的单证:①海关制发的《保税仓库入库核准单》;②货主或其代理人与保税仓库共同签订的仓储协议;③保税货物购销合同;④保税货物的发票、装箱单;⑤进口货物报关单;⑥海关需要的其他单证。
二、转关运输货物的入库:货主或其代理人在货物转关前,应先向指运地海关货管科提交转关申请并随附转关货物的相关单证(合同、发票、装箱单等)。
指运地海关审核同意后办理转关运输货物联系单,制成关封交货主或其代理人带给启运地海关办理转关手续。
货主或其代理人同时还应在指运地海关预先办妥转关货物的入库核准单。
启运地海关审核同意后,将相关单证制成关封后由货主或其代理人带给指运地海关。
货主或其代理人应在海关指定的路线、时间内将货物运输到指运地,并持关封,货物入库核准单和相关单证到海关办理报关手续后方可入库。
三、保税货物的在库管理:对于各类已入库的保税货物,按照货主、货物类别分开保管;各类货物之间设置明显的隔离带,以示区别;对于各类在库的保税货物,每月末均进行一次盘存,确保帐物相符,无差错,发现货物储存期将近一年时,通知货主尽快提货,特殊情况可向海关申请延期,但延期最长不能超过1年。
四、保税货物的出库:需提供的单证:①海关制发的《保税仓库出库申请表》;②海关制发的《保税仓库领料(提货)核准单》;③保税货物购销合同;④保税货物发票、装箱单;⑤ 进口货物报关单;⑥海关需要的其他有关单证。
五、保税货物的内销:保税货物经海关核准转为进入国内市场销售时,货主或其代理人除办理正常上述出库手续外,还应向海关递交进口货物许可证件,进口货物报关单和海关需要的其它单证并交纳产品(增值)税或工商统一税后,由海关签印放行,准予货物出库。
六、保税货物的复运出口:保税货物的复运出口,除办理正常的上述出库手续外,应当填写出口货物报关单,并交验进口时海关签印的报关单,向海关办理复运出口手续。
无锡高新区公共保税仓库费率表一、仓储费计量单位:元(RMB)/平方米(吨或立方米)·天。