国外常见胶管接头标准
- 格式:doc
- 大小:517.50 KB
- 文档页数:11
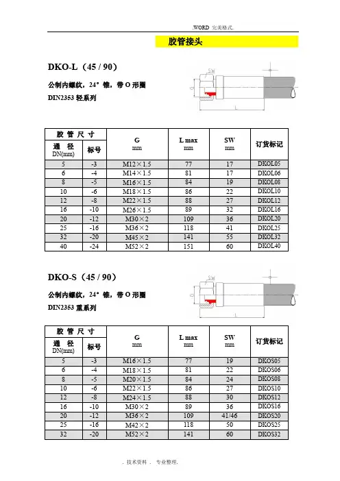
胶管接头DKO-L(45 / 90)公制内螺纹,24°锥,带O形圈DIN2353轻系列DKO-S(45 / 90)公制内螺纹,24°锥,带O形圈DIN2353重系列胶管接头CEL公制外螺纹,24°内锥面DIN2353轻系列DES公制外螺纹,24°内锥面DIN2353重系列BES/BEL (45 / 90)卡套式胶管接头(重型、轻型)BANJO铰接式胶管接头(用空心铰接螺栓连接、两平面用密封垫圈)AGJ公制JIC外螺纹,(UNF螺纹) 74°外锥面AGN美制NPTF外螺纹锥螺纹密封胶管接头DKR (45 / 90)英制BSP内螺纹,60°外锥面AGR英制BSP外螺纹60°内锥面胶管接头STECK插装式胶管接头(煤矿用,与插杆孔卡板连接)DKJ (45 / 90)美制JIC内螺纹UNF74°内锥面(与球面接头或同角度锥面接头连接)胶管接头SFL(45 / 90)SAE 法兰3000 PSISFS(45 / 90)SAE 法兰6000 PSI胶管接头对开法兰夹3000 PSI对开法兰夹6000 PSI技术说明影响胶管总成使用情况的因素很多。
只有按照工况正确选用胶管及接头,才能保证使用胶管的可靠性和经济性。
这些因素有:1.胶管尺寸胶管内径要适当。
管径过小会加大管路内介质的流速,使系统发热,降低效率,而且会产生过大的压力降,影响整个系统的性能。
若胶管采用管夹固定或胶管穿过钢板等间隔物时,也要注意胶管的外径尺寸。
2.工作压力资料中有关胶管的动态工作压力是指胶管在连续工作时允许的最高压力。
按照有关国际标准规定的液压胶管的安全系数,我们推荐的工作压力通常约为胶管最低爆破压力值的四分之一。
3.冲击压力和疲劳寿命胶管的选择是根据液压系统设计的最高压力值来确定的。
由于液压系统的压力值通常是动态的,有时会出现冲击压力,冲击压力峰值会大大高于系统的最高压力值。
拷贝林接头标准
拷贝林接头(Koplin joint)是一种用于管道连接的特殊接头,通常用于连接输送液体或气体的管道系统。
由于“拷贝林接头”并非普遍的术语,我无法找到特定的国际标准或行业标准。
然而,一般来说,管道接头的相关标准通常由国际标准化组织(ISO)或其他相关标准组织发布和管理。
对于管道接头的标准,可能会涉及到以下一些相关的标准:
1. ISO标准:国际标准化组织发布了一系列用于管道连接的标准,如ISO 8434(金属管接头和接头组件)、ISO 6162(液压连接和接头)、ISO 7005(法兰和法兰连接)等。
2. ASME标准:美国机械工程师协会发布了一些适用于管道接头的标准,如ASME B16.11(对焊、螺纹和插入式管接头)、ASME B16.5(钢制法兰和法兰连接)等。
3. DIN标准:德国工业标准(DIN)也发布了一些用于管道连接的标准,如DIN 2353(金属管接头)等。
这些标准通常规定了管道接头的尺寸、材料、连接方式、安装要求等内容,以确保管道连接的安全性、可靠性和符合相关的技术要求。
在选择和使用管道接头时,建议参考相关的国际标准或国家标准,并确保所选用的管道接头符合特定的工程设计和使用要求。
伊顿管接头标准伊顿管(Eaton pipe)是一种用于连接钢管的连接件,通常用于工业和建筑领域。
伊顿管接头标准是指对伊顿管和相关连接件的尺寸、材料、制造工艺等方面进行规范和标准化的文件。
以下是一些相关的参考内容。
1. 美国国家标准制造协会(ANSI)- ANSI/ASME B1.20.1:这个标准规定了管螺纹连接件的尺寸、轮廓和相关技术要求。
伊顿管接头通常具有螺纹连接,因此该标准对伊顿管接头的尺寸提供了参考。
2. 美国国家标准制造协会(ANSI)- ANSI/NPT:这个标准规定了美国国家管螺纹(NPT)的技术要求,包括螺纹形状、尺寸、公差和相关检验方法。
伊顿管接头通常使用NPT螺纹连接,因此该标准对伊顿管接头的螺纹特性提供了参考。
3. 国际标准化组织(ISO)- ISO 49:这个标准规定了用于螺纹管的可互换的铸铁和钢制连接件的技术要求。
伊顿管接头通常由铁或钢材料制成,因此该标准对伊顿管接头的材料和制造工艺提供了参考。
4. ASTM国际标准:ASTM是一个非营利性组织,制定了许多与材料和制造工艺相关的标准。
对于伊顿管接头,一些与管材料和连接件相关的ASTM标准可能提供了参考,例如ASTMA53(管材料标准)和ASTM A234(钢和铁合金管件标准)。
5. 行业协会的标准:一些行业协会还可能制定了与伊顿管接头相关的标准,这些标准通常根据特定行业的需求和实践制定。
例如,美国石油学会(API)可能制定了与油气行业相关的伊顿管接头标准。
除了以上提到的标准外,还有一些国家和地区可能制定了自己的相关标准。
这些标准旨在确保伊顿管接头的质量、安全和互换性,以满足各种应用场合的需求。
需要注意的是,由于文中不得出现链接,无法提供具体的标准文件编号和链接地址。
如果需要获取详细的标准信息,建议查阅相关标准组织的官方网站或购买相关标准文件。
胶管接头DKO-L(45 / 90)公制螺纹,24°锥,带O形圈DIN2353轻系列胶管尺寸Gmm L maxmmSWmm订货标记通径DN(mm)标号5 -3 M12×1.5 77 17 DKOL056 -4 M14×1.5 81 17 DKOL068 -5 M16×1.5 84 19 DKOL0810 -6 M18×1.5 86 22 DKOL1012 -8 M22×1.5 88 27 DKOL1216 -10 M26×1.5 89 32 DKOL1620 -12 M30×2 109 36 DKOL2025 -16 M36×2 118 41 DKOL2532 -20 M45×2 141 55 DKOL3240 -24 M52×2 151 60 DKOL40 DKO-S(45 / 90)公制螺纹,24°锥,带O形圈DIN2353重系列胶管尺寸Gmm L maxmmSWmm订货标记通径DN(mm)标号5 -3 M16×1.5 77 19 DKOS056 -4 M18×1.5 81 22 DKOS068 -5 M20×1.5 84 24 DKOS08 10 -6 M22×1.5 86 27 DKOS10 12 -8 M24×1.5 88 30 DKOS12 16 -10 M30×2 89 36 DKOS16 20 -12 M36×2 109 41/46 DKOS20 25 -16 M42×2 118 50 DKOS25 32 -20 M52×2 141 60 DKOS32胶管接头CEL公制外螺纹,24°锥面DIN2353轻系列DES公制外螺纹,24°锥面DIN2353重系列BES/BEL (45 / 90)卡套式胶管接头 (重型、轻型)胶管尺寸BEL=轻系列BES=重系列通径标号 d mm l mm订货标记 d mm l mm订货标记DN(mm)6 -4 8 22 BEL06 10 26 BES068 -5 10 24 BEL08 12 26 BES0810 -6 12 25 BEL10 14 29 BES1012 -8 15 25 BEL12 16 30 BES1216 -10 18 26 BEL16 20 36 BES1620 -12 22 28 BEL20 25 40 BES2025 -16 28 30 BEL25 30 44 BES2532 -20 35 36 BEL32 38 50 BES32BANJO铰接式胶管接头(用空心铰接螺栓连接、两平面用密封垫圈)胶管尺寸BN BR通径标号螺栓 d mm H mm订货标记螺栓 d mm H mm订货标记DN(mm)6 -4 M12×1.5 12.1 12 BN06 G1/4 13.3 15 BR068 -5 M14×1.5 14.1 14 BN08 G5/16 16.7 20 BR0810 -6 M16×1.5 16.1 16 BN10 G3/8 16.7 20 BR1012 -8 M18×1.5 18.1 18 BN12 G1/2 21 25 BR1216 -10 M22×1.5 22.1 22 BN16 G5/8 23 27 BR1620 -12 M26×1.5 26.1 26 BN20 G3/4 26.5 31 BR2025 -16 M30×2 30.1 30 BN25 G1 33.3 42 BR25AGJ公制JIC外螺纹,(UNF螺纹) 74°外锥面胶管尺寸G英寸L maxmmSWmm订货标记通径DN(mm)标号5 -3 7/16-20 65 12.7 AGJ056 -4 1/2-20 67 12.7 AGJ068 -5 9/16-18 70 16 AGJ0810 -6 9/16-18 70 16 AGJ1012 -8 7/8-14 80 22.4 AGJ1216 -10 11/16-12 90 26.9 AGJ1620 -12 11/16-12 90 26.9 AGJ2025 -16 15/16-12 105 33.3 AGJ2532 -20 15/8-12 125 41.4 AGJ3240 -24 17/8-12 130 47.8 AGJ4050 -32 21/2-12 140 63.5 AGJ50 AGN美制NPTF外螺纹锥螺纹密封胶管尺寸G英寸L maxmmSWmm订货标记通径DN(mm)标号5 -3 R1/8-27 64 14.2 AGN056 -4 R 1/4-18 66 14.2 AGN068 -5 R 3/8-18 68 17.5 AGN08 10 -6 R 3/8-18 73 17.5 AGN10 12 -8 R 1/2-14 77 22.4 AGN12 16 -10 R 3/4-14 84 28.7 AGN16 20 -12 R 3/4-14 96 28.7 AGN20 25 -16 R1-11.5 113 36.6 AGN25 32 -20 R11/4-11.5 127 44.5 AGN32 40 -24 R11/2-11.5 140 50.8 AGN4050 -32 R2-11.5 150 62.0 AGN50胶管接头DKR (45 / 90)英制BSP螺纹,60°外锥面胶管尺寸G英寸L maxmmSWmm订货标记通径DN(mm)标号5 -3 R1/8"77 15.3 DKR056 -4 R 1/4"81 18.1 DKR068 -5 R 3/8"84 20.9 DKR0810 -6 R1/2"86 25.7 DKR1012 -8 R 1/2"88 25.7 DKR1216 -10 R5/8"99 28 DKR1620 -12 R 3/4"109 33.1 DKR2025 -16 R1"118 37.6 DKR2532 -20 R11/4"141 47.3 DKR3240 -24 R11/2"160 56.4 DKR4050 -32 R2"170 70.1 DKR50 AGR英制BSP外螺纹60°锥面胶管尺寸G英寸L maxmmSWmm订货标记通径DN(mm)标号5 -3 R1/8"64 14.2 AGR056 -4 R 1/4"66 18 AGR068 -5 R 3/8"68 23.4 AGR08 10 -6 R1/2"73 25.7 AGR10 12 -8 R 1/2"77 25.7 AGR12 16 -10 R5/8"84 27.9 AGR16 20 -12 R 3/4"96 33 AGR20 25 -16 R1"113 41.4 AGR25 32 -20 R11/4"127 50.8 AGR3240 -24 R11/2"140 54.1 AGR4050 -32 R2"150 66.8 AGR50胶管接头STECK插装式胶管接头(煤矿用,与插杆孔卡板连接)胶管尺寸dmm DmmlmmLmm订货标记通径DN(mm)标号6 -4 10 15 29 65 STECK610 -6 14 20 29 72 STECK 1012 -8 18 24 29 75 STECK 1216 -10 21 26 29 75 STECK 1620 -12 24 29 29 85 STECK 2025 -16 31 39 35 100 STECK 2532 -20 38 46 36 110 STECK 3240 -24 47 55 40 130 STECK 4050 -32 56 64 40 130 STECK 50 DKJ (45 / 90)美制JIC螺纹UNF74°锥面(与球面接头或同角度锥面接头连接)胶管尺寸G英寸L maxmmSWmm订货标记通径DN(mm)标号5 -3 7/16-20 65 12.7 AGJ056 -4 1/2-20 67 12.7 AGJ068 -5 9/16-18 70 16 AGJ08 10 -6 9/16-18 70 16 AGJ10 12 -8 7/8-14 80 22.4 AGJ12 16 -10 11/16-12 90 26.9 AGJ16 20 -12 11/16-12 90 26.9 AGJ2025 -16 15/16-12 105 33.3 AGJ2532 -20 15/8-12 125 41.4 AGJ3240 -24 17/8-12 130 47.8 AGJ4050 -32 21/2-12 140 63.5 AGJ50胶管接头SFL(45 / 90)SAE 法兰 3000 PSI胶管尺寸法兰规格英寸DmmL maxmm订货标记通径DN(mm)标号12 -8 1/2"30.2 100 SFL1216 -10 3/4"38.1 116 SFL1620 -12 3/4 "38.1 116 SFL2025 -16 1"44.4 140 SFL2532 -20 11/4 "50.8 155 SFL3240 -24 11/2 "60.3 171 SFL4050 -32 2"71.4 191 SFL50 SFS(45 / 90)SAE 法兰 6000 PSI胶管尺寸法兰规格英寸DmmL maxmm订货标记通径DN(mm)标号12 -8 1/2"31.8 100 SFS12 16 -10 3/4"41.3 116 SFS16 20 -12 3/4 "41.3 116 SFS20 25 -16 1"47.6 145 SFS25 32 -20 11/4 "54 165 SFS32 40 -24 11/2 "63.5 180 SFS4050 -32 2"79.4 190 SFS50胶管接头对开法兰夹3000 PSI胶管尺寸法兰规格英寸尺寸订货标记通径DN(mm)标号A B C D E12 -8 1/2"54 46 38.1 9 17.5 FL12 20 -12 3/4 "65.1 52 47.6 11 22.2 FL20 25 -16 1"69.8 59 52.4 11 26.2 FL25 32 -20 11/4 "79.4 73 58.7 11 30.2 FL32 40 -24 11/2 "93.7 83 69.8 13.5 35.7 FL4050 -32 2"101.697 77.8 13.5 42.9 FL50对开法兰夹6000 PSI胶管尺寸法兰规格英寸尺寸订货标记通径DN(mm)标号A B C D E12 -8 1/2"56.3 47 40.5 9 18.2 FS12 20 -12 3/4 "71.4 60 50.8 11 23.8 FS20 25 -16 1"80.9 70 57.1 13 27.8 FS25 32 -20 11/4 "95.2 77 66.7 15 31.8 FS32技术说明影响胶管总成使用情况的因素很多。
橡胶软连接执行标准
橡胶软连接是一种常见的管道连接方式,在执行标准方面,一般可以参考以下几个方面:
1. 材料标准:橡胶软连接的材料通常采用橡胶或合成橡胶,常见的材料标准有ASTM D2000(美国材料与测试协会标准)、ISO 1629(国际标准化组织标准)等。
2. 尺寸标准:橡胶软连接的尺寸标准一般参考管道连接的标准,常见的管道连接标准有ANSI/ASME B16.5(美国国家标准协
会/美国机械工程师协会标准)、ISO 7005(国际标准化组织
标准)等。
3. 承压标准:橡胶软连接通常用于输送液体或气体的管道系统中,其承压能力需要符合相应的标准,如ASTM D178(美国
材料与测试协会标准)、ISO 3457(国际标准化组织标准)等。
4. 硬度标准:橡胶软连接的硬度也是一个重要的性能指标,通常通过材料的硬度测试来确定,常见的硬度测试方法有
ASTM D2240(美国材料与测试协会标准)、ISO 7619(国际
标准化组织标准)等。
除了以上几个方面的标准之外,橡胶软连接在应用中还需要考虑其他一些因素,如工作温度、介质性质、防震性能等。
因此,在选择和使用橡胶软连接时,还需要参考相关的行业标准、产品规范和实际使用要求。
胶管接头DKO-L(45 / 90)公制内螺纹,24°锥,带O形圈DIN2353轻系列DKO-S(45 / 90)公制内螺纹,24°锥,带O形圈DIN2353重系列胶管接头CEL公制外螺纹,24°内锥面DIN2353轻系列DES公制外螺纹,24°内锥面DIN2353重系列BES/BEL (45 / 90)卡套式胶管接头(重型、轻型)BANJO铰接式胶管接头(用空心铰接螺栓连接、两平面用密封垫圈)AGJ公制JIC外螺纹,(UNF螺纹) 74°外锥面AGN美制NPTF外螺纹锥螺纹密封胶管接头DKR (45 / 90)英制BSP内螺纹,60°外锥面AGR英制BSP外螺纹60°内锥面胶管接头STECK插装式胶管接头(煤矿用,与插杆孔卡板连接)DKJ (45 / 90)美制JIC内螺纹UNF74°内锥面(与球面接头或同角度锥面接头连接)胶管接头SFL(45 / 90)SAE 法兰3000 PSISFS(45 / 90)SAE 法兰6000 PSI胶管接头对开法兰夹3000 PSI对开法兰夹6000 PSI技术说明影响胶管总成使用情况的因素很多。
只有按照工况正确选用胶管及接头,才能保证使用胶管的可靠性和经济性。
这些因素有:1.胶管尺寸胶管内径要适当。
管径过小会加大管路内介质的流速,使系统发热,降低效率,而且会产生过大的压力降,影响整个系统的性能。
若胶管采用管夹固定或胶管穿过钢板等间隔物时,也要注意胶管的外径尺寸。
2.工作压力资料中有关胶管的动态工作压力是指胶管在连续工作时允许的最高压力。
按照有关国际标准规定的液压胶管的安全系数,我们推荐的工作压力通常约为胶管最低爆破压力值的四分之一。
3.冲击压力和疲劳寿命胶管的选择是根据液压系统设计的最高压力值来确定的。
由于液压系统的压力值通常是动态的,有时会出现冲击压力,冲击压力峰值会大大高于系统的最高压力值。
胶管接头DKO-L (45/90)公制内螺纹,24°锥,带O 形圈 DIN2353轻系列DKO-S (45/90)公制内螺纹,24°锥,带O 形圈 DIN2353重系列CEL公制外螺纹,24°内锥面 DIN2353轻系列DES公制外螺纹,24°内锥面 DIN2353重系列BES/BEL(45/90)卡套式胶管接头(重型、轻型)BES=重系列BANJO铰接式胶管接头(用空心铰接螺栓连接、两平面用密封垫圈)AGJ公制JIC 外螺纹, (UNF 螺纹)74°外锥面AGN美制NPTF 外螺纹锥螺纹密封DKR(45/90)英制BSP 内螺纹, 60°外锥面AGR英制BSP 外螺纹 60°内锥面插装式胶管接头(煤矿用,与插杆孔卡板连接)DKJ(45/90)美制JIC内螺纹UNF74°内锥面(与球面接头或同角度锥面接头连接)SFL(45/90)SAE法兰3000PSID Lmax 订货标SFS(45/90)SAE法兰6000PSID Lmax 订货标胶管接头对开法兰夹3000PSI订货标对开法兰夹6000PSI技术说明影响胶管总成使用情况的因素很多。
只有按照工况正确选用胶管及接头,才能保证使用胶管的可靠性和经济性。
这些因素有:1.胶管尺寸胶管内径要适当。
管径过小会加大管路内介质的流速,使系统发热,降低效率,而且会产生过大的压力降,影响整个系统的性能。
若胶管采用管夹固定或胶管穿过钢板等间隔物时,也要注意胶管的外径尺寸。
2.工作压力资料中有关胶管的动态工作压力是指胶管在连续工作时允许的最高压力。
按照有关国际标准规定的液压胶管的安全系数,我们推荐的工作压力通常约为胶管最低爆破压力值的四分之一。
3.冲击压力和疲劳寿命胶管的选择是根据液压系统设计的最高压力值来确定的。
由于液压系统的压力值通常是动态的,有时会出现冲击压力,冲击压力峰值会大大高于系统的最高压力值。
接头标准1. 引言在工程施工、机械制造、电子设备以及其他领域中,接头是非常常见的。
接头的质量和可靠性直接影响着整个系统的性能和安全性。
为了确保不同厂家生产的零部件之间可以有效连接,并且保证连接的牢固和可靠,需要制定相应的接头标准。
本文将介绍一些常见的接头标准,包括连接方式、尺寸要求、材料要求等,以帮助读者更好地理解和应用接头标准。
2. 接头连接方式2.1 螺纹连接螺纹连接是一种常见的机械连接方式,适用于连接管道、阀门、螺母、螺栓等零部件。
螺纹接头的主要特点是装配简单、拆卸方便,并且具有良好的密封性能。
常见的螺纹标准有国际标准ISO螺纹、美国标准UNC/UNF螺纹等。
2.2 焊接连接焊接连接是一种将两个或多个零部件通过熔化和凝固来实现连接的方法。
焊接接头具有高强度和密封性好的特点,适用于连接金属材料。
常见的焊接标准有国际标准ISO焊接、美国焊接学会(AWS)标准等。
2.3 插接连接插接连接适用于电子设备、电缆和线束等领域。
插接接头具有接插方便、耐用性强的特点,可以进行多次插拔。
常见的插接标准有国际标准IEC插接、美国国家标准(ANSI)插接等。
2.4 弹性连接弹性连接是一种通过弹性元件将两个或多个零部件连接在一起的方法。
弹性接头具有吸收震动、减轻负荷和调节偏差的功能,适用于连接旋转设备、输送系统等。
常见的弹性接头标准有国际标准ISO弹性接头、美国规范(EJMA)弹性接头等。
3. 接头尺寸要求接头的尺寸要求直接关系到其连接的可靠性和适应性。
一般来说,接头的尺寸要求包括直径、长度、偏差等方面。
3.1 直径要求接头的直径要求是指接头连接部分的直径范围。
对于螺纹接头,通常有内螺纹和外螺纹两种直径要求;对于焊接接头,通常有焊缝直径、焊坡宽度等直径要求。
3.2 长度要求接头的长度要求是指接头连接部分的长度范围。
对于螺纹接头,通常有螺纹长度、螺纹深度等长度要求;对于焊接接头,通常有焊接长度、焊缝长度等长度要求。
DKO-L(45 / 90)公制内螺纹,24°锥,带O形圈DIN2353轻系列胶管尺寸Gmm L maxmmSWmm订货标记通径DN(mm)标号5 -3 M12×1.5 77 17 DKOL056 -4 M14×1.5 81 17 DKOL068 -5 M16×1.5 84 19 DKOL0810 -6 M18×1.5 86 22 DKOL1012 -8 M22×1.5 88 27 DKOL1216 -10 M26×1.5 89 32 DKOL1620 -12 M30×2 109 36 DKOL2025 -16 M36×2 118 41 DKOL2532 -20 M45×2 141 55 DKOL3240 -24 M52×2 151 60 DKOL40 DKO-S(45 / 90)公制内螺纹,24°锥,带O形圈DIN2353重系列胶管尺寸Gmm L maxmmSWmm订货标记通径DN(mm)标号5 -3 M16×1.5 77 19 DKOS056 -4 M18×1.5 81 22 DKOS068 -5 M20×1.5 84 24 DKOS0810 -6 M22×1.5 86 27 DKOS1012 -8 M24×1.5 88 30 DKOS1216 -10 M30×2 89 36 DKOS1620 -12 M36×2 109 41/46 DKOS2025 -16 M42×2 118 50 DKOS2532 -20 M52×2 141 60 DKOS32CEL公制外螺纹,24°内锥面DIN2353轻系列DES公制外螺纹,24°内锥面DIN2353重系列BES/BEL (45 / 90)卡套式胶管接头(重型、轻型)胶管尺寸BEL=轻系列BES=重系列通径DN(mm)标号 d mm l mm订货标记 d mm l mm订货标记6 -4 8 22 BEL06 10 26 BES068 -5 10 24 BEL08 12 26 BES0810 -6 12 25 BEL10 14 29 BES1012 -8 15 25 BEL12 16 30 BES1216 -10 18 26 BEL16 20 36 BES1620 -12 22 28 BEL20 25 40 BES2025 -16 28 30 BEL25 30 44 BES2532 -20 35 36 BEL32 38 50 BES32BANJO铰接式胶管接头(用空心铰接螺栓连接、两平面用密封垫圈)胶管尺寸BN BR通径DN(mm)标号螺栓 dmmHmm订货标记螺栓dmmHmm订货标记6 -4 M12×1.5 12.1 12 BN06 G1/4 13.3 15 BR06 8 -5 M14×1.5 14.1 14 BN08 G5/16 16.7 20 BR08 10 -6 M16×1.5 16.1 16 BN10 G3/8 16.7 20 BR10 12 -8 M18×1.5 18.1 18 BN12 G1/2 21 25 BR12 16 -10 M22×1.5 22.1 22 BN16 G5/8 23 27 BR16 20 -12 M26×1.5 26.1 26 BN20 G3/4 26.5 31 BR20 25 -16 M30×2 30.1 30 BN25 G1 33.3 42 BR25AGJ公制JIC外螺纹,(UNF螺纹) 74°外锥面胶管尺寸G英寸L maxmmSWmm订货标记通径DN(mm)标号5 -3 7/16-20 65 12.7 AGJ056 -4 1/2-20 67 12.7 AGJ068 -5 9/16-18 70 16 AGJ0810 -6 9/16-18 70 16 AGJ1012 -8 7/8-14 80 22.4 AGJ1216 -10 11/16-12 90 26.9 AGJ1620 -12 11/16-12 90 26.9 AGJ2025 -16 15/16-12 105 33.3 AGJ2532 -20 15/8-12 125 41.4 AGJ3240 -24 17/8-12 130 47.8 AGJ4050 -32 21/2-12 140 63.5 AGJ50 AGN美制NPTF外螺纹锥螺纹密封胶管尺寸G英寸L maxmmSWmm订货标记通径DN(mm)标号5 -3 R1/8-27 64 14.2 AGN056 -4 R 1/4-18 66 14.2 AGN068 -5 R 3/8-18 68 17.5 AGN0810 -6 R 3/8-18 73 17.5 AGN1012 -8 R 1/2-14 77 22.4 AGN1216 -10 R 3/4-14 84 28.7 AGN1620 -12 R 3/4-14 96 28.7 AGN2025 -16 R1-11.5 113 36.6 AGN2532 -20 R11/4-11.5 127 44.5 AGN3240 -24 R11/2-11.5 140 50.8 AGN40DKR (45 / 90) 英制BSP内螺纹,60°外锥面胶管尺寸G英寸L maxmmSWmm订货标记通径DN(mm)标号5 -3 R1/8"77 15.3 DKR056 -4 R 1/4"81 18.1 DKR068 -5 R 3/8"84 20.9 DKR0810 -6 R1/2"86 25.7 DKR1012 -8 R 1/2"88 25.7 DKR1216 -10 R5/8"99 28 DKR1620 -12 R 3/4"109 33.1 DKR2025 -16 R1"118 37.6 DKR2532 -20 R11/4"141 47.3 DKR3240 -24 R11/2"160 56.4 DKR4050 -32 R2"170 70.1 DKR50 AGR英制BSP外螺纹60°内锥面胶管尺寸G英寸L maxmmSWmm订货标记通径DN(mm)标号5 -3 R1/8"64 14.2 AGR056 -4 R 1/4"66 18 AGR068 -5 R 3/8"68 23.4 AGR0810 -6 R1/2"73 25.7 AGR1012 -8 R 1/2"77 25.7 AGR1216 -10 R5/8"84 27.9 AGR1620 -12 R 3/4"96 33 AGR2025 -16 R1"113 41.4 AGR2532 -20 R11/4"127 50.8 AGR3240 -24 R11/2"140 54.1 AGR40胶管接头STECK插装式胶管接头(煤矿用,与插杆孔卡板连接)胶管尺寸dmmDmmlmmLmm订货标记通径DN(mm)标号6 -4 10 15 29 65 STECK610 -6 14 20 29 72 STECK 1012 -8 18 24 29 75 STECK 1216 -10 21 26 29 75 STECK 1620 -12 24 29 29 85 STECK 2025 -16 31 39 35 100 STECK 2532 -20 38 46 36 110 STECK 3240 -24 47 55 40 130 STECK 4050 -32 56 64 40 130 STECK 50 DKJ (45 / 90)美制JIC内螺纹UNF74°内锥面(与球面接头或同角度锥面接头连接)胶管尺寸G英寸L maxmmSWmm订货标记通径DN(mm)标号5 -3 7/16-20 65 12.7 AGJ056 -4 1/2-20 67 12.7 AGJ068 -5 9/16-18 70 16 AGJ0810 -6 9/16-18 70 16 AGJ1012 -8 7/8-14 80 22.4 AGJ1216 -10 11/16-12 90 26.9 AGJ1620 -12 11/16-12 90 26.9 AGJ2025 -16 15/16-12 105 33.3 AGJ2532 -20 15/8-12 125 41.4 AGJ32SFL(45 / 90)SAE 法兰3000 PSI胶管尺寸法兰规格英寸DmmL maxmm订货标记通径DN(mm)标号12 -8 1/2"30.2 100 SFL1216 -10 3/4"38.1 116 SFL1620 -12 3/4 "38.1 116 SFL2025 -16 1"44.4 140 SFL2532 -20 11/4 "50.8 155 SFL3240 -24 11/2 "60.3 171 SFL4050 -32 2"71.4 191 SFL50 SFS(45 / 90)SAE 法兰6000 PSI胶管尺寸法兰规格英寸DmmL maxmm订货标记通径DN(mm)标号12 -8 1/2"31.8 100 SFS1216 -10 3/4"41.3 116 SFS1620 -12 3/4 "41.3 116 SFS2025 -16 1"47.6 145 SFS2532 -20 11/4 "54 165 SFS3240 -24 11/2 "63.5 180 SFS4050 -32 2"79.4 190 SFS50对开法兰夹3000 PSI胶管尺寸法兰规格英寸尺寸订货标记通径DN(mm)标号A B C D E12 -8 1/2"54 46 38.1 9 17.5 FL1220 -12 3/4 "65.1 52 47.6 11 22.2 FL2025 -16 1"69.8 59 52.4 11 26.2 FL2532 -20 11/4 "79.4 73 58.7 11 30.2 FL3240 -24 11/2 "93.7 83 69.8 13.5 35.7 FL4050 -32 2"101.6 97 77.8 13.5 42.9 FL50对开法兰夹6000 PSI胶管尺寸法兰规格英寸尺寸订货标记通径DN(mm)标号A B C D E12 -8 1/2"56.3 47 40.5 9 18.2 FS12 20 -12 3/4 "71.4 60 50.8 11 23.8 FS20 25 -16 1"80.9 70 57.1 13 27.8 FS25 32 -20 11/4 "95.2 77 66.7 15 31.8 FS32 40 -24 11/2 "112.7 95 79.4 17 36.5 FS40 50 -32 2"133.3 110 96.8 21 44.5 FS50技术说明影响胶管总成使用情况的因素很多。
管接头的标准
管接头是连接管道的重要组成部分,其质量和连接方式直接影响管道系统的安全和可靠运行。
在不同国家和行业中,存在着许多不同的管接头标准和分类方式。
1. 国际标准
国际上通用的管接头标准主要有ISO、DIN、ANSI等。
其中,ISO(国际标准化组织)标准是最为通用的,其标准号为ISO 8434。
2. 国内标准
国内常用的管接头标准有GB、HG、JB等。
其中,GB标准是国家标准,HG标准是化工行业标准,JB标准是机械行业标准。
3. 行业标准
不同行业有不同的管接头标准,如石油行业的API标准、食品行业的FDA标准等。
4. 企业标准
一些大型企业或集团内部制定的管接头标准,只适用于该企业内部使用。
直通管接头标准
直通管接头是指用于连接不同尺寸或不同材质的管道的一种接头。
关于直通管接头的标准,以下是一些常见的标准:
1. ANSI/ASME标准:美国国家标准学会(American National Standards Institute)和美国机械工程师学会(American Society of Mechanical Engineers)制定的标准,如ANSI/ASME B16.9。
2. ISO标准:国际标准化组织(International Organization for Standardization)制定的标准,如ISO 3419。
3. DIN标准:德国工业标准(Deutsche Industrie Norm)制定的标准,如DIN 2605。
4. JIS标准:日本工业标准(Japanese Industrial Standards)制定的标准,如JIS B2311。
这些标准通常规定了直通管接头的尺寸、材质、制造工艺、连接方式等方面的要求,以确保直通管接头的质量和性能符合特定的应用需求。
具体选择何种标准取决于所在地区的法规要求、工程项目的要求和使用场景等因素。
在使用直通管接头时,应根据具体情况选择符合适当标准的产品。
国外常见胶管接头标准胶管接头DKO-L(45 / 90)公制内螺纹,24°锥,带O形圈DIN2353轻系列胶管尺寸G mm L maxmmSWmm订货标记通径DN(mm)标号5 -3 M12×1.5 77 17 DKO6 -4 M14×1.5 81 17 DKO8 -5 M16×1.5 84 19 DKO 10 -6 M18×1.5 86 22 DKO 12 -8 M22×1.5 88 27 DKO 16 -10 M26×1.5 89 32 DKO 20 -12 M30×2 109 36 DKO 25 -16 M36×2 118 41 DKO 32 -20 M45×2 141 55 DKO 40 -24 M52×2 151 60 DKODKO-S(45 / 90)公制内螺纹,24°锥,带O形圈DIN2353重系列胶管尺寸G mm L maxmmSWmm订货标记通径DN(mm)标号5 -3 M16×1.5 77 19 DKO6 -4 M18×1.5 81 22 DKO8 -5 M20×1.5 84 24 DKO 10 -6 M22×1.5 86 27 DKO12 -8 M24×1.5 88 30 DKO 16 -10 M30×2 89 36 DKO 20 -12 M36×2 109 41/46 DKO 25 -16 M42×2 118 50 DKO 32 -20 M52×2 141 60 DKO胶管接头CEL公制外螺纹,24°内锥面DIN2353轻系列胶管尺寸G mmDmmL maxmmSWmm订货标记通径DN(mm)标号5 -3 M12×1.56 61 17 CEL06 -4 M14×1.5 8 63 17 CEL08 -5 M16×1.5 10 67 19 CEL0 10 -6 M18×1.5 12 69 22 CEL1 12 -8 M22×1.5 15 75 27 CEL1 16 -10 M26×1.5 18 85 32 CEL1 20 -12 M30×2 22 89 36 CEL2 25 -16 M36×2 28 103 41 CEL2 32 -20 M45×2 35 123 55 CEL3 40 -24 M52×2 42 126 60 CEL4DES公制外螺纹,24°内锥面DIN2353重系列胶管尺寸G D L max SW 订货标记通径DN( mm)标号mm mm mm mm5 -3 M16×1.5 8 64 17 CES06 -4 M18×1.5 10 66 19 CES0 8 -5 M20×1.5 12 68 22/24 CES0 10 -6 M22×1.5 14 73 22/24 CES1 12 -8 M24×1.5 16 77 24/27 CES1 16 -10 M30×2 20 84 30/32 CES1 20 -12 M36×2 25 96 36/41 CES2 25 -16 M42×2 30 113 46 CES2 32 -20 M52×2 38 127 55 CES3胶管接头BES/BEL (45 / 90)卡套式胶管接头(重型、轻型)胶管尺寸BEL=轻系列BES=重系列通径DN( mm)标号dmmlmm订货标记dmmlmm订货标记6 -4 8 22 BEL10 26 BES0 8 -5 10 24 BEL12 26 BES0 10 -6 12 25 BEL14 29 BES1 12 -8 15 25 BEL16 30 BES1 16 -10 18 26 BEL20 36 BES1 20 -12 22 28 BEL25 40 BES2 25 -16 28 30 BEL30 44 BES2 32 -20 35 36 BEL38 50 BES3BANJO铰接式胶管接头(用空心铰接螺栓连接、两平面用密封垫圈)胶管尺寸BN BR通径DN( mm)标号螺栓dmmHmm订货标记螺栓dmmHmm订货标记6 -4 M12×12.12 BN0G1/4 13.15 BR0 8 -5 M14×14.14 BN0G5/16 16.20 BR0 10 -6 M16×16.16 BN1G3/8 16.20 BR1 12 -8 M18×18.18 BN1G1/2 21 25 BR116 -10 M22×22.22 BN1G5/8 23 27 BR1 20 -12 M26×26.26 BN2G3/4 26.31 BR2 25 -16 M30×30.30 BN2G1 33.42 BR2胶管接头AGJ公制JIC外螺纹,(UNF螺纹) 74°外锥面胶管尺寸G 英寸L maxmmSWmm订货标记通径DN(mm)标号5 -3 7/16-20 65 12.7 AGJ056 -4 1/2-20 67 12.7 AGJ068 -5 9/16-18 70 16 AGJ08 10 -6 9/16-18 70 16 AGJ10 12 -8 7/8-14 80 22.4 AGJ12 16 -10 11/16-12 90 26.9 AGJ16 20 -12 11/16-12 90 26.9 AGJ20 25 -16 15/16-12 105 33.3 AGJ25 32 -20 15/8-12 125 41.4 AGJ32 40 -24 17/8-12 130 47.8 AGJ40 50 -32 21/2-12 140 63.5 AGJ50AGN美制NPTF外螺纹锥螺纹密封胶管尺寸G 英寸L maxmmSWmm订货标记通径DN(mm)标号5 -3 R1/8-27 64 14.2 AGN06 -4 R 1/4-18 66 14.2 AGN0 8 -5 R 3/8-18 68 17.5 AGN0 10 -6 R 3/8-18 73 17.5 AGN1 12 -8 R 1/2-14 77 22.4 AGN116 -10 R 3/4-14 84 28.7 AGN1 20 -12 R 3/4-14 96 28.7 AGN2 25 -16 R1-11.5 113 36.6 AGN2 32 -20 R11/4-11.5 127 44.5 AGN3 40 -24 R11/2-11.5 140 50.8 AGN4 50 -32 R2-11.5 150 62.0 AGN5胶管接头DKR (45 / 90)英制BSP内螺纹,60°外锥面胶管尺寸G 英寸L maxmmSWmm订货标记通径DN(mm)标号5 -3 R1/8"77 15.3 DKR06 -4 R 1/4"81 18.1 DKR0 8 -5 R 3/8"84 20.9 DKR0 10 -6 R1/2"86 25.7 DKR1 12 -8 R 1/2"88 25.7 DKR1 16 -10 R5/8"99 28 DKR1 20 -12 R 3/4"109 33.1 DKR2 25 -16 R1"118 37.6 DKR2 32 -20 R11/4"141 47.3 DKR3 40 -24 R11/2"160 56.4 DKR4 50 -32 R2"170 70.1 DKR5AGR英制BSP外螺纹60°内锥面胶管尺寸G L max SW 订货标记通径DN( mm)标号英寸mm mm5 -3 R1/8"64 14.2 AGR06 -4 R 1/4"66 18 AGR0 8 -5 R 3/8"68 23.4 AGR0 10 -6 R1/2"73 25.7 AGR1 12 -8 R 1/2"77 25.7 AGR1 16 -10 R5/8"84 27.9 AGR1 20 -12 R 3/4"96 33 AGR2 25 -16 R1"113 41.4 AGR2 32 -20 R11/4"127 50.8 AGR3 40 -24 R11/2"140 54.1 AGR4 50 -32 R2"150 66.8 AGR5胶管接头STECK插装式胶管接头(煤矿用,与插杆孔卡板连接)胶管尺寸d mmDmmlmmLmm订货标记通径DN(mm)标号6 -4 10 15 29 65 STECK610 -6 14 20 29 72 STECK 1012 -8 18 24 29 75 STECK 1216 -10 21 26 29 75 STECK 1620 -12 24 29 29 85 STECK 2025 -16 31 39 35 100 STECK 2532 -20 38 46 36 110 STECK 3240 -24 47 55 40 130 STECK 4050 -32 56 64 40 130 STECK 50DKJ (45 / 90)美制JIC内螺纹UNF74°内锥面(与球面接头或同角度锥面接头连接)胶管尺寸G 英寸L maxmmSWmm订货标记通径DN(mm)标号5 -3 7/16-20 65 12.7 AGJ056 -4 1/2-20 67 12.7 AGJ068 -5 9/16-18 70 16 AGJ08 10 -6 9/16-18 70 16 AGJ10 12 -8 7/8-14 80 22.4 AGJ12 16 -10 11/16-12 90 26.9 AGJ16 20 -12 11/16-12 90 26.9 AGJ20 25 -16 15/16-12 105 33.3 AGJ25 32 -20 15/8-12 125 41.4 AGJ32 40 -24 17/8-12 130 47.8 AGJ40 50 -32 21/2-12 140 63.5 AGJ50胶管接头SFL(45 / 90)SAE 法兰3000 PSI胶管尺寸法兰规格英寸DmmL maxmm 订货标记通径DN(m m)标号12 -8 1/2"30.2 100 SFL1 216 -10 3/4"38.1 116 SFL1620 -12 3/4 "38.1 116 SFL2 025 -16 1"44.4 140 SFL2 532 -20 11/4 "50.8 155 SFL3 240 -24 11/2 "60.3 171 SFL4 050 -32 2"71.4 191 SFL5 0SFS(45 / 90)SAE 法兰6000 PSI胶管尺寸法兰规格英寸DmmL maxmm 订货标记通径DN(mm)标号12 -8 1/2"31.8 100 SFS12 16 -10 3/4"41.3 116 SFS16 20 -12 3/4 "41.3 116 SFS2025 -16 1"47.6 145 SFS25 32 -20 11/4 "54 165 SFS32 40 -24 11/2 "63.5 180 SFS40 50 -32 2"79.4 190 SFS50胶管接头对开法兰夹3000 PSI胶管尺寸法兰规格英寸尺寸订货标记通径DN( mm)标号A B C D E12 -8 1/2"54 46 38.1 9 17.5 FL12 20 -12 3/4 "65.1 52 47.6 11 22.2 FL20 25 -16 1"69.8 59 52.4 11 26.2 FL25 32 -20 11/4 "79.4 73 58.7 11 30.2 FL32 40 -24 11/2 "93.7 83 69.8 13.5 35.7 FL40 50 -32 2"101.6 97 77.8 13.5 42.9 FL50对开法兰夹6000 PSI胶管尺寸法兰规格英寸尺寸订货标记通径DN( mm)标号A B C D E12 -8 1/2"56.3 47 40.5 9 18.2 FS1220 -12 3/4 "71.4 60 50.8 11 23.8 FS2025 -16 1"80.9 70 57.1 13 27.8 FS2532 -20 11/4 "95.2 77 66.7 15 31.8 FS3240 -24 11/2 "112.7 95 79.4 17 36.5 FS4050 -32 2"133.3 110 96.8 21 44.5 FS50技术说明影响胶管总成使用情况的因素很多。
橡胶软连接执行标准
橡胶软连接是用于连接管道或设备的一种柔性连接件,通常由橡胶材料制成。
以下是一些与橡胶软连接相关的一般执行标准:
1. GB/T 17241-2008《橡胶软接头》:这是中国国家标准,规定了橡胶软连接的术语和定义、材料、结构设计、性能测试、试验方法和标志等方面的要求。
2. EN 1474-2:2008+A1:2011《埋地燃气上的连接器和相关设备》:这是欧洲标准,适用于埋地燃气输送系统中的橡胶软连接器。
该标准规定了软连接器的尺寸、性能、测试方法和标志等要求。
3. ANSI/ASME A112.18.1-2018《配件和管件的铅橡胶接头》:这是美国标准,适用于铅橡胶接头,用于连接排水、污水和废水系统的设备和管道。
该标准规定了接头的材料、设计、性能和测试等要求。
值得注意的是,具体的橡胶软连接执行标准可能因地区、行业和应用领域而有所不同。
在实际使用中,建议参考当地
相关的标准和规范,以确保橡胶软连接的选择、设计和安装符合安全和质量要求。
此外,特定行业或应用领域可能有额外的标准和指南,如石油、化工、供水、供气、消防等领域,应根据具体需求进行查询和评估。
橡胶和塑料软管标准橡胶和塑料软管的标准通常由国际、国家或行业标准组织制定。
这些标准规定了软管的材料、性能、尺寸、测试方法等方面的要求,以确保其在各种应用中的安全性和性能。
以下是一些涉及橡胶和塑料软管的常见标准组织和标准:1.ISO(国际标准化组织):•ISO 1307:2006 - Rubber and plastics hoses - Hose sizes, minimum and maximum inside diameters, and toleranceson cut-to-length hoses.•ISO 2398:2016 - Rubber hoses, textile-reinforced, for compressed air - Specification.•ISO 1403:2005 - Rubber hoses, textile-reinforced, for general-purpose water applications - Specification.•ISO 8031:2009 - Rubber and plastics hoses and hose assemblies - Determination of electrical resistance andconductivity.2.EN(欧洲标准):•EN 854 - Rubber hoses and hose assemblies - Textile reinforced hydraulic type - Specification.•EN 1762:2017 - Rubber hoses and hose assemblies for liquefied petroleum gas, LPG (liquid or gaseous phase),and natural gas up to 25 bar (2.5 MPa) - Specification.3.ASTM(美国材料与试验协会):•ASTM D380 - Standard Test Methods for Rubber Hose.•ASTM D622 - Standard Test Methods for Rubber Hose for Automotive Air and Vacuum Brake System.4.SAE(美国汽车工程师协会):•SAE J1402 - Automotive Air Brake Hose and Hose Assemblies.这只是一小部分涉及橡胶和塑料软管的标准,具体的标准可能会因应用领域、材料类型和地区而有所不同。
三元乙丙胶管执行标准
三元乙丙胶管是一种广泛应用于建筑、医疗、化工等行业的管材。
作为一种重要的管路材料,它需要遵循一定的执行标准才能确保其质量和使用效果。
目前,国际上通用的三元乙丙胶管执行标准主要有以下三种:
1. 美国标准:ASTM D1785。
2. 欧洲标准:EN ISO 1587。
3. 国际标准:ISO 4422-2。
ASTM D1785标准是美国最主要的标准之一,其中定义了ASA材料的物理、化学和机械特性。
它还为选购和使用ASA管材提供了有用的信息,包括管径范围、壁厚、长度、标号和颜色等。
此外,ASTM
D1785还规定了ASA管材的测试方法,以确保它们能够承受一定的压力和温度。
EN ISO 1587标准是欧洲最主要的标准之一,其中定义了ASA材料的物理、化学和机械特性。
它还为选购和使用ASA管材提供了有用的信
息,包括管径范围、壁厚、长度、标号和颜色等。
此外,EN ISO 1587还规定了ASA管材的测试方法,以确保它们能够承受一定的压力和温度。
ISO 4422-2标准是国际上通用的标准之一,其中定义了ASA材料的物理、化学和机械特性。
它还为选购和使用ASA管材提供了有用的信息,包括管径范围、壁厚、长度、标号和颜色等。
此外,ISO 4422-2还规定了ASA管材的测试方法,以确保它们能够承受一定的压力和温度。
总的来说,三元乙丙胶管的执行标准是十分重要的,它能够确保三元乙丙胶管的质量和使用效果。
各个标准的制定都是针对不同的市场和应用进行的,消费者应当在购买时选择符合当地执行标准的产品。
接管规格标准
接管规格标准是指用于管道系统或设备连接的标准规格。
以下是一些常见的接管规格标准:
1.ANSI/ASME标准:由美国国家标准协会(ANSI)和美国机
械工程师学会(ASME)联合发布的标准。
常见的标准包括ANSI/ASME B16.5(钢制管法兰和法兰连接件)、
ANSI/ASME B16.9(钢制管道和配件)、ANSI/ASME B16.11(对焊、螺纹和插装接头)等。
2.DIN标准:由德国标准化学会(DIN)发布的标准,适用于
欧洲地区。
常见的标准包括DIN 2501(法兰连接尺寸)、
DIN 2605(钢制弯头和弯管)、DIN 2986(螺纹管接头)等。
3.JIS标准:由日本工业标准化学会(JIS)发布的标准,适用
于日本地区。
常见的标准包括JIS B2220(钢制法兰连接尺寸)、JIS B2311(钢制焊接配件)、JIS B2301(螺纹管接头)等。
4.ISO标准:由国际标准化组织(ISO)发布的标准,适用于
全球范围。
常见的标准包括ISO 7005(钢制管法兰)、ISO 5251(铸铁法兰)、ISO 9001(质量管理体系)等。
这些接管规格标准定义了不同类型的接头、法兰、管件等的尺寸、材料要求、设计和安装方法等,以确保管道系统的连接具有相互兼容性、可靠性和安全性。
在具体的工程项目中,应根据设计要求和适用的地区标准选择合适的接管规格标准进行设计和安装。
国外常见胶管接头标准————————————————————————————————作者:————————————————————————————————日期:胶管接头DKO-L(45 / 90)公制内螺纹,24°锥,带O形圈DIN2353轻系列胶管尺寸Gmm L maxmmSWmm订货标记通径DN(mm)标号5 -3 M12×1.5 77 17 DKOL056 -4 M14×1.5 81 17 DKOL068 -5 M16×1.5 84 19 DKOL0810 -6 M18×1.5 86 22 DKOL1012 -8 M22×1.5 88 27 DKOL1216 -10 M26×1.5 89 32 DKOL1620 -12 M30×2 109 36 DKOL2025 -16 M36×2 118 41 DKOL2532 -20 M45×2 141 55 DKOL3240 -24 M52×2 151 60 DKOL40 DKO-S(45 / 90)公制内螺纹,24°锥,带O形圈DIN2353重系列胶管尺寸Gmm L maxmmSWmm订货标记通径DN(mm)标号5 -3 M16×1.5 77 19 DKOS056 -4 M18×1.5 81 22 DKOS068 -5 M20×1.5 84 24 DKOS0810 -6 M22×1.5 86 27 DKOS1012 -8 M24×1.5 88 30 DKOS1216 -10 M30×2 89 36 DKOS1620 -12 M36×2 109 41/46 DKOS2025 -16 M42×2 118 50 DKOS2532 -20 M52×2 141 60 DKOS32CEL公制外螺纹,24°内锥面DIN2353轻系列胶管尺寸GmmDmmL maxmmSWmm订货标记通径DN(mm)标号5 -3 M12×1.56 61 17 CEL056 -4 M14×1.5 8 63 17 CEL068 -5 M16×1.5 10 67 19 CEL0810 -6 M18×1.5 12 69 22 CEL1012 -8 M22×1.5 15 75 27 CEL1216 -10 M26×1.5 18 85 32 CEL1620 -12 M30×2 22 89 36 CEL2025 -16 M36×2 28 103 41 CEL2532 -20 M45×2 35 123 55 CEL3240 -24 M52×2 42 126 60 CEL40 DES公制外螺纹,24°内锥面DIN2353重系列胶管尺寸GmmDmmL maxmmSWmm订货标记通径DN(mm)标号5 -3 M16×1.5 8 64 17 CES056 -4 M18×1.5 10 66 19 CES068 -5 M20×1.5 12 68 22/24 CES0810 -6 M22×1.5 14 73 22/24 CES1012 -8 M24×1.5 16 77 24/27 CES1216 -10 M30×2 20 84 30/32 CES1620 -12 M36×2 25 96 36/41 CES2025 -16 M42×2 30 113 46 CES2532 -20 M52×2 38 127 55 CES32BES/BEL (45 / 90)卡套式胶管接头(重型、轻型)胶管尺寸BEL=轻系列BES=重系列通径DN(mm)标号 d mm l mm订货标记 d mm l mm订货标记6 -4 8 22 BEL06 10 26 BES068 -5 10 24 BEL08 12 26 BES0810 -6 12 25 BEL10 14 29 BES1012 -8 15 25 BEL12 16 30 BES1216 -10 18 26 BEL16 20 36 BES1620 -12 22 28 BEL20 25 40 BES2025 -16 28 30 BEL25 30 44 BES2532 -20 35 36 BEL32 38 50 BES32BANJO铰接式胶管接头(用空心铰接螺栓连接、两平面用密封垫圈)胶管尺寸BN BR通径DN(mm)标号螺栓dmmHmm订货标记螺栓dmmHmm订货标记6 -4 M12×1.5 12.1 12 BN06 G1/4 13.3 15 BR06 8 -5 M14×1.5 14.1 14 BN08 G5/16 16.7 20 BR08 10 -6 M16×1.5 16.1 16 BN10 G3/8 16.7 20 BR10 12 -8 M18×1.5 18.1 18 BN12 G1/2 21 25 BR12 16 -10 M22×1.5 22.1 22 BN16 G5/8 23 27 BR16 20 -12 M26×1.5 26.1 26 BN20 G3/4 26.5 31 BR20 25 -16 M30×2 30.1 30 BN25 G1 33.3 42 BR25AGJ公制JIC外螺纹,(UNF螺纹) 74°外锥面胶管尺寸G英寸L maxmmSWmm订货标记通径DN(mm)标号5 -3 7/16-20 65 12.7 AGJ056 -4 1/2-20 67 12.7 AGJ068 -5 9/16-18 70 16 AGJ0810 -6 9/16-18 70 16 AGJ1012 -8 7/8-14 80 22.4 AGJ1216 -10 11/16-12 90 26.9 AGJ1620 -12 11/16-12 90 26.9 AGJ2025 -16 15/16-12 105 33.3 AGJ2532 -20 15/8-12 125 41.4 AGJ3240 -24 17/8-12 130 47.8 AGJ4050 -32 21/2-12 140 63.5 AGJ50 AGN美制NPTF外螺纹锥螺纹密封胶管尺寸G英寸L maxmmSWmm订货标记通径DN(mm)标号5 -3 R1/8-27 64 14.2 AGN056 -4 R 1/4-18 66 14.2 AGN068 -5 R 3/8-18 68 17.5 AGN0810 -6 R 3/8-18 73 17.5 AGN1012 -8 R 1/2-14 77 22.4 AGN1216 -10 R 3/4-14 84 28.7 AGN1620 -12 R 3/4-14 96 28.7 AGN2025 -16 R1-11.5 113 36.6 AGN2532 -20 R11/4-11.5 127 44.5 AGN3240 -24 R11/2-11.5 140 50.8 AGN40DKR (45 / 90) 英制BSP内螺纹,60°外锥面胶管尺寸G英寸L maxmmSWmm订货标记通径DN(mm)标号5 -3 R1/8"77 15.3 DKR056 -4 R 1/4"81 18.1 DKR068 -5 R 3/8"84 20.9 DKR0810 -6 R1/2"86 25.7 DKR1012 -8 R 1/2"88 25.7 DKR1216 -10 R5/8"99 28 DKR1620 -12 R 3/4"109 33.1 DKR2025 -16 R1"118 37.6 DKR2532 -20 R11/4"141 47.3 DKR3240 -24 R11/2"160 56.4 DKR4050 -32 R2"170 70.1 DKR50 AGR英制BSP外螺纹60°内锥面胶管尺寸G英寸L maxmmSWmm订货标记通径DN(mm)标号5 -3 R1/8"64 14.2 AGR056 -4 R 1/4"66 18 AGR068 -5 R 3/8"68 23.4 AGR0810 -6 R1/2"73 25.7 AGR1012 -8 R 1/2"77 25.7 AGR1216 -10 R5/8"84 27.9 AGR1620 -12 R 3/4"96 33 AGR2025 -16 R1"113 41.4 AGR2532 -20 R11/4"127 50.8 AGR3240 -24 R11/2"140 54.1 AGR40胶管接头STECK插装式胶管接头(煤矿用,与插杆孔卡板连接)胶管尺寸dmmDmmlmmLmm订货标记通径DN(mm)标号6 -4 10 15 29 65 STECK610 -6 14 20 29 72 STECK 1012 -8 18 24 29 75 STECK 1216 -10 21 26 29 75 STECK 1620 -12 24 29 29 85 STECK 2025 -16 31 39 35 100 STECK 2532 -20 38 46 36 110 STECK 3240 -24 47 55 40 130 STECK 4050 -32 56 64 40 130 STECK 50 DKJ (45 / 90)美制JIC内螺纹UNF74°内锥面(与球面接头或同角度锥面接头连接)胶管尺寸G英寸L maxmmSWmm订货标记通径DN(mm)标号5 -3 7/16-20 65 12.7 AGJ056 -4 1/2-20 67 12.7 AGJ068 -5 9/16-18 70 16 AGJ0810 -6 9/16-18 70 16 AGJ1012 -8 7/8-14 80 22.4 AGJ1216 -10 11/16-12 90 26.9 AGJ1620 -12 11/16-12 90 26.9 AGJ2025 -16 15/16-12 105 33.3 AGJ2532 -20 15/8-12 125 41.4 AGJ3240 -24 17/8-12 130 47.8 AGJ40SFL(45 / 90)SAE 法兰3000 PSI胶管尺寸法兰规格英寸DmmL maxmm订货标记通径DN(mm)标号12 -8 1/2"30.2 100 SFL1216 -10 3/4"38.1 116 SFL1620 -12 3/4 "38.1 116 SFL2025 -16 1"44.4 140 SFL2532 -20 11/4 "50.8 155 SFL3240 -24 11/2 "60.3 171 SFL4050 -32 2"71.4 191 SFL50 SFS(45 / 90)SAE 法兰6000 PSI胶管尺寸法兰规格英寸DmmL maxmm订货标记通径DN(mm)标号12 -8 1/2"31.8 100 SFS1216 -10 3/4"41.3 116 SFS1620 -12 3/4 "41.3 116 SFS2025 -16 1"47.6 145 SFS2532 -20 11/4 "54 165 SFS3240 -24 11/2 "63.5 180 SFS4050 -32 2"79.4 190 SFS50对开法兰夹3000 PSI胶管尺寸法兰规格英寸尺寸订货标记通径DN(mm)标号A B C D E12 -8 1/2"54 46 38.1 9 17.5 FL1220 -12 3/4 "65.1 52 47.6 11 22.2 FL2025 -16 1"69.8 59 52.4 11 26.2 FL2532 -20 11/4 "79.4 73 58.7 11 30.2 FL3240 -24 11/2 "93.7 83 69.8 13.5 35.7 FL4050 -32 2"101.6 97 77.8 13.5 42.9 FL50对开法兰夹6000 PSI胶管尺寸法兰规格英寸尺寸订货标记通径DN(mm)标号A B C D E12 -8 1/2"56.3 47 40.5 9 18.2 FS12 20 -12 3/4 "71.4 60 50.8 11 23.8 FS20 25 -16 1"80.9 70 57.1 13 27.8 FS25 32 -20 11/4 "95.2 77 66.7 15 31.8 FS32 40 -24 11/2 "112.7 95 79.4 17 36.5 FS40 50 -32 2"133.3 110 96.8 21 44.5 FS50技术说明影响胶管总成使用情况的因素很多。