胶管接头型式一览表A
- 格式:doc
- 大小:93.50 KB
- 文档页数:2
根据各类接头(45°、90°及180°)规格及尺
寸对照表
引言
本文档旨在提供根据各类接头(45°、90°及180°)的规格和尺寸对照表。
接头是用于将两个或多个管道连接起来的重要元素,以确保管道系统的正常运行。
正确选择和安装接头是保证管道连接牢固和有效的关键。
本文档将列出不同种类接头的规格和尺寸,以便工程师和技术人员可以方便地进行选择和安装。
接头规格及尺寸对照表
下表展示了不同种类接头(45°、90°及180°)的规格和尺寸对照表:
请注意,上述规格和尺寸仅供参考,具体的数值可能会根据实际情况有所变化。
在选择和安装接头时,请务必参考相关标准和制造商提供的具体规格。
结论
通过本文档提供的各类接头(45°、90°及180°)规格及尺寸对照表,工程师和技术人员可以方便地选择合适的接头,并确保管道系统的连接牢固和有效。
使用本文档作为参考,可以提高工作效率并减少错误的发生。
> 注意:本文档中的规格和尺寸仅供参考,请在实际使用过程中参考相关标准和制造商提供的具体规格。
一、卡套式管接头简介8-KT1卡套式端直通管接头GB3733.1-83(JB1942-77)8-KT2卡套式端直通长管接头GB3735.1-83(JB1943-77)8-KT3卡套式直通管接头GB3737.1-83(JB1944-77)8-KT4卡套式端直角管接头GB3738.1-83(JB1945-77)8-KT5卡套式直角管接头GB3740.1-83(JB1946-77)8-KT6卡套式端三通管接头GB3741.1-83(JB1947-77)8-KT7卡套式三通管接头GB3745.1-83(JB1948-77)8-KT8卡套式四通管接头GB3746.1-83(JB1949-77)8-KT9卡套式焊接管接头GB3747.1-83(JB1950-77)8-KT10卡套式隔壁直通管接头GB3748.1-83(JB1951-77)8-KT11卡套式隔壁直角管接头GB3749.1-83(JB1952-77)8-KT12卡套式铰接管接头GB3750.1-83(JB1953-77)8-KT13卡套式端直通变径管接头(JB1954-77)8-KT14卡套式直通变径管接头(JB1955-77)8-KT15卡套式端直角变径管接头(JB1956-77)8-KT16卡套式压力表管接头GB3751.1-83(JB1957-77)8-KT17卡套式组合直角管接头GB3752.1-83(JB1958-77)8-KT18卡套式组合三通管接头GB3753.1-83(JB1959-77)8-KT19卡套式对接端直通管接头GB5437.1-83(JB1960-77)8-KT20卡套式对接直通管接头GB3756.1-83(JB1961-77)8-KT21卡套式对接端直角管接头GB3757.1-83(JB1962-77)8-KT22卡套式锥螺纹端直通管接头(JB/ZQ4401-86)GB3734.1-83(Q/ZB208-77)8-KT23卡套式锥螺纹直通长管接头GB3736.1-83(Q/ZB209-77)8-KT24卡套式锥螺纹端直角管接头(JB/ZQ4407-86)GB3739.1-83(Q/ZB210-77)8-KT25卡套式锥螺纹端三角管接头(JB/ZQ4404-86)GB3742.1-83(Q/ZB211-77)8-KT26卡套式端直角三通管接头GB3743.1-838-KT27卡套式锥螺纹端直角三通管接头(JB/ZQ4405-86)GB4437.1-838-KT28卡套式锥螺纹对接端直通管接头GB3755.1-838-KT29卡套式锥螺纹对接端直通管接头GB3758.1-838-KT30卡套式管接头用交角密封垫圈GB3762-838-KT31卡套式管接头用六角薄螺母GB3763-838-KT32卡套式堵头三。
旧样本型号新样本型号焊接式端直通管接头HJT1 HGC0301.1(P73)焊接式直通管接头HJT3 HGC0303.1(P74)焊接式端直通锥螺纹管接头HDZZ203-01 HGC0314.1(P81)卡套式端直通管接头KJT3 KGB0201.1(P44)卡套式直通管接头KJT1 KGB0205.1(P48)卡套式端对接直通管接头KDZG203-01 KGB0222.1(P66)卡套式对接直通管接头KDZG204-01 KGB0224.1(P68)锥密封焊接式端直通管接头ZMG1 ZDG0401.1(P96)锥密封焊接式端直通圆柱管螺纹管接头ZMG2 ZDG0402.1(P97)锥密封焊接式端直通锥管螺纹管接头ZMHDZG203-01 ZDG0403.1(P98)卡套式锥螺纹直通管接头KZLDG203-01 KGB0202.1(P45)卡套式锥螺纹对接直通管接头KZLDG204-01 KGB0223.1(P67)扩口式端直通管接头KDTJT204-01 KGA0101.1(P18)扩口式锥螺纹直通管接头KZLWGJ204-01 KGA0102.1(P19)铜管用管接头GJT639 RGF0603.1(P126)铜管用直通管接头TJT634 RGF0607.1(P127)铜管用直角管接头JJT635 RGF0605.1(P127)钢管用螺纹连接三通接头ST8.5.4 ST8.5.4(P305)钢管用螺纹连接异径三通接头YST8.5.5 YST8.5.5(P305)钢管用螺纹连接弯头WT8.5.6 WT8.5.6(P306)钢管用螺纹连接外接头WT8.5.7 WT8.5.7(P306)钢管用螺纹连接内接头NJT8.5.8 NJT8.5.8(P307)钢管用螺纹连接内外接头NWJT8.5.9 NWJT8.5.9(P307)钢管用螺纹连接分管接头体FJT8.5.12 FJT8.5.12(P310)钢管用螺纹连接活接头HJT638 HJT638(P310)钢管用插入焊接式45°接头JT8.5.13 CGE0510.1(P120)钢管用插入焊接式变径接头BJT8.5.31 CGE0511.1(P121)钢管用插入焊接式接头JT8.5钢管用插入焊接式三通RST8.5.36 CGE0509.1(P120)钢管用插入焊接式弯头RWT8.5.37 CGE0501.1(P113)钢管用插入焊接式直通接头ZJT8.5.58 CGE0506.1(P118)钢管用插入焊接式变径直通接头BZT8.5.59 CGE0507.1(P118)钢管用插入焊接式变径接头RBJT8.5.61 CGE0505.1(P116)钢管用插入焊接式活接头RHT633 CGE0512.1(P121)钢管用插入焊接式高压法兰GFL631 CGE0513.1(P122)钢管用插入焊接式终端法兰ZFL826 CGE0514.1(P122)焊接式管接头SJT825 HGC0315.1(P82)焊接式管接头SJT8.27 HGC0322.1-1(P88)焊接式管接头SJT8.28 HGC0322.1-2(P88)带阀单向阀接头DFT636 DFT636(P317)带阀双向逆止阀接头SFT643 SFT643(P317)高压胶管总成GJG642 PGJ1201.1(P152)等径直角螺纹接头DJJT8.5.56 DJJT8.5.56 (P 313)等径直角螺纹长接头DCJT8.5.57 DCJT8.5.57 (P 313) 双通衬板SB8.5.64 SB8.5.64(P 314)直角法兰TFL8.5.65 TFL8.5.65(P 314)螺塞ZLS203 LGM2001.1(P 257) 旋转接头XJT637 XJT637(P318)分配器罩DWQZ828分配器罩DVQZ829分配器支架QJ8.5.47 QJ8.5.47 (P315)支架ZJ8.5.48 ZJ8.5.48 (P316)支架QJ8.5.43 QJ8.5.43(P316)管夹和管托架GJ811.1、GJ811.2、GJ811.3、GJ811.4 DGJ2201.1、D GJ2201.2、DGJ2201.3、DGJ2201.4(P269) U型螺栓US820 UXG2801.1 (P325)JG-焊接头、JGM-焊接头,带螺母ZTK1101.1焊接头、ZTK1101.2焊接头,带螺母(P148) DZT-端直通接头LGT2801.1 (P325)DZTN/DZTV-端直通管接头(公制螺纹、UNF螺纹)LGT2803.1(P327)BDT-变径端直通接头BDZ-变径端直通接头LGT2802.1 (P326)KDT-可调式端直通接头LGT2807.1(P331)KETM/KETA可调式端直通接头LGT2827.1(P349)KDZ-可调式端直角接头ZGD0416.1(P108)KZ-可调式端直角接头LGT2820.1(P343)STQ-三通管接头LGT2821.1(P344)ZTH-直通焊接接头ZGD0409.1(P103)ZTG-直通管接头ZGD0404.1(P99)ZJG-直角管接头ZGD0410.1(P103)STG-三通管接头ZGD0411.1(P104)FTG-四通管接头ZGD0419.1(P111)ZGB-直通隔壁管接头ZGD0413.1(P105)ZJGB-直角隔壁管接头ZGD0412.1(P105)ZJ-焊接头、DJ-焊接头,带螺母ZTK1103.1、ZTK1104.1(P150) JJT-铰接式接头LGT2817.1(P341)JST-铰接式三通管接头ZGD0418.1(P110)BJT-变径接头体BJT-变径接头体DT-堵头管路测试点接头KSE、HSC CGY2754.1、CGY2755.1(P297) FL-法兰FL(P211)FLJ-法兰接头FLJ(P211)FLM-盲孔法兰接头FLM(P211)FLJ/FLK-法兰接头-PN10-64(bar)FLJ/FLK(P212)FLJ/FLK-法兰接头-PN160(bar)FLJ/FLK(P213)FLJ/FLK-法兰接头-PN250(bar)FLJ/FLK(P214)FLJ/FLK-法兰接头-PN315(bar)FLJ/FLK(P215)FLJ/FLK-法兰接头-PN400(bar)FLJ/FLK(P216)FLJ/FLK-法兰接头-PN500(bar)FLJ/FLK(P217)BHG-变径焊接管BHG(P201)SF-三通法兰接头SF(P218)ZFL-直角法兰接头ZFL(P219)AFLJ/AFLK法兰接头AFLJ/AFLK(P220) DKF-对开法兰DKF(P221)QFL-全法兰QFL(P221)AFLJ-法兰接头AFLJ(P221)AFLK-法兰接头AFLK(P221)AFLM-盲孔法兰接头AFLM(P221)AFKM-盲孔法兰接头AFKM(P222)AFLJ/AFLK法兰接头(BSP内螺纹连接)AFLJ/AFLK(P223)FLA/FL-FLJX焊接法兰接头FLA/FL-FLJX(P224) SAFA/SAF-FLJX焊接法兰接头SAFA/SAF-FLJX(P225) SAFA/SAF-FLJX焊接法兰接头SAFA/SAF-FLJX(P226) BHM-24°锥FLJX法兰接头BHM-24°锥FLJX(P227)BHM-FLJX直角焊接法兰接头BHM-FLJX(P228)BHMW -24°锥FLJX直角法兰BHMW -24°锥FLJX(P229) BHMW -24°锥FLJX直角对开法兰接头BHMW -24°锥FLJX(P230) STF-FLJX三通法兰接头STF-FLJX(P231)旋转接头总成(P232)DJL-旋转接头DJL(P233)XJT/XZT-旋转接头XJT/XZT(P234)EFT-旋转接头EFT(P235)EDA-旋转接头EDA(P236)EDN-旋转接头EDN(P237)END-旋转接头END(P238)EDJ-旋转接头EDJ(P239)EDQO/EDA旋转接头EDQO/EDA(P240)WT-弯头GWJ1601.1(P197)腰形法兰接头-YFJT(3000Psi)YFJT(3000Psi)(P241) 腰形法兰接头-YFJT(6000Psi)YFJT(6000Psi)(P242) 腰形法兰接头-YFJ(3000Psi)YFJ(3000Psi)(P243) 腰形法兰接头-YFJ(6000Psi)YFJ(6000Psi)(P244) 方形法兰接头-FFJ FFJ(P245)方形法兰接头-FFJ FFJ(P246)快速接头-HRS1系列HRS1(P283)快速接头-HRS2系列HRS2(P286)快速接头-HRS3系列HRS3(P289)快速接头-HRS4系列HRS4(P292)轻型管夹(P270- P273)轻型叠加式管夹(P274)重型管夹(P275- P278) 重型叠加式管夹(P279)双联管夹(P280)。
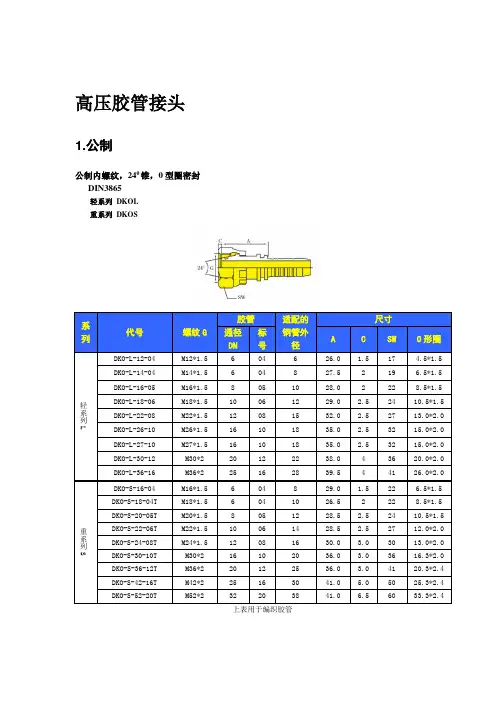
胶管接头DKO-L(45 / 90)公制螺纹,24°锥,带O形圈DIN2353轻系列胶管尺寸Gmm L maxmmSWmm订货标记通径DN(mm)标号5 -3 M12×1.5 77 17 DKOL056 -4 M14×1.5 81 17 DKOL068 -5 M16×1.5 84 19 DKOL0810 -6 M18×1.5 86 22 DKOL1012 -8 M22×1.5 88 27 DKOL1216 -10 M26×1.5 89 32 DKOL1620 -12 M30×2 109 36 DKOL2025 -16 M36×2 118 41 DKOL2532 -20 M45×2 141 55 DKOL3240 -24 M52×2 151 60 DKOL40 DKO-S(45 / 90)公制螺纹,24°锥,带O形圈DIN2353重系列胶管尺寸Gmm L maxmmSWmm订货标记通径DN(mm)标号5 -3 M16×1.5 77 19 DKOS056 -4 M18×1.5 81 22 DKOS068 -5 M20×1.5 84 24 DKOS08 10 -6 M22×1.5 86 27 DKOS10 12 -8 M24×1.5 88 30 DKOS12 16 -10 M30×2 89 36 DKOS16 20 -12 M36×2 109 41/46 DKOS20 25 -16 M42×2 118 50 DKOS25 32 -20 M52×2 141 60 DKOS32胶管接头CEL公制外螺纹,24°锥面DIN2353轻系列DES公制外螺纹,24°锥面DIN2353重系列BES/BEL (45 / 90)卡套式胶管接头 (重型、轻型)胶管尺寸BEL=轻系列BES=重系列通径标号 d mm l mm订货标记 d mm l mm订货标记DN(mm)6 -4 8 22 BEL06 10 26 BES068 -5 10 24 BEL08 12 26 BES0810 -6 12 25 BEL10 14 29 BES1012 -8 15 25 BEL12 16 30 BES1216 -10 18 26 BEL16 20 36 BES1620 -12 22 28 BEL20 25 40 BES2025 -16 28 30 BEL25 30 44 BES2532 -20 35 36 BEL32 38 50 BES32BANJO铰接式胶管接头(用空心铰接螺栓连接、两平面用密封垫圈)胶管尺寸BN BR通径标号螺栓 d mm H mm订货标记螺栓 d mm H mm订货标记DN(mm)6 -4 M12×1.5 12.1 12 BN06 G1/4 13.3 15 BR068 -5 M14×1.5 14.1 14 BN08 G5/16 16.7 20 BR0810 -6 M16×1.5 16.1 16 BN10 G3/8 16.7 20 BR1012 -8 M18×1.5 18.1 18 BN12 G1/2 21 25 BR1216 -10 M22×1.5 22.1 22 BN16 G5/8 23 27 BR1620 -12 M26×1.5 26.1 26 BN20 G3/4 26.5 31 BR2025 -16 M30×2 30.1 30 BN25 G1 33.3 42 BR25AGJ公制JIC外螺纹,(UNF螺纹) 74°外锥面胶管尺寸G英寸L maxmmSWmm订货标记通径DN(mm)标号5 -3 7/16-20 65 12.7 AGJ056 -4 1/2-20 67 12.7 AGJ068 -5 9/16-18 70 16 AGJ0810 -6 9/16-18 70 16 AGJ1012 -8 7/8-14 80 22.4 AGJ1216 -10 11/16-12 90 26.9 AGJ1620 -12 11/16-12 90 26.9 AGJ2025 -16 15/16-12 105 33.3 AGJ2532 -20 15/8-12 125 41.4 AGJ3240 -24 17/8-12 130 47.8 AGJ4050 -32 21/2-12 140 63.5 AGJ50 AGN美制NPTF外螺纹锥螺纹密封胶管尺寸G英寸L maxmmSWmm订货标记通径DN(mm)标号5 -3 R1/8-27 64 14.2 AGN056 -4 R 1/4-18 66 14.2 AGN068 -5 R 3/8-18 68 17.5 AGN08 10 -6 R 3/8-18 73 17.5 AGN10 12 -8 R 1/2-14 77 22.4 AGN12 16 -10 R 3/4-14 84 28.7 AGN16 20 -12 R 3/4-14 96 28.7 AGN20 25 -16 R1-11.5 113 36.6 AGN25 32 -20 R11/4-11.5 127 44.5 AGN32 40 -24 R11/2-11.5 140 50.8 AGN4050 -32 R2-11.5 150 62.0 AGN50胶管接头DKR (45 / 90)英制BSP螺纹,60°外锥面胶管尺寸G英寸L maxmmSWmm订货标记通径DN(mm)标号5 -3 R1/8"77 15.3 DKR056 -4 R 1/4"81 18.1 DKR068 -5 R 3/8"84 20.9 DKR0810 -6 R1/2"86 25.7 DKR1012 -8 R 1/2"88 25.7 DKR1216 -10 R5/8"99 28 DKR1620 -12 R 3/4"109 33.1 DKR2025 -16 R1"118 37.6 DKR2532 -20 R11/4"141 47.3 DKR3240 -24 R11/2"160 56.4 DKR4050 -32 R2"170 70.1 DKR50 AGR英制BSP外螺纹60°锥面胶管尺寸G英寸L maxmmSWmm订货标记通径DN(mm)标号5 -3 R1/8"64 14.2 AGR056 -4 R 1/4"66 18 AGR068 -5 R 3/8"68 23.4 AGR08 10 -6 R1/2"73 25.7 AGR10 12 -8 R 1/2"77 25.7 AGR12 16 -10 R5/8"84 27.9 AGR16 20 -12 R 3/4"96 33 AGR20 25 -16 R1"113 41.4 AGR25 32 -20 R11/4"127 50.8 AGR3240 -24 R11/2"140 54.1 AGR4050 -32 R2"150 66.8 AGR50胶管接头STECK插装式胶管接头(煤矿用,与插杆孔卡板连接)胶管尺寸dmm DmmlmmLmm订货标记通径DN(mm)标号6 -4 10 15 29 65 STECK610 -6 14 20 29 72 STECK 1012 -8 18 24 29 75 STECK 1216 -10 21 26 29 75 STECK 1620 -12 24 29 29 85 STECK 2025 -16 31 39 35 100 STECK 2532 -20 38 46 36 110 STECK 3240 -24 47 55 40 130 STECK 4050 -32 56 64 40 130 STECK 50 DKJ (45 / 90)美制JIC螺纹UNF74°锥面(与球面接头或同角度锥面接头连接)胶管尺寸G英寸L maxmmSWmm订货标记通径DN(mm)标号5 -3 7/16-20 65 12.7 AGJ056 -4 1/2-20 67 12.7 AGJ068 -5 9/16-18 70 16 AGJ08 10 -6 9/16-18 70 16 AGJ10 12 -8 7/8-14 80 22.4 AGJ12 16 -10 11/16-12 90 26.9 AGJ16 20 -12 11/16-12 90 26.9 AGJ2025 -16 15/16-12 105 33.3 AGJ2532 -20 15/8-12 125 41.4 AGJ3240 -24 17/8-12 130 47.8 AGJ4050 -32 21/2-12 140 63.5 AGJ50胶管接头SFL(45 / 90)SAE 法兰 3000 PSI胶管尺寸法兰规格英寸DmmL maxmm订货标记通径DN(mm)标号12 -8 1/2"30.2 100 SFL1216 -10 3/4"38.1 116 SFL1620 -12 3/4 "38.1 116 SFL2025 -16 1"44.4 140 SFL2532 -20 11/4 "50.8 155 SFL3240 -24 11/2 "60.3 171 SFL4050 -32 2"71.4 191 SFL50 SFS(45 / 90)SAE 法兰 6000 PSI胶管尺寸法兰规格英寸DmmL maxmm订货标记通径DN(mm)标号12 -8 1/2"31.8 100 SFS12 16 -10 3/4"41.3 116 SFS16 20 -12 3/4 "41.3 116 SFS20 25 -16 1"47.6 145 SFS25 32 -20 11/4 "54 165 SFS32 40 -24 11/2 "63.5 180 SFS4050 -32 2"79.4 190 SFS50胶管接头对开法兰夹3000 PSI胶管尺寸法兰规格英寸尺寸订货标记通径DN(mm)标号A B C D E12 -8 1/2"54 46 38.1 9 17.5 FL12 20 -12 3/4 "65.1 52 47.6 11 22.2 FL20 25 -16 1"69.8 59 52.4 11 26.2 FL25 32 -20 11/4 "79.4 73 58.7 11 30.2 FL32 40 -24 11/2 "93.7 83 69.8 13.5 35.7 FL4050 -32 2"101.697 77.8 13.5 42.9 FL50对开法兰夹6000 PSI胶管尺寸法兰规格英寸尺寸订货标记通径DN(mm)标号A B C D E12 -8 1/2"56.3 47 40.5 9 18.2 FS12 20 -12 3/4 "71.4 60 50.8 11 23.8 FS20 25 -16 1"80.9 70 57.1 13 27.8 FS25 32 -20 11/4 "95.2 77 66.7 15 31.8 FS32技术说明影响胶管总成使用情况的因素很多。
胶管接头DKO-L(45 / 90)公制内螺纹,24°锥,带O形圈DIN2353轻系列DKO-S(45 / 90)公制内螺纹,24°锥,带O形圈DIN2353重系列胶管接头CEL公制外螺纹,24°内锥面DIN2353轻系列DES公制外螺纹,24°内锥面DIN2353重系列BES/BEL (45 / 90)卡套式胶管接头(重型、轻型)BANJO铰接式胶管接头(用空心铰接螺栓连接、两平面用密封垫圈)AGJ公制JIC外螺纹,(UNF螺纹) 74°外锥面AGN美制NPTF外螺纹锥螺纹密封胶管接头DKR (45 / 90)英制BSP内螺纹,60°外锥面AGR英制BSP外螺纹60°内锥面胶管接头STECK插装式胶管接头(煤矿用,与插杆孔卡板连接)DKJ (45 / 90)美制JIC内螺纹UNF74°内锥面(与球面接头或同角度锥面接头连接)胶管接头SFL(45 / 90)SAE 法兰3000 PSISFS(45 / 90)SAE 法兰6000 PSI胶管接头对开法兰夹3000 PSI对开法兰夹6000 PSI技术说明影响胶管总成使用情况的因素很多。
只有按照工况正确选用胶管及接头,才能保证使用胶管的可靠性和经济性。
这些因素有:1.胶管尺寸胶管内径要适当。
管径过小会加大管路内介质的流速,使系统发热,降低效率,而且会产生过大的压力降,影响整个系统的性能。
若胶管采用管夹固定或胶管穿过钢板等间隔物时,也要注意胶管的外径尺寸。
2.工作压力资料中有关胶管的动态工作压力是指胶管在连续工作时允许的最高压力。
按照有关国际标准规定的液压胶管的安全系数,我们推荐的工作压力通常约为胶管最低爆破压力值的四分之一。
3.冲击压力和疲劳寿命胶管的选择是根据液压系统设计的最高压力值来确定的。
由于液压系统的压力值通常是动态的,有时会出现冲击压力,冲击压力峰值会大大高于系统的最高压力值。
DKO-L(45 / 90)公制内螺纹,24°锥,带O形圈DIN2353轻系列胶管尺寸Gmm L maxmmSWmm订货标记通径DN(mm)标号5 -3 M12×1.5 77 17 DKOL056 -4 M14×1.5 81 17 DKOL068 -5 M16×1.5 84 19 DKOL0810 -6 M18×1.5 86 22 DKOL1012 -8 M22×1.5 88 27 DKOL1216 -10 M26×1.5 89 32 DKOL1620 -12 M30×2 109 36 DKOL2025 -16 M36×2 118 41 DKOL2532 -20 M45×2 141 55 DKOL3240 -24 M52×2 151 60 DKOL40 DKO-S(45 / 90)公制内螺纹,24°锥,带O形圈DIN2353重系列胶管尺寸Gmm L maxmmSWmm订货标记通径DN(mm)标号5 -3 M16×1.5 77 19 DKOS056 -4 M18×1.5 81 22 DKOS068 -5 M20×1.5 84 24 DKOS0810 -6 M22×1.5 86 27 DKOS1012 -8 M24×1.5 88 30 DKOS1216 -10 M30×2 89 36 DKOS1620 -12 M36×2 109 41/46 DKOS2025 -16 M42×2 118 50 DKOS2532 -20 M52×2 141 60 DKOS32CEL公制外螺纹,24°内锥面DIN2353轻系列DES公制外螺纹,24°内锥面DIN2353重系列BES/BEL (45 / 90)卡套式胶管接头(重型、轻型)胶管尺寸BEL=轻系列BES=重系列通径DN(mm)标号 d mm l mm订货标记 d mm l mm订货标记6 -4 8 22 BEL06 10 26 BES068 -5 10 24 BEL08 12 26 BES0810 -6 12 25 BEL10 14 29 BES1012 -8 15 25 BEL12 16 30 BES1216 -10 18 26 BEL16 20 36 BES1620 -12 22 28 BEL20 25 40 BES2025 -16 28 30 BEL25 30 44 BES2532 -20 35 36 BEL32 38 50 BES32BANJO铰接式胶管接头(用空心铰接螺栓连接、两平面用密封垫圈)胶管尺寸BN BR通径DN(mm)标号螺栓 dmmHmm订货标记螺栓dmmHmm订货标记6 -4 M12×1.5 12.1 12 BN06 G1/4 13.3 15 BR06 8 -5 M14×1.5 14.1 14 BN08 G5/16 16.7 20 BR08 10 -6 M16×1.5 16.1 16 BN10 G3/8 16.7 20 BR10 12 -8 M18×1.5 18.1 18 BN12 G1/2 21 25 BR12 16 -10 M22×1.5 22.1 22 BN16 G5/8 23 27 BR16 20 -12 M26×1.5 26.1 26 BN20 G3/4 26.5 31 BR20 25 -16 M30×2 30.1 30 BN25 G1 33.3 42 BR25AGJ公制JIC外螺纹,(UNF螺纹) 74°外锥面胶管尺寸G英寸L maxmmSWmm订货标记通径DN(mm)标号5 -3 7/16-20 65 12.7 AGJ056 -4 1/2-20 67 12.7 AGJ068 -5 9/16-18 70 16 AGJ0810 -6 9/16-18 70 16 AGJ1012 -8 7/8-14 80 22.4 AGJ1216 -10 11/16-12 90 26.9 AGJ1620 -12 11/16-12 90 26.9 AGJ2025 -16 15/16-12 105 33.3 AGJ2532 -20 15/8-12 125 41.4 AGJ3240 -24 17/8-12 130 47.8 AGJ4050 -32 21/2-12 140 63.5 AGJ50 AGN美制NPTF外螺纹锥螺纹密封胶管尺寸G英寸L maxmmSWmm订货标记通径DN(mm)标号5 -3 R1/8-27 64 14.2 AGN056 -4 R 1/4-18 66 14.2 AGN068 -5 R 3/8-18 68 17.5 AGN0810 -6 R 3/8-18 73 17.5 AGN1012 -8 R 1/2-14 77 22.4 AGN1216 -10 R 3/4-14 84 28.7 AGN1620 -12 R 3/4-14 96 28.7 AGN2025 -16 R1-11.5 113 36.6 AGN2532 -20 R11/4-11.5 127 44.5 AGN3240 -24 R11/2-11.5 140 50.8 AGN40DKR (45 / 90) 英制BSP内螺纹,60°外锥面胶管尺寸G英寸L maxmmSWmm订货标记通径DN(mm)标号5 -3 R1/8"77 15.3 DKR056 -4 R 1/4"81 18.1 DKR068 -5 R 3/8"84 20.9 DKR0810 -6 R1/2"86 25.7 DKR1012 -8 R 1/2"88 25.7 DKR1216 -10 R5/8"99 28 DKR1620 -12 R 3/4"109 33.1 DKR2025 -16 R1"118 37.6 DKR2532 -20 R11/4"141 47.3 DKR3240 -24 R11/2"160 56.4 DKR4050 -32 R2"170 70.1 DKR50 AGR英制BSP外螺纹60°内锥面胶管尺寸G英寸L maxmmSWmm订货标记通径DN(mm)标号5 -3 R1/8"64 14.2 AGR056 -4 R 1/4"66 18 AGR068 -5 R 3/8"68 23.4 AGR0810 -6 R1/2"73 25.7 AGR1012 -8 R 1/2"77 25.7 AGR1216 -10 R5/8"84 27.9 AGR1620 -12 R 3/4"96 33 AGR2025 -16 R1"113 41.4 AGR2532 -20 R11/4"127 50.8 AGR3240 -24 R11/2"140 54.1 AGR40胶管接头STECK插装式胶管接头(煤矿用,与插杆孔卡板连接)胶管尺寸dmmDmmlmmLmm订货标记通径DN(mm)标号6 -4 10 15 29 65 STECK610 -6 14 20 29 72 STECK 1012 -8 18 24 29 75 STECK 1216 -10 21 26 29 75 STECK 1620 -12 24 29 29 85 STECK 2025 -16 31 39 35 100 STECK 2532 -20 38 46 36 110 STECK 3240 -24 47 55 40 130 STECK 4050 -32 56 64 40 130 STECK 50 DKJ (45 / 90)美制JIC内螺纹UNF74°内锥面(与球面接头或同角度锥面接头连接)胶管尺寸G英寸L maxmmSWmm订货标记通径DN(mm)标号5 -3 7/16-20 65 12.7 AGJ056 -4 1/2-20 67 12.7 AGJ068 -5 9/16-18 70 16 AGJ0810 -6 9/16-18 70 16 AGJ1012 -8 7/8-14 80 22.4 AGJ1216 -10 11/16-12 90 26.9 AGJ1620 -12 11/16-12 90 26.9 AGJ2025 -16 15/16-12 105 33.3 AGJ2532 -20 15/8-12 125 41.4 AGJ32SFL(45 / 90)SAE 法兰3000 PSI胶管尺寸法兰规格英寸DmmL maxmm订货标记通径DN(mm)标号12 -8 1/2"30.2 100 SFL1216 -10 3/4"38.1 116 SFL1620 -12 3/4 "38.1 116 SFL2025 -16 1"44.4 140 SFL2532 -20 11/4 "50.8 155 SFL3240 -24 11/2 "60.3 171 SFL4050 -32 2"71.4 191 SFL50 SFS(45 / 90)SAE 法兰6000 PSI胶管尺寸法兰规格英寸DmmL maxmm订货标记通径DN(mm)标号12 -8 1/2"31.8 100 SFS1216 -10 3/4"41.3 116 SFS1620 -12 3/4 "41.3 116 SFS2025 -16 1"47.6 145 SFS2532 -20 11/4 "54 165 SFS3240 -24 11/2 "63.5 180 SFS4050 -32 2"79.4 190 SFS50对开法兰夹3000 PSI胶管尺寸法兰规格英寸尺寸订货标记通径DN(mm)标号A B C D E12 -8 1/2"54 46 38.1 9 17.5 FL1220 -12 3/4 "65.1 52 47.6 11 22.2 FL2025 -16 1"69.8 59 52.4 11 26.2 FL2532 -20 11/4 "79.4 73 58.7 11 30.2 FL3240 -24 11/2 "93.7 83 69.8 13.5 35.7 FL4050 -32 2"101.6 97 77.8 13.5 42.9 FL50对开法兰夹6000 PSI胶管尺寸法兰规格英寸尺寸订货标记通径DN(mm)标号A B C D E12 -8 1/2"56.3 47 40.5 9 18.2 FS12 20 -12 3/4 "71.4 60 50.8 11 23.8 FS20 25 -16 1"80.9 70 57.1 13 27.8 FS25 32 -20 11/4 "95.2 77 66.7 15 31.8 FS32 40 -24 11/2 "112.7 95 79.4 17 36.5 FS40 50 -32 2"133.3 110 96.8 21 44.5 FS50技术说明影响胶管总成使用情况的因素很多。
胶管接头形式及标准各类液压管接头系列带螺纹各类型号,本示《书写方式》是指常用标准,非常用标准由以下几种型式表示;1、公制螺纹表示方式:在书写方式后部追一螺纹规格及螺距。
例:A16Π-M27×2J-A19Π-M30×1.52、英制管螺纹表示方式:(与常用同方法表示),即在书写方式后部追一螺纹规格。
例:A19Π-G3/4″J-A16Π-G5/8″3、美制细牙螺纹表示方式:(与常用同方法表示),即在书写方式后部追一螺纹规格及牙数。
例:A16Π-U11/16″×12 J-A16Π-U7/8″×14螺纹规格序号胶管通经公制螺纹英制管螺纹美制细牙螺纹1 4 M12×1.25 G1/8″5/16″-24(UNF)2 6 M14×1.5 G1/4″7/16″-20(UNF)3 8 M16×1.5 1/2″-20(UNF)4 10 M18×1.5 G3/8″9/16″-18(UNF)5 13(12) M22×1.5 G1/2″3/4″-16(UNF)6 16 M27×1.5 G5/8″7/8″-14(UNF)7 19(20) M30×1.5 G3/4″ 1 1/16″-12(UNF)8 22 M36×2 1 5/16″-12(UNF)9 25 M39×2 G1″ 1 5/16″-12(UNF)10 32 M45×2 G 1 1/4″ 1 5/8″-12(UNF)11 38 M52×2 G 1 1/2″ 1 7/8″-12(UNF)12 45 M60×213 51(50) M64×2 G2″ 2 1/2″-12(UNF)。
各种高压胶管总成的接头:分A、B、C、D、E、F、H型,法兰式等国标,其它厂标接头,包括30度弯45度75度弯及90度弯。
还可生产英制,美制等国家标准接头。
胶管接头型式一览表代号胶管总成接头形式说明引用标准代号胶管总成接头形式说明引用标准A与焊接式管接头接触面用密封圈GB9065.3-88(JB1885-77)I有英制或美制螺纹连接AGR-KAGNB与24°扩口式卡套接头连接GB9065.2-88(JB1886-77)RSL,RSSJ有60°锥形角连接AGR轻型AGR重型C与球面接头或同角度锥面接头连接GB9065.1-88(JB1887-77)DKJ轻型DKJ重型K与插杆孔卡板连接带O形密封圈D与24°60°扩口式接头连接DKLDKMM有带密封槽各不带密封槽螺纹连接E与卡套式管子连接CELCES O用空心铰管螺钉连接,两平面用密封垫圈F带O形圈密封槽,采用SAE法兰连接SFL3000SFL6000SAF法兰P与74°扩口式管接头连接AGJG与同角度60°扩口式管接头连接DKR重型DKR轻型H带O形密封圈与24°扩口式管接头连接DKO-LDKOR与24°或60°扩口式管接头连接DKFDKM高压胶管 总之,制造高压油管使用设备多、原料种类多,生产工艺复杂。
但近年来以塑料或热塑性弹性体为主要原料的液压油管生产工艺可适当简化,但原料价高,仍以橡胶原料为主。
高压胶管分类 高压油管按照制作工艺主要分为高压钢丝编织油管与高压钢丝缠绕油管: 高压钢丝缠绕油管(高压油管)一、高压钢丝缠绕油管结构主要由内胶层、中胶层、2、4、6层钢丝缠绕层、外胶层组成。
内胶层具有使输送介质承受压力,保护钢丝不受侵蚀的作用,外胶层保护钢丝不受损伤,钢丝(ф0.3-2.0增强层)层是骨架材料起增强作用。
高压钢丝缠绕油管一、高压钢丝缠绕油管结构主要由内胶层、中胶层、2、4、6层钢丝缠绕层、外胶层组成。
一、卡套式管接头简介8-KT1卡套式端直通管接头GB3733.1-83(JB1942-77)8-KT2卡套式端直通长管接头GB3735.1-83(JB1943-77)8-KT3卡套式直通管接头GB3737.1-83(JB1944-77)8-KT4卡套式端直角管接头GB3738.1-83(JB1945-77)8-KT5卡套式直角管接头GB3740.1-83(JB1946-77)8-KT6卡套式端三通管接头GB3741.1-83(JB1947-77)8-KT7卡套式三通管接头GB3745.1-83(JB1948-77)8-KT8卡套式四通管接头GB3746.1-83(JB1949-77)8-KT9卡套式焊接管接头GB3747.1-83(JB1950-77)8-KT10卡套式隔壁直通管接头GB3748.1-83(JB1951-77)8-KT11卡套式隔壁直角管接头GB3749.1-83(JB1952-77)8-KT12卡套式铰接管接头GB3750.1-83(JB1953-77)8-KT13卡套式端直通变径管接头(JB1954-77)8-KT14卡套式直通变径管接头(JB1955-77)8-KT15卡套式端直角变径管接头(JB1956-77)8-KT16卡套式压力表管接头GB3751.1-83(JB1957-77)8-KT17卡套式组合直角管接头GB3752.1-83(JB1958-77)8-KT18卡套式组合三通管接头GB3753.1-83(JB1959-77)8-KT19卡套式对接端直通管接头GB5437.1-83(JB1960-77)8-KT20卡套式对接直通管接头GB3756.1-83(JB1961-77)8-KT21卡套式对接端直角管接头GB3757.1-83(JB1962-77)8-KT22卡套式锥螺纹端直通管接头(JB/ZQ4401-86)GB3734.1-83(Q/ZB208-77)8-KT23卡套式锥螺纹直通长管接头GB3736.1-83(Q/ZB209-77)8-KT24卡套式锥螺纹端直角管接头(JB/ZQ4407-86)GB3739.1-83(Q/ZB210-77)8-KT25卡套式锥螺纹端三角管接头(JB/ZQ4404-86)GB3742.1-83(Q/ZB211-77)8-KT26卡套式端直角三通管接头GB3743.1-838-KT27卡套式锥螺纹端直角三通管接头(JB/ZQ4405-86)GB4437.1-838-KT28卡套式锥螺纹对接端直通管接头GB3755.1-838-KT29卡套式锥螺纹对接端直通管接头GB3758.1-838-KT30卡套式管接头用交角密封垫圈GB3762-838-KT31卡套式管接头用六角薄螺母GB3763-838-KT32卡套式堵头三。
扣压式钢丝编织管及胶管标识规范扣压式钢丝编织胶管总成根据国际公制标准,GB90653-88和一机部标准TB-1894-77扣压式胶管接头与钢丝纺织胶管(GB3683-83)的配套组成总成,适用于液压油、水为介质的管路系统,压力范围随管径不同为6-40MPa,介质温度油-40~+100℃,水<+80℃。
扣压式胶管接头主要由接头、套筒和接头芯组成,并在配备的专用模具、专用设备上扣压。
样式及标识示例如下:A型扣压式胶管接头可与有O型密封的管接头连接。
B型扣压式胶管接头可与卡套式管接头连接。
C型扣压式胶管接头可与球面或同角度锥面管接头连接。
胶管接头总成长度测量两端弯形胶管接头装配角的表示注:总成长度允许误差±3mm或±1%总成注:装配角允许误差±3°标记示例:1、两端相同弯形管头且同侧方向(V0°可不表示:C90°-C90°16II-1000)2、两端相同弯形管头,但不同侧方向:C90°-C90°16II-1000V118°3、两端不同型式弯形管头且同侧方向:B90°-C90°16II-10004、两端不同型式弯形管头且不同侧方向:B45°-C90°16II-1000V118°胶管总成接头型式一览表代号胶管总成接头型式说明引用标准A 与焊接式管接头连接,接触面用密封圈B与24°。
扩口式卡套接头连接C 与球面接头或同角度锥面接头连接D与24°、60°扩口式接头连接E与卡套式接头连接带O型密封槽,法F兰接口与同角度60°扩G口式管接头连接。
代号胶管总成接头形式说明引用标准代号胶管总成接头形式说明引用标准A 与焊接式管接头接触面用密封圈(JB1885-77)I有英制或美制螺纹连接AGR-KAGNB与24°扩口式卡套接头连接(JB1886-77)RSL,RSSJ有60°锥形角连接AGR轻型AGR重型C 与球面接头或同角度锥面接头连接(JB1887-77)DKJ轻型DKJ重型K与插杆孔卡板连接带O形密封圈D与24°60°扩口式接头连接DKLDKMM有带密封槽各不带密封槽螺纹连接E与卡套式管子连接CELCESO用空心铰管螺钉连接,两平面用密封垫圈F 带O形圈密封槽,采用SAE法兰连接SFL3000SFL6000SAF法兰P与74°扩口式管接头连接AGJG 与同角度60°扩口式管接头连接DKR重型DKR轻型R与24°或60°扩口式管接头连接DKFDKMH 带O形密封圈与24°扩口式管接头连接DKO-LDKO钢丝编织液压胶管技术性能指标(通径φ5-51, φ51-127)层数*通径*压力胶管内径mm胶管外径mm钢丝层直径mm工作压力MPa最小爆破压力MPa最小弯曲半径mm参考重量kg/m1-5-21 5± ±± 21 63 901-6-21 6± 16 +± 20 60 1001-8-17.5 8± 18 +± 1151-10-16 10± 20 +± 16 48 1301-13-14 13± 24 +± 14 42 1801-16-12 16± 27 +± 12 36 205注:本企业钢丝编织胶管参照GB/T3683-1992标准设计制作,并可根据要求制作ISO/DIS1436-1985,DIN20022及SAE100RIAT,SAE100R2AT标准胶管,本标准不适合蓖麻油基和脂基液体。
国外常见胶管接头标准胶管接头DKO-L(45 / 90)公制内螺纹,24°锥,带O形圈DIN2353轻系列胶管尺寸G mm L maxmmSWmm订货标记通径DN(mm)标号5 -3 M12×1.5 77 17 DKO6 -4 M14×1.5 81 17 DKO8 -5 M16×1.5 84 19 DKO 10 -6 M18×1.5 86 22 DKO 12 -8 M22×1.5 88 27 DKO 16 -10 M26×1.5 89 32 DKO 20 -12 M30×2 109 36 DKO 25 -16 M36×2 118 41 DKO 32 -20 M45×2 141 55 DKO 40 -24 M52×2 151 60 DKODKO-S(45 / 90)公制内螺纹,24°锥,带O形圈DIN2353重系列胶管尺寸G mm L maxmmSWmm订货标记通径DN(mm)标号5 -3 M16×1.5 77 19 DKO6 -4 M18×1.5 81 22 DKO8 -5 M20×1.5 84 24 DKO 10 -6 M22×1.5 86 27 DKO12 -8 M24×1.5 88 30 DKO 16 -10 M30×2 89 36 DKO 20 -12 M36×2 109 41/46 DKO 25 -16 M42×2 118 50 DKO 32 -20 M52×2 141 60 DKO胶管接头CEL公制外螺纹,24°内锥面DIN2353轻系列胶管尺寸G mmDmmL maxmmSWmm订货标记通径DN(mm)标号5 -3 M12×1.56 61 17 CEL06 -4 M14×1.5 8 63 17 CEL08 -5 M16×1.5 10 67 19 CEL0 10 -6 M18×1.5 12 69 22 CEL1 12 -8 M22×1.5 15 75 27 CEL1 16 -10 M26×1.5 18 85 32 CEL1 20 -12 M30×2 22 89 36 CEL2 25 -16 M36×2 28 103 41 CEL2 32 -20 M45×2 35 123 55 CEL3 40 -24 M52×2 42 126 60 CEL4DES公制外螺纹,24°内锥面DIN2353重系列胶管尺寸G D L max SW 订货标记通径DN( mm)标号mm mm mm mm5 -3 M16×1.5 8 64 17 CES06 -4 M18×1.5 10 66 19 CES0 8 -5 M20×1.5 12 68 22/24 CES0 10 -6 M22×1.5 14 73 22/24 CES1 12 -8 M24×1.5 16 77 24/27 CES1 16 -10 M30×2 20 84 30/32 CES1 20 -12 M36×2 25 96 36/41 CES2 25 -16 M42×2 30 113 46 CES2 32 -20 M52×2 38 127 55 CES3胶管接头BES/BEL (45 / 90)卡套式胶管接头(重型、轻型)胶管尺寸BEL=轻系列BES=重系列通径DN( mm)标号dmmlmm订货标记dmmlmm订货标记6 -4 8 22 BEL10 26 BES0 8 -5 10 24 BEL12 26 BES0 10 -6 12 25 BEL14 29 BES1 12 -8 15 25 BEL16 30 BES1 16 -10 18 26 BEL20 36 BES1 20 -12 22 28 BEL25 40 BES2 25 -16 28 30 BEL30 44 BES2 32 -20 35 36 BEL38 50 BES3BANJO铰接式胶管接头(用空心铰接螺栓连接、两平面用密封垫圈)胶管尺寸BN BR通径DN( mm)标号螺栓dmmHmm订货标记螺栓dmmHmm订货标记6 -4 M12×12.12 BN0G1/4 13.15 BR0 8 -5 M14×14.14 BN0G5/16 16.20 BR0 10 -6 M16×16.16 BN1G3/8 16.20 BR1 12 -8 M18×18.18 BN1G1/2 21 25 BR116 -10 M22×22.22 BN1G5/8 23 27 BR1 20 -12 M26×26.26 BN2G3/4 26.31 BR2 25 -16 M30×30.30 BN2G1 33.42 BR2胶管接头AGJ公制JIC外螺纹,(UNF螺纹) 74°外锥面胶管尺寸G 英寸L maxmmSWmm订货标记通径DN(mm)标号5 -3 7/16-20 65 12.7 AGJ056 -4 1/2-20 67 12.7 AGJ068 -5 9/16-18 70 16 AGJ08 10 -6 9/16-18 70 16 AGJ10 12 -8 7/8-14 80 22.4 AGJ12 16 -10 11/16-12 90 26.9 AGJ16 20 -12 11/16-12 90 26.9 AGJ20 25 -16 15/16-12 105 33.3 AGJ25 32 -20 15/8-12 125 41.4 AGJ32 40 -24 17/8-12 130 47.8 AGJ40 50 -32 21/2-12 140 63.5 AGJ50AGN美制NPTF外螺纹锥螺纹密封胶管尺寸G 英寸L maxmmSWmm订货标记通径DN(mm)标号5 -3 R1/8-27 64 14.2 AGN06 -4 R 1/4-18 66 14.2 AGN0 8 -5 R 3/8-18 68 17.5 AGN0 10 -6 R 3/8-18 73 17.5 AGN1 12 -8 R 1/2-14 77 22.4 AGN116 -10 R 3/4-14 84 28.7 AGN1 20 -12 R 3/4-14 96 28.7 AGN2 25 -16 R1-11.5 113 36.6 AGN2 32 -20 R11/4-11.5 127 44.5 AGN3 40 -24 R11/2-11.5 140 50.8 AGN4 50 -32 R2-11.5 150 62.0 AGN5胶管接头DKR (45 / 90)英制BSP内螺纹,60°外锥面胶管尺寸G 英寸L maxmmSWmm订货标记通径DN(mm)标号5 -3 R1/8"77 15.3 DKR06 -4 R 1/4"81 18.1 DKR0 8 -5 R 3/8"84 20.9 DKR0 10 -6 R1/2"86 25.7 DKR1 12 -8 R 1/2"88 25.7 DKR1 16 -10 R5/8"99 28 DKR1 20 -12 R 3/4"109 33.1 DKR2 25 -16 R1"118 37.6 DKR2 32 -20 R11/4"141 47.3 DKR3 40 -24 R11/2"160 56.4 DKR4 50 -32 R2"170 70.1 DKR5AGR英制BSP外螺纹60°内锥面胶管尺寸G L max SW 订货标记通径DN( mm)标号英寸mm mm5 -3 R1/8"64 14.2 AGR06 -4 R 1/4"66 18 AGR0 8 -5 R 3/8"68 23.4 AGR0 10 -6 R1/2"73 25.7 AGR1 12 -8 R 1/2"77 25.7 AGR1 16 -10 R5/8"84 27.9 AGR1 20 -12 R 3/4"96 33 AGR2 25 -16 R1"113 41.4 AGR2 32 -20 R11/4"127 50.8 AGR3 40 -24 R11/2"140 54.1 AGR4 50 -32 R2"150 66.8 AGR5胶管接头STECK插装式胶管接头(煤矿用,与插杆孔卡板连接)胶管尺寸d mmDmmlmmLmm订货标记通径DN(mm)标号6 -4 10 15 29 65 STECK610 -6 14 20 29 72 STECK 1012 -8 18 24 29 75 STECK 1216 -10 21 26 29 75 STECK 1620 -12 24 29 29 85 STECK 2025 -16 31 39 35 100 STECK 2532 -20 38 46 36 110 STECK 3240 -24 47 55 40 130 STECK 4050 -32 56 64 40 130 STECK 50DKJ (45 / 90)美制JIC内螺纹UNF74°内锥面(与球面接头或同角度锥面接头连接)胶管尺寸G 英寸L maxmmSWmm订货标记通径DN(mm)标号5 -3 7/16-20 65 12.7 AGJ056 -4 1/2-20 67 12.7 AGJ068 -5 9/16-18 70 16 AGJ08 10 -6 9/16-18 70 16 AGJ10 12 -8 7/8-14 80 22.4 AGJ12 16 -10 11/16-12 90 26.9 AGJ16 20 -12 11/16-12 90 26.9 AGJ20 25 -16 15/16-12 105 33.3 AGJ25 32 -20 15/8-12 125 41.4 AGJ32 40 -24 17/8-12 130 47.8 AGJ40 50 -32 21/2-12 140 63.5 AGJ50胶管接头SFL(45 / 90)SAE 法兰3000 PSI胶管尺寸法兰规格英寸DmmL maxmm 订货标记通径DN(m m)标号12 -8 1/2"30.2 100 SFL1 216 -10 3/4"38.1 116 SFL1620 -12 3/4 "38.1 116 SFL2 025 -16 1"44.4 140 SFL2 532 -20 11/4 "50.8 155 SFL3 240 -24 11/2 "60.3 171 SFL4 050 -32 2"71.4 191 SFL5 0SFS(45 / 90)SAE 法兰6000 PSI胶管尺寸法兰规格英寸DmmL maxmm 订货标记通径DN(mm)标号12 -8 1/2"31.8 100 SFS12 16 -10 3/4"41.3 116 SFS16 20 -12 3/4 "41.3 116 SFS2025 -16 1"47.6 145 SFS25 32 -20 11/4 "54 165 SFS32 40 -24 11/2 "63.5 180 SFS40 50 -32 2"79.4 190 SFS50胶管接头对开法兰夹3000 PSI胶管尺寸法兰规格英寸尺寸订货标记通径DN( mm)标号A B C D E12 -8 1/2"54 46 38.1 9 17.5 FL12 20 -12 3/4 "65.1 52 47.6 11 22.2 FL20 25 -16 1"69.8 59 52.4 11 26.2 FL25 32 -20 11/4 "79.4 73 58.7 11 30.2 FL32 40 -24 11/2 "93.7 83 69.8 13.5 35.7 FL40 50 -32 2"101.6 97 77.8 13.5 42.9 FL50对开法兰夹6000 PSI胶管尺寸法兰规格英寸尺寸订货标记通径DN( mm)标号A B C D E12 -8 1/2"56.3 47 40.5 9 18.2 FS1220 -12 3/4 "71.4 60 50.8 11 23.8 FS2025 -16 1"80.9 70 57.1 13 27.8 FS2532 -20 11/4 "95.2 77 66.7 15 31.8 FS3240 -24 11/2 "112.7 95 79.4 17 36.5 FS4050 -32 2"133.3 110 96.8 21 44.5 FS50技术说明影响胶管总成使用情况的因素很多。
代号胶管总成接头形式说明引用标准代号胶管总成接头形式说明引用标准A 与焊接式管接头接触面用密封圈GB9065、3-88(JB1885-77)I有英制或美制螺纹连接AGR-KAGNB 与24°扩口式卡套接头连接GB9065、2-88(JB1886-77)RSL,RSSJ有60°锥形角连接AGR轻型AGR重型C 与球面接头或同角度锥面接头连接GB9065、1-88(JB1887-77)DKJ轻型DKJ重型K与插杆孔卡板连接带O形密封圈D 与24°60°扩口式接头连接DKLDKMM有带密封槽各不带密封槽螺纹连接E 与卡套式管子连接CELCESO用空心铰管螺钉连接,两平面用密封垫圈F 带O形圈密封槽,采用SAE法兰连接SFL3000SFL6000SAF法兰P与74°扩口式管接头连接AGJG 与同角度60°扩口式管接头连接DKR重型DKR轻型R与24°或60°扩口式管接头连接DKFDKMH 带O形密封圈与24°扩口式管接头连接DKO-LDKO钢丝编织液压胶管技术性能指标(通径φ5-51, φ51-127)层数*通径*压力胶管内径mm胶管外径mm钢丝层直径mm工作压力MPa最小爆破压力MPa最小弯曲半径mm参考重量kg/m1-5-21 5±0、5 12、7±0、8 9、5±0、6 21 63 90 0、251-6-21 6±0、5 16 +1、0 11、7±0、620 60 100 0、34 -0、81-8-17、5 8±0、5 18 +1、0 13、7±0、617、5 52、5 115 0、42 -0、81-10-16 10±0、5 20 +1、0 15、7±0、616 48 130 0、47 -0、81-13-14 13±0、5 24 +1、2 19、7±0、814 42 180 0、64 -0、81-16-12 16±0、5 27 +1、2 22、7±0、812 36 205 0、70 -1、01-19-10 19±0、5 30 +1、2 25、7±0、810 30 240 0、84 -1、0注:本企业钢丝编织胶管参照GB/T3683-1992标准设计制作,并可根据要求制作ISO/DIS1436-1985,DIN20022及SAE100RIAT,SAE100R2AT标准胶管,本标准不适合蓖麻油基与脂基液体。
一、卡套式管接头简介8-KT1卡套式端直通管接头GB3733.1-83(JB1942-77)8-KT2卡套式端直通长管接头GB3735.1-83(JB1943-77)8-KT3卡套式直通管接头GB3737.1-83(JB1944-77)8-KT4卡套式端直角管接头GB3738.1-83(JB1945-77)8-KT5卡套式直角管接头GB3740.1-83(JB1946-77)8-KT6卡套式端三通管接头GB3741.1-83(JB1947-77)8-KT7卡套式三通管接头GB3745.1-83(JB1948-77)8-KT8卡套式四通管接头GB3746.1-83(JB1949-77)8-KT9卡套式焊接管接头GB3747.1-83(JB1950-77)8-KT10卡套式隔壁直通管接头GB3748.1-83(JB1951-77)8-KT11卡套式隔壁直角管接头GB3749.1-83(JB1952-77)8-KT12卡套式铰接管接头GB3750.1-83(JB1953-77)8-KT13卡套式端直通变径管接头(JB1954-77)8-KT14卡套式直通变径管接头(JB1955-77)8-KT15卡套式端直角变径管接头(JB1956-77)8-KT16卡套式压力表管接头GB3751.1-83(JB1957-77)8-KT17卡套式组合直角管接头GB3752.1-83(JB1958-77)8-KT18卡套式组合三通管接头GB3753.1-83(JB1959-77)8-KT19卡套式对接端直通管接头GB5437.1-83(JB1960-77)8-KT20卡套式对接直通管接头GB3756.1-83(JB1961-77)8-KT21卡套式对接端直角管接头GB3757.1-83(JB1962-77)8-KT22卡套式锥螺纹端直通管接头(JB/ZQ4401-86)GB3734.1-83(Q/ZB208-77)8-KT23卡套式锥螺纹直通长管接头GB3736.1-83(Q/ZB209-77)8-KT24卡套式锥螺纹端直角管接头(JB/ZQ4407-86)GB3739.1-83(Q/ZB210-77)8-KT25卡套式锥螺纹端三角管接头(JB/ZQ4404-86)GB3742.1-83(Q/ZB211-77)8-KT26卡套式端直角三通管接头GB3743.1-838-KT27卡套式锥螺纹端直角三通管接头(JB/ZQ4405-86)GB4437.1-838-KT28卡套式锥螺纹对接端直通管接头GB3755.1-838-KT29卡套式锥螺纹对接端直通管接头GB3758.1-838-KT30卡套式管接头用交角密封垫圈GB3762-838-KT31卡套式管接头用六角薄螺母GB3763-838-KT32卡套式堵头三。