车间作业指导书与工艺卡管理办法
- 格式:docx
- 大小:63.26 KB
- 文档页数:7
工艺管理制度工艺是产品生产的主要依据,科学合理的工艺是生产优质产品的决定因素,是客观规律的反映。
为确保产品质量,减少废品损失,降低成本,保证设备、模具正常安全使用,保证工艺纪律严格执行,加强生产过程工艺控制,特制定本制度。
本制度包括工艺执行、工艺纪律检查及工艺纪律考核三部分。
一、工艺执行1、生产过程中各岗位员工必须严格按岗位作业指导书操作。
2、每次新上机模具开机前,分厂工艺员要根据产品品种及生产机台下发工艺卡。
3、模具班根据生产计划更换符合技术标准的模具。
4、设备及模具升温过程中,主、辅操应对设备、模具有关部位做认真的检查,特别是主机真空要清理干净,为开机生产做好充分准备。
5、各机台在操作的过程中,必须严格按照工艺卡和工艺操作规程执行,如有异常情况,应及时与分厂工艺员联系,及时解决。
6、各机台停机时,需加停机料并尽可能的将机筒内的物料挤空,以便于下次开机。
7、各班组在生产过程中,除设备因素外非正常停机时,各操作工必须对产品及切片留样,且所留样品及切片必须保证能反映实际生产状况,便于修模。
8、各班组在开机时,对于人工倒料(特别是用回用料)生产的机台,在机台下料斗内必须放置磁力架。
9、在工艺文件的执行过程中,应对工艺情况做好记录,要求混料时,对每一锅料均要做好记录,尤其是人工配料时更须做好相关记录以确保出现问题时具有可溯性。
二、工艺纪律检查1、工艺员对生产过程中工艺执行情况每周至少检查三次,并认真填写挤出工艺检查表。
2、型材分公司工艺主管每周对工艺纪律执行情况进行一次巡查抽查并通报。
3、工艺纪律检查的具体内容见附议。
4、工艺员每周对工艺纪律检查情况进行汇总并通报,各班组对其存在问题进行整改。
5、工艺纪律检查情况需做好记录,存档备查。
三、工艺纪律考核(一)混料工序1. 倒料工序倒料辅助工:每违反一项检查内容,处以5-10元罚款;2、称量工序人工称量小料的操作工:每违反一项检查内容,处以10-20元罚款;3、混料控制室操作工序操作工:每违反一项检查内容,根据情节轻重处于20-50元罚款。
1.目的:1.1使作业指导书成为对过程/产品变差进行有效控制和做出反应的指导性文件;1.2不断改善和运用作业指导书,使控制计划得到有效执行;1.3使作业指导书得到有效落实。
2.范围:2.1适用于本公司所有新开发产品的试制、试生产和量产产品的生产;2.2适用于本公司所有设备、工装、专用机的操作或调试。
3.相关文件及术语3.1 QP0701-07产品先期质量策划管理程序3.2 QP0401-01文件管理程序3.3 作业标准书:组织为确保其过程有效策划、运作和控制,用来规范具体操作的指导文件。
4.职责:4.1产品组负责产品各类作业指导书的制定、修订和培训(新产品和量产产品);4.2开发部负责产品的各类专用机保养作业指导书、点检表的制定和培训(新产品和量产产品);4.3制造部负责全部设备的设备保养作业指导书、设备点检表的制定、执行和培训;4.4质量部负责量具作业检验指导书的制定和培训;5.流程图:无6.内容:6.1作业指导书类型:作业指导书应有利于规范化和过程控制,其类型应包括检验指导书、控制图、设备保养作业指导书、设备点检表等。
6.2作业指导书内容:6.2.1文件控制要求:⑴与过程流程图相对应的工序编号和工序名称;⑵零件(或零件系列)名称和零件号;⑶现行工程等级(版本)和实施日期;⑷修订日期和批准;⑸所需的工具、量具和其它设备;⑹特殊特性标识(顾客指定的或公司内部识别的);⑺有关工程和制造的标准即规范及公差,可包括不同规格的对照表;⑻工艺示图。
6.2.2操作内容:⑴作业准备工作(劳防用品、现场整理、物料准备和设备维护等);⑵原辅材料、配件、半成品的准备、标识和处理的要求;⑶设定要求;⑷操作规程;⑸检验和试验要求;⑹统计过程控制要求(包括数据采集、记录、描点和计算);⑺反应计划(包括调整、停机、标识、隔离、汇报和记录);⑻安全、环保和其它法规相关要求;⑼目测辅具、图片和其它媒体的使用;⑽设备日常/预防性维护(检查、润滑);⑾工装更换周期;⑿(工作环境)整理查核清单;⒀要形成的所有记录的要求;⒁交接班事宜(移交、交代或需继续的事项)。
工艺卡片(作业指导书)使用管理规定
1、生产作业前必须凭产品周转卡领取工艺卡(或作业指导书),
且认真阅读作业要求及工艺参数,严格按照工艺要求进行加工生产;
2、工艺卡片严格按照公司规定的位置放置,决不允许乱丢、乱放;
3、使用过程中不得将工艺卡片斯毁、涂污、折叠等,保证工艺卡
片的整洁;
4、不得私自更改工艺参数,工艺卡的参数必须与设计工艺保持一
致;
5、工艺卡必须有工程师签字且加盖红色“受控”或“试制”章,
否则该工艺为无效工艺;
6、每一型号的每一工序,工艺卡片必须保证唯一性;
7、若工艺卡片多人多班次使用应做好工艺卡片的交接工作;
8、保证工艺更改及时替换,领取工艺卡片必须登记,且使用期限
为一个星期,如继续使用,需再次登记;
9、若领取工艺卡一周内未归还则按照丢失处理;
********有限公司
技质部
2011年07月。
车间标准作业管理规范(ISO9001-2015)1、目的为确保车间标准作业文件的编制规范、有效进行,使标准作业逐步在生产过程中推广,发挥标准作业在提高生产效率、保证产品质量的作用。
为标准作业文件的制定、控制和更新提供指南,使作业指导书反映最佳的生产作业状态,并以标准化的形式指导员工进行操作,特制定本办法。
2、适用范围本办法适用于车间产品生产、质量有关的过程、工序和管理环节。
3、术语解释3.1标准作业指导书:在标准作业卡的基础上细化操作要点,标准作业顺序中各项操作内容、操作顺序、作业重点、作业指示图、使用工具、质量要求、操作要求、安全标准和设备操作证等;3.2要素山积表 :要素山积表用于确定生产线各工位的要素作业时间,在看板上以搭积木的方式对全班的工作内容进行要素拆解和重新排列,以发现操作中存在的浪费,并予以消除,同时确定最简单、科学、的操作顺序;3、组织机构主任技术主任各业务人员各班组长4、职责分工4.1车间主任负责标准作业管理和监督检查工作。
4.2技术副主任负责现场标准作业的控制和管理工作。
4.3技术员负责标准作业指导书的编制和员工培训。
4.4设备员负责对标准作业指导书中设备相关内容的确定和现场观察,提出改善建议。
4.5安全员负责负责对标准作业指导书内容安全性的确定和现场观察,提出改善建议。
4.6调度员标准作业指导书内容人员及物品流转的确定和现场观察,提出改善建议。
4.7质量员负责对标准作业产品质量及质量指标完成情况的统计分析,并提出改善建议。
4.8 各班组长负责对标准作业的执行并提出改善建议。
5、工作内容5.1 标准作业指导书的制定技术员在调度、质量、安全、操作者等相关人员的协助下,对每个工序都寻求稳定及最佳的作业步骤,写下工作内容及步骤顺序,提出注意事项(包括使用工具及规格,工艺参数,质量检查工具、检查频次及控制方法等内容)、建议措施,画出作业流程图;5.2测量并确定标准作业时间,对每个步骤所花费的时间均以精确到秒的单位在作业指导书上标示出来。
工艺文件管理办法2010—XX—XX 发布2010-XX—XX 实施工艺文件管理办法1.主题内容与适用范围本标准规定了东风(十堰)特种车身有限公司工艺文件的管理.本标准适用于东风(十堰)特种车身有限公司技术工艺类文件的管理。
2.定义2.1本标准所述工艺文件定义为:用于指导公司车身总成生产的技术性文件。
2。
1.1本标准所述工艺文件通常包括但不限于如下文件:车型零件清单、工艺流程图、工艺平面布置图、产品物料清单、PFMEA、控制计划、工艺卡(作业指导书)、检验卡、工装检具清单、工艺路线清单、试制通知单、采购技术条件、检测设备操作规程、实验方法规程、工艺技术问题通知单、工艺更改申请单、工艺更改通知单、夹具调整通知单、技术协议等。
2.2本标准所述工艺文件使用单位是指:需要依据某一工艺文件所描述的内容开展自身工作的公司各职能部门和单位.3.职责要求3.1技术部产品、工艺工程师及分厂工艺质量主管负责工艺文件的编制工作。
3.2技术部资料室负责工艺文件的存档、登记、发放及回收等管理工作。
登记内容要包含文件名称、文件编号、版次号、日期、发放使用单位等,以确保工艺文件受控。
3.3技术部负责对工艺文件的更改提出申请和实施.具体要求可参见《工程变更管理办法及实施细则》2890 DSK n XX-XXX—2010。
3.4各工艺文件使用单位依据工艺文件使用过程的完整性、一致性、有效性、清晰性、方便性、严肃性等要求负责对工艺文件进行及时签收、正确实用、妥善保管。
使用中发现问题依据本办法要求进行信息反馈。
4.工作流程4.1工艺文件的编制4.1.1工艺文件的编制要依据产品设计、TS/16949标准及公司程序文件《工艺设计管理程序》等要求开展工作。
同时,结合公司现状和各使用单位职能,编制的文件要求:内容明确易懂,格式使用方便,可操作性较强.如:尽量使用图示化描述,电子文件格式是用word或excel 或其他应尽量由使用单位确定。
4.1.2工艺文件的编制应确保其一致性、完整性、有效性、适宜性、正确性。
车间的管理制度(精选5篇)车间的管理制度1第一条生产纪律1、遵守企业考勤制度。
2、生产过程中必须严格按产品配方生产,勤俭节约,杜绝浪费。
3、爱惜生产设备、原材料和各种包装材料,严禁损坏。
4、服从生产主管的安排,及时作业,保证按时、按质、按量完成生产任务。
5、衣着清洁整齐,按照要求穿制服上班。
6、严禁私自外出,有事必须向生产主管请假。
7、保持车间环境卫生,不准在车间乱扔杂物,禁止随地吐痰,每次生产任务完成后要将地面清扫干净。
8、当产品出现不良时应立即停工并上报,查找原因后方可继续生产。
第二条操作规程1、正确使用生产设备,严格按操作规程进行,非相关人员严禁乱动生产设备。
2、生产过程中的药品要按使用说明正确操作使用,注意防火、防爆、防毒。
3、严格按照设备的使用说明进行生产,严禁因抢时间而影响产品质量。
第三条产品质量1、必须树立“质量第一、用户至上”的经营理念,保证产品质量。
2、严把原材料进库关,高品质原料出高品质产品。
3、禁止使用替代原料,严格按配方配料,配好料,配足料。
3、注意生产过程中的细小环节,要求包装密封良好,码垛整齐美观。
5、检查产品的标签、名称、生产日期、做到万无一失。
6、装车前需最后检查、核对(产品名称,数量、包装情况),做到单货相符。
7、文明装车,堆码合理。
第四条安全生产1、生产过程中注意防火、防爆、防毒。
2、严格按照设备使用说明操作,防止出现伤亡。
3、预混料生产时必须戴好防毒口罩、手套,防止腐蚀。
4、注意搬运机械的操作,防止压伤、撞伤。
5、正确使用带电设备及电气开关,防止遭受电击。
6、易燃、易爆物品应单独堆放,并树立醒目标志。
7、原材料、包装物、零小的设备应布局合理,堆放整齐,第五条设备管理与维修1、大宗设备应有专人负责。
2、所有设备应定期保养,每日检查。
3、制订完善的.设备维修及保养计划,并做好维修保养记录。
车间的管理制度2目的:为加强管理,提高公司的基础管理工作水平,提高生效率,进一步规范管理和控制生产程序,特制定本制度。
化工工艺卡片管理制度一、总则为加强化工企业的工艺管理,规范工艺文件的编制和使用,确保生产过程的安全和稳定,特制定本管理制度。
二、适用范围本管理制度适用于化工企业的工艺卡片管理工作。
三、工艺卡片的定义工艺卡片是指根据生产工艺流程编制、包含生产工艺参数、操作指导、安全注意事项等内容的记录卡片。
四、工艺卡片的编制1. 工艺卡片的编制由生产工艺部门负责,根据生产工艺流程、设备情况和工艺参数等信息进行编制。
2. 编制工艺卡片需要经过质量管理部门和安全管理部门的审核才能正式发布和使用。
3. 工艺卡片的更新和修订工作需经过相关部门的确认和批准。
五、工艺卡片的使用1. 生产过程中必须按照工艺卡片上的参数和操作指导进行操作,保证生产质量和安全。
2. 对于不同生产批次或产品的工艺参数有差异的,必须使用相应的工艺卡片进行操作。
3. 在工艺卡片更新或修订后,必须将旧版工艺卡片注销,并通知相关人员使用新版工艺卡片。
六、工艺卡片的保管和管理1. 工艺卡片必须由专人进行管理和保管,确保不丢失、不错误和不被篡改。
2. 工艺卡片必须存放在指定的地方,方便需要时查阅和使用。
3. 对于废弃或更新的工艺卡片必须进行销毁,不得继续使用。
七、工艺卡片的考核与改进1. 定期对工艺卡片的使用情况进行审核和评估,发现问题及时进行整改和改进。
2. 根据生产实际情况和技术发展,适时修订和更新工艺卡片,保证工艺卡片与生产工艺的一致性。
八、违规处理对于不按照工艺卡片进行操作、不进行必要的更新和修订等违规行为,将给予相应的纪律处罚。
九、附则本管理制度自发布之日起正式实施,并不断完善和优化,确保能够有效指导化工企业的工艺卡片管理工作。
作业指导书管理办法第一章总则第一条为规范作业指导书编制、使用、修订和日常管理要求,明确管理职责,根据集团公司相关规定,特制定本实施细则。
第二条本实施细则适用于某某基础设施段管内各作业项目或岗位作业指导书的管理。
第三条作业指导书是对与作业相关的规章制度、技术规程、技术规范、技术标准以及应急处置预案等进行有效梳理、汇总形成的综合性、操作性文件,是指导岗位作业人员进行标准化作业的依据,是岗位作业人员学习标准、执行标准最直接、精炼、有效的工具。
第四条作业指导书贯彻"谁修订、谁发布、谁负责"的原则,实行动态修订、定期评审,确保作业指导书体系的及时、完整和有效性。
第二章管理职责第五条段是各工种、岗位作业指导书分工、编制、修订、验证、审核、发布、配备、培训、考试、应用和执标检查的责任主体,对作业指导书的体系完整、内容科学、参数准确、格式规范等全面负责。
第六条段成立作业指导书管理领导小组,由段各岗位专家委员会成员组成。
各维修技术中心负责作业指导书日常管理,技术教育科负责作业指导书目录的汇总、学习计划的制定和学习效果的检查,各车间、专修队负责执标检查和验证反馈。
第七条技术教育科主要职责:(一)及时公布各车间、班组需保存的作业指导书目录,便于职工查找学习。
(二)对作业指导书的执行信息进行收集,并向集团公司反馈。
(三)负责组织作业指导书的学习、培训、考试。
统一制订周期性学习考试计划,新公布的作业指导书应纳入最近一期车间、专修队、班组月度学习计划。
"三新”人员上岗前,应将作业指导书纳入岗前培训必学内容。
(四)对车间、班组作业指导书的日常学习、岗位练兵情况进行检查指导。
第八条各维修技术中心主要职责:(一)全面负责作业指导书的科学、规范、及时和适用性。
及时梳理公布本专业各工种、各岗位的作业指导书目录。
(二)细化本专业作业指导书本年度编制、修订、验证、审订计划,明确各作业指导书的管理责任人,按计划组织实施现场验证和集体审定。
一、岗位任务按工艺要求,将配好的生胶和助剂通过开炼机均匀的混合在一起。
二、操作顺序开机前,检查辊间、落料盘有无杂物,冷却水通畅。
1.混炼方法:(1)包辊:生胶或母胶在靠近大牙(齿轮)一边少量加入,待胶软化包辊后,再逐步放入多余胶料,胶料全部包辊成光滑状.(2)吃粉:吃粉时辊筒上保持适当的堆积胶,先将量少的硬脂酸、氧化锌等加入,碳酸钙和油光替加入,最后加入硫磺(盘内粉料应全部扫清加入)。
(3)翻炼:等粉吃完,左右拉刀二次,然后调小辊距≤1mm,翻三角包三次,按工艺规格出片.2.胶料检验:(1)混炼好的胶料应充分冷却,并在胶料上标明批号、生产日期、操作人、系数、料名,并作好原始记录。
(2)每混炼一批胶料应随机抽一车做物理性能的测试,合格后使用,若不合格则应加倍复验.四、操作注意(1)首先检查大车的紧急刹车完好.(2)操作过程中,手不能伸进两辊的水平线.一、岗位任务按工艺要求,将载料半制品通过平板机,模具压制成成品。
二、工作顺序三、操作方法及要求(1)上班应正确穿戴好劳防用品(手套等)、不准穿拖鞋、赤膊等。
(2)上班前应根据自己的工作令核对自己所生产的产品、数量、胶料、机台、模具号等。
(3)生产前应检查机器的温度、泵压是否符合工艺要求,模具的定位、模腔、手柄等是否完好,硫化时间是否按要求调整到位,发现问题及时向组长或技术质量员汇报。
(4)模具进出热板应用钩子拉,热板在进行中严禁手入平板压机。
(5)操作顺序剪载好的半制品胶料应放入模腔中上中下模具定位对准合模模具至热板中央上泵合模适当放回气正点硫化钩子拉出模具启模时模腔面不准碰作且应向上放置取产品自检外观质量。
(6)操作者第一模产品应交质检员,由质量员负责首缸产品的检查,每二小时对温度、压力参数记录一次。
(7)操作者对自己生产出来的产品应自检质量,发现连续三缸有质量问题的应及时向组长或技术人员(质量员)汇报。
(8)操作者擅自改动工艺参数(压力、温度、时间、胶料、规格、重量等),所造成的废品由操作者自负,必要时可根据所造成的质量问题的价值追究其质量责任。
车间作业指导书篇一:车间作业指导书车间作业指导书对车间生产、行政工作进行全面领导和管理;对车间生产活动进行统筹规划、组织、控制和协调;组织车间员工按时、保质、保量地完成生产任务一、召开早会车间早会有两种,分别是负责召开车间员工早会和召开所有指导工与收发员的早会。
1、负责召开车间员工早会,可以采取两种方式进行:站队集合和广播两种方式,时间一般在早上7:50开始,会议时间一般控制在5—10分钟,若事情多则可适当延长,若认为无须召开车间员工早会,则各班组必须召开班组员工早会,会议基本相同,大致的内容有以下几个方面,可以选择几个方面的话题来展开:1)、公司的政策与制度;2)、车间的生产任务情况;3)、车间的重大事件和活动;4)、车间卫生、物料摆放、安全生产和设备维护等情况或不足;5)、员工关心的话题,包括生活等方面;6)、员工的提问而需要集体说明回答的;7)、总结前一天生产完成的进度情况,表扬做得好的,批评做得不好的;8)、总结前一天产品的质量情况,表扬质量好的,今后产品质量须加强的。
2、负责召开指导工和收发员的早会,会议采取在车间办公室召开,时间在7:40开始,时间是10分钟,早会的内容有以下几个方面:1)、车间的生产安排与各组生产任务;2)、产品生产质量注意事项;3)、当日开货技术质量指导与说明;4)、生产日常管理注意的几个方面:人员、成本、安全、5S 等方面;5)、公司的政策与制度;6)、车间的总的生产任务情况;7)、车间的重大事件和活动;8)、解答各指导工和收发员提出的问题而且是认为有必要开会说明的。
二、生产调度按生产计划合理安排各班组的生产任务,根据需要对本车间人员、设备、材料等进行调配;依照生产均衡原则对车间各班组的生产进行有效调度,负责生产计划完成率能达到百分九十以上。
1、产能统计1)、预估产能:在生产接到定单的时候,由生产计划员与车间主管豫估每一工序的人均产能;2)、初步产能:在车产前版的过程中要根据车版的情况向各指导工了解大货产能,若与预估产能有差异则需与计划员反馈,及时调整生产安排;3)、产能调整:在车货的过程中要对车位的产能情况进行跟踪与统计,建立产能档案。
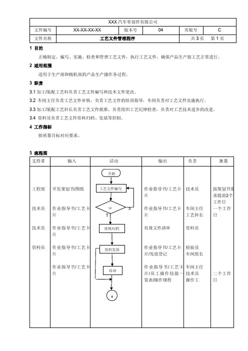
1 目的正确制定、编写、实施、检查和管理工艺文件,执行工艺文件,确保产品生产按工艺正常进行。
2 适用范围适用于生产部和精机部的产品生产操作各过程。
3 职责3.1加工/装配工艺科负责工艺文件编写和技术文件更改。
3.2 车间主任负责工艺文件审核,负责工艺文件的培训指导,车间负责对工艺文件实施执行。
3.3加工/装配工艺科长负责工艺文件批准,负责组织工艺纪律检查,负责对工艺技术进步的改进。
3.4 资料员负责工艺文件资料归档、发放等控制。
4 工作指标按质量目标对应要求。
工艺卡工艺卡工艺卡工艺卡工艺文件编写审资料归档资料发放N培训YA开始工艺卡工艺卡6 补充说明6.1工艺卡片包括:锻造工艺卡片、机械加工工序卡、零件工艺过程卡、装配工艺卡等。
6.2 技术文件编写时要填写工装夹具和标准工时。
6.3资料归档、发放、使用按公司《文件控制程序》执行。
6.4 对新产品的工艺文件、新员工(包括试用期、实习生、换岗人员)、新设备操作前必须进行培训,必须要有记录,并保存。
6.5 每次工艺纪律检查应做好记录,对违反人员开具《奖扣单》。
6.6 各部门要将各项检查内容的责任落实到人,未落实责任的由所在班组、科室领导负责。
6.7 使用电子工艺文件的车间,技术员编好后上传到管理系统,在管理系统中由车间主任审核,工艺科长批准后入库到系统,车间使用。
6.8 使用管理软件的车间工艺文件最后一页为《工艺文件更改登记表》,每次更改将更改内容列入此表中。
7 相关记录使用更改申请更改结束 N改进程序A工艺检YN8 相关文件文件控制程序编制/日期:审核/日期:批准/日期:。
车间工艺管理制度第1章总则第1条目的。
为规范工厂的工艺管理工作,提高车间工艺管理质量,特制定本制度。
第2条范围。
本制度规定了工艺管理制度的组织职责、工艺规程、岗位操作规程、岗位作业指导书、工艺变更管理、生产过程工艺管理、工艺事故管理、工艺质量记录管理、技术开发等内容,适用于工厂生产中车间的工艺管理。
第3条责任权限。
1. 工厂工艺管理工作由技术部负责,其他各部门协作。
2. 生产车间严格执行工艺纪律,严格按操作规程操作,车间工艺员对车间工艺管理负责。
3. 对生产中工艺异样问题,由技术部和生产车间共同举行分析,提出改进看法,车间举行实施。
4. 技术部负责工厂工艺备品及备件方案的审核,对设计生产技改工艺辅材选购方案举行审核。
第2章车间工艺文件管理第4条工艺规程、岗位操作规程与作业指导书。
1. 工厂各车间都应有工艺规程和生产操作规程,操作过程复杂的工段必需有岗位作业指导书2. 新产品或新工艺的工艺规程和操作规程,由技术部负责组织编写,总经理批准实施。
3. 对原产品工艺规程和操作规程的修改由技术部组织,生产人员协作举行。
4. 技术部应对工艺规程和操作规程的实施举行健康,对工序质量偏离控制范围的状况准时举行订正。
第3章生产过程的工艺管理第5条生产过程工艺管理。
1. 在车间的生产过程中,技术部应派工艺员在生产现场举行巡检、监督、指导工艺规程与生产操作规程的实施。
2. 生产中浮现不合格品时,应快速查明缘由,并做出以下有效处理。
(1)若属于工艺本身缘由,现场的工艺员应准时上报技术部、由技术部按照工艺的更改办法举行工艺的改进。
(2)属于工艺执行缘由时,现场的工艺员上报技术部后,技术部负责制定更改措施和预防办法。
(3)不合格品与工艺无关时,现场的工艺员应协同相关部门举行解决,提供与工艺相关方面的协助。
第6条关键过程管理1. 关键过程是指对产品质量有重大影响或不稳定的过程。
质量不稳定或重要的产品在须要时有技术部设置关键过程,由车间对工艺参数采取延续监控,车间定期对过程实力举行综合评价,技术部定期检查2. 关键过程的实力达不到要求时,由技术部和生产车间组织人员查明缘由,准时实行订正措施以提高过程实力。
1 目的为明确技术类工艺文件的定义,规范技术类工艺文件的种类、编制、审批、编号、发放、更改及保管,以及在领取、使用、归还过程中,为防止发放错误、车间误用、滥用或使用过期作废的工艺文件,特制定本工艺文件管理实施细则。
2 适用范围本细则适用于本公司范围内技术类工艺文件的管理。
3 职责3。
1 技术部负责技术类工艺文件的编制、审核、批准、更改、发放、保管及发放工艺文件的回收、作废和销毁工作;3.2 生产部负责按照工艺文件的要求制造产品,确保准确无误;3。
3 品质部负责按照工艺文件对产品进行检验并制定相关的检验文件,监督产品制造与工艺文件要求是否一致;3.4 各部门、车间同时负责其部门、车间工艺文件的有效保管及作废工艺文件的及时有效回收工作;4。
管理规定4。
1 常用工艺文件的种类技术类图纸、作业指导书、作业工艺卡、标准产能、产品材料消耗工艺定额、技术文件. 4.1。
1技术类图纸:4.1。
1.1采购规范:用于指导采购物料、零配件及检验相关物料、零配件;4。
1.1.2产品图:用于制做维修模具、检验测量产品、客户确认;4.1。
1。
3成品图:用于指导生产过程的制做及控制、检验;用于指导生产、包装、标识的技术类图纸;4。
1。
1.4设备配件、易损件图:冲床、拉伸机床、点焊机;4.1。
1.5模具结构图:模具结构、模具易损件图;4.1。
1.6工装治具图:测试治具、装配治具等图;4。
1。
1。
7其它类图:临时使用绘制的其它图纸;4.1.1。
8工艺流程图:某种产品(零件)按其生产加工工序流程而编制的示意图;4。
1。
2作业指导书:指导各生产工序作业员正确规范生产操作的技术性文件4.1。
2。
1冲压作业指导书:4。
1。
2.2拉伸作业指导书:4。
1.2。
3点焊作业指导书:;4.1。
2.4装配作业指导书:4.1。
2。
5氩弧焊作业指导书:;4.1。
2.6攻丝机作业指导书:4.1。
2。
7测试包装类作业指导书:4.1.2.8临时作业指导书:临时编制、临时使用的作业指导书;4。
《工艺执行管理办法》一、目的:为了提高公司产能、产品质量、工艺的执行力度,同时对产品的稳定性、可操作性、产品生产过程中一次合格率进一步提升,健全工艺管理,加强生产责任制,严肃工艺纪律,以实现优质、高产、低耗、安全的目的,特制订本管理办法二、范围:制造部一线员工及管理人员三、职责1、员工执行工艺需保证以下几点1.1各生产工序的操作者,应熟练掌握本岗位的工艺操作规程1.2在加工前应按工艺规程对本工序的加工条件进行检查及调整以达到规定要求1.3当因生产条件变更或遇有技术疑难问题时,应及时向所属线长报告,由线长协调技术人员进行指导或调整后方可继续加工2、线长监督管理工作需做到2.1负责所管辖的生产线所有工序的工艺执行情况的监督。
2.2负责所管辖的生产线所有工序工艺的有效性及可操作性,当发现错误或采用新工艺、新技术、新方法时应及时向技术部报告,由技术部工艺员负责对原工艺文件进行更改。
2.3对工艺装备所需的刀、夹、量、辅要做到心中有数,随时关注使用情况。
2.4负责配合巡检、技术、品质提出的整改措施的执行贯彻。
3、巡检组长监督需做到以下几点3.1负责记录首件一交合格率员工的记录工作(包括错检、漏检、敷衍了事乱填等违规现象)对不符合要求的员工提出考核。
3.2负责抽检工序加工质量,发现质量问题有权利要求停机整改,并报于部门。
3.3负责作业指导书、生产工艺的落实,首件检查和在线巡检工作。
3.4发现现场专用量具与卡尺、千分尺等量具检测尺寸不符应及时反馈到班组进行校对。
3.5对易出问题的工序加大抽检力度。
4、副部长需做到以下几点4.1负责检查各线线长工艺检查执行情况,对不符合要求的线长进行考核。
4.2负责组织对各线工艺进行抽检。
4.3负责对车间员工进行工艺教育,并对工艺纪律的贯彻情况进行分析,采取相应的技术措施贯彻工艺纪律四、工艺纪律检查1、员工规定内容2、线长规定内容3、巡检组规定内容4、副部长规定内容本管理办法于10月17日起开始实施最终解释权归属制造部。
工艺卡片管理制度2020一、总则为了规范和提高生产过程中的工艺管理水平,保障产品质量,提高企业经济效益,制定本制度。
二、管理范围本制度适用于所有生产过程中所涉及到的工艺卡片管理。
三、管理目标1. 确保工艺卡片准确、完整、可靠;2. 提高工艺卡片的利用率和效率;3. 确保产品生产过程中遵循合理的工艺流程;4. 为工艺改进提供可靠的依据;5. 提高产品质量和降低生产成本。
四、管理责任1. 生产部门负责具体的工艺卡片编制和管理工作;2. 质量管理部门负责监督和检查工艺卡片的合规性;3. 设备部门负责技术参数的确认和标准化管理。
五、管理流程1. 工艺卡片编制(1)根据产品生产要求,生产部门负责对工艺流程进行规划,确定每个工序的具体要求;(2)生产部门根据生产要求编制工艺卡片,并由质量管理部门审核;(3)工艺卡片需包括产品名称、规格、工艺流程、工装、工时标准等信息。
2. 工艺卡片管理(1)工艺卡片由生产部门进行管理,确保准确、完整;(2)工艺卡片需要定期更新,并及时调整工艺参数。
3. 工艺卡片使用(1)生产人员在生产过程中需要按照工艺卡片要求进行操作;(2)若发现工艺卡片有错误或不合理之处,应及时向生产部门反馈,待确认后调整。
4. 工艺改进(1)工艺卡片不断完善和改进,需要不断优化生产流程,提高生产效率;(2)对于出现频繁的故障或质量问题,需要及时进行工艺改进,并更新工艺卡片。
六、管理要求1. 工艺卡片需按照标准化的格式编制,确保信息清晰、准确;2. 工艺卡片需要做好备份管理,确保安全可靠;3. 工艺卡片的更新和调整需经过严格的审核和审批程序;4. 工艺卡片的使用需严格按照要求进行,不得随意更改。
七、管理评估1. 每年对工艺卡片的管理进行一次全面审核,评估其管理的有效性;2. 对工艺卡片使用过程中的问题进行汇总分析,提出改进建议;3. 对工艺卡片管理工作进行定期检查和督导,确保制度的有效执行。
八、附则本制度自颁布之日起生效,如有任何修改,须经公司领导班子讨论通过方可实施。