基础放线图
- 格式:pdf
- 大小:830.94 KB
- 文档页数:1
第一节建筑物的定位放线和基础放线10.1.1 建筑物的定位放线根据设计给定的定位依据和定位条件进行建筑物定位放线,是确定平面位置和开挖茂盛的关键环节,施测中心须保证精度,杜绝错误。
在高层建筑中地下工程较多,基础开挖范围较大,开挖区内的各种中线或轴线桩均会挖掉,而在地下、地上各层施工中,又需准确、迅速地恢复轴线位置,以保证同一条中线或轴线在各层上投测的位置都能在同一铅直面内。
故在建筑物定位放线中,要首先考虑主要中线或轴线桩的准确测设和长期稳定的保留问题。
为此,在建筑物定位放线中,首先根据测设“建筑物矩形控制网”,它是测设在距基槽外1~5m(根据现场情况而定)、平等于建筑物的矩形控制网。
10.1.1.1 确认和检测定位依据当定位依据是规划红线、道路中心线或测量控制点时,在同建设单位、设计单位和监理单位在现场当面交桩后,要根据各点的坐标值、标高值算其间距、夹角和高差,并实地校测各桩位是否正确,若有不符,应请建设单位妥善处理。
定位之前,应校测所用点位,以防误用有碰动和沉降变位的桩位。
10.1.2 建筑物矩形控制网的测设与放线10.1.2.1 矩形控制网的测设根据建筑物定位条件和矩形网距建筑物四廊轴线关系以及现场情况来决定矩形控制网的测设方法。
10.1.2.2 轴线控制桩的测定在建筑物矩形控制网的四边上,测定建筑物各大角的中线或轴线控制桩(也叫引桩),测设时要以各边的两端控制桩为准,量通尺测定该边上各轴线控制桩线后,再校核各桩间距。
10.1.2.3 大角桩和轴线桩的测定根据各中线、轴线的控制桩测定建筑物各大角和中线、轴线桩,在校测各桩间距和格方后,若高层竖向使用外控法施测时(详见后说明),还要将主要轴线准确地延长建筑物高度以外、能稳定保留桩位的地方,或附近现有建筑物的墙面上。
10.1.2.4 基槽灰线的撒设根据建筑物各轴线桩或控制桩,按基础图撒好基槽灰线。
这项工作精度要求不高,但很容易出差错。
因此,在经自验合格后,必须向建设单位、监理单位或有关部门验线。
厂房独立基础放线方法随着现代化工业的不断发展,许多制造业都需要建造大型厂房和仓库。
而对于这些建筑来说,独立基础的建造是至关重要的。
本文将介绍厂房独立基础放线方法,帮助您理解在建造厂房时如何正确建造独立基础。
一、确定基础位置在进行厂房建筑时,首先需要确定基础位置。
这涉及到很多问题,如地貌、气候等因素。
通常需要派遣专业技术人员进行测量,并制定出详细的基础位置。
二、检查现场条件在确定基础位置后,需要对现场条件进行检查。
包括土质、排水、地下水、地形等情况。
同时还要考虑建筑物的重量和规模,以及地震等自然因素的影响。
三、绘制基础放线图在确定基础位置和现场条件后,需要绘制出基础放线图。
这是建造独立基础的重要步骤。
它可以直观地描绘出建筑物的形状和大小,同时确定每个钢筋、混凝土等构件的尺寸、形状和位置。
四、进行基础下挖在绘制好基础放线图后,需要进行基础下挖。
这是建造独立基础的关键步骤。
施工人员需要根据放线图,按照要求进行挖掘,同时掌握好挖掘深度和位移量,确保基础的稳定性。
五、进行钢筋加工在进行基础下挖后,需要进行钢筋加工。
这是建造独立基础的另一关键步骤。
施工人员需要按照放线图和设计要求,制定出钢筋构件的数量和尺寸,并进行加工,确保每个构件的尺寸、数量和位置都能够精确地满足设计要求。
六、进行混凝土浇筑在进行钢筋加工后,需要进行混凝土浇筑。
这是建造独立基础的最后一个关键步骤。
施工人员需要安排好浇筑时间、浇筑方式等因素,确保混凝土质量、密度和完整性,同时掌握好温度、湿度等因素,以保证混凝土的正确固化。
以上就是建造厂房独立基础的主要步骤。
希望通过本文的介绍,能够帮助您更好地理解和掌握厂房独立基础放线方法,确保您在建造厂房和仓库时能够正确地建造独立基础。
施工放线:定位、基础、主体以及高层建筑施工放线大致可以分三个阶段:建筑物定位(放线)、基础施工(放线)和主体施工(放线)。
一、建筑物定位房屋建筑工程开工后的第一次放线,建筑物定位参加的人员是:城市规划部门(下属的测量队)及施工单位的测量人员,根据建筑规划定位图(总平面图)进行定位,最后在施工现场形成(至少)4个定位桩。
放线工具为“全站仪”或“比较高级的经纬仪”。
二、基础施工放线建筑物定位桩设定后,由施工单位的专业测量人员、施工现场负责人及监理共同对基础工程进行放线及测量复核(监理人员主要是旁站监督、验证),最后放出所有建筑物轴线的定位桩(根据建筑物大小也可轴线间隔放线),所有轴线定位桩是根据规划部门的定位桩(至少4个)及建筑物底层施工平面图进行放线的。
放线工具为“经纬仪”。
基础定位放线完成后,由施工现场的测量员及施工员依据定位的轴线放出基础的边线,进行基础开挖。
基础轴线定位桩在基础放线的同时须引到拟建建筑物周围的永久建筑物或固定物上,防止轴线定位桩破坏了,用来补救。
三、主体施工放线基础工程施工出正负零后,紧接着就是主体一层、二层...直至主体封顶的施工及放线工作。
根据轴线定位桩及外引的轴线基准线进行施工放线。
用经纬仪将轴线打到建筑物上,在建筑物的施工层面上弹出轴线,再根据轴线放出柱子、墙体等边线等,每层如此,直至主体封顶。
施工测量前置工作:(1)进场后首先对甲方提供施工定位图进行图上复核,并与业主办理控制点的交接手续,以确保设计图纸的正确。
其次,与甲方一道对现场的坐标点和水准点进行交接验收,发现误差过大时应与甲方或设计院共同商议处理方法,经确认后方可正式定位。
(2)现场建立控制坐标网和水准参照点。
水准参照点需由永久水准点引入,永久水准点设置在距建筑物附处稳定、可靠的土层内,水准点应采取保护措施,确保水准点不被破坏。
(3)工程定位后要经建设单位和规划部门验收合格后方可开始施工。
控制点或水准参照点做法示意图第一篇平面控制网的建立1.1场区控制网基础施工阶段地形变化大、地势错阶起伏,单位工程数量多,为实施有效测量控制,开工初在场区内设置由二~四个桩位形成的导线控制网(场区四周边及中间高处各布一点,保证通视即可),场区控制网是单位工程轴网设置的依据,它是建筑物平面控制的上一级控制。
筏板基础地基怎样放线可以说点现场施工的放线经验:1、先是主轴线(横向和纵向控制线)、再是根据结构图设计地下室内外墙、柱、剪力墙柱、基础梁(梁板式筏基)、电梯基坑、后浇带位置等等。
2、其中墙体、柱、剪力墙柱线要用彩色油漆、一般是红色油漆在墙柱边角做“三角形”标注,以利于筏板钢筋完成后墙柱钢筋主筋就位、摆放。
应该注意的是基础线放线完成后要自检、互检、最后同监理共同验收,确认无误后方可开始钢筋绑扎施工。
施工时先放主轴线,这样再放墙柱线时要容易很多。
主要是对墙柱等细部位置的校正,因为细节往往会出现小错误的地方。
放线完成后就是做地基放线记录等工程资料了。
土建基础怎么放线基槽开挖边线放线与基坑抄平1.基槽开挖边线放线在基础开挖前,按照基础详图上的基槽宽度和上口放坡的尺寸,由中心桩向两边各量出开挖边线尺寸,并作好标记;然后在基槽两端的标记之间拉一细线,沿着细线在地面用白灰撒出基槽边线,施工时就按此灰线进行开挖。
2.基坑抄平为了控制基槽开挖深度,当基槽开挖接近槽底时,在基槽壁上自拐角开始,每隔3~5m测设一根比槽底设计高程提高0.3~0.5m的水平桩,作为挖槽深度、修平槽底和打基础垫层的依据。
水平桩一般用水准仪根据施工现场已测设的±0标志或龙门板顶面高程来测设的。
如图9.9所示,槽底设计高程为-1.700m,欲测设比槽底设计高程高0.500m的水平桩,首先在地面适当地方安置水准仪,立水准尺于±0标志或龙门板顶面上,读取后视读数为0.774m,求得测设水平桩的应读前视读数0.774+1.700-0.500=1.974m。
然后贴槽壁立水准尺并上下移动,直至水准仪水平视线读数为1.974m时,沿尺子底面在槽壁打一小木桩,即为要测设的水平桩。
图9.9 为砌筑建筑物基础,所挖地槽呈深坑状的叫基坑。
若基坑过深,用一般方法不能直接测定坑底标高时,可用悬挂的钢尺来代替水准尺把地面高程传递到深坑内。
9.3.2 基础施工放线基础施工包括垫层和基础墙的施工。
基础垫层放线交底
①用经纬仪按现场所给木橛(注:木橛为纵向轴线向外延伸3米,
两头楼梯间延长4.5米)将纵向各轴线放到模底(钉木橛小钉)(注:木橛要钉在垫层模板以外高度需超过桩顶。
)
②以现场所给木橛为准挂通线,用线坠向槽内吊3米(钉木橛小钉),
定横轴线,再以此轴分纵向各轴线(钉木橛小钉)。
③检查所放轴线准确无误后,按图纸尺寸放垫层边线(白灰线)(注:白灰线要加宽200mm,以备支模板用)
④按所撒灰线清槽内土方(标高:钉木橛,水平线为-1.995m)
注意:清槽时一定要保护好轴线与水平线木橛。
⑤验槽底标高(从标高木橛顶下返0.095mm)准确无误后,放垫层
线。
⑥按槽内各轴线点位,按图所给尺寸,用墨斗弹出各垫层边线,核
实后,交给木工支模。
交底人:
被交底人:
河北工大项目部
2011年6月27日。
测量放线(基础承台、桩位放样)(图文并茂版)与建筑第一线的放线朋友交流心得,不仔细的地方包涵了,谢谢The early bird will catch the worm 卢真就是那个bird1、建筑坐标与大地坐标2、场地上4个大地坐标点由测绘站提供,在工程开始时,由甲方提供资料,测绘站引测到场地上(一般情况工地开始施工时,要复核,他们提供的都是点号太大,精确度不高,使用不方便等缺点)马路上控制点位置:一般位于马路十字路口,拐角,桥头等能通视的地方,距离在300~500m 不等看下图,简易的只有一个钉子正规点的图形3、场地控制点设置控制点一般设置在不变形、不位移、不容易被破坏的地方,比如说场地两侧马路、冠梁,有条件的情况下,可以安放在旁边建筑物的屋顶(门卫上头不错)关于场地控制点的标志五花八门,永久牢固的当然钢钉,还有十字墨线,红油漆配合,工地简易做法:弹十字墨线,方便易找,最好配合钢钉,这个东西,人踩多了会没掉的1、把电子版地梁、承台图(桩位图)转化到大地坐标系中去;(建筑中有大地坐标和建筑坐标,测绘站给的在马路上的都是大地坐标,而图纸拿来时,标准的都是横平竖直建筑坐标系,这里需要图纸坐标转换,把建筑坐标转化成大地坐标,原理同全站仪测绘,一个基点,一个方向即可确定整个坐标系,如上图1,找到建筑上有大地坐标的点,移动整份图纸,以该点为基点,移动到相应大地坐标点位置,旋转整份图纸一个方位角,图纸就在大地坐标模式)2、用pline将你要读的控制点连接起来;(pline连接时一定得注意顺序,连接后须看看是否位于你需要的点上,可通过控制捕捉点来查看)3、list (使用list时,进入的窗口最大化,可以列表更多的点坐标,list常常是列出20个左右的坐标点,下面如果显示为继续,则敲空格继续)4、把它复制到excel里,点数据—列表,一般选择固定列宽,如果发现X=或Y=与数据没分开用,在上面点下,分开,预览可查看效果5、编辑excel表格,转化坐标的格式、小数点保留情况、坐标编号等,特别是建筑中仪器与CAD图纸的坐标刚好相反,得调换前后顺序6、在sheet2 表格上建立sheet1 的链接,把整理后的数据如下显示7、最后在每个点旁边写上控制点编号,这个有点繁琐。
施工放线是从建筑物定位开始的,一直到主体工程封顶都离不开施工放线。
大致分三个阶段:建筑物定位(放线)、基础施工(放线)和主体施工(放线)。
一、建筑物定位,是房屋建筑工程开工后的第一次放线,建筑物定位参加的人员是:城市规划部门(下属的测量队)及施工单位的测量人员(专业的),根据建筑规划定位图进行定位,最后在施工现场形成(至少)4个定位桩。
放线工具为“全站仪”或“比较高级的经纬仪”。
二、基础施工放线,建筑物定位桩设定后,由施工单位的专业测量人员、施工现场负责人及监理共同对基础工程进行放线及测量复核(监理人员主要是旁站监督、验证),最后放出所有建筑物轴线的定位桩(根据建筑物大小也可轴线间隔放线),所有轴线定位桩是根据规划部门的定位桩(至少4个)及建筑物底层施工平面图进行放线的。
放线工具为“经纬仪”。
基础定位放线完成后,由施工现场的测量员及施工员依据定位的轴线放出基础的边线,进行基础开挖。
放线工具:经纬仪、龙门板、线绳、线坠子、钢卷尺等。
小工程可能没有测量员,就是施工员放线。
注意:基础轴线定位桩在基础放线的同时须引到拟建建筑物周围的永久建筑物或固定物上,防止轴线定位桩破坏了,用来补救。
三、主体施工放线,基础工程施工出正负零后,紧接着就是主体一层、二层...直至主体封顶的施工及放线工作,放线工具:经纬仪、线坠子、线绳、墨斗、钢卷尺等。
根据轴线定位桩及外引的轴线基准线进行施工放线。
用经纬仪将轴线打到建筑物上,在建筑物的施工层面上弹出轴线,再根据轴线放出柱子、墙体等边线等,每层如此,直至主体封顶。
我有20多年的施工经验,由于时间关系说的不是很细(放线有很多技巧),希望对你有所帮助。
施工放线有多种方法,条件允许的场地只要钉多一次龙门桩就可以搞定,一般龙门桩主要用于基础施工放线,基础完工后再把轴线及水平引测到基础上部四大角的侧面,用墨线弹出垂直、水平线做出三角标记,在引之前需用基准点校验龙门桩是否准确,这样不管你放N多次线只要以基础侧面的基点用仪器或铅垂向上引测轴线,用钢尺量测标高,这样就可以到主体封顶。
第一章基本概念§1-1:测量科学分类1、大地测量学:专门研究地球形状、大小和解决在大面积内建立大地点控制网。
2、地形测量学:在大地控制网的基础上,根据需要测绘各种比例尺的地形图。
3、摄影测量学:利用航空摄影或地面(陆地)摄影所得到的摄影像片,经过内业纠正,绘制成地形图。
4、工程测量学:为城镇建设、矿山建设、交通运输、农田水利工程建设服务的测量科学。
我们平时所从事的测量工作,均属于工程测量的内容之一。
根据测量学的分类,我们就不难分辨工程测量与大地测量的基本任务的区别,大地测量不在这里进行展开讨论,仅以工程测量与监理工作相关的方面进行学习与探讨。
§1-2:工程测量的基本任务1、根据建设工程的需要,测绘局部地区的大比例尺地形图,以满足建设需要。
2、根据设计图纸,把图纸上设计好的各种工程建筑物,按照设计要求测设到地面上。
3、土建工程如:道路、桥梁、各种管道工程、农田水利、工业与民用建筑、矿山和铁路建设等,都需要用测量所得到的各种资料和图纸进行规划设计、工程量的估算和方案比较,以选出最经济、最合适的设计方案。
为了保证设计意图的实现,在工程施工中也要首先通过测量建立标志,作为施工的依据。
工程竣工后,为了满足使用、管理、维修和扩建等需要,还要把施工的实物,通过测量记录下来,编绘出竣工图纸和资料长期保存备用。
§1-3:平面图、地形图和地图概念以各种测量的数据将地球表面上的形态描绘于平面图纸上的图形,按图的内容和成图的方法可分为平面图、地形图和地图。
一、平面图将地面上的物体沿铅垂线投影到水平面上,并按比例缩小而成相似的图形,这种图称为平面图。
二、地形图如图上不仅表示地物的平面位置,并且要把地面的高低起伏的形状用规定的符号及配合数字注记表示出来,这种图称地形图。
三、地图当测区面积很大,不能用水平面代替“水准面”来做投影面,必须考虑到地球曲率的影响,而用地图投影的方法并按一定的精度要求,在平面图纸上描绘出测区或全球的图形,这种图称为地图。
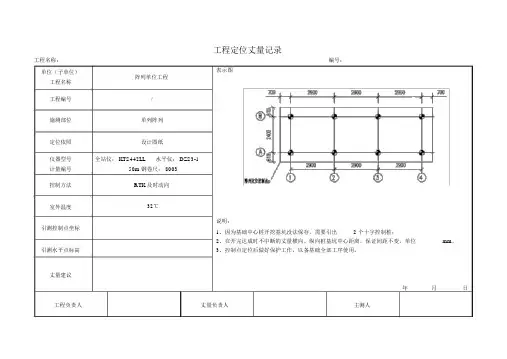
工程定位丈量记录
工程名称:编号:
单位(子单位)表示图
阵列单位工程
工程名称
工程编号/
施测部位单列阵列
定位依照设计图纸
仪器型号全站仪: KTS442LL水平仪: DZS3-1
计量编号50m 钢卷尺: 8003
控制方法RTK 及时动向
室外温度32℃
说明:
引测控制点坐标
1、因为基础中心桩开挖基坑没法保存,需要引出 2 个十字控制桩;
2、在开完达成时不中断的丈量横向、纵向桩基坑中心距离,保证间距不变,单位mm。
引测水平点标高3、控制点定位后做好保护工作,以备基础全部工序使用。
丈量建议
年月日工程负责人丈量负责人主测人
工程定位丈量(复测)记录
工程名称:
单位(子单位)表示图
单个阵列单位工程
工程名称
工程编号/
施测部位支架桩基基础
定位依照图纸
仪器型号全站仪: KTS442LL水平仪: DZS3-1
计量编号50m 钢卷尺: 8003
控制方法RTK 及时动向
说明:
1、单个阵列共8 个桩基基础;
室外温度33℃
2、纵向间距 (南北向 )2400mm ,横向间距(东西向)2900mm 。
3、纵向、横向都须在该方向的控制标线上。
引测控制点坐标
引测水平点标高
复测建议
年月日工程负责人丈量负责人复测人主测人。
建筑物基础施工放线的各种方法与放样建筑物的基础施工放线是建筑施工的重要环节,是确定建筑物位置和尺寸的基础工作,也是建筑施工中最基本的操作之一、以下将介绍一些常见的基础施工放线方法和放样的步骤。
1.斜界桩法:所谓斜界桩法,就是在现场将建筑物的位置通过斜界桩的方式来确定。
施工人员根据设计图纸上的水平线和垂直线,通过一定的比例来估算出需要放置的斜界桩的位置,并用钉子或其他方法将斜界桩固定在地面上。
当施工人员在斜界桩上拉起绳子时,绳子的中心点与布置好的竖直线会相交,这样就可以确定建筑物的位置。
2.拉线法:拉线法是一种简单而常用的放线方法。
在施工现场根据设计图纸上的相应位置确定好建筑物的四个角点,并在每个角点固定一根竖直拉线。
拉线时需要保证拉线绳与参考点或基础桩的水平线平行,并且在不同的角点上,两根竖直拉线要互相垂直。
然后根据这些竖直拉线就可以放置建筑物的基础桩。
3.对角线法:对角线法也是一种常用的放线方法。
首先,根据设计图纸确定建筑物的四个角点,并将每个角的位置进行标记。
然后,在相邻的两个角点之间拉直一根对角线,通过调整对角线来使其垂直。
接下来,在建筑物的每个角点上引出与对角线平行的线,并延长到合适的长度,这样就可以确定出建筑物基础桩的位置。
放样的步骤如下:1.根据设计图纸,确定放样点和基准点,并将其坐标标注在图纸上。
2.根据设计要求,确定放样误差范围,以及放样精度要求。
3.在现场根据放样点和基准点的坐标,找到相应的位置。
4.使用测量仪器(如经纬仪、水准仪、全站仪等),测量放样点和基准点的坐标,并记录下来。
5.根据测量结果,进行放样计算,确定建筑物各个部位的放样点位置。
6.在建筑物基础桩的位置上,进行放样,标出放样点。
7.检查放样点的位置是否正确,以及放样误差是否符合要求。
总之,建筑物基础施工放线是确保建筑物位置和尺寸准确的关键步骤,常用的放线方法有斜界桩法、拉线法和对角线法等。
放样的步骤包括确定放样点和基准点、测量坐标、进行放样计算、标出放样点等。
建设工程基础轴线放线方案一、前言建设工程基础轴线放线是工程施工的第一步,该步骤的准确性直接影响到整个工程的质量和安全。
如何科学合理地进行基础轴线放线,是每一个工程施工单位都必须面对的重要问题。
本文将围绕基础轴线放线的原理、方法和实际操作进行详细介绍,并结合实例进行分析,以期为工程施工提供有益的参考和指导。
二、基础轴线放线的原理基础轴线放线是指在地面上准确、清晰地绘制出基础的轴线,以便后续的基础施工。
基础轴线放线的原理主要包括以下几点:1. 材料准备:放线所需的工具包括放线绳、木桩、钉子、橡皮锤等。
放线绳要求具有一定的拉力和抗拉性能,能够在拉直的情况下不变形,能够清晰地标示出轴线的位置。
2. 基础尺寸确定:在放线前需要根据设计图纸确定基础的尺寸和位置,以此作为放线的基准。
根据基础的平面尺寸和高程确定放线点的位置和高程。
3. 放线方法:放线方法一般有涂线法、戳线法和平锤法等。
在实际操作中,根据基础的具体形式和尺寸,选择合适的放线方法进行操作。
4. 放线精度:放线的精度要求较高,一般要求在±5mm范围内。
因此在放线过程中需要仔细操作,避免出现偏差。
5. 安全防护:在放线过程中要注意人身安全,避免因误操作或不慎而造成伤害。
三、基础轴线放线的方法基础轴线放线的方法多种多样,根据实际施工需要和地形环境的不同,可以选择不同的放线方法。
以下是一些常用的放线方法:1. 涂线法:将放线绳系在两个放线点上,通过钛白粉或其他颜料将轴线在地面上标注出来。
该方法简单易行,适用于平整的场地。
2. 戳线法:将放线绳系在两个放线点上,通过一根铁钉或木桩将轴线在地面上戳出来。
该方法适用于较为坚硬的地面。
3. 平锤法:将放线绳系在两个放线点上,利用铁锤的重力将轴线在地面上标出来。
该方法适用于土质较软的地面。
4. 光电法:利用光电测距仪或红外线测距仪进行放线,可以提高放线的准确性和效率。
以上方法可以根据实际施工需要进行选择和组合,以提高放线的准确性和效率。
其目的是按设计意图和要求,将线路的空间位置测设于实地,以指导线路施工:即在勘测设计阶段,主要是为工程设计提供必要的测绘资料和其他数据;施工建造阶段,是对线路中线和坡度按设计位置进行实地测设,包括施工控制网的布设及施测、施工导线测量、线路中线及腰线的放样、水平曲线与竖曲线的测设和纵断面测量与横断面测量,以及竣工测量和验收;在运营管理阶段,是对线路工程的危险地段进行定期和不定期的变形监测,以掌握工程的安全状态,便于必要时采取永久性或应急性措施,或为线路工程的维修和局部改线提供测量服务。
施工放线。
大致分三个阶段:建筑物定位(放线)、基础施工(放线)和主体施工(放线)。
一、建筑物定位,是房屋建筑工程开工后的第一次放线,建筑物定位参加的人员是:城市规划部门(下属的测量队)及施工单位的测量人员(专业的),根据建筑规划定位图进行定位,最后在施工现场形成(至少)4 个定位桩。
放线工具为“全站仪”或“比较高级的经纬仪”。
二、基础施工放线,建筑物定位桩设定后,由施工单位的专业测量人员、施工现场负责人及监理共同对基础工程进行放线及测量复核(监理人员主要是旁站监督、验证)最后放出所有建筑物轴线的定位桩,(根据建筑物大小也可轴线间隔放线),所有轴线定位桩是根据规划部门的定位桩(至少4 个)及建筑物底层施工平面图进行放线的。
放线工具为“经纬仪”。
基础定位放线完成后,由施工现场的测量员及施工员依据定位的轴线放出基础的边线,进行基础开挖。
放线工具:经纬仪、龙门板、线绳、线坠子、钢卷尺等。
小工程可能没有测量员,就是施工员放线。
注意:基础轴线定位桩在基础放线的同时须引到拟建建筑物周围的永久建筑物或固定物上,防止轴线定位桩破坏了,用来补救。
三、主体施工放线,基础工程施工出正负零后,紧接着就是主体一层、二层... 直至主体封顶的施工及放线工作,放线工具:经纬仪、线坠子、线绳、墨斗、钢卷尺等。
根据轴线定位桩及外引的轴线基准线进行施工放线。
基础放线放样技巧一、筏板基础地基怎样放线可以说点现场施工的放线经验:1、先是主轴线(横向和纵向控制线)、再是根据结构图设计地下室内外墙、柱、剪力墙柱、基础梁(梁板式筏基)、电梯基坑、后浇带位置等等。
2、其中墙体、柱、剪力墙柱线要用彩色油漆,一般是红色油漆在墙柱边角做“三角形”标注,以利于筏板钢筋完成后墙柱钢筋主筋就位、摆放。
应该注意的是基础线放线完成后要自检、互检,最后同监理共同验收,确认无误后方可开始钢筋绑扎施工。
施工时先放主轴线,这样再放墙柱线时要容易很多。
主要是对墙柱等细部位置的校正,因为细节往往会出现小错误的地方。
放线完成后就是做地基放线记录等工程资料了。
二、土建基础怎么放线基槽开挖边线放线与基坑抄平1、基槽开挖边线放线在基础开挖前,按照基础详图上的基槽宽度和上口放坡的尺寸,由中心桩向两边各量出开挖边线尺寸,并作好标记;然后在基槽两端的标记之间拉一细线,沿着细线在地面用白灰撒出基槽边线,施工时就按此灰线进行开挖。
2、基坑抄平为了控制基槽开挖深度,当基槽开挖接近槽底时,在基槽壁上自拐角开始,每隔3~5m测设一根比槽底设计高程提高0.3~0.5m的水平桩,作为挖槽深度、修平槽底和打基础垫层的依据。
水平桩一般用水准仪根据施工现场已测设的±0标志或龙门板顶面高程来测设的。
例:槽底设计高程为-1.700m,欲测设比槽底设计高程高0.500m的水平桩,首先在地面适当地方安置水准仪,立水准尺于±0标志或龙门板顶面上,读取后视读数为0.774m,求得测设水平桩的应读前视读数0.774+1.700-0.500=1.974m。
然后贴槽壁立水准尺并上下移动,直至水准仪水平视线读数为1.974m时,沿尺子底面在槽壁打一小木桩,即为要测设的水平桩。
砌筑建筑物基础,所挖地槽呈深坑状的叫基坑。
若基坑过深,用一般方法不能直接测定坑底标高时,可用悬挂的钢尺来代替水准尺把地面高程传递到深坑内。
基础施工放线基础施工包括垫层和基础墙的施工。
一、筏板基础地基怎样放线可以说点现场施工的放线经验:1、先是主轴线(横向和纵向控制线)、再是根据结构图设计地下室内外墙、柱、剪力墙柱、基础梁(梁板式筏基)、电梯基坑、后浇带位置等等。
2、其中墙体、柱、剪力墙柱线要用彩色油漆,一般是红色油漆在墙柱边角做“三角形”标注,以利于筏板钢筋完成后墙柱钢筋主筋就位、摆放。
应该注意的是基础线放线完成后要自检、互检,最后同监理共同验收,确认无误后方可开始钢筋绑扎施工。
施工时先放主轴线,这样再放墙柱线时要容易很多。
主要是对墙柱等细部位置的校正,因为细节往往会出现小错误的地方。
放线完成后就是做地基放线记录等工程资料了。
二、土建基础怎么放线基槽开挖边线放线与基坑抄平1、基槽开挖边线放线在基础开挖前,按照基础详图上的基槽宽度和上口放坡的尺寸,由中心桩向两边各量出开挖边线尺寸,并作好标记;然后在基槽两端的标记之间拉一细线,沿着细线在地面用白灰撒出基槽边线,施工时就按此灰线进行开挖。
2、基坑抄平为了控制基槽开挖深度,当基槽开挖接近槽底时,在基槽壁上自拐角开始,每隔3~5m测设一根比槽底设计高程提高0.3~0.5m的水平桩,作为挖槽深度、修平槽底和打基础垫层的依据。
水平桩一般用水准仪根据施工现场已测设的±0标志或龙门板顶面高程来测设的。
例:槽底设计高程为-1.700m,欲测设比槽底设计高程高0.500m的水平桩,首先在地面适当地方安置水准仪,立水准尺于±0标志或龙门板顶面上,读取后视读数为0.774m,求得测设水平桩的应读前视读数0.774+1.700-0.500=1.974m。
然后贴槽壁立水准尺并上下移动,直至水准仪水平视线读数为1.974m时,沿尺子底面在槽壁打一小木桩,即为要测设的水平桩。
砌筑建筑物基础,所挖地槽呈深坑状的叫基坑。
若基坑过深,用一般方法不能直接测定坑底标高时,可用悬挂的钢尺来代替水准尺把地面高程传递到深坑内。
基础施工放线基础施工包括垫层和基础墙的施工。
其目的是按设计意图和要求,将线路的空间位置测设于实地,以指导线路施工:即在勘测设计阶段,主要是为工程设计提供必要的测绘资料和其他数据;施工建造阶段,是对线路中线和坡度按设计位置进行实地测设,包括施工控制网的布设及施测、施工导线测量、线路中线及腰线的放样、水平曲线与竖曲线的测设和纵断面测量与横断面测量,以及竣工测量和验收;在运营管理阶段,是对线路工程的危险地段进行定期和不定期的变形监测,以掌握工程的安全状态,便于必要时采取永久性或应急性措施,或为线路工程的维修和局部改线提供测量服务。
施工放线.大致分三个阶段:建筑物定位(放线)、基础施工(放线)和主体施工(放线)。
一、建筑物定位,是房屋建筑工程开工后的第一次放线,建筑物定位参加的人员是:城市规划部门(下属的测量队)及施工单位的测量人员(专业的),根据建筑规划定位图进行定位,最后在施工现场形成(至少)4 个定位桩.放线工具为“全站仪”或“比较高级的经纬仪”。
二、基础施工放线,建筑物定位桩设定后,由施工单位的专业测量人员、施工现场负责人及监理共同对基础工程进行放线及测量复核(监理人员主要是旁站监督、验证)最后放出所有建筑物轴线的定位桩,(根据建筑物大小也可轴线间隔放线),所有轴线定位桩是根据规划部门的定位桩(至少4 个)及建筑物底层施工平面图进行放线的。
放线工具为“经纬仪”。
基础定位放线完成后,由施工现场的测量员及施工员依据定位的轴线放出基础的边线,进行基础开挖。
放线工具:经纬仪、龙门板、线绳、线坠子、钢卷尺等。
小工程可能没有测量员,就是施工员放线。
注意:基础轴线定位桩在基础放线的同时须引到拟建建筑物周围的永久建筑物或固定物上,防止轴线定位桩破坏了,用来补救。
三、主体施工放线,基础工程施工出正负零后,紧接着就是主体一层、二层。
直至主体封顶的施工及放线工作,放线工具:经纬仪、线坠子、线绳、墨斗、钢卷尺等.根据轴线定位桩及外引的轴线基准线进行施工放线。
用经纬仪将轴线打到建筑物上,在建筑物的施工层面上弹出轴线,再根据轴线放出柱子、墙体等边线等,每层如此,直至主体封顶.施工放线有多种方法,条件允许的场地只要钉多一次龙门桩就可以搞定,一般龙门桩主要用于基础施工放线,基础完工后再把轴线及水平引测到基础上部四大角的侧面,用墨线弹出垂直、水平线做出三角标记,在引之前需用基准点校验龙门桩是否准确,这样不管你放N 多次线只要以基础侧面的基点用仪器或铅垂向上引测轴线,用钢尺量测标高,这样就可以到主体封顶。