气气热管换热器计算书
- 格式:docx
- 大小:29.04 KB
- 文档页数:7
热管换热器计算(2009-02-20 22:50:45)转载标签:热管换热器计算德天热管亚洲热管网热管换热器计算可用热平衡方程式进行计算,对于常温下使用的通风系统中的热管换热器的换热后温度,回收的冷热量也可用下列公式计算,由于公式采用的是显热计算,但实际热回收过程也发生潜热回收,因此计算值较实测值偏小,其发生的潜热回收可作为余量或保险系数考虑。
本文选自【亚洲热管网】热管换热器的计算:1. 热管换热器的效率定义η=t1-t2/t1- t3 (1-1)式t1、t2——新风的进、出口温度(℃)t3——排风的入口温度(℃)2.热管换热器的设计计算一般已知热管换热器的新风和排风的入口温度t1和t3,取新风量L x 与排风量L P相等。
即L x = L P,新风和排风的出口温度按下列公式计算:t2=t1-η(t1-t3) (1-2)t4=t3+η(t1-t3) (1-3)t4——排风出口温度(℃)回收的热量Q (kW), 负值时为冷量:Q(kW)= L xρX C x(t2-t1)/3600 (1-4)式中L x——新风量(m3/h )ρx——新风的密度(kg/m3)(一般取1.2 kg/m3)C x——新风的比热容,一般可取1.01kJ/ (kg ·℃)。
3.选用热管换热器时,应注意:1)换热器既可以垂直也可以水平安装,可以几个并联,也可以几个串联;当水平安装时,低温侧上倾5℃~7℃。
2)表面风速宜采用1.5 m/s~3.5m/s。
3)当出风温度低于露点温度或热气流的含湿量较大时,应设计冷凝水排除装置。
4)冷却端为湿工况时,加热端的效率η值应增加,即回收的热量增加。
但仍可按上述公式计算(增加的热量作为安全因素)。
需要确定冷却端(热气流)的终参数时,可按下式确定处理后的焓值,并按处理后的相对湿度为90%左右考虑。
h2=h1- 36Q/ L×ρ (1-5)式中h1, h2——热气流处理前、后的焓值(kJ/kg);Q ——按冷气流计算出的回收热量(W);L ——热气流的风量(m3/h );ρ——热气流的密度(kg/m3)。
热管换热器设计计算1 确定换热器工作参数1.1 确定烟气进出口温度t 1,t 2,烟气流量V ,空气出口温度t 2c,饱和蒸汽压力p c .对于热管式换热器,t 1范围一般在250C ~600C 之间,对于普通水-碳钢热管的工作温度应控制在300C 以下.t 2的选定要避免烟气结露形成灰堵及低温腐蚀,一般不低于180C .空气入口温度t 1c.所选取的各参数值如下:2 确定换热器结构参数2.1 确定所选用的热管类型 烟气定性温度: t f =t 1+t 22=420°C+200°C2=310°C在工程上计算时,热管的工作温度一般由烟气温度与4倍冷却介质温度的和的平均值所得出:烟气入口处: t i =t 1+t 2c ×45=420°C+152°C×45=180°C 烟气出口处:t o =t 2+t 1c ×45=200°C+20°C×45=56°C选取钢-水重力热管,其工作介质为水,工作温度为30C ~250C o o ,满足要求,其相容壳体材料:铜、碳钢(内壁经化学处理)。
2.2 确定热管尺寸对于管径的选择,由音速极限确定所需的管径d v =1.64√Q cr(ρv p v )12根据参考文献《热管技能技术》,音速限功率参考范围,取C Q 4kW ,在t o =56°C 启动时ρv =0.1113kg/m 3p v =0.165×105pa r =2367.4kJ/kg因此 d v =1.64√Q cr(ρv p v )12=10.3mm由携带极限确定所要求的管径d v =√1.78×Q entπ∙r(ρL −14⁄+ρv −14⁄)−2[gδ(ρL−ρv ]14⁄ 根据参考文献《热管技能技术》,携带限功率参考范围,取4Q ent kw 管内工作温度 t i =180℃时ρL =886.9kg/m 3 ρv =5.160kg/m 3r =2013kJ/kg4431.010/N m因此 d v =√1.78×4π×2013×(886.9−14⁄+5.16−14⁄)−2[g×431.0×10−4(886.9−5.160)]14⁄=13.6mm考虑到安全因素,最后选定热管的内径为m m 22d i管壳厚度计算由式][200d P S iV式中,V P 按水钢热管的许用压力228.5/kg mm 选取,由对应的许用230C 来选取管壳最大应力2MAX 14kg/mm ,而2MAX 1[] 3.5/4kg mm故 0.896mm 3.52000.02228.5S考虑安全因素,取 1.5S mm ,管壳外径:m m 25.51222S 2d d i f . 通常热管外径为25~38mm 时,翅片高度选10~17mm (一般为热管外径的一半),厚度选在0.3~1.2mm 为宜,应保证翅片效率在0.8以上为好.翅片间距对干净气流取2.5~4mm ;积灰严重时取6~12mm ,并配装吹灰装置.综上所述,热管参数如下:翅片节距:'415f f f S S mm 每米热管长的翅片数:'10001000200/5f f n m S 肋化系数的计算:每米长翅片热管翅片表面积22[2()]14f f o f f f A d d d n每米长翅片热管翅片之间光管面积(1)r o f f A d n每米长翅片热管光管外表面积o o A d 肋化系数:22[2()]1(1)4f o f f f o f f f rood d d n d n A A A d22[0.5(0.050.025)0.050.001]2000.025(10.2)8.70.0252.3 确定换热器结构将热管按正三角形错列的方式排列,管子中心距S ′=(1.2~1.5)d f 取S ′=70mm 。
热管换热器设计计算及设计说明热管换热器设计计算及设计说明1.引言1.1 背景1.2 目的1.3 范围2.设计要求2.1 传热需求2.2 材料选择2.3 设计参数①换热面积②压降限制③管子尺寸④工作温度3.热管换热器基本原理3.1 热管换热器工作原理3.2 热管换热器的优点和应用领域4.设计计算4.1 换热器传热计算①热传导模型②热阻计算4.2 管子尺寸计算4.3 热管液体填充计算4.4 压降计算5.设计方案5.1 热管换热器结构设计①整体结构②管板结构③热管布置5.2 材料选用及制造工艺6.工程图纸6.1 总装图6.2 管板图6.3 管子图6.4 附件图7.安装与使用注意事项7.1 安装步骤7.2 操作须知7.3 维护保养附件:1.热管换热器结构设计图纸2.材料选择与使用说明书3.设备运行参数记录表本文所涉及的法律名词及注释:1.设计要求:设计过程中必须满足的相关要求和标准。
2.传热需求:根据工况和热流量确定的需要传热的要求。
3.材料选择:根据工作条件和传热要求选择合适的材料进行设计和制造。
4.设计参数:在设计过程中使用的相关参数,如换热面积、压降限制等。
5.工作温度:换热器在实际工作过程中的温度范围。
6.热传导模型:用于计算热管换热器传热效果的数学模型。
7.热阻计算:通过计算换热管道和外界之间的热阻来评估传热效果。
8.管子尺寸计算:根据传热需求和阻力要求,计算管道的尺寸。
9.热管液体填充计算:根据液体性质和工作温度,计算填充液体的数量和性质。
10.压降计算:根据流体流速和管道尺寸计算流体流经换热器时的压降。
11.设计方案:根据1.2节的目的和设计要求,提出符合要求的热管换热器结构设计。
12.制造工艺:制造热管换热器时需要采用的工艺方法。
13.总装图:热管换热器的整体结构图。
14.管板图:热管换热器中管板的结构图。
15.管子图:热管换热器中管道的结构图。
16.附件图:包括安装附件和连接管件的结构图。
热管换热器设计计算1确定换热器工作参数1.1 确定烟气进出口温度ti,t3,烟气流量V,空气出口温度頁,饱和蒸汽压力Pc?对于热管式换热器,ti 范圉一般在250°C? 600°C 之间,对于普通水- 碳钢热管的工作温度应控制在300°C 以下. t2的选定要避免烟气结露形成灰堵及低温腐蚀,一般不低于180°C.空气入口温度的. 所选取的各参数值如下:2 确定换热器结构参数2.1确定所选用的热管类型烟气定性温度: f 宇_4 沁; 2 沁=310 比在工程上计算时,热管的工作温度一般由烟气温度与4倍冷却介质温度的和的半均值所得出:如+営=420? c+严z = 18O°C烟气入口处:q =. t2+tiX4 200°C+20°Cx4烟气出口处:l° 5 5 C选取钢-水重力热管. 其工作介质为水. 工作温度为30OC~25°0 C? 满足要求. 其相容壳体材料:铜. 碳钢(内壁经化学处理)。
2.2 确定热管尺寸对于管径的选择,由音速极限确定所需的管径d v = 1.64 Qc t J厂9必)2根据参考文献《热管技能技术》,音速限功率参考范闱,取10 = 56 吃启动时p v = O.1113k^/7H 3p v = 0.165 X 105par = 2367.4 幼/kg因此d v = 1.64 I ! = 10.3 mmyr(p v p v)l由携带极限确定所要求的管径d _ I 1.78 X Qent Qc=4kW,在P Ji (P L" 1/4+ P V~1/4)_2^(P L - Pv]1/4根据参考文献《热管技能技术》,携带限功率参考范围,取180°C时P L = 886.9kg/m3 pv = 5.160/c^/m3 r = 20\3kJ/kg Q ent=4kw 管内工作温度t t =J = 431.0xl0^N/m因此178x4nx20L3x(8Q6.^ i/4+SA6^i/4)-2 [gX431.0xl0-4(886.9-5.160)]1/4 =13.6nun考虑到安全因素,最后选定热管的内径为4 = 22111111管売厚度计算由式Pv420qcr]式中,Pv按水钢热管的许用压力28.5kg /nmr 选取,由对应的许用230°C來选取管壳最大应力乐朋=14kg/nim 2,而[<r]= - (7,^ = 3.5ka / nmr 428? 5x0.022 =0.89611U11考虑安全因素,= 1.5210101x131.15, 管壳外径:df =4+2S= 22+2x1.5= 25mm.通常热管外径为25? 38mm时,翅片高度选10? 17mm (—般为热管外径的一半),厚度选在0.3~1.2mm为宜,应保证翅片效率在0.8以上为好. 翅片间距对干净气流取 2.5? 4mm:积灰严重时取6? 12inm,并配装吹灰装置. 综上所述,热管参数如下:翅片节距:Sf = Sf+务=4+1= 5mm每米热管长的翅片数:n厂啤= ^ = 200/mS f 5肋化系数的计算:每米长翅片热管翅片表面积Af =[2x^.x (d^-d;)+ ^ d f . J f] n f 4 4 每米长翅片热管翅片之间光管面积A=”a(i- i “込)每米长翅片热管光管外表面积肋化系数:宀[2x^x(d^-d;) + ^ d f J f] n f l + ^ d o (l-n f J f)訂- 4 力4[0.5 x (O.O5 2 - 0 0253) + 0 05 x0 0011x200 + 0.025 x(l-0.2) o ---- =8.70.0252.3确定换热器结构将热管按正三角形错列的方式排列,管子S' = (1.2~1.5)蚣取S'= 中心距70nmio3 热力计算3. 1确定换热器中热管的热侧和冷侧的管长Wc,以及迎风面管数B1)确定烟气标准速度V, —般取 2.5~5m/s,假设vMm/s,可得出烟气迎风面的面积4=匕=黑=2.8n】22)确定迎风面宽度E,取E=1.8m,热管的热侧管长“=霍=1.56m,适当D 1.0取= 1.5m,并且lh/lc = 3/1<? l c = 0.5mo3)求出迎风面的管数B, B = E/S = 1.8/0.07 = 25.7,B为整数,应取B=26, 因此实际的迎风面的宽度 E = 0.07 X26 = 1.82m,同时实际的迎风面面积A' =Exl h =1.82 X 1.5 =2.73m2,实际的速度是 d = v/A'=疵鲁石= 4.07m/So3.2确定传热系数1)烟气定性温度:tf = ti + t2/2 = 420°C;200°C = 310 C°,从而确定烟气的物性参数:2)确定烟气侧管束的最小流通截面积NFA = [(S '一d。
气气热管换热器计算书热管换热器的设计计算1.确定换热器工作参数在设计热管式换热器时,需要确定烟气进出口温度t1和t2,烟气流量V,空气出口温度t2,以及饱和蒸汽压力pc。
对于普通水-碳钢热管的工作温度应控制在300℃以下,而t2的选定要避免烟气结露形成灰堵及低温腐蚀,一般不低于180℃。
所选取的各参数值如下:烟气流量:m2/h饱和蒸汽压力:0.2MPa空气出口温度:120℃空气入口温度:20℃排烟入口温度:20℃排烟出口温度:200℃2.确定换热器结构参数2.1 确定所选用的热管类型在工程上计算时,热管的工作温度一般由烟气温度与4倍冷却介质温度的和的平均值所得出。
对于本设计,烟气入口处的温度为180℃,烟气出口处的温度为56℃。
因此,选取钢-水重力热管作为工作介质,其工作温度为30℃~250℃,相容壳体材料为铜和碳钢(内壁经化学处理)。
2.2 确定热管尺寸在确定热管尺寸时,需要根据音速极限和携带极限来选择管径。
根据参考文献《热管技能技术》,取参考功率范围Qc=4kW,在t2=56℃启动时,可得到热管的管径为10.3mm。
根据参考文献《热管技能技术》,取参考功率范围Qent=4kW,在管内工作温度ti=180℃时,可得到热管的管径为1.11mm。
根据给定的公式,计算得到热管的内径为22mm,管壳厚度为1.5mm,外径为25mm。
为保证翅片效率在0.8以上,选取翅片高度为11mm,厚度为0.5mm,翅片间距为5mm,肋化系数为8.7.将热管按正三角形错列的方式排列,管子中心距取70mm。
确定热管的热侧和冷侧管长。
本文介绍了烟气余热锅炉中热管的设计计算方法。
首先需要确定烟气标准速度v,一般取2.5~5m/s,假设v=4m/s,可得出烟气迎风面的面积A=2.8m2.确定迎风面宽度E,取E=1.8m,热管的热侧管长Aℎ=1.5m,并且Aℎ⁄AA=3⁄1,∴AA=0.5m。
求出迎风面的管数B,A=A⁄A′=1.8⁄0.07=25.7,B为整数,应取B=26,因此实际的迎风面的宽度A=0.07×26=1.82m,同时实际的迎风面面积A′=A×Aℎ=1.82×1.5=2.73m2,实际的速度是A′=A⁄A′=4.07m/s。
套管换热器计算天然气集输P195~P201一,计算热负荷天然气质量流量ms0.171kg/s天然气定压比热Cp 2.558kj/kg·k天然气入口温度t1'8℃天然气入口温度t1''28℃热负荷Q=ms·Cp(t1''-t1')8.74836kw二,计算逆流平均温差热水入口温度tw’80℃热水出口温度tw''76℃平均温差Δt59.1912831℃三,计算管内传热系数管内流体流速u 1.097m/s管内流体密度ρ45.58kg/m3管内径d0.066m流体动力粘度μ0.00001255Pa·s雷诺数Re=udρ/μ2.63E+05>10000为湍流状态计算普朗特数管内流体导热系数λ0.03763w/m·k普朗特数Pr=Cpμ/λ8.53E-01计算奴塞尔数温度校正系数εt1入口效应校正系数εL1弯管修正系数εR1被加热奴塞尔数Nu=0.023Re0.8Pr0.4εtεLεR 4.68E+02管内传热系数h=Nuλ/d266.7024863w/m2·k四,计算环形空间传热系数套管内径d20.15m内管外径d10.076m环形空间当量直径de0.220052632m环形空间液体流速ul0.03m/s环形空间液体密度ρl1000kg/m3环形空间液体动力粘度μl 3.15E-04Pa·s雷诺数Re=uldeρl/μl20957.39348>10000为湍流状态计算普朗特数环形空间流体导热系数λl0.6698w/m·k环形空间流体定压比热Cpl 4.356kj/kg·k普朗特数Pr=Cplμl/λl2.05E+00计算奴塞尔数温度校正系数εt1入口效应校正系数εL1弯管修正系数εR1被冷却奴塞尔数Nu=0.023Re0.8Pr0.4εtεLεR 8.17E+01环形空间传热系数h1=Nuλl/de248.6865006w/m2·k五,计算总传热系数K污垢热阻R1,R20.000260.0005m2·k/w管壁导热系数λb45w/m·k总传热系数K=1/(d1/d·h+d1/2λb*ln(d1/d)+1/hl+R1+R2)108.4850274w/m2·k六,所需内管传热面积计算传热面积F=Q/K/Δt1.362382602m2七,所需内管长度计算内管长度L=F/PI/d15.70605067m取长度为8m。
热管换热器设计计算1 确定换热器工作参数1.1 确定烟气进出口温度t 1,t 2,烟气流量V ,空气出口温度t 2c,饱和蒸汽压力p c .对于热管式换热器,t 1范围一般在250C ~600C 之间,对于普通水-碳钢热管的工作温度应控制在300C 以下.t 2的选定要避免烟气结露形成灰堵及低温腐蚀,一般不低于180C .空气入口温度t 1c.所选取的各参数值如下:2 确定换热器结构参数2.1 确定所选用的热管类型 烟气定性温度: t f =t 1+t 22=420°C+200°C2=310°C在工程上计算时,热管的工作温度一般由烟气温度与4倍冷却介质温度的和的平均值所得出:烟气入口处: t i =t 1+t 2c ×45=420°C+152°C×45=180°C 烟气出口处:t o =t 2+t 1c ×45=200°C+20°C×45=56°C选取钢-水重力热管,其工作介质为水,工作温度为30C ~250C ,满足要求,其相容壳体材料:铜、碳钢(内壁经化学处理)。
2.2 确定热管尺寸对于管径的选择,由音速极限确定所需的管径d v =1.64√Q cr(ρv p v )12根据参考文献《热管技能技术》,音速限功率参考范围,取C Q 4kW =,在t o =56°C 启动时ρv =0.1113kg/m 3p v =0.165×105pa r =2367.4kJ/kg因此 d v =1.64√Q cr(ρv p v )12=10.3mm由携带极限确定所要求的管径d v =√1.78×Q entπ∙r(ρL −14⁄+ρv −14⁄)−2[gδ(ρL−ρv ]14⁄ 根据参考文献《热管技能技术》,携带限功率参考范围,取4Q ent =kw 管内工作温度 t i =180℃时ρL =886.9kg/m 3 ρv =5.160kg/m 3r =2013kJ/kg4431.010/N m δ-=⨯因此 d v =√1.78×4π×2013×(886.9−14⁄+5.16−14⁄)−2[g×431.0×10−4(886.9−5.160)]14⁄=13.6mm考虑到安全因素,最后选定热管的内径为m m 22d i =管壳厚度计算由式][200d P S iV σ=式中,V P 按水钢热管的许用压力228.5/kg mm 选取,由对应的许用230C 来选取管壳最大应力2MAX 14kg/mm σ=,而2MAX 1[] 3.5/4kg mm σσ==故 0.896mm 3.52000.02228.5S =⨯⨯=考虑安全因素,取 1.5S mm =,管壳外径:m m 25.51222S 2d d i f =⨯+=+=. 通常热管外径为25~38mm 时,翅片高度选10~17mm (一般为热管外径的一半),厚度选在0.3~1.2mm 为宜,应保证翅片效率在0.8以上为好.翅片间距对干净气流取2.5~4mm ;积灰严重时取6~12mm ,并配装吹灰装置.综上所述,热管参数如下:翅片节距:'415f f f S S mm δ=+=+= 每米热管长的翅片数:'10001000200/5f f n m S === 肋化系数的计算:每米长翅片热管翅片表面积22[2()]14f f o f f f A d d d n ππδ=⨯⨯-+⋅⋅⋅⋅每米长翅片热管翅片之间光管面积(1)r o f f A d n πδ=⋅⋅-⋅每米长翅片热管光管外表面积o o A d π=⋅ 肋化系数:22[2()]1(1)4f o f f f o f f f rood d d n d n A A A d ππδπδβπ⨯⨯-+⋅⋅⋅⋅+⋅⋅-⋅+==⋅22[0.5(0.050.025)0.050.001]2000.025(10.2)8.70.025⨯-+⨯⨯+⨯-==2.3 确定换热器结构将热管按正三角形错列的方式排列,管子中心距S ′=(1.2~1.5)d f 取S ′=70mm 。
气-汽热交换 1.实验设备参数 (1)水平管 内管(铜管)外径 m .d o 030= 内径 m .d i 0250= 内管横载面积 220004908704m .d S i ==π外管(玻璃管)外径 m .D o 0570= 内径 m .D i 050= 测试长度: m .l 850= (2)空气流量计连接管内径 m .d 0260= 孔板内径 m .d 01800= 孔流系数 6400.C =气气水ρρρπρπ)(gR d C )p p (d C q V -=-=2424221231000m /kg =水ρ 32931m /kg .=气ρ数据处理示例:数据记录:例如:空气流量在U 型压差计读数为m .cm R 0707==时,此时测得空气进出口温度分别是:05.741=t ℃,2.552=t ℃ 平均温度6.64=t ℃,查空气密度或计算300/05.16.64273273293.1m kg T T =+==ρρsm )gR d C q V /0059.005.1)05.11000(07.081.92018.0785.064.0(24322=-⨯⨯⨯⨯⨯=-==气气水ρρρπ空气粘度的计算:可用萨特兰公式计算:)4.1104.110()(05.100++⨯=T T T Tμμ K T 2730=时,s pa ⋅⨯=-501071.1μKT 3.3373.64273=+=,则17.185.037.1)4.113.3374.110273()2733.337(1071.15.15=⨯=++⨯=⨯-μs Pa ⋅⨯=⨯⨯=--551001.21071.11761.1μ空气的物理性质可用:粘度s pa ⋅⨯=-6101.20μ ,比热容K kg /J .c p ⋅⨯=3100171,导热系数K .m /W .0290=λW t t c q Q p V 8.118)2.5505.74(10017.105.10059.0)(321=-⨯⨯⨯⨯=-⋅=ρmt A QK ∆⨯=蒸汽进出口温度是89.10021==T T ℃2121t t ln t t t m ∆∆∆-∆=∆ 84.2605.7489.100111=-=-=∆t T t ℃ 69.452.5589.100222=-=-=∆t T t ℃ 得4.35=∆m t ℃ 2121‘ln t t t t t m ∆∆∆-∆=∆ 63.2605.7468.100111=-=-=∆t t t W 48.452.5568.100222=-=-=∆t t t W2.3563.2648.45ln63.2648.45‘=-=∆m t ℃K m W t l d Q t A Q m i m i 2/6.502.3585.0025.014.38.118=⨯⨯⨯=∆⨯=∆⨯=παs /m ...d q A q u i V i V 120250785000590422=⨯===π 15612101.20046.112025.0Re 6=⨯⨯⨯==-μρdu 705.0029.0101.2010017.1Pr 63=⨯⨯⨯==-λμp c6.43029.0025.06.50=⨯=⨯=λαi d Nu数据处理:实验结果对流传热系数根据量纲分析法得nmc Nu Pr Re =,取对数A m Nu +=Re lg lg ,其中n c A Pr lg =,设Nu y lg =,Re lg =x ,则可作直线A mx y +=, 求出斜率m k =,Pr 变化不大,可设为定值,取4.0=n ,在获得A 值的情况下,求得c ,这样就获得了求α的经验公式。
热管换热器设计计算及设计说明书热管换热器设计计算及设计说明书第⼀章热管及热管换热器的概述热管是⼀种具有极⾼导热性能的新型传热元件,它通过在全封闭真空管内的液体的蒸发与凝结来传递热量,它利⽤⽑吸作⽤等流体原理,起到良好的制冷效果。
具有极⾼的导热性、良好的等温性、冷热两侧的传热⾯积可任意改变、可远距离传热、温度可控制等特点。
将热管散热器的基板与晶闸管等⼤功率电⼒电⼦器件的管芯紧密接触,可直接将管芯的热量快速导出。
热管传热技术于六⼗年代初期由美国的科学家发明[1],它是利⽤封闭⼯作腔内⼯质的相变循环进⾏热量传输,因⽽具有传输热量⼤及传输效率⾼等特点。
随着热管制造成本的降低,尤其是九⼗年代前后随着⽔碳钢热管相容性问题的解决,热管凭借其巨⼤的传热能⼒,被⼴泛应⽤于⽯油、化⼯、⾷品、造纸、冶⾦等领域的余热回收系统中。
热管⽓-⽓换热器是最能体现热管优越性的热管换热器产品,它正在逐步取代传统的管壳式换热器。
热管⽓-⽓换热器是⽬前应⽤最⼴泛的⼀种⽓-⽓换热器。
我国的能源短缺问题⽇趋严重,节能已被提到了重要的议事⽇程。
⼤量的⼯业锅炉和各种窑炉、加热炉所排放的⾼温烟⽓,⽤热管⽓-⽓换热器进⾏余热回收,所得到的⾼温空⽓可⽤于助燃或⼲燥,因此应⽤前景⾮常⼴阔。
据有关报道称,我国三分之⼆的能源被锅炉吞噬,⽽我国⼯业锅炉的实际运⾏效率只有65%左右,⼯业发达国家的燃煤⼯业锅炉运⾏热效率达85%,因此,提⾼⼯业锅炉的热效率,节能潜⼒⼗分巨⼤。
如果我国锅炉的热效率能够提⾼10%,节约的能耗则相当于三峡⽔库⼀年的发电量,做好⼯业锅炉及窑炉的节能⼯作对节约能源具有⼗分重要的意义[2~6]。
利⽤热管⽓-⽓换热器代替传统的管壳式⽓-⽓换热器,⼀⽅⾯,能够⼤⼤提⾼预热空⽓进⼊炉内的温度,降低烟⽓温度,从⽽⼤⼤提⾼锅炉的热效率;另⼀⽅⾯,热管⽓-⽓换热器运⾏压降⾮常⼩,有时甚⾄不需要增加引风机等设备,从⽽使得运⾏费⽤⼤⼤降低。
1.1 热管及其应⽤热管是⼀种具有极⾼导热性能的传热元件,它通过在全封闭真空管内⼯质的蒸发与凝结来传递热量,具有极⾼的导热性、良好的等温性、冷热两侧的传热⾯积可任意改变、可远距离传热、可控制温度等⼀系列优点。
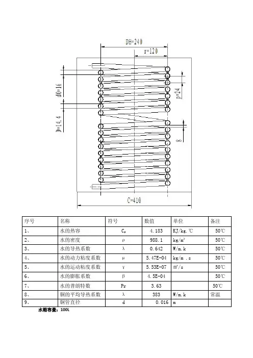
水箱容量:100L一、确定传热系数:计算盘管内和盘管外的传热系数,必须知道下列各参数: 1、 N 圈盘管所需的长度L ;LL =NN�(222222)22+PP 22 (1)=NN �(222222.1122)22+22.22220022=0.7544N 2、 盘管所占的体积V VV CC =(22/00)dd 2222LL (2)C=�2200�22.2211002222.77770000NN =0.152*10-33、 环形区的体积Va:N VV aa =�2200�(CC 22−BB 22)PPNN (3)由于此换热器整体浸入在内胆中,故B 为0,则VV aa =�2200�22.001122∗22.222200NN =3.169*10-34、 在环形区内可供流体流动的空间V NV ff =(3.169-0.152)*10= Va – Vc (4)-3N=3.017*10-35、 盘形管的壳程当量直径DeNDD ee =00VV ff22dd 22LL (5)=(4*3.017*10-3换热器外部的传热系数h0可用下面公式中的来计算。
h 0=λN U /dN )/(22*0.016*0.7544N )=0.3182 m努谢尔特数:N U =c(Pr.Gr)n Pr >0.7根据Pr.Gr 值可以从表中查得c 和n 的取值。
而Gr =βg ∆tL 3γ ,其中g 为重力加速度,L 盘管故:Gr =βg ∆tL 3γ=(4.5*10-4*9.8*10*0.0163)/(5.53*10-7)2则Pr.Gr =3.63*590674.57=2144148.694,将盘管看成是垂直圆柱,查表得:c=0.59 n=1/4。
=590674.57N U =c(Pr.Gr)n =0.59*2144148.6941/4h 0=λN U /d =0.642*22.577/0.016=905.902 w/㎡.k=22.577流体在盘管内流动的传热系数h i 采用以下一种常规方法计算:h i0=λN U /d N U =0.023Re 0.8Pr 0.4Re =du ρ/μ由于系统采用威乐泵RS15/6,泵的流量平均取为:0.417kg/s ,即0.422*10-3m ³/s,则:流速u=0.422*10-3/[(0.0144/2)2Re =du ρ/μ=0.016*2.59*988.1/5.47*10*π]=2.59 m/s-4N U =0.023Re 0.8Pr 0.4=0.023*74857.2=74857.20.8*3.630.4h i0=λN U /d =0.642*305.55/0.016=12260.19 w/㎡.k =305.55总传热系数U 由下式给出1/U=1/h 0+1/h i0+x/K e +R t +R 0 (9)由于污垢系数R t 和R 0取决于流体的特性,即流体中存在的悬浮物质、操作温度、流速等因数,而换热器内外的流体都属于清洁水质,但也存在结垢问题,故污垢系数R t +R 0可取7.052*10-41/U=1/h 0+1/h i0+x/K c +R t +R 0=1/905.902+1/12260.19+0.0008/383+7.052*10。
热管换热器计算热管换热器计算可用热平衡方程式进行计算,对于常温下使用的通风系统中的热管换热器的换热后温度,回收的冷热量也可用下列公式计算,由于公式采用的是显热计算,但实际热回收过程也发生潜热回收,因此计算值较实测值偏小,其发生的潜热回收可作为余量或保险系数考虑。
热管换热器的计算:1. 热管换热器的效率定义t /t t (1-1) η=t1-21-3式t、t——新风的进、出口温度(?) 12t——排风的入口温度(?) 32.热管换热器的设计计算一般已知热管换热器的新风和排风的入口温度t和 t,取新风量L 与排风量13xL 相等。
即 L = L ,新风和排风的出口温度按下列公式计算: PxP t=t,η(t,t) (1-2) 2113t=t,η(t,t) (1-3) 4313t——排风出口温度(?) 4回收的热量Q (kW), 负值时为冷量:Q(kW)= LρC(t-t)/3600 (1-4) xXx213式中 L——新风量( m/h ) x33ρ——新风的密度(kg/m)(一般取1.2 kg/m) xC——新风的比热容,一般可取1.01kJ/ (kg ?? )。
x3.选用热管换热器时,应注意:1)换热器既可以垂直也可以水平安装,可以几个并联,也可以几个串联;当水平安装时,低温侧上倾5?~7?。
2)表面风速宜采用1.5 m/s~3.5m/s。
3)当出风温度低于露点温度或热气流的含湿量较大时,应设计冷凝水排除装置。
4)冷却端为湿工况时,加热端的效率η值应增加,即回收的热量增加。
但仍可按上述公式计算(增加的热量作为安全因素)。
需要确定冷却端(热气流)的终参数时,可按下式确定处理后的焓值,并按处理后的相对湿度为90%左右考虑。
h=h, 36Q/ L×ρ (1-5) 21式中 h h ——热气流处理前、后的焓值(kJ/kg); 1,2Q ——按冷气流计算出的回收热量(W);3L ——热气流的风量 (m/h );3ρ——热气流的密度 (kg/m)。
换热器设计计算步骤1. 管外自然对流换热2. 管外强制对流换热3. 管外凝结换热已知:管程油水混合物流量 G ( m 3/d),管程管道长度 L (m),管子外径do (m), 管子内径di (m),热水温度 t ℃, 油水混合物进口温度 t 1’, 油水混合物出口温度 t 2” ℃。
1. 管外自然对流换热1.1 壁面温度设定首先设定壁面温度,一般取热水温度和油水混合物出口温度的平均值,t w ℃, 热水温度为t ℃,油水混合进口温度为'1t ℃,油水混合物出口温度为"1t ℃。
"w 11t ()2t t =+1.2 定性温度和物性参数计算管程外为水,其定性温度为1()K -℃21()2w t t t =+管程外为油水混合物,定性温度为'2t ℃''"2111()2t t t =+根据表1油水物性参数表,可以查得对应温度下的油水物性参数值一般需要查出的为密度ρ (3/kg m ),导热系数λ(/())W m K ∙,运动粘度2(/)m s ,体积膨胀系数a 1()K -,普朗特数Pr 。
表1 油水物性参数表水t ρλvaPr10 999.7 0.574 0.000001306 0.000087 9.52 20 998.2 0.599 0.000001006 0.000209 7.02 30 995.6 0.618 0.000000805 0.000305 5.42 40 992.2 0.635 0.000000659 0.000386 4.31 50 998 0.648 0.000000556 0.000457 3.54 60 983.2 0.659 0.000000478 0.000522 2.99 70 997.7 0.668 0.000000415 0.000583 2.55 80 971.8 0.674 0.000000365 0.00064 2.21 90 965.3 0.68 0.000000326 0.000696 1.95 100958.40.6830.0000002950.000751.75油t ρλva Pr10 898.8 0.1441 0.0005646591 20 892.7 0.1432 0.00028 0.000693335 30 886.6 0.1423 0.000153 1859 40 880.6 0.1414 9.07E-05 1121 50 874.6 0.1405 5.74E-05 723 60 868.8 0.1396 3.84E-05 493 70 863.1 0.1387 0.000027 354 80 857.4 0.1379 1.97E-05 263 90 851.8 0.137 1.49E-05 203 100846.20.13611.15E-051601.3 设计总传热量和实际换热量计算0m v Q Cq t Cq t ρ=∆=∆v v C q t C q t αρβρ=∆+∆油油水水C 为比热容/()j kg K ∙,v q 为总体积流量3/ms ,αβ分别为在油水混合物中油和水所占的百分比,t ∆油水混合物温差,m q 为总的质量流量/kg s 。
气一气管式换热器换热计算及讨论于文江王颖王来(哈尔滨东宇农业工程机械有限公司,哈尔滨市150090)摘要:本文分别计算了烟气在管槽内强迫流动时的换热和空气横向绕流管束时的换热,确定管内外换热的大小和强弱.井指出管外换热强度必须大于或等于管内换热强度。
同时检验已定参数的合理性,为下一步进行换热器的系列设计计算提供依据。
关键词:汽.气管式换热器换热系数定性温度定型尺寸特征速度努谢尔特准则≮xKxrCALCULATIoNANDDISCNSSIoNOFCOMMUT工NGOFGAS—GASTUBEEXC}粼ER(HarbinDongyuAgriculturalEngineeringMachineryLimitedCorporation,Harbin150090)为了获得较高的传热系数,同时又不使烟气、空气阻力过大,(一般烟速控制在10~14m/s,空气流速在5-7m/s)。
避免换热器设计中的盲目和不合理。
当初步设定换热器的主要参数后.需分别对烟气在管内强迫流动时的换热及空气横向绕流管柬的换热进行计算,以确定两对流换热时的换热系数,并比较其大小及换热强弱(换热强度与待定的换热器形式及换热面积等因素有关),为卜_一步进行换热器的发计计算提供依据。
1烟气在管内强迫流动时的换热计算设:经过烟气再循环(即余热回收系统),烟气入口温度tn=700"C;烟气出口温度(排烟温度)tn=200"C,烟气平均温度:tf=(tn+t”)/2=(700+200)/2=4504C,管壁平均温度t,=350"C,使用外经由5.1mm壁厚为2.5mm的无缝钢管,定型尺寸D=46mm:特征速度v.=13m/s。
定性温度tm=(t。
+t0/2=(450+350)/2=400。
C查烟气热物理性质:导热系数:^。
=5.7×10~w/(m・℃)运动粘度:V。
=60.38×104m2/s定性温度下普朗特数:P。
=o,64由雷诺准则确定流态‰=等=意等篆圳oo根据艮。
气—气热管换热实验指导书一、实验目的1.掌握气-气热管交换器换热量Q和传热系数K的测量和计算方法。
2.了解热管换热器换热量与风温、风速及热管倾斜角度等能数的关系。
3.熟悉热管换热器实验台的工作原理和使用方法。
二、实验台的结构、工作原理及其参数1.实验台的结构如下图所示图1 实验台的结构简图1.冷端风机2.测温点3.热管组4.笛形管5.风量调点6.热风机7.热风调节8.电加热器组9.笛形管10 热风循环管道 11 工作台旋转台 12 仪表盘实验台的主要由翅片式(吕轧片管)热管换热器、电加热器组、冷热端风机、风量调节阀门、测速笛形管、数显式测温系统和工作台等组成,其结构特点如下:(1) 热锻空气采用循环系统,系统温升快,省电。
(2) 热风电加热系统分三组控制。
其中一组可无级调节,因而温度调节灵活、稳定。
(3) 采用数显式测温系统,具有快速、准确、方便等特点。
(4) 实验台可绕支点向前方旋转90度,除可测量热管换热器热端空气温度、空气流速等参数与换热量的关系外,还可进行热管倾斜角度对热管工作性能影响的测定。
2.工作原理经热端风机压出的空气被电加热器加热后流经热管器下半部、加热并启动热管,热管内部工质(丙酮)受热沸腾,其蒸汽将热量带出热管换热器上半部,并通过翅片加热冷端空气,蒸汽冷凝后沿管壁流向热管下半部。
冷,热端空气的流量是通过笛形管用微压计来测量,空气温度利用数显式测温仪表测量并显示,可通过琴键开关进行测点转换。
3.实验台参数(1)冷、热端测速段风管截面积(D=160mm )24L R D F F π==2m (2)冷、热端热管结构参数:冷、热端热管结构图(3)热管换热器冷、热端传热表面积23.18L R F F m ==(或根据直径计算)(4)安装形式:14根3列竖向、叉排。
三、实验操作步骤1.转动卡片,将控制箱抬至水平位置。
2.将电源插头插在插座上并合上总电源开关。
此时,温度仪表显示。
3.开启热端风机开关,调节热端循环风量(利用风机进口处的风量调节板,改变其面积来进行调节)。
热管换热器设计计算1确定换热器工作参数1.1确定烟气进出口温度ti,t3,烟气流量V,空气出口温度頁,饱和蒸汽压力Pc・对于热管式换热器,ti范圉一般在250°C〜600°C之间,对于普通水-碳钢热管的工作温度应控制在300°C以下.t2的选定要避免烟气结露形成灰堵及低温腐蚀,一般不低于180°C.空气入口温度的.所选取的各参数值如下:2确定换热器结构参数2.1确定所选用的热管类型烟气定性温度:f 宇_4沁;2沁=310比在工程上计算时,热管的工作温度一般由烟气温度与4倍冷却介质温度的和的半均值所得出:烟气入口处:q =如+営=420・c+严z = 18O°C烟气出口处:. t2+tiX4 200°C+20°Cx4l° 5 5 C选取钢-水重力热管.其工作介质为水.工作温度为30OC~250°C・满足要求.其相容壳体材料:铜.碳钢(内壁经化学处理)。
2.2确定热管尺寸对于管径的选择,由音速极限确定所需的管径d v = 1.64 Qc t J厂9必)2根据参考文献《热管技能技术》,音速限功率参考范闱,取Qc=4kW,在10 = 56吃启动时p v = O.1113k^/7H3p v = 0.165 X 105par = 2367.4幼/kg因此d v = 1.64 I ! = 10.3 mmyr(p v p v)l由携带极限确定所要求的管径d _ I 1.78 X QentP Ji (P L"1/4+P V~1/4)_2^(P L -Pv]1/4根据参考文献《热管技能技术》,携带限功率参考范围,取Q ent=4kw 管内工作温度t t = 180°C时P L = 886.9kg/m3 pv = 5.160/c^/m3 r = 20\3kJ/kgJ = 431.0xl0^N/m178x4因此nx20L3x(8Q6.^i/4+SA6^i/4)-2 [gX431.0xl0-4(886.9-5.160)]1/4=13.6nun考虑到安全因素,最后选定热管的内径为4 = 22111111管売厚度计算由式Pv420qcr]式中,Pv按水钢热管的许用压力28.5kg /nmr选取,由对应的许用230°C來选取管壳最大应力乐朋=14kg/nim2,而[<r]= -(7,^ = 3.5ka / nmr 4考虑安全因素,= 1.5111111,管壳外径:df =4+2S= 22+2x1.5= 25mm. 通常热管外径为25〜38mm 时,翅片高度选10〜17mm (—般为热管外径的一半),厚度选在0.3~1.2mm 为宜,应保证翅片效率在0.8以上为好.翅片间距对 干净气流取2.5〜4mm :积灰严重时取6〜12inm,并配装吹灰装置.综上所述, 热管参数如下: 光管内径光管外径 翅片外径 翅片高度翅片厚度翅片间距肋化系数d]/mmd 。
/mm d f /mm If /mm6 /mmSf /nunP22255012.5 1 48.7翅片节距:Sf = Sf +务=4+1= 5mm每米热管长的翅片数:n 厂啤= ^ = 200/mS f 5 肋化系数的计算:每米长翅片热管翅片表面积Af =[2x^.x (d^-d ;) + ^ d f . J f ] n f 4 4每米长翅片热管翅片之间光管面积A=”a(i-i“ 込)每米长翅片热管光管外表面积肋化系数:宀訂[2x^x(d^-d;) + ^ d f J f ] n f l + ^ d o (l-n f J f )- 4力4[0.5 x (O.O52 - 0 0253) + 0 05 x0 0011x200 + 0.025 x(l-0.2) o---------------------------------------------------------------------------------------=8.70.0252.3确定换热器结构将热管按正三角形错列的方式排列,管子中心距S' = (1.2~1.5)蚣 取 S’ = 70nmio28・5x 0.022200x3.5 =0.89611U113热力计算3. 1确定换热器中热管的热侧和冷侧的管长Wc,以及迎风面管数B1)确定烟气标准速度V, —般取2.5~5m/s,假设vMm/s,可得出烟气迎风面的面积4=匕=黑=2.8n】22)确定迎风面宽度E,取E=1.8m,热管的热侧管长“=霍=1.56m,适当D 1.0取= 1.5m,并且lh/lc = 3/1<«l c = 0.5mo3)求出迎风面的管数B, B = E/S = 1.8/0.07 = 25.7,B为整数,应取B=26, 因此实际的迎风面的宽度E = 0.07 X26 = 1.82m,同时实际的迎风面面积A' =Exl h = 1.82 X 1.5 =2.73m2,实际的速度是d = v/A'=疵鲁石= 4.07m/So3.2确定传热系数1)烟气定性温度:tf = ti + t2/2 = 420°C;200°C = 310°C,从而确定烟气的物性参数:2)确定烟气侧管束的最小流通截面积NFA = [(S’ 一d。
)一2 ・(I厂 6厂与)]・1严=[(0.07 一0.025) -2 X (0.0125 X 0.001 X 200)] X 1.5 X 26 =1.56m2求烟气侧的最大质量流速G max = WPf'NFA=40000 X 0.608/3600 X 1.56=4.33kg/(m2• s)求烟气侧流体雷诺数Rh = (fimax ' d。
)/"=4.33 X 0.025/28.6 X 10~6=3785通过Briggs公式,求的烟气侧流体的对流换热系数h f = 0.1378 ・ R』718 .扌• g)0.296 ・ 77 J l f d o=0.1378 X (3785)0718 x (0.65苗X (-^)0296 X(4-93xl Q~2)=62.3 w/(m2• °C)3)假定热管管壁温度t w =(宁 + 竽")/2 = 190°C4)由心可以在查出热管侧的管材导热系数入=40w/(m-°C)At = t w - = 190°C 一120°C = 70°C在米海耶夫推荐的10s-4 X 106pa下,可推出冷侧流体的对流换热系数hf = 0.122-At233-p05=0.122 X 70233 x 205=3435 w/(m2• °C)同时卩=1厂[2蚣/(兀•号)*=0.0125 X (产穿)扌v40x0.0017=0.7由占和d f/d0 = 2两参数,可以査圆形翅片管的肋效率图,烟气侧的热管效率龙=0.85)算出烟气侧每米长的热管的翅片表面积:4] =〔2 X 扌X (殍 _ d?) + 7T • df・ sA - n f・ 1■ ■=0.62 m2烟气侧每米长的翅片利热管之间的面积:^2 = 7T • d。
•(1 —Zlf •)=0.063 ni2烟气侧管外每米长的热管的管外总而积:^3 = 41+42 = 0.62 + 0.063 = 0.683 ni26)算出烟气侧的管外有效对流换热系数Nf = hf •⑷ +砧•力1)〃3=62.3 X (0.063 + 0.8 X 0.62)/0.683=51 w/(m2• °C) 算出冷流体管外有效对流换热系数h c =并• A c/A c = h} = 3435 w/(m2• °C)7)算出总传热系数参考《热交换器原理与设计》,可查得烟气污垢热阻w= 0.001 m2 - °C/w o因此,管壁的导热热阻为£,=务・Zn 鲁• = 4 X KT: m2・ °C/w"/(£^ + 4x10—5 + 4x10—5x3 + ^+0.001)=233.3 w/(m 2 • °C )3.4确定烟气侧总传热面积和换热器所需要的管数 1)算出传热量Qh = V • p 厂 Cp (t x -12)=1672 kw由于热平衡,并且考虑到6%的综合热损 Q c = Qh • (1 - 6%) = 1571.68 kwAt 2 = At max -A^/Zn^= 300°C-80°C/Zn —=166.4 °C3)确定烟气侧的总传热面积A‘和换热器所需要的管数mA' = © +QJ/2K02=[(1672 + 1571068) X 103]/(2 X 233.3 X 166.4)=41.8 m 2 m = A /TI • d° • g=41.8/(3.14 X 0.025 X 1.5) =354.9 应取整ni=355根3.5确定管排数N = m/B = 355/26 = 13.6取整N = 14 排按之前说的,以正三角方式排列,即以26、25依次排列,这样总共的 管数应该是N=3574 流阻计算4.1确定烟气侧的流阻对于圆形翅片管,使用Robinson 和Briggs 公式 先求出烟气侧摩擦系数(0 025x4.33203 坊 I 28.6x11)-6 丿=0.68=37.86・举叱)—0.316 (£1)-0.927 .侖+F + F (》+#(》)400003600X 0.608 x 1.125 X 220°C 2)确定对数平均温差肛2, 420°C T 200°C120°C-120°C ,忽略其预热过程,因此=37.86 X 0.07 .-0,9270.02 5 丿烟气侧的斥力降APh 2・pf =0.68 X15x^3322x0.608=157.3 pa确定引风机的功率增量(A^-v)/n = 157.3x400003600x0.9=1942 W rj为电动机效率,通常取0.9。