西门子PLC实验指导书
- 格式:doc
- 大小:1.94 MB
- 文档页数:10
《可编程序控制器应用》实验指导书实验一基本逻辑指令编程实验一、实验目的:1.熟悉S7-200 PLC的组成,电路接线和开机步骤。
2.熟悉西门子STEP7 MicroWIN32编程软件的使用方法。
3.掌握基本逻辑指令LD、LDI、AND、ANI、OR、ORI的使用方法。
4.掌握定时器、计数器指令的使用方法及定时器、计数器波形的画法和含义。
5.掌握置位、复位及脉冲指令的使用方法。
6.学会用PLC改造继电器典型电路的方法。
7.学会用基本逻辑指令实现顺控系统的编程。
8.学会PLC程序调试的基本步骤及方法。
二、实验设备:TKPLC-2实验台:主机挂件(西门子S7-200 PLC)、基本逻辑指令实验挂件、继电器实验挂件、电动机、PC机、连接导线三、预习内容:1.熟悉西门子STEP7 MicroWIN32编程软件的使用方法,请自学教材第6章的全部内容。
2.熟悉西门子S7 200 PLC的基本位设备:I、Q、M、T、C的编址。
3.熟悉西门子基本逻辑指令与、或、输出、定时器、计数器、置位、复位及脉冲指令的基本格式及使用方法。
4.熟悉典型继电器电路的工作原理。
5.预习本次实验内容,在理论上分析运行结果,预先写出程序的调试步骤。
四、实验步骤:1.了解S7-200 PLC的组成,熟悉PLC的电源,输入信号端I和公共端1M~4M,输出信号端Q和公共端1L~5L;PLC及PC机的串行通讯口、编程电缆的连接;PLC上扩展单元插口的连接方法;RUN/STOP开关及各类指示灯的作用等。
2.电源电路连接好后经指导教师检查无误,并将RUN/STOP开关置于STOP后,方可接入220V交流电源。
3.在PC机启动西门子STEP7 MicroWIN32编程软件,新建工程,进入编程环境。
4.根据实验内容,在STEP7 MicroWIN32编程环境下输入梯形图程序,编译后,下载到PLC 中。
5.程序运行调试并修改。
6.写实验报告。
五、实验内容:1《可编程序控制器应用》实验指导书 2 (一)必做实验 1.走廊灯两地控制程序(1) 控制要求:走廊灯两地控制:楼上开关、楼下开关均能控制走廊灯的亮灭。
《可编控制器技术》实验及工程应用综合设计实验指导书中南大学信息科学与工程学院2010年3月目录第一章可编程控制器实验装备使用介绍 (1)1.1TVT-90系列可编程控制器训练装置简介 (1)1.2电源模块的使用 (3)1.3电源模块、CPU单元和继电器扩展模块的使用 (5)1.4输入输出模块的使用 (6)1.5实验单元板的使用 (8)第二章实验 (10)实验一熟悉STEP7 V5.3编程软件的使用及基本逻辑指令的编程方法 (10)实验二、比较指令与定时指令的基本编程及应用 (22)实验三、计数指令的基本编程及应用 (25)实验四传送指令和移位以及循环移位指令的基本编程及应用 (27)实验五浮点型数学运算基本指令的编程及应用 (31)第三章综合程序设计训练 (33)综合设计实验一电动机控制 (33)综合设计实验二天塔之光 (36)综合设计实验三交通灯自控与手控 (38)综合设计实验四水塔水位自动控制 (44)综合设计实验五多种液体自动混合系统 (46)综合设计实验六自动装车送料系统 (49)综合设计实验七邮件分拣 (51)综合设计实验八电梯控制 (56)综合设计实验九自动售货机 (66)综合设计实验十温度控制系统 (70)综合设计实验十一电镀流水线 (74)综合设计实验十二霓虹灯控制 (81)综合设计实验十三自动化仓库系统 (87)综合设计实验十四机械手装配搬运流水线 (89)综合设计实验十五自控飞锯 (94)综合设计实验十六自动扶梯系统 (103)综合设计实验十七无塔供水系统 (105)综合设计实验十八接触器联锁正反转三相异步电机控制 (108)综合设计实验十九三相电机顺序控制 (110)综合设计实验二十时间继电器控制Y-△三相电机降压起动控制 (112)综合设计实验二十一、触摸屏使用实验 (116)综合设计实验二十二、变频器控制异步电机实验 (129)第一章可编程控制器实验装备使用介绍1.1 TVT-90系列可编程控制器训练装置简介TVT-90系列可编程控制器训练装置由可编程序控制器主机、编程用计算机、电源模块、输入输出模块和16块模拟控制对象单元实验板组成。
西门⼦plc实验指导实验⼀深圳稻草⼈⾃动化培训/doc/ff16192777.html西门⼦plc实验指导实验⼀实验⼀熟悉Step7 V5.3编程软件的使⽤及基本逻辑指令的编程⽅法⼀.实验⽬的了解可编程控制器的基本单元和编程的基本结构,熟悉Step7 V5.3编程软件的使⽤及基本逻辑指令的编程和调试程序的⽅法。
⼆.实验设备/doc/ff16192777.htmlT-90GT实验装置⼀台。
2.计算机⼀台。
3.输⼊输出模块⼀块/doc/ff16192777.htmlT90HC-1电机控制模拟实验板⼀块/doc/ff16192777.htmlT90HC-2天塔之光模拟实验板⼀块6.连接导线若⼲。
三.实验内容与操作1.进⼊Step7 v5.3软件打开[程序]->[Simatic] ->[SIMATIC Manager],进⼊STEP7编程界⾯。
图2-1进⼊STEP7编程界⾯图图2-2 项⽬向导图系统默认的⾸选项是“新建项⽬向导”,在对软件使⽤不太熟悉的情况下可以跟随向导进⾏下⼀步的操作。
在这⾥,为了操作⽅便,省略此项步骤。
点击[取消]按钮。
2.新建⼯程图2-3 ⼯程建⽴界⾯点击⽂件->新建菜单,出现上⾯的界⾯,输⼊项⽬的⽂件名与路径,建议以“名字”缩写加“学号”,在这⾥⾯,输⼊“f01”作为⼯作⽂件名。
新建完成后,就会弹出⼀个界⾯框,出现以“f01”命名的⼯程⽂件夹。
针对当前使⽤的硬件设备,需要插⼊站点,站点为“S7-300站点”,操作如⼯程界⾯图所⽰:图2-4 ⼯程界⾯插⼊→站点→2 SIMATIC 300站点图2-5 插⼊站点更改站点名称,如TVT90HC-1图2-6 站名更改3.CUP314C-2DP硬件配置1)进⼊配置界⾯图2-7 进⼊配置界⾯双击TVT90HC-1站点图2-8双击TVT90HC-1站点双击硬件进⼊硬件配置界⾯图2-9 硬件配置界⾯2)选择硬件①选择底板图2-10选择底板展开SIMA TIC 300→RACK-300后双击Rail图2-11 双击Rail展开图②选择电源图2-12 电源选择图展开SIMA TIC 300→PS-300后选择“PS 307 2A”并双击。
第一章可编程控制器简介可编程控制器是采用微机技术的通用工业自动化装置,近几年来,在国内已得到迅速推广普及。
正改变着工厂自动控制的面貌,对传统的技术改造、发展新型工业具有重大的实际意义。
可编程控制器是60年代末在美国首先出现的,当时叫可编程逻辑控制器,目的是用来取代继电器,以执行逻辑判断、计时、计数等顺序控制功能。
其基本设计思想是把计算机功能完善、灵活、通用等优点和继电器控制系统的简单易懂、操作方便、价格便宜等优点结合起来,控制器的硬件是标准的、通用的。
根据实际应用对象,将控制内容写入控制器的用户程序内,控制器和被控对象连接也很方便。
随着半导体技术,尤其是微处理器和微型计算机技术的发展,到70年代中期以后,已广泛地使用微处理器作为中央处理器,输入输出模块和外围电路都采用了中、大规模甚至超大规模的集成电路,这时的PLC已不再是仅有逻辑判断功能,还同时具有数据处理、调节和数据通信功能。
可编程控制器对用户来说,是一种无触点设备,改变程序即可改变生产工艺,因此可在初步设计阶段选用可编程控制器,在实施阶段再确定工艺过程。
另一方面,从制造生产可编程控制器的厂商角度看,在制造阶段不需要根据用户的订货要求专门设计控制器,适合批量生产。
由于这些特点,可编程控制器问世以后很快受到工业控制界的欢迎,并得到迅速的发展。
目前,可编程控制器已成为工厂自动化的强有力工具,得到了广泛的普及推广应用。
可编程序控制器,英文称Programmable Controller,简称PC。
但由于PC 容易和个人计算机(Personal Computer)混淆,故人们仍习惯地用PLC作为可编程序控制器的缩写。
它是一个以微处理器为核心的数字运算操作的电子系统装置,专为在工业现场应用而设计,它采用可编程序的存储器,用以在其内部存储执行逻辑运算、顺序控制、定时/计数和算术运算等操作指令,并通过数字式或模拟式的输入、输出接口,控制各种类型的机械或生产过程。
可编程序控制器实验指导书测控技术与仪器系孙明革吴猛刘麒2010年12月目录实验一基本指令的编程练习 ...................... 错误!未定义书签。
实验二定时器/计数器功能实验.................... 错误!未定义书签。
实验三水塔水位控制 ............................ 错误!未定义书签。
实验四液体混合装置控制的模拟................... 错误!未定义书签。
实验五五相步进电动机控制的模拟................. 错误!未定义书签。
实验六天塔之光控制的模拟 ...................... 错误!未定义书签。
实验七装配流水线控制的模拟..................... 错误!未定义书签。
实验八 LED数码显示控制 ......................... 错误!未定义书签。
实验九十字路口交通灯控制的模拟................. 错误!未定义书签。
实验十机械手动作的模拟 ........................ 错误!未定义书签。
实验十一四节传送带控制的模拟................... 错误!未定义书签。
实验十二 PLC综合设计实验 ....................... 错误!未定义书签。
实验一基本指令的编程练习1.实验目的1、熟悉PLC实验装置。
2、练习手持编程器的使用。
3、熟悉系统操作。
4、掌握与、或、非逻辑功能的编程方法。
2.实验内容(1)用短线将基本指令练习区按钮接入PLC的,,,通道,在PLC的输出通道,,,中接入基本指令练习区的LED指示灯;(2)练习西门子200编程软件 STEP 7 MicroWIN);●双击 STEP 7 MicroWIN软件,打开菜单“文件”-“新建”出现下,如图1-1:图1-1●在梯形图窗口中编写下面程序(如图1-2):图1-2●按菜单“查看”-“梯形图”,翻译成梯形图指令形式;●按菜单“文件”-“保存”,保存程序到文件夹,准备下载;●按菜单“PLC”-“编译”,确定无误后开始下载程序;●按菜单“文件”-“下载”,将程序下载到PLC中;●按菜单“PLC”-“RUN”,运行程序;●按菜单“调试”--“开始程序状态监控”,开始在线监控PLC运行状态。
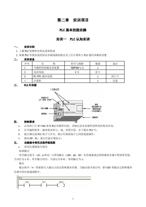
第二章实训项目PLC基本技能实操实训一 PLC认知实训一、实训目的1.了解PLC软硬件结构及系统组成2.掌握PLC外围直流控制及负载线路的接法及上位计算机与PLC通信参数的设置二、实训设备序号名称型号与规格数量备注1可编程控制器实训装置THPFSM-1/2 12实训导线3号若干3PC/PPI通讯电缆 1 西门子4计算机 1 自备三、PLC外形图四、控制要求1.认知西门子S7-200系列PLC的硬件结构,详细记录其各硬件部件的结构及作用;2.打开编程软件,编译基本的与、或、非程序段,并下载至PLC中;3.能正确完成PLC端子与开关、指示灯接线端子之间的连接操作;4.拨动K0、K1,指示灯能正确显示;五、功能指令使用及程序流程图1.常用位逻辑指令使用标准触点常开触点指令(LD、A和O)与常闭触点(LDN、AN、ON)从存储器或过程映像寄存器中得到参考值。
当该位为1时,常开触点闭合;当该位为0时,常闭触点为1;输出输出指令(=)将新值写入输出点的过程映像寄存器。
当输出指令执行时,S7-200将输出过程映像寄存器中的位接通或断开。
与逻辑:如上所示:I0.0、I0.1状态均为1时,Q0.0有输出;当I0.0、I0.1两者有任何一个状态为0,Q0.0输出立即为0。
或逻辑:如上所示:I0.0、I0.1状态有任意一个为1时,Q0.1即有输出;当I0.0、I0.1状态均为0,Q0.1输出为0。
与逻辑:如上所示:I0.0、I0.1状态均为0时,Q0.2有输出;当I0.0、I0.1两者有任何一个状态为1,Q0.2输出立即为0。
2.程序流程图六、端口分配及接线图1.I/O端口分配功能表序号PLC地址(PLC端子)电气符号(面板端子)功能说明1.I0.0 K0 常开触点012.I0.1 K1 常开触点023.Q0.0 L0 “与”逻辑输出指示4.Q0.1 L1 “或”逻辑输出指示5.Q0.2 L2 “非”逻辑输出指示6.主机1M、面板V+接电源+24V 电源正端7.主机1L、2L、3L、面板COM接电源GND电源地端2.控制接线图七、操作步骤1.按下图连接上位计算机与PLC;2.按“控制接线图”连接PLC外围电路;打开软件,点击,在弹出的对话框中选择“PC/PPI 通信方式”,点击,设置PC/PPI属性;3.点击,在弹出的对话框中,双击,搜寻PLC,寻找到PLC后,选择该PLC;至此,PLC与上位计算机通信参数设置完成;4.编译实训程序,确认无误后,点击,将程序下载至PLC中,下载完毕后,将PLC模式选择开关拨至RUN状态。
实验指导书启东计算机总厂有限公司DICE - PLCSM400目录第一章系统简介一、可编程序控制器(PC)主机二、编程装置三、输入输出部分四、输入/输出接口的使用方法五、实验演示屏介绍第二章软件的安装与使用一、软件的安装二、软件的使用第三章PLC控制实验实验一基本指令实验实验二定时器及计数器指令实验实验三移位寄存器指令实验实验四置位/复位及脉冲指令实验实验五跳转指令实验实验六常用功能指令实验实验七舞台灯的PLC控制实验八LED数码管显示控制实验九交通信号灯的自动控制实验十驱动步进电机的PLC控制实验十一电机的星/三角启动控制实验十二机械手的PLC自动控制实验十三四层电梯的PLC控制实验十四刀库捷径方向选择控制实验十五物料混合控制实验十六水塔水位控制实验十七邮件分拣控制实验十八四级传送带的控制第四章电子实验演示装置的使用一、简介二、电子实验演示装置软件的安装三、电子实验装置的测试四、电子实验演示装置的实验五、电子演示装置的实验说明正文第一章系统简介西门子(SIMATIC)S7-200系列小型PLC(Micro PLC)可应用于各种自动化系统。
紧凑的结构、低廉的成本以及功能强大的指令使得S7-200 PLC成为各种小型控制任务的理想的解决方案。
S7-200产品的多样化以及基于Windows的编程工具,使您能够更加灵活地完成自动化任务。
S7-200功能强,体积小,使用交流电源可在85~265V范围内变动,且机内还设有供输入用的DC-24V电源。
可编程序控制器(简称PC)在进行生产控制或实验时,都要求将用户程序的编码表送入PC的程序存贮器,运行时PC根据检测到的输入信号和程序进行运算判断,然后通过输出电路去控制对象。
所以典型的PC系统由以下三部分组成:输入/输出接口、PC主机、通讯口。
一、可编程序控制器(PC)主机在我们的实验箱中,选用的PC主机是SIMATIC S7-200 CPU226,有24个输入点,16个输出点,可采用助记符和梯形图两种编程方式。
plc实验指导书(S7-200-CPU226)1000字一、实验目的1. 熟悉 S7-200-CPU226 PLC 模块的各种输入输出接口,了解 PLC系统的基本构成。
2. 掌握基本指令的使用方法,能够设计符合实际要求的程序。
3. 通过实验提高分析问题和解决问题的能力,培养出勤、认真、细心的工作态度。
二、实验器材1. S7-200-CPU226 PLC 模块;2. 交流电源模块;3. 数字量输入模块;4. 数字量输出模块;5. 编程器。
三、实验内容实验一、基本输入输出实验1. 将交流电源模块的输入口接到外部电源,实验时将交流电源模块的指示灯发亮状态用作输入信号;2. 将数字量输出模块的输出口接到电动机,实验时将数字量输出模块的指示灯发亮状态用作输出信号;3. 设计程序,当输入信号发生改变时,输出信号也随之改变。
例如,当输入信号为低电平时,输出信号为高电平,当输入信号为高电平时,输出信号为低电平。
实验二、延时实验1. 设计程序,按一定时间间隔改变输出信号状态。
例如,每隔 2秒钟将输出信号改变一次;2. 设计程序,延时 5 秒钟后再改变输出信号状态。
例如,当输入信号为低电平时,输出信号为高电平,延时 5 秒钟后,将输出信号改变为低电平;实验三、计时实验1. 设计程序,按一定时间间隔计时,达到一定时间后改变输出信号状态。
例如,当计时达到 10 秒钟时将输出信号改变为低电平;2. 设计程序,按照一定的规律进行计时,如先计时 5 秒钟,再计时 10 秒钟,最后计时 15 秒钟。
实验四、计数器实验1. 设计程序,按照一定规律进行计数。
例如,从 0 开始每隔 1 秒钟计数 1 次,当计数达到 5 时将输出信号改变为低电平;2. 设计程序,统计外部信号发生的次数,当发生的次数达到 10 次时将输出信号改变为低电平。
四、实验步骤实验一、基本输入输出实验1. 将交流电源模块的输入口接到外部电源,并将数字量输入模块的输入口接到交流电源模块的输出口,使用编程软件进行编程;2. 在编程软件中新建程序,编写程序;3. 将数字量输出模块的输出口接到电动机,调试程序,验证实验结果。
第一章可编程控制器简介可编程控制器是60年代末在美国首先出现,当时叫可编程逻辑控制器PLC(Programmable Logic Controller),目的是用来取代继电器,以执行逻辑判断、计时、计数等顺序控制功能。
PLC的基本设计思想是把计算机功能完善、灵活、通用等优点和继电器控制系统的简单易懂、操作方便、价格便宜等优点结合起来,控制器的硬件是标准的、通用的。
根据实际应用对象,将控制内容编成软件写入控制器的用户程序存储器内。
控制器和被控对象连接方便。
随着半导体技术,尤其是微处理器和微型计算机技术的发展,到70年代中期以后,PLC已广泛地使用微处理器作为中央处理器,输入输出模块和外围电路也都采用了中、大规模甚至超大规模的集成电路,这时的PLC 已不再是逻辑判断功能,还同时具有数据处理、PID调节和数据通信功能。
可编程控制器是一种数字运算操作的电子系统,专为在工业环境下应用而设计。
它采用了可编程序的存储器,用来在其内部存储执行逻辑运算,顺序控制、定时、计算和算术运算等操作的指令,并通过数字式和模拟式的输入输出,控制各种类型的机械或生产过程。
PLC是微机技术与传统的继电接触控制技术相结合的产物,它克服了继电接触控制系统中机械触点的接线复杂、可靠性低、功耗高、通用性和灵活性差的缺点,充分利用微处理器的优点。
可编程控制器对用户来说,是一种无触点设备,改变程序即可改变生产工艺,因此可在初步设计阶段选用可编程控制器,在实施阶段再确定工艺过程。
另一方面,从制造生产可编程控制器的厂商角度看,在制造阶段不需要根据用户的订货要求专门设计控制器,适合批量生产。
由于这些特点,可编程控制器问世以后很快受到工业控制界的欢迎,并得到迅速的发展。
目前,可编程控制器已成为工厂自动化的强有力工具,得到了广泛的应用。
一、PLC的结构及各部分的作用可编程控制器的结构多种多样,但其组成的一般原理基本相同,都是以微处理器为核心的结构。
通常由中央处理单元(CPU)、存储器(RAM、ROM)、输入输出单元(I/O)、电源和编程器等几个部分组成。
电气控制及PLC S7-300实验指导书目录实验一 step 7 编程软件编程练习 (1)实验二十字路口交通灯控制的模拟 (2)实验三水塔水位的控制 (3)实验四 PLC中断实验 (4)实验五 S7-Graph编程练习 (5)实验六机械手动作的模拟 (6)实验七电动机启停的PLC控制 (7)实验一 step 7 编程软件编程练习一、实验目的1.掌握西门子编程软件step 7的使用方法2.掌握西门子PLC软件仿真器的使用3.掌握基本指令的编程方法二、实验仪器设备1.计算机(装有西门子PLC软件)三、实验内容1.利用step 7软件建立一个新项目,了解一个完整项目一般所包含的几个主要组成部分。
2.编写程序实现起动停止控制功能:起动按钮(SB1)按下,输出(KM)接通;停止按钮(SB2)按下,输出(KM)断开。
符号定义如下:3.利用S7-PLCSIM进行仿真,观察程序运行效果。
4.编写程序实现振荡电路功能:当SB接通时,输出LEMP闪烁,接通和断开交替进行,接通时间2s,断开时间1s。
符号定义如下:5.编写程序使得上述振荡电路闪烁5次后停止。
符号定义同上。
四、实验报告要求1.绘制各程序的梯形图。
2.画出振荡电路的输入、输出和各定时器的动态时序图。
五、思考题振荡电路的频率和占空比如何调整?实验二十字路口交通灯控制的模拟一、实验目的1.熟练使用PLC的各种基本指令2.掌握定时器的扩展方法二、实验仪器设备1.计算机(装有西门子PLC软件)三、实验内容1.十字路口交通信号灯的控制要求时序图如图所示:23.建立项目,编写程序,实现十字路口交通灯控制的模拟,并用PLCSIM仿真。
四、实验报告要求1.给出程序的梯形图,并有必要的注释。
2.重点分析各定时器如何通过扩展来得到需要的时序波形。
实验三水塔水位的控制一、实验目的1.熟练使用各条基本指令,通过对工程实例的模拟,熟练掌握PLC的编程和程序测试方法二、实验仪器设备1.计算机(装有西门子PLC软件)三、实验内容水塔水位控制系统如图所示。
实验实训指导书一、概述:我院为机电职业技术学院,面向企业和社会培养高级技术应用型人材。
以机电、电气、工业自动化为核心,具有良好的理论教学、实验及实训条件,赢得了社会、企业、家长、学生的好评,生源及就业都进入良性循环。
二、本课程的专业培养目标的定位:课程紧随PLC技术的最新发展趋势及攀钢自动化的发展方向,不断更新教学内容和丰富实验实训设备,S7-300/400 PLC的硬件安装、布线、程序设计、系统调试、检修与维护的自动化岗位需求出发,培养学生具备PLC安装、维修和设计等技能型人才所必需的职业能力,提高学生的职业素质,培养学生的创新意识。
本课程作为一门专业课,为学生将来从事实际的PLC系统自动化工程设计和安装维护工作奠定良好的基础。
三、本课程的课程目标:1 .素质教育要求(1)培养学生自学能力;(2)培养学生逻辑思维、分析问题解决问题能力;(3)培养学生团队意识和合作能力;(4)培养学生运用PLC及控制技术解决实际问题的能力。
2 .知识教学要求(1)理解PLC的特点和工作原理;(2)掌握S7-300/400 PLC的系统构成、主要技术指标、硬件结构、内部元器件及I/O编址;(3)熟练掌握S7 PLC的硬件指安装及接线方法,熟练掌握STEP7软件的基本使用方法;(4)掌握STEP7的指令系统及其应用;(5)学会PLC控制系统的基本设计方法与故障诊断方法;(6)熟悉并掌握PLC的基本网络通信方式。
3 .技能教学要求(1)本课程以实践教学为主,在教学中采用“教、学、做”一体课程教学模式,根据职教规律、课程的特点、高职生的学习特点,在实训室、生产现场完成课程教学与学习,教师边讲解、边演示,学生边学习、边实践、边提问,使学生在“教、学、做”一体的教学环境下,较快理解PLC的工作原理,掌握的硬件安装、布线方法,具有较好的程序设计、系统调试、检修与维护能力。
(2)在教学中穿插案例教学,以工作过程为导向,以PLC技术应用项目为驱动,以PLC安装、设计及调试能力训练为中心,将实践教学融于教学全过程,突出课程的职业性和实用性,遵循先易后难、循序渐进,分层次教学的原则设计实践教学内容。
第一章可编程控制器简介可编程控制器是60年代末在美国首先出现,当时叫可编程逻辑控制器PLC(Programmable Logic Controller),目的是用来取代继电器,以执行逻辑判断、计时、计数等顺序控制功能。
PLC的基本设计思想是把计算机功能完善、灵活、通用等优点和继电器控制系统的简单易懂、操作方便、价格便宜等优点结合起来,控制器的硬件是标准的、通用的。
根据实际应用对象,将控制内容编成软件写入控制器的用户程序存储器内。
控制器和被控对象连接方便。
随着半导体技术,尤其是微处理器和微型计算机技术的发展,到70年代中期以后,PLC已广泛地使用微处理器作为中央处理器,输入输出模块和外围电路也都采用了中、大规模甚至超大规模的集成电路,这时的PLC 已不再是逻辑判断功能,还同时具有数据处理、PID调节和数据通信功能。
可编程控制器是一种数字运算操作的电子系统,专为在工业环境下应用而设计。
它采用了可编程序的存储器,用来在其内部存储执行逻辑运算,顺序控制、定时、计算和算术运算等操作的指令,并通过数字式和模拟式的输入输出,控制各种类型的机械或生产过程。
PLC是微机技术与传统的继电接触控制技术相结合的产物,它克服了继电接触控制系统中机械触点的接线复杂、可靠性低、功耗高、通用性和灵活性差的缺点,充分利用微处理器的优点。
可编程控制器对用户来说,是一种无触点设备,改变程序即可改变生产工艺,因此可在初步设计阶段选用可编程控制器,在实施阶段再确定工艺过程。
另一方面,从制造生产可编程控制器的厂商角度看,在制造阶段不需要根据用户的订货要求专门设计控制器,适合批量生产。
由于这些特点,可编程控制器问世以后很快受到工业控制界的欢迎,并得到迅速的发展。
目前,可编程控制器已成为工厂自动化的强有力工具,得到了广泛的应用。
一、PLC的结构及各部分的作用可编程控制器的结构多种多样,但其组成的一般原理基本相同,都是以微处理器为核心的结构。
通常由中央处理单元(CPU)、存储器(RAM、ROM)、输入输出单元(I/O)、电源和编程器等几个部分组成。
实验一:PLC认知及PLC编程软件的使用(两学时)一、实验目的:1.熟悉典型继电器电路的工作原理及电路接线。
2.熟悉西门子PLC 的组成,模块及电路接线。
3.熟悉西门子STEP 7 编程软件的使用方法。
4.熟悉利用STEP 7 建立项目、硬件组态、编程、编译、下载和运行等设计步骤。
5.学会用基本逻辑指令实现顺控系统的编程,完成三相异步电机单向运行控制程序的编制及调试。
二、实验设备:1.个人PC 机 1 台2.西门子1214C AC/DC/RLY PLC 1 台3.西门子CM1241 RS485通信模块 1 台4.实验操作板 1 块5.线缆若干三、实验步骤:1.参照黑板上的电路接线图,电路连接好后经指导教师检查无误,可以上电试验。
2.了解西门子PLC 的组成,熟悉PLC的电源、输入信号端I 和公共端COM、输出信号端Q 和公共端COM;PLC 的编程口及PC 机的串行通讯口、编程电缆的连接;PLC 上扩展单元插口以及EEPROM 插口的连接方法;RUN/STOP开关及各类指示灯的作用等。
2.参照黑板上的电路接线图,电路连接好后经指导教师检查无误,并将RUN/STOP 开关置于STOP 后,方可接入220V交流电源。
3.在PC 机启动西门子STEP 7编程软件,新建工程,进入编程环境。
4.根据实验内容,在西门子STEP 7编程环境下输入梯形图程序,转换后,下载到PLC中。
5.程序运行调试并修改。
6.写实验报告。
四、实验内容:实验1、三相笼型异步电动机全压起动单向运行控制图1 三相笼型异步电动机全压起动单向运行控制接线图实验2、三相笼型异步电动机全压起动单向运行PLC控制图2 三相笼型异步电动机全压起动单向运行PLC控制梯形图五、实验总结与思考:1.简述S7-1200 PLC的硬件由哪几部分组成。
2.请简要叙述从硬件组态开始到程序下载到PLC进行调试的整个过程。
3.做完本次实验的心得体会;注:➢实验报告要求本次实验为学生第一次实验,实验类型为验证型实验,在实验过程中重点是熟悉编程环境、如何编写程序、下载程序、调试程序、观察结果、修改程序。
PLC实验设备实验指导书目录第一章系统简介一、实验设备构成二、系统面板介绍第二章PLC控制实验实验一认识实验实验二舞台灯的PLC控制实验三LED数码管显示控制实验四交通信号灯的自动控制实验五驱动步进电机的PLC控制实验六电机的星/三角启动控制实验七机械手的PLC自动控制实验八四层电梯的PLC控制实验九刀库捷径方向选择控制实验十物料混合控制实验十一水塔水位控制实验十二邮件分拣控制实验十三四级传送带的控制第一章系统简介SIMITIC S7 300系列可编程控制器是德国西门子公司推出的中小型PLC。
采用了模块化无排风扇结构,且易于用户掌握,广泛应用于自动化领域。
本设备采用的为CPU313C-2DP ,主机采用24V直流电源供电,提供16个输入点和16个输出点,且有PROFIBUS-DP主从接口,可组成PROFIBUS网络。
提供了丰富的指令,可实现复杂的应用。
一、西门子PLC实验设备构成西门子PLC实验设备由以下部分组成:1.32台西门子S7-300 PROFIBUS 总线型PLC2.32个显示屏及操作板,显示屏上配备13种实验线路板3.32台个人计算机和CP5611 通讯卡4.PROFIBUS现场总线网络5.SIEMENS STEP 7 V6.0编程软件包如下图所示,32台西门子S7-300 型PLC及32台个人计算机分成4组,每8台西门子S7-300 型PLC及8台个人计算机通过西门子PROFIBUS DP总线连接在一起,形成4个独立的多主PLC局域网络。
每个独立的PLC局域网络上的个人计算机都配备了SIEMENS STEP 7编程软件包,既可以完成对本PLC的编程和状态监视,也可以对本局域网络上的任何PLC进行编程状态监视。
注意:1每个PLC站地址都贴在了PLC 主机上。
每次上传和下传程序时,BUS地址千万不要写错,否则将要传到别的设备上,影响他人工作。
2不要随意更改PLC DP插头上的“ON”,“OFF”开关,否则会造成网络不通。
pLC实验指导书PLC实验指导书1:实验目的1.1:理解PLC的基本原理和工作方式。
1.2:学习PLC编程语言和常用指令。
1.3:掌握PLC的硬件配置和搭建方法。
1.4:进行简单的PLC控制系统设计和调试。
2:实验器材和软件2.1: PLC设备:(具体型号和数量)2.2:输入设备:(具体型号和数量)2.3:输出设备:(具体型号和数量)2.4:串口线、电源线等辅助材料:(具体型号和数量)2.5: PLC编程软件:(具体软件名称和版本)3:实验内容3.1:实验1:PLC基本原理和编程语言3.1.1:实验目的:通过编写简单的PLC程序,熟悉PLC编程语言的基本语法和常用指令。
3.1.2:实验步骤:a) 搭建PLC硬件系统,连接输入和输出设备。
b) 打开PLC编程软件,创建一个新的PLC项目。
c) 编写一个简单的PLC程序,包括输入设备的检测和输出设备的控制。
d) 程序到PLC设备,观察输出设备的动作。
3.2:实验2:PLC控制系统设计与调试3.2.1:实验目的:通过设计一个简单的PLC控制系统,掌握PLC的硬件配置和调试方法。
3.2.2:实验步骤:a) 分析控制系统的需求,确定输入和输出设备的类型和数量。
b) 搭建PLC硬件系统,连接输入和输出设备。
c) 打开PLC编程软件,创建一个新的PLC项目。
d) 编写一个复杂的PLC程序,实现控制系统的功能。
e) 程序到PLC设备,进行调试和优化。
4:实验报告要求4.1:实验目的和原理的述评,包括PLC编程语言和指令的解释。
4.2:实验步骤的详细描述,包括PLC硬件系统的搭建和程序的编写方法。
4.3:实验结果的展示和分析,包括输入设备的检测结果和输出设备的控制效果。
4.4:实验心得和建议,包括对PLC技术的认识和对本实验的改进建议。
本文档涉及附件:1: PLC设备和相关设备的规格表2: PLC编程软件的安装指南本文所涉及的法律名词及注释:1: PLC:可编程逻辑控制器,是一种专门用于工业自动化控制系统的计算机控制器。
第二章实训项目PLC基本技能实操实训一 PLC认知实训一、实训目的1.了解PLC软硬件结构及系统组成2.掌握PLC外围直流控制及负载线路的接法及上位计算机与PLC通信参数的设置二、实训设备序号名称型号与规格数量备注1可编程控制器实训装置THPFSM-1/2 12实训导线3号若干3PC/PPI通讯电缆 1 西门子4计算机 1 自备三、PLC外形图四、控制要求1.认知西门子S7-200系列PLC的硬件结构,详细记录其各硬件部件的结构及作用;2.打开编程软件,编译基本的与、或、非程序段,并下载至PLC中;3.能正确完成PLC端子与开关、指示灯接线端子之间的连接操作;4.拨动K0、K1,指示灯能正确显示;五、功能指令使用及程序流程图1.常用位逻辑指令使用标准触点常开触点指令(LD、A和O)与常闭触点(LDN、AN、ON)从存储器或过程映像寄存器中得到参考值。
当该位为1时,常开触点闭合;当该位为0时,常闭触点为1;输出输出指令(=)将新值写入输出点的过程映像寄存器。
当输出指令执行时,S7-200将输出过程映像寄存器中的位接通或断开。
与逻辑:如上所示:I0.0、I0.1状态均为1时,Q0.0有输出;当I0.0、I0.1两者有任何一个状态为0,Q0.0输出立即为0。
或逻辑:如上所示:I0.0、I0.1状态有任意一个为1时,Q0.1即有输出;当I0.0、I0.1状态均为0,Q0.1输出为0。
与逻辑:如上所示:I0.0、I0.1状态均为0时,Q0.2有输出;当I0.0、I0.1两者有任何一个状态为1,Q0.2输出立即为0。
2.程序流程图六、端口分配及接线图1.I/O端口分配功能表序号PLC地址(PLC端子)电气符号(面板端子)功能说明1.I0.0 K0 常开触点012.I0.1 K1 常开触点023.Q0.0 L0 “与”逻辑输出指示4.Q0.1 L1 “或”逻辑输出指示5.Q0.2 L2 “非”逻辑输出指示6.主机1M、面板V+接电源+24V 电源正端7.主机1L、2L、3L、面板COM接电源GND电源地端2.控制接线图七、操作步骤1.按下图连接上位计算机与PLC;2.按“控制接线图”连接PLC外围电路;打开软件,点击,在弹出的对话框中选择“PC/PPI 通信方式”,点击,设置PC/PPI属性;3.点击,在弹出的对话框中,双击,搜寻PLC,寻找到PLC后,选择该PLC;至此,PLC与上位计算机通信参数设置完成;4.编译实训程序,确认无误后,点击,将程序下载至PLC中,下载完毕后,将PLC模式选择开关拨至RUN状态。
实验一 基本指令的编程练习一、实验目的1、熟悉PLC 实验装置及实验箱,S7-200系列编程控制器的外部接线方法2、了解编程软件STEP7的编程环境,软件的使用方法。
3、掌握基本指令的编程方法。
二、基本指令编程练习的实验面板图图中的接线孔,通过防转座插锁紧线与PLC 的主机相应的输入输出插孔相接。
SBi+为输入点正,SBi-为输入点负,HLi+为输出点正,HLi-为输出点负。
上图中中间一排SB0~SB4、SQ0~SQ4为输入按键和开关,模拟开关量的输入。
左图中中间一排HL0~HL7是LED 指示灯,接PLC主机输出端,用以模拟输出负载的通与断。
三、实验内容及步骤练习(一) 与、或、非指令练习1、根据下表对PLC 的输入输出进行接线; 输出 接线 HL0 HL1 HL2 Q0.0 Q0.1 Q0.22、打开编程软件STEP7,按照下面的程序输入语句或者梯形图;梯形图参考图输入接线 SQ1 SQ3 I0.1 I0.33、检查输入程序无误以后,将程序下载到主机内,并且把PLC 的工作模式达到RUN 模式;4、拨动输入开关SQ1、SQ3,观察输出指示灯Q0.0、Q0.1、Q0.2、Q0.3的状态并进行记录。
练习(二) 定时器/计数器功能实验1、根据下表对PLC 的输入输出进行接线; 输出 接线HL0 Q0.02、打开编程软件STEP7,按照下面的程序输入语句或者梯形图;输入接线 SQ1 I0.03、检查输入程序无误以后,将程序下载到主机内,并且把PLC的工作模式达到RUN模式;4、拨动输入开关SQ1,观察输出指示灯Q0.0的变化并使用状态监控T37、T38的当前值及Q0.0的趋势图。
思考题分别用定时器、计数器实现60小时计时,试进行I/O分配,画出梯形图并进行验证。
实验一:PLC认知及PLC编程软件的使用(两学时)
一、实验目的:
1.熟悉典型继电器电路的工作原理及电路接线。
2.熟悉西门子PLC 的组成,模块及电路接线。
3.熟悉西门子STEP 7 编程软件的使用方法。
4.熟悉利用STEP 7 建立项目、硬件组态、编程、编译、下载和运行等设计
步骤。
5.学会用基本逻辑指令实现顺控系统的编程,完成三相异步电机单向运行控
制程序的编制及调试。
二、实验设备:
1.个人PC 机 1 台
2.西门子1214C AC/DC/RLY PLC 1 台
3.西门子CM1241 RS485通信模块 1 台
4.实验操作板 1 块
5.线缆若干
三、实验步骤:
1.参照黑板上的电路接线图,电路连接好后经指导教师检查无误,可以上电
试验。
2.了解西门子PLC 的组成,熟悉PLC的电源、输入信号端I 和公共端COM、
输出信号端Q 和公共端COM;PLC 的编程口及PC 机的串行通讯口、编程电缆的连接;PLC 上扩展单元插口以及EEPROM 插口的连接方法;RUN/STOP 开关及各类指示灯的作用等。
2.参照黑板上的电路接线图,电路连接好后经指导教师检查无误,并将
RUN/STOP 开关置于STOP 后,方可接入220V交流电源。
3.在PC 机启动西门子STEP 7编程软件,新建工程,进入编程环境。
4.根据实验内容,在西门子STEP 7编程环境下输入梯形图程序,转换后,
下载到PLC中。
5.程序运行调试并修改。
6.写实验报告。
四、实验内容:
实验1、三相笼型异步电动机全压起动单向运行控制
图 1 三相笼型异步电动机全压起动单向运行控制接线图实验2、三相笼型异步电动机全压起动单向运行PLC控制
图 2 三相笼型异步电动机全压起动单向运行PLC控制梯形图
五、实验总结与思考:
1.简述S7-1200 PLC的硬件由哪几部分组成。
2.请简要叙述从硬件组态开始到程序下载到PLC进行调试的整个过程。
3.做完本次实验的心得体会;
注:
➢实验报告要求
本次实验为学生第一次实验,实验类型为验证型实验,在实验过程中重点是熟悉编程环境、如何编写程序、下载程序、调试程序、观察结果、修改程序。
1.书写规范,版面整洁。
2.做好实验总结,回答思考题,写出心得体会。
3.不准相互抄袭实验报告。
4.按照教师指定的时间完成并上交实验报告。
➢实验报告的内容主要
1. 实验目的:本次实验主要达到的要求及目的。
2. 实验设备:本次实验的主要设备。
3. 实验具体步骤及内容:如何联机、编写程序、下载程序、调试程序、观
察结果、修改程序。
4. 实验程序上机验证:写出运行后得到的结果,并分析与理论分析的结果
是否相同,做思考题。
5. 心得体会:本次实验中遇到的问题、解决方法及收获。
实验二:PLC基本指令应用编程练习(三学时)
一、实验目的:
1.熟悉西门子STEP 7 编程软件的使用方法。
2.掌握基本指令应用的编程方法。
3.掌握PLC程序调试的基本步骤及方法
4.熟悉典型继电器电路的工作原理。
5.学会把典型继电器电路改造成PLC控制回路
二、实验设备:
1.个人PC 机 1 台
2.西门子1214C AC/DC/RLY PLC 1 台
3.西门子CM1241 RS485通信模块 1 台
4.实验操作板 1 块
5.线缆若干
三、实验步骤:
1.熟悉西门子STEP 7 编程软件的使用方法。
2.基本逻辑指令编程练习。
3.参照黑板上的电路接线图,电路连接好后经指导教师检查无误,并将
RUN/STOP 开关置于STOP 后,方可接入220V交流电源。
3.在PC 机启动西门子STEP 7编程软件,新建工程,进入编程环境。
4.根据实验内容,在西门子STEP 7编程环境下输入梯形图程序,转换后,
下载到PLC中。
5.程序运行调试并修改。
6.写实验报告。
四、实验内容:
实验1、三相异步电机正反转运行控制
图1 三相异步电机正反转运行控制接线图
图 2 三相异步电机正反转运行控制梯形图实验2.多地点控制(选作)
图3 三相异步电机多地点控制接线图
图 4 三相异步电机多地点控制梯形图
实验3.抢答器设计(选作)
有I0.0,I0.1 和I0.2三个抢答输入,对应输出分别为Q4.0,Q4.1和Q4.2。
要求:三人任意抢答,谁先按动瞬时按钮,睡得指示灯优先亮,且只能亮一盏灯,进入下一个问题时,主持人按复位按钮,抢答重新开始。
图 5 三相异步电机多地点控制梯形图
五、实验总结与思考
1.简述PLC与外部设备的接线过程及注意事项;
2.做完本次实验的心得体会。
六、实验报告要求
1.书写规范,版面整洁。
2.做好实验总结,回答思考题,写出心得体会。
3.不准相互抄袭实验报告。
4.按照教师指定的时间完成并上交实验报告。
实验三:基于PLC的三相异步电机双机运行控制(三学时)
一、实验目的:
1.熟悉西门子STEP 7 编程软件的使用方法。
2.掌握基本指令(边沿指令及定时器)的应用编程方法。
3.掌握PLC程序调试的基本步骤及方法。
4.熟悉基于PLC的电气控制系统的安装与调试方法。
二、实验设备:
1.个人PC 机 1 台
2.西门子1214C AC/DC/RLY PLC 1 台
3.西门子CM1241 RS485通信模块 1 台
4.实验操作板 1 块
5.线缆若干
三、实验步骤:
1.熟悉西门子STEP 7 编程软件的使用方法。
2.基本逻辑指令编程练习。
3.参照黑板上的电路接线图,电路连接好后经指导教师检查无误,并将
RUN/STOP 开关置于STOP 后,方可接入220V交流电源。
3.在PC 机启动西门子STEP 7编程软件,新建工程,进入编程环境。
4.根据实验内容,在西门子STEP 7编程环境下输入梯形图程序,转换后,
下载到PLC中。
5.程序运行调试并修改。
6.写实验报告。
四、实验内容:
实验1、电动机的延迟启动与延迟停止控制
按下瞬时启动按钮I0.0,延时5s后电动机启动,
按下瞬时停止按钮I0.1,延时10s后电动机停止。
图 1 电动机的延迟启动与延迟停止控制梯形图
实验2、用接通延迟定时器和脉冲定时器分别实现一个周期振荡电路(选作)
图 2 用接通延迟定时器实现一个周期振荡
图 3 用脉冲定时器实现一个周期振荡
五、实验总结与思考
1.请简述梯形图中用到的定时器指令的特性;
2.做完本次实验的心得体会。