南京大学08级近代物理实验二(大四上学期)]2.4塞曼效应
- 格式:docx
- 大小:145.89 KB
- 文档页数:7
1-3 塞曼效应实验目的和要求:了解塞曼效应的重要意义和原理;学习调节光路,学习使用高分辨气压扫描式法布里-珀罗标准具(F-P)和光谱测量技术;观测和研究Hg 放电灯的546.1nm 光谱线在外磁场作用下的塞曼分裂现象和谱线的超精细结构;根据实验结果研究原子能级结构,获得有关分裂能级的参量。
教学内容:1.计算Hg 灯546.1nm 光谱线在磁场作用下分裂的各子谱线的条数、偏振方向、波数变化,和相对强度,作出能级分裂图和光谱分裂示意图。
2.调节光路的准直和共轴,调节F-P 标准具的平行度;观察F-P 标准具产生的等倾干涉圆环随F-P 内空气折射率的变化;通过气压扫描,用光电倍增管扫描测量546.1nm 光谱线的强度随气压的变化,要求达到高分辨率,观测到超精细结构。
3.加垂直观测方向的磁场,观察F-P 后干涉圆环的分裂、分裂环的相对强度和偏振状态;用气压扫描测量546.1nm 谱线分裂出的9 条光谱,测量不同偏振状态下的光谱。
4.分析塞曼分裂谱,计算各分裂子谱线的波数差和相对强度,并与理论值作比较,求荷质比;从塞曼分裂谱中分析得到原子能级的J 量子数和g 因子。
实验过程中可能涉及的问题(有的问题可用于检查学生的预习情况,有的可放在实验室说明牌上作提示,有的可在实验过程中予以引导,有的可安排为报告中要回答的问题,有的可作为进一步探索的问题。
不同的学生可有不同的要求。
)塞曼效应是如何产生的?原子在外磁场下的能级分裂由哪些因素决定?根据你的理论计算,在1T 磁场的作用下,Hg546.1nm光谱线分裂成几条谱线?分裂谱线的偏振态为什么不同?分裂谱线的相对强度是多少?分裂谱线的波数差为多少cm-1? 本实验通过什么方法分辨测量这么窄的光谱分裂?F-P 的自由光谱范围如何定义,在实验中有什么作用?用气压扫描式F-P 标准具实现高分辨光谱测量的实验条件有哪些(光路,平行度,准直,光电倍增管前加小孔光阑… )?随着F-P 内气压即空气折射率的变化,为什么可以观测到分裂谱线重复出现?如何把实验测量结果中光强随气压的变化,标定转化为,光强随谱线波数的变化?此种标定的前提条件是什么?如何尽量减少相邻谱线的互相影响?如果谱线的裂距和强度与理论计算有偏差,可能是什么原因造成的?实验装置说明:1.光源及磁场:Hg 灯与电源(注意Hg 灯上高压的安全),电磁铁与电源(注意电磁铁发热效应,Hg 灯为何需置于磁场中心?)2.光谱测量:透镜、偏振片和干涉滤光片(各起什么作用?);气压扫描式F-P 标准具、成像透镜和带小孔光阑的光电倍增管(各起什么作用,如何调节,观察到的光学现象?)3.控制和数据采集:气压扫描控制器(注意在升压状态下测量), 光电倍增管电源系统(注意屏蔽背景光后加高压使用),计算机数据采集(实验测量的是什么物理量?)实验的主要内容和问题:1.Hg 灯置于电磁铁中央,在垂直磁场方向观测光谱(平行磁场方向的塞曼分裂光谱会有什么不同?测量方案上有何不同?)2.调节整体光路,使Hg 灯像、等倾干涉圆环的中心、以及观测点的中心达到准直、共心、共轴。
楚雄师范学院物理与电子科学系近代物理实验姓名:沈燕兵学号:20081041204班级:08物理(2)班塞曼效应之简略原理摘要:本文从塞曼效应实验出发,追溯塞曼效应的发现与其简略原理,发现发掘其内部关系,及产生塞曼效应的本质,通过实验测量推算进一步验证了塞曼效应。
引言:塞曼效应是物理学史上一个著名的实验,荷兰物理学家塞曼在1896年发现,把产生光谱的光源置于足够强的磁场中,磁场作用于发光体使光谱线由一条谱线分裂成几条偏正化谱线的现象成为塞曼效应,其原理对于该试验的研究有很大意义。
关键词:塞曼效应1 朗德(Lande)因子2 波长差3 波数差4 Abstract: In this paper, starting from the Zeeman effect experiment, traces the Zeeman effect andsimple principles found, found to explore the internal relations, and produces Zeeman effect essence, through experimental measurement estimation is further verified by Zeeman effect.Introduction:The Zeeman effect is the history of physics in the last famous experiment, Hollandphysicist Zeeman found in 1896, the spectrum of the light source is placed in a strong enoughmagnetic field, magnetic field in the luminous body so that the spectral line consists of a spectral line splitting into several partial spectral line phenomenon becomes the Zeeman effect, the principle for the test research of great significance.Key words: Zeeman effect 1 round ( Lande ) factor 2 3 4 wavelength difference of wave numberdifference原子中的电子由于作轨道运动产生轨道磁矩,电子还具有自旋运动产生自旋磁矩,根据量子力学的结果,电子的轨道角动量L P 和轨道磁矩L μ以及自旋角动量S P 和自旋磁矩S μ在数值上有下列关系:L L P m e 2=μ )1(+=L L P L S S P me=μ )1(+=S S P S 式中m e ,分别表示电子电荷和电子质量;S L ,分别表示轨道量子数和自旋量子数。
塞曼效应摘要:本实验使用微机化的塞曼效应实验仪观察了汞光灯谱线在外加磁场时产生的分裂,即其塞曼效应,并由此计算了电子的荷质比。
关键词:塞曼效应;法布里-珀罗标准具;荷质比1.引言19世纪伟大的物理学家法拉第研究电磁场对光的影响时,发现了磁场能够改变偏振光的偏振方向。
1896年荷兰物理学家塞曼(Pieter Zeeman)根据法拉第的想法,探测磁场对谱线的影响,发现钠双线在强磁场中的分裂。
洛伦兹根据经典电子论解释了分裂为三条谱线的正常塞曼效应。
由于研究这个效应,塞曼和洛伦兹共同获得了1902年的诺贝尔物理学奖。
他们这一重要研究成就,有力地支持了光的电磁理论,使我们对物质的光谱、原子和分子的结构有了更多的了解。
2.实验目的1.掌握塞曼效应理论,测定电子的荷质比,确定能级的量子数和朗德因子,绘出跃迁的能级图。
2.掌握法布里—珀罗标准具的原理和使用。
3.观察塞曼效应现象,并把实验结果和理论结果进行比较,同时了解使用CCD及多媒体计算进行实验图像测量的方法。
3.实验原理3.1 塞曼效应简介当光源放在足够强的磁场中时,所发出的光谱线都分裂成几条,条数随能级的类别而不同,而分裂后的谱线是偏振的,这种现象被称为塞曼效应。
塞曼效应证实了原子具有磁距和空间取向量子化的现象。
塞曼效应分为正常塞曼效应和反常塞曼效应。
正常塞曼效应是指那些谱线分裂为三条,而且两边的两条与中间的频率差正好等于4eBmcπ,对于这种现象,经典理论可以给予很好的解释。
但实际上大多数谱线的分裂多于三条,谱线的裂距是4eBmcπ的简单分数倍,这种现象被称为反常塞曼效应。
下面具体讨论塞曼效应中外磁场对原子能级的作用。
3.2原子的总磁矩与总动量矩的关系因为原子中的电子同时具有轨道角动量P L 和自旋角动量P S 。
相应的,它也同时具有轨道磁矩轨道微矩L μ和自旋磁矩S μ,并且它们有如下关系。
2L LS s e P m e P m μμ⎧=⎪⎪⎨⎪=⎪⎩(1)其中L s P P ⎧=⎪⎪⎨⎪=⎪⎩(2) (2)式中 L,S 分别表示轨道量子数和自旋量子数。
塞曼效应一、实验目的1、研究塞曼分裂谱的特征2、学习应用塞曼效应测量电子的荷质比和研究原子能级结构的方法。
二、实验原理对于多电子原子,角动量之间的相互作用有LS 耦合模型和JJ 耦合某型。
对于LS 耦合,电子之间的轨道与轨道角动量的耦合作用及电子间自旋与自旋角动量的耦合作用强,而每个电子的轨道与自旋角动量耦合作用弱。
原子中电子的轨道磁矩和自旋磁矩合成为原子的总磁矩。
总磁矩在磁场中受到力矩的作用而绕磁场方向旋进,可以证明旋进所引起的附加能量为 B Mg E B μ=∆ (1)其中M 为磁量子数,μB 为玻尔磁子,B 为磁感应强度,g 是朗德因子。
朗德因子g 表征原子的总磁矩和总角动量的关系,定义为 )1(2)1()1()1(1++++-++=J J S S L L J J g (2)其中L 为总轨道角动量量子数,S 为总自旋角动量量子数,J 为总角动量量子数。
磁量子数M 只能取J ,J-1,J-2,…,-J ,共(2J+1)个值,也即E ∆有(2J+1)个可能值。
这就是说,无磁场时的一个能级,在外磁场的作用下将分裂成(2J+1)个能级。
由式(1)还可以看到,分裂的能级是等间隔的,且能级间隔正比于外磁场B 以及朗德因子g 。
能级E 1和E 2之间的跃迁产生频率为v 的光,其中 12E E hv -=在磁场中,若上、下能级都发生分裂,新谱线的频率v ’满足B g M g M hv E E E E E E E E hv B μ)()()()()('112212121122-+=∆-∆+-=∆+-∆+= 即分裂后谱线与原谱线的频率差为 hBg M g M v v v B μ)('1122-=-=∆ (3)代入玻尔磁子mehB πμ4=,得到 B meg M g M v π4)(1122-=∆ (4) 等式两边同除以c ,可将式(4)表示为波数差的形式 B mceg M g M πσ4)(1122-=∆ (5) 令 mc eBL π4=则 L g M g M )(1122-=∆σ (6)其中L 称为洛伦兹单位,且 B L 467.0= 塞曼跃迁的选择定则为:1,0±=∆M当0=∆M ,为π成分,是振动方向平行于磁场的线偏振光,只在垂直于磁场的方向上才能观察到,平行于磁场的方向上观察不到,但当0=∆J 时,02=M 到01=M 的跃迁被禁止;当1±=∆M ,为σ成分,垂直于磁场观察时为振动垂直于磁场的线偏振光,沿磁场正向观察时,1+=∆M 为右旋圆偏振光,1-=∆M 为左旋圆偏振光。
近代物理实验——塞曼效应实验一、实验简介如果把光源置于足够强的磁场中,则光源发出的大部分单色光都分裂为若干条偏振的谱线,分裂的条数随能级的类别而不同。
这种现象被称为塞曼效应。
塞曼效应是1896年荷兰物理学家塞曼发现的,洛伦兹对此作出了令人满意的解释。
塞曼效应的发现及其解释对研究原子中电子的角动量和反应角动量耦合作用的朗德因子等原子结构的信息有重要的作用,因此,两人于1902年获得了诺贝尔物理学奖。
本实验将采用光栅摄谱仪的方法来研究这一现象。
二、实验目的1.观察塞曼效应;2.利用塞曼裂矩,计算电子的质核比e/m e;三、实验原理1.塞曼效应概念:将光源放到磁场中,观察到光谱线发生分裂。
原因是原子的能级发生了分裂,根据原子物理学知识,原子中的电子在磁场中的附加能量为:∆E=MgμB B其中g是朗德因子:g=1+J(j+1)−L(L+!)+S(S+1)2J(J+1)2.能级E1与E2之间的跃迁如果产生频率为γ的光,在磁场中上下能级都发生分裂,分裂后的谱线与原谱线的频率差为:∆γ=(m2g2−M1g1)μB B/ℎ其中μB是玻尔磁子:μB=eℎ4πm 得:∆γ=(m2g2−M1g1)eℎ4πmB用波数差表示为:∆σ=(m2g2−M1g1)e4πmcB导出电子的荷质比为:em =()22114cm g m gπσ∆-(em理论值是1.76*1011C/kg)3.观察塞曼效应的方法:F-P标准具光路图,标准具由两块平板玻璃构成,形成干涉极大的条件是:2ndcosθ=kλ(一组同心圆)由于tanθ=D2⁄f,在θ很小时:θ=sinθ=tanθ所以cosθ=1−2sin2θ2=1−12tan2θ=1−D28f2最后推导出波数差: ∆σ=12d (D b2−Da2D k−12−Dk2)含义:Dk与Dk-1是分裂前相邻两个圆环的直径,Db与Da是分裂后同一级次两个圆环的直径(注意计算中∆σ的单位是cm-1)磁感应强度:B=1.2T四、实验仪器摄谱仪、Fe弧光源、Hg放电管五、实验内容1.摄谱和反射镜Bs在摄(1)调整外光路,使得汞放电管发出的光辐射经透镜L1谱仪入射狭缝上成像。
实验三 塞曼效应1896年塞曼(Pieter Zeeman 1865—1943荷兰物理学家)发现把光源置于足够强的磁场中时,光源发出的每一条谱线都分裂为若干条偏振化谱线,分裂的条数随能级类别不同而不同,这种现象称为塞曼效应。
塞曼效应是继法拉第和克尔效应之后被发现的第三个磁光效应,是物理学的重要发现之一。
本实验通过原子发光的磁分裂效应,说明原子能级的磁相互作用能的存在,由于分裂的波长(对应于能级)差很小,故不能用一般的分光仪器去分析测量。
本实验用分辨率为105~107的法布里—珀罗标准具观察汞灯发光的磁场分裂情况。
并通过测量对应分裂谱线的磁场,计算电子的荷质比e/m 。
塞曼效应是研究原子能级结构的重要方法之一。
一、实验目的1. 掌握塞曼效应理论,测定电子的菏质比,确定能级的量子数和朗德因子,绘出跃迁的能级图。
2. 掌握法布里-珀罗标准具的原理和使用。
3.观察塞曼效应现象,把实验结果和理论结果进行比较。
4.学会使用CCD 和计算机进行实验图像测量的方法。
二、实验原理当光源放在足够强的磁场中时,所发出的光谱线都分裂成几条,条数随能级的类别而不同,而分裂后的谱线是偏振的,后人称这现象为塞曼效应。
塞曼效应证实了原子具有磁距和空间取向量子化的现象,至今塞曼效应仍是研究能级结 构的重要方法之一。
正常塞曼效应是指那些谱线分裂为三条,而且两边的两条与中间的频率差正 好等于e H /4πm c ,可用经典理论给予很好的解释。
但实际上大多数谱线的 分裂多于三条,谱线的裂矩是eH /4πmc 的简单分数倍,称反常塞曼效应, 它不能用经典理论解释,只有用量子理论才能得到满意的解释。
1. 原子的总磁矩与总动量矩的关系在原子物理中我们知道,原子中的电子不但有轨道运动,而且还有自旋运动。
因此,原子中的电子具有轨道角动量P L 和轨道微矩 μL ,以及自旋角动量 P s 和自旋磁矩 μs 。
它们的关系为:L L p me 2=μ π2)1(h L L p L += S S p me =μ π2)1(h S S p S += (1) 式中 L,S 分别表示轨道量子数和自旋量子数, e ,m 分别为电子的电荷和质量。
塞曼效应塞曼效应实验室物理学史上一个著名的实验,早在1896年,塞曼发现把产生光谱的光源置于足够强的磁场中,磁场作用于发光体,使其光谱发生变化,一条谱线分裂成几条偏振化的谱线,这种现象称为塞曼效应。
塞曼效应的实验证实了原子具有磁矩和空间取向的量子化,并得到罗仑兹理论的解释。
1902年,塞曼因为这一发现与罗仑兹共享诺贝尔物理学奖。
至今,塞曼效应仍然是研究原子内部能级结构的重要方法。
【实验目的】1.掌握塞曼效应理论,测量电子的荷质比。
2.学习光路的调节和掌握法布里-珀罗标准具的原理及使用。
3. 了解CCD器件的原理和应用。
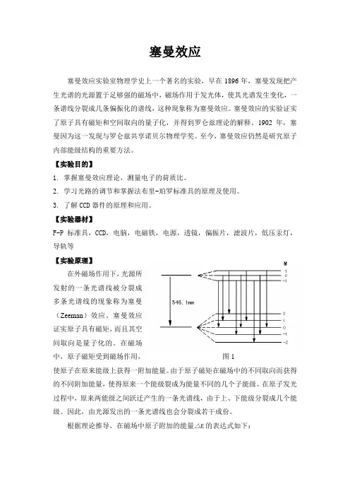
【实验器材】F-P标准具,CCD,电脑,电磁铁,电源,透镜,偏振片,滤波片,低压汞灯,导轨等【实验原理】在外磁场作用下,光源所发射的一条光谱线被分裂成多条光谱线的现象称为塞曼(Zeeman)效应。
塞曼效应证实原子具有磁矩,而且其空间取向是量子化的。
在磁场中,原子磁矩受到磁场作用,图1使原子在原来能级上获得一附加能量。
由于原子磁矩在磁场中的不同取向而获得的不同附加能量,使得原来一个能级裂成为能量不同的几个子能级。
在原子发光过程中,原来两能级之间跃迁产生的一条光谱线,由于上、下能级分裂成几个能级。
因此,由光源发出的一条光谱线也会分裂成若干成份。
根据理论推导,在磁场中原子附加的能量△E的表达式如下:由汞光源发出的546.1nm光谱线在外磁场作用下产生了跃迁,如图1,而原子发光必须遵从△M=0或±1的选择定则(△M表示光谱线由于能级跃迁而产生的磁量子数的差值),而且选择定则与光的偏振有关,光的偏振状态又与观察角度有关。
垂直于磁场时为线偏振光,而平行于磁场时则是圆偏振光。
因此,当我们分别从垂直于磁场方向(横向)和平行于磁场方向(纵向)观察时,所得结果如表1中所列。
表1由图1中我们可看到,由于选择定则的限制,只允许9种跃迁存在,从横向角度观察,原546.1nm光谱线将分裂成9条彼此靠近的光谱线,如图2所示,其中包括3条π分量线(中心3条)和6条σ分量线。
一、 夫兰克—赫兹实验 1解释曲线I p -V G2形成的原因答;充汞的夫兰克-赫兹管,其阴极K 被灯丝H 加热,发射电子。
电子在K 和栅极G 之间被加速电压KG U 加速而获得能量,并与汞原子碰撞,栅极与板极A 之间加反向拒斥电压GA U ,只有穿过栅极后仍有较大动能的电子,才能克服拒斥电场作用,到达板极形成板流A I 。
2实验中,取不同的减速电压V p 时,曲线I p -V G2应有何变化?为什么?答;减速电压增大时,在相同的条件下到达极板的电子所需的动能就越大,一些在较小的拒斥电压下能到达极板的电子在拒斥电压升高后就不能到达极板了。
总的来说到达极板的电子数减小,因此极板电流减小。
3实验中,取不同的灯丝电压V f 时,曲线I p -V G2应有何变化?为什么?答;灯丝电压变大导致灯丝实际功率变大,灯丝的温度升高,从而在其他参数不变得情况下,单位时间到达极板的电子数增加,从而极板电流增大。
灯丝电压不能过高或过低。
因为灯丝电压的高低,确定了阴极的工作温度,按照热电子发射的规律,影响阴极热电子的发射能力。
灯丝电位低,阴极的发射电子的能力减小,使得在碰撞区与汞原子相碰撞的电子减少,从而使板极A 所检测到的电流减小,给检测带来困难,从而致使A GK I U -曲线的分辨率下降;灯丝电压高,按照上面的分析,灯丝电压的提高能提高电流的分辨率。
但灯丝电压高, 致使阴极的热电子发射能力增加,同时电子的初速增大,引起逃逸电子增多,相邻峰、谷值的差值却减小了。
二、 塞曼效应1、什么叫塞曼效应,磁场为何可使谱线分裂?答;若光源放在足够强的磁场中时,原来的一条光谱线分裂成几条光谱线,分裂的谱线成分是偏振的,分裂的条数随能级的类别而不同。
后人称此现象为塞曼效应。
原子中电子的轨道磁矩和自旋磁矩合成为原子的总磁矩。
总磁矩在磁场中受到力矩的作用而绕磁场方向旋进从而可以使谱线分离2、叙述各光学器件在实验中各起什么作用答;略3、如何判断F-P 标准具已调好?答;实验时当眼睛上下左右移动时候,圆环无吞吐现象时说明F-P 标准具的两反射面平行了。
第1篇一、实验背景塞曼效应是指在外磁场作用下,原子光谱线发生分裂的现象。
该效应是量子力学和原子物理学中的一个重要实验,通过观察和分析塞曼效应,可以研究原子的能级结构、电子的角动量和自旋等基本物理量。
本实验旨在通过实验验证塞曼效应,并分析实验过程中可能出现的误差。
二、实验原理1. 塞曼效应的原理当原子置于外磁场中时,原子内部电子的轨道角动量和自旋角动量会相互作用,产生总角动量。
总角动量在外磁场中具有量子化的取向,导致原子能级发生分裂,从而产生塞曼效应。
2. 塞曼效应的能级分裂根据量子力学理论,原子在外磁场中的能级分裂可表示为:ΔE = -μB·g·J(J+1)其中,ΔE为能级分裂能量,μB为玻尔磁子,g为朗德因子,J为总角量子数。
三、实验方法1. 实验仪器本实验采用光栅摄谱仪、电磁铁、聚光透镜、偏振片、546nm滤光片、F-P标准具等仪器。
2. 实验步骤(1)将光栅摄谱仪调整至最佳状态,确保光谱清晰。
(2)将电磁铁的磁场强度调整至预定值。
(3)将汞灯发射的光通过546nm滤光片,使其成为单色光。
(4)将单色光通过电磁铁,使其在磁场中发生塞曼效应。
(5)通过光栅摄谱仪观察和记录塞曼效应的分裂谱线。
(6)调整电磁铁的磁场强度,重复实验步骤,记录不同磁场强度下的分裂谱线。
四、实验结果与分析1. 实验结果通过实验,我们观察到汞原子546.1nm谱线在磁场中发生了分裂,分裂谱线的条数与磁场强度有关。
2. 误差分析(1)系统误差1)仪器误差:光栅摄谱仪、电磁铁等仪器的精度和稳定性会影响实验结果,导致系统误差。
2)环境误差:实验过程中,环境温度、湿度等因素的变化也会对实验结果产生一定影响。
(2)随机误差1)人为误差:实验操作过程中,如调整仪器、记录数据等环节,可能存在人为误差。
2)测量误差:测量磁场强度、光谱线强度等物理量时,可能存在测量误差。
(3)数据处理误差1)谱线识别误差:在观察和分析分裂谱线时,可能存在谱线识别误差。
课程:专业班号: 姓名: 学号: 同组者:塞曼效应一、实验目得1、学习观察塞曼效应得方法观察汞灯发出谱线得塞曼分裂;2、观察分裂谱线得偏振情况以及裂距与磁场强度得关系;3、 利用塞曼分裂得裂距,计算电子得荷质比e m e 数值。
二、实验原理1、谱线在磁场中得能级分裂设原子在无外磁场时得某个能级得能量为0E ,相应得总角动量量子数、轨道量子数、自旋量子数分别为S L J 、、。
当原子处于磁感应强度为B 得外磁场中时,这一原子能级将分裂为12+J 层。
各层能量为B Mg E E B μ+=0 (1)其中M 为磁量子数,它得取值为J ,1-J ,、、、,J -共12+J 个;g 为朗德因子;B μ为玻尔磁矩(mhcB πμ4=);B 为磁感应强度。
对于S L -耦合 )()()()(121111++++-++=J J S S L L J J g (2)假设在无外磁场时,光源某条光谱线得波数为)(010201~E E hc-=γ (3)式中 h 为普朗克常数;c 为光速。
而当光源处于外磁场中时,这条光谱线就会分裂成为若干条分线,每条分线波数为别为hc B g M g M E E hcB μγγγγγ)()(112201200~1~~~~-+=∆-∆+=∆+= L g M g M )(11220~-+=γ 所以,分裂后谱线与原谱线得频率差(波数形式)为mcBe g M g M L g M g M πγγγ4~~~112211220)()(-=-=-=∆ (4) 式中脚标1、2分别表示原子跃迁后与跃迁前所处在得能级,L 为洛伦兹单位(B L 7.46=),外磁场得单位为T (特斯拉),波数L 得单位为 []11--特斯拉米。
12M M 、得选择定则就是:0=∆M 时为π 成分,就是振动方向平行于磁场得线偏振光,只能在垂直于磁场得方向上才能观察到,在平行于磁场方向上观察不到,但当0=∆J 时,0012==M M ,到得跃迁被禁止;1±=∆M 时,为σ成分,垂直于磁场观察时为振动垂直于磁场得线偏振光,沿磁场正方向观察时,1+=∆M 为右旋偏振光, 1-=∆M 为左旋偏振光。
实 验 二 塞曼效应一、实验的目的:1.过观查塞曼效应现象,了解塞曼效应是由于电子的轨道磁矩与自旋磁矩共同受到外磁场作用而产生的。
证实了原子具有磁矩和空间取向量子化的现象,进一步认识原子的内部结构。
并把实验结果和理论进行比较。
2.掌握法布里—珀罗标准具的原理和使用,了解使用CCD 及多媒体计算机进行实验图象测量的方法。
19世纪伟大的物理学家法拉第研究电磁场对光的影响,发现了磁场能改变偏振光的偏振方向。
1896年荷兰物理学家塞曼(Pieter Zeeman )根据法拉第的想法,探测磁场对谱线的影响,发现钠双线在磁场中的分裂。
洛仑兹跟据经典电子论解释了分裂为三条的正常塞曼效应。
由于研究这个效应,塞曼和洛仑兹共同获得了1902年的诺贝尔物理学奖。
他们这一重要研究成就,有力的支持了光的电磁理论,使我们对物质的光谱、原子和分子的结构有了更多的了解。
至今塞曼效应仍是研究能级结构的重要方法之一。
一、塞曼效应的原理当发光的光源置于足够强的外磁场中时,由于磁场的作用,使每条光谱线分裂成波长很靠近的几条偏振化的谱线,分裂的条数随能级的类别而不同,这种现象称为塞曼效应。
正常塞曼效应谱线分裂为三条,而且两边的两条与中间的频率差正好等于eB/4πmc ,可用经典理论给予很好的解释。
但实际上大多数谱线的分裂多于三条,谱线的裂矩是eB/4πmc 的简单分数倍,称反常塞曼效应,它不能用经典理论解释,只有量子理论才能得到满意的解释。
1.原子的总磁矩与总动量距的关系塞曼效应的产生是由于原子的总磁矩(轨道磁矩和自旋磁矩)受外磁场作用的结果。
在忽略核磁矩的情况下,原子中电子的轨道磁矩μL 和自旋磁矩μS 合成原子的总磁矩μ,与电子的轨道角动量P L ,自旋角动量P S 合成总角动量P J 之间的关系,可用矢量图1来计算。
已知:μL =(e /2m )P L P L =π2h )1(+L L (1) μS =(e/m )p s P S =π2h )1(+S S (2) 式中L, S 分别表示轨道量子数和自旋量子数,e, m 分别为电子的电荷和质量。
塞曼效应塞曼效应是指原子在外磁场中发光谱线发生分裂且偏振的现象;历史上首先观测到并给予理论解释的是谱线一分为三的现象,后来又发现了较三分裂现象更为复杂的难以解释的情况,因此称前者为正常或简单塞曼效应,后者为反常或复杂塞曼效应。
荷兰物理学家塞曼在1896年发现把产生光谱的光源置于足够强的磁场中,磁场作用于发光体使光谱发生变化,一条谱线即会分裂成几条偏振化的谱线,这种现象称为塞曼效应。
塞曼效应是法拉第磁旋光效应之后发现的又一个磁光效应。
这个现象的发现是对光的电磁理论的有力支持,证实了原子具有磁矩和空间取向量子化,使人们对物质光谱、原子、分子有更多了解,特别是由于及时得到洛仑兹的理论解释,更受到人们的重视,被誉为继X射线之后物理学最重要的发现之一。
1902年,塞曼与洛仑兹因这一发现共同获得了诺贝尔物理学奖(以表彰他们研究磁场对光的效应所作的特殊贡献)。
他于1885年进入莱顿大学后,就成为了昂内斯和后来和他共享诺贝尔奖的亨德里克·洛伦兹的学生。
1890年洛仑兹毕业之后,他开始担任洛仑兹的助教,这让他参与到了关于克尔效应的深入研究中,这也是他未来做出重要研究工作的基础。
1893年,在完成了他博士的研究工作之后,他曾在法国边界斯特拉斯堡的弗里德里希科尔劳施学院逗留了半年。
1895年,他回到莱顿大学担任面对非全日制学生的讲师。
在同年,他和他挚爱的乔安娜结婚,之后他们生育了三个女儿和一个儿子。
1896年,在完成博士学位三年以后,他没有听从导师的命令,用实验室的设备测量了在强磁场作用下光谱的分离,并因此被开除了。
在之后他的实验努力被证明是极其重要的,他1902年赢得了诺贝尔物理学奖,并由于塞曼效应而广为人知。
1897年,他被邀请到阿姆斯特丹大学担任讲师,并在三年以后,提升为全职教授1943年10月9号,塞曼病逝于阿姆斯特丹。