第十二章 机械能和内能单元达标训练题(Word版 含答案)
- 格式:doc
- 大小:356.00 KB
- 文档页数:18
九年级物理第十二章 机械能和内能单元综合测试(Word 版 含答案)一、初三物理第十二章 机械能和内能 易错压轴题提优(难)1.在探究“比较不同物质吸热的情况”的实验中,实验装置如图所示,实验中记录的数据如下表所示。
加热时间/min 01 2 3 4 甲的温度/°C30 34 38 42 46 乙的温度/°C 10 18 26 34 42(1)实验中应量取______相等的甲、乙两种液体,分别倒入相同的烧杯中;用相同的电加热器加热,吸热多少可以通过______来反映(选填“温度计示数”或“加热时间”);(2)如果甲物质是水,根据表格中的实验数据可知,乙物质的比热为_______J/(kg·°C);(3)图中①是绘制的乙加热时温度随时间变化的图线,如果将初温相同的乙物质,质量增加到原来的2倍,不考虑热损失,用相同的加热器加热,再绘制出一条温度随时间变化的曲线,则曲线为图中的第_______条。
【答案】质量 加热时间 32.110⨯ ③【解析】【分析】【详解】(1)[1]在探究“比较不同物质吸热的情况”的实验中,需要利用控制变量法控制被加热物质的质量相同。
[2]在探究“比较不同物质吸热的情况”的实验中,为了比较被加热物质吸收热量的多少,利用转换法,通过加热时间长短来反应吸收热量多少。
(2)[3]由表格可知,加热1min 时,甲、乙吸收的热量相同,温度变化量分别为4°C 、8°C ,甲的温度变化量恰好是乙的一半;甲、乙质量相同,根据Q cm Δt =可知,乙的比热容为甲的一半,甲为水,则乙的比热容为()32.110J/kg?C ⨯︒。
(3)[4]由温度-时间图象可知,加热4min 时,乙的温度变化量为32°C ,不考虑热损失,用相同的加热器加热,将初温相同的乙物质,质量增加到原来的2倍,加热相同时间,它们吸收的热量相同,根据Q cm Δt =可知,质量大的温度变化量小一些,质量增加到原来的2倍,则温度变化量为原来的一半,故曲线为图中的第③条。
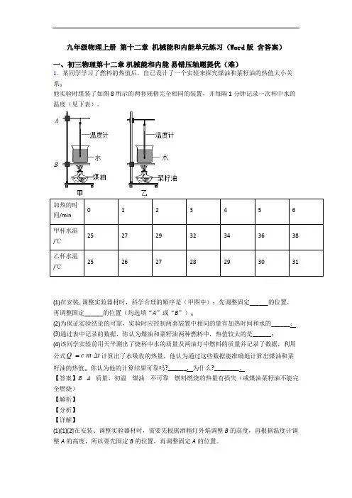
九年级物理上册第十二章机械能和内能单元练习(Word版含答案)一、初三物理第十二章机械能和内能易错压轴题提优(难)1.某同学学习了燃料的热值后,自己设计了一个实验来探究煤油和菜籽油的热值大小关系。
他实验时组装了如图8所示的两套规格完全相同的装置,并每隔1分钟记录一次杯中水的温度(见下表)。
加热的时0123456间/min甲杯水温25272932343638 /℃乙杯水温25262728293031 /℃(1)在安装、调整实验器材时,科学合理的顺序是(甲图中):先调整固定______的位置,再调整固定______的位置(均选填“A”或“B”)。
(2)为保证实验结论的可靠,实验时应控制两套装置中相同的量有加热时间和水的______;(3)通过表中记录的数据,你认为煤油和菜籽油两种燃料中,热值较大的是______;(4)该同学实验前用天平测出了烧杯中水的质量及两油灯中燃料的质量并记录了数据,利用=∆计算出了水吸收的热量,他认为通过这些数据能准确地计算出煤油和菜公式Q c m t籽油的热值。
你认为他的计算结果可靠吗?______,为什么?________。
【答案】B A质量、初温煤油不可靠燃料燃烧的热量有损失(或煤油菜籽油不能完全燃烧)【解析】【分析】【详解】(1)[1][2]在安装、调整实验器材时,需要先根据酒精灯外焰调整B的高度,再根据温度计调整A的高度,所以要先固定B的位置,再调整固定A的位置。
(2)[3]为保证实验结论的可靠,实验时应控制两套装置中相同的量有:加热时间和水的质量、水的初温。
(3)[4]通过表中记录的数据可知,加热时间相同,甲杯水温上升快,故甲杯水吸收的热量多,由Q qm 放知,相同时间内煤油燃烧放出的热量多,所以煤油和菜籽油两种燃料中,热值较大的是煤油。
(4)[5][6]不可靠。
煤油、菜籽油不可能完全燃烧,且伴有热量损失,故结果不准确。
2.回顾实验和探究:比热容概念的建构器材烧杯、______相等的水和煤油、两个规格相同的电加热器、温度计、______。
九年级上册物理第十二章机械能和内能单元达标训练题(Word版含答案)一、初三物理第十二章机械能和内能易错压轴题提优(难)1.某同学学习了燃料的热值后,自己设计了一个实验来探究煤油和菜籽油的热值大小关系。
他实验时组装了如图8所示的两套规格完全相同的装置,并每隔1分钟记录一次杯中水的温度(见下表)。
加热的时0123456间/min甲杯水温25272932343638 /℃乙杯水温25262728293031 /℃(1)在安装、调整实验器材时,科学合理的顺序是(甲图中):先调整固定______的位置,再调整固定______的位置(均选填“A”或“B”)。
(2)为保证实验结论的可靠,实验时应控制两套装置中相同的量有加热时间和水的______;(3)通过表中记录的数据,你认为煤油和菜籽油两种燃料中,热值较大的是______;(4)该同学实验前用天平测出了烧杯中水的质量及两油灯中燃料的质量并记录了数据,利用=∆计算出了水吸收的热量,他认为通过这些数据能准确地计算出煤油和菜公式Q c m t籽油的热值。
你认为他的计算结果可靠吗?______,为什么?________。
【答案】B A质量、初温煤油不可靠燃料燃烧的热量有损失(或煤油菜籽油不能完全燃烧)【解析】【分析】【详解】(1)[1][2]在安装、调整实验器材时,需要先根据酒精灯外焰调整B的高度,再根据温度计调整A的高度,所以要先固定B的位置,再调整固定A的位置。
(2)[3]为保证实验结论的可靠,实验时应控制两套装置中相同的量有:加热时间和水的质量、水的初温。
(3)[4]通过表中记录的数据可知,加热时间相同,甲杯水温上升快,故甲杯水吸收的热量多,由Q qm =放知,相同时间内煤油燃烧放出的热量多,所以煤油和菜籽油两种燃料中,热值较大的是煤油。
(4)[5][6]不可靠。
煤油、菜籽油不可能完全燃烧,且伴有热量损失,故结果不准确。
2.用如图甲所示装置进行实验,比较A 、B 两种不同物质的吸热能力。
苏科版版九年级上册物理第十二章机械能和内能单元达标训练题(Word版含答案)一、初三物理第十二章机械能和内能易错压轴题提优(难)1.小明家买了一台太阳能热水器,他发现真空管是太阳能热水器的核心部件,那热水器内水吸收热量的多少与什么因素有关呢?他把问题告诉物理小组的成员,大家一起做出了如下猜想:猜想一:热水器内水吸收的热量多少与环境温度有关;猜想二:热水器内水吸收的热量多少与光照强度有关;猜想三:热水器内水吸收的热量多少与真空管的材料有关。
(1)经查阅资料发现,真空管在内玻璃管的表面上涂有吸收涂层,用来吸收太阳辐射,其中太阳能属于________(选填“可再生”或“不可再生”)能源。
经阳光照射,太阳能转化成内能,水从涂层吸收热量,水温升高,质量________,密度________(后两空均选填“变大”“变小”或“不变”),热水向上运动。
(2)实验小组在两根完全相同的真空管内装入初温、质量________的水,分别面对太阳光放入光照强度相同但温度不同的环境中,经过相同时间后测量水温,发现水温几乎相等。
由此得出猜想一是______(选填正确或错误)的。
(3)小组成员联系实际,想到夏天如果没有阳光,热水器的水温就较低,而冬天如果有太阳,热水器内水温就很热,于是他们得出结论:热水器内水吸收热量的多少与光照强度________(选填“无关”或“有关”)。
(4)在探究猜想三的实验中,该小组找到了三根外形相同但材料不同的真空管,给管内灌满水,面对阳光,每隔相同的时间检测罐内水的温度,得到的实验数据如下表所示,为了更好地利用太阳能,你建议他家应选择________制成的热水器。
【答案】可再生不变变小相同错误有关紫金管【解析】【分析】【详解】(1)[1]再生能源是不需人为参与,可以循环再生的能源,如太阳能、水能、风能、潮汐能、地热能等。
[2][3]水从涂层吸收热量,水温升高,水的多少没有变化,所以睡得质量不变,但由于水吸收热量,水的体积会增大,所以水的密度会变小。
物理九年级上册第十二章机械能和内能单元综合测试(Word版含答案)一、初三物理第十二章机械能和内能易错压轴题提优(难)1.(提出问题)水和空气哪种物质的导热性能好?(猜想与假设)小明进行了如下猜想:猜想一:水的导热性能好;猜想二:空气的导热性能好(设计与进行实验)小明用两个相同的牛奶瓶,都装入热牛奶,一个放在温度与室温相同的水中,另一个放在空气中,为了尽量减少其他因素的影响,他把两个瓶都用木块垫起来,放在同一个桌面上,如上图所示,实验时他每隔一定的时间记录一次甲、乙两温度计的示数,得到的数据如下表:(实验结论)(1)分析表中数据,可得出结论:_____(评估与交流)(2)对甲、乙两个瓶中的牛奶,除了要控制它们的初温相同外,还要控制它们的_____相同(3)热牛奶放在水中温度下降是通过_____方式来_____(选填“增加”或“减少”)内能(4)进一步分析表中甲的示数,小明又发现,在冷却过程中,牛奶冷却的快慢前后并不一致,是越来越___的(实验拓展)(5)如果有一天,你要喝一杯奶茶,下列两种冷却方法中,效果较好的是_____A.将滚烫的热茶冷却5分钟,然后加适量冷牛奶B.先将适量的冷牛奶加进滚烫的热茶中,然后冷却5min(6)物理学中我们用速度来表示物体运动的快慢,若小明用“冷却速度”来表示物体冷却快慢,则“冷却速度”可定义为:质量为1千克的物体,_____叫做冷却速度【答案】在水中冷却比在空气中冷却效果要好质量热传递减少慢A单位时间内降低的温度【解析】【详解】(1)分析可知,在相同时间内水中冷却速度更快,所以在水中比空气中冷却效果更好;(2)在研究空气和水的导热性时,应该保证其它条件相同,除了水的初温外还要保证水的质量相等;(3)由于水与牛奶瓶有温度差,所以要发生热传递,即牛奶温度下降是由于热量传递减少其内能;(4)这是由于随着牛奶温度下降,周围水的温度在升高,使牛奶冷却的速度变慢,因此牛奶冷却的快慢还会受到温度的影响.所以当实验时间较长时,相同时间内牛奶降温的速度逐渐变慢,就是指冷却速率变慢.(5)根据(4)中的结论,物体冷却随时间推移是先快后慢,本质原因是温差逐渐缩小,奶茶热的时候温度下降得快,开始快后来越来越慢,开始先让它保持较高的温度,可以在五分钟内放出更多的热量,然后加入冷牛奶,利用热传递使其再次降温。
九年级物理上册第十二章机械能和内能单元达标训练题(Word版含答案)一、初三物理第十二章机械能和内能易错压轴题提优(难)1.如图所示,甲、乙、丙图中装置完全相同,燃料的质量都是10g,烧杯内的液体初温相同。
(1)比较不同燃料的热值,应选择____两图进行实验;比较不同物质的比热容,应选择____两图进行实验;在实验中,三个烧杯中a、b液体的质量必须___(填“相等”或“不相等”);(2)在研究不同燃料热值实验时,记录数据如下表:燃料加热前液体温度/℃燃料燃尽时液体温度/℃燃料的热值/(J/kg)12040 2.4×10622030根据表中数据计算:完全燃烧20g燃料1放出的热量为_____J,燃料2的热值是____J/kg;(3)比较不同物质的比热容实验时,记录数据如下表:加热时间/min0123456液体a25262728293031液体b25272932343638可知道:对液体a和液体b都加热6min,液体a吸收热量________(选填“大于”或“小于”或“等于”),比热容较大的是__________。
【答案】甲乙甲丙相等 4.8×104 1.2×106等于液体a【解析】【分析】【详解】(1)[1]比较不同燃料的热值,应用不同的燃料给相同的液体加热,所以应选择甲乙两图进行实验。
[2]比较不同物质的比热容,应用相同的燃料给不同的液体加热,所以应选择甲丙两图进行实验。
[3]在实验中用上控制变量法进行探究,所以要探究不同燃料的热值,除了燃料种类不同,其它物理量要控制相同,即液体的种类及其质量、初温要相同;同理要探究不同物质的比热容时,除了液体种类不同,其它物理量要相同,即热源、燃料的质量要相同。
(2)[4]由表格数据知,完全燃烧20g燃料1放出的热量Q放=m1q1=0.02kg×2.4×106J/kg=4.8×104J[5]完全燃烧10g燃料1放出的热量4414.8101J2J122.410Q Q===⨯⨯⨯放放而甲图中,液体a吸收的热量等于燃料燃烧放出的热量,设液体的质量为m,据Q吸=cm(t-t0)得,液体a的比热容()34110J22.4 1.210J()(0)40QQcm t t m t t m m⨯====--⋅⨯-吸放℃℃乙图中,燃料燃烧放出的热量Q放2 =Q吸2=cm(t'-t0')=341.210J(3020) 1.210Jmm⋅-=⨯⨯⋅℃℃则燃料2的热值4621.210J1.210J/kg0.01kgQqm⨯===⨯放2燃料(3)[6][7]在甲和丙中,用相同的热源给液体加热,在相同的时间内放出的热量相同,则a、b液体吸收的热量相同。
物理九年级上册 第十二章 机械能和内能单元综合测试(Word 版 含答案)一、初三物理第十二章 机械能和内能 易错压轴题提优(难)1.小明利用图甲装置研究某燃料热值。
他取少量燃料置于燃烧皿中,测出总质量为 30g ,点燃后对100g 的热水加热4min 立即熄灭燃料,再测得燃料和燃烧皿总质量如图乙所示,并根据实验数据绘制的水温随时间变化的图像如图丙中a 线所示。
(1)实验的第2-4min 的过程中,水______(选填“吸”或“不吸”热);(2)已知此过程中燃料均匀燃烧放热,所放热量仅60%能被水吸收,4min 内水吸收的热量为______J ,则该燃料的热值为 ______J/kg ;(整个过程中忽略水的质量变化) (3)若实验装置和热损失比例均不变,利用该燃料加热另一杯水,绘出了如图所示丙中b 线,则这杯水的质量______(选填“大于”、“等于”、或“小于”)上一杯水质量。
【答案】吸 5.04⨯104J 2.1⨯106J/kg 相等 【解析】 【分析】 【详解】(1)[1]由图象知,水沸腾时温度保持99℃,说明水的沸点为99℃,水沸腾的特点是:不断吸热,但温度不变;此时水面上方的气压小于一标准大气压;在第2∼4min 的过程中,水的温度不变,但内能增大。
(2)[2]水4min 吸收的热量为2min 吸收热量的2倍,水4min 吸收热量())()0433=2=2-2 4.210J kg 10010J k 9 5.90g 93410Q Q cm t t -'=⨯⨯⋅⨯⨯⨯⨯-=吸吸℃℃℃ [3]由图乙可知燃料质量30g 25.8g 4.2g m =-=由=Q Q η吸放可得燃料放出热量 Q Q η=吸放而Q mq =放,故有=Q mq η吸该燃料的热值64-3===2.110J kg4.21.0kg60%50410JQqmη⨯⨯⨯⨯吸(3)[4]由图丙可知,相同时间,两杯水吸收的热量相同,温度变化相同,根据Q=cm△t可知质量的大小相等。
九年级物理上册第十二章机械能和内能达标检测卷(Word版含解析)一、初三物理第十二章机械能和内能易错压轴题提优(难)1.如图所示,甲、乙、丙图中装置完全相同,燃料的质量都是10g,烧杯内的液体初温相同。
(1)比较不同燃料的热值,应选择____两图进行实验;比较不同物质的比热容,应选择____两图进行实验;在实验中,三个烧杯中a、b液体的质量必须___(填“相等”或“不相等”);(2)在研究不同燃料热值实验时,记录数据如下表:燃料加热前液体温度/℃燃料燃尽时液体温度/℃燃料的热值/(J/kg)12040 2.4×10622030根据表中数据计算:完全燃烧20g燃料1放出的热量为_____J,燃料2的热值是____J/kg;(3)比较不同物质的比热容实验时,记录数据如下表:加热时间/min0123456液体a25262728293031液体b25272932343638可知道:对液体a和液体b都加热6min,液体a吸收热量________(选填“大于”或“小于”或“等于”),比热容较大的是__________。
【答案】甲乙甲丙相等 4.8×104 1.2×106等于液体a【解析】【分析】【详解】(1)[1]比较不同燃料的热值,应用不同的燃料给相同的液体加热,所以应选择甲乙两图进行实验。
[2]比较不同物质的比热容,应用相同的燃料给不同的液体加热,所以应选择甲丙两图进行实验。
[3]在实验中用上控制变量法进行探究,所以要探究不同燃料的热值,除了燃料种类不同,其它物理量要控制相同,即液体的种类及其质量、初温要相同;同理要探究不同物质的比热容时,除了液体种类不同,其它物理量要相同,即热源、燃料的质量要相同。
(2)[4]由表格数据知,完全燃烧20g燃料1放出的热量Q放=m1q1=0.02kg×2.4×106J/kg=4.8×104J[5]完全燃烧10g燃料1放出的热量4414.8101J2J122.410Q Q===⨯⨯⨯放放而甲图中,液体a吸收的热量等于燃料燃烧放出的热量,设液体的质量为m,据Q吸=cm(t-t0)得,液体a的比热容()34110J22.4 1.210J()(0)40QQcm t t m t t m m⨯====--⋅⨯-吸放℃℃乙图中,燃料燃烧放出的热量Q放2 =Q吸2=cm(t'-t0')=341.210J(3020) 1.210Jmm⋅-=⨯⨯⋅℃℃则燃料2的热值4621.210J1.210J/kg0.01kgQqm⨯===⨯放2燃料(3)[6][7]在甲和丙中,用相同的热源给液体加热,在相同的时间内放出的热量相同,则a、b液体吸收的热量相同。
物理九年级上册 第十二章 机械能和内能单元达标训练题(Word 版 含答案)一、初三物理第十二章 机械能和内能 易错压轴题提优(难)1.在做“观察水的沸腾”实验时,甲、乙、丙三个实验小组的同学用相同规格、酒精灯火焰大小一样的实验器材,如图A 装置进行实验。
(1)图B 中,温度计的示数为________℃;(2)三组同学都根据自己的实验数据描绘了图象(如图C ),不计能量损耗,则三烧杯中的水的质量:m a ______m b ;m b ______m c 。
由图象还可以判断水面上方的气压________一个标准大气压(以上三空均选填“>”“=”或“<”);(3)水的比热容为4.2×103 J/(kg ·℃),质量为200 g 的水从30 ℃加热到80 ℃,水吸收的热量是________J 。
【答案】47 < > < 42000【解析】【分析】【详解】(1)[1]在温度计上,10℃之间有10个小格,一个小格代表1℃,所以此温度计的分度值为1℃;“50”在“40”以上,说明温度高于0℃,为47℃。
(2)[2][3][4]由图2可以看出,a 、b 、c 的沸点相同,其中a 、b 初温相同,加热到沸腾所用的时间不同,则两条图线描绘的是“初温相同质量不同的水”的加热情况;初温相同,b 的加热时间比a 的长,故b 的质量大与a 的质量;a 、c 的温度随时间变化的图象是平行的,在相同时间内升高的温度相同,故a 的质量等于c 的质量,所以可得a cb m m m =<由图象还可以得出,此时水的沸点是98℃,由液体的沸点跟气压的关系可知,此时水面上方的气压小于一个标准大气压。
(3)[5]水吸收的热量为()34.210J/(kg C)0.2kg 80C-30C =42000J Q c m t =∆=⨯⋅︒⨯⨯︒︒2.探究不同物质的吸热能力(1)如图所示,在探究“不同物质的吸热能力”实验中,小雨同学在两只烧杯中装入______相同的食用油和水,用相同的酒精灯给它们加热,目的是使食用油和水在相同时间内______,从而通过______来反映吸收热量的多少;(2)小雨同学进行实验时,每隔一分钟记录食用油和水的温度,记录的实验数据如下表:升高的温度∆t/°C510152025食用油的加热时间t/min12345水的加热时间t/min246810根据实验数据可以发现______相同的不同物质,升高相同的温度,吸收的热量是______的。
九年级上册物理第十二章机械能和内能达标检测(Word版含解析)一、初三物理第十二章机械能和内能易错压轴题提优(难)1.为了探究物体动能大小与哪些因素有关,同学们设计了如图甲、乙所示的实验装置来进行实验.(1)图甲是让不同质量的小球沿同一光滑斜面从B处由静止自由释放,然后分别撞击放在同一水平面上的同一木块,木块在水平面运动一段距离后静止时的情景.该方案是为了探究动能大小与_________关系,若木块被撞后移动的距离越远,说明小球对木块的推力______越多,小球撞击木块时的动能________.(2)图乙是让质量相同的小球沿同一光滑斜面分别从A、B处由静止自由释放,然后分别撞击到放在同一水平面上的同一木块,木块在水平面运动一段距离后静止时的情景.据此,你能得出的结论是_____.(3)本实验装置的水平面如果绝对光滑,还能得出结论吗? ____,理由是___________.(4)若质量不同的小球分别从斜面的不同高度静止自由释放推动同位置的木块,则_______(选填“能”或“不能”)根据木块被推动的距离来判断小球初始重力势能的大小.【答案】质量做功越大当质量相同时,物体的速度越大动能越大不能小球与木块会做匀速直线运动能【解析】【分析】【详解】(1)[1][2][3]图甲两个小球质量不一样,下落时高度一样,到达斜面底部时速度一样.该方案是为了探究动能大小与质量的关系;若木块被撞后移动的距离越远,说明小球对木块的推力做功越多,小球撞击木块时的动能越大;(2)[4]图乙的情景能得到的结论是,质量相同时,物体的运动速度越大,动能越大;(3)[5][6]本实验装置的水平面如果绝对光滑,那么木块就会一直运动下去,不能比较谁的动能大,不能得出结论;(4)[7]木块被推动的距离越远,证明小球的动能越大,斜面光滑,没有能量损失,那么动能大小等于重力势能,重力势能也大,故能判断小球初始重力势能的大小.2.小明利用图甲装置研究某燃料热值。
九年级上册物理第十二章机械能和内能单元综合测试(Word版含答案)一、初三物理第十二章机械能和内能易错压轴题提优(难)1.某兴趣小组将一张硬卡片对折,在开口的一边剪两个小豁口A和B,然后套上橡皮筋,做成了一个会跳的卡片(如图所示)。
为了探究卡片跳起的高度与哪些因素有关,该兴趣小组提出了以下猜想:A.与卡片的质量有关B.与橡皮筋的形变量有关C.与橡皮筋的条数有关为了验证猜想,小组选用几根相同的橡皮筋和几张相同的卡片进行实验。
(1)小明将图中的卡片反过来,把它放在桌面上用手向下压,使橡皮筋伸长,迅速松开手,观察到的现象是________,这个现象说明:发生弹性形变的橡皮筋能对卡片________,因此它具有________能。
(2)为了探究卡片跳起高度与质量是否有关,应选择质量不同的卡片,控制其他实验条件相同,操作中将卡片反过来,每次把它在桌面上用手压平的目的是____________________________,实验中若观察到不同质量的卡片跳起的高度不同,则说明跳起高度与质量________(选填有关或无关)。
(3)探究卡片跳起高度与橡皮筋形变量是否有关,请你为该小组提供使橡皮筋的形变量不同的两种方法:①____________;②____________。
【答案】卡片跳起做功弹性势使每次橡皮筋的形变量相同有关分别压两个卡片时将一个卡片压平,另一个不压平使小豁口A、B的间距不相同【解析】【分析】【详解】(1)[1]橡皮筋伸长说明橡皮筋发生了弹性形变,发生弹性形变的物体想要恢复原状,就会对使它发生形变的物体施加力的作用,所以橡皮筋对硬卡片施加力,使它弹起。
[2]橡皮筋对卡片施加力,卡片弹起即在力的方向上运动了,所以橡皮筋对卡片做功。
[3]做功会引起能量的转化,橡皮筋的弹性势能转化为卡片的动能,因此橡皮筋具有弹性势能。
(2)[4]探究跳起的高度与质量是否有关,应选择质量不同的卡片,控制其它的实验条件相同,操作中将卡片反过来,根据控制变量法,每次把它在桌面上用手压平的目的是控制橡皮筋的形变量相同。
物理九年级上册 第十二章 机械能和内能单元试卷(word 版含答案)一、初三物理第十二章 机械能和内能 易错压轴题提优(难)1.小明利用图甲装置研究某燃料热值。
他取少量燃料置于燃烧皿中,测出总质量为 30g ,点燃后对100g 的热水加热4min 立即熄灭燃料,再测得燃料和燃烧皿总质量如图乙所示,并根据实验数据绘制的水温随时间变化的图像如图丙中a 线所示。
(1)实验的第2-4min 的过程中,水______(选填“吸”或“不吸”热);(2)已知此过程中燃料均匀燃烧放热,所放热量仅60%能被水吸收,4min 内水吸收的热量为______J ,则该燃料的热值为 ______J/kg ;(整个过程中忽略水的质量变化)(3)若实验装置和热损失比例均不变,利用该燃料加热另一杯水,绘出了如图所示丙中b 线,则这杯水的质量______(选填“大于”、“等于”、或“小于”)上一杯水质量。
【答案】吸 5.04⨯104J 2.1⨯106J/kg 相等【解析】 【分析】【详解】(1)[1]由图象知,水沸腾时温度保持99℃,说明水的沸点为99℃,水沸腾的特点是:不断吸热,但温度不变;此时水面上方的气压小于一标准大气压;在第2∼4min 的过程中,水的温度不变,但内能增大。
(2)[2]水4min 吸收的热量为2min 吸收热量的2倍,水4min 吸收热量())()0433=2=2-2 4.210J kg 10010J k 9 5.90g 93410Q Q cm t t -'=⨯⨯⋅⨯⨯⨯⨯-=吸吸℃℃℃ [3]由图乙可知燃料质量30g 25.8g 4.2g m =-=由=Q Q η吸放可得燃料放出热量 Q Q η=吸放而Q mq =放,故有=Q mq η吸该燃料的热值64-3===2.110J kg 4.21.0kg 60%50410J Q q m η⨯⨯⨯⨯吸 (3)[4]由图丙可知,相同时间,两杯水吸收的热量相同,温度变化相同,根据Q=cm △t 可知质量的大小相等。
九年级上册物理第十二章机械能和内能达标检测卷(Word版含解析)一、初三物理第十二章机械能和内能易错压轴题提优(难)1.(提出问题)水和空气哪种物质的导热性能好?(猜想与假设)小明进行了如下猜想:猜想一:水的导热性能好;猜想二:空气的导热性能好(设计与进行实验)小明用两个相同的牛奶瓶,都装入热牛奶,一个放在温度与室温相同的水中,另一个放在空气中,为了尽量减少其他因素的影响,他把两个瓶都用木块垫起来,放在同一个桌面上,如上图所示,实验时他每隔一定的时间记录一次甲、乙两温度计的示数,得到的数据如下表:(实验结论)(1)分析表中数据,可得出结论:_____(评估与交流)(2)对甲、乙两个瓶中的牛奶,除了要控制它们的初温相同外,还要控制它们的_____相同(3)热牛奶放在水中温度下降是通过_____方式来_____(选填“增加”或“减少”)内能(4)进一步分析表中甲的示数,小明又发现,在冷却过程中,牛奶冷却的快慢前后并不一致,是越来越___的(实验拓展)(5)如果有一天,你要喝一杯奶茶,下列两种冷却方法中,效果较好的是_____A.将滚烫的热茶冷却5分钟,然后加适量冷牛奶B.先将适量的冷牛奶加进滚烫的热茶中,然后冷却5min(6)物理学中我们用速度来表示物体运动的快慢,若小明用“冷却速度”来表示物体冷却快慢,则“冷却速度”可定义为:质量为1千克的物体,_____叫做冷却速度【答案】在水中冷却比在空气中冷却效果要好质量热传递减少慢A单位时间内降低的温度【解析】【详解】(1)分析可知,在相同时间内水中冷却速度更快,所以在水中比空气中冷却效果更好;(2)在研究空气和水的导热性时,应该保证其它条件相同,除了水的初温外还要保证水的质量相等;(3)由于水与牛奶瓶有温度差,所以要发生热传递,即牛奶温度下降是由于热量传递减少其内能;(4)这是由于随着牛奶温度下降,周围水的温度在升高,使牛奶冷却的速度变慢,因此牛奶冷却的快慢还会受到温度的影响.所以当实验时间较长时,相同时间内牛奶降温的速度逐渐变慢,就是指冷却速率变慢.(5)根据(4)中的结论,物体冷却随时间推移是先快后慢,本质原因是温差逐渐缩小,奶茶热的时候温度下降得快,开始快后来越来越慢,开始先让它保持较高的温度,可以在五分钟内放出更多的热量,然后加入冷牛奶,利用热传递使其再次降温。
九年级物理上册第十二章机械能和内能单元练习(Word版含答案)一、初三物理第十二章机械能和内能易错压轴题提优(难)1.某实验小组用图所示的装置粗略测量蜡的热值q,图中A桶内装有水,B为下部开了许多通气孔的罩子(1)要完成本实验,还需要的测量工具是天平、砝码和______;(2)罩子B的主要作用是______;(3)实验收集的数据为:A桶中水的质量为m水,水的初温为t1,末温为t2,蜡烛燃烧前的质量为m1,燃烧后的质量为m2。
则蜡的热值q=______(水的比热容为c水);(4)实验测出的热值会比真实值偏小,造成这一偏差的原因可能是______(至少有一个选项正确,将正确选项的字母填在横线上)。
A.蜡烛没有完全燃烧B.桶A中水的质量太多C.桶A吸收了部分热量D.蜡烛燃烧放出的热量一部分散失到空气中【答案】温度计防止热散失2112()c m t tm m--水水 ACD【解析】【分析】【详解】(1)[1]测量蜡的热值时,根据Qqm=放的原理进行实验,而蜡的质量用天平进行测量,燃烧焟放出的热量Q放在忽略热散失的情况下,等于A桶中内水吸收的热量,而Q吸=c水m(t-t0),所以还需要温度计来测量温度。
(2)[2]罩子B的作用是防止蜡燃烧放出的热量散失到空气中。
(3)[3]由题意知,水吸收的热量Q吸=c水m水(t2-t1)而Q吸=Q放,那么蜡的热值211212()c m t tQqm m m m-==--水水放(4)[4]据Qqm=放,实验中造成测量的热值比实际值偏小的原因有:蜡烛没有完全燃烧,造成放出的热量偏少,则热值偏小;桶A中吸收了部分热量造成水吸收的热量比实际放出的热量少,则热值偏小;蜡烛燃烧放出的热量一部分散失到空气中,造成测量的热量偏少,则热值偏小。
故ACD选项都有可能。
2.某同学学习了燃料的热值后,自己设计了一个实验来探究煤油和菜籽油的热值大小关系。
他实验时组装了如图8所示的两套规格完全相同的装置,并每隔1分钟记录一次杯中水的温度(见下表)。
九年级上册物理第十二章机械能和内能单元练习(Word版含答案)一、初三物理第十二章机械能和内能易错压轴题提优(难)1.小明用三根材料和厚度相同但长宽不同的橡皮条、一个弹珠,探究“影响橡皮条弹性势能的因素”。
他依次将橡皮条固定在弹弓上,如图所示,在弹性限度范围内,拉伸相同的伸长量,将弹珠在同一位置沿水平方向弹射出去,测得弹射的水平距离,数据如下表:次数橡皮条橡皮条宽(cm)橡皮条长(cm)弹射的水平距离/m1a0.52010.12b0.5308.23c 1.02014.0请回答以下问题:(1)实验中是通过比较________________来间接反映橡皮条的弹性势能大小,下列实验中采取的方法与这一方法不同的是________(填字母)。
A.在研究影响电热大小的因素时,我们可以将电热的多少转换成液柱上升的高度B.判断电路中是否有电流时,我们可通过电路中的灯泡是否发光去确定C.研究电流时,将它比作水流(2)比较第1、2次实验可知,拉伸相同的伸长量,橡皮条的弹性势能与橡皮条的________有关;比较第1、3次实验可知,拉伸相同的伸长量,橡皮条的弹性势能还与橡皮条的________有关;你猜想影响橡皮条弹性势能的因素可能还有______________。
(3)用同种材料同厚度的橡皮条,拉伸相同的伸长量,弹性势能最大的橡皮条是________。
A.窄而长的 B.宽而长的 C.窄而短的 D.宽而短的(4)请你对小明的实验做出评价_________(写出一条即可)。
【答案】弹珠被弹射的水平距离C长度宽度橡皮条的厚度D多做几次实验,使实验结果具有普遍性【解析】【分析】【详解】(1)[1]实验通过弹珠被弹射的水平距离反映橡皮条的弹性势能大小,弹珠弹射的越远,说明皮条的弹性势能转化为弹珠的动能越多,说明皮条具有的弹性势能越多。
[2]AB.电热的多少转化为液柱上升的高度,是否有电流转化为灯泡是否发光,应用的转化法与实验中的方法相同,故AB不符合题意;C.研究电流时,将它比作水流,是类比法,与实验中的方法不同,故C符合题意。
苏科版版九年级物理上册第十二章机械能和内能单元达标训练题(Word版含答案)一、初三物理第十二章机械能和内能易错压轴题提优(难)1.李华同学发现建筑工人在铺设水泥路时,有时要在水泥里面掺入少量纤维材料.他想通过实验来探究在水泥中掺入纤维材料是否会影响水泥路面的牢固程度.关于水泥路面的牢固程度与哪些因素有关,和同学们讨论后,他们提出了以下猜想:猜想1:与是否掺入纤维有关;猜想2:与纤维掺入量有关;猜想3:与纤维材料的种类有关。
经过思考后,他们利用图中装置,将铁锤通过电磁铁从某一高度处由静止释放,对水泥样品进行连续撞击,直至水泥样品断裂,收集的数据记录在下表中。
(1)铁锤撞击水泥样品时的动能是由________转化来的。
实验时通过__________________来比较水泥样品的牢固程度。
(2)比较实验序号1、2的两组数据,可得出的结论是:水泥路面的牢固程度与是否掺入纤维________(选填“有关”或“无关”)。
(3)比较序号2、3、4三组数据,可得出的结论是:在水泥中掺入适量纤维时,掺入纤维材料越多,水泥路面越________(选填“牢固”或“不牢固”)。
(4)比较序号2、5、6的三组数据,________(选填能或不能)比较得出:在水泥中掺入等量不同纤维材料,掺入C纤维材料水泥路面最牢固,你判断的理由是______(5)为缩短上述样品的实验时间,需减少碰撞次数,可采用的方法是_____【答案】重力势能水泥样品断裂时所承受的撞击次数有关牢固能在水泥中掺入C 纤维材料,水泥样品断裂时所承受的撞击次数最多,说明该水泥路面最牢固增加铁锤下落时的高度或增加铁锤质量【解析】【分析】【详解】(1)[1]铁锤下落过程中,重力势能转化为动能,所以铁锤撞击水泥样品时的动能由重力势能转化而来。
[2]实验通过水泥样品断裂时所承受的撞击次数反映水泥样品的牢固程度。
断裂时承受的撞击次数越多水泥样品越牢固。
(2)[3]比较实验序号1、2的两组数据,水泥样品厚度、水泥样品面积、铁锤高度相同,但第一次实验不参入纤维,第二次实验参入纤维,第二次承受的撞击次数多,可知水泥路面的牢固程度与是否掺入纤维有关。
第十二章 机械能和内能同步单元检测(Word 版 含答案)一、初三物理第十二章 机械能和内能 易错压轴题提优(难)1.小明利用图甲装置研究某燃料热值。
他取少量燃料置于燃烧皿中,测出总质量为 30g ,点燃后对100g 的热水加热4min 立即熄灭燃料,再测得燃料和燃烧皿总质量如图乙所示,并根据实验数据绘制的水温随时间变化的图像如图丙中a 线所示。
(1)实验的第2-4min 的过程中,水______(选填“吸”或“不吸”热);(2)已知此过程中燃料均匀燃烧放热,所放热量仅60%能被水吸收,4min 内水吸收的热量为______J ,则该燃料的热值为 ______J/kg ;(整个过程中忽略水的质量变化) (3)若实验装置和热损失比例均不变,利用该燃料加热另一杯水,绘出了如图所示丙中b 线,则这杯水的质量______(选填“大于”、“等于”、或“小于”)上一杯水质量。
【答案】吸 5.04⨯104J 2.1⨯106J/kg 相等 【解析】 【分析】 【详解】(1)[1]由图象知,水沸腾时温度保持99℃,说明水的沸点为99℃,水沸腾的特点是:不断吸热,但温度不变;此时水面上方的气压小于一标准大气压;在第2∼4min 的过程中,水的温度不变,但内能增大。
(2)[2]水4min 吸收的热量为2min 吸收热量的2倍,水4min 吸收热量())()0433=2=2-2 4.210J kg 10010J k 9 5.90g 93410Q Q cm t t -'=⨯⨯⋅⨯⨯⨯⨯-=吸吸℃℃℃ [3]由图乙可知燃料质量30g 25.8g 4.2g m =-=由=Q Q η吸放可得燃料放出热量 Q Q η=吸放而Q mq =放,故有=Q mq η吸该燃料的热值64-3===2.110J kg 4.21.0kg 60%50410J Q q m η⨯⨯⨯⨯吸 (3)[4]由图丙可知,相同时间,两杯水吸收的热量相同,温度变化相同,根据Q=cm △t 可知质量的大小相等。
第十二章机械能和内能单元达标训练题(Word版含答案)一、初三物理第十二章机械能和内能易错压轴题提优(难)1.某同学学习了燃料的热值后,自己设计了一个实验来探究煤油和菜籽油的热值大小关系。
他实验时组装了如图8所示的两套规格完全相同的装置,并每隔1分钟记录一次杯中水的温度(见下表)。
加热的时0123456间/min甲杯水温25272932343638 /℃乙杯水温25262728293031 /℃(1)在安装、调整实验器材时,科学合理的顺序是(甲图中):先调整固定______的位置,再调整固定______的位置(均选填“A”或“B”)。
(2)为保证实验结论的可靠,实验时应控制两套装置中相同的量有加热时间和水的______;(3)通过表中记录的数据,你认为煤油和菜籽油两种燃料中,热值较大的是______;(4)该同学实验前用天平测出了烧杯中水的质量及两油灯中燃料的质量并记录了数据,利用=∆计算出了水吸收的热量,他认为通过这些数据能准确地计算出煤油和菜公式Q c m t籽油的热值。
你认为他的计算结果可靠吗?______,为什么?________。
【答案】B A质量、初温煤油不可靠燃料燃烧的热量有损失(或煤油菜籽油不能完全燃烧)【解析】【分析】【详解】(1)[1][2]在安装、调整实验器材时,需要先根据酒精灯外焰调整B的高度,再根据温度计调整A的高度,所以要先固定B的位置,再调整固定A的位置。
(2)[3]为保证实验结论的可靠,实验时应控制两套装置中相同的量有:加热时间和水的质量、水的初温。
(3)[4]通过表中记录的数据可知,加热时间相同,甲杯水温上升快,故甲杯水吸收的热量多,由Q qm =放知,相同时间内煤油燃烧放出的热量多,所以煤油和菜籽油两种燃料中,热值较大的是煤油。
(4)[5][6]不可靠。
煤油、菜籽油不可能完全燃烧,且伴有热量损失,故结果不准确。
2.小明利用图甲装置研究某燃料热值。
他取少量燃料置于燃烧皿中,测出总质量为 30g ,点燃后对100g 的热水加热4min 立即熄灭燃料,再测得燃料和燃烧皿总质量如图乙所示,并根据实验数据绘制的水温随时间变化的图像如图丙中a 线所示。
(1)实验的第2-4min 的过程中,水______(选填“吸”或“不吸”热);(2)已知此过程中燃料均匀燃烧放热,所放热量仅60%能被水吸收,4min 内水吸收的热量为______J ,则该燃料的热值为 ______J/kg ;(整个过程中忽略水的质量变化)(3)若实验装置和热损失比例均不变,利用该燃料加热另一杯水,绘出了如图所示丙中b 线,则这杯水的质量______(选填“大于”、“等于”、或“小于”)上一杯水质量。
【答案】吸 5.04⨯104J 2.1⨯106J/kg 相等【解析】【分析】【详解】(1)[1]由图象知,水沸腾时温度保持99℃,说明水的沸点为99℃,水沸腾的特点是:不断吸热,但温度不变;此时水面上方的气压小于一标准大气压;在第2∼4min 的过程中,水的温度不变,但内能增大。
(2)[2]水4min 吸收的热量为2min 吸收热量的2倍,水4min 吸收热量())()0433=2=2-2 4.210J kg 10010J k 9 5.90g 93410Q Q cm t t -'=⨯⨯⋅⨯⨯⨯⨯-=吸吸℃℃℃ [3]由图乙可知燃料质量30g 25.8g 4.2g m =-=由=Q Q η吸放可得燃料放出热量 Q Q η=吸放而Q mq =放,故有=Q mq η吸该燃料的热值 64-3===2.110J kg 4.21.0kg 60%50410J Q q m η⨯⨯⨯⨯吸 (3)[4]由图丙可知,相同时间,两杯水吸收的热量相同,温度变化相同,根据Q=cm △t 可知质量的大小相等。
3.用如图甲所示装置进行实验,比较A 、B 两种不同物质的吸热能力。
在两个相同的烧瓶中分别装入初温、质量相同的A 、B 两种液体,分别接入甲、乙两段电阻丝,实验中记录下A 、B 两种液体的温度。
(1)要完成该实验探究,除了图甲中所示的器材外,还需要的测量工具有天平和______。
(2)为保证A 、B 两物质能吸收相同的热量,对甲、乙两段电阻丝的阻值要求R 甲______R 乙(选填“>”、“=”或“<”)。
(3)小明根据实验测得的数据分别描绘出了A 、B 两种液体的温度随加热时间变化的图象,如图乙所示。
若加热过程中无热量损失,由乙图分析可知______(选填“A ”或“B ”)液体的吸热能力强。
(4)若A 的比热容为34.210J/(kg C)o ⨯⋅,则B 的比热容为______J/(kg C)o ⋅。
【答案】秒表 = A 32.110⨯【解析】【分析】(1)实验中需要测量通电的时间;(2)电流产生的热量与电流的大小、通电时间和电阻的大小有关;(3)比较物质吸热能力的2种方法:①使相同质量的不同物质升高相同的温度,比较吸收的热量(即比较加热时间),吸收热量多的吸热能力强;②使相同质量的不同物质吸收相同的热量(即加热相同的时间),比较温度的变化,温度变化小的吸热能力强; (4)根据两种液体的温度随加热时间变化的图象得出加热5分钟A 、B 升高的温度,根据Q c m t=△,在质量和吸热相同的情况下升高的温度与比热容成反比,从而求出B 的比热容。
【详解】 (1)[1]实验中需要测量导体通电的时间,所以需要用到秒表。
(2)[2]为保证A 、B 两物质能吸收相同的热量,根据控制变量法可知,实验中甲、乙两段电阻丝的阻值要相同。
(3)[3]根据描绘出A 、B 两种液体的温度随加热时间变化的图象知,加热相同时间,A 液体升温小,根据比较吸热能力的第2种方法,A 的吸热能力强;(4)[4]根据描绘出的A 、B 两种液体的温度随加热时间变化的图象知,加热5分钟(吸热相同),B 液体升高的温度为B 50C 10C 40C t ︒︒︒∆=-=A 液体升高的温度为A 30C 10C 20C t ︒︒︒∆=-=根据Q c m t=△可知,在质量和吸热相同的情况下,升高的温度与比热容成反比,故B 的比热容 ()()33A B A B 20J 4.210 2.11040kg J kg t c c t =⨯=⨯⨯=⨯⋅⋅℃℃℃℃ 4.回顾实验和探究:比热容概念的建构器材 烧杯、______相等的水和煤油、两个规格相同的电加热器、温度计、______。
装置 过程 两只烧杯中盛有______相同的水和煤油,用电加热器加热2分钟,我们发现______温度升高的高,若升高相同的温度,______加热时间长,______吸收的热量多。
结论一定质量的某种物质,温度升高时吸收的热量与______之比,叫做这种物质的比热容,在数值上等于______质量的某种物质温度升高______所吸收的热量。
方法 实验中用______来反映物质吸收的热量,这种研究方法是______。
讨论电加热器工作时,将______能转化为内能;水吸收热量,温度升高,内能发生了______。
【答案】质量秒表质量煤油水水质量和升高温度之积单位 1℃加热时间转换法电转移【解析】【分析】【详解】[1][2]所用到的器材除烧杯、质量相等的水和煤油、两个规格相同的电加热器温度计以外,还要记录测量时间用的秒表。
[3][4][5][6]两个烧杯中盛有质量相同的水和油,用电加热器加热两分钟,会发现煤油温度升高的高,如果升高相同的温度,水加热的时间长,那么可以得知水吸收的热量最多。
[7][8][9]一定质量的物质,温度升高时吸收的热量与质量和升高温度乘积之比叫做比热容,在数值上等于单位质量的某种物质温度升高1℃所吸收的热量。
[10][11]实验中用加热时间来反应物质吸收的热量,这种研究方法是转换法。
[12][13]电加热器工作时消耗了电能,将电能转化为内能,水吸收热量,温度升高,内能发生了转移。
5.在“探究物质的吸热能力”的实验中,实验装置如图所示:(1)实验过程中温度计的玻璃泡不要碰到烧杯底部、侧壁和______;(2)实验中必须要选取初温相同且______(选填“质量”或“体积”)相等的甲、乙两种液体;选用规格相同的电加热器分别给甲和乙两种液体加热,这样做的目的是在相同时间内甲和乙两种液体______相同;(3)根据实验测得的数据分别描绘出了甲和乙两种液体的温度随加热时间变化的图象,如图丙所示,则______的吸热能力更强;(4)若甲液体的比热容为2.1×103J/(kg•°C),则乙液体的比热容为______J/(kg•°C)。
【答案】电加热丝质量吸收的热量乙 4.2×103【解析】【分析】【详解】(1)[1]实验过程中温度计的玻璃泡不要碰到烧杯底部、侧壁和电加热丝。
(2)[2]根据比较不同物质吸热能力的两种方法,要控制不同物质的质量相同,故实验中必须要选取初温相同且质量相等的甲、乙两种液体。
[3]选用规格相同的电加热器分别给甲和乙两种液体加热,根据转换法,这样做的目的是在相同时间内甲和乙两种液体吸收的热量相同。
(3)[4]根据实验测得的数据分别描绘出了甲和乙两种液体的温度随加热时间变化的图像,由图知,加热5分钟,甲升高的温度为60°C −20°C =40°C乙升高的温度为40°C −20°C =20°C即乙升温小,故乙的吸热能力更强。
(4)[5]根据Q c m t=∆在质量和吸热相同的情况下,比热容与升高的温度成反比,结合(3)[4],故乙液体的比热容为()()3340C 2.110J/kg C 4.210J/kg C 20Cc ︒=⨯⨯︒=⨯︒︒ 6.在研究“动能的大小与哪些因素有关”的实验中,小阳用同一实验装置,让从斜面上滚下的小钢球钻入水平面上的硬纸盒,如图甲、乙所示。
请完成以下实验。
(1)通过比较甲、乙两次实验中硬纸盒被推的远近,可得出:质量相同时,物体的________越大,动能越大。
对比甲、乙两次实验还可以得出:质量相同时,物体位置越高,重力势能________。
在甲、乙两次实验中,硬纸盒所受滑动摩擦力________(选填“相同"或“不同”)。
(2)如果做图乙实验时,硬纸盒被撞后滑出木板掉落,为防止因此造成硬纸盒损坏,改进图乙实验再与图甲实验对比。
在不改变木板长度的情况下,应采用以下________方法。
A .换用质量更小的钢球 B .给水平木板铺上毛巾C .适当降低钢球的高度D .换用一个较重的硬纸盒(3)若要採究影响动能大小的另一因素,具体的操作方法是;选择两个不同的钢球,从同一斜面的________(选填“相同”或“不同”)高度由静止滑下。