溢流阀选型手册
- 格式:pdf
- 大小:246.22 KB
- 文档页数:9
阀门选型说明1.1 一般要求本说明用于空调水系统、蒸汽系统、生活给排水系统、热水系统、消防系统相关阀门,所有阀门均需满足施工图纸要求之工作压力,所有阀门需根据设计院设计图纸规格进行选配,此标准只对阀门的型号及材质要求进行说明。
1.2 阀门类型A水系统阀门1.2.1 截止阀管径:DN15~DN50阀门材质:阀体黄铜阀盖黄铜启闭件黄铜1.2.2 球阀阀门材质:DN≤50阀体黄铜阀盖黄铜球体黄铜镀铬/不锈钢阀杆 304不锈钢1.2.3 闸阀管径:DN32~DN50阀门材质:阀体黄铜阀盖黄铜启闭件黄铜密封材料 PTFE手轮灰铁管径:DN65~DN80阀门材质:阀体球墨铸铁阀盖球墨铸铁阀板球墨铸铁阀杆不锈钢1.2.4 蝶阀管径:DN100及以上DN100~DN150采用手柄对夹式蝶阀DN200及以上采用涡轮杠杆式蝶阀,电动阀门需由自控专业配置电动执行机构。
阀门材质:阀体球墨铸铁阀盖球墨铸铁阀板 304不锈钢阀杆 316不锈钢阀座 EPDM1.2.5 止回阀a. 旋启式止回阀管径:DN15~DN50阀门材质:阀体黄铜阀板黄铜阀盖黄铜管径:DN65及以上阀门材质:阀体球墨铸铁阀板球墨铸铁阀盖球墨铸铁b. 球墨铸铁双瓣止回阀管径:DN65及以上阀门材质:阀体球墨铸铁阀板球墨铸铁阀杆不锈钢弹簧 304不锈钢阀座 EPDMc. 消声缓闭止回阀管径:DN50及以下阀门材质:阀体黄铜阀瓣黄铜阀盖黄铜弹簧 304不锈钢管径:DN65及以上阀门材质:阀体球墨铸铁阀瓣不锈钢阀盖球墨铸铁弹簧 304不锈钢1.2.6 Y型过滤器管径:DN15~DN50阀门材质:阀体黄铜阀盖黄铜滤网 304不锈钢垫圈特氟隆管径:DN65及以上阀门材质:阀体球墨铸铁阀盖球墨铸铁过滤网 304不锈钢过滤精度空调采暖热水系统水泵吸入口过滤网精度为20目(孔径0.9mm)制冷/换热设备入口过滤精度为30目(孔径0.6mm)1.2.7 防污隔断阀及阀组防污隔断阀由两级止回系统中间夹一个排水泄压系统组成,排水泄压系统由阀盖、膜片、阀芯、密封垫、排水口、弹簧、空气阻断器组成。
阀门选型手册-阀门选型的步骤和依据阀门选型手册-阀门选型的步骤和依据在流体管道系统中,阀门是控制元件,其主要作用是隔离设备和管道系统、调节流量、防止回流、调节和排泄压力。
由于管道系统选择最适合的阀门显得非常重要,所以,了解阀门的特性及选择阀门的步骤和依据也变得至关重要起来。
阀门行业到目前为止,已能生产种类齐全的闸阀、截止阀、节流阀、旋塞阀、球阀、电动阀、隔膜阀、止回阀、安全阀、减压阀、蒸汽疏水阀和紧急切断阀等12大类、3000多个型号、4000多个规格的阀门产品;最高工作压力为600MPa,最大公称通径达5350mm,最高工作温度为1200℃,最低工作温度为-196℃,适用介质为水、蒸汽、油品、天然气、强腐蚀性介质(如浓硝酸、中浓度硫酸等)、易燃介质(如笨、乙烯等)、有毒介质(如硫化氢)、易爆介质及带放射性介质(金属钠、-回路纯水等)。
阀门承压件材质铸铜、铸铁、球墨铸铁、高硅铸铁、铸钢、锻钢、高、低合金钢、不锈耐酸钢、哈氏合金、因科镍尔、蒙乃尔合金、双相不锈钢、钛合金等。
并且能够生产各种电动、气动、液动阀门驱动装置。
面对如此众多的阀门品种和如此复杂的各种工况,要选择管道系统最适合安装的阀门产品,我以为,首先应了解阀门的特性;其次应掌握选择阀门的步骤和依据;再者应遵循选择阀门的原则。
1.阀门的特性一般有两种,使用特性和结构特性。
使用特性:它确定了阀门的主要使用性能和使用范围,属于阀门使用特性的有:阀门的类别(闭路阀门、调节阀门、安全阀门等);产品类型(闸阀、截止阀、蝶阀、球阀等);阀门主要零件(阀体、阀盖、阀杆、阀瓣、密封面)的材料;阀门传动方式等。
结构特性:它确定了阀门的安装、维修、保养等方法的一些结构特性,属于结构特性的有:阀门的结构长度和总体高度、与管道的连接形式(法兰连接、螺纹连接、夹箍连接、外螺纹连接、焊接端连接等);密封面的形式(镶圈、螺纹圈、堆焊、喷焊、阀体本体);阀杆结构形式(旋转杆、升降杆)等。
前言加工工艺及夹具毕业设计是对所学专业知识的一次巩固,是在进行社会实践之前对所学各课程的一次深入的综合性的总复习,也是理论联系实际的训练。
机床夹具已成为机械加工中的重要装备。
机床夹具的设计和使用是促进生产发展的重要工艺措施之一。
随着我国机械工业生产的不断发展,机床夹具的改进和创造已成为广大机械工人和技术人员在技术革新中的一项重要任务。
目录1前言 (12阀体加工工艺规程设计 (32.1零件的分析 (32.1.1零件的作用 (32.1.2零件的工艺分析 (32.2阀体加工的主要问题和工艺过程设计所应采取的相应措施42.2.1确定毛坯的制造形式 (42.2.2基面的选择 (42.2.3确定工艺路线 (42.2.4机械加工余量、工序尺寸及毛坯尺寸的确定 (52.2.5确定切削用量 (62.3小结 (123专用夹具设计 (143.1钻φ4孔夹具设计 (143.1.1定位基准的选择 (143.1.2定位元件的设计 (143.1.3定位误差分析 (143.1.4钻削力与夹紧力的计算 (143.1.5钻套、衬套、钻模板及夹具体设计 (153.1.6夹紧装置的设计 (383.1.7夹具设计及操作的简要说明 (383.2小结 (394结束语 (40参考文献 (412 阀体加工工艺规程设计2.1零件的分析2.1.1零件的作用题目给出的零件是阀体,它的主要的作用是用来支承,阀体中的左端平面与中孔有配合要求,起回油密封作用,是阀类组件中非常重要的零件。
阀体加工精度工件的加工质量,一旦密封精度降低,则阀体组件的使用价值也将大打折扣。
2.1.2零件的工艺分析零件的材料为HT200,灰铸铁生产工艺简单,铸造性能优良,减震性能良好。
阀体需要加工表面以及加工表面的位置要求。
现分析如下:(1主要加工面:1铣下平面保证尺寸52mm,平行度误差为0.032铣侧面保证尺寸75的平行度误差为0.023镗上、下面平面各孔至所要求尺寸,并保证各位误差要求4钻侧面4—M8螺纹孔5钻孔攻丝底上平面锥螺纹孔(2主要基准面:1以下平面为基准的加工表面这一组加工表面包括:钻阀体左端表面各孔、钻阀体左端表面2以下平面为基准的加工表面这一组加工表面包括:主要是上平面各孔及左端平面各孔2.2阀体加工的主要问题和工艺过程设计所应采取的相应措施2.2.1确定毛坯的制造形式零件的材料HT200。
溢流阀说明书1. 产品概述溢流阀是一种液压控制元件,主要用于液压系统中限制最高压力或流量。
当系统压力超过溢流阀设定的压力时,溢流阀会自动开启,使多余的液体通过溢流口排出,以保护系统不受损坏。
溢流阀也可用于维持系统压力稳定。
2. 工作原理溢流阀主要由阀体、阀芯、弹簧和调压手轮等组成。
工作时,系统压力油作用于阀芯,当压力超过弹簧预紧力时,阀芯被顶开,油液通过溢流口排出。
调压手轮可以调节弹簧预紧力,从而调节溢流阀的开启压力。
3. 结构特点溢流阀结构紧凑,体积小,重量轻,维护方便。
阀体通常采用铸铁或铝合金材料,具有较好的耐压性和密封性。
阀芯采用不锈钢或铜合金材料,具有较好的耐磨性和抗腐蚀性。
弹簧采用优质合金钢材料,经过精密加工和热处理,具有较高的弹性和刚度。
4. 使用方法使用溢流阀时,应将其接入液压系统中,并按照系统要求调整调压手轮,使溢流阀的开启压力与系统所需压力相匹配。
在调试过程中,应逐渐增加系统压力,观察溢流阀是否能够正常工作。
当系统压力过高时,溢流阀会自动开启,避免系统过载。
5. 性能参数溢流阀的性能参数包括开启压力、关闭压力、流量等。
开启压力是指溢流阀开始开启时的系统压力;关闭压力是指溢流阀关闭时的系统压力;流量是指单位时间内通过溢流阀的液体量。
用户在选择溢流阀时,应根据实际需求和系统要求选择合适的规格和型号。
6. 安装与调试溢流阀应安装在液压系统的适当位置,以便能够感应系统压力并控制流量。
在安装过程中,应注意保持溢流阀的清洁和密封性。
调试时,应逐渐增加系统压力,观察溢流阀是否能够正常工作。
当系统压力过高时,溢流阀会自动开启,避免系统过载。
7. 维护与保养为了保持溢流阀的正常运转和延长其使用寿命,用户应注意定期维护和保养。
应保持溢流阀的清洁和密封性,定期检查各部件的磨损情况并及时更换损坏部件。
同时,应根据实际需求调整调压手轮,使溢流阀的开启压力与系统所需压力相匹配。
8. 安全注意事项在使用溢流阀过程中,应注意以下安全事项:在调试过程中,应注意避免系统压力过高导致溢流阀突然开启;在使用过程中,应注意观察系统中是否有异常噪音或振动;在维护和保养过程中,应注意保持清洁和避免杂物进入液压系统;在安装过程中,应注意避免损伤溢流阀的密封件和其他部件。
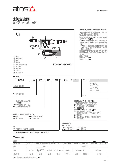
(1)型号编制方法:型号编制方法ⅠⅡⅢⅣⅤ- ⅥⅧⅠ:类型代号Ⅱ:驱动方式代号Ⅲ:连接形式代号Ⅳ:结构形式代号Ⅴ:密封面材料或衬里材料代号Ⅵ:压力代号或工作温度下的工作压力Ⅶ:阀体材料代号(2)阀门类型代号用汉语拼音表示,按《表1》、《表2》、《表3》的规定。
《表1》阀门类型代号阀门类型代号阀门类型代号安全阀 A 球阀Q蝶阀 D 疏水阀S隔膜阀G 调节阀T止回阀H 柱塞阀U截止阀J 旋塞阀X节流阀L 减压阀Y排污阀P 闸阀Z《表2》具有其他功能作用阀门的表示代号第二功能作用名称代号第二功能作用名称代号低温型 D 缓闭型H保温型 B 排渣型P波纹管型W 吹扫型 C伸缩法兰型S 防火型 FV形球型V 快速型Q《表3》带有特异结构阀门的角标代号特异结构名称代号特异结构名称代号刀型平板闸阀 D 水封型S带导流孔型闸阀K 不带导流孔型闸阀W(3)驱动方式代号用阿拉伯数字表示,按《表4》的规定。
《表4》驱动方式代号驱动方式代号驱动方式代号电磁0 锥齿轮 5电磁-液动 1 气动 6电-液动 2 液动7涡轮 3 气-液动8正齿轮 4 电动9注:1. 代号1、代号2 及代号8 是用在阀门启闭时,需有两种动力源同时对阀门进行操作。
2. 安全阀、液压阀、输水阀、手动手轮直接连接阀杆操作结构形式的阀门,本代号省略不表示。
3. 对于气动或液动:常开式用6K、7K 表示;常闭式用6B、7B 表示;气动带手动用6S 表示;防爆电动用9B 表示。
(4)连接形式代号用阿拉伯数字表示,按照《表5》的规定。
《表5》连接形式代号连接形式代号连接形式代号内螺纹 1 对焊接6b外螺纹 2 对夹7法兰 4 卡箍8承插焊6s 卡套9(5)阀门结构形式代号用阿拉伯数字表示,按《表6》至《表16》的规定。
《表6》闸阀结构形式代号结构形式代号明杆楔式弹性闸板0刚性闸板单闸板 1双闸板 2平行式单闸板 3双闸板 4暗杆楔式单闸板 5双闸板 6平行式单闸板7双闸板8《表7》截止阀、节流阀和柱塞阀结构形式代号结构形式代号结构形式代号直通式 1 直流式 5Z 形式 2 平衡直通式 6三通式 3 角式7角式 4《表8》球阀结构形式代号结构形式代号结构形式代号浮动球直通式 1 固定球直通式7Y 形三通式 2 四通 6L 形 4 T 形三通式8T 形 5 L 形9半球直通0《表9》碟阀结构形式代号结构形式代号结构形式代号密封型中线式 1 非密封形中线式 6双偏心 2 双偏心7三偏心 3 三偏心8连杆机构 4 连杆机构9《表10》隔膜阀结构形式代号结构形式代号结构形式代号屋脊式 1 直通式 6截止式 3 角式Y 形8直流式 5《表11》旋塞阀结构形式代号结构形式代号结构形式代号填料密封直通式 3 油密封直通式7T 形三通式 4 T 形三通式8四通式 5《表12》止回阀结构形式代号结构形式代号结构形式代号升降式直通式 1 旋启式单瓣式 4多瓣式 5双瓣式 6立式 2 蝶形止回式7角式 3 截止止回式8《表13》安全阀结构形式代号结构形式代号结构形式代号弹簧密封带散热片全启式0 弹簧不密封带扳手双联弹簧微启式 3微启式 1 微启式7全启式 2 全启式8带扳手全启式 4 带控制机构全启式 6杠杆式 5 脉冲式9《表14》减压阀结构形式代号结构形式代号结构形式代号薄膜式 1 波纹管式 4弹簧薄膜式 2 杠杆式 5活塞式 3《表15》蒸汽疏水阀结构形式代号结构形式代号结构形式代号浮球式 1 蒸汽压力式或膜盒式 6浮桶式 3 双金属片式7液体或固体膨胀式 4 脉冲式8钟形浮子式 5 圆盘热动力式9《表16》排污阀结构形式代号结构形式代号结构形式代号液面连接排放截止形直通式 1 液底间断排放截止形直流式5截止形直通式 6截止形角式 2 截止形角式7浮动闸板型直通式8(6)密封面或衬里材料代号用英文字母表示,按《表17》的规定。
7洋比例溢流阀说明书
对于液压系统中的溢流阀,其作用是在系统压力超过设定值时将多余的液压油流回油箱,以保护系统不受过高压力的损害。
7洋比例溢流阀是一种特定型号的溢流阀,下面我将从多个角度对其进行说明。
首先,7洋比例溢流阀的工作原理是基于液压力和弹簧力的平衡。
当液压系统中的压力超过了设定值,溢流阀会打开,允许液压油流回油箱,从而限制系统压力在安全范围内。
其次,7洋比例溢流阀的特点之一是具有比例控制功能。
这意味着它可以根据外部控制信号来调节溢流阀的开启程度,从而精确控制系统的压力和流量。
这种特性使得7洋比例溢流阀在一些需要精密控制的液压系统中得到广泛应用。
此外,7洋比例溢流阀通常具有可调节的压力和流量范围,以适应不同工况下的液压系统需求。
这种灵活性使得它可以被广泛应用于各种工业领域,如机械制造、航空航天、汽车工业等。
另外,7洋比例溢流阀的安装和维护也是非常重要的。
在安装
时,需要确保其与液压系统的其它部件正确连接,并根据说明书正
确调节工作参数。
在日常维护中,需要定期检查溢流阀的工作状态,清洁阀体和滤网,并及时更换磨损的零部件,以确保其正常工作。
总的来说,7洋比例溢流阀作为液压系统中的重要部件,具有
比例控制、可调节的特点,广泛应用于各种工业领域。
正确安装和
维护对于其正常工作至关重要。
希望这些信息能够对你有所帮助。
溢流阀选择导引
1.球状式弹簧
象热溢流或安全溢流瞬间功能,具低内漏率快速作用,也使用当导压操作阀的遥控导压,容量到12gpm,调整压力范围由500-8000psi。
2.锥状单向弹簧
象低压溢流阀或回流管线连续功能。
确保其他元件的需要导压,具高序度物的容许和可靠接近零泄露,容量到60gpm,直到65psi标准压力范围。
3.导引锥座
直接作功型的可靠、快作动连续功能,适直接作动阀的好压力和流量曲线。
容量到25gpm,调整压力范围到3000psi。
4.导引柱塞
低压溢流的连续功能,能精准快速反应和供给安静稳定功能。
容量到40gpm,调整压力范围由5-2000psi
5.不同柱塞
最佳适合时常瞬间功能与震动(突发),或过载溢流在单或双溢流作用时,提供好压力与流量曲线,适合直接作动阀,长寿命,和高容许脏物,容量直到100gpm 和调整压力到5000psi。
6.导引操作滑轴
最适合连续功能和精确压力控制,甚至在宽广流量变化条件下,遥控或通风孔特性可提供在这些型号给与多功能的应用。
容量可达100gm,压力范围由25psi-6000psi。
7.导压操作锥座
适合闭合压力控制的连续功能,甚至在宽广多变流量的条件下,遥控或通风
孔特性可提供在这些型号给予多功能的应用,容量到100gpm,调整压力范围由50-4000psi。
DB型先导式溢流阀使用说明书DB型先导式溢流阀稳定性好,启闭性较好,在DEH系统的供油装置中作为安全阀使用,防止液压系统过载。
1 结构及工作原理DB型先导式溢流阀是由先导阀和主阀组成。
如图1所示。
1-主阀芯2、3-阻尼器4、5、10、12-通道6-锥阀7-先导阀9-弹簧腔11-排口图1先导阀用于调节主阀上腔的液压力。
主阀芯在其上腔液压作用力和弹簧力的共同作用下与下腔液压作用力相平衡。
当导阀前腔液压作用力低于其调定弹簧力时,导阀和主阀阀口均处于关闭状态,溢流口无液体流出。
当导阀前腔液压作用力超过其调定弹簧力时,导阀开启,此时阻尼孔中有液体流动,主阀上下腔产生压力差,若此压差对主阀芯所产生的作用力小于主阀弹簧力,则主阀口仍处于关闭状态;若此压差对主阀芯所产生的作用力大于主阀弹簧力,就会使主阀开启并溢流。
主阀弹簧力随其开口量的增大而增大,直至与主阀芯上的液压作用力相平衡。
2性能参数●调压范围——在通过额定流量时,调压手轮从全开至全关状态下,溢流阀进油口的压力变化范围。
●压力振摆——在稳定状态下调定压力的被动值。
●压力偏移——在规定时间内调定压力的偏移量。
●开启率——开启压力与调定压力的百分比。
●闭合率——闭合压力与调定压力的百分比。
●建压时间——从泄荷状态回升至调定压力稳定时所需的时间。
●卸荷时间——从调定压力状态至完全卸荷时所需的时间。
●压力超调量——瞬态过程中,峰值压力与调定压力的差值。
●压力超调率——压力超调量与调定压力的百分率。
3 性能要求对溢流阀的主要性能要求是:●调压范围大,压力振摆和偏移小;●等压力特性好,开启率和闭合率高;●过流能力大,压力损失和内泄漏量小;●瞬态恢复时间短,建压和泄荷时间短,压力超调率低;●动作灵敏,噪声小。
51.最大流量;100L/min2.最大工作压力:31.5MPa3.背压:31.5MPa。