LED显示屏5V40A200W专用开关电源设计
- 格式:doc
- 大小:1.98 MB
- 文档页数:7
200W LED照明系统的电源设计方案上网时间:2009-07-07 来源:飞兆通用大功率LED照明驱动系统可以采用TI、Intersil、ST、Richtek、Linear、OnSemi的LED驱动器来实现,关键的是LED路灯需要的电源输出功率一般要大于100W,因此设计一个高效率的大功率电源是整个系统的关键点。
本文简单介绍飞兆半导体(Fairchild)公司的200W电源解决方案。
飞兆200W电源解决方案主要由基于FAN6961电压模式PFC控制器的高功率因数预稳压器和基于谐振LLC拓扑的隔离型DC/DC转换器构成,输入电压范围可从90VRMS到265VRMB,可产生六路输出,每路最大输出功率为0.7A/48V。
FAN6961是8引脚边界模式PFC控制器,能准时调整输出的DC电压,从而达到功率因素修正。
该器件的电源电压高达25V,起动电流低于25uA,工作电流可降低到6mA以下,可以进行零电流检测和逐个周期限流。
FAN6961可用于电子灯镇流器,AC/DC开关电源转换器以及适配器和带ZCS/ZVS的反激电源转换器。
图1给出了基于FAN6961的带整流和EMI滤波功能的电路图。
图1:基于FAN6961的带整流和EMI滤波功能的电路图FSFR2100功率开关也是该方案中的一个重要元件。
FSFR2100采用零电压开关(ZVS)技术,能够大幅降低MOSFET和整流器的开关损耗。
采用这种技术,此开关无需散热器即可处理高达200W的功率,使用散热器更可处理高达450W的功率。
FSFR2100还集成了所有必需元件以构建可靠及高效的谐振转换器,并在高热效的SiP封装中集成了一个脉冲频率调制(PFM)控制器、一个高压栅极驱动电路和两个快速恢复MOSFET(FRFET),以及软启动、间歇工作模式和重要的保护功能。
图2:200W LED照明系统的电源方案原型这个200W电源解决方案的详细介绍和实现电路图参见下面的PDF文档。
全彩LED显示屏怎么计算用多少平方的电源线及电缆?比如30平方的P16的全彩LED显示屏,先计算箱体的数量及电源的数量.常规下电源数量为:152个,5V40A,那么单个电源的功率就是200W,152*200W就是30400W,用380V的电,那么就是功率除以电源得出来的是电流.30400W/380V=80A,然后加上一些像空调之类的辅助设备.大概在35KW,电源就在90A左右,然后再来查多少平方的线可以带90A以上的电流.我们查到25平方的线,可以带100A的电流,所以选用25平方的电源线.铜芯电线电缆载流量标准电缆载流量口决:估算口诀:二点五下乘以九,往上减一顺号走。
三十五乘三点五,双双成组减点五。
条件有变加折算,高温九折铜升级。
穿管根数二三四,八七六折满载流。
说明:本节口诀对各种绝缘线(橡皮和塑料绝缘线)的载流量(安全电流)不是直接指出,而是”截面乘上一定的倍数”来表示,通过心算而得。
“二点五下乘以九,往上减一顺号走”说的是2.5mm’及以下的各种截面铝芯绝缘线,其载流量约为截面数的9倍。
如2.5mm’导线,载流量为 2.5×9=22.5(A)。
从4mm’及以上导线的载流量和截面数的倍数关系是顺着线号往上排,倍数逐次减l,即4×8、6×7、10×6、16×5、25×4。
“三十五乘三点五,双双成组减点五”,说的是35mm”的导线载流量为截面数的3.5倍,即35×3.5=122.5(A)。
从50mm’及以上的导线,其载流量与截面数之间的倍数关系变为两个两个线号成一组,倍数依次减0.5。
即50、70mm’导线的载流量为截面数的3倍;95、120mm”导线载流量是其截面积数的2.5倍,依次类推。
“条件有变加折算,高温九折铜升级”。
上述口诀是铝芯绝缘线、明敷在环境温度25℃的条件下而定的。
若铝芯绝缘线明敷在环境温度长期高于25℃的地区,导线载流量可按上述口诀计算方法算出,然后再打九折即可;当使用的不是铝线而是铜芯绝缘线,它的载流量要比同规格铝线略大一些,可按上述口诀方法算出比铝线加大一个线号的载流量。
LED超薄顯示幕超薄電源LED超薄電源5V/60A 300W與傳統電源的系統評估參數:LED300W 規格書超薄電源機種名稱:LHCB-5V300W傳統電源機種名稱1 . 交流輸入特性 :1.1 交流輸入電壓範圍Input Voltage Range: 88Vac ~ 264VacNormal Range: 100Vac~240VacFrequency : 47~63Hz300V 輸入 No damageInput Voltage Range: 88Vac ~264Vac/ 124Vac~ 370VdcFrequency: 47~63Hz1.2 交流輸入5A/115V2.5A/230V 5A/115V 2.5A/230V1.3 衝擊電流不可超出組件的應力,單體不可損壞。
1.4 漏電流一次側對FG <3.5mA / 240Vac一次側對二次側 <0.25mA / 240Vac<1mA / 240Vac1.5 效率85% / 230Vac@Full Load 78% / 230Vac1.6 功率因數PF>0.98/110Vac, PF>0.95/230Vac PF>0.98/110Vac, PF>0.95/230Vac2 . 直流輸出特性 :2.1 直流輸出電壓5V 5V2.2 輸出電壓容差+/-2% +/-2%2.3 額定輸出電流60A 55A2.4 輸出電流範圍0-60A 0-55A2.5 紋波與噪音(注示: 1)150m Vp-p 150m Vp-p2.6 負載穩定度(注示: 2)+/-2% +/-1%2.7 直流輸出功率300W 275W2.8 直流電壓可調範圍 4.5 - 5.5 V 4.5 - 5.5 V3 動態輸出特性 :3.1 Step Load 以下負載為 RMS 值6.7A - -21.8A --6.7A 綠光動態14.7A - -48.7A --14.7A 全白光動態3.2 Rise/Fall Rate 0.1A/uS3.3 Frequency 300Hz4 保護線路4.1 超載保護110~130% Type :recovers automatically after faultcondition is removed. 105~135% Type :recovers automatically after fault condition is removed.4.2 過電壓保護5.75V -6.3V Type : Shutdown 5.75V - 6.75V Type : Shutdown 4.3 過溫保護有有4.4 短路保護Type :recovers automatically afterfault condition is removed.5 工作環境5.1 溫度係數+/-0.03% / ℃+/-0.03% / ℃5.2 啟動時間≦4S @ Full Load 2S5.3 上升時間0.1mS~20mS @ Full Load 0.1mS~50mS @ Full Load5.4 保持時間20mS @ 60% Full Load;16mS @ 80% Full Load 16mS @ 100% Full Load5.5 抗震動 10 - 500 Hz ,2G 10min/1 週期 ,30 分鐘 x,y,z 軸10 - 500 Hz ,2G 10min/1 週期 ,30 分鐘 x,y,z 軸5.6 工作溫度1. -40 ℃ ~60 ℃ (參照下圖) :2. -40 ℃ ~50 ℃ @Full Load3. 0 ℃ @ 80%Full Load1. -20 ℃ ~60 ℃ (參照下圖) :2. 0 ℃ ~40 ℃ @Full Load3. 60℃@60%Full Load5.7 散熱方式 PSU 內裝風扇 內裝風扇 5.8 工作濕度 20% ~ 90% RH 20% ~ 90% RH5.9 存儲溫度,存儲濕度 -40 ℃ ~85 ℃ , 10% ~ 90% RH -40 ℃ ~85 ℃ , 10% ~ 95% RH 6安規及EMC 要求6.1 安規標準 IEC60950-1,UL60950-1,CSA C22.2 No.60950-1-03 1, GB4943-2001 TUV EN60950-1,UL60950-1,CCC GB49436.2 EMC 標準諧波電流電磁耐受EN55022 (CISPR22 Class B)EN55024:1998 immunity requirements EN61000-3-2,3IEC61000-4-2,3,4,5,6,8,11 GB9254-2008 GB17625.1-2003EN55022 (CISPR22 Class B) EN61000-3-2,-3EN61000-4-2,3,4,5,6,8,11 ENV50204ENV50204 A 級輕工業標準6.3 耐壓輸入與輸出間 : 3KVac 輸入與外殼 : 1.5KVac 輸出與外殼 : 0.5KVac輸入與輸出間 : 3KVac 輸入與外殼 : 1.5KVac 輸出與外殼 : 0.5KVac6.4 隔離電阻輸入與輸出間 : 500Vdc / 100 MOhms 輸入與外殼 : 500Vdc / 100 MOhms 輸出與外殼 : 500Vdc / 100 MOhms 輸入與輸出間:500Vdc / 100 MOhms 輸入與外殼 : 500Vdc / 100 MOhms 輸出與外殼 : 500Vdc / 100 MOhms 7 機構要求7.1 外形尺寸 220mm x 120mm x 30mm (長*寬*高) 215mm x 115mm x 50mm (長*寬*高) 7.2 重量包裝 0.88Kg ,30PCS/26.4Kg 0.8Kg ,20PCS/16Kg/ 7.3 質保壽命1年1年注示:1.紋波測試:20MHz 用 A12 雙絞線,終端用鉭電容 10μF,並聯一個陶瓷電容0.1μF2.容差 :包括設定容差線路穩定度, 負載穩定度 .注示:1.紋波測試:20MHz 用 A12雙絞線終端並聯47μF 和0.1μF0℃50℃60℃ 300W240W P--T Curve-40℃ 80%100%70℃50%05060300WP--T Curve-20100%5580%50%應用LED超薄顯示幕電源的優勢本文主要從LED顯示幕超薄電源應用于現代顯示幕超薄化的發展趨勢,從超薄電源和超薄箱體的高性價比和廣泛適用性等特點, 加速LED顯示幕領域應用市場的發展,推動LED顯示幕超薄化應用的進程,揭示LED超薄顯示幕電源的應用優勢一、概述LED顯示幕是一種新型的戶內、戶外大尺寸的電子傳播媒體,它具有大尺寸、環境適應性好、亮度高、動態播放等特點,在戶內外大尺寸電子傳播媒體領域獨樹一幟。
LED显示屏功率及亮度计算爱学习的小伙伴们,你们知道LED显示屏功率及亮度计算方法吗?不知道的话跟着店铺一起来学习了解LED显示屏功率及亮度计算方法。
LED显示屏功率及亮度计算方法功率:一颗灯功率5V20mA=0.1W,则全彩屏3906点静态两红一纯绿一蓝1个平方的理论峰值功耗为:3906*4*0.1=1.56KW,如果是1/4、1/8、1/16扫描的还要在总功率基础上分别除掉4、8、16才得出屏体消耗功率,再在得出的功率上计算出所需的电源个数(一个电源功率(5V40A)为200W)。
亮度:以全彩屏为例,通常红、绿、蓝白平衡配比为3:6:1红色LED灯亮度:亮度(CD)/M2÷点数/M2×0.3(白平衡配比占30%)÷2绿色LED灯亮度:亮度(CD)/M2÷点数/M2×0.6(白平衡配比占60%)蓝色LED灯亮度:亮度(CD)/M2÷点数/M2×0.1(白平衡配比占10%)(1)已知整屏亮度求单管亮度。
例如:每平米2500点密度,2R1G1B,每平米亮度要求为5000cd/m2,则:红色LED灯亮度为:5000÷2500×0.3÷2=0.3cd=300mcd绿色LED灯亮度为:5000÷2500×0.6=1.2cd=1200mcd蓝色LED灯亮度为:5000÷2500×0.1=0.2cd=200mcd每像素点的亮度为:0.3×2+1.2+0.2=2.0cd=2000mcd(2)已知单管亮度求整屏亮度。
例如:以P31.25,日亚管为例。
HSM显示屏主要管芯规格红绿HSM-PH-A+(日亚)180-440mcd1020-2400mcd因为白平衡配亮度配比红:绿:蓝=3:6:1;又白平衡的配比以绿管亮度去配其它管。
所以如下:由红:绿=3:6可知,绿管亮度是红管的2倍,即红管亮度为:2400(蓝)÷2=1200mcd又因为红、绿、蓝四个管中,红管有2个,所以,单个红管的亮度为:1200÷2=600mcd.由绿:蓝=6:1可知,绿管亮度是蓝管的6倍,即蓝管亮度为:2400(蓝)÷6=400mcd因,1个发光像素=2红管+1绿管+1蓝管;即一个像素的亮度=600(红)×2+2400(绿)+400(蓝)=3400mcd=3.4cd每平方米亮度=1个发光像素的亮度×每平方米的像素密度(个数)=3.4cd×1024(像素个数)=4096cd.以光损20%计算,实际发光亮度应为:3277cd.。
l e d屏专用V A开关电源电原理图The latest revision on November 22, 2020led屏专用5V40A开关电源,用TL494、KA7500等集成块,通用设计TL494电路图的工作原理,主要是各元件的功能整流器之前的不用说了吧494 脉宽调制输出至V3、V4。
494 的各脚功能请看其pdf资料。
1 脚是比较器+输入端,接电压监测。
如图,VR1 是输出电压调整。
V3、V4 是功率推动三极管。
T2是推动变压器,将推动电压提高以驱动末级功率管,末级工作在开关状态。
V2、V3 接成推挽功率放大。
VD5、VD6是反峰保护二极管。
R3、C8是尖峰吸收网络。
VD9、VD10、C9 组成全波整流滤波,给494供电。
T1 的右部分就是低压部分了。
整流滤波输出,没什么特别的。
220V交流电经VD1整流,C5,C6滤波得到300V左右直流电。
此电压经R1,R2分压后约150V给C7充电,经T1高压8,9脚绕组,T2绕组8,6脚,V2等形成启动电流。
T2反馈绕组7,9绕组,10,6绕组产生感应电压,使V1,V2轮流导通。
因此在T1低压供电绕组(6,7,13)产生电压,经VD9,VD10整流,C9滤波,给TL494,,V3,V4等供电。
此时输出电压较低。
TL494启动后其8脚,11脚轮流输出脉冲,推动V3,V4,经T2反馈给绕组(,)激励V1,V2。
使V1,V2,由自激状态转入受控状态。
T2输出绕组电压上升,此电压经R31,R29,R30,VR1分压后反馈给TL494的1脚(电压反馈)使输出电压稳定。
J1,J2是电流取样电阻,充电或输出时J1,J2产生压降。
此电压经R36反馈给TL494的15脚(电流反馈)使充电或输出电流恒定。
大体原理已经说清楚了,具体原理还有什么不明白追问,我就不一一说明每个元件的作用了。
R8,R9,R40 是V2的偏置电阻,VD8反馈整流,经R10,R11到V2基极,加速V2导通,C11是加速电容,可以加速V2的导通和截止。
户外LED显示屏的开关电源解决方案1 前言由于LED户外全彩显示屏中光电器件的特性与一般显示屏不同,造价十分昂贵,对开关电源的性能和质量有很高的要求,因此本文研制了一种户外全彩屏的专用开关电源。
2 户外LED显示屏开关电源的特性用于LED户外全彩显示屏的电源应具有以下特性。
1)在一定条件下保持LED象素被恒流驱动由显示屏负载变化引起的LED组电压变化,会影响象素电流,造成亮度变化。
为了保证整屏模组亮度均匀和减小亮度变化,将开关电源输出取样电路的取样点从电源端口移至显示屏中某点,使该点的电压保持不变。
负载变化引起的电压变化由开关电源来调整,即负载小时,输出电压低;负载大时,输出电压高。
因而保证了在温度和亮度不变的情况下,输出至LED模组的电压不变,象素驱动电流恒定。
2)补偿环境温度引起的LED正向压降VF的变化LED的正向压降VF是随环境温度的上升而下降的。
各种LED的温度变化系数各不相同。
在正常工作温度范围内,VF的变化可达20%。
在恒压驱动下,VF下降会导致LED电流上升,引起整体温度上升。
在这种反馈过程中,LED的工作状况将越来越恶化,严重地影响到户外屏的质量和寿命。
因此要求户外屏的开关电源具有温度补偿功能,确保LED驱动电流不随温度升高而上升。
简单的温度补偿方法是在开关电源中,接入温度变化率接近LEDVF的负温度系数热敏电阻,并引入开关电源PWM芯片比较基准电压Vi(Vo=KVi)。
温度上升时,Vi下降,输出电压下降,抑制了LED工作电流的上升。
由于热敏电阻离散性大,为确保产品的一致性,需挑选。
另外,对每种温度变化率都有独立的电阻组合,互换性差。
为了克服这些缺点,采用了输出受数字信号控制的数控开关电源。
根据各种LED的温漂曲线,将不同温度下需提供给LED的驱动电压制成表,贮存在单片机中,以供查询。
按照温度传感器单片机测得的温度查表,就可得到相应的数控开关电源的输出电压。
3)通过调节开关电源的电压来控制显示屏亮度为了充分利用全彩屏控制系统中有限的资源,要求开关电源能通过调节输出电压对全彩屏的亮度进行调节。
5V40A开关电源电路图能搞定这个图,就算开关电路知识方面入门了。
基本上都这样的,当然主开关管、整流肖特基管、高频变压器功率等型号可能不大一样. 输入滤波、工频整流、高频变换、输出整流、输出滤波、脉宽调制、取样反馈等电路样式基本一致。
一般用7500或494芯片作。
希望对你有帮助。
5V40A开关电源电子元器件明细表J21 跳线∮0.5*10J22 跳线∮0.5*10J23 跳线∮0.5*10J24 跳线∮0.5*10J25 跳线∮0.5*10J26 跳线∮0.5*10J27 跳线∮0.5*10D22 跳线∮0.5*10J51-1 跳线∮1.0*10J51-2 跳线J51-3 跳线R30 金属模电阻0.25W 2.7KΩR47 金属模电阻0.25W 2.7KΩR31 金属模电阻0.25WR49 金属模电阻0.25W 2KΩR45 金属模电阻0.25W 750ΩR21 金属模电阻0.25W 22KΩR34 金属模电阻0.25WR48 金属模电阻0.25W 1.5KΩR51 金属模电阻0.25W 1KΩR55 金属模电阻0.25WR56 金属模电阻0.25WR42 金属模电阻0.5W 22ΩR43 金属模电阻C27 CBB电容50V331D20 快恢复二极管HER107D21J01 跳线∮0.6*12.5J02J20J31 跳线∮1.0*1.0J33J52-1 跳线 1.0*16J53-1J54-1R22 金属模电阻0.25W 10KΩR38 金属模电阻0.25W 47KΩR37 金属模电阻0.25W 2.2KΩR23 金属模电阻0.5W 1.5KΩR39 金属模电阻0.25W 3.9KΩR24 金属模电阻0.25W 3.9KΩR26 金属模电阻0.25W 3.9KΩR06 金属模电阻0.25W 3.9KΩR09 金属模电阻0.25W 3.9KΩR53 金属模电阻0.25W 3.9KΩR50 金属模电阻0.25W 5.1ΩR20 金属模电阻0.25W 6.2KΩC22 涤纶电容102JZD20 稳压二极管IN4752AZD22 稳压二极管ZD21 稳压二极管D04 整流二极管IN4007D06 整流二极管R02 金属模电阻1W 100KΩR05 金属模电阻1W 150KΩD03 金属模电阻2W 5.1ΩD05 金属模电阻 5.1ΩR25 金属模电阻0.25W 1.5KR27 金属模电阻 1.5KC42 CBB电容63V103C30 CBB电容63V103C10 电解电容50V1uFC11 电解电容C23 电解电容C24 电解电容C38 高压瓷片1KV103C39RT20 热敏电阻502D01 快恢复二极管FR157D02Q20 三极管C2655 TO-92MODQ21U20 芯片TL494CN DIP-16LED 发光二极管∮3 绿短脚SVR1 电位器侧调1KΩCN20 接插件 2.54-2P座手上有块5V40A 的开关电源IC KA7500 开关管C2625 现在故障是烧保险烧C2625管这个故障应该怎么维修,望师傅们指导一下。
学位论文200W开关电源设计——基于双管正激变换器摘要开关电源是一种由占空比控制的开关电路构成的电能变换装置,用于交流-直流或直流—直流电能变换,通常称其为开关电源。
其功率从零点几瓦到数十千瓦,广泛用于生活、生产、科研、军事等各个领域。
开关电源的核心为电力电子开关电路,根据负载对电源提出的输出稳压或稳流特性的要求,利用反馈控制电路,采用占空比控制方法,对开关电路进行控制。
本设计的交流输入电压范围是85V~265V,输出电压24V,输出功率200W。
该设计能够同时实现输入欠压保护、输出过压保护、功率因数校正等功能。
本设计主要采用单片开关电源芯片L6562D,NCP1015和NCP1217,线性光耦合器PC817A及可调式精密并联稳压器TL431等专用芯片以及其它的分立元件相配合,使设计出的开关电源具有稳压输出功能。
主要用到的开关电源电路拓扑有BUCK电路,BOOST电路和正激电路。
关键词:开关电源,功率因数校正,电路拓扑ABSTRACTThe switching power supply is a power conversion device for AC-DC or DC-DC conversion,which is consist of switching circuits controled by duty cycle.Its power varies from a few tenths of watts to tens of kilos watts,and it is widely used in life,production,scientific research, military and other fields.The core of the switching power supply is power electronic circuit.According to the request of steay output voltage or flow characteristics of power from the load,it can use feedback control circuit with duty cycle control method to control the switching circuit. The AC input voltage of this design ranges from 85V to 265V and the output voltage is 24V,the output power 200W.The design can simultaneously realize functions of input under-voltage protection, output overvoltage protection and power factor correction. The design mainly adopts dedicated chips ,such as single switching power supply chip L6562D, the NCP1015 and NCP1217A, a linear optocoupler PC817 and adustable precision shunt regulator control TL431 ,which is matched with other discrete components to make the switching power supply with voltage regulator output function. The main switching power supply circuit topology are Buck Circuit, the Boost Circuit and a Forward Circuit.Key words:the switching power supply,power factor correction,circuit topology目录第1章开关电源简介 (1)1.1 开关电源的发展简史 (1)1.2 开关电源的发展趋势和前景展望 (1)1.3 本文的主要工作 (2)1.3.1 基本要求 (3)1.3.2 发挥部分 (3)第2章开关电源的分类和基本工作原理 (4)2.1 开关电源的分类 (4)2.2 开关电源的基本工作原理 (4)2.3 PFC原理 (5)2.4 双管正激式变换器工作原理 (6)第3章交流输入部分电路的设计与实现 (8)3.1 原理图设计 (8)3.2 元件参数与选择 (8)3.2.1 压敏电阻 (8)3.2.2 安规电容 (8)3.2.3 泄放电路 (9)3.2.4 共模扼流圈 (9)3.2.5 整流桥和滤波电容 (9)第4章基于L6562D的连续型APFC电路设计与实现 (10)4.1 L6562D功能特点及其工作方式 (10)4.2 设计要求 (10)4.3 工作原理 (10)4.3.1 概述 (10)4.3.2 FOT峰值电流模式分析 (11)4.3.3 FOT峰值电流模式的输入电流畸变 (12)4.3.4 输入电流尖峰畸变的补偿电路 (12)4.4 原理图设计 (14)4.5 参数设计 (14)4.5.1 升压电感的设计 (14)4.5.2 确定电流取样电阻 (17)第5章基于NCP1217A双管正激变换器电路的设计与实现 (19)5.1 NCP1217A功能特点 (19)5.2 设计要求 (19)5.3 原理图设计 (19)5.4 参数设计 (21)5.4.1 变压器和输出电感的设计 (21)5.4.2 确定次级侧的整流二极管 (22)5.4.3 确定输出电容器 (23)5.4.4 脉冲驱动电路的设计 (23)5.4.5 稳压反馈电路设计 (24)第6章基于NCP1015的辅助电源设计与实现 (25)6.1 NCP1015功能特点 (25)6.2 设计要求 (25)6.3 原理图设计 (25)6.4 工作原理 (25)第7章测试报告 (26)7.1 概述 (26)7.1.1 输出电压精度 (26)7.1.2 线性调整率 (26)7.1.3 负载调整率 (27)7.1.4 工作效率 (28)7.1.5 PF值 (30)7.1.6 纹波 (31)7.2 毕设完成指数 (33)7.2.1 基本要求 (33)7.2.2 发挥部分 (33)第8章调试总结 (34)8.1.1 基于NCP1654的PFC调试 (34)8.1.2 基于NCP1217A的双管正激调试 (34)8.1.3 基于L6562D的APFC电路的调试 (34)8.1.4 联调 (35)8.1.5 心得体会 (35)参考文献 (37)附录A 原理图 (38)A.1 APFC设计部分 (38)A.2 双管正激部分 (39)A.3 交流输入部分 (40)A.4 NCP1217A设计部分 (40)A.5 辅助电源设计部分 (40)附录B 器件清单 (41)B.1 交流输入部分参数 (41)B.2 辅助电源设计部分参数 (41)B.3 NCP1217A设计部分参数 (41)B.4 APFC设计部分参数 (42)B.5 双管正激设计部分参数 (42)附录C APFC电路PCB (44)附录D 双管正激电路PCB (45)第1章开关电源简介1.1 开关电源的发展简史开关电源是相对线性电源说的。
4.8A的P10单红可以带8张40\4.8A=8.33张3.2A的P10单2.6A的P10单规格尺寸(mm)点距分辩率点数/平方亮度功率W 功率W 带板数量3.0单色256*1284mm 64*3262500100182009.443.0双色256*1284mm 64*326250020027200 6.303.75单色304*152 4.75mm 64*3244321100182009.443.75双304*152 4.75mm 64*324432120027200 6.305.0单色484*2427.62mm 64*3217222100182009.445.0双色484*2427.62mm64*321722220027200 6.30规格尺寸(mm)点距分辩率点数/平方亮度功率功率W 带板数量5.0单色484*2427.62mm 64*32172221000202008.505.0双色484*2427.62mm 64*3217222450030200 5.67P10单色320*16010mm 32*16100001000202008.50P10双色320*16010mm 32*1610000450031200 5.48P12.5单色400*20012.5mm 32*1664001000202008.50P16单色256*12816mm 16*839061000720024.29P16双色256*12816mm16*8390620001120015.45规格尺寸点距像素点数/m2亮度功率功率W 带板数量P10单色320*16010mm 32*16100001000212008.10P10双色320*16010mm 32*1610000450038200 4.47P10全彩160*16010mm 16*16100005500202008.50P12单色192*9612mm 16*8694410001220014.17P12双色192*9612mm 16*869444500202008.50P12全彩192*9612mm 16*86944550025200 6.80P12.5单色400*20012.5mm 32*1664001000192008.95P12.5双色200*10012.5mm 16*8640045001120015.45P12.5全彩200*10012.5mm 16*8640055001320013.08P16单色256*12816mm 16*839061000720024.29p16双色256*12816mm 16*8390645001120015.45P16全彩256*12816mm 16*8390655001420012.14P20单色320*16020mm 16*825001*********.29P20双色320*16020mm 16*8250045001120015.45P20全彩320*16020mm16*82500550027200 6.30户外系列5V40A开关电源开关电源最佳使用功率为85%,这样对电源的寿命有很好保障5V40A开关电源5V40A开关电源推荐使用足功率-枭峰-5V40A200W电源我们所说一台5V40A电源带12张板计算方法是, P10半户外单元板的电流是3.2A,功率是16W,3.3A X 12 = 38.4A ^^^ 16W X12 =192W 工作时不超电源功率。
4.8A的P10单红可以带8张 40\4.8A=8.33张 3.2A的P10单红可以带12张 40\3.2A=12.5张2.6A的P10单 红可以带15张 40\2.6A=15.38张规格尺寸(mm)点距分辩率点数/平方亮度功率W 功率W 带板数量3.0单色256*1284mm 64*3262500100182009.443.0双色256*1284mm 64*326250020027200 6.303.75单色304*152 4.75mm 64*3244321100182009.443.75双304*152 4.75mm 64*324432120027200 6.305.0单色484*2427.62mm 64*3217222100182009.445.0双色484*2427.62mm64*321722220027200 6.30规格尺寸(mm)点距分辩率点数/平方亮度功率功率W 带板数量5.0单色484*2427.62mm 64*32172221000202008.505.0双色484*2427.62mm 64*3217222450030200 5.67P10单色320*16010mm 32*16100001000202008.50P10双色320*16010mm 32*1610000450031200 5.48P12.5单色400*20012.5mm 32*1664001000202008.50P16单色256*12816mm 16*839061000720024.29P16双色256*12816mm16*8390620001120015.45规格尺寸点距像素点数/m2亮度功率功率W 带板数量P10单色320*16010mm 32*16100001000212008.10P10双色320*16010mm 32*1610000450038200 4.47P10全彩160*16010mm 16*16100005500202008.50P12单色192*9612mm 16*8694410001220014.17P12双色192*9612mm 16*869444500202008.50P12全彩192*9612mm 16*86944550025200 6.80P12.5单色400*20012.5mm 32*1664001000192008.95P12.5双色200*10012.5mm 16*8640045001120015.45P12.5全彩200*10012.5mm 16*8640055001320013.08P16单色256*12816mm 16*839061000720024.29p16双色256*12816mm 16*8390645001120015.45P16全彩256*12816mm 16*8390655001420012.14P20单色320*16020mm 16*825001*********.29P20双色320*16020mm 16*8250045001120015.45P20全彩320*16020mm16*82500550027200 6.30户外系列5V40A开关电源开关电源最佳使用功率为85%,这样对电源的寿命有很好保障5V40A开关电源5V40A开关电源推荐使用足功率-枭峰-5V40A200W电源我们所说一台5V40A电源带12张板计算方法是, P10半户外单元板的电流是3.2A,功率是16W,3.3A X 12 = 38.4A ^^^ 16W X12 =192W 工作时不超电源功率。
LED显示屏5V 40A专用开关电源设计1 参数:输入电源:220V输出电源:5V 40A2开关电源的组成开关电源大致由输入电路、变换器、控制电路、输出电路四个主体组成。
如果细致划分,它包括:输入滤波、输入整流、开关电路、采样、基准电源、比较放大、震荡器、V/F 转换、基极驱动、输出整流、输出滤波电路等。
实际的开关电源还要有保护电路、功率因数校正电路、同步整流驱动电路及其它一些辅助电路等。
图1是开关电源原理框图:图1 开关电源原理框图2.1 输入电路包括线性滤波电路、浪涌电流抑制电路、整流电路三部分。
作用:把输入电网交流电源转化为符合要求的开关电源直流输入电源。
典型电路如图2所示:图2 输入电路该电路包含滤波电路、浪涌电流抑制电路及全波整流电路。
输入电路各电容C11、C12、C13 用于滤波,滤除高频噪声;电抗器L11 用于浪涌抑制;电容C14、C15、C18 用于去耦。
输入220VAC 电压经过全波整流,产生变换器所需要的直流电压,及提供控制电路必须的工作电源。
J21 为短路线,TH 为过流电阻,当发生过流时,器件熔断。
2.2 功率电路基本原理市电220V的交流电经输入电路整流滤波后,已变为直流电(带脉动),从该直流电到输出之间的电路可简单等效为一个单管隔离降压变换器。
如图3所示:图3 功率电路基本原理为防止变压器T磁饱及快速恢复,原边使用了简单的R1C1释放电路。
副边VD1 整流,VD2 续流,C2去耦,L、C4滤波,R3C3、R4为辅助泄放通路。
当然实际电路比这个要复杂的多,复杂的原因主要是因为加入了保护电路、反馈电路、控制电路等。
下面具体讲述实际应用的电路。
2.3 变压器及控制部分供电电路变压器周边电路以及给控制电路供电的电路如图4所示:图4 变压器及控制部分供电电路本电路中的变压器T11就是图3中的变压器T,其中1-3绕组为原边主绕组(即图3中的N1绕组),6-7绕组为副边输出绕组(即图3中的N2绕组),4-5绕组为原边辅助绕组,主要给控制电路提供电源。
led屏专用5V40A开关电源,用TL494、KA7500等集成块,通用设计TL494电路图的工作原理,主要是各元件的功能整流器之前的不用说了吧?494 脉宽调制输出至V3、V4。
494 的各脚功能请看其pdf资料。
1 脚是比较器+输入端,接电压监测。
如图,VR1 是输出电压调整。
V3、V4 是功率推动三极管。
T2是推动变压器,将推动电压提高以驱动末级功率管,末级工作在开关状态。
V2、V3 接成推挽功率放大。
VD5、VD6是反峰保护二极管。
R3、C8是尖峰吸收网络。
VD9、VD10、C9 组成全波整流滤波,给494供电。
T1 的右部分就是低压部分了。
整流滤波输出,没什么特别的。
220V交流电经VD1整流,C5,C6滤波得到300V左右直流电。
此电压经R1,R2分压后约150V给C7充电,经T1高压8,9脚绕组,T2绕组8,6脚,V2等形成启动电流。
T2反馈绕组7,9绕组,10,6绕组产生感应电压,使V1,V2轮流导通。
因此在T1低压供电绕组(6,7,13)产生电压,经VD9,VD10整流,C9滤波,给TL494,,V3,V4等供电。
此时输出电压较低。
TL494启动后其8脚,11脚轮流输出脉冲,推动V3,V4,经T2反馈给绕组(,)激励V1,V2。
使V1,V2,由自激状态转入受控状态。
T2输出绕组电压上升,此电压经R31,R29,R30,VR1分压后反馈给TL494的1脚(电压反馈)使输出电压稳定。
J1,J2是电流取样电阻,充电或输出时J1,J2产生压降。
此电压经R36反馈给TL494的15脚(电流反馈)使充电或输出电流恒定。
大体原理已经说清楚了,具体原理还有什么不明白追问,我就不一一说明每个元件的作用了。
R8,R9,R40 是V2的偏置电阻,VD8反馈整流,经R10,R11到V2基极,加速V2导通,C11是加速电容,可以加速V2的导通和截止。
V1的元件功能同V2。
其他的应该没有什么问题了吧。
这里我为大家介绍一种新的5V40A显示屏开关电源。
(杭州铭泰电源开发出来的新型电源)
首先是图片,这个是内部结构,采用了最优化的电路设计,比传统的显示屏开关电源少了很多元器件,主要是靠几个IC控制,一些电路保护,温度保护,过流保护都在IC里面
然后是外部图片,图片照的不是很好,还请见谅,这个电源带上
了风扇,散热效果更好,不仅仅靠机壳散热,让它寿命更长久
其次很多人关心它的稳定性以及价格,
我们对这款电源进行了实测,电路靠IC驱动以后输出非常稳定,纹波只有70左右,输出的稳定,保证了显示屏稳定
在此杭州铭泰电源有限公司承诺,这个电源质保二年
这款电源各省市代理价格为55元,欢迎各位来电咨询。
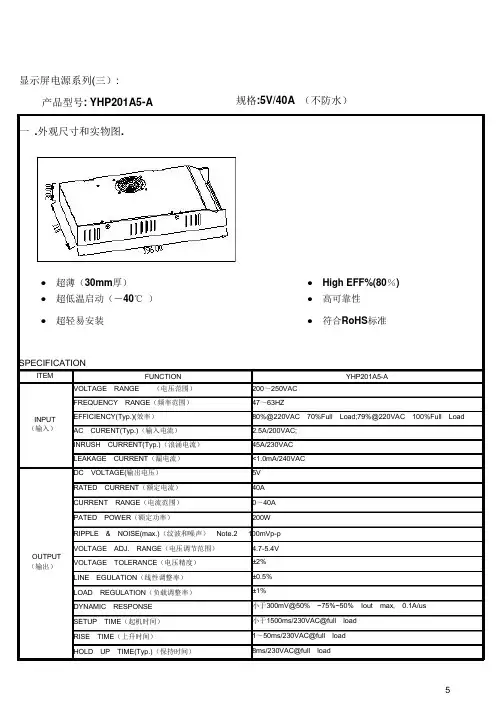
LED显示屏5V 40A专用开关电源设计
1 参数:
输入电源:220V
输出电源:5V 40A
2开关电源的组成
开关电源大致由输入电路、变换器、控制电路、输出电路四个主体组成。
如果细致划分,它包括:输入滤波、输入整流、开关电路、采样、基准电源、比较放大、震荡器、V/F 转换、基极驱动、输出整流、输出滤波电路等。
实际的开关电源还要有保护电路、功率因数校正电路、同步整流驱动电路及其它一些辅助电路等。
图1是开关电源原理框图:
图1 开关电源原理框图
2.1 输入电路
包括线性滤波电路、浪涌电流抑制电路、整流电路三部分。
作用:把输入电网交流电源转化为符合要求的开关电源直流输入电源。
典型电路如图2所示:
图2 输入电路
该电路包含滤波电路、浪涌电流抑制电路及全波整流电路。
输入电路各电容C11、C12、C13 用于滤波,滤除高频噪声;电抗器L11 用于浪涌抑制;电容C14、C15、C18 用于去耦。
输入220VAC 电压经过全波整流,产生变换器所需要的直流电压,
及提供控制电路必须的工作电源。
J21 为短路线,TH 为过流电阻,当发生过流时,器件熔断。
2.2 功率电路基本原理
市电220V的交流电经输入电路整流滤波后,已变为直流电(带脉动),从该直流电到输出之间的电路可简单等效为一个单管隔离降压变换器。
如图3所示:
图3 功率电路基本原理
为防止变压器T磁饱及快速恢复,原边使用了简单的R1C1释放电路。
副边VD1 整流,VD2 续流,C2去耦,L、C4滤波,R3C3、R4为辅助泄放通路。
当然实际电路比这个要复杂的多,复杂的原因主要是因为加入了保护电路、反馈电路、控制电路等。
下面具体讲述实际应用的电路。
2.3 变压器及控制部分供电电路
变压器周边电路以及给控制电路供电的电路如图4所示:
图4 变压器及控制部分供电电路
本电路中的变压器T11就是图3中的变压器T,其中1-3绕组为原边主绕组(即图3中的N1绕组),6-7绕组为副边输出绕组(即图3中的N2绕组),4-5绕组为原边辅助绕组,主要给控制电路提供电源。
图中1-3绕组间的22欧电阻和0.45nf电容为原边释放电路。
给控制电路供电部分主要由变压器的4-5绕组和三极管D1457为主构成。
C31 及5.1欧电阻上面的两个二极管用于获得相对稳定的集电极直流偏压(二极管用来整流,电容C31用来滤波),基极偏置取自输入电路的直流电压。
A(由4-5绕组的5边直接引出,去反馈电路)、C(去电流极限电路)点用于提供其它辅助控制的上偏电源。
电源去耦电容(VCC 和GND之间的电容)建议为10—47uF,启动电流不少于300uA。
三极管的发射极下偏置18K 电阻接地。
2.4 所用集成控制芯片简介
为了简化设计,控制电路部分我们采用了集成控制芯片:M51995AFP。
M51995A 是MITSUBISHI 公司推出的专门为AC/DC 变换而设计的离线式开关电源初级PWM 控制芯片。
可以直接驱动MOSFET。
M51995A 不仅具有高频振荡和快速输出能力,而且具有快速响应的电流限制功能。
它的另一大特点是过流时采用断续方式工作,具备过流及短路保护功能。
关于芯片的具体资料可到网上查询。
芯片引脚如图5所示:
图5 M51995AFP引脚图
2.5 振荡电路
控制电路M51995AFP具有高频振荡能力,但须外接电阻和电容。
具体电路如图6所示:
图6 振荡电路
2.6 电源反馈及过流过压保护电路
电路如图7所示:
电源反馈:控制芯片的F/B 端为电源实际输出反馈端。
输出电压Vo 经分压采样,控制基准电源。
基准电源的高低决定了线性光电耦合器的输出电流大小。
从F/B 端看,IF/B和VOUT 是成线性关系的,这样就实现了电路的反馈调节。
过流保护:由芯片的VF端的来检测,控制芯片输出Vout 经过阻容滤波,反馈回VF 端,用于过流保护,它同时从第三边引出反馈,整流后送VF 端,作用和从Vout 端引出是一样的。
过压保护:OVP 为过压检测端,它取决于反馈电路中光电流的大小。
因为它直接影响光电输出级的导通程度(Uce),从而直接影响到OVP 电位(VOVP=VCC-IRcRC-Uce)。
由后面的输出电路可以看出,这个保护点取决于一个稳压管的稳压值。
当输出电压高于保护值时,OVP 点电位高于门槛电平750mV,芯片进入保护状态。
检测端DET:DET 被用于检测输出电压。
如果DET 不接地,则在F/B端电压超过2.5VDC时,将F/B 电位钳制在0VDC,从而使得占空比为0,电源处于保护状态。
当它低于2.5VDC 时,电源正常工作。
在本电路中DET被直接接地,因此F/B端不受其控制。
F/B
图7 电源反馈和过压过流保护电路
2.7 电流极限保护
由于隔离变压器原边开关管是单向驱动的,所以只做正极限保护即
可。
变压器第三边绕组单向脉动信号经过二极管整流及RC 滤波,送CLM+端,做为正极限过流保护。
负电流极限CLM-端被直接接地,不起作用。
电流极限保护电路如图8所示:
图8 电流极限保护电路
常规情况下,CLM+或CLM-的电压超过阈值(+200mV/-200mV)时,过流信号将使输出截止,并且这个截止状态持续到下一个周期。
下个周期将重新恢复,形成所谓“逐脉冲电流控制”。
2.8 通断控制电路及热沉端
ON/OFF 端(7 脚)为低电平时芯片才工作,阈值电压为2.4V。
本电路被直接接地,不进行控制。
热沉端也被直接接地,以获取较好的热稳定性。
芯片的5、6、15、16 脚内部是短接的,四个热沉端通过5 脚接地。
相关电路如图9所示:
图9 通断控制电路
2.9开关管驱动电路
电源变换器部分是一个简单的单开关降压型隔离变换器。
开关管规格:2SK1939(2501),富士电机产品,MOS,N 沟道,电压600V, 8A,功率100W。
芯片的图腾柱输出脚2 驱动MOSFET 管栅极,开关管驱动隔离变压器原边绕组1-3,主绕组上
并联的RC 电路用于提供泄放通路。
开关管驱动电路如图10所示:
图10 开关管驱动电路
2.10 电源输出电路
电源输出电路如图11所示。
图11中,整流部分的上面两个二极管用于整流,下面两个则用于提供在开关管关断期间(变压器没有输出)提供滤波电感的续流通路。
电感器及电解电容(2200uF,10V)用于滤波,加上两个二极管的续流作用,可以获得尽可能连续的电流。
从输出电路看,这是一个Buck(降压)式开关电源。
实际输出为5VDC。
电源输出电压由光电1、基准电源器件及电位器部分来控制,调节电位器可以在一定范围内调整输出电压。
光电2、稳压管部分用于获得反馈OVP 信号,稳压管的稳压值决定了OVP 保护动作点。
图11 电源输出电路
推荐使用足功率-枭峰-5V40A200W电源
我们所说一台5V40A电源带12张板计算方法是,P10半户外单元板的电流是3.2A,功率是16W,
3.3A X 12 = 38.4A ^^^ 16W X12 =192W 工作时不超电源功率。
4.8A的P10单红可以带8张40\4.8A=8.33张
3.2A的P10单红可以带12张40\3.2A=12.5张
2.6A的P10单红可以带15张40\2.6A=15.38张。