返工返修通知单
- 格式:docx
- 大小:11.94 KB
- 文档页数:1
返工、返修处理程序(ISO9001-2015)1.目的为了明确返工返修过程,通过对返工返修过程产品类别、数量、工时标准的有效控制,降低生产成本,使返工返修流程更加顺畅,以保证返工返修品的质量。
2.适用范围适用于生产过程产生的不符合质量要求的零部件、半成品、成品以及客户退货不合格品的返工返修作业处理。
3.定义:3.1不合格品:不符合顾客要求或规定的产品,本车间包括:客退品;质量检验不合格产品;制造过程中产生的不良品;按顾客要求的改制品;因设计、工艺变更可以转用为其它产品的在库品或者在制品;长期库存品。
3.2 返工:指为使不合格产品符合要求而对其采取的措施,返工后的产品一定是合格品。
3.3 返修:指为使不合格品满足预期用途而对其采取的措施,返修后的产品可以满足预期用途,但不一定是合格品。
包括对以前是合格的产品,为重新使用所采取的修复措施,如作为维修的一部分。
可影响或改变不合格产品的某些部分。
3.4批量是指公司(或车间)在一定时期内,一次出产的、在质量、结构和制造方法上完全相同产品(或零部件)的数量。
具有多品种加工能力,成批轮番加工制造产品的生产类型,其批量大小不一,一般同时采用专用设备及通用设备进行生产,按每种产品每次投入生产的数量,分为大批量生产、中批量生产和小批量生产三种。
4.权责:4.1 质量部:负责在线不合格品的确认及相关不合格品处置方式的判定,数据收集,组织(生产/工程)等人员给出不合格品最终处理意见,返工返修过程品质跟踪,结果品质确认。
4.2生产班组及仓储:负责不合格品的标识与隔离,数据统计(包括不良数据、返工返修工时统计等),按照返工返修方案负责实施返工返修作业。
4.3 工艺工程(技术室):负责制程及检验中出现的不合格品原因分析,制定出纠正措施;出具返工策略单和返修、返工指导性文件(SOP)指导生产作业返工。
4.4 车间计调:负责返工返修作业管制,调度生产资源、安排返工返修。
4.5财务部:负责返工成本核算, 按月统计汇总返工返修费用。
1.目的本管理规定规范了产品返工或返修的过程,以防止“问题”或“隐患”产品的错用、误用,提高客户满意度;本管理规定中的返工/返修产品,是指可返工或返修的生产中的不良品及客户退回的经评审可返工/返修的产品。
2.适用范围本管理规定适用于本公司所有加工产品。
3.职责3.1由生产工艺部制订《返工/返修作业指导书》,规定返工/返修作业要求和重新检验要求;3.2生产部将《返工/返修作业指导书》放置在返工工位处,易于得到;3.3产生不良品的部门,按照《返工/返修作业指导书》安排返工/返修;3.4产品返工/返修完毕后,检验员重新检验并做好记录;3.5仓库对不合格品进行实物报废,填写“报废单”。
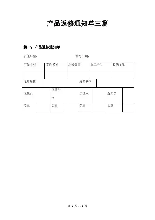
4.作业要求4.1检验员对需返工/返修的产品做好标识,向生产部发出“返工/返修通知单”,生产部负责组织产品的返工/返修;4.2质量部依据“客户退货信息”,对于客户退回的可返工/返修的产品,向生产部发出“返工/返修通知单”或“返修工令单”,由生产部安排返工/返修;质量部组织检查仓库里同批次的产品,如存在同样的问题,则同时返工/返修;4.3返工/返修须按《返工/返修作业指导书》进行。
返工开始前操作工需做首件自检,检验员确认合格后方可进行返工作业;4.4质量部相关人员需跟踪整个返工/返修过程,并保证所有需返工/返修的产品都进行了处理;4.5所有返工/返修的动作都须被记录,包括产品的不良描述,人员,使用的工具、方法,时间及客户等相关信息,在“返工/返修通知单”上做好记录;4.6返工/返修完毕后,检验员按《返工/返修作业指导书》中规定的检验项目和方式重新检验并做好记录,检验合格后才允许放行。
在没有得到顾客批准前,不应将外观可见返工痕迹产品作为合格件。
4.7经检验合格的返工/返修产品,做好标识单独流转;如返工后产品数量短缺,须进行补货。
4.8对返工/返修后仍不合格的产品,检验员填写“不合品评审单”,报相关部门会签确认,评审确定无法返修处理的,则由质量部填写“报废单”,经总经理批准后报废。
返工返修管理规定 The document was finally revised on 2021
返工/返修管理规定
1目的
为降低公司损失成本,对不合格品采取一定的措施后,使其符合要求或满足预期使用。
2范围
生产过程中不合格半成品、成品。
3职责和权限
单件、简单产品的返工/返修,由品管部门负责开出返工/返修通知单。
批量或复杂产品的返工/返修,由技术部门判定定返工/返修工艺。
生产单位负责返工/返修的实施。
品管部门负责返工/返修完成后产品的验证。
生产单位负责记录返工/返修的所有数据。
4 内容和要求
生产单位指定专人返修作业,其他作业员自己不能够返工/返修或拆卸任何产品。
单件、简单产品的返工/返修,由品管部门负责开出返工/返修通知单,注明返修方法、部位,交线长安排返修人员返修。
批量或复杂产品的返工/返修,由技术部门判定返工/返修工艺。
详细说明不合格品的返工/返修流程,过程不良产生原因分析报告以及注意事项,以利于现场作业人员有所依循。
生产单位接收需返工产品后,张贴‘返工物料’标识,在返工工站返修。
复检
产品返修完成后,通知车间线长及检验人员全检。
返工产品的质量要求依据产品图纸要求,满足客户WI文件使用要求为准。
返工/返修产品须经检验员检验合格后,才可继续进一步加工和使用。
复检不合格,经检验不合格,依据《不合格品管理程序》管理。
编制:审核:批准:。