常用焊缝的基本符号及标注方法
- 格式:doc
- 大小:172.00 KB
- 文档页数:11
常用焊缝符号及其标注方法基本符号就是表示焊缝横截面形状得符号,常用基本符号见表1。
表1 常用基本符号序号名称示意图符号1 角焊缝2 点焊缝3 Ⅰ形焊缝4 V形焊缝5单边V形焊缝6 带钝边V形焊缝7 缝焊缝序号名称示意图符号8 塞焊缝或槽焊缝9 封底焊缝10 喇叭形焊缝11 单边喇叭形焊缝4、1、2在焊接标注时,焊缝得基本符号必须标注。
4、1、3 对于需要开坡口得焊缝,当设计对坡口形状有特殊要求时,则应在技术图样中画出焊缝坡口得断面图,并明确各项要求;设计对坡口形状无特殊要求时,则技术图样中不做规定,应由工艺人员在工艺文件中予以明确。
4、2 辅助符号4、2、1 辅助符号就是表示焊缝表面形状特征得符号,见表2。
表2 辅助符号序号名称示意图符号标注示例说明1平面符号平面V形对接焊缝一般通过加工保证2 凹面符号凹面角焊缝3 凸面符号凸面V形对接焊缝4、2、2 对焊缝得表面无要求时,则不标注辅助符号。
4、3 补充符号4、3、1 补充符号就是为了补充说明焊缝得某些特征而采用得符号,见表3。
4、3、2 当焊缝具有表3所列特征时,则必须标注相应得补充符号。
表3 补充符号序号名称示意图符号标注示例说明1 带垫板符号V形对接焊缝,底面有垫板2三面焊缝符号工件三面施角焊缝,焊接方法为手工电弧焊3 周围焊缝符号沿工件周围施角焊缝4 尾部符号(同上述三面焊缝符号) 标注焊接方法及处数N等说明4、4 尺寸符号4、4、1 常用尺寸符号见表4,表中各尺寸符号,在图样中应标出具体数值。
表4 焊缝尺寸符号序号名称示意图符号标注示例说明1 焊脚尺寸K角焊缝焊脚尺寸为K2 焊缝宽度焊缝厚度cSⅠ形焊缝焊缝宽为c焊缝厚为S3 熔核直径 d 塞焊缝熔核直径d 点焊缝焊点直径d4焊缝间距 e角焊缝焊脚尺寸为K焊缝长度为l焊缝间距为e焊缝段(点)数n 5焊缝长度l6焊缝段(点)数n7 相同焊缝处数 d 角焊缝焊脚尺寸为K相同焊缝处数为N4、4、2 确定焊缝位置得尺寸不在焊缝符号中给出,而就是将其标注在图样上。
IMM国际煤机集团郑州四维设计研究院内部培训2009年12月16日焊缝符号的表示方法一、焊缝符号1.基本符号-是用来表示焊缝横截面形状的符号(如角焊缝、坡口焊等)2.辅助符号-是用来表示焊缝表面形状特征的符号(如坡口焊符号上加一水平线表示焊平等)3.补充符号-是用来补充说明焊缝的某些特征的符号(三面焊符号、周围焊符号等)1.常用的基本符号(见表一)1.1角焊缝1.1.1基本符号1.1.2焊缝型式1.1.3标注方法1.2 V形焊缝(双边坡口焊)1.2.1基本符号1.1.2焊缝型式1.1.3标注方法1.3单边V形焊缝(单边坡口焊)1.3.1基本符号1.3.2焊缝型式1.3.3标注方法按照设液压支架设计规范11.1.17,“外露焊缝尽量不留缺口”的原则如:顶梁中的横筋和主筋一样高时筋板就要倒角(能用标准板时用B2或B3)1.4带钝边J形焊缝1.3.1基本符号1.3.2焊缝型式1.3.3标注方法1.5塞焊缝或槽焊缝1.5.1基本符号1.5.2焊缝型式1.5.3标注方法表一:常用的基本符号2.辅助符号-是用来表示焊缝表面形状特征的符号(见表二)平面符号、凹面符号、凸面符号表二:辅助符号3.补充符号――是用来补充说明焊缝的某些特征的符号(见表三)如周围焊,三面焊,现场焊等表三:补充符号二|、符号在图样上的位置1、基本要求完整的焊缝表示方法除了上述基本符号、辅助符号、补充符号外,还包括指引线,一些尺寸符号及数据。
指引线一般由带有箭头的指引线(简称箭头线)和两条基准线(一条为实线,一条为虚线)两部分组成。
(见图1)。
图1:指引线2箭头线和接头的关系(见图2)2.1接头的箭头侧2.2接头的非箭头侧3.箭头线的位置箭头线相对焊缝的位置一般没有特殊要求,但是在标注V、J形焊缝时,箭头线应指向带有坡口一侧的工件。
见图3(a)必要时,允许箭头线弯折一次见图3(b)。
4.基准线的位置(见图4)基准线的虚线可以画在基准线的实线下侧,也可以画在实线的上侧。
常用焊缝符号及其标注方法1.焊缝符号的种类:常用的焊缝符号包括长焊缝、短焊缝、T型焊缝、角焊缝、对接焊缝、对角焊缝、搭接焊缝、角胸焊缝等。
这些焊缝符号通常用于表示不同形状和位置的焊缝。
2.焊缝符号的标注方法:常用的标注方法包括使用箭头、线条和文字来表示焊缝的形状和位置。
具体标注方法如下:(1)长焊缝:使用一根带箭头的直线来表示。
箭头指向焊接的位置,并在箭头上注明焊缝的尺寸。
(2)短焊缝:使用一根带箭头的斜线来表示。
箭头指向焊缝的位置,并在箭头上注明焊缝的尺寸。
(3)T型焊缝:使用一根带箭头的直线和一根竖线组合来表示。
直线表示焊缝的位置和尺寸,竖线表示搭接部分的位置。
(4)角焊缝:使用两根带箭头的直线和一个竖线组合来表示。
两根直线分别表示焊缝的位置和尺寸,竖线表示角焊缝的位置。
(5)对接焊缝:使用两根带箭头的直线和一根横线来表示。
两根直线分别表示焊缝的位置和尺寸,横线表示对接面的位置。
除了上述的基本标注方法外,还可以根据需要进行补充标注,如标明焊缝的深度、符号的大小和比例等。
3.焊缝符号的标尺:为了使焊缝符号能够清晰可见并符合设计要求,通常需要根据工程图纸的比例绘制符号标尺。
标尺可以使用标准尺寸或特定比例来表示焊缝的大小和尺寸。
4.焊缝符号的位置:焊缝符号应该清晰可见,并在工程图纸上与相关标注和尺寸配合使用。
通常,焊缝符号应该位于焊缝的起始端,并在焊缝附近的合适位置进行标注。
总结:在工程设计和制图中,焊缝符号的正确标注是确保焊接质量和工艺正确的重要保证。
通过使用合适的焊缝符号和标注方法,可以准确传达设计要求,指导焊接工作,并提高焊接质量。
因此,对于工程设计人员和焊接工人来说,熟悉常用的焊缝符号及其标注方法是非常重要的。
常用焊缝符及其标注方法全焊缝符号是指对焊接过程中产生的焊缝进行标记和表示的一种方法,常用的焊缝符号主要有直缝、搭接缝、角焊缝、对焊缝和环焊缝等。
下面将对常用焊缝符号及其标注方法进行详细介绍。
1.直缝焊缝符号:直缝焊缝符号表示两个零件通过直缝焊接的连接方式。
标注时通常使用一条直线表示焊缝,并在焊缝上方加上符号"W"表示焊接方法,下方加上符号"XX"表示焊缝尺寸。
例如,一个直缝焊缝符号为直线上方加"W",下方加"6",表示使用焊接方法W,焊缝尺寸为6mm。
2.搭接焊缝符号:搭接焊缝符号表示通过将两个零件搭接在一起,然后进行焊接的连接方式。
标注时使用一条横线表示焊缝,而且焊缝上方和下方都需要进行标注。
上方标注加上符号"W"表示焊接方法,下方标注加上符号"XY"表示焊缝尺寸。
例如,一个搭接焊缝符号为横线上方加"W",下方加"8X10",表示使用焊接方法W,焊缝尺寸为8mm(横向)和10mm(纵向)。
3.角焊缝符号:角焊缝符号表示通过将两个零件以角度焊接在一起的连接方式。
标注时使用一个三角形表示焊缝,并在三角形上方加上符号"W"表示焊接方法,下方加上符号"ZZ"表示焊缝尺寸。
例如,一个角焊缝符号为三角形上方加"W",下方加"8",表示使用焊接方法W,焊缝尺寸为8mm。
4.对焊缝符号:对焊缝符号表示通过将两个零件对接在一起进行焊接的连接方式。
标注时使用两条平行线表示焊缝,并在焊缝上方加上符号"W"表示焊接方法,下方加上符号"AB"表示焊缝尺寸。
例如,一个对焊缝符号为两条平行线上方加"W",下方加"4X6",表示使用焊接方法W,焊缝尺寸为4mm(横向)和6mm(纵向)。
常⽤焊缝符号及其标注⽅法(全)要点常⽤焊缝符号及其标注⽅法基本符号是表⽰焊缝横截⾯形状的符号,常⽤基本符号见表1。
表1 常⽤基本符号序号名称⽰意图符号1 ⾓焊缝2 点焊缝3 Ⅰ形焊缝4 V形焊缝5 单边V形焊缝6 带钝边V形焊缝7 缝焊缝表1(完)常⽤基本符号序号名称⽰意图符号8 塞焊缝或槽焊缝9 封底焊缝10 喇叭形焊缝11 单边喇叭形焊缝4.1.2 在焊接标注时,焊缝的基本符号必须标注。
4.1.3 对于需要开坡⼝的焊缝,当设计对坡⼝形状有特殊要求时,则应在技术图样中画出焊缝坡⼝的断⾯图,并明确各项要求;设计对坡⼝形状⽆特殊要求时,则技术图样中不做规定,应由⼯艺⼈员在⼯艺⽂件中予以明确。
4.2 辅助符号4.2.1 辅助符号是表⽰焊缝表⾯形状特征的符号,见表2。
表2 辅助符号序号名称⽰意图符号标注⽰例说明1 平⾯符号平⾯V形对接焊缝⼀般通过加⼯保证2 凹⾯符号凹⾯⾓焊缝3 凸⾯符号凸⾯V形对接焊缝4.2.2 对焊缝的表⾯⽆要求时,则不标注辅助符号。
4.3 补充符号4.3.1 补充符号是为了补充说明焊缝的某些特征⽽采⽤的符号,见表3。
4.3.2 当焊缝具有表3所列特征时,则必须标注相应的补充符号。
表3 补充符号序号名称⽰意图符号标注⽰例说明1 带垫板符号 V形对接焊缝,底⾯有垫板2 三⾯焊缝符号⼯件三⾯施⾓焊缝,焊接⽅法为⼿⼯电弧焊3 周围焊缝符号沿⼯件周围施⾓焊缝4 尾部符号(同上述三⾯焊缝符号)标注焊接⽅法及处数N等说明4.4 尺⼨符号4.4.1 常⽤尺⼨符号见表4,表中各尺⼨符号,在图样中应标出具体数值。
表4 焊缝尺⼨符号序号名称⽰意图符号标注⽰例说明1 焊脚尺⼨K⾓焊缝焊脚尺⼨为K2焊缝宽度焊缝厚度cSⅠ形焊缝焊缝宽为c焊缝厚为S3 熔核直径 d 塞焊缝熔核直径d点焊缝焊点直径d4 焊缝间距 e⾓焊缝焊脚尺⼨为K焊缝长度为l焊缝间距为e焊缝段(点)数n5 焊缝长度l6 焊缝段(点)数n7 相同焊缝处数 d ⾓焊缝焊脚尺⼨为K 相同焊缝处数为N4.4.2 确定焊缝位置的尺⼨不在焊缝符号中给出,⽽是将其标注在图样上。
常用焊缝符号及其标注方法(全)常用焊缝符号及其标注方法基本符号是表示焊缝横截面形状的符号,常用基本符号见表1。
表 1 常用基本符号序号名称示意图符号 1 角焊缝 2 点焊缝 3 Ⅰ形焊缝 4 V形焊缝 5 单边V形焊缝 6 带钝边V 形焊缝7 缝焊缝表1 常用基本符号序号名称示意图符号8 塞焊缝或槽焊缝9 封底焊缝10 喇叭形焊缝11 单边喇叭形焊缝在焊接标注时,焊缝的基本符号必须标注。
对于需要开坡口的焊缝,当设计对坡口形状有特殊要求时,则应在技术图样中画出焊缝坡口的断面图,并明确各项要求;设计对坡口形状无特殊要求时,则技术图样中不做规定,应工艺人员在工艺文件中予以明确。
辅助符号辅助符号是表示焊缝表面形状特征的符号,见表2。
表2 辅助符号序号名称示意图符号标注示例说明 1 平面符号平面V形对接焊缝一般通过加工保证 2 凹面符号凹面角焊缝 3 凸面符号凸面V形对接焊缝对焊缝的表面无要求时,则不标注辅助符号。
补充符号补充符号是为了补充说明焊缝的某些特征而采用的符号,见表3。
当焊缝具有表3所列特征时,则必须标注相应的补充符号。
表 3 补充符号序号名称示意图符号标注示例说明 1 带垫板符号V形对接焊缝,底面有垫板工件三面施角2 三面焊缝符号焊缝,焊接方法为手工电弧焊 3 周围焊缝符号沿工件周围施角焊缝 4 尾部符号标注焊接方法及处数N等说明尺寸符号常用尺寸符号见表4,表中各尺寸符号,在图样中应标出具体数值。
表4 焊缝尺寸符号序号名称示意图符号标注示例角焊缝 1 焊脚尺寸K 焊脚尺寸为K 说明焊缝宽度 2 焊缝厚度 c S Ⅰ形焊缝焊缝宽为 c 焊缝厚为S 塞焊缝熔核直径d 点焊缝焊点直径 d 3 熔核直径 d 4 焊缝间距e 角焊缝焊脚尺寸为K 5 焊缝长度l 焊缝长度为l 焊缝间距为e 焊缝段(点)数n 6 焊缝段(点)数n 角焊缝焊脚尺寸为K 7 相同焊缝处数 d 相同焊缝处数为N 确定焊缝位置的尺寸不在焊缝符号中给出,而是将其标注在图样上。
九经常使用焊缝符号及其标注方法之蔡仲巾千创作1 总则1.1焊接标注应明确地暗示所要说明的焊缝, 而且不使图样增加过多的注解.1.2焊缝符号一般由基本符号与指引线组成.需要时还可以加上辅助符号、弥补符号和尺寸符号等.1.3焊接符号包括所有用于焊接标注的符号、代号及数据;焊接标注包括焊接符号的标注及各种说明.GB/T 324和GB/T 12212的相关规定执行.1.5在产物图样及设计文件中, 一般不规定焊接方法(其技术条件中应注明焊接的技术要求), 由工艺部份确定具体焊接工艺(包括焊接方法), 需要时, 产物图样及设计文件中也可给出焊接方法.焊接方法的标注按GB/T 5185.2 焊缝符号2.1基本符号2.1.1基本符号是暗示焊缝横截面形状的符号, 经常使用基本符号见表1.表1 经常使用基本符号1 角焊缝2 点焊缝3 Ⅰ形焊缝4 V形焊缝表1(续)经常使用基本符号序号名称示意图符号5 单边V形焊缝6 带钝边V形焊缝7 缝焊缝8 塞焊缝或槽焊缝9 封底焊缝10 喇叭形焊缝11 单边喇叭形焊缝2.1.2在焊接标注时, 焊缝的基本符号必需标注.2.1.3对需要开坡口的焊缝, 当设计对坡口形状有特殊要求时,则应在技术图样中画出焊缝坡口的断面图, 并明确各项要求;设计对坡口形状无特殊要求时, 则技术图样中不做规定, 应由工艺人员在工艺文件中予以明确.2.2 辅助符号, 见表2.表2 辅助符号序号名称示意图符号标注示例说明1 平面符号平面V形对接焊缝一般通过加工保证2 凹面符号凹面角焊缝3 凸面符号凸面V形对接焊缝2.2.2 对焊缝的概况无要求时, 则不标注辅助符号.2.3 弥补符号, 见表3.2.3.2当焊缝具有表3所列特征时, 则必需标注相应的弥补符号.表3 弥补符号序号名称示意图符号标注示例说明1 带垫板符号 V形对接焊缝, 底面有垫板2 三面焊缝符号工件三面施角焊缝, 焊接方法为手工电弧焊3 周围焊缝符号沿工件周围施角焊缝4 尾部符号(同上述三面焊缝符号)标注焊接方法及处数N等说明2.4 尺寸符号2经常使用尺寸符号见表4, 表中各尺寸符号, 在图样中应标出具体数值.表4 焊缝尺寸符号序号名称示意图符号标注示例说明1 焊脚尺寸K 角焊缝焊脚尺寸为K2 焊缝宽度焊缝厚度cSⅠ形焊缝焊缝宽为c焊缝厚为S3 熔核直径 d 塞焊缝熔核直径d 点焊缝焊点直径d4 焊缝间距 e角焊缝焊脚尺寸为K焊缝长度为l焊缝间距为e焊缝段(点)数n5 焊缝长度l6 焊缝段(点)数n7 相同焊缝处数 d 角焊缝焊脚尺寸为K 相同焊缝处数为N2确定焊缝位置的尺寸不在焊缝符号中给出, 而是将其标注在图样上.2.4.3 塞焊缝、槽焊缝带有斜边时, 应该标注孔底部的尺寸.3焊接符号在图样上的暗示及其标注3.1指引线完整的焊接标注除上述基本符号、辅助符号、弥补符号、尺寸符号及数据以外, 还包括指引线及需要的说明.指引线一般由带有箭头的指引线(箭头线)和两条基准线(一条为细实线, 另一条为虚线)组成, 两条基准线间隔为2b(b为视图轮廓线宽度), 见图 1.基准线一般应与图样的底边相平行, 但在特殊条件下亦可与底边相垂直.细实线基准线虚线基准线(可省略)箭头线(细实线)图1 指引线3.1.2 箭头线与焊缝的关系a)焊缝在箭头侧:如图2(a)所示, 即箭头线指在焊缝上;b)焊缝在非箭头侧:如图2(b)所示, 即箭头线指在焊缝的反面.图2 带单角焊缝的T型接头3.1.3 箭头线的位置a)箭头线相对焊缝的位置一般无特殊要求, 可是在标注形焊缝时, 箭头线应指向带有坡口一侧的工件, 见图3.b)需要时, 允许箭头线弯折一次, 见图4.(a)(b)图3 箭头线的位置图4 弯折的箭头3.2 焊缝在图样上的暗示3除点焊缝、缝焊缝、塞焊缝和槽焊缝以外的各种焊缝, 在图样上暗示时, 应符合下述规定:a)可见焊缝纵向可用2b~2.5b等粗的实线暗示(可使用区别于黑色的颜色)见图5(a);b)不偏见焊缝纵向可用2b~2.5b等粗的粗虚线暗示, 见图5(b);c)焊缝的横截面应按焊缝实际截面形状绘制并涂黑, 见图5(c).需要时, 可用细实线画出焊接前的坡口形状等, 见图5(d).a)(b)(c)(d)图5 焊缝图示法3点焊缝、缝焊缝、塞焊缝和槽焊缝, 在其径向位置应用粗实线的“+”暗示, 在其长度方向位置应用细点划线暗示.3如果焊缝在一个视图上已表达清楚, 允许在其它视图上省略. 3.3 基本符号在基准线上的暗示3.3.1经常使用基本符号的画法及比例, 见表5.表5 经常使用基本符号的画法及比例名称符号名称符号角焊缝缝焊缝点焊缝塞焊缝Ⅰ形焊缝封底焊缝表5(续)经常使用基本符号的画法及比例名称符号名称符号单边V形焊缝V形焊缝 45°喇叭形焊缝钝边V形焊缝单边喇叭形焊缝注1:表中尺寸b为视图轮廓线的宽度, 一般为0.5mm, 下同.注2:辅助符号和弥补符号的年夜小尺寸, 可参照本表和GB/T 12212执行.注3:各种焊缝符号的画法及比例一般不随技术图样的绘图比例变动而变动.3.3.2基本符号在基准线上的暗示如下:a)如果焊缝在箭头侧, 则将基本符号标在基准线的细实线侧, 见图6(a);b)如果焊缝在接头的非箭头侧(即不偏见焊缝), 则将基本符号标在基准线的虚线侧, 见图6(b);c)标对称焊缝及双面焊缝时, 可省略虚线基准线, 见图6(c).3当在图样上已采纳图示法绘出焊缝时, 应同时标注焊缝符号, 见图6.3各种符号相对基准线的位置见图7.图7 符号相对基准线的位置3尾部符号标于箭头线的尾部, 而且以90°开口对称于基准线.3基准线上所标注各种焊缝符号的位置和方向不随箭头线方向的变动而变动;尾部符号处标注的内容也不随尾部方向的变动而改变上下左右的书写顺序.当基本符号(辅助符号、弥补符号)标注在基准线下方时, 其方向应与标注在基准线上方时相对称.双面符号只能标注基础件一侧的焊接, 在基础件两侧的焊接不能用双面符号, 见图8.基础件正确错误图8 双面符号的标注焊接标注的焊缝符号按3.3.1的规定,其数字和字符与图样中的相应数字和字符的型式、字体宽度和字体高度相一致.3当需要标注的尺寸数据较多又不容易分辨时, 应在数据前面增加相应的尺寸符号.3.4.9焊缝符号的标注尽可能简化.3.4.10在基本符号的右侧无任何标注且又无其他说明时, 意味着焊缝在工件的整个长度上是连续的.3在基本符号的左侧无任何标注且又无其他说明时, 暗示对接焊缝要完全焊透.3.4.12当对焊缝段(点)数无严格要求时, 允许省略.焊缝符号中的尾部符号后的(不带括号)数字暗示焊接方法, 带括号的数字暗示焊接处数.在不致引起误解的情况下可省略虚线基准线及“(N )”的括号.3.4.14在焊缝符号中标注交错对称焊缝的尺寸时, 允许在基准线上只标注一次.当同一图样中全部焊缝相同且已用图示法明确暗示其位置时, 可统一在技术要求中用符号表示或用文字说明,如“全部焊缝为 5 ”;当部份焊缝相同时, 也可采纳同样的方法暗示, 但剩余焊缝应在图样中明确标注. 3焊缝段(点)的特殊分布要求(如:左右对称, 焊点均布), 可在尾部符号处用文字简明注出.3需要时, 可给出焊条或焊丝的牌号并标注在基准线的上方或下方、与基本符号相反的一侧.3在同一图样中, 当若干条焊缝的坡口尺寸和焊缝符号均相同时, 可采纳在焊缝符号的尾部加注相同焊缝数量的方法简化标注, 其他形式的焊缝, 仍需分别标注. 4 经常使用焊接方法代号焊接方法代号按GB/T 5185, 经常使用焊接方法及其代号见表6.表6 经常使用焊接方法及其代号创作时间:二零二一年六月三十日创作时间:二零二一年六月三十日。
常用焊缝符号及其标注方法基本符号是表示焊缝横截面形状的符号,常用基本符号见表1。
表1 常用基本符号序号名称示意图符号1 角焊缝2 点焊缝3 Ⅰ形焊缝4 V形焊缝5 单边V形焊缝6 带钝边V形焊缝7 缝焊缝序号名称示意图符号8 塞焊缝或槽焊缝9 封底焊缝10 喇叭形焊缝11 单边喇叭形焊缝4.1.2 在焊接标注时,焊缝的基本符号必须标注。
4.1.3 对于需要开坡口的焊缝,当设计对坡口形状有特殊要求时,则应在技术图样中画出焊缝坡口的断面图,并明确各项要求;设计对坡口形状无特殊要求时,则技术图样中不做规定,应由工艺人员在工艺文件中予以明确。
4.2 辅助符号4.2.1 辅助符号是表示焊缝表面形状特征的符号,见表2。
表2 辅助符号序号名称示意图符号标注示例说明1 平面符号平面V形对接焊缝一般通过加工保证2 凹面符号凹面角焊缝3 凸面符号凸面V形对接焊缝4.2.2 对焊缝的表面无要求时,则不标注辅助符号。
4.3 补充符号4.3.1 补充符号是为了补充说明焊缝的某些特征而采用的符号,见表3。
4.3.2 当焊缝具有表3所列特征时,则必须标注相应的补充符号。
表3 补充符号序号名称示意图符号标注示例说明1 带垫板符号 V形对接焊缝,底面有垫板2 三面焊缝符号工件三面施角焊缝,焊接方法为手工电弧焊3 周围焊缝符号沿工件周围施角焊缝4 尾部符号(同上述三面焊缝符号)标注焊接方法及处数N等说明4.4 尺寸符号4.4.1 常用尺寸符号见表4,表中各尺寸符号,在图样中应标出具体数值。
表4 焊缝尺寸符号序号名称示意图符号标注示例说明1 焊脚尺寸K角焊缝焊脚尺寸为K2焊缝宽度焊缝厚度cSⅠ形焊缝焊缝宽为c焊缝厚为S3 熔核直径 d 塞焊缝熔核直径d点焊缝焊点直径d4 焊缝间距 e角焊缝焊脚尺寸为K焊缝长度为l焊缝间距为e焊缝段(点)数n5 焊缝长度l6 焊缝段(点)数n7 相同焊缝处数d角焊缝焊脚尺寸为K相同焊缝处数为N4.4.2 确定焊缝位置的尺寸不在焊缝符号中给出,而是将其标注在图样上。
常用焊缝符号及其标注方法基本符号是表示焊缝横截面形状的符号,常用基本符号见表1;表1 常用基本符号序号名称示意图符号1 角焊缝2 点焊缝3 Ⅰ形焊缝4 V形焊缝5 单边V形焊缝6 带钝边V形焊缝7 缝焊缝表1完常用基本符号序号名称示意图符号8 塞焊缝或槽焊缝9 封底焊缝10 喇叭形焊缝11 单边喇叭形焊缝在焊接标注时,焊缝的基本符号必须标注;对于需要开坡口的焊缝,当设计对坡口形状有特殊要求时,则应在技术图样中画出焊缝坡口的断面图,并明确各项要求;设计对坡口形状无特殊要求时,则技术图样中不做规定,应由工艺人员在工艺文件中予以明确;辅助符号辅助符号是表示焊缝表面形状特征的符号,见表2;表2 辅助符号序号名称示意图符号标注示例说明1 平面符号平面V形对接焊缝一般通过加工保证2 凹面符号凹面角焊缝3 凸面符号凸面V形对接焊缝对焊缝的表面无要求时,则不标注辅助符号;补充符号补充符号是为了补充说明焊缝的某些特征而采用的符号,见表3;当焊缝具有表3所列特征时,则必须标注相应的补充符号;表3 补充符号序号名称示意图符号标注示例说明1 带垫板符号 V形对接焊缝,底面有垫板2 三面焊缝符号工件三面施角焊缝,焊接方法为手工电弧焊3 周围焊缝符号沿工件周围施角焊缝4 尾部符号同上述三面焊缝符号标注焊接方法及处数N等说明尺寸符号常用尺寸符号见表4,表中各尺寸符号,在图样中应标出具体数值;表4 焊缝尺寸符号序号名称示意图符号标注示例说明1 焊脚尺寸K角焊缝焊脚尺寸为K2焊缝宽度焊缝厚度cSⅠ形焊缝焊缝宽为c焊缝厚为S3 熔核直径 d 塞焊缝熔核直径d点焊缝焊点直径d4 焊缝间距 e角焊缝焊脚尺寸为K焊缝长度为l焊缝间距为e焊缝段点数n5 焊缝长度l6 焊缝段点数n7 相同焊缝处数 d 角焊缝焊脚尺寸为K 相同焊缝处数为N确定焊缝位置的尺寸不在焊缝符号中给出,而是将其标注在图样上;4.4.3塞焊缝、槽焊缝带有斜边时,应该标注孔底部的尺寸;5 焊接符号在图样上的表示及其标注完整的焊接标注除了上述基本符号、辅助符号、补充符号、尺寸符号及数据以外,还包括指引线及必要的说明;指引线指引线一般由带有箭头的指引线箭头线和两条基准线一条为细实线,另一条为虚线组成,两条基准线间隔为2bb为视图轮廓线宽度,见图1;基准线一般应与图样的底边相平行,但在特殊条件下亦可与底边相垂直;细实线基准线虚线基准线可省略箭头线细实线图1 指引线箭头线和焊缝的关系a 焊缝在箭头侧:如图2a所示,即箭头线指在焊缝上;b 焊缝在非箭头侧:如图2b所示,即箭头线指在焊缝的背面;图2 带单角焊缝的T型接头5.1.2箭头线的位置a 箭头线相对焊缝的位置一般无特殊要求,但是在标注形焊缝时,箭头线应指向带有坡口一侧的工件,见图3;b 必要时,允许箭头线弯折一次,见图4;a b图3 箭头线的位置图4 弯折的箭头焊缝在图样上的表示除点焊缝、缝焊缝、塞焊缝和槽焊缝以外的各种焊缝,在图样上表示时,应符合下述规定:a 可见焊缝纵向可用2b~等粗的实线表示可使用区别于黑色的颜色见图5a;b 不可见焊缝纵向可用2b~等粗的粗虚线表示,见图5b;c 焊缝的横截面应按焊缝实际截面形状绘制并涂黑,见图5c;必要时,可用细实线画出焊接前的坡口形状等,见图5d;a b c d图5 焊缝图示法点焊缝、缝焊缝、塞焊缝和槽焊缝,在其径向位置应用粗实线的“+”表示,在其长度方向位置应用细点划线表示,见附录B提示的附录表B1序号15示例;如果焊缝在一个视图上已表达清楚,允许在其它视图上省略;基本符号在基准线上的表示常用基本符号的画法及比例,见表5;表5 常用基本符号的画法及比例名称符号名称 符号角焊缝 缝焊缝点焊缝 塞焊缝Ⅰ形焊缝 封底焊缝单边V 形焊缝 V 形焊缝45°喇叭形焊缝钝边V 形焊缝 单边喇叭形焊缝注:1 表中尺寸b 为视图轮廓线的宽度,一般为,下同;2 辅助符号和补充符号的大小尺寸,可参照本表和GB/T 12212执行;3 各种焊缝符号的画法及比例一般不随技术图样的绘图比例变化而变化;基本符号在基准线上的表示a 如果焊缝在箭头侧,则将基本符号标在基准线的细实线侧,见图6a ;b ) 如果焊缝在接头的非箭头侧即不可见焊缝,则将基本符号标在基准线的虚线侧,见图6b ;c ) 标对称焊缝及双面焊缝时,可省略虚线基准线,见图6c;焊缝标注原则当在图样上已采用图示法绘出焊缝时,应同时标注焊缝符号,见图6;各种符号相对于基准线的位置见图7;图7 符号相对于基准线的位置尾部符号标于箭头线的尾部,并且以90°开口对称于基准线;基准线上所标注各种焊缝符号的位置和方向不随箭头线方向的变化而变化;尾部符号处标注的内容也不随尾部方向的变化而改变上下左右的书写顺序;当基本符号辅助符号、补充符号标注在基准线下方时,其方向应与标注在基准线上方时相对称;5.4.6双面符号只能标注基础件一侧的焊接,在基础件两侧的焊接不能用双面符号,见图8;基础件正确图8 双面符号的标注焊接标注的焊缝符号按的规定,其数字和字符与图样中的相应数字和字符的型式、字体宽度和字体高度相一致;在CAD绘图中,属软件锁定的焊接符号与字符大小允许存在;当需要标注的尺寸数据较多又不易分辨时,应在数据前面增加相应的尺寸符号;焊缝符号的标注尽可能简化;在基本符号的右侧无任何标注且又无其他说明时,意味着焊缝在工件的整个长度上是连续的;在基本符号的左侧无任何标注且又无其他说明时,表示对接焊缝要完全焊透;当对焊缝段点数无严格要求时,允许省略;在不致引起误解的情况下可省略虚线基准线及“N”的括号;在焊缝符号中标注交错对称焊缝的尺寸时,允许在基准线上只标注一次,见附录B表B1序号6示例;当同一图样中全部焊缝相同且已用图示法明确表示其位置时,可统一在技术要求中用符号表示或用文字说明,如“全部焊缝为5 ”;当部分焊缝相同时,也可采用同样的方法表示,但剩余焊缝应在图样中明确标注;焊缝段点的特殊分布要求如:左右对称,焊点均布,可在尾部符号处用文字简明注出;必要时,可给出焊条或焊丝的牌号并标注在基准线的上方或下方、与基本符号相反的一侧,见附录B表B1序号23示例;在同一图样中,当若干条焊缝的坡口尺寸和焊缝符号均相同时,可采用在焊缝符号的尾部加注相同焊缝数量的方法简化标注,其他形式的焊缝,仍需分别标注,见附录B表B1序号24示例;附录A规范性附录常用焊接方法代号焊接方法代号按GB/T 5185,常用焊接方法及其代号见表A1;表A1 常用焊接方法及其代号附录B资料性附录标注示例常用焊接标注示例见表B1;表B1 焊接标注示例序号焊接标注示例说明111为无气体保护的电弧焊;焊缝截面形状为Ⅰ形;焊缝填满,整个工件长度连续施焊,外表面凸起,内表面为圆面;2111为手工电弧焊、角焊缝;沿工件圆周施焊,焊脚尺寸为2;注:虚线基准线可以省略;3角焊缝,三面有焊缝,共12处;111为手工电弧焊,整个工件接触长度连续施焊;注:焊脚尺寸未做要求;4上:角焊缝,焊脚尺寸为2,共2处,沿工件接触长度共5段连续施焊;下:角焊缝,焊脚尺寸为2,共2处,沿工件长度共1段连续施焊;表B1续焊接标注示例序号焊接标注示例说明5上:焊缝截面形状为单边喇叭形,焊脚尺寸为8,整个工件长度连续施焊;下:角焊缝,焊脚尺寸为3,三面有焊缝,整个工件长度连续施焊;6 5 35×50 30 双面角焊缝,对称交错,焊脚尺寸为5,焊缝段数为35,焊缝长度为50,焊缝间隔为30;7135为CO2气体保护焊MAG焊;焊缝截面形状为单边喇叭形,焊缝对称,焊脚尺寸为10,整个工件长度连续施焊,外表面为平面;8135为CO2气体保护焊MAG焊;焊缝截面形状为V形,焊缝厚度为3,外表面为凸形,沿工件圆周施焊;9111为手工电弧焊,焊缝截面形状为V形,整个工件长度连续施焊;注:焊缝在非箭头侧表B1续焊接标注示例10焊缝截面形状为圆柱形塞焊,塞焊直径为5,沿Фd圆周均布4个;1121为电阻点焊,焊点中心在两工件的接触面上,焊点直径为6,每排12个焊点,共4排左右各两排,左右对称沿汽车前进方向,焊点均布;12点焊缝,焊点中心偏离两工件接触面位置基本符号位置与偏离方向一致;点焊直径为5,共8点,点距、行距均为35;注:点焊缝符号已明确焊接方法,可不标注焊接方法代号;1321为电阻点焊在不至于引起误解时,可省略尾部标注;焊点中心在两工件的接触面上;焊点直径为5,共4点,沿Фd圆周均布;表B1续焊接标注示例14点焊缝,焊点直径为8,共5点,点距40、行距20;注:点距、行距尺寸,在图中若标注明确就不必在焊接标注中给出;15电阻点焊,焊点直径6,每处2个焊点,共3处;16缝焊缝,221为搭接缝焊即滚焊,焊缝中心在搭接接触面上,焊缝宽为6,在整个工件长度上连续施焊;17缝焊缝,焊缝中心向搭接面外偏离,焊缝宽为6,在整个工件长度上连续施焊;注:虚线基准线可以省略;1823为凸焊,焊缝横截面形状为Ⅰ形,对称焊缝,沿圆周施焊、焊透,共2处;表B1完焊接标注示例序号焊接标注示例说明1924为闪光对焊 ,焊缝截面形状为Ⅰ形,对称焊缝,外表面为圆柱面,共2处;2042为摩擦缝,焊缝截面形状为Ⅰ形,对称焊缝,外表面为圆柱面;21781为螺柱电弧焊,焊缝截面形状为直角三角形,焊脚尺寸为4,表面为凹形,沿工件圆周施焊;22782为螺柱电阻焊,焊缝截面形状为Ⅰ形;23角焊缝,焊脚尺寸为2,沿工件圆周施焊;钎焊方法由工艺决定;注:基准线下方标注是焊料牌号;24左:角焊缝,焊脚尺寸为5,焊缝长250,共4处;注:虚线基准线可以省略;右:单边V形焊缝,两面对称,焊缝厚度为5,焊缝长250;。
九经常使用焊缝符号及其标注方法宇文皓月1 总则1.1焊接标注应明确地暗示所要说明的焊缝,而且不使图样增加过多的注解。
1.2焊缝符号一般由基本符号与指引线组成。
需要时还可以加上辅助符号、弥补符号和尺寸符号等。
1.3焊接符号包含所有用于焊接标注的符号、代号及数据;焊接标注包含焊接符号的标注及各种说明。
1.4经常使用焊缝符号的采取及标注应按本尺度及GB/T 324和GB/T 12212的相关规定执行。
1.5在产品图样及设计文件中,一般不规定焊接方法(其技术条件中应注明焊接的技术要求),由工艺部分确定具体焊接工艺(包含焊接方法),需要时,产品图样及设计文件中也可给出焊接方法。
焊接方法的标注按GB/T 5185。
2 焊缝符号2.1基本符号2.1.1基本符号是暗示焊缝横截面形状的符号,经常使用基本符号见表1。
表1 经常使用基本符号1 角焊缝2 点焊缝3 Ⅰ形焊缝4 V形焊缝表1(续)经常使用基本符号序号名称示意图符号5 单边V形焊缝6 带钝边V形焊缝7 缝焊缝8 塞焊缝或槽焊缝9 封底焊缝10 喇叭形焊缝11 单边喇叭形焊缝2.1.2在焊接标注时,焊缝的基本符号必须标注。
2.1.3对于需要开坡口的焊缝,当设计对坡口形状有特殊要求时,则应在技术图样中画出焊缝坡口的断面图,并明确各项要求;设计对坡口形状无特殊要求时,则技术图样中不做规定,应由工艺人员在工艺文件中予以明确。
2.2 辅助符号2.2.1辅助符号是暗示焊缝概况形状特征的符号,见表2。
表2 辅助符号序号名称示意图符号标注示例说明1 平面符号平面V形对接焊缝一般通过加工包管2 凹面符号凹面角焊缝3 凸面符号凸面V形对接焊缝2.2.2 对焊缝的概况无要求时,则不标注辅助符号。
2.3 弥补符号2.3.1弥补符号是为了弥补说明焊缝的某些特征而采取的符号,见表3。
2.3.2当焊缝具有表3所列特征时,则必须标注相应的弥补符号。
表3 弥补符号序号名称示意图符号标注示例说明1 带垫板符号 V形对接焊缝,底面有垫板2 三面焊缝符号工件三面施角焊缝,焊接方法为手工电弧焊3 周围焊缝符号沿工件周围施角焊缝4 尾部符号(同上述三面焊缝符号)标注焊接方法及处数N等说明2.4 尺寸符号2.4.1经常使用尺寸符号见表4,表中各尺寸符号,在图样中应标出具体数值。
IMM国际煤机集团
郑州四维
设计研究院内部培训
2009年12月16日
焊缝符号的表示方法
一、焊缝符号
1.基本符号-是用来表示焊缝横截面形状的符号
(如角焊缝、坡口焊等)
2.辅助符号-是用来表示焊缝表面形状特征的符号
(如坡口焊符号上加一水平线表示焊平等)
3.补充符号-是用来补充说明焊缝的某些特征的符号
(三面焊符号、周围焊符号等)
1.常用的基本符号(见表一)
1.1角焊缝
1.1.1基本符号
1.1.2焊缝型式
1.1.3标注方法
1.2 V形焊缝(双边坡口焊)
1.2.1基本符号
1.1.2焊缝型式
1.1.3标注方法
1.3单边V形焊缝(单边坡口焊)
1.3.1基本符号
1.3.2焊缝型式
1.3.3标注方法
按照设液压支架设计规范11.1.17,“外露焊缝尽量不留缺口”的原则如:顶梁中的横筋和主筋一样高时筋板就要倒角(能用标准板时用B2或B3)1.4带钝边J形焊缝
1.3.1基本符号
1.3.2焊缝型式
1.3.3标注方法
1.5塞焊缝或槽焊缝
1.5.1基本符号
1.5.2焊缝型式
1.5.3标注方法
表一:常用的基本符号
2.辅助符号-是用来表示焊缝表面形状特征的符号(见表二)平面符号、凹面符号、凸面符号
表二:辅助符号
3.补充符号――是用来补充说明焊缝的某些特征的符号(见表三)
如周围焊,三面焊,现场焊等
表三:补充符号
二|、符号在图样上的位置
1、基本要求
完整的焊缝表示方法除了上述基本符号、辅助符号、补充符号外,还
包括指引线,一些尺寸符号及数据。
指引线一般由带有箭头的指引线(简称箭头线)和两条基准线(一条为实线,一条为虚线)两部分组成。
(见图1)。
图1:指引线
2箭头线和接头的关系(见图2)
2.1接头的箭头侧
2.2接头的非箭头侧
3.箭头线的位置
箭头线相对焊缝的位置一般没有特殊要求,但是在标注V、J形焊缝时,箭头线应指向带有坡口一侧的工件。
见图3(a)必要时,允许箭头线弯
折一次见图3(b)。
4.基准线的位置(见图4)
基准线的虚线可以画在基准线的实线下侧,也可以画在实线的上侧。
基准线一般应与图样的底边相平等,但在特殊条件下亦可与底边相垂直。
5.基本符号相对基准线的位置
a.如果焊在接头的箭头侧,则将基本符号标在基准线的实线侧(见图4 a);
b.如果焊颖在接头的非箭头侧,则将核苷酸符号标在基准线的虚线侧(见图4b)。
三、焊缝尺寸符号及其标注位置
1.一般要求
1.1基本符号必要时可附带有尺寸符号及数据
焊缝的尺寸符号见下表:
1.2焊缝尺寸符号及数据的标注原则
a.焊缝横截面上的尺寸标在基本符号的左侧;b.焊缝长度方向尺寸标在基本符号的右侧;c.相同焊缝数量符号标在尾部
(见图5)
四关于角焊缝的焊角高度
焊缝高度的选择,参见《液压支架设计规范》11.1.23和11.1.2411.1.23 焊缝高度选择
①强度焊缝:a 单面焊接时焊缝高度为板厚的85%~90%;
b 双面焊接时焊缝高度为板厚的70%~75%;
②连接焊缝:a 单面焊接时焊缝高度为板厚的70%~80%;
b 双面焊接时焊缝高度为板厚的50%~60%;
③焊缝高度不得大于20mm;
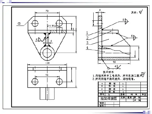
11.1.24挡销座采用高为12mm的周边角焊缝,挂环采用高为8mm的周边角焊缝。
五有特殊要求焊缝的标注
.
. 如挡销座,挡板座的标注。
六:焊缝抗拉强度
Q690板之间800MPa,Q550板之间700MPa,Q460板之间600MPa,Q460(如16Mn)以下板间用520MPa,强度高的板和强度低板间以强度低的板为基准。