涉密计算机管理整套表格--完整
- 格式:doc
- 大小:575.50 KB
- 文档页数:41
6—1 —1《XXX涉密计算机审批表》6—1 —2《XXX中间转换计算机审批表》6—1—3《XXX涉密移动存储介质、打印机、复印机审批表》6—1 —4《XXX涉密设备变更审批表》6—2—1《XX单位涉密计算机台帐》6—2—2《XX单位非涉密计算机台帐》6—2—3《XX单位中间转换计算机台帐》6—2—4《XX单位涉密移动存储介质台帐》6—2—5《XX单位非涉密移动存储介质台帐》6—2—6《XX单位涉密打印复印机台帐》6—2—7《XX单位非涉密打印机复印机传真机台帐》6—2—8《XX单位滤波电源台帐》6—2—9《XX单位电磁干扰设备台帐》6—3—1《XXX涉密设备维修、报废审批表》6—3—2《XXX涉密设备维修情况记录表》6—3—3《XXX涉密设备维修保密协议书》6—3—4《XXX涉密存储介质维修记录表》6—3—5《XXX涉密设备硬件新增或配置变动审批表》6—3—6《XXX涉密设备维修情况检查登记表》6—4—1《XXX涉密计算机可安装软件白名单》6—4—2《涉密计算机操作系统及不在白名单上的应用软件安装审批表》6-5-1《涉密计算机(中间转换计算机)刻录、打印审批单》6-5-2《涉密载体复制审批单》6-5-3《涉密计算机端口策略设置审批单》6-5-4《涉密打印机使用登记表》6-5-5《涉密复印机使用登记表》6-5-6《中间转换计算机刻录登记表》6-5-7《涉密计算机刻录登记表》6-6- 1《XXX涉密便携式计算机存储涉密信息审批表》6-6-2《XXX涉密便携式计算机和涉密移动存储介质携带外出审批表》6-6-3《XXX涉密便携式计算机和涉密移动存储介质外出携带检查表》6- 7- 1《XX单位涉密计算机操作系统或软件安装登记表》6-7- 2《XX单位涉密计算机病毒库或系统补丁升级登记表》6-7- 3《XX单位涉密计算机帐户设置登记表》6-7- 4《XX单位涉密计算机重新安装防护产品登记表》6-7- 5《XX单位涉密计算机重新安装防护产品登记表》6-7- 6《XX单位涉密存储介质注册登记表》6-7- 7《XX单位涉密计算机系统或USB-KEY军锁登记表》6-7- 8《XX单位涉密计算机策略设置变更登记表》6- 1- 1XXX涉密计算机审批表科研系统以项目组为单位填报,基层单位提出申请,由所在院(系)审查后报保密处终审;表一式三份,各职能部门、院(系)机关不填基层单位项,一式两份,审批完成后基层单位、院(系)部处、保密处各存档一份。
保密管理表格大全序号记录编号记录名称保存年限备注1 DXC01 保密教育培训记录长期2 DXC01涉密人员汇总表长期3 DXC01涉密人员资格审查表长期4 DXC01涉密人员岗位审批表长期5 DXC01涉密人员保密责任书长期6 DXC01涉密人员岗位变更审批表长期7 DXC01涉密人员因私出国(境)审批表长期长期DXC01涉密人员因私出国(境)保密教育8记录9 DXC01脱离涉密岗位保密承诺书长期10 DXC01秘密事项确定审批表长期11 DXC01秘密事项汇总表长期12 DXC01秘密事项密级变更审批表长期13 DXC01秘密载体台账长期14 DXC01秘密载体制作、复印审批表长期15 DXC01秘密载体收发登记表长期16 DXC01秘密载体携带外出审批表长期17 DXC01秘密载体销毁审批表长期18 DXC01秘密载体交付清单长期19 DXC01秘密载体传阅审批表长期20 DXC01秘密载体借阅审批表长期21 DXC01保密要害部门、部位审批表长期DXC01保密要害部门、部位撤销、变更审长期22批表23 DXC01保密要害部门、部位值班表长期24 DXC01保密要害部门、部位检查登记表长期长期DXC01外部人员进入保密要害部门、部位25审批表26 DXC01保密防护措施定期检查表长期27 DXC01涉密计算机审批表长期28 DXC01涉密计算机台账(分涉密和非密)长期DXC01中间机使用登记表(分涉密和非长期29密)长期DXC01涉密设备安装、拆装软硬件记录审30批表长期DXC01涉密计算机、办公自动化设备及移31动存储介质维修申请表32 DXC01涉密设备报废审批表长期DXC01使用涉密便携式计算机、涉密移动长期33存储介质审批表长期DXC01办公自动化设备台账(分涉密和非34密)35 DXC01传真件登记表长期36 DXC01对外交流、宣传资料保密审批表长期37 DXC01接受采访保密审查审批表长期38 DXC01涉密会议保密管理审批表长期39 DXC01涉密会议载体发放登记表长期40 DXC01站外活动保密管理审批表长期长期DXC01重大科研项目外场试验保密审批41表42 DXC01涉密产品押运保密审批表长期43 DXC01公司负责人保密年度检查表长期44 DXC01公司保密工作半年度检查表长期45 DXC01非涉密计算机保密检查表长期46 DXC01涉密计算机保密检查表长期47 DXC01涉密部门负责人保密季度检查表长期48 DXC01涉密人员保密月度自查表长期49 DXC01涉密部门保密月度自查表长期50 DXC50泄密事件报告表长期51 DXC51保密工作表彰与奖励审批表长期52 DXC52保密违纪处罚审批表长期53 DXC53协作配套单位资格审查表长期54 DXC54涉密人员保密补贴考核表长期55 DXC55涉密人员保密补贴发放审批表长期56 DXC56非涉密信息发布、传递保密审查表长期长期DXC57移动存储介质台账(分涉密和非57密)58 DXC58移动存储介质报废审批表长期59 DXC59移动存储介质申请表长期60 DXC60外来介质连接使用记录长期61 DXC61保密制度修改记录长期62 DXC62文件更改通知长期63 DXC62保密监督检查记录表长期64 DXC62保密要害部门审定表长期65 DXC62接收秘密载体知悉范围审批表长期66 DXC62秘密载体密级审批表长期67 DXC62涉密会议审批登记表长期68 DXC62涉密人员基本情况登记表长期69 DXC62涉密人员年度考核表长期长期DXC62涉密人员涉密等级变更申报审批70表71 DXC62涉密人员涉密等级变更审批表长期72 DXC62涉密人员涉密等级界定申报表长期73 DXC62涉密人员涉密资格审查表长期74 DXC62涉密人员审查登记表长期75 DXC62涉密人员脱密期登记审批表长期76 DXC62涉密试验审批登记表长期77 DXC62涉密项目基本信息登记表长期78 DXC62泄密事件报告登记表长期保密教育培训记录表培训专题培训要求培训对象培训类别培训地点培训时间主讲人主要内容参加人应到人数未参加人:实到人数备注:记录人:记录日期:涉密人员资格审查表姓 名 性 别 出生年月 照片民 族 籍 贯 文化程度 政治面貌 参加工作 时 间 入现单位 时 间 现工作 岗 位职 务 (职 称)岗位涉密 程 度拟进入工作岗位拟定涉密等级是否有不宜在涉密岗位工作的情形所在部门意见经审查,该同志符合进入涉密岗位的条件,同意其从事涉密工作。
引言概述涉密计算机管理台账是一种重要的工具,用于记录和管理涉密计算机的相关信息和操作记录。
本文将详细介绍涉密计算机管理台账的使用方法和注意事项。
正文内容一、涉密计算机管理台账的建立1.1确定涉密计算机管理台账的目的和范围1.2设计合适的涉密计算机管理台账模板1.3确定合适的台账管理人员二、涉密计算机管理台账的基本信息2.1涉密计算机的基本信息记录2.2涉密计算机的网络接入情况记录2.3涉密计算机的硬件设备记录2.4涉密计算机的软件应用记录三、涉密计算机管理台账的操作记录3.1涉密计算机的开机与关机记录3.2涉密计算机的登录与注销记录3.3涉密计算机的文件操作记录3.4涉密计算机的外设使用记录3.5涉密计算机的网络活动记录四、涉密计算机管理台账的维护和保密措施4.1定期对涉密计算机管理台账进行备份和归档4.2对台账进行加密和访问控制4.3对台账进行定期的安全审计4.4严格控制对涉密计算机管理台账的访问权限4.5对丢失或损坏的涉密计算机进行记录和报告五、涉密计算机管理台账的问题与解决5.1台账信息不准确或缺失的处理方法5.2台账信息的过期和更新处理方法5.3台账信息的安全性问题与解决方法5.4台账操作记录的违规和异常处理方法5.5台账数据丢失或泄漏的应急措施总结涉密计算机管理台账的建立和使用对于保障计算机安全和管理效率至关重要。
在建立台账时,应明确目的和范围,并采用合适的模板和进行规范的管理。
通过记录涉密计算机的基本信息和操作记录,可以及时掌握计算机使用情况和发现问题。
同时,维护和保密台账数据也是重要的措施,需要定期备份和加密,并严格控制访问权限。
对于涉密计算机管理台账出现问题时,要及时处理和解决,保证台账数据的准确性和安全性。
保密工作台账(年度)第一部分保密组织名称:说明1、为落实保密工作领导责任制,使保密工作制度化、规范化,特编制本台账。
2、本台账用于记录保密组织各项工作的主要内容,作为各机关单位保密工作年度考核的重要依据。
3、本台账分两部分,第一部分由各机关单位保密办负责记载,第二部分由各机关单位保密办复印分送至相关职能处室填写,每半年由处室领导签字后交保密办合并归档。
本台账由各机关单位保密办负责保管,要确保保密工作档案完整、齐全。
4、台账中未反映的事项,如单位领导对贯彻上级文件精神的批示、涉密人员签订保密责任书、承诺书、涉密载体销毁凭证等作为附件全并归档。
5、台账内容不够填写时,可另附页。
6、各种记录应按要求实事求是填明,使用钢笔(或签字笔),书写工整清楚。
目录目录 (3)涉密人员资格审查表 (7)涉密人员涉密等级审定表 (8)涉密人员涉密等级变更审批表 (9)涉密人员基本信息登记表 (10)保密工作领导小组成员简况及分工 (11)保密工作专(兼)职人员情况 (12)涉密人员保密自查表 (13)涉密人员年度考核表 (14)涉密人员保密补贴考核发放表 (15)因私出国(境)人员审批表 (16)涉密人员因私出国(境)保密承诺书 (17)涉密人员离岗审批表 (18)涉密人员离岗保密承诺书 (19)保密工作领导小组年度工作计划 (20)保密工作领导小组会议记录 (21)参加保密会议、活动(含协作组活动)情况 (22)保密领导小组年度工作总结 (23)保密工作制度建设情况 (24)开展保密宣传教育、培训情况 (25)开展保密监督检查工作情况 (26)失泄密事件查处情况 (27)对泄密隐患预警信息的排查和处置情况 (28)保密要害部门部位登记表 (29)XXX有限公司 (30)保密工作实施奖惩情况 (31)保密工作先进个人申报表 (32)保密工作先进个人推荐表 (33)保密工作先进集体申报表 (34)保密工作先进集体推荐表 (35)本单位产生国家秘密事项一览表 (36)定(解)密工作情况 (37)本年度收到密件情况 (38)涉密会议活动情况 (39)信息发布保密审查情况 (40)电子设备保密工作检查登记表 (41)保密工作检查登记表 (42)涉密载体管理台账 (43)涉密载体清退(销毁)审批表 (44)涉密载体清退(销毁)登记表 (45)涉密载体外发登记表 (46)归档电子文件登记表(目录) (47)电子文件登记表 (48)归档电子文件移交、接收检验登记表 (49)涉密电子载体借阅登记表 (50)涉密电子载体清退(销毁)登记表 (51)涉密移动存储介质台账 (52)涉密计算机管理台帐 (53)涉密计算机维修(报废)审批表 (54)涉密办公自动化设备台帐 (55)涉密办公自动化设备维修(报废)审批表 (56)涉密设备更换申请表 (57)装备保密技术防范设备情况 (58)涉密文件(资料)打印登记表 (59)涉密文件(资料)复印登记表 (60)涉密人员资格审查表涉密人员涉密等级审定表涉密人员涉密等级变更审批表涉密人员基本信息登记表保密工作领导小组成员简况及分工保密工作专(兼)职人员情况涉密人员保密自查表涉密人员年度考核表涉密人员保密补贴考核发放表因私出国(境)人员审批表涉密人员因私出国(境)保密承诺书甲方:乙方:(承诺人)涉密等级:乙方为甲方员工,因原因需要到国家(地区),时间为年月日至年月日。
目录1.计算机安全与保密管理2.计算机使用管理3.计算机维护管理4.涉密计算机操作系统安装登记表5.计算机联接国际互联网的安全保密管理6.用户密码安全保密管理7.涉密计算机密码更换登记表8.涉密计算机系统病毒防治管理9.涉密计算机查杀病毒及病毒库升级登记表10.笔记本电脑安全保密管理11.携带便携式计算机审批表12.涉密笔记本电脑操作系统安装登记表13.涉密电子文件密级标识保密管理14.涉密存储介质保密管理15.涉密存储介质登记表16.涉密存储介质使用情况登记表17.涉密存储介质外出携带登记表18.涉密机房突发事件处理程序19.涉密计算机系统数据备份管理20.数据备份登记表21.数据恢复登记表计算机安全与保密管理使用者必须遵守《中华人民共和国计算机信息系统安全保护条例》。
一、计算机资源由资产能源管理处统一归口管理,并建立准确的资产帐。
各涉密单位应建立设备履历本,用以记录设备的原始资料、运行过程中的维修、升级和变更等情况,对计算机硬件资源要加贴标签及定密标识,设备的随机资料(含磁介质、光盘等)及保修(单)卡由资产能源管理处保管。
二、配备有计算机设备的涉密单位和部门都要指定一名领导负责计算机保密工作,并设专人对机器设备进行管理,不得通过串口、并口、红外等通讯端口和与工作无关的计算机系统连接。
三、计算机机房要有完善的安防措施,未安装物理隔离卡的涉密计算机严禁联接国际互联网,涉密计算机在系统进入、资源共享、屏幕保护等方面必须采取必要的安全保密措施。
四、各部门应当加强对涉密信息源的保密管理,建立健全计算机使用制度、计算机涉密信息载体的管理制度、密钥管理制度、计算机信息定期维护制度等。
五、涉密计算机系统的软件配置情况及本身有涉密内容的各种应用软件,不得进行公开的学术交流,各部门不得擅自对外公开发表。
六、任何人员不得将涉密存储介质带出办公场所,如因工作需要必需带出的,需履行相应的审批和登记手续。
七、严禁制造和传播计算机病毒,未经许可,任何私人的光盘、软盘不得在涉密计算机设备上使用;涉密计算机必需安装防病毒软件并定期升级。
6-1-1 《XXX涉密计算机审批表》
6-1-2 《XXX中间转换计算机审批表》
6-1-3《XXX涉密移动存储介质、打印机、复印机审批表》
6-1-4《XXX涉密设备变更审批表》
6-2-1《XX单位涉密计算机台帐》
6-2-2《XX单位非涉密计算机台帐》
6-2-3《XX单位中间转换计算机台帐》
6-2-4《XX单位涉密移动存储介质台帐》
6-2-5《XX单位非涉密移动存储介质台帐》
6-2-6《XX单位涉密打印\复印机台帐》
6-2-7《XX单位非涉密打印机\复印机\传真机台帐》
6-2-8《XX单位滤波电源台帐》
6-2-9《XX单位电磁干扰设备台帐》
6-3-1《XXX涉密设备维修、报废审批表》
6-3-2《XXX涉密设备维修情况记录表》
6-3-3《XXX涉密设备维修保密协议书》
6-3-4《XXX涉密存储介质维修记录表》
6-3-5《XXX涉密设备硬件新增或配置变动审批表》
6-3-6《XXX涉密设备维修情况检查登记表》
6-4-1《XXX涉密计算机可安装软件白名单》
6-4-2《涉密计算机操作系统及不在白名单上的应用软件安装审批表》
6-5-1《涉密计算机(中间转换计算机)刻录、打印审批单》
6-5-2《涉密载体复制审批单》
6-5-3《涉密计算机端口策略设置审批单》
6-5-4《涉密打印机使用登记表》
6-5-5《涉密复印机使用登记表》
6-5-6《中间转换计算机刻录登记表》
6-5-7《涉密计算机刻录登记表》
6-6-1《XXX涉密便携式计算机存储涉密信息审批表》
6-6-2《XXX涉密便携式计算机和涉密移动存储介质携带外出审批表》
6-6-3《XXX涉密便携式计算机和涉密移动存储介质外出携带检查表》
6-7-1《XX单位涉密计算机操作系统或软件安装登记表》
6-7-2《XX单位涉密计算机病毒库或系统补丁升级登记表》
6-7-3《XX单位涉密计算机帐户设置登记表》
6-7-4《XX单位涉密计算机重新安装防护产品登记表》
6-7-5《XX单位涉密计算机重新安装防护产品登记表》
6-7-6《XX单位涉密存储介质注册登记表》
6-7-7《XX单位涉密计算机系统或USB-KEY解锁登记表》
6-7-8《XX单位涉密计算机策略设置变更登记表》
6-1-1
XXX涉密计算机审批表
科研系统以项目组为单位填报,基层单位提出申请,由所在院(系)审查后报保密处终审;表一式三份,各职能部门、院(系)机关不填基层单位项,一式两份,审批完成后基层单位、院(系)部处、保密处各存档一份。
6-1-2
XXX中间转换计算机审批表
审查后报保密处终审;表一式三份,各职能部门、院(系)机关不填基层单位项,一式两份,审批完成后基层单位、院(系)部处、保密处各存档一份。
6-1-3
XXX涉密移动存储介质()
打印机()复印机()审批表
填报说明:
科研系统以项目组为单位填报,基层单位提出申请,由所在院(系)审查后报保密处终审;表一式三份,各职能部门、院(系)机关不填基层单位项,一式两份,审批完成后基层单位、院(系)部处、保密处各存档一份。
6-1-4
XXX涉密设备变更审批表
科研系统以项目组为单位填报,基层单位提出申请,由所在院(系)审查后报保密处终审;表一式三份,各职能部门、院(系)机关不填基层单位项,一式两份,审批完成后基层单位、院(系)部处、保密处各存档一份。
6-2-1
(XX单位)涉密计算机台帐
说明:备注栏中填写是不是集中输出点,如果是笔记本电脑填写是不是专供外出使用或是否存储涉密信息。
精选文档
6-2-2
(XX单位)非涉密计算机台帐
填表说明:1.内部编号是指单位内部对计算机进行管理所编制的号码 2.用途是指用于上网、计算、测试等
精选文档
6-2-3
(XX单位)中间转换计算机台帐
精选文档
6-2-4
(XX单位)涉密移动存储介质台帐
说明:涉密移动存储介质主要包括U盘,移动硬盘
精选文档
6-2-5
(XX单位)非涉密移动存储介质台帐
填表说明:1.内部编号是指单位内部对计算机进行管理所编制的号码 2.用途是指用于备份、互联网使用,工作资料存储等
精选文档
6-2-6
(XX单位)涉密打印\复印机台帐
精选文档
6-2-7
(XX单位)非涉密打印\复印机登\传真机台帐
精选文档
6-2-8
(XX单位)滤波电源台帐
目前购
置电源信息RBI-1型红黑电源
隔离保护插座
天津光电聚能专用通信
设备有限公司
2006年10月电磁泄漏发射防护产品检测证书
/2003M003
精选文档
6-2-9
(XX单位)电磁干扰设备台帐
目前设备信息AQX-002信息泄
漏防护器
解放军保密委员
会技术安全研究
所
2006年10月
军用信息安全产品认证证书
/军密认字第0433号
精选文档
6-3-1
XXX涉密设备
维修()、报废()审批表
填报说明:
科研系统以项目组为单位填报,基层单位提出申请,由所在院(系)审查后报保密处终审;表一式三份,各职能部门、院(系)机关不填基层单位项,一式两份,审批完成后基层单位、院(系)部处、保密处各存档一份。
6-3-2
XXX
涉密设备维修情况记录表
填表说明:
1、基层单位所填表格一式三份,各职能部门、院(系)机关一式两份,填写完成后基层单位、院(系)部处、保密处各存档一份。
6-3-3
XXX
涉密设备维修保密协议书
根据《中华人民共和国保守国家秘密法》,和XXX涉密设备相保密管理规定,本人对XXX做以下保密承诺:
1. 本人在设备维修过程中有可能接触到的涉密信息,绝不以任何方式向外泄露。
2. 本人承诺在维修过程中不私自复制,留存存储介质中的相关数据。
3. 本人在维修办公自动化设备行程中,必须在校方工作人员的陪同下进行,不单独进行操作。
4、本人在维修过程中更换的零部件必须交由校方处理。
5. 本人已清楚知道因个人的故意或不当行为将导致或可能会触犯《中华人民共和国刑法》中的窃取、刺探、非法提供、非法持有、泄露国家秘密所列之罪行,知道泄露国家秘密事项个人所应承担的法律责任。
6. 上述保密协议书本人已经仔细阅读,对其中的所有内容没有疑义,知道作为国家公民为保守国家秘密所承担的义务和因个人行为造成泄密后的一切法律责任。
保密协议书自本人签订之日起生效。
7. 本保密协议书一式两份,承诺人、维修单位各一份。
承诺人签名:年月日承诺人单位名称:
承诺人单位地址及电话:
6-3-4
XXX
涉密存储介质维修记录表
填表说明:
基层单位所填表格一式三份,各职能部门、院(系)机关一式两份,填写完成后基层单位、院(系)部处、保密处各存档一份。
6-3-5
XXX
涉密设备硬件新增或配置变动审批表
科研系统以项目组为单位填报,基层单位提出申请,由所在院(系)审查后报保密处终审;表一式三份,各职能部门、院(系)机关不填基层单位项,一式两份,审批完成后基层单位、院(系)部处、保密处各存档一份。
基层单位要填写变更记录
6-3-6
XXX
涉密设备维修情况检查登记表
填表说明:
基层单位所填表格一式三份,各职能部门、院(系)机关一式两份,填写完成后基层单位、院(系)部处、保密处各存档一份。
6-4-1
XXX
涉密计算机可安装软件白名单
6-4-2
涉密计算机操作系统
及不在白名单上的应用软件安装审批表
报保密处终审;表一式三份,各职能部门、院(系)机关不填基层单位项,一式两份,审批完成后基层单位、院(系)部处、保密处各存档一份。
基层单位所留存的一份要在软件安装后填写安装情况记录,以备保密检查。
6-5-1
涉密计算机(中间转换计算机)
刻录()打印()审批单
6-5-2
涉密载体复制审批单
6-5-3
涉密计算机端口策略设置审批单
涉密打印机使用登记表
精选文档
涉密复印机使用登记表
精选文档
中间转换计算机刻录登记表
精选文档
涉密计算机刻录登记表
精选文档
XXX涉密便携式计算机
存储涉密信息审批表
科研系统以项目组为单位填报,基层单位提出申请,由所在院(系)审查后报保密处终审;表一式三份,各职能部门、院(系)机关不填基层单位项,一式两份,审批完成后基层单位、院(系)部处、保密处各存档一份。
XXX涉密便携式计算机
和涉密移动存储介质携带外出审批表
说明:1.保密措施可根据实际情况制定
2计算机管理员要负责要进行检查并填写《XXX涉密便携式计机和涉密移动存储介质外出携带检查表》
3本表格一式一份,本单位存档
XXX涉密便携式计算机
和涉密移动存储介质外出携带检查表
填表说明:本表格一式一份,本单位存档
(XX单位)涉密计算机操作系统或软件安装登记表
精选文档
(XX单位)涉密计算机病毒库或系统补丁升级登记表
精选文档
(XX单位)涉密计算机帐户设置登记表
精选文档
(XX单位)涉密计算机重新安装防护产品登记表
精选文档
(XX单位)涉密计算机重新安装防护产品登记表
精选文档
(XX单位)涉密存储介质注册登记表
精选文档
(XX单位)涉密计算机系统或USB-KEY解锁登记表
精选文档
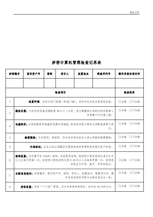
.
6-7-8
(XX单位)涉密计算机策略设置变更登记表
精选文档。