配合比设计自动计算表
- 格式:xls
- 大小:186.00 KB
- 文档页数:6
试验检测报告一、概述中面层Sup20改性沥青混合料目标配合比设计。
室内目标配合比设计方法依据美国Superpave沥青混合料设计标准(AI- SP2)进行,并依据我国《公路沥青路面施工技术规范》(JTG F40-2004)的要求进行马歇尔试验,提供Sup20室内配合比的马歇尔试验技术数据。
根据目标配合比设计结果,进行了水稳定性能(浸水马歇尔试验、冻融劈裂试验)、高低温性能试验验证。
二、材料本次试验所用集料为xx产石灰岩,沥青为xx改性沥青,矿粉为xx产,所有原材料均从现场取样,依据Superpave 设计要求,进行了集料性质试验(试验结果汇总于表2-1)和各种矿料及沥青的密度试验(试验结果汇总于表2-2)。
表2-2 集料密度试验结果汇总表三、设计集料结构的选择1. 依据Superpave设计的一般方法,在选择设计集料结构时,首先调试、选出粗、中、细三个级配,根据集料的性质(密度和吸水率)计算出三个级配的初始用油量。
然后用初始用油量成型试件,根据试验结果,计算出这三个级配的沥青混合料在空隙率为4%时所需的沥青用量及相应的沥青混合料其他体积性质,矿料间隙率(VMA)、饱和度(VFA)、矿粉与有效沥青之比(F/A)、初始旋转压实次数的压实度(%Gmm at in)等。
表3-1为各种集料的筛分试验结果,表3-2为三个调试级配的料堆配合比,表3-3为三个试验级配各筛孔尺寸通过率明细表,表3-4为估算沥青用量汇总表。
表3-1 各种集料料堆的筛分结果表3-2 试验级配料堆配合比组成表3-3 试验混合物级配明细表图1 初试三种级配曲线表3-4 估算沥青用量汇总表表中:G sb––––级配集料毛体积密度;G sa––––级配集料表观密度;G se––––级配集料有效密度;V ba––––集料吸收的沥青胶结料体积;V be––––有效沥青胶结料的体积;W s––––每立方厘米混合料中集料质量;P bi ––––估算沥青用量。
用EXCEL进行SMA沥青混合料配合比辅助设计【摘要】Microsoft Excel是Office中的一个电子表格软件,它在办公自动化中得到了广泛应用,用Excel强大表格处理和数据计算功能,进行SMA沥青混合料配合比辅助设计,可以收到事半功倍的效果。
【关键词】Excel;SMA;沥青混合料;配合比设计计算机技术在工程计算中已经得到了普遍的应用,虽然商业的专业软件层出不穷,但由于这些软件的不可见性、不可修改性,给使用者带来了诸多的不便。
Microsoft Excel电子表格软件,它具有强大的计算、制图、制表和数据库操作功能,使用较为简单、方便,它在各个领域得到了广泛的应用。
SMA是一种由改性沥青、纤维稳定剂、矿粉、少量的细集料组成的沥青玛蹄脂,填充间断级配粗集料骨架的沥青混合料,具有“三多一少”的特点。
SMA 中加入较多的沥青(比普通混合料要高1%左右),增加矿粉用量,同时使用占沥青混合料质量的0.3%纤维作为稳定剂。
1.SMA配合比设计方法SMA混合料可分为粗集料骨架和富沥青玛蹄脂两大部分组成,其设计应主要考虑:(1)为SMA设计出一个由嵌挤作用形成的粗集料骨架结构;(2)设计出具有足够粘结力的玛蹄脂。
其设计步骤如下:1)选择原材料:所用粗集料、细集料、沥青、矿粉及纤维稳定剂等必须符合相关技术要求。
2)确定初试级配:在推荐的级配范围内,以4.75mm通过率为标志,选用3个不同等级(4.75mm通过率分别为23%、27%、31%),3个级配矿粉数量相同,使0.075mm通过率为10%左右,并分别测定3种配合比矿料的毛体积相对密度。
3)按《公路工程集料试验规程》(JTG E42-2005)的方法,测定4.75mm以上的粗集料的插捣相对密度,计算粗集料骨架松装间隙率VCADRC。
4)选择一个初试沥青用量,成型3组马歇尔试件,采用表干法测定试件的毛体积相对密度,实测混合料的最大相对密度或通过计算得到混合料的理论密度,计算试件的体积指标。
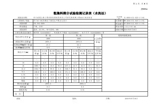
粗集料筛分试验检测记录表(水洗法)
记录编
试验复核:日期:2016年07月30日
粗集料筛分试验检测记录表(水洗法)
记录编
试验复核:日期:2016年07月30日
记录编
试验
复核:
日期:
粗集料筛分试验检测记录表(水洗法)
2016年07月30日
记录编
试验
复核:
日期:
粗集料筛分试验检测记录表(水洗法)
2016年07月30日
细集料筛分试验检测记录表(水洗法)
记录编
试验复核:日期:2016年07月30日
记录编
试验:
复核:日期:矿粉筛分试验检测记录表(水筛法)
试验室名称:四川诚通公路工程试验检测有限责任公司若瓦路改建工程SG3工地试验室JL-2016-KFJ-SG3-1-1-06
2016年07月30日。