混凝土粗集料技术指标
- 格式:doc
- 大小:59.00 KB
- 文档页数:1
水泥混凝土用集料细集料宜采用级配良好、质地坚硬、颗粒洁净且粒径小于5mm的河砂;当河砂不易得到时,可采用符合规定的其他天然砂或人工砂;细集料不宜采用海砂,不得不采用时,应经冲洗处理。
细集料的技术指标应符合表类类宜用于强度等级C30~C60及有抗冻渗或其他要求的混凝土;Ⅲ类宜用于强度等级小于C30的混凝土和砌筑砂浆。
2、天然砂包括河砂、湖砂、山砂、淡化海砂,人工砂包括机制砂的混合砂。
3、石粉含量系指粒径小于0.075mm的颗粒含量。
4、砂中不应混有草根、树叶、树枝、塑料、煤块、炉渣等杂物。
5、当对砂的坚固性有怀疑时,应做坚固性试验。
6、当碱集料反应不符合表中要求时,应采取抑制碱集料反应的技术措施。
,小批量进场的宜以不超过200m3或300t为一验收批进行检验;当质量稳定且进料量较大时,可以1000t为一验收批。
检验内容应包括外观、筛分、细度模数、有机物含量、含泥量、泥块含量及人工砂的石粉含量等;必要时尚应对坚固性、有害物质含量、氯离子含量及碱活性等指标进行检验。
检验试验方法应符合现行行业标准《公路工程集料试验规程》(JTG E42)的规定。
表注:细度模数主要反映全部颗粒的粗细程度,不完全反映颗粒的级配情况,混凝土配制时应同时考虑砂的细度模数和级配情况。
表表注:1、表中除4.75mm和600um 筛孔外,其余各筛孔的累计筛余允许超出分界线,但起超出量不得大于5%。
2、人工砂中150um筛孔的累计筛余:Ⅰ区可放宽到100%~85%,Ⅱ区可放宽到100%~80%,Ⅲ区可放宽到100%~75%。
3、Ⅰ区砂宜提高砂率配低流动性混凝土;Ⅱ区砂宜优先选用配不同强度等级的混凝土;Ⅲ区砂宜适当降低砂率保证混凝土的强度。
4、对高性能、高强度、泵送混凝土宜选用细度模数为2.9~2.6的中砂。
2.36mm筛孔的累计筛余量不得在于15%,300um 筛孔的累计筛余量宜在85%~92%范围内。
粗集料在沥青混合料中,粗集料是指粒径大于2.36mm以上的碎石、破碎砾石、筛选砾石和矿渣等;在水泥混凝土中,粗集料是指粒径大于4.75mm以上的碎石砾石和破碎砾石。
关于水泥混凝土用粗集料压碎值技术标准的探讨王芮文;曹妍;欧定福【摘要】随着我国公路基础建设投资的加大以及环保政策的推进,混凝土用碎石供应一度紧张,碎石质量控制难度加大.加之新的试验规程对碎石压碎值试验方法作了调整,而新的规范提高了压碎值的要求,使得满足现行规范要求的碎石料源更少.通过对既往各版本试验规程的分析研究,发现各规范之间对于碎石压碎值的要求并不统一,且新的试验规程对水泥混凝土用碎石压碎值规定过于严格.通过大量现场采集样本,运用MINITAB软件中提供的过程能力分析工具,采用统计方法分析出多地区碎石压碎值数据分布情况,发现我国很多地区的碎石压碎值难以满足现行规范的要求,得出了在江苏及周边地区石灰岩碎石压碎值满足现行桥梁结构混凝土规范标准的几率较小、对推进工程建设进度将产生较大影响的结论.据此,提出对现行行业标准进行调整的建议.【期刊名称】《公路交通技术》【年(卷),期】2019(035)004【总页数】9页(P34-42)【关键词】压碎值;标准;混凝土施工;MINITAB;质量控制【作者】王芮文;曹妍;欧定福【作者单位】江苏森淼工程质量检测有限公司,江苏镇江 212000;江苏省交通技师学院,江苏镇江 212000;江苏森淼工程质量检测有限公司,江苏镇江 212000;江苏森淼工程质量检测有限公司,江苏镇江 212000;江苏省交通技师学院,江苏镇江212000【正文语种】中文【中图分类】U4142018年初以来,随着公路基础设施建设的投资加大,对建筑材料的需求随之增加,而近年来对环保控制力度在不断加强,一些建筑材料供应厂家因环保不达标关闭,特别是碎石矿场,由于各地区禁止采矿,包括江苏在内的很多省份石子供应紧张。
特别是JTG E42—2005《公路工程集料试验规程》[1]中对碎石压碎值试验方法的更改,同时,公路桥涵施工技术规范对碎石压碎值的要求也随之提高,符合规范的料源更少。
本文研究通过大量收集碎石样本,对压碎值分布情况进行分析,得出了现行的碎石压碎值试验规程对于水泥混凝土用碎石要求过高,规范要求过于保守,需进行调整。
粗细集料最大粒径和公称最大粒径概念1.集料最大粒径指集料100%都要求通过的最小标准筛筛孔尺寸。
2.集料公称最大粒径指集料可能全部通过或允许有少量筛余(筛余量不超过10%)的最小标准筛筛孔尺寸。
表干密度、毛体积密度试验:试验一:表观密度试验1.试验目的测定粗集料多种形式的密度,包括表观(相对)密度、表干(相对)密度、毛体积(相对)密度等,为计算空隙率和混合料配合比设计提供依据。
2.试验仪器设备(1)静水天平(或天平):可悬挂吊篮测定集料在水中的质量,能够满足不同粒径粗集料试验时的称量要求,感量不大于最大称量的0.05%。
(2)吊篮:采用带有小孔的耐锈蚀材料制成,体积大小要适合每次试验材料数量。
(3)带有溢流口的水槽,试验时能保证水面高度一致。
(4)烘箱:能控温在105℃±5℃。
(5)其他:包括温度计、瓷盘、标准筛、刷子、毛巾等。
3.试验方法和步骤(1)将待测试样用 4.75mm的筛过筛,对2.36-4.75mm集料,或者混在4.75mm以下的石屑中的粗集料,则用2.36mm标准筛过筛,用四分法缩或分料器法缩分成所需的质量,分两份备用。
针对沥青路面用粗集料,应对不同规格的集料分别测定,并要求每份试样保持原有的级配。
在测定2.36-4。
75mm的粗集料时试验过程中应特别小心,不得丢失集料。
(所需最小试样质量应符合规范要求。
(2)将待测试样浸泡水中一段时间后,小心漂洗干净,漂洗时防止颗粒损失。
(3)取一份试样放入盛水器皿中,注入清水,高出试样至少20mm,搅动石料,排除其上的气泡。
在室温下保持浸水24h。
(4)将吊篮浸入溢流水槽中,控制水温在15~25℃的范围。
水槽的水面高度由溢流口调节,试验过程始终保持在同一位置。
天平调零。
(5)将试样转入吊篮,在水面维持不变的状态下,称取集料在水中的质量(mw)。
(6)提起吊篮稍加滴水后,将试样全部倒人瓷盘或直接倒在拧干的湿毛巾上。
用拧干的湿毛巾轻轻擦拭集料颗粒表面的水,直到表面看不到发亮的水迹,使石料处在饱和面干状态;当集料颗粒较大时,也可逐颗擦干。
粗细集料技指标————————————————————————————————作者:————————————————————————————————日期:水泥混凝土用粗细集料技术指标 一、细集料细集料宜采用级配良好、质地坚硬、颗粒洁净且粒径小于5mm 的河砂;当河砂不易得到时,可采用符合规定的其他天然砂或人工砂;细集料不宜采用海砂,不得不采用时,应经冲洗处理。
细集料的技术指标应符合6.3.1的规定。
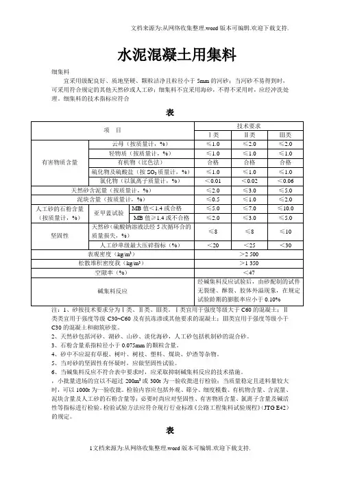
表6.3.1细集料的技术指标注:1、砂按技术要求分为Ⅰ类、Ⅱ类、Ⅲ类。
Ⅰ类宜用于强度等级大于C60的混凝土;Ⅱ类类宜用于强度等级C30~C60及有抗冻渗或其他要求的混凝土;Ⅲ类宜用于强度等级小于C30的混凝土和砌筑砂浆。
2、天然砂包括河砂、湖砂、山砂、淡化海砂,人工砂包括机制砂的混合砂。
3、石粉含量系指粒径小于0.075mm 的颗粒含量。
4、砂中不应混有草根、树叶、树枝、塑料、煤块、炉渣等杂物。
5、当对砂的坚固性有怀疑时,应做坚固性试验。
6、当碱集料反应不符合表中要求时,应采取抑制碱集料反应的技术措施。
6.3.2细集料宜按同产地、同规格、连续进场数量不超过400m 3或600t 为一验收批,小批量进场的宜以不超过200m 3或300t 为一验收批进行检验;当质量稳定且进料量较大时,可以1000t 为一验收批。
检验内容应包括外观、筛分、细度模数、有机物含量、含泥量、泥块含量及人工砂的石粉含量等;必要时尚应对坚固性、有害物质含量、氯离子含量及碱活性等指标进行检验。
检验试验方法应符合现行行业标准《公路工程集料试验规程》(JTG E42)的规定。
项 目技术要求Ⅰ类 Ⅱ类 Ⅲ类 有害物质含量云母(按质量计,%) ≤1.0 ≤2.0 ≤2.0 轻物质(按质量计,%)≤1.0 ≤1.0 ≤1.0 有机物(比色法)合格 合格 合格 硫化物及硫酸盐(按SO 3质量计,%) ≤1.0 ≤1.0 ≤1.0 氯化物(以氯离子质量计,%)<0.01 <0.02 <0.06 天然砂含泥量(按质量计,%) ≤2.0 ≤3.0 ≤5.0 泥块含量(按质量计,%)≤0.5 ≤1.0 ≤2.0 人工砂的石粉含量(按质量计,%)亚甲蓝试验MB 值<1.4或合格 ≤5.0 ≤7.0 ≤10.0 MB 值≥1.4或不合格≤2.0 ≤3.0 ≤5.0 坚固性天然砂(硫酸钠溶液法经5次循环合的质量损失,%)≤8 ≤8 ≤10 人工砂单级最大压碎指标(%) <20<25 <30表观密度(kg/m 3) >2 500 松散堆积密度我(kg/m 3)>1 350 空隙率(%) <47碱集料反应经碱集料反应试验后,由砂配制的试件无裂缝、酥裂、胶体外溢现象,在规定试验龄期的膨胀率应小于0.10%6.3.3砂的分类应符合表6.3.3的规定。
水泥混凝土用粗细集料技术指标一、细集料细集料宜采用级配良好、质地坚硬、颗粒洁净且粒径小于5mm的河砂;当河砂不易得到时,可采用符合规定的其他天然砂或人工砂;细集料不宜采用海砂,不得不采用时,应经冲洗处理。
细集料的技术指标应符合6.3.1的规定。
表6.3.1细集料的技术指标注:1、砂按技术要求分为Ⅰ类、Ⅱ类、Ⅲ类。
Ⅰ类宜用于强度等级大于C60的混凝土;Ⅱ类类宜用于强度等级C30~C60及有抗冻渗或其他要求的混凝土;Ⅲ类宜用于强度等级小于C30的混凝土和砌筑砂浆。
2、天然砂包括河砂、湖砂、山砂、淡化海砂,人工砂包括机制砂的混合砂。
3、石粉含量系指粒径小于0.075mm的颗粒含量。
4、砂中不应混有草根、树叶、树枝、塑料、煤块、炉渣等杂物。
5、当对砂的坚固性有怀疑时,应做坚固性试验。
6、当碱集料反应不符合表中要求时,应采取抑制碱集料反应的技术措施。
6.3.2细集料宜按同产地、同规格、连续进场数量不超过400m3或600t为一验收批,小批量进场的宜以不超过200m3或300t为一验收批进行检验;当质量稳定且进料量较大时,可以1000t为一验收批。
检验内容应包括外观、筛分、细度模数、有机物含量、含泥量、泥块含量及人工砂的石粉含量等;必要时尚应对坚固性、有害物质含量、氯离子含量及碱活性等指标进行检验。
检验试验方法应符合现行行业标准《公路工程集料试验规程》(JTG E42)的规定。
6.3.3砂的分类应符合表6.3.3的规定。
表6.3.3砂的分类注:细度模数主要反映全部颗粒的粗细程度,不完全反映颗粒的级配情况,混凝土配制时应同时考虑砂的细度模数和级配情况。
6.3.4细集料的颗粒级配应处于6.3.4中的任一级配区以内。
表6.3.4中的任一级配区以内表6.3.4细集料的分区及级配范围注:1、表中除4.75mm和600um 筛孔外,其余各筛孔的累计筛余允许超出分界线,但起超出量不得大于5%。
2、人工砂中150um筛孔的累计筛余:Ⅰ区可放宽到100%~85%,Ⅱ区可放宽到100%~80%,Ⅲ区可放宽到100%~75%。
粗集料压碎值试验1目的与适用范围集料压碎值用于衡量石料在逐渐增加的荷载下抵抗压碎的能力,是衡量石料力学性质的指标,以评定其在公路工程中的适用性。
2仪具与材料(1)石料压碎值试验仪:由内径150㎜、两端开口的钢制圆形试筒、压柱和底板组成,其形状和尺寸见图T 0316-1和表T 0316-1。
试筒内壁、压柱的底面及底板的上表面等与石料接触的表面都应进行热处理,使表面硬化,达到维氏硬度65。
并保持光滑状态。
图T0316-1 压碎指标值测定仪(尺寸单位:㎜)表T 0316-1试筒、压柱和底板尺寸部位符号名称尺寸(㎜)试筒ABC内径高度壁厚150±0.3125~128≥12压柱DEFG压头直径压杆直径压柱总长压头厚度149±0.2100~149100~110≥25底板HIJ直径厚度(中间部分)边缘厚度200~2206.4±0.210±0.2(2)金属棒:直径10㎜,长450㎜~600㎜,一端加工成半球形。
(3)天平:称量2㎏~3㎏,感量不大于1g。
(4)标准筛:筛孔尺寸13.2㎜、9.5㎜、2.36㎜方孔筛各一个。
(5)压力机:500kN,应能在1Omin内达到400kN。
(6)金属筒:圆柱形,内径112.0㎜,高179.4㎜,容积1767㎝3。
3试验准备3.1采用风干石料用13.2㎜和9.5㎜标准筛过筛,取9.5㎜~13.2㎜的试样3组各3000g,供试验用。
如过于潮湿需加热烘干时,烘箱温度不得超过100℃,烘干时间不超过4h。
试验前,石料应冷却至室温。
3.2每次试验的石料数量应满足按下述方法夯击后石料在试筒内的深度为100㎜。
在金属筒中确定石料数量的方法如下:将试样分3次(每次数量大体相同)均匀装入试模中,每次均将试样表面整平,用金属棒的半球面端从石料表面上均匀捣实25次。
最后用金属棒作为直刮刀将表面仔细整平。
称取量筒中试样质量(m0)。
以相同质量的试样进行压碎值的平行试验。
粗细集料技指标
1.颗粒形状和表面特性:颗粒形状和表面特性是影响混凝土性能的重
要因素。
一般来说,粗集料的颗粒应该呈块状或平面状,而不应该呈片状
或针状,表面应该光滑,无明显的裂缝和角。
细集料的颗粒形状应该规则,而不应该呈胶凝状。
2.颗粒大小和粒度分布:颗粒大小和粒度分布是影响混凝土工作性能
和强度的重要因素。
混凝土中粗、细集料的颗粒大小应该符合设计要求,
同时粒度分布应该合理,细集料应该包含合适的细砂和粉状物质。
3.空隙率和密实度:混凝土中有一定比例的空隙是不可避免的,但空
隙率和密实度的大小会影响混凝土的密实性和抗渗透性。
因此,合适的空
隙率和密实度是粗、细集料技术指标的重要内容之一
4.互相黏聚性和与水泥石粘结性:集料在混凝土中的黏聚性和与水泥
石的粘结性与混凝土的强度和耐久性密切相关。
正常情况下,集料颗粒应
该具有适度的黏聚性,能够与水泥石充分粘结。
5.吸水性和含水率:集料的吸水性和含水率对于混凝土的性能有一定
的影响。
过高的吸水性和含水率可能会导致混凝土的性能下降。
对于具体的粗、细集料技术指标要求,可以参考国家或地方的相关标准。
在实际工程中,根据混凝土的使用环境和要求,可以根据现场试验和
经验进行相应的调整和优化。
总体而言,粗、细集料的技术指标应该综合
考虑其物理性质和工程性能,以确保混凝土在使用过程中具有良好的工作
性能和耐久性。
混凝土中粗集料用量标准混凝土作为建筑工程中的主要材料,在现代社会中扮演着不可或缺的角色。
它的重要性在于它的坚固性、可塑性和耐久性,使其成为各种建筑结构的主要构成部分。
混凝土的质量和性能受到多种因素的影响,其中之一就是粗集料的用量标准。
本文将深入探讨混凝土中粗集料用量标准的各个方面,以及这些标准对混凝土质量的影响。
1. 混凝土中粗集料的作用混凝土由水泥、粗集料、细集料和掺合料组成。
其中,粗集料在混凝土中扮演着关键的角色。
粗集料通常是砂石、碎石或碎石块,其直接影响混凝土的强度、耐久性和工作性。
以下是粗集料在混凝土中的主要作用:1.1 强度和耐久性粗集料的添加增加了混凝土的强度,使其能够承受更大的荷载和应力。
合适的粗集料用量可以提高混凝土的抗压强度和抗拉强度,从而延长结构的使用寿命。
1.2 工作性粗集料的粒径和形状影响混凝土的工作性。
合理选择粗集料可以改善混凝土的流动性和可塑性,使其更易于浇筑和成型。
这对于在建筑工地上提高施工效率非常重要。
1.3 耐磨性在某些工程中,混凝土需要具备一定的耐磨性。
合适的粗集料可以增加混凝土的耐磨性,使其适用于需要经受磨损的环境,如道路和机场跑道。
2. 粗集料用量标准的制定粗集料用量标准的制定是建筑工程中至关重要的一环。
这些标准通常由国家或地区的建筑规范和标准化组织制定,以确保混凝土的质量和性能满足特定要求。
以下是制定粗集料用量标准的一些关键因素:2.1 设计强度要求粗集料用量的首要考虑因素是混凝土的设计强度要求。
不同的工程项目可能需要不同的混凝土强度,因此需要根据这些要求来确定粗集料的用量。
2.2 粗集料的质量粗集料的质量包括其粒径分布、形状、坚固性和吸水性等因素。
这些特性将直接影响混凝土的性能。
标准通常规定了粗集料的最小和最大尺寸范围,以确保混凝土的强度和工作性得到满足。
2.3 施工环境和要求建筑工程的施工环境和要求也会影响粗集料用量的标准。
例如,如果混凝土需要在极端温度条件下使用,标准可能会要求使用特定类型的粗集料以提高耐寒或耐热性能。
粗集料冲击值技术指标-概述说明以及解释1.引言概述部分的内容可以如下所示:1.1 概述粗集料冲击值是指材料在受到外界冲击时能够承受的能力,该指标用于衡量粗集料的抗冲击性能。
在工程领域中,粗集料是建筑材料中不可或缺的一部分。
然而,由于外力的作用,粗集料可能会受到冲击和破坏,从而影响材料的质量和使用寿命。
因此,了解并评估粗集料的冲击值技术指标是至关重要的。
粗集料的冲击值技术指标不仅关乎材料的质量,还与工程的安全性和可靠性密切相关。
通过对粗集料的冲击值进行评估,可以提前发现可能存在的安全隐患,以及材料在实际使用中可能遭受的外力冲击。
这有助于工程师和设计师在设计和施工过程中选择合适的粗集料类型和工艺,从而提高工程的质量和可靠性。
本文将围绕粗集料冲击值技术指标展开讨论,分析粗集料冲击值的影响因素、评价方法和应用场景。
通过对现有文献和实验数据的综合研究,将全面探讨粗集料冲击值在建筑工程中的意义和应用价值。
总之,粗集料冲击值技术指标是衡量粗集料抗冲击能力的重要参数。
本文将深入研究该指标的概念、影响因素和评价方法,旨在为工程师和设计师提供有关粗集料冲击值的详尽信息,从而有效提高工程质量和可靠性。
1.2文章结构文章结构部分的内容可以如下编写:文章结构部分旨在概述本文的组织架构,为读者提供一个清晰的阅读线索。
本文主要包括引言、正文和结论三个部分。
引言部分是整篇文章的开端,介绍了本文的主题和背景。
在本文中,我们将探讨粗集料冲击值技术指标的相关内容。
首先,通过概述问题的背景和重要性,引起读者对该主题的兴趣,并且阐述了该技术指标在建筑工程中的应用前景。
正文部分旨在深入讨论粗集料冲击值技术指标的相关要点。
在第一个要点中,我们将介绍该技术指标的定义和计算方法,以及其在工程质量控制中的重要性。
第二个要点将围绕粗集料冲击值技术指标的测试方法展开,包括测试设备和测试步骤的介绍,以及测试结果的分析和应用。
第三个要点将探讨该技术指标对工程耐久性和安全性的影响,以及如何根据该指标进行工程质量控制和优化。