招标项目需求及技术要求(2)
- 格式:doc
- 大小:162.66 KB
- 文档页数:19
一、项目概述本项目为(项目名称),项目地点位于(项目地点),建设规模为(项目规模),建设内容包括(项目内容)。
为确保项目顺利进行,现面向社会公开招标,特制定本技术需求书。
二、技术需求1. 项目概述(1)项目名称:(项目名称)(2)项目地点:(项目地点)(3)建设规模:(项目规模)(4)建设内容:(项目内容)2. 技术要求(1)项目背景本项目旨在(项目背景),通过(项目内容)的实施,实现(项目目标)。
(2)技术要求2.1 设备选型1)设备应选用国内外知名品牌,具有良好口碑和成熟技术;2)设备应满足国家相关行业标准和规范要求;3)设备应具备良好的性能、稳定性和可靠性;4)设备应具备较强的抗干扰能力和适应环境的能力;5)设备应具备良好的可维护性和可扩展性。
2.2 软件系统1)软件系统应选用成熟、稳定的平台,具备良好的兼容性和可扩展性;2)软件系统应具备完善的功能,满足项目需求;3)软件系统应具备良好的用户界面,操作简便;4)软件系统应具备良好的安全性和稳定性;5)软件系统应具备良好的可维护性和可扩展性。
2.3 施工工艺1)施工工艺应选用先进、成熟的施工技术,确保工程质量;2)施工工艺应具备良好的可操作性和可维护性;3)施工工艺应满足国家相关行业标准和规范要求;4)施工工艺应确保施工安全、环保。
2.4 工程质量1)工程质量应符合国家相关行业标准和规范要求;2)工程质量应满足项目设计要求;3)工程质量应确保项目长期稳定运行。
2.5 售后服务1)提供完善的售后服务,包括设备安装、调试、培训、维修等;2)售后服务响应时间应满足客户需求;3)售后服务质量应达到客户满意。
3. 项目实施进度(1)项目实施周期:自合同签订之日起(项目实施周期)个月内完成。
(2)项目实施阶段:1)项目前期准备阶段:包括设备采购、施工准备等,预计用时(项目前期准备阶段用时)个月;2)项目实施阶段:包括设备安装、调试、试运行等,预计用时(项目实施阶段用时)个月;3)项目验收阶段:包括项目验收、试运行等,预计用时(项目验收阶段用时)个月。
招标项目需求及技术规格要求一、基本要求投标人务必仔细阅读采购方在技术文件中规定的所有细则,投标时应无条件地承诺和执行下列条款:1、投标要求1.1投标人所提供的产品技术规格应符合招标文件的要求。
如所供产品存在技术和商务偏离,投标者应如实填写技术规格及商务条款偏差表 (见技术总则的附表)。
若采购方掌握了确切事实说明某投标者没有如实填写技术规格及商务条款偏差表或有欺诈行为,该投标书将被拒绝。
投标者的不良行为将被记录,并在以后政府采购招标活动中受到相应约束。
1.2投标报价超出招标文件载明的采购限价的投标将被视为无效投标。
2、履约要求2.1 在质量保证期内,凡因正常使用出现的质量问题,供货商应提供免费维修或更换。
在厂家(供货商维修服务中心)维修时,供货商应支付设备或组件的包装和运费。
并从修复或更换后重新计算质保期。
2.2 投标人所提供的维修点若不能提供必要的服务或未能按响应时间进行维修,将视为投标者违约。
2.3 投标人所提供的产品必须为签订合同前3个月内或合同签订后所生产,否则将被视为违约。
2.4投标人中标后严禁贴牌,贴牌重罚。
2.5投标人中标后,出现未在招标文件规定的交货完工时间内交货完工的,三年内不得参加采购人组织的类似项目的招标活动。
并按照每超出3天扣除总合同金额的1% 进行计算。
3、检验、验收要求货物到使用方,由市督导组根据合同、样品、招标文件和投标文件进行检验、验收:3.1采购人对中标人交付的待安装器材随机抽取10%由市全民健身工程建设督导领导小组现场检验,检验合格后方可安装。
对于检验不合格的(质量低于样品标准及采购文件要求的),采购人可拒绝接收其提供的器材,并按照相关规定进行处罚,三年内不得参加采购人组织的类似项目的招标活动。
3.2检验合格后,由中标单位组织人员进行安装施工,安装完毕后由县(市)、区教体局、乡镇(办)、社区(行政村)等组织检查验收,采购人进行抽查。
验收不合格,由中标方承担相关责任。
第二章招标项目需求及技术要求一、项目背景高考综合改革作为党中央确定的重大任务,是党中央、国务院直接领导和推动的重大改革。
它关系到国家人才培养选拔的大计,关系到考生前途命运,对于推进素质教育、促进教育公平、实现科学选才有着十分重要的意义。
听力考试是我省深入推进高考综合改革的重要组成部分,容不得丝毫闪失。
按照省招考委下发《关于做好我省普通高考外语听力考试设备升级改造工作的通知》(辽招考委字(2022)5号)、《关于进一步做好我省普通高考外语听力考试设备管理与使用工作的通知》(辽招考委字(2021)41号)要求,大连市教育局、大连市财政局联合下发大教发(2022)15号《关于做好大连市普通高考外语听力考试设备升级改造工作的通知》,根据相关要求及《辽宁省普通高考外语听力考试设备配置要求》,需要对庄河市教育局下辖的9个高考考点的231个考场的外语听力考试设备进行升级改造。
二、项目总体需求本项目严格按照《辽宁省普通高考外语听力考试设备配置要求》,采购相关外语听力设备,在庄河市下辖的9个高考考点的231个考场进行安装调试,保证高考外语听力考试顺利进行。
实现统一播放听力试题声源的功能,采用主备路传输方式,其中,主路传输采用数字模式,备路传输采用模拟模式,主路和备路传输、听音系统独立,以确保高考外语听力广播具有高保真音质效果和高稳定可靠性。
开考多个语种的考点具备同时播放不同声源的能力。
★三、投标人须在投标文件中承诺:本项目必须在2022年5月15日前供货安装调试完毕;所安装的听力设备必须通过大连市教育局现场验收达标,可以作为高考听力考场;若因本项目未通过履约验收,一切后果自行承担。
四、项目实施范围及具体要求庄河市下辖9个考点学校,其中庄河市高级中学设1个双语种备用考场。
详见下表:庄河市高考考点及考场清单信息*1.招标文件中未明确的相关事宜,中标人在供货和服务过程中应按国家和地方相关法律法规以及行业有关标准执行。
2.未响应★号项条款的投标文件为无效投标文件。
第五章招标项目需求及技术规定一、采购项目概况国家电子政务外网(CEGN)是根据中央有关文献精神,经国家发展改革委正式同意建设旳电子政务基础设施。
国家电子政务外网(CEGN)基于国家电子政务传播网,由中央政务外网和地方政务外网构成,重要服务于各级党委、人大、政府、政协、法院和检察院等政务部门,为部门业务应用提供网络承载服务,支持业务网络旳互联互通,支持跨地区、跨部门旳业务应用、信息共享和业务协同,满足各级政务部门社会管理、公共服务等方面旳需要。
新华区电子政务外网是国家和省、市电子政务外网旳重要构成部分,是电子政务外网国家、省、市、县、乡镇互联互通旳县区级节点。
伴随我县电子政务业务旳需要,现需建设新华区电子政务外网安全域认证管理平台。
新华区电子政务外网安全域认证管理平台建设包括安全域认证管理中心平台和局域网安全域认证接入设备两部分。
所投方案及产品应符合国家电子政务外网原则中《接入政务外网旳局域网安全技术规范》(GW0206-)、《国家电子政务外网安全接入平台技术规范》(GW0202-)旳规定。
中标人须对新华区电子政务外网安全域认证管理平台进行详尽旳设计,并将设计方案报上级有关业务部门审批后实行。
项目实行工期为协议签订后10个日历天。
二、技术需求描述(一)采购清单(二)设备详细参数如下设备参数为最低配置参数,投标产品不得低于如下功能配置规定,招标人保留实际功能参数测试旳权利。
1、政务外网安全域认证接入网关三、商务条款1、工期为协议签订后10个日历天完毕,软硬件设备设备需提供三年质保。
2、投标方应负责本项目采购旳服务内容旳平常运行维护和技术保障,提供当地化维修响应服务,投标人承担维保人员旳有关费用,同步投标人还需负责顾客旳培训和技术支持工作。
3、建设方案由中标方负责以采购方名义向平顶山市电子政务外网有关主管机关立案申请并通过,方可实行。
投标人在投标时须提供针对该条规定旳保证书,否则将取消投标人资格。
招标文件技术要求一、项目背景(1)项目名称(2)项目概述(3)项目目标(4)项目实施地点(5)项目进度计划二、技术要求(1)硬件要求1.服务器配置:详细说明服务器的型号、CPU、内存、硬盘容量等要求。
2.网络设备:对网络设备的要求,包括交换机、路由器、防火墙等。
3.设备数量:明确所需设备的数量。
(2)软件要求1.操作系统:详细说明所需的操作系统及版本。
2.数据库:指定所需的数据库软件及版本。
3.应用软件:列出所需的应用软件及版本。
4.企业资源规划(ERP):若有需求,指定具体的企业资源规划软件。
(3)技术支持要求1.技术支持:明确技术支持的要求,包括响应时间、解决问题的能力等。
2.培训支持:说明对项目实施人员的培训需求,包括培训内容、培训方式等。
3.维护支持:说明对项目实施后的维护支持要求,包括是否需要提供保修、如何进行维修等。
(4)安全要求1.数据安全:明确对数据安全的要求,包括数据备份、数据加密等。
2.系统安全:说明对系统安全的要求,包括防止恶意攻击、保护用户隐私等。
3.网络安全:指定对网络安全的要求,包括防火墙设置、入侵检测等。
(5)可扩展性要求1.软硬件可扩展:明确系统的可扩展性要求,包括是否支持扩展设备、扩展模块等。
2.数据库可扩展:指定数据库的可扩展性要求,包括容量、并发访问等。
(6)性能要求1.系统响应时间:指定系统的响应时间要求,包括在高峰期的响应时间。
2.并发性能:说明系统在同时处理多个请求时的性能要求。
(7)界面要求1.用户界面:对用户界面的要求,包括界面的易用性、界面的美观性等。
2.数据显示:对数据显示的要求,包括数据展示方式、数据分析等。
(8)可用性要求1.系统可用性:明确对系统可用性的要求,包括系统是否需要24小时运行、系统维护是否需要停机等。
2.用户友好性:说明系统的用户友好性要求,包括操作是否简单直观、是否支持多语言等。
(9)其他要求1.兼容性要求:对系统的兼容性要求,包括与其他系统的数据交互、与其他硬件设备的兼容等。
招标项目要求及技术参数
预览说明:预览图片所展示的格式为文档的源格式展示,下载源文件没有水印,内容可编辑和复制
第五部分招标项目要求及技术参数
一、投标说明:
投标人可对本招标文件中所列的各包进行投标;每个包里所有序号中的设备不能拆分或少报,必须作为一个整体进行投标,否则投标无效。
招标内容中未特别标注为“进口产品”字样的,均须采购国产产品。
所采购的货物、服务必须符合国家的强制性标准。
二、招标要求及技术参数
投标方投标时须提供:
(1)详细的视频制作技术方案;
(2)详细的动画制作技术方案;
(3)详细的售后服务、技术指导方案;(4)其他服务承诺。
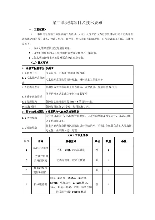
第二章采购项目及技术要求一、工程范围》(一)本项目包含施工方案及施工图纸设计,设计及施工范围为污水处理站汇流入化粪池至调节池之间的所有设备、管路、电气、自控等,供应商自行勘查现场,自行设计施工图纸,具体内容如下:1.污水处理站前段设置两座化粪池。
2.设置机械格栅和人工细格栅拦截大量杂物进入了集水池。
3.集水池清淤及集水池提升泵系统改造及安装。
(二)技术要求注:1.以上采购要求中如涉及产品品牌或型号,是采购人根据项目所要实现的功能推荐的品牌或型号,并不是限制条件,供应商可以采用不低于推荐的产品档次设计方案并参与竞争。
但是,所有产品的质量、技术参数和功能以及方案品质不得低于采购要求,并确保整体性能的合理以及能最终实现。
(若非推荐品牌或型号,供应商必须提供必要的证明材料。
评委根据其相关证明材料判定是否达到所推荐的产品档次等要求)。
2.现场自行勘查,在满足招标要求的前提下,若发现有缺失部分,自行考虑在磋商报价内。
二、基本要求1供应商应保证所供货物的安全性、可靠性、先进性、经济性和实用性,并为全新、未使用过的原装合格正品,完全符合磋商文件规定的质量、规格和性能的要求,达到中国最新版的法律、法规或行业规定的相关标准、规范的要求,符合项目所在地政府有关特殊要求,同时满足采购人使用要求,保证能通过采购人的质量验收、竣工验收等各类验收。
3.供应商应保证采购人在使用其所供货物时不受第三方提出侵犯其专利权、著作权和工业产权等知识产权的起诉。
一旦出现侵权,一律由供应商承担全部责任。
同时,供应商对采购人采购的货物所涉及的技术、产能等信息负有保密义务。
4.供应商成交后须与采购人在磋商产品的“功能配置、技术要求等”方面及时交底沟通;成交供应商开始制造产品之前,采购人有权要求成交供应商对产品进行微调,最终的产品须经采购人确认同意。
三、报价方式本项目磋商报价为固定总价,磋商报价应包括磋商文件所确定的采购范围相应货物、服务及施工的供货、包装、运输、保险、辅助设备、安装调试、管理、维护(包括质保期内的一切维修、保养、更换零部件、人工等)、劳务、培训、验收、办公设备、设备、工具、耗材、运送工具及耗材、利润、风险、税金及政策性文件规定等各项应有费用,以及为完成该项货物或者服务项目所涉及到的一切相关费用,采购人不再支付其他任何费用。
招标项目需求及技术要求1、项目需求:(1)采购内容:和平路公厕中转站、洛神路公厕中转站、紫荆路公厕中转站共3个垃圾中转站所需的设备、安装及调试。
(2)设备组成:压缩系统、垃圾箱总成、污水收集排放系统、喷雾降尘冲洗系统、防箱体坠落装置、液压系统、电气控制和操作系统、地坑冲洗系统、空气除臭系统。
(3)采购数量:3套。
(4)质保期:1年。
2、垂直压缩设备技术指标主要技术指标:3、各部分功能及技术要求:(1)主体架为4立柱形式,主体架上必须设自动控制的防箱体坠落安全装置,确保人身安全和设备安全。
(2)压缩油缸连接形式:1条主压缩油缸与2条副压缩油缸连接而成。
(3)压头体通过尼龙滑块导向沿立柱滑动,不得用钢制滚轮,以防止立柱磨损。
(须提供证书原件或结构实物照片或图片)(4)垃圾压缩箱必须采用整体式:即压缩仓、储存仓、推铲放置仓连为一体,整体落于地下。
(须提供证书原件或结构实物照片或图片)(5)垃圾压缩箱钢板厚度不小于10 mm,箱体使用寿命不小于5年(6)液压系统需选用品牌产品。
(7)控制系统采用自动、手动两种模式,即当自动出现故障时,可采用手动操作继续工作,不影响压缩垃圾。
(8)必须采用由CPU+MOS管组成的控制器控制。
(须提供证书原件或结构实物照片或图片)(9)控制系统应设有前闸门保护装置,以防止误操作时损坏前闸门。
(须提供证书原件或结构实物照片或图片)(10)设有不小于125mA漏电保护装置,确保设备及人身安全。
(11)设有污水泵,以便将压缩垃圾产生的污水排到污水管网。
(12)配套两套操作界面,一套安装在立柱上,供设备日常操作使用。
一套安装在泵站上,供维护时使用。
操作按钮应采用品牌旋钮开关,提高可靠性。
(13)配套除尘装置,降低卸料过程的污染。
招标项目要求及技术参数一、项目背景介绍我们公司计划进行一项招标项目,目的是寻找一家合适的供应商,为公司提供特定的产品或服务。
在此,我们将详细列出招标项目的要求及技术参数,以帮助供应商进一步了解我们的需求,并提供相关的报价和方案。
二、招标项目要求1.供应商资质要求-必须是合法注册的企业,具备相关的经营资质和税务证明。
-具备相关的技术能力和经验,可以提供高质量的产品或服务。
-有稳定的供货能力和高效的售后服务体系。
2.产品或服务要求-[具体描述产品或服务的特性和要求]-[详细列出产品或服务的规格参数,如尺寸、重量、功率等]3.交付要求-具体列出产品或服务的交付时间要求。
-清楚定义交货地点和运输方式。
4.价格和支付条件-提供明细的产品或服务价格,并注明是否包含税费和其他附加费用。
-列出支付方式和支付期限。
-提供合理的价格调整机制,如通货膨胀或其他因素引起的价格变动。
5.售后服务要求-提供详细的售后服务和技术支持方案。
-列出服务承诺,如维修、更换、退货等。
6.保修要求-提供明确的产品保修期限和保修范围。
-列出保修条款和条件。
三、技术参数在技术参数方面,以下是我们对所需产品或服务的要求:1.性能要求-[列出产品或服务需具备的性能指标,如速度、效率、精度等]2.可靠性要求-[描述产品或服务的可靠性要求,如故障率、寿命等]3.兼容性要求-[说明是否需要与其他系统、设备或软件的兼容性,如需要,请提供相关技术要求]4.安全性要求-[描述产品或服务的安全性要求,如合规性、防护措施等]5.环境要求-[列出产品或服务的工作环境要求,如温度、湿度、气候等]。
一、项目背景本项目为(项目名称),位于(项目地点),总投资额为(总投资额),建设周期为(建设周期)。
为规范招标程序,确保工程质量、安全、进度和投资效益,特制定本技术要求。
二、招标范围1. 招标范围:本项目包括但不限于土建工程、安装工程、装饰装修工程、室外工程等。
2. 招标内容:详见招标文件中的工程量清单。
三、技术要求1. 工程质量要求(1)严格按照国家及地方相关工程质量标准执行。
(2)工程质量应符合《建筑工程施工质量验收统一标准》(GB 50300-2013)等相关标准。
(3)工程主体结构、地基基础、设备安装、装饰装修等分部、分项工程应达到合格等级,其中主体结构、地基基础应达到优良等级。
2. 工程安全要求(1)严格按照《建筑施工安全生产管理条例》(国务院令第393号)执行。
(2)施工现场必须配备必要的安全设施,如安全网、安全带、防护栏杆等。
(3)施工现场必须实行安全生产责任制,加强安全生产教育和培训,提高施工人员的安全意识。
(4)施工现场必须进行定期安全检查,发现问题及时整改。
3. 工程进度要求(1)严格按照合同约定的时间节点完成工程进度。
(2)确保关键线路工程按期完成,避免因工程进度延误影响整体工程进度。
(3)施工过程中,如遇不可抗力等因素导致工程进度延误,应及时向业主单位汇报,并采取有效措施予以解决。
4. 工程投资要求(1)严格按照合同约定进行工程投资控制。
(2)合理使用工程资金,降低工程成本。
(3)加强工程变更管理,严格控制工程变更费用。
5. 工程材料要求(1)选用符合国家及地方相关标准的优质材料。
(2)材料进场前,应进行严格的质量检验,确保材料质量。
(3)材料进场后,应按品种、规格、数量进行分类存放,做好材料台账。
6. 施工工艺要求(1)严格按照施工图纸、施工方案及施工工艺要求进行施工。
(2)施工过程中,加强施工工艺管理,确保工程质量。
(3)加强施工过程中的技术交底,确保施工人员掌握施工工艺。
招标内容与技术要求一、招标内容本次招标的项目为XXX公司对于XXX工程的设计、建造及安装服务。
工程的具体范围和目标是根据需求文档进行详细的设计与实施。
1.设计阶段:1.1根据项目需求文档,完成工程的概念设计、详细设计、施工图设计等环节,并获得相应的设计审批。
1.2设计师应具备丰富的设计经验和相关专业的设计资质,能够根据项目的性质和要求,为项目提供创新的方案和设计手法。
2.建造和安装阶段:2.1根据设计图纸和相关要求,按照施工方案进行建造和安装。
2.2施工过程应符合相关的建筑安全规范和质量控制要求,在保证安全性和质量的前提下,尽可能缩短工期。
2.3施工单位应具备相应的工程技术能力和资质,并有一定的施工经验。
二、技术要求1.设计技术要求:1.1设计团队应具备工程设计相关的资质和经验,能够根据项目需求提供创新的设计方案。
1.2设计师应熟悉使用相关的设计软件和工具,能够快速准确地完成设计图纸和施工图纸的绘制。
1.3设计方案应考虑工程的可行性和可持续性,尽量降低对环境的影响,并符合相关的建筑标准和规范。
2.施工技术要求:2.1施工单位应具备相关的建筑施工资质和技术能力,能够按照设计要求进行施工。
2.2施工过程应严格按照相关的施工流程进行,确保工程的质量和安全。
2.3施工单位应具备一定的管理能力,能够有效组织施工队伍和协调各个施工工序。
3.建造和安装技术要求:3.1建造和安装过程应符合相关的建筑工程标准和规范,确保建筑结构的稳定性和安全性。
3.2安装单位应具备相关的建筑安装资质和技术能力,能够按照设计要求进行安装和调试。
3.3安装过程应严格把关,确保安装步骤的正确性和安全性。
4.质量控制要求:4.1所有工程材料和设备的采购应符合相关的标准和规范,确保其质量可靠。
4.2工程的监理过程应严格按照相关的监理要求进行,确保施工的合规性和工程质量的可控。
4.3工程竣工验收过程应符合相关的标准和要求,确保工程质量的合格性。
第二部分招标项目说明及技术要求一、招标项目说明:本次招标为2021年路灯大修灯具采购,分为3个包;第一包:南大街景观灯采购,数量为62套;第二包:观海路景观灯采购,数量为215套;第三包:解放路南段、港城西大街等路灯采购,数量693套.投标人须对所投内容全部响应,报价若有遗漏则视为对采购人让利,投标人均应免费提供。
二、采购内容及技术要求:第一包:南大街景观灯采购,数量为62套【一】设备清单【二】技术要求灯具符合GB/T 31832-2021 LED城市道路照明应用技术要求、GB7000.1—2021 灯具第1部分:灯具一般安全要求与实验、GB7000。
5—2021 道路与街路照明灯具安全要求、GB17743—2021 电气照明和类似货物的无线电XX扰特性的限值和测量方法、GB17625。
1-2021 电磁兼容限制谐波电流发射限值(货物每相输入电流≤16A)等相关XX标准。
1、灯杆(1)符合XX现行规定的路灯验收标准.(2)灯杆高度为6000mm,灯杆全长直线度误差不超过2‰.(3)灯杆材质为XX235优质钢管及高强度铝合金组装而成。
灯杆主体采用Ø140*3.5mm优质钢管,灯杆外竖撑为2。
5mm铝合金型材,外护板为2。
0mm铝合金型材.法兰为XX235优质钢板,尺寸为460*460mm,厚度为20mm。
透光板采用3.0mmXX白色耐力板,装饰画面为光纤激光切割2.0mm不锈钢板.(4)灯杆铝合金材质部分:表面静电喷塑处理,喷塑厚度不低于86微米,具有抗紫外线、防腐蚀效果,喷塑后色泽一致,无脱落现象,表面喷塑保持期时间长.灯杆内外焊管及钢板材质部分:采用热镀锌防腐处理,锌层均匀,镀锌厚≥86微米,表面喷防紫外线塑料粉,表面光滑,表皮不脱落,喷塑厚不小于100微米.(5)法兰板采用等离子切割成型,周边光洁,XX剌,孔位准确.(6)灯杆电器门与灯杆浑然一体,电器门采用等离子切割,尺寸准确,表面光滑、平整,并焊接防盗装置,以增加灯杆强度。
招标项目需求与技术规格要求内容
一、项目需求
1.项目背景:本项目是为了满足公司扩展业务的需要,现招标一家
IT外包公司,开发并维护一套全新的电子商务平台。
2.项目目标:开发一套功能完善、性能稳定的电商平台,提供给用户
稳定的购物、支付、物流等一体化服务。
3.项目规模:预计平台将支持10万以上的用户并能容纳各类商品数
量的不断增长,同时能够稳定承载每日2000笔以上的交易。
4.项目周期:项目周期为12个月,包括开发、测试、部署、用户培
训和维护等阶段。
5.需求分析:详细分析需求,并提供相应的功能设计和流程设计方案。
二、技术规格要求
1.平台架构:采用分布式架构,保证系统的可扩展性和稳定性,支持
大并发访问。
2.服务器要求:提供双活高可用的服务器集群,保证系统的稳定性和
服务的连续性。
3.数据库要求:使用高性能的关系型数据库,并具备数据备份和恢复
的功能。
4.安全性要求:采用SSL加密技术保证用户的隐私和信息安全,并具
备防止恶意攻击的能力。
5.用户体验要求:提供用户友好的界面设计和流畅的响应速度,支持多平台和多终端的访问。
6.物流配送要求:实现快速的物流配送能力,包括与各物流公司的对接和订单跟踪等功能。
8.数据统计要求:提供数据统计和报表生成功能,支持管理员对平台的数据进行监控和分析。
以上是一个招标项目需求与技术规格要求的样例,具体的内容和要求会根据实际项目的需求来进行调整和补充。
招标项目要求及技术参数一、项目背景:本次招标项目是为了满足公司业务发展的需要,目标是找到一家具备技术实力和经验的供应商,为公司提供相关产品或服务。
为了确保公平竞争和高质量的投标,特制定以下项目要求及技术参数。
二、项目要求:1.供应商资质要求:(1)具备合法营业执照,并在工商行政部门注册满2年以上。
(2)具备相关的产品或服务的开发和生产经验,并有成功案例可供参考。
(3)具备良好的信誉和口碑。
2.技术标准要求:(1)产品或服务的技术指标、性能参数符合国家相关标准或行业标准。
(2)产品或服务的质量可靠,具备较高的稳定性和可靠性。
(3)产品或服务的使用寿命长,易于维护和保养。
(4)产品或服务的可扩展性好,能够满足公司业务的不断发展需求。
(5)产品或服务的兼容性强,能够与公司现有系统进行无缝集成。
3.交付周期要求:(1)供应商需保证按照合同约定的交付周期及时交付产品或服务。
(2)如需延迟交付,供应商需提前与公司沟通并得到公司同意。
4.售后服务要求:(1)供应商需提供完善的售后服务,包括免费的技术支持和维修服务。
(2)供应商需保证及时响应客户的问题和需求,并提供满意的解决方案。
三、技术参数:1.产品类别:(具体产品类别)2.技术指标:(列举产品或服务的技术指标,如尺寸、重量、速度等)3.性能参数:(列举产品或服务的性能参数,如容量、效率、精度等)4.功能要求:(列举产品或服务的功能要求,如支持多种操作系统、支持多种数据格式等)5.安全要求:(列举产品或服务的安全要求6.其他特殊要求:(列举其他特殊的技术参数或要求,如具备自动化控制功能、具备环境适应能力等)四、投标文件要求:1.投标商需按照规定的格式准备招标文件,包括公司介绍、产品或服务的详细说明、技术方案、价格清单等内容。
2.投标商需在规定的时间内提交完整的投标文件,逾期或不完整的投标文件将被拒绝处理。
3.投标商需提供相关的资质证明和案例证明,证明自身具备承接该项目的能力和经验。
招标项目需求与技术要求
采购内容:
1、通信与控制系统(高铁)集成与维护实训平台 2套
2、分布式光伏工程实训系统 2套
3、空调制冷综合实训装置 3套
4、实训耗材 3套
注:
1、履约验收:采购人根据国家有关规定、招标文件、中标方的投标文件以与合同约定的内容和验收标准进行验收,采购人可以视项目情况邀请第三方机构或者参加本项目投标的落标人参与验收。
验收情况作为支付货款的依据。
如有异议,以相关质量技术检验检测机构的检验结果为准,如产生检验检测费用,则该费用由过失方承担。
2、分布式光伏工程实训系统为本次采购的核心产。
招标项目需求及技术要求一、总则1 项目概述河南省环境监测中心已于2015年初步搭建河南省区域环境空气质量预报预警业务平台系统。
目前,预报预警业务平台系统已具备对河南省18个省辖市未来3天空气质量精细化预报和7天级别预报、污染源追踪及控制对策情景模拟等功能,为京津冀及周边地区大气污染联防联控提供了有力技术支撑。
为贯彻落实《大气污染防治行动计划》和《“十三五”生态环境保护规划》相关要求,需进一步提升预测预报水平,加强对区域内城市预报部门的业务指导,健全国家-省级-城市信息交换机制,充分发挥空气质量预测预报对大气污染管控的支撑作用。
本项目在现有平台基础上,需达到对河南省18个省辖市5-7天精细化预报和15天潜势预报的能力,完善各项功能,实现省-市一体化共同会商,并进一步加强区域预报人才梯队建设,推动河南省空气质量预测预报水平和重污染天气应对能力的不断提升。
投标人提供的整套系统应具有先进性、稳定性、安全性、可扩充性和兼容性。
中标人须在系统开发完成后向招标人提供在本项目实施期间根据技术指标要求定制开发的所有程序源代码。
2 投标总体要求2.1 本技术要求提出的主要技术指标、业务功能和供货要求,供投标人编制投标文件和报价之用。
投标人应针对自己的产品和招标人的技术条件,提供完整的系统解决方案(硬件和软件)。
2.2 投标人在投标文件中,对本技术要求中所提各项要求能否实现与满足,应逐项诚实地逐条予以说明和答复。
明确是否满足、部分满足和不满足,或优于,并加以必要的说明。
对不满足的条目,可以提出建议;对部分满足的条目,必须分别清楚说明满足和不满足的部分或程度,对优于内容需阐述优于内容和指标。
投标人亦可根据自己的产品技术性能具体情况,在建议书中提出建议,并附详细资料和说明。
2.3 鼓励投标人最大程度地发挥自身的技术优势,在全面理解本招标文件的基础上,推荐使用性能优于技术要求的整体性能更优的系统配置方案,包括硬件、软件、系统集成等各方面的内容,招标人在评标时将给予加分项考虑。
第五章招标项目需求及技术要求第二包段:注:1、投标人在满足技术要求和性能的前提下可投同档次或优于上述参数、性能和质量的货物。
2、“冷库板”为本次采购的核心产品。
3、如所投产品为列入《节能产品政府采购品目清单》中标注“★”的政府强制采购的节能产品,投标人所投产品应在国家有关部门公布的《节能产品政府采购品目清单》中(若政府采购活动开始后,尚未进入评审环节前,相关部门重新发布新一期《节能产品政府采购品目清单》的,可同时执行上期和最新一期节能清单),投标人应附所在页的复印件,及在有效期内的《国家节能产品认证证书》复印件。
清单可在中华人民共和国财政部网站()、中国政府采购网(/)查阅,否则应当认定其投标无效。
4、对于招标文件中的技术条款,投标人应在投标文件中提供其投标产品满足招标文件重要技术条款要求的客观证据材料(技术支持资料)作为投标文件的一部分,以证明投标人真实并实质性响应招标文件的重要技术条款。
上述客观证据材料(技术支持资料)包括:国家认证认可监督管理委员会认可的检验检测认证机构出具的认证证书、检测报告;投标产品制造商公开发布的印刷技术资料(彩页或技术白皮书),或者投标产品制造商官网发布的技术资料网页版打印件(显示网页网址);或者评标委员会认可的其他客观证据材料。
认证证书、检测报告与印刷技术资料、官网技术资料不一致时,以认证证书、检测报告为准。
对于非标准和非通用的产品,投标人也可以提供此前完成的类似项目的合同技术规格及最终的性能检验报告(应加盖用户单位公章)作为客观证据材料。
上述客观证据材料应是中文,如是外文应提供对应的中文翻译说明,评标以中文翻译内容为准。
5、投标人应如实描述所投产品的技术参数和性能,不得完全复制粘贴采购需求及技术要求中的技术参数和性能描述。
因完全复制粘贴采购需求及技术要求中的技术参数和性能描述而产生的不利于投标人的评审风险由投标人自行承担。
招标项目需求及技术要求
采购内容:
1、通信与控制系统(高铁)集成与维护实训平台 2套
2、分布式光伏工程实训系统 2套
3、空调制冷综合实训装置 3套
4、实训耗材 3套
2017河南省中等职业学校教育实训基地建设项目招标文件注:
1、履约验收:采购人根据国家有关规定、招标文件、中标方的投标文件以及合同约定的内容和验收标准进行验收,采购人可以视项目情况邀请第三方机构或者参加本项目投标的落标人参与验收。
验收情况作为支付货款的依据。
如有异议,以相关质量技术检验检测机构的检验结果为准,如产生检验检测费用,则该费用由过失方承担。
2、分布式光伏工程实训系统为本次采购的核心产
精品文档。