项目工程项目工程建设业务循环符合性测试工作底稿
- 格式:docx
- 大小:212.90 KB
- 文档页数:2
内控审计业务循环内部控制及测试工作底稿销售收款循环 举例:S公司现行的销售政策和程序业经董事会批准,如果需对该项政策和程序作出任何修改,均应经董事会批准后方能执行。
本年度该项政策和程序没有发生变化。
S公司的产品主要为电子感应器、光感器、集成电路块,通用性较强。
所有产品按订单生产,其中约计95%的产品系销售给国外中间商,全部采用海运方式,以货物离岸作为风险、报酬转移的时点。
通常情况下,这些顾客于每年年初与公司签订一份包含全年预计所需商品数量、基本单价等条款的一揽子采购意向。
顾客采购意向的重要条款由董事会审批,并授权总经理签署。
S公司根据顾客采购意向总体安排采购原材料及生产计划,实际销售业务发生时,S公司还需与顾客签订出口销售合同。
对于向国内销售的部分,S公司根据订单金额和估算毛利情况,分别授权不同级别人员确定是否承接。
S公司使用Y系统处理销售与收款交易,自动生成记账凭证和顾客清单,并过至营业收入和应收账款明细账和总账。
款循环的主要控制流程,并已与财务经理×××、销售经理×××确认下列所述内容: 1.有关职责分工的政策和程序S公司建立了下列职责分工政策和程序: (1)不相容职务相分离。
主要包括:订单的接受与赊销的批准、销售合同的订立与审批、销售与运货、实物财产保管与会计记录、收款审批与执行等职务相分离。
(2)各相关部门之间相互控制并在其授权范围内履行职责,同一部门或个人不得处理销售收款业务的全过程。
2.主要业务活动介绍 (1)销售 1)新顾客 如果是新顾客,他们需要先填写“顾客申请表”,销售经理×××将进行顾客背景调查,获取包括信用评审机构对顾客信用等级的评定报告等,填写“新顾客基本情况表”,并附相关资料交至信用管理经理×××审批。
信用管理经理×××在“新顾客基本情况表”上签字注明是否同意赊销。
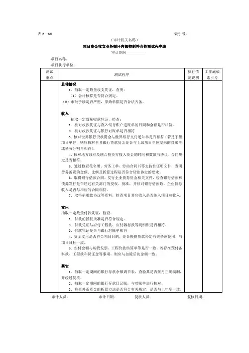
表3-30 索引号:(审计机关名称)项目资金收支业务循环内部控制符合性测试程序表审计期间_____项目名称:审计人员:审计日期:复核人员:复核日期:赠送:一份《国际商业合同》国际商业合同买方:___________________________________地址:邮编:____________ 电话:____________ 法定代表人:____________ 职务:____________ 国籍:____________卖方:____________________________________地址:邮编:____________ 电话:____________ 法定代表人:____________ 职务:____________ 国籍:____________买卖双方在平等、互利的原则上,经协商达成本协议条款,以共同遵守,全面履行:第一条品名、规格、价格、数量:单位:____________________________数量:____________________________单价:____________________________总价:____________________________总金额:____________________________第二条原产国别和生产厂:第三条包装:1.须用坚固的木箱或纸箱包装。
以宜于长途海运/邮寄/空运及适应气候的变化。
并具备良好的防潮抗震能力。
2.由于包装不良而引起的货物损伤或由于防护措施不善而引起货物锈蚀,卖方应赔偿由此而造成的全部损失费用。
3.包装箱内应附有完整的维修保养、操作使用说明书。
第四条装运标记:卖方应在每个货箱上用不褪色油漆标明箱号、毛重、净重、长、宽、高并书以“防潮”、“小心轻放”、“此面向上”等字样和装运:________________.第五条装运日期:____________________第六条装运港口:____________________第七条卸货港口:____________________第八条保险:____________________装运后由买方投保。