异形桩计算表
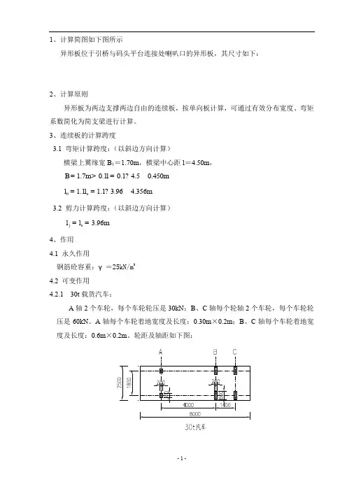
- 格式:xls
- 大小:397.00 KB
- 文档页数:1
桩的体积计算公式
1.方形桩:
方形桩的体积计算公式为:
体积=长度×宽度×高度
2.圆形桩:
圆形桩的体积计算公式为:
体积=π×半径²×高度
3.柱形桩:
柱形桩的体积计算公式为:
体积=π×半径²×高度
4.锥形桩:
锥形桩的体积计算公式为:
体积=(上底面积+下底面积+√(上底面积×下底面积))×高度/3 5.梯形桩:
梯形桩的体积计算公式为:
体积=(上底面积+下底面积+√(上底面积×下底面积))×高度/2 6.堆模桩:
堆模桩是指在施工现场,将多种材料叠放而成的桩,因此其体积计算需要分别计算不同材料的体积,并进行叠加。
以上是常见桩形式的体积计算公式,需要根据实际情况选取适用的公式进行计算。
在进行计算时,需注意单位的统一,并且确保所用公式适用于所需计算的桩形式。
此外,对于复杂的桩形式,如异形桩或复合桩等,可能需要借助计算机辅助设计软件或进行实际测量才能得出准确的体积。
在实际应用中,也应该考虑到桩的公差和测量误差等因素,以确保计算结果的准确性。
1、2、3、4、5、6、7、1、砼护壁平均厚度已经包括定额解释(一)第66条中按设计断面周边增加20mm;二、钻孔桩:
如果设计桩顶标高大于自然地坪标高,高出自然地坪桩芯砼也包括在内!在汇总表中扣除,另列项汇总;一、挖孔桩-圆桩带扩头:
计 算 说 明
计算表中“土层挖孔总深(m)”一列中已经扣除150mm高度[即定位砖护壁高度];
底部扩头部分按实计算;
高出自然地坪的桩砼及模板没有定额子目可以套用,在汇总表中单独列项;桩芯砼计算时,包括了高出自然地坪部分桩芯砼,但是在汇总表中已经扣除了;桩芯砼按设计直径计算;(注意:这个工程量比实际要小,因为红色部分没有计算进去,见下图)挖土方工程量是按设计桩直径+最大护壁厚度*2为孔外径计算的;。
常⽤计算公式常⽤计算公式(⼀)基础1.带形基础(1)外墙基础体积=外墙基础中⼼线长度×基础断⾯⾯积(2)内墙基础体积=内墙基础底净长度×基础断⾯⾯积+T形接头搭接体积V=V1+V2=(L搭×b×H)+ L搭〔bh1/2+2(B-b/2×h1/2×1/3)〕=L搭〔b×H+h1(2b+B/6)〕式中:V——内外墙T形接头搭接部分的体积;V1——长⽅形体积,如T形接头搭接⽰意图上部所⽰,⽆梁式时V1=0;V2——由两个三棱锥加半个长⽅形体积,如T形接头搭接⽰意图下部所⽰,⽆梁式时V= V2 ;H——长⽅体厚度,⽆梁式时H=0;2.独⽴基础(砼独⽴基础与柱在基础上表⾯分界)(1)矩形基础: V=长×宽×⾼(2)阶梯形基础:V=∑各阶(长×宽×⾼)(3)截头⽅锥形基础: V=V1+V2=H1/6+[A×B+(A+a)(B+b)+a×b]+A×B×h2式中:V1——基础上部棱台部分的体积( m3 )V2——基础下部矩形部分的体积( m3 )A,B——棱台下底两边或V2矩形部分的两边边长(m)a,b——棱台上底两边边长(m)h1——棱台部分的⾼(m)h2——基座底部矩形部分的⾼(m)(4)杯形基础基础杯颈部分体积( m3 ) V3=abh3式中:h3——杯颈⾼度V3_——杯⼝槽体积( m3 )V4= h4/6+[A×B+(A+a)(B+b)+a×b]式中:h4—杯⼝槽深度(m)。
V=V1+V2+V3-V4式中:V1,V2,V3,V4为以上计算公式所得。
3. 满堂基础(筏形基础)有梁式满堂基础体积=(基础板⾯积×板厚)+(梁截⾯⾯积× 梁长)⽆梁式满堂基础体积=底板长×底板宽×板厚4. 箱形基础箱形基础体积=顶板体积+底板体积+墙体体积5.砼基础垫层基础垫层⼯程量=垫层长度×垫层宽度×垫层厚度(⼆)柱1.⼀般柱计算公式:V=HF式中:V——柱体积; H——柱⾼(m)F——柱截⾯积2.带⽜腿柱V=(H × F)+⽜腿体积×n=(h × F)+[(a ×b ×h1)+a × b V2h2/2]n=h ×F+a ×b ×(h1+h2/2)n式中:h——柱⾼(m);F——柱截⾯积a.b——棱台上底两边边长;h1——棱台部分的⾼(m)h2——基座底部矩形部分的⾼(m);n——⽜腿个数3.构造柱:V=H ×(A×B+0.03×b×n)式中:H—构造柱⾼(m); A.B—构造柱截⾯的长和宽 b—构造柱与砖墙咬槎1/2宽度; n—马⽛槎边数(三)梁1.⼀般梁的计算公式(梁头有现浇梁垫者,其体积并⼊梁内计算)V=Lhb 式中:h—梁⾼(m);b—梁宽; L—梁长2.异形梁(L、T、⼗字型等梁)V=LF 式中:L—梁长; F—异型梁截⾯积3.圈梁圈梁体积V=圈梁长×圈梁⾼×圈梁宽4.基础梁V=L×基础梁断⾯积式中:V—基础梁体积(m3); L—基础梁长度(m)。
异形桩研究现状作者:郭雪丰来源:《科技探索》2013年第11期摘要:本文通过分析异形桩的发展过程,论述了异形桩的研究现状并提出了在分析研究方法上的一些不足。
关键词:桩异形桩实验方法一、异形桩发展现状随着人类社会文明发展的需要,建筑结构化形式日趋复杂化。
桩基作为一种常见的深基础形式,已经在建筑行业占领了较大比重。
例如在公路、桥梁、堤坝等工程基础建设中,已经得到广泛应用[1]。
研究人员在继承传统的同时,也不断在尝试新工艺、新方法、新形式、新思路、新理论。
在奥运期间的场馆、上海世博会中的场馆、青藏线铁路运输工程的建设中都有体现。
在一些大跨度桥梁建筑工程的基础建设中,也能看到桩基的身影。
桩基的工作原理是将上部荷载传递给桩周及桩端土体,同时满足建筑物(构筑物)对荷载及沉降的要求。
桩基在承载力、稳定性、沉降量、沉降差等方面都能发挥很好的作用,满足一些大型建筑的基础要求。
由于桩基具有强大的稳定性,避免了很多高大建筑物倒塌破坏的现象出现。
桩基早期是在一些民用建筑、工业建筑中采用。
随着建造科技水平的提高,桩基工程在桥梁、港口、公路、船坞、近海钻采平台、高耸(重)建(构)筑物、支挡结构以及抗震工程中也得到了推广。
桩基的受力包括:侧向风力、波浪力、土压力、地震力、车辆制动力等。
由于行业需要,桩在产量方面有大幅度提高。
据近年来桩总产量统计,全国各行各业在桩的年使用量方面已经超过了1百万根[2]。
桩结构方面也有所改变,包括桩的施工工艺也有一定的突破。
由于桩形式的复杂多样,需要对其进行分类。
从不同异化的角度,将桩形分为横向截面异化和纵向截面异化。
也可以将桩分为等截面桩和变截面桩。
无论从哪些角度去划分,目的都是为了能够更好地区分桩的异化特点。
横向截面异化的桩型有:三角形桩、六角形桩、八角形桩、外方内圆空心桩、外方内异形空心桩、L形桩、C形桩、Z形桩、十字形桩、X形桩、T形桩及壁板桩等[3]。
纵向截面异化的桩型有:楔形桩(圆锥形桩和角锥形桩)、梯形桩、菱形桩、竹节桩、齿形桩、根形桩、扩底柱、多节桩(多节灌注桩和多节预制桩)、桩身扩大桩、波纹柱形桩、波纹锥形桩、带张开叶片的桩、螺旋桩、从一面削尖的成对预制斜桩及DX挤扩灌注桩等。
Research 研究探讨347 异型桩侧摩阻力影响因素研究傅洋燕吴瑞潜* 吕蓓凤李妙裘锦瑜葛柃岑沈佳怡(绍兴文理学院土木工程学院,浙江绍兴312000)中图分类号:G322 文献标识码:B 文章编号1007-6344(2019)07-0347-01摘要:桩侧摩阻力作为影响异型桩承载能力的重要因素,是当前异型桩实际应用的关注热点。
本文通过一些影响因素,如异形效应、深度效应、施工工艺、成桩效应、桩侧和桩端土体性质,以及时间效应、桩顶荷载等,分析了异型桩桩侧摩阻力的变化规律。
显然,这些影响因素不但对异型桩侧摩阻力的分布起单独作用,而且相互联系、相互制约。
因此,异型桩侧摩阻力的分布非常复杂,不能采用一般桩桩侧摩阻力均匀分布假定,现今也没有精确统一的计算公式。
本文主要综述在不同影响因素下异型桩侧摩阻力的分布状况,为进一步综合研究打下基础。
关键词:桩侧摩阻力;异型桩;影响因素0 引言我国传统桩基多由规则型桩(如圆桩、方桩等)组成,材料耗费大、经济效益低。
基于建筑节能和建造可持续发展的绿色建造理念,近几十年发展了异型桩,最大程度发挥桩本身优势,合理利用桩侧摩阻力特性、增强桩身承载能力,同时降低了工程造价,增加经济效益。
目前,一些大型工程都有异型桩的应用,如浙江杭浦、申嘉湖等高速公路、江苏南京长江四桥连接线等。
异型桩作为新式桩型,其桩侧摩阻力影响因素众多且异形结构受力复杂,仅套用一般类型桩桩侧摩阻力均匀分布模型,未能综合考虑工程实际侧摩阻力异形效应,因此无法得出确切计算公式。
笔者结合异型桩自身性状及其他因素,通过桩侧摩阻力经验计算公式中各项影响系数,综述不同影响条件下异型桩侧摩阻力的分布特性。
1 异型桩及侧摩阻力异型桩,也称为异形桩,是一种新型特殊种类桩,可分纵向截面异型桩和横向截面异型桩。
纵截面异型桩,即按照桩侧土层的不同性质,沿深度方向改变桩径或桩型,增加桩侧截面不平直度与粗糙度,以获得所能达到最大侧摩阻力的异型桩。
土建工程量计算8---条形基础独立基础承台基础桩土方回填、运土条形基础计算方法(1)素土垫层工程量外墙条基素土工程量=外墙素土中心线的长度×素土的截面积内墙条基素土工程量=内墙素土净长线的长度×素土的截面积(2)灰土垫层工程量外墙条基灰土工程量=外墙灰土中心线的长度×灰土的截面积内墙条基灰土工程量=内墙灰土净长线的长度×灰土的截面积(3)砼垫层工程量外墙条基砼垫层基础=外墙条形基础砼垫层的中心线长度×砼垫层的截面积内墙条基砼垫层基础=内墙条形基础砼垫层的净长线长度×砼垫层的截面积(4)条形基础工程量外墙条形基础的工程量=外墙条形基础中心线的长度×条形基础的截面积内墙条形基础的工程梁=内墙条形基础净长线的长度×条形基础的截面积注意:净长线的计算①砖条形基础按内墙净长线计算②砼条形基础按分层净长线计算有些地区(天津)计算规则规定,条形基础以地圈梁顶为分界线,这就造成了计算墙体时候必须加上+-0.000以下的高度;而且一个工程条形基础同时出现不同标高的圈梁时候,计算墙体时候必须区分出墙的底标高,对手工造成了麻烦。
(5)、砼垫层模板①计算方法之一:天津2004年建筑工程预算基价砼垫层模板按砼垫层以体积计算。
②计算方法之二:有的地区定额规则的砼垫层模板=砼垫层的侧面净长×砼垫层高度(6)、砼条基模板①计算方法之一:天津2004年建筑工程预算基价砼条基模板按砼条基以体积计算。
②计算方法之二:有的地区定额规则的砼条基模板=砼条基侧面净长×砼条基高度 .(7)、地圈梁工程量外墙地圈梁的工程量=外墙地圈梁中心线的长度×地圈梁的截面积内墙地圈梁的工程梁=内墙地圈梁净长线的长度×地圈梁的截面积(8)、地圈梁模板①计算方法之一:天津2004年建筑工程预算基价地圈梁模板按地圈梁以体积计算。
②计算方法之二:有的地区定额规则的地圈梁模板=地圈梁侧面净长×地圈梁高度(9)基础墙工程量外墙基础墙的工程量=外墙基础墙中心线的长度×基础墙的截面积内墙基础墙的工程梁=内墙基础墙净长线的长度×基础墙的截面积(10)基槽的土方体积基槽的土方体积=基槽的截面面积×基槽的净长度外墙地槽长度按外墙槽底中心线计算,内墙地槽长度按内墙槽底净长计算,槽宽按图示尺寸加工作面的宽度计算,槽深按自然地坪至槽底计算。
钢板桩支护计算书以桩号2c0+390处的开挖深度,4C0+001.5处的开挖宽度为准(本项目的最大开挖深度和宽度)一设计资料1桩顶高程H1:4.100m施工水位H2:3.000m2 地面标高H0:4.350m开挖底面标高H3:-3.400m开挖深度H:7.7500m3土的容重加全平均值γ1:18.3KN/m3土浮容重γ’: 10.0KN/m3内摩擦角加全平均值Ф:20.10°4均布荷q:20.0KN/m25基坑开挖长a=20.0m 基坑开挖宽b=9.0m二外力计算1作用于板桩上的土压力强度及压力分布图ka=tg2(45°-φ/2)=tg2(45-20.10/2)=0.49kp=tg2(45°+φ/2)=tg2(45+20.10/2)=2.05板桩外侧均布荷载换算填土高度h,h=q/r=20.0/18.3=1.09m桩顶以上土压力强度Pa1Pa1=r×(h+0.25)Ka=18.3×(1.09+0.25) ×0.49=12.0KN/m2水位土压力强度Pa2Pa2=r×(h+4.35 -3.00 )Ka=18.3×(1.09+4.35 -3.00 )× 0.49=21.8KN/m2开挖面土压力强度Pa3Pa3=[r×(h+4.35 -3.00 )+(r-rw)(3.00+3.40)}Ka=[18.3×(1.09+4.35 -3.00 )+(18.3-10) ×(3.00+3.40)]×0.49=47.8KN/m2开挖面水压力(围堰抽水后)Pa4:Pa4=γ(3.00+3.40)=10×(3.00+3.40)=64.0KN/m2三确定内支撑层数及间距按等弯距布置确定各层支撑的Ⅲ型钢板桩能承受的最大弯距确定板桩顶悬臂端的最大允许跨度h:弯曲截面系WZ0=0.001350m3,折减系数β=0.7采用值WZ=βWZ0=0.00135×0.7=0.000945m3容许抗拉强[σ]= 200000.0KPa由公式σ=M/Wz得:最大弯矩M0=Wz×[σ]=189.0KN*m1假定最上层支撑位置与水位同高,则支点处弯矩M'=Pa1*(H1-H2)2/2+(Pa2-Pa2)(H1-H2)2/6=9.2KN*m<M0=189.0KN*m 故,支撑点可设置在水位下。