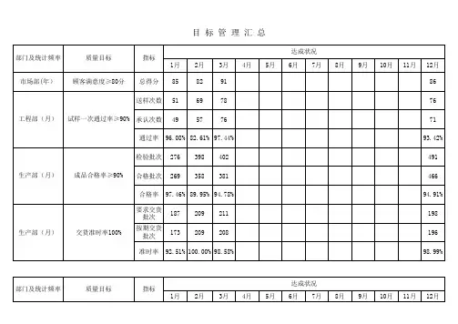
生产部质量目标达成状况统计表
- 格式:xls
- 大小:130.00 KB
- 文档页数:1
附件:编制(日期): 审核(日期): 批准(日期):20 年质量目标达成情况分析报告一.公司目标达成状况分析综述:20 /9-20 /8公司质量目标,达标状况良好。
其中客户退货率7,8两月未达标。
见附件《ZZ客户投诉清单》1)未达标原因分析:1.客户退货率7月不达标原因:退货主要产品为印刷品23批,模切15批,导热产品8批,簧片5批.客退的主要不良为外观不良,性能不良,和图文不符.主要原因为生产,设计,材料原因.如模具没有调整好,设备压力不稳,菲林用错等导致印刷不良,裁切不良.2.客户退货率8月不达标原因:客户投诉的重点仍在印刷类产品,本月印刷类产品共计产生有效投诉19批,占总投诉的45.24%;共发生投诉42批次,其中退货8批,代用7批,换货17批,重工7批;2)改善措施:第1页/共3页二.品质部部门目标达成状况分析1.未达标分析1-1.来料检验状况:来料检验合格率3,4,5月未达标。
原因主要是供应商协诚致远的家电下乡卡的来料异常影响,占总批退物料的65%。
连续3月影响来料检验目标的达成。
1-2.模具检验合格率:1,2,4,5,6月未达标未达标原因分析:1-3.制程检验合格率:6月份未达标第2页/共3页未达标原因分析:通过柏拉图对制程不良缺陷进行分析,外观不良、损耗不足、尺寸不良占据制程不良前三位,分别为66.42%、23.78%、8.37%,前三位合计不良比率达到98.56%,影响了“制程检验合格率”达标;主要因素是印刷不良、转序过程中造成的外观缺陷、透明孔冲裁定位不准、模切压力调整不合适、原材料不良。
改善措施:1、制定与修订各工序的作业指导书和检验指导书、检验规范,培训作业员和PQC,提升作业员的自检意识和能力,以及品管员的检验技能2、深入分析产生不良的原因,针对一些重点问题,由QE牵头组织工程协助生产人员完善生产工艺和流程,提升直通率3、推进新产品工艺评估工作,工程部门需完善产品工艺评估防止出现样品可以通过到量产时出现大批量问题;4、推进新员工培训特别是一线员工的技能培训,让员工熟知产品放行标准和工艺要求;5、推进品质标准的建立和执行,配合现场主管对品管和现场员工进行培训;未达标原因分析:1.品质不良损失金额长期不达标,主要是由于制程不良损失长期不达标所致。
质量目标达成情况汇总表
1. 背景
质量目标达成情况汇总表是为了跟踪和评估公司在质量目标方
面的表现而创建的。
通过汇总和分析相关数据,我们可以了解质量
目标的实际达成情况,并根据结果做出进一步的决策和改进措施。
2. 目的
本文档旨在总结和呈现质量目标的达成情况,以便于管理层和
相关团队了解当前的质量表现,并制定相应的行动计划。
通过透明
和全面的汇总表,我们可以追踪和监测公司在质量管理方面的进展,并及时采取必要的措施来提高和优化质量表现。
3. 汇总表格
质量目标达成情况汇总表应包括以下内容:
3.1 目标指标
列出各项质量目标的指标和要求。
这些指标应该明确且量化,
以便对目标的达成情况进行衡量和评估。
3.2 实际达成情况
对每个质量目标,记录实际达成的结果。
这些结果可以是定量数据、案例研究或其他质量评估指标。
3.3 差距分析
分析实际达成情况与目标指标之间的差距,并描述可能的原因和影响。
这有助于我们确定达成目标的难度以及可能存在的改进空间。
4. 行动计划
基于质量目标达成情况汇总表的分析结果,制定具体的行动计划。
行动计划应包括明确的目标、具体的实施步骤、责任人和时间表。
这些计划将帮助我们改进和优化质量管理,以更好地实现质量目标。
5. 总结
质量目标达成情况汇总表是一个重要的工具,通过它我们可以全面了解和评估公司在质量管理方面的表现。
通过分析汇总表的结果,我们可以制定相应的行动计划,改善和优化质量表现,进一步推动公司的发展和竞争力。
质量目标完成情况统计表优质文档(优质文档,可直接使用,可编辑,欢迎下载)质量目标完成情况统计表(2021年)日期:2021.1质量管理中常用的统计分析方法在西方,“统计”(statistics)一词是由“国家”(state)一词演化而来的。
它的意思是指收集和整理国情资料、信息的一种活动。
随着现代科学技术的飞速发展,统计方法得到了日益广泛和深入的应用,对人类认识和改造世界产生重大影响。
质量管理中,无论何时、何处都会用到数理统计方法,而且这些统计方法所表达的观点对于质量管理的整个领域都有深刻的影响。
那么统计方法是什么呢?——所谓统计方法,是指有关收集、整理、分析和解释统计数据,并对其所反映的问题做出一定的结论的方法。
它的用途有以下几个方面:提供表示事物特征的数据(如平均值、方差、极差等);比较两事物的差异;分析影响事物变化的因素(如因果图、分层法等);分析事物之间的相关关系;研究取样和试验方法,确定合理的试验方案,发现质量问题,分析和掌握质量数据的分布状况和动态变化(如排列图、控制图等);描述质量形成过程(如控制图等)。
在这里应当指出,统计方法是在质量管理中起到的是归纳、分析问题,显示事物的客观规律的作用,而不是具体解决质量问题的方法.就像医生为病人诊断一样,体温表、血压计、X光透视机、心电图仪、B超仪、核磁共搌仪等仪表器具,只是帮助医生作出正确诊断的工具,其诊断并不等于治疗。
要想治病,还应当吃药打针等。
因此,统计方法也是在质量管理中探索质量症结所在,分析产生质量问题的原因,但要解决质量问题和提高产品质量还需依靠各专业技术和组织管理措施.一、分层法分层(stratification)法又叫分类法、分组法。
它是按照一定的标志,把搜集到的大量有关某一特定主题的统计数据加以归类、整理和汇总的一种方法。
但在使用中,分层法常与其他统计方法结合起来应用,如分层直方图法、分层排列法、分层控制图法、分层散布图法和分层因果图法等等。
质量目标达成情况报告尊敬的各位领导、同事:大家好!为了持续提升产品或服务的质量,满足客户的需求和期望,我们制定了一系列质量目标,并对其达成情况进行了跟踪和评估。
本报告旨在向大家详细介绍这些质量目标的达成情况,总结经验教训,为未来的质量改进工作提供参考。
一、质量目标设定在年初,我们根据公司的战略规划和市场需求,确定了以下质量目标:1、产品合格率达到 95%以上。
2、客户满意度达到 90%以上。
3、降低质量成本 10%。
二、质量目标达成情况评估(一)产品合格率通过对生产过程的严格监控和质量检验,我们的产品合格率达到了96%,超过了设定的 95%的目标。
这一成绩的取得,得益于以下几个方面的努力:1、加强了原材料的检验和筛选,确保进入生产环节的原材料质量符合标准。
2、优化了生产工艺和流程,减少了生产过程中的质量波动。
3、对员工进行了多次质量培训,提高了员工的质量意识和操作技能。
(二)客户满意度通过客户调查和反馈收集,我们的客户满意度达到了 92%,略高于设定的 90%的目标。
为了提高客户满意度,我们采取了以下措施:1、建立了快速响应客户投诉和建议的机制,及时解决客户的问题。
2、加强了与客户的沟通和交流,定期了解客户的需求和期望,为客户提供个性化的服务。
3、不断改进产品的性能和质量,满足客户不断提高的要求。
(三)降低质量成本通过质量成本的核算和分析,我们成功降低了质量成本 12%,超过了设定的 10%的目标。
主要的降本措施包括:1、减少了废品和返工的数量,降低了生产成本。
2、优化了质量检验流程,提高了检验效率,降低了检验成本。
3、加强了对供应商的管理,降低了采购成本。
三、未达成目标的原因分析尽管我们在大部分质量目标上取得了较好的成绩,但仍有部分目标未能完全达成。
以下是对未达成目标的原因分析:(一)产品一次通过率有待提高虽然产品合格率达到了目标,但产品的一次通过率仅为 85%,低于预期。
主要原因是生产过程中的一些关键工序控制不够严格,导致部分产品需要进行二次加工或返修。
**有限公司
质量和环境目标指标考核统计资料
办公室整理
年
**有限公司
质量和环境目标指标考核统计表
制表:审核:日期:年
**有限公司
质量和环境目标指标考核统计表
**有限公司
质量和环境目标指标考核统计表
制表:审核:日期:年
**有限公司
质量和环境目标指标考核统计表
制表:审核:日期:年
**有限公司
质量和环境目标指标考核统计表
制表:审核:日期:年
**有限公司
质量和环境目标指标考核统计表
制表:审核:日期:年
**有限公司
质量和环境目标指标考核统计表
制表:审核:日期:年
**有限公司
质量和环境目标指标考核统计表
制表:审核:日期:年
**有限公司
质量和环境目标指标考核统计表
制表:审核:日期:年
**有限公司
质量和环境目标指标考核统计表
制表:审核:日期:年。