2013年度净化空调系统系统质量回顾_
- 格式:doc
- 大小:278.00 KB
- 文档页数:12
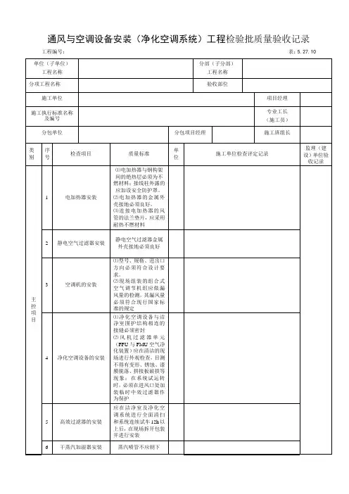
净化空调系统子分部工程质量验收记录净化空调系统是指通过空气过滤、消毒、除尘和降温降湿等措施,提供清洁、舒适的空气条件的空调系统。
其设计和施工要求严格,需要进行质量验收记录以确保工程质量达标。
以下是一个净化空调系统子分部工程质量验收记录的示例,供参考:项目概况:该项目医院的净化空调系统子分部工程,涉及空调设备安装、管道安装、电气接线、空调风道安装等工程内容。
工程验收日期:XXXX年XX月XX日一、验收人员本次质量验收的人员包括:1.业主代表:XXX2.施工单位代表:XXX3.监理单位代表:XXX二、验收内容和结论1.空调设备安装验收(1)按照设计要求,空调设备已经正确安装,并且与建筑结构、管道等相连接。
(2)空调设备外表面无明显损坏,且无渗漏现象。
(3)空调设备的制冷和制热功能正常,能够稳定运行。
结论:空调设备安装符合设计要求,验收合格。
2.管道安装验收(1)管道布置、固定和连接符合设计要求和标准,没有明显的变形和破损。
(2)管道的阀门、支架、支吊架等安装位置正确,与设备连接紧密。
(3)管道系统的密封性良好,无泄漏现象。
结论:管道安装符合设计要求,验收合格。
3.电气接线验收(1)空调设备的电气接线符合设计图纸和规范要求。
(2)接线盒、开关、插座等电气设备安装位置正确,固定牢固。
(3)电气设备的接线密封良好,无松脱和漏电现象。
结论:电气接线符合设计要求,验收合格。
4.空调风道安装验收(1)风道按照设计要求正确安装,连接紧固。
(2)风道的尺寸、弯头、转角等均符合设计要求和规范。
(3)风道连接处进行了密封处理,无漏风现象。
结论:空调风道安装符合设计要求,验收合格。
三、存在的问题和整改建议1.部分空调设备的外表面有轻微划伤,建议进行修补。
2.部分管道连接处未进行密封处理,存在泄漏隐患,建议进行整改。
3.部分电气设备的接线未进行标识,建议进行整理和标识。
4.部分风道连接处存在松脱现象,建议固定牢固。
四、验收结论经过上述的质量验收,根据实际情况,净化空调系统子分部工程的各项工程符合设计要求和规范,验收合格。
2013年度检修分析总结一、概述进入2013年以来,我们吸取去年检修工作中的经验和教训,完成了各项检修任务,检修质量和检修反应速度有了一定的提高。
不论在日常维护消缺还是在设备停机的检修工作中,自始至终坚持“质量第一,稳中求细”的思想,将设备隐患降低到最小。
安全上严格执行电力安全工作规程,坚决杜绝一切习惯性违章作业,通过强化安全培训教育,不断提高所有检修员工的安全意识,切实贯彻“安全第一”的方针,保证张家口分公司设备安全、稳定、经济运行。
二、设备状态2013年******设备总体情况运行良好,设备运行比较稳定可靠,设备缺陷与去年相比有所降低。
重大缺陷和紧急缺陷明显减少,主要为一般性缺陷,多发生在风机和集电线路上。
为了保障发电设备安全、可靠、稳定运行,根据公司《主设备评级办法》规定,对*******电气设备及风机做出评级。
评级设备共****项,达到一级设备水平的有****项,占总设备的*****%,达到二级设备水平的有***项,占总设备的****%,三级设备**项,占总设备的,****%,,设备完好率为******%。
三、年度检修、缺陷及巡检情况1、检修工作完成情况:1)、完成风机定维情况:一期33台***风机在3月12日至5月5日月进行2013年的第一次定期维护,发现缺陷40项,已全部消除。
第二次定期维护于9月28日至11月5日已全部完成,发现缺陷38项,已全部消除。
更换发电机轴承、集电环2台次(******),已完成更换27#风机低速轴及轴承工作。
在定检过程中发现风机叶片裂纹3台次,已全部处理完成。
目前存在的缺陷一条,****风机叶片变浆轴承异音,已联系厂家并取得厂家传真回复。
设备运行情况良好。
2)、二期33台*****定期维护于7月15日至8月14日完成本年度第一次维护,遗留缺陷已全部消除。
风机在日常维护检修中,发现重大缺陷十二项(**************风机发电机故障;************风机发电机轴承故障)已完成更换。
洁净区净化空调系统(2013年)年度质量回顾目录1.目的 (2)2.范围 (2)3.定义 (2)4.职责 (2)5.详述 (2)6评价与结论 (7)7建议 (7)1.目的洁净空调系统经过2013年一年的正常运行及日常维护,通过统计洁净空调系统的相关监测数据以及对数据的趋势分析,回顾洁净空调系统的质量情况是否稳定、可控。
2.范围回顾期限为2013年07月01日至2013年12月31日,适用于洁净空调系统下半年关键洁净区域的相关监测数据的分析回顾,包括提取车间和制剂车间洁净控制区相关数据分析。
3.定义相关术语:S-标准差, CL-平均值99%UCL-相关监测数据99%的置信上限; 99%LCL-相关监测数据99%的置信下限Cpk-工序能力指数4.职责质量部QA负责本回顾报告的起草制订工程部、生产部负责人负责报告审核质量部负责人负责本报告审核和批准5.详述5.1系统总体情况说明洁净空调系统在2013年度未发生变更,该系统在2013年07月份已完成再验证,全年未发生重大偏差,也无安全、质量事故发生。
洁净空调系统运行、维护、监测按相关规程执行,质量标准根据10版GMP要求发生变更,各监测区监测数据符合标准规定。
5.2.1分析方法:收集2013年07月01日至2013年12月31日全年洁净控制区各关键监控点的日常监测数据,将全年压差、温湿度等监测数据做趋势分析,计算各工序能力指数,判断工序能力是否正常,从而分析整个生产控制区的洁净空调系统在2013年度是否处于运行良好和可控状态。
5.2.2各关键监控点日常检测数据分析由于13年7月后才执行现行的洁净级别监测,所以悬浮粒子和沉降菌的数据不足,在本回顾中使用到的是关键房间的日常温湿度、压差数据。
每个洁净控制点的分析详见以下车间关键洁净室的具体分析与结论。
5.2.2.1口服液车间洁净控制区监测数据分析 提取车间相关数据分析温度趋势图16.018.020.022.024.026.028.08-18-28-38-49-19-29-39-49-510-110-210-310-411-111-211-311-412-112-212-3检测序号温度湿度趋势图30.035.040.045.050.055.060.065.070.08-18-28-38-49-19-29-39-49-510-110-210-310-411-111-211-311-412-112-212-3检测序号湿度9.010.011.012.013.014.015.016.017.07-17-27-37-47-58-18-28-38-49-19-29-39-49-510-110-210-310-411-111-211-311-412-112-212-3检测序号压差分析与结论:(1)由以上趋势图1、2可知,该洁净房间悬浮粒子监测均值95%UCL 和最大值均在标准上限以下,0.5和5.0μm 的最大粒子数的99%置信上限UCL 值均小于相应静态限度标准,说明该监测点悬浮粒子的日常检测值符合规定且比较稳定;两组相对应的工序能力指数Cpk >1.67,说明工序处于过剩状态。
净化空调系统回顾分析净化空调系统是一种用于改善室内空气质量的技术,通过过滤空气中的污染物和微粒,从而净化空气,并确保室内空气的新鲜和清洁。
在过去的几年里,随着人们对空气质量和健康意识的提高,净化空调系统已经成为室内环境净化的首选设备之一首先,我们需要回顾净化空调系统的工作原理和各个组件的功能。
净化空调系统通常由过滤器、风扇、换热器和传感器等组成。
过滤器是净化空气的核心部件,它能够有效地捕捉和去除空气中的各种污染物,如细菌、病毒、灰尘、花粉、烟雾等。
风扇用于循环空气并保持室内空气的流动性。
换热器则负责温度调节,确保净化空调系统能够同时提供舒适的温度和洁净的空气。
传感器则用于监测室内空气质量和调节系统运行模式。
在净化空调系统的应用方面,它广泛应用于办公室、医院、学校和居住区等各种室内环境。
其中,医院是最需要净化空调系统的场所之一,因为它们要求空气质量达到非常高的标准,以确保患者和医护人员的健康和安全。
另外,净化空调系统还可以用于改善居住环境,尤其是在那些高污染地区和容易受到室外污染物影响的地方,净化空调系统可以有效地减少室内空气中的有害物质和污染物的含量,提高居住环境的质量。
然而,净化空调系统也存在一些局限性和挑战。
首先,净化空调系统的造价相对较高,这对许多家庭和小型企业来说可能是一个难以承受的负担。
其次,净化空调系统需要定期维护和更换过滤器,以确保系统的正常运行和效果的持续。
对于一些用户来说,这可能是一个繁琐的任务。
此外,净化空调系统的能耗相对较高,这也增加了系统的运行成本。
针对这些问题,未来的发展方向是进一步提高净化空调系统的性能和效率,并降低其成本和能耗。
例如,可以采用更高效的过滤器材料和技术,以提高净化效果,同时减少能耗。
另外,可以利用先进的传感器和智能控制系统,对净化空调系统进行智能化和自动化的管理和调节,以提高系统的性能和操作的便利性。
综上所述,净化空调系统是一种重要的室内环境净化设备,它能够有效地去除空气中的污染物和微粒,提供清洁和新鲜的室内空气。
年度净化空调系统系统质量回顾-————————————————————————————————作者:————————————————————————————————日期:北京四环生物制药有限公司GMP文件第 3 页共 11Air cleaning system 2013 annual report Annual Review 2013年度净化空调系统年度回顾质量趋势分析Drafted by:Yin Qian 起草人:杨海东Position: QA职务:保障主任Signature:签名:Date:日期:Verified by: Wang Liwei 审核人吴燕Position: QA Supervisor职务:QA主管Signature:签名:Date:日期:Verified by: Wang Qiong 审核人:伊静Position: QC Supervisor职务:QC主管Signature:签名:Date:日期:Verified by: Huang Yan 审核人:桑建彬Position: Engineering Manager职务:生产主管Signature:签名:Date:日期:Approved by:Dong Ziliang 批准人:龙应国Position: General Manager职务:质量总经理Signature:签名:Date:日期:北京四环生物制药有限公司GMP文件第 4 页共 11 页Contents目录1 回顾分析目的 (5)2 范围 (5)3 概述 (5)4 职责 (6)5 验证内容 (6)6系统变更与偏差 (10)7 验证结果评定及结论 (10)8 拟定日常期监控及在回顾性验证周 (10)北京四环生物制药有限公司GMP文件第 5 页共 111 回顾分析目的本验证是建立在生产车间空气净化系统长期、稳定运行的基础之上,利用连续稳定运行符合要求的历史数据来进行回顾性验证,通过此验证以证明该系统按照现行的GMP文件进行操作、维护保养,能保证洁净区的洁净度符合设计标准及生产工艺的要求2 范围本方案适用于生产车间净化空调系统的回顾性验证。
净化空调系统回顾分析 HEN system office room 【HEN16H-HENS2AHENS8Q8-HENH1688】净化空调系统年度回顾报告回顾周期:2015年01月01日至2015年12月31日数据分析员:日期:;生产部审核:日期:;工程部审核:日期:;质量部审核:日期:;质量授权人批准:日期:。
目录1.系统概况2.目的3.质量标准4.净化空调系统各取样点检验数据分析净化空调各取样点检验数据汇总及趋势分析5.系统变更与偏差6.评价与建议评价建议1.系统概况系统简介生产车间净化空调系统采用组合式空调机组。
各台空调机组分区如下:洁净区与非洁净区压差≥10Pa,洁净区之间压差≥5Pa,系统采用初效、中效、高效三级过滤。
文件2.目的本验证是建立在生产车间空气净化系统长期、稳定运行的基础之上,利用连续稳定运行符合要求的历史数据来进行回顾性验证,通过此验证以证明该系统按照现行的GMP文件进行操作、维护保养,能保证洁净区的洁净度符合设计标准及生产工艺的要求。
3.质量标准仪器仪表检定仪表及检测仪器经过检定,检定有效期为一年,仪表及检测仪器在有效期内。
风速、风量及换气次数高效过滤器风口的风速大于等于sD级洁净区的换气次数大于等于12次/h静压差洁净室与室外的压差≥10pa产尘洁净室对相邻洁净室(区)呈相对负压。
洁净区之间压差≥5Pa温湿度温度 18℃~26℃相对湿度 45%~65%悬浮粒子数沉降菌臭氧消毒效果及空调净化系统的维护保养情况考察4.净化空调系统各取样点检验数据分析所有的仪表及检测仪器经过检定,且都在有效期内。
风速及换气次数测试结果统计及趋势分析制粒间 14 中转室 15 男二更 女二更缓冲间 14器具间 14 液体收集间 喷雾干燥间152015年各取样点风速分析图 2015年各取样点换气次数分析图统计各个净化空调系统压差检修保养记录进行分析,本年度各个净化空调系统相邻房间及相邻洁净区压差符合质量标准对各个净化空调系统压差运行温湿度记录进行分析,洁净区温湿度符合质量标准。
空调净化系统风险回顾分析报告范文下载提示:该文档是本店铺精心编制而成的,希望大家下载后,能够帮助大家解决实际问题。
文档下载后可定制修改,请根据实际需要进行调整和使用,谢谢!本店铺为大家提供各种类型的实用资料,如教育随笔、日记赏析、句子摘抄、古诗大全、经典美文、话题作文、工作总结、词语解析、文案摘录、其他资料等等,想了解不同资料格式和写法,敬请关注!Download tips: This document is carefully compiled by this editor. I hope that after you download it, it can help you solve practical problems. The document can be customized and modified after downloading, please adjust and use it according to actual needs, thank you! In addition, this shop provides you with various types of practical materials, such as educational essays, diary appreciation, sentence excerpts, ancient poems, classic articles, topic composition, work summary, word parsing, copy excerpts, other materials and so on, want to know different data formats and writing methods, please pay attention!空调净化系统风险回顾分析报告一、引言随着空调净化系统在医疗、商业和家用领域的广泛应用,其安全风险也日益凸显。
净 化 空 调 系 统 年 度 回 顾 报 告回顾周期:2015年01月01日至2015年12月31日 日期: 日期: 日期:日期: 日期:目录1. 系统概况2. 目的3. 质量标准4. 净化空调系统各取样点检验数据分析净化空调各取样点检验数据汇总及趋势分析5. 系统变更与偏差6. 评价与建议 6.1 评价 6.2建议1. 系统概况 1.1系统简介生产车间净化空调系统采用组合式空调机组。
各台空调机组分区如下:数据分析员: 生产部审核: 工程部审核:质量部审核: 质量授权人批准:洁净区与非洁净区压差》10Pa,洁净区之间压差》5Pa,系统采用初效、中效、高效三级过滤3.2文件2. 目的本验证是建立在生产车间空气净化系统长期、稳定运行的基础之上,利用连续稳定运行符合要求的历史数据来进行回顾性验证,通过此验证以证明该系统按照现行的GMP文件进行操作、维护保养,能保证洁净区的洁净度符合设计标准及生产工艺的要求。
3. 质量标准3.1仪器仪表检定仪表及检测仪器经过检定,检定有效期为一年,仪表及检测仪器在有效期内。
3.2风速、风量及换气次数高效过滤器风口的风速大于等于0.3m/sD 级洁净区的换气次数大于等于12次/h3.3静压差洁净室与室外的压差》10pa产尘洁净室对相邻洁净室(区)呈相对负压洁净区之间压差》5Pa3.4温湿度温度18 C〜26C相对湿度45% 〜65%3.5悬浮粒子数沉降菌3.7臭氧消毒效果及空调净化系统的维护保养情况考察4. 净化空调系统各取样点检验数据分析4.1所有的仪表及检测仪器经过检定,且都在有效期内4.2风速及换气次数测试结果统计及趋势分析男二更0.63 15.3 0.65 15.8 0.58 14.1 0.61 14.8女二0.63 15.8 0.65 16.3 0.61 14.7 0.64 16.1更缓冲间0.42 14.8 0.46 16.2 0.4 14.1 0.41 14.4内包间0.54 15.1 0.58 16.2 0.5 14 0.52 14.5D级走0.74 15.8 0.75 16 0.69 14.7 0.7 14.9廊粉碎间0.61 15.5 0.64 16.3 0.58 14.7 0.62 15.8选丸间0.55 15.2 0.6 16.6 0.51 14.1 0.58 16干燥间0.45 14.7 0.51 16.6 0.43 14 0.46 15机制丸0.48 15.1 0.53 16.7 0.44 13.8 0.51 16间称量室0.72 15.5 0.75 16.1 0.68 14.6 0.7 15.1制粒间0.41 14.8 0.45 16.2 0.39 14 0.44 15.8战室0.38 15 0.42 16.6 0.36 14.2 0.41 16.20.62 15.4 0.66 16.4 0.58 14.4 0.63 15.6男二更女二0.68 14.9 0.74 16.2 0.65 14.2 0.72 15.8更0.48 15.3 0.53 16.8 0.44 14 0.52 16.6缓冲间0.54 14.6 0.6 16.2 0.52 14 0.56 15.1器具间0.44 15.1 0.49 16.8 0.42 14.2 0.48 16.4液体收集间喷雾干0.70 14.8 0.72 15.2 0.68 14.4 0.71 15燥间年各取样点风速分析图2015年各取样点换气次数分析图换气次数分析图换气次数分析图4.3 匕空调系统相邻房间及相邻洁净区压差符合质量标准4.4对各个净化空调系统压差运行温湿度记录进行分析,洁净区温湿度符合质量标准。
报告编号:项目负责人:确认领导小组审查汇签:空调净化系统确认报告1.概述从对空调净化系统(设备编码:(制剂车间))进行了确认。
在仔细总结、审核确认记录的基础上,根据确认方案的可接受标准,得出了确认报告。
4.批准确认领导小组已审阅上述所有检测结果及评价分析意见,确认该设备符合确认要求,同意投入使用。
5.建议本确认方案建议1年后进行确认。
批准人:日期:年月日成都药业有限责任公司空调净化系统确认证书证书编号:公司确认小组于对制剂车间空调净化系统(设备编码:S2079033)进行了确认,确认/确认领导小组已审阅该确认数据和结果,准予合格,特授予此证书,颁发执行,批准该设备投入使用。
质量受权人:年月日(附件)确认结果总结与分析1.主题内容本标准规定了固体制剂车间净化空调系统的验证评价和结论。
2.适用范围本标准适用于固体制剂车间净化空调系统验证的总结。
3.目的确认固体制剂车间净化空调系统能够满足固体制剂车间D级洁净区的空气净化要求。
4.职责验证小组由设备动力部、质量部、生产车间等部门组成。
5.概述5.1.空调净化系统概述固体制剂车间净化级别为D级,使用MDB350M/MR型净化空调系统。
洁净区五面(顶、前、后、左、右)皆采用防静电、防火、不产尘的完整双层复膜彩钢板修建,彩钢板间采用固有咬口连接,两立面间用弧型铝材密封;三面相交处采用R型铝材连接,彩钢板的侧边用槽型铝合金封固;地面采用环氧树脂,本空调净化系统是按照行业技术标准及GMP要求设计,XXXXXXXXX制造。
由XXXXXXX有限公司安装完成。
整个HVAC系统是由空气处理装置(包括冷源、空气的过滤、输送及分配设备)组成的一个完整的系统,该系统能够对空气进行冷却、加热、除湿和净化处理,保证在生产过程中生产环境符合D级洁净等级要求。
空调系统采用在机房对空气集中收集,新风和回风混合经初效过滤器、风机、中效过滤、加热、降温和除湿,然后通过风管经过高效过滤器分配到每个房间,气流组织为顶送侧下回风。
产品年度质量回顾培训教材高行云2014年1月1.内容▪什么是产品年度质量回顾?▪为什么要做产品年度质量回顾?▪产品年度质量回顾报告包括那些内容?2.产品年度质量回顾是通过对产品质量的诸多影响因素,如原辅料、工艺、设施、环境,以及中间控制参数、成品检验结果以及稳定性数据等的定期回顾,形成书面报告,以确定生产过程和控制手段的有效性,并及时发现可能存在的问题,制定改进措施,不断提高产品质量。
2.1.年度回顾的目的确认工艺的有效性;确认产品企业标准的适用性;确认工艺及控制手段的有效性;再验证的实施发现产品改进或成本降低的机会检验变更控制的有效性为法规检查提供帮助与管理层沟通产品质量情况3.国外GMP对年度回顾的要求FDA 1979年3月生效,21CFR211.180(e)ICH Q7a, API GMPAPR (Annual Product Review)4. APR (Annual Product Review 产品质量年度回顾)的内容概述产品批次原辅料、包装材料检验数据变更稳定性数据偏差4.1概述年度回顾的时间段,包括的产品批数;对第一次回顾报告中相关措施的落实情况;本次回顾的结论以及建议的措施。
4.2产品批次范围回顾期间所有的批次,一般以回顾年度的1月1日至12月31日的所有批号的药品,不包括临床试验批次。
4.3原辅料和包装材料回顾关键质量参数,如原料药、主要辅料、内包装材料;供应商资质,定期审计情况,物料供应质量情况。
4.4检验数据关键的中间控制和成品标准的检验项;可进行统计学分析;任何OOS,不良趋势应进行分析原因,制定纠偏措施4.5有数据不是目的为质量决策提供依据决策以知识为前提知识是多种信息源的综合结果信息用统计分析方法由数据得出数据从有代表性的样品,经验证的方法得出示例:通过香丹注射液原儿茶醛的含量回顾见附表工艺能力工艺能力4.6趋势4.7数据分析要回答两个问题工艺是否有能力?工艺是否受控?示例:复方氨基酸注射液(18AA-V) 透光率(%)4.8变更列出回顾期间的主要变更;对于工艺或分析方法,列出所有的变更;稳定性试验“相容性试验”;评估这些变更对产品质量或验证状态的影响;稳定性数据;期间已完成及正在进行的稳定性试验数据;任何稳定性数据的异常情况及措施;任何原辅料、工艺的改变对稳定性的影响4.9偏差列出所有重大的偏差;纠正及预防措施的有效性;可参照相关的报告;4.10返工批次主要返工批次措施及有效性4.11不合格批次所有不合格批的列表各批不合格的原因措施及有效性4.12投诉所有内外部的投诉分类,如医学、质量,假药投诉除外4.13分析趋势,总结是否有共同原因措施及有效性4.14召回召回产品列表原因措施及有效性4.15相关设施设备的验证状态关键设施设备,如空调系统,水系统,环境、压缩空气…进行数据分析可以按生产区域分可以参见其他的报告任何主要变更以及在验证情况4.16结论和建议结论工艺过程受控推荐改进措施必需纠偏措施任何改变或再验证要求5.FDA与欧盟年度回顾要求的区别FDA –以产品分类EU –以产品的剂型分类,如固体制剂,液体制剂,无菌制剂6.年度回顾报告制定方法SOP,规定其内容,格式,负责部门/人,各部门的职责,起草、审核、批准程序成立小组,包括质量、生产、工艺、验证、工程、注册等部门制订协调负责人管理层的重视7.PQR(也是产品质量回顾的英文缩写,Product Quality Review).带来的好处PQR是质量体系持续改进的一个手段减少OOS降低返工风险降低设备故障率,提高生产率减少召回风险法规的符合性增进生产、工程、质量等部门间的交流结束语只是针对产品/工艺的年度总结是工艺的年度回顾性验证功夫在平时,体现动态监控根据企业的情况,注重实效,多用图表62013年6~7月份香丹注射液原儿茶醛含量趋势图0.38 0.38 0.38 0.39 0.4 0.370.360.390.410.41 0.40复方氨基酸注射液(18AA-V)透光率(%)趋势表序号透光率(%) 199 299.7 399.3 499.1 599.3 699 799.3 899.1 999.11099.31198.912991399.7代号12345678910111213批号7产品年度质量回顾模板产品名称、规格回顾日期:年月日目录1.概要2.回顾期限3.前次回顾所建议措施的实施情况4.生产制造情况5.产品描述5.1产品工艺5.2产品给药途径及适应证5.3关键参数6.成品质量标准7.产品质量回顾7.1物料(包括工艺用水)质量问题回顾7.2主要物料购进情况8.质量指标统计分析8.1含量8.2装量8.3有关物质8.4收率8.5小结2 9.生产分析9.1工艺稳定性9.2关键工艺参数控制情况9.3工艺变更情况10.环境监测情况回顾11.偏差回顾12.超常超标回顾13.质量事故回顾14.稳定性15.拒绝物料放行批次16.变更控制回顾17.验证校验回顾18.委托生产、检验情况回顾19不良反应监测报告情况20.产品退货21.用户投诉22.药品召回23.报批与再注册24.结论与建议1.概要:根据《年度产品质量回顾管理规程》GL03-055 的规定,****年**月,对***产品进行产品质量回顾,本报告在随机抽取**批的基础上进行了统计和趋势分析。
江苏****药业有限公司2013年固体制剂车间空气净化系统年度回顾报告职务:固体制剂车间主任签名:日期:职务:生产技术部经理签名:日期:职务:质量保证部经理签名:日期:职务:动力车间主任签名:日期:职务:QA 签名:日期:职务:质量负责人签名:日期:2013年空气净化系统年度回顾报告目录1 系统描述 (4)2 目的 (5)3 可接受标准 (5)4 空气净化系统监测周期 (5)5 检查项汇总分析 (6)6 系统变更与偏差 (7)7 评价与建议 (8)7.1评价 (8)7.2 建议 (11)2013年空气净化系统年度回顾报告2013年固体制剂车间空气净化系统年度回顾报告(回顾日期:2013年5月至2014年1月)1. 系统描述固体制剂车间为片剂、胶囊剂、颗粒剂生产区,对生产环境提出了一定的要求,如洁净区的温度、相对湿度、空气的气流速度、静压差及洁净度等。
空调净化系统,就是将空气处理成要求的状态后送入房间内,以满足上述要求。
所以空调净化系统是由空气处理装置、空气输送装置和空气分配装置等组成的一个完整的系统,该系统能够对空气进行冷却、加热、加湿、净化和消毒处理。
空调净化系统主要包括:空调机组、风管、除尘系统和臭氧消毒系统等几个主要部分。
空气净化过程为:新风→初效过滤→表冷器→风机→加湿、除湿→中效过滤→臭氧消毒→高效过滤→室内→正压风量排至室外(回风经过回风管进行空气处理再循环)。
固体制剂车间洁净区按照GMP要求和《洁净厂房设计规范》设计建造。
净化空调系统送风机设置变频控制。
新空气经过空气净化系统后能够保证洁净车间的尘埃粒子、空气沉降菌及环境温湿度达到产品生产要求。
按新版GMP要求,固体制剂车间空气净化级别为D级标准。
1.1.基础资料设备编号: B1035 设备名称:KK系列空调机组设备型号: KKA-3.5Y 生产厂家:南通昆仑空调有限公司使用部门:固体制剂车间房间编号:Y10631.2空调机组主要技术参数:序号技术参数名称指标备注1 送风电机功率30KW2 风量40000m3/h3 冷量232KW4 加热量279KW5 净洁区温度控制范围18-26℃6 净洁区湿度控制范围45-65%2013年空气净化系统年度回顾报告2、目的通过对固体制剂车间的空气净化系统关键检测项目检验数据进行汇总和分析,即对每次空气净化系统温湿度、压差、尘埃粒子数、沉降菌(静态)等数据分析来说明该空气净化系统运行情况,以此判定该空气净化系统的相关技术参数是否符合生产要求和GMP 要求。
王博雅(中国建筑科学研究院有限公司 北京 100013)摘要:本文结合新建综合医院工程,对净化空调系统各分项进行验收、检测,发现问题并查找原因,不断研发施工操作工艺,提出改进措施,可为同类型工程提供借鉴。
关键词:净化空调 模拟 净化装置 改进措施中图分类号:TU834.8 文献标识码:B 文章编号:1002-3607(2023)06-0057-04净化空调系统验收发现问题及改进措施净化空调系统广泛应用于实验室、精密仪器加工车间、手术室、食品加工车间等场所。
经过调研和数据收集,净化空调系统在整个交付使用前,调试时间较长,有些和施工周期基本一致,要反复多次的测试、清理、更换过滤器才能满足洁净度要求,进而加大了施工成本。
针对净化空调系统目前存在的问题,在施工的关键环节做好检查测试,及时发现问题,提出解决方案并实施,以期实现施工工期、成本和工程质量的有效控制,洁净度指标经测试优于设计要求。
1 工程概况新建综合医院工程,建筑面积约13万m2,该医院手术部共设手术室21间,其中:Ⅰ级洁净手术室(百级手术室)5间,Ⅱ级洁净手术室(千级、负压)2间,Ⅲ级洁净手术室(万级手术室)5间。
其余为Ⅳ级洁净手术室 (十万级手术室)。
Ⅰ、Ⅱ、Ⅲ级设计要求工作区平均风速0.2~0.25m/s,温度21~25℃,最小新风量15~20m³/h。
Ⅰ级手术室噪声≤51dB,最小术间洁净时间10min;Ⅱ、Ⅲ级手术室噪声≤49dB,最小术间洁净时间20min。
净化区域全部采用全空气型净化空调系统。
作为通风与空调工程子分部的净化空调系统,主要分项工程有(按施工顺序):风管与配件制作及安装、净化空调机组安装、高效过滤器安装、系统调试、洁净度测试等[1],每个分项工程根据工程的实际情况分成若干检验批,检验批经验收、测试全部合格后汇总,直至分项和子分部全部合格,验收测试数据符合设计及规范的要求。
2 问题及改进措施2.1 风管、配件制作问题及改进措施2.1.1 问题(1)按照常规的空调系统风管进行加工,工艺流程不完整,风管组装后多次吹扫难以达标,初中效过滤器频繁更换,造成浪费。
净化空调维保工作年终总结
过去一年中,我们团队在净化空调维保工作中取得了一系列积极的成果。
在这里,我想回顾一下我们的工作,并总结一下我们的经验和教训。
首先,我们对净化空调设备进行了全面的维护和保养,确保其正常运行并提供高质量的空气。
我们定期检查和清洁过滤器,及时更换损坏的部件,并进行必要的调整和校准。
这一举措提高了设备的效率和性能,延长了其寿命,并为用户提供了更好的使用体验。
其次,我们加强了与客户的沟通和合作。
我们与客户保持紧密的联系,了解他们的需求和反馈。
根据客户的要求,我们提供定制化的维保服务,以满足不同场所和环境的需求。
这一举措提高了客户的满意度,并帮助我们获得了更多的重复和推荐业务。
此外,我们还加大了员工培训和技能提升的力度。
我们组织了一系列培训和工作坊,提升了员工在净化空调维保方面的专业知识和技能。
这使得我们的团队具备了更强的维保能力,并能够更好地应对各种挑战和问题。
然而,我们也面临了一些困难和挑战。
由于净化空调维保的复杂性和专业性,我们需要不断提高自身的专业水平,以适应行业的发展和变化。
同时,我们需要加强团队合作和协作,提高工作效率和质量。
综上所述,我们在净化空调维保工作中取得了一定的成绩,但也存在改进的空间。
我们将继续努力,不断学习和改进,为客户提供更优质的服务,并为公司的发展做出更大的贡献。
净化空调系统年度回顾报告回首周期: 2015 年 01 月 01 日至 2015 年 12 月 31 日数据剖析员:日期:;生产部审查:日期:;工程部审查:日期:;质量部审查:日期:;质量受权人同意:日期:。
目录1.系统概略2.目的3.质量标准4.净化空调系统各取样点查验数据剖析净化空调各取样点查验数据汇总及趋向剖析5.系统更改与误差6.评论与建议评论建议1.系统概略系统简介生产车间净化空调系统采纳组合式空调机组。
各台空调机组分区以下:系统编号净化地区干净级别送风量换气次数温湿度JK1粉碎D级18916 m3/h18 次/小18℃~ 26℃;45%~65%时JK2小丸干燥D级16093m3/h 18 次 / 小时JK3微波干燥D级14352m3/h 18 次 / 小时JK4泛丸D级21528m3/h 18 次 / 小时JK5内包D级17458 m3/h 18 次 / 小时JK6提取D级13627 m3/h 18 次 / 小时18℃~ 26℃;45%~65% 18℃~ 26℃;45%~65% 18℃~ 26℃;45%~65% 18℃~ 26℃;45%~65% 18℃~ 26℃;45%~65%干净区与非干净区压差≥10Pa,干净区之间压差≥ 5Pa,系统采纳初效、中效、高效三级过滤。
文件2. 目的文件名称文件编号寄存地址净化空调系统标准操作程序KST/GZB·SOP-110050 动力部高效过滤器检漏标准管理程序KST/GZB·SOP-110060动力部风速、风量测定及换气次数计算标KST/GZB·SOP-110070动力部准操作程序温湿度监控标准操作程序KST/GZB·SOP-110080 动力部干净厂房压差监控标准操作程序KST/GZB·SOP-110090动力部净化系统风管漏风检查标准操作程KST/GZB·SOP-110100动力部序高效送风口使用标准操作程序KST/GZB·SOP-110170动力部本考证是成立在生产车间空气净化系统长久、稳固运转的基础之上,利用连续稳固运转切合要求的历史数据来进行回首性考证,通过此考证以证明该系统依据现行的 GMP文件进行操作、保护养护,能保证干净区的干净度切合设计标准及生产工艺的要求。
Air cleaning system 2013 annual report Annual Review 2013年度净化空调系统年度回顾质量趋势分析
住院病历质量检查表
Contents
目录
1 回顾分析目的 (4)
2 范围 (4)
3 概述 (4)
4 职责 (6)
5 验证内容 (6)
6系统变更与偏差 (10)
7 验证结果评定及结论 (10)
8 拟定日常期监控及在回顾性验证周 (11)
1 回顾分析目的
本验证是建立在生产车间空气净化系统长期、稳定运行的基础之上,利用连续稳定运行符合要求的历史数据来进行回顾性验证,通过此验证以证明该系统按照现行的GMP文件进行操作、维护保养,能保证洁净区的洁净度符合设计标准及生产工
艺的要求
2 范围
本方案适用于生产车间净化空调系统的回顾性验证。
3 概述
3.1 系统简介
洁净区与非洁净区压差≥10Pa,洁净区之间压差≥5Pa,系统采用初效、中效、高效三级过滤。
3.2文件
4 职责
4.1 验证领导小组
4.1.1 负责验证方案的审批。
4.1.2 负责验证的协调工作,以保证本方案规定项目的顺利实施。
4.1.3 负责验证数据及结果的审核。
4.1.4 负责验证报告的审批。
4.1.5 负责发放验证证书。
4.1.6 负责空气净化系统再验证周期的确认。
4.2 保障部
4.2.1 负责收集本回顾性验证的各项记录,并进行分析;起草验证报告。
4.2.2 负责按照相关的操作程序操作、清洁和维护保养空气净化系统。
4.3 质量部:负责提供空气净化系统日常监测记录。
5 验证内容
5.1 验证目的及要求:收集2013年1月~2013年12月提取车间空气净化系统相关记录,包括空调机组运行记录、空气净化系统维护保养记录、高效过滤器风速检测记录、洁净度数据分析,并对相关数据以表格、线性图或直方图
的形式进行统计及趋势分析,从而系统考察按空气净化系统相关的GMP文件执行一年来空气净化系统能否使洁净区的洁净度符合生产工艺的要求。
5.2 仪器仪表检定
5.2.1 评价方法:检查所有的仪表及检测仪器是否检定并在有效期内。
5.2.2 标准:仪表及检测仪器经过检定,检定有效期限为一年。
5.3 风速、风量及换气次数
5.3.1 评价方法:对《风速、风量测定及换气次数记录》进行统计分析,得出风速、及换气次数的变化趋势。
5.3.2标准:测试人员严格按《风速风量测定程序》进行操作及记录,应符合下列要求:高效过滤器风口的风速不小于设计风速的百分之八十。
5.3.3结论:本年度净化空调系高效过滤器风速波动平稳,未出现偏差,因此本年度各个空调系统高效过滤器风速运行平稳,性能良好。
5.4 静压差
5.4.1 评价方法:分别对各个空调系统压差记录进行统计分析,评价洁净区静压差的变化趋势。
5.4.2标准:测试人员严格按《风压(静压差)测定程序》进行操作及记录,应符合下列要求:洁净室与室外的压差≥10pa。
产尘洁净室对相邻洁净室(区)呈相对负压。
洁净区之间压差≥5Pa。
5.4.3结论:统计各个净化空调系统压差检修保养记录进行分析,本年度各个净化空调系统相邻房间及相邻洁净区压差符合质量标准。
5.5 温湿度
5.5.1 评价方法:分别对空调系统运行温湿度记录进行统计分析,评价洁净区温湿度的变化趋势。
5.5.2标准:应符合下列要求:温度18℃~26℃
相对湿度45%~65%
5.6 悬浮粒子数
5.6.1 评价方法:对《悬浮粒子测定记录》进行统计分析,得出洁净区悬浮粒子的变化趋势。
5.6.2标准:测试人员严格按《洁净室(区)悬浮粒子测定程序》进行操作
度
级
别
静态动态
≧0.5um≧
5um
≧
0.5um
≧5m
A352020352020
B35202935200290
C35200 0
290
35200
00
290
00
D35200 00
290
00
不作规定不作规
定
5.6.3结论:根据质量部洁净度月度检测数据分析,全年各个空气净化系统尘埃粒子个数均在合格值范围内,符合质量标准。
5.7沉降菌
5.7.1 评价方法:对《沉降菌测试记录》进行统计分析,得出洁净区沉降菌的变化趋势。
5.7.2标准:测试人员严格按《洁净室(区)沉降菌测定程序》进行操作及
洁净级别A级B级C级D级
标准1个/皿1个/皿10个/
皿
15个/皿
5.7.3结论:根据质量部沉降菌月度检测数据分析,全年各个空气净化系统沉降菌个数均在合格值范围内,符合质量标准。
5.8 臭氧消毒效果及空调净化系统的维护保养情况考察
5.8.1 评价方法:主要对臭氧消毒记录进行统计分析,结合上述检测指标,考察洁净区洁净度情况。
5.8.2结论:统计全年各个净化系统臭氧消毒浓度可见,全年臭氧消毒浓度符合质量标准。
6系统变更与偏差
6.1涉及系统的变更:
本年度9月份对工程菌、EPO原液车间净化空调系统的高效过滤器进行了更换,12月份更换了制剂车间净化空调系统的高效过滤器,并且进行了高效过滤器的安装确认,更换高效过滤器后的系统性能确认。
6.2涉及系统的偏差:
本年度车间全部净化空调系统各项指标为发生偏差。
7 验证结果评定及结论
验证领导小组负责对验证结果进行综合评审,做出验证结论,发放验证证书。
对验证结果的评审应包括:
6.1 验证试验是否有遗漏?
住院病历质量检查表
6.2 验证实施过程中对验证方案有无修改,修改原因、依据以及是否经过批准?
6.3 验证记录是否完整?
8 拟定日常期监控及在回顾性验证周
保障部负责根据车间空气净化系统回顾性验证情况,拟订提取车间HVAC 系统日常监控及再验证周期。
.11
住院病历质量检查表
.12。