劳务公司业务部门职责及工作流程图
- 格式:doc
- 大小:47.50 KB
- 文档页数:6
劳务派遣服务方案及服务流程第一部份派遣服务流程图第二部份贵公司的需求理解1.提供转移派遣所需服务。
(见全文)2.人员补充。
(见第三部分第一、二条)3.规避风险。
(见第三部分第七条)4.优化流程.(见第三部分第八条)5.降低成本。
(见第三部分第七、八、十条)第三部份我公司的服务流程和解决方案一、提供的服务二、运作流程第二步:劳动合同签定第三步:申报及第四步:缴费第五步:返还材料第六步:离职四. a) 入职流程图 服务质量控制办法 (1)入职流程图(2a)我司将委派专人专职负责跟踪从培训期到签订劳动合同期限内的员工的动态,及时处理员工的所有疑问。
b)我司将严格按照国家相关法律法规,在试用期结束前与处派员工建立规范的劳动合同关系.c)我司将严格按照国家相关法律法规,准时完成所有招工手续办理,并将国家最新的劳动法规转告知客户以及外派员工.我司将由专人负责妥善系统(1)离职流程图(2)a )我司将按照相关的劳动法规,合理合法的办理外派员工的离职、辞退手续,尽量避免劳动争议的发生;b)对于还未办理离职手续的离职员工,我司需与员工保持联系,确保员工的所有手续方法正确性;c)我司将及时迅速地向客户进行员工信息反馈,确保所有员工在离职过程中出现的问题得到及时迅速的处理五、派遣员工福利签订标准合同根据企业员工的具体情况,按广州市或异地市劳动和社会保障局规定,签订标准版本劳动合同书。
社会保险为员工购买社会保险,享受社会福利.温馨关怀每逢法定节假日和中国传统节日,我公司会给予员工良好的祝福,让员工感觉更多的温暖.六、派遣员工工伤处理流程1、工伤报备事故发生后,用人单位相关部门应立即通知仁邦公司,特殊情况不得超过12小时,仁邦公司收到通知后在24小时内口头报告所属市/区社保基金管理中心核发科,以确认此事故是否为工伤,医治医院是否为工伤治疗指定医院.2、认定申请仁邦公司在事故伤害发生之日起或职业病确诊之日起30日内向所属市/区劳动和社会保障局工伤管理科提交书面工伤认定申请.需提供资料提交至所属市/区劳动和社会保障局工伤管理科,受理60日内作出工伤认定的决定,并书面通知用人单位。
劳务派遣公司的运作模式三篇篇一:劳务派遣公司的运作模式劳务派遣公司经营业务:1、人才租赁/劳务派遣/临时工派遣、短期工派遣等;2、社保及劳动事务代理;3、劳务公司代发劳务工工资服务;4、代理社保业务咨询服务等等。
劳务派遣的劳务工派遣服务合作流程1、派遣业务咨询,劳务公司了解企业意向,确认合法资质;2、分析企业需要派遣工的岗位、人数等等;3、劳务派遣公司提出派遣根据企业需要派遣工的岗位制定派遣方案;4、人力派遣公司与企业双方协商派遣方案内容,确定派遣方案后,签订《劳务派遣合同》。
劳务工派遣工运作流程:1、劳务派遣公司与企业签订合同后,劳务公司根据企业需求着手招聘劳务工;2、派遣工的招聘,通过网上、派遣公司资源库、或线下招聘等等;3、安排招聘到符合企业岗位需求的劳务工进行面试;4、把面试过关的派遣工安排体检;5、体检过后的派遣工安排入职,宿舍,签订合同;6、派遣工上岗根据企业的工作要求完成工作;7、合同期满,劳务派遣公司与派遣工解除劳动合同。
劳务派遣机构提供的服务:一、基本服务:1、承接企业劳资管理、薪酬管理、制度建设以及其他服务业务、加工项目、人力资源管理等外包项目;2、代理社会保险、人身意外保险、住房公积金存储以及代发工资等;3、为符合职称申报条件的人员办理职称报、评工作;4、为应届毕业生办理落户、组织关系和转正定级手续;5、协助调解与用人单位的劳动争议,处理相关法律事务;6、提供完善合法的人事档案管理服务,包括档案收、转出、整理;7、负责就业、失业等有关手续办理和劳动合同管理。
二、为用人单位提供:1、人力资源管理方面的政令、法律、劳务等咨询服务;2、按需要向用人单位派遣各类技能人才和劳务人员;3、接收全国各地适用于企业需要的应届大学毕业生;4、员工的招聘、培训、管理、及富余人员输出调节等;5、为外企或外地来烟企业代理代办各种劳动人事业务;6、按企业文化要求、以团队服务形式,提供会员级服务;7、协助调解与雇员的劳资纠纷。
测量监理工程师岗位责任一、在高级驻地监理工程师的领导下,配合道路监理工程师和结构监理工程师,严格按标准要求的精度监督承包人放线、放样,审查批准承包人测量内外业成果及道路和构造物几何尺寸、标高等;二、负责检查承包人对水准点及其他限制点的护桩设施保证不受损坏,有变更需在图上说明;三、承包人进行施工前测量时必须旁站,操作时随时抽查,各项测量记录要认真核对,经签认后,承包人方可绘制施工图;四、审查承包人的检验申请,经现场检验校核后,如符合标准要求的精度,方能签字认可,否那么应将所有不合格局部及时通知有关人员.对承包人施工测量中由现的问题应建议高级驻地监理工程师签发现场通知书;五、检查路基工程的土石分界线,并催促承包人标绘在横断面图上;六、协助道路、结构监理工程师审核承包人报送的施工图纸、竣工图纸及工程量的审批工作,配合合同与计量支付监理工程师进行收方丈量,审核计算数据.必要时, 要对局部或全部工程进行重新量测;七、定期催促承包人检查校核使用测量仪器的精度;八、办理高级驻地监理工程师交办的其它工作.监理部廉政制度韩水路工程监理部全体监理人员要认真学习中纪委,交通厅有关廉政建设的文件,贯彻落实有关公路根底设施建设廉政规定和项目办及驻天定工程纪检组制订的有关廉政建设文件精神,增强廉政建设的监督检查,做到有组织、有安排、有落实、有结果和人员到位,责任到人.一、廉政建设领导小组,将无条件接受上级主管单位纪委和有关部门及工程纪检组关于廉政建设的监督和审查.二、廉政建设领导小组有权监督和定期、不定期地检查有关监理人员的廉政建设工作情况,催促落实工程监理部廉政建设目标和责任.三、领导小组成员必须廉洁自律、秉公办事,不行贿受贿、不徇私舞弊、不弄虚作假,工作态度端正、严肃认真、一丝不苟.四、领导小组成员对各自负责的工作要进行严格检查,严格按程序办事,催促施工单位严格根据设计及施工标准的要求施工,确保工程质量、平安、环保、费用、进度等五大限制指标的圆满实现.五、廉政领导小组及全体监理人员,不能接受、索要施工单位的钱物;不能介绍其配偶、子女、亲属在其监理的工程工程和管辖范围内从事材料供给、工程分包、劳务等活动.六、全体监理人员要秉公办事,不准营私舞弊,不得利用职权和工作之便从事各种个人有偿中介活动和安排个人施工队伍.七、廉政领导小组及全体监理人员不准宴请、行贿、拉拢、腐蚀上级单位工作人员;不准参加与被监理施工单位有关的各种高档消费和娱乐活动,更不能参加各种非法活动.八、廉政领导小组及全体监理人员不准隐瞒工程质量、平安事故,如果发生质量和平安事故,要立即上报,接受调查和处理.九、廉政建设领导小组及全体工作人员要对自己的行为负责, 并主动接受群众的监督和上级领导的审查.十、廉政建设领导小组要把反腐倡廉建设工作放在更突出的位置,要注重预防,坚持综合治理,惩防并举,建立健全教育、制度、监督并重的惩治和预防腐败体系,促进反腐倡廉建设取得新成效.监理员岗位责任一、在专业监理工程师的指导下,熟悉和掌握本专业设计图纸,技术标准,根据监理实施细那么,有效地开展质量限制的监理工作;二、在专业监理工程师的指导下或独立完成监理抽检工作.并监督检查承包人的施工作业,对关键环节和重要部位实施旁站,发现异常应指示承包人更正或报告专业监理工程师;三、整理和填写监理资料和旁站记录;四、检查承包人的人力、材料、设备、施工机械投入和运行情况,并做好记录;五、检查确认工序质量;六、试验监理员应监督承包人的各项试验工作,包括取样〔现场取样、自采加工材料取样、材料堆取样〕、试件制备、各种标准试验、野外和室内检验试验.拌和机操作、试验路施工等工作时均应现场监督,对所有试验记录必须经认真复核前方可签字,并报试验监理工程师复核并签认;七、办理专业监理工程师交办的其它工作.材料、试验监理工程师岗位责任一、在高级驻地监理工程师的领导下,负责本合同段所有进场材料的质量限制和工地试验监理工作,保证工程使用的材料和成品符合规定和质量要求.试验监理工程师必须与道路监理工程师、结构监理工程师紧密配合,协调工作;二、熟悉合同条款、标准、设计图纸和试验规程,监督工地试验室,具体规定各类试验的监理规程、记录等,催促承包人提供足够的设备和人员以便保证按合同的要求限制材料和工地试验;三、监督承包人按标准要求的频率进行试验,对承包人工地试验室内试验均进行旁站;四、定期检查工地试验设备,检查各类拌和机的调试和运转, 检查自采材料的加工方法,以及各种材料的材质和规格是否满足设计要求,并对承包人报送的?原材料定购审批表?和?原材料使用审批表?进行检验、审查,提出处理意见.对承包人施工中出现的问题应建议高级驻地监理工程师签发现场通知书;五、审查和评价试验及检测结果,根据标准认可或否认材料的使用;六、标准试验结果和材料限制必须由试验监理工程师签字前方可有效;七、全面负责试验监理的治理工作,所有试验结果、报告和其他有关资料必须建立档案,以便随时查阅;八、按时报送试验报告和试验汇总表,经高级驻地监理工程师签字后报建设单位;九、负责安排检查、指导试验监理员的各项工作,认真填写检查试验监理员的旁站记录;十、办理高级驻地监理工程师交办的其它工作.合同监理工程师岗位责任一、协助高级驻地监理工程师进行合同治理,负责本合同段计量支付,方案统计报表等监理工作;二、全面熟悉合同条款、工程量清单,了解合同规范、设计图纸,紧密配合专业监理工程师严格根据合同文件和监理程序及时准确地作好计量支付和月进度报表工作;建立计量与支付台账,根据施工单位申请和有关规定及时登账记录,实行动态治理.当有较大差异时应报建设单位.三、深入工程现场,随时掌握施工现场工、料、机动态和工程进展情况,配合专业监理工程师的工作,做到数量真实、计算准确;四、审核承包人申报的支付报表,做到每项工程均有签认的检验单和工程数量计算表.计日工、工程变更、价风格整、材料垫付款、索赔等均应有签认的凭证,报送的购货发票等应有依据;五、负责催促承包人及时准确的呈报工程进度报表,并保证在七天内完成审核和签认工作;六、负责收集汇总并按时报送应报的记录、纪要和各种报告,经高级驻地监理工程师签字后报建设单位;七、负责来往文件保管,做好归档工作,所有计量支付工程统计、各种报告、工程日志均应妥善保管,便于查阅,随时准备提供有关统计资料;八、参与对单价变更的审查工作;九、配合有关专业监理工程师对施工方案进行审查;十、办理高级驻地监理工程师交办的其他工作.道路监理工程师岗位责任一、在高级驻地监理工程师的领导下,按标准的要求负责合同段路基土石方、路面、排水、防护等工程的监理工作;二、熟悉合同条款、标准及设计文件,在施工过程中对进度质量进行全面限制,对于施工中由现的问题,要按标准要求提由处理意见;三、组织道路工程现场监理人员的工作,检查现场监理人员的旁站记录,负责制定施工过程中的监理细那么;四、审查承包人路基、路面、排水、防护等工程的施工组织设计,提由审查意见,供高级驻地监理工程师审批时参考,并对方案的执行情况进行检查和监督;五、全面掌握道路排水系统,审查承包人提供的测量资料,涵洞和防护工程位置,检查审定承包人的测量成果及绘制的施工和竣工图纸等;六、负责审批承包人的检验申请单,对承包人施工的工程进行检查,对承包人施工中由现的问题应建议高级驻地监理工程师签发现场通知书;七、审核承包人提由的各项资料,安排制定限制施工质量及施工进度的各种图表,治理好施工监理原始记录, 技术档案;八、配合计量工程师审查承包人的中间计量单及月支付报表,审查计日工的数量,经高级驻地监理工程师审查后上报;九、对施工中发生的工程变更问题以及涉及合同索赔延期等问题应及时提由处理举措和意见供高级驻地监理工程师处理时参考;十、施工中发现设计存在的局部不合理之处,应及时向高级驻地监理工程师反映,如有必要需会同设计代表及业主共同确定修改意见,指示承包人进行修改处理;H^一、办理高级驻地监理工程师安排的其它工作.结构监理工程师岗位责任一、在高级驻地监理工程师的领导下,根据合同标准的要求, 负责本合同段桥梁、涵洞、通道、渡梢等构造物及其予制件等工程的监理工作;二、熟悉合同条款及标准、设计图纸,在施工过程中对进度、质量进行限制.对施工中出现的问题,按标准要求,提出处理意见;三、审查承包人提出的施工组织设计,提出审查意见供高级驻地监理工程师审批时参考,并对方案的执行情况进行检查和监督;四、检查校核各结构物在现场的限制桩及水准点固定位置、标志和护桩举措,如果局部必须变动,应在取得高级驻地监理工程师同意后,会同测量监理工程师催促承包人进行变动;五、在施工过程中如发现设计图纸有局部不尽合理之处,应及时向高级驻地监理工程师反映,必要时根据工地实际情况会同设计代表及业主共同确定修改意见,指示承包人作出处理,高级驻地监理工程师应记录变动情况;六、审批承包人提出的施工图、竣工图及变更设计图,对重大方案的变更应报告高级驻地监理工程师;七、审查承包人的分部施工方案,作出是否同意开工的决定.要经常深入工地,详细检查施工的各部位和环节〔如脚手架模板的安装和拆卸、混凝土从准备到浇筑养护的全过程、预应力混凝土张拉过程等〕,审批承包人的检验申请.对承包人施工中存在的问题应建议高级驻地监理工程师签发现场通知书;八、配合合同与计量支付监理工程师审查承包人中间计量单及月支付报表,审查计日工数量,经高级驻地监理工程师审查按程序报批;九、组织和检查结构现场监理工程师的工作,负责制定施工过程中的监理细那么,审阅现场监理人员的旁站记录.十、办理高级驻地监理工程师交办的其它工作.高级驻地监理工程师岗位责任一、代表监理单位与业主、承包人及质量监督部门和有关单位协调沟通有关方面问题;二、确定工程监理组织系统、监理机构人员组成及岗位分工和岗位责任;三、主持制订监理规划〔方案〕,并负责全面实施;四、按合同要求组建试验室;五、主持召开第一次工地会议;六、审核签发发动预付款支付证书,合同工程开工令,单位或合同工程的暂停令和复工令,中期支付证书和最终支付证书,监理文件等,负责审批承包人的总体施工布署、施工组织设计、工程施工方案和方案;七、审批施工组织设计,总体进度方案,施工单位平安、环保与质量保证体系,工地试验室以及分部、单位工程划分,重要工程材料及混合料配合比;八、审核变更单价和总额以及延期和费用索赔;九、定期和不定期巡视工地现场,及时发现和提出问题并进行处理;十、对监理人员的工作进行检查监督,并根据工程实施的变化进行人员的调配;十一、按规定时间向业主提交工程监理报告;十二、参与工程质量事故的调查;十三、协助建设单位交工验收申请,评定工程质量;十四、组织编写监理月报、编制监理竣工文件、编写监理工作总结;十五、主持建立监理信息系统,全面负责信息沟通工作.驻地办平安责任制度一、认真学习?公路工程施工平安技术规程?及交通厅?关于公路工程施工中有关平安生产几个问题的通知?等有关平安施工的法律法规.二、增强自身平安知识教育,定期组织平安学习和检查.三、监理人员进入施工现场必须佩带平安帽.四、监理人员应监督承包人的平安操作规程、平安管理制度的落实,及时制止违章操作.五、监理人员应对施工重大平安环节及可能由现的安全隐患及早催促承包人制定符合平安操作规程的施工方案,并采取防范举措.六、监理人员不得违章指挥,否那么造成平安事故应负相应责任.七、驻地办及监理人员自觉接受上级主要主管部门的平安检查和催促监理单位法人代表廉政责任制一、严格遵守中纪委、交通部、省纪委、交通厅有关工程建设的廉政规定,廉洁自律,不谋私利,秉公办事.二、对?工程廉政合同?的签约、履行负总责.三、对工程总监?工程廉政合同?的履行情况进行监督和指导.四、不准向建设单位及有关人员给予任何馈赠和接待.五、不准配偶、子女及亲友参与所监理工程工程的业务活动.六、不准向施工单位介绍任何材料、劳务队伍、人员或提供非合同条款的任何有偿效劳.七、自觉接受上级或同级纪检部门的监督、检查和考监理单位驻地高监廉政责任制一、严格遵守中纪委、交通部、省纪委、交通厅有关工程建设的廉政规定,廉洁自律,不谋私利,秉公办事.二、对?工程廉政合同?的签约、履行负主要责任.三、负责建立健全工程工程的党风廉政建设制度,加强对本工程全体监理人员的廉政建设政策、法规的学习教育,负责对监理人员履行廉政责任情况的考核.四、不得以任何理由、名义和方式向建设单位及有关人员行贿或给予馈赠礼金、有价证券及贵重物品.五、不得接受、参加施工单位及有关人员的任何馈赠及提供的接待,不得向施工单位索取任何合同规定以外的生活待遇和经济利益.六、不准配偶、子女及亲友从事与所监理工程工程有关的材料设备供给、劳务使用等活动.七、自觉接受建设单位和主管单位或纪检监察部门的监督、检查和考核.分项工程质量限制程序流程图不合格不合格工程监理程序框图审批分项〔部〕工程的开工申请审查施工方案及主要工艺审批施工机械设备审批施工组织及人员配备,质品缺陷、隐患和事故处理关键工序签认抽杳与检测试验工作I旁站关键工序和部位施工巡视•检查工序施工验收构、配件或设备治理组织机构框图[键入文档的引述或关注点的摘要.您可将文本框放置在文档中的任何位置.可使用文本计量支付工作流程图不合格合同计量工程师审查。
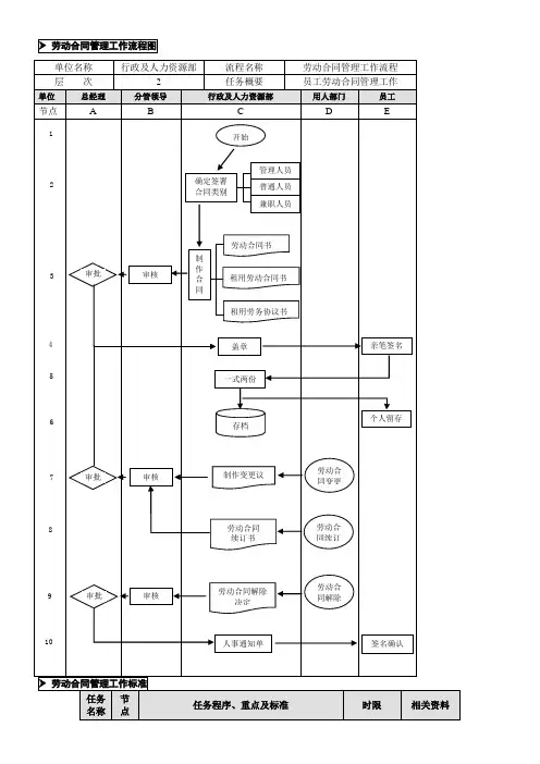
劳动合同管理工作流程图单位名称行政及人力资源部流程名称劳动合同管理工作流程层次 2 任务概要员工劳动合同管理工作单位总经理分管领导行政及人力资源部用人部门员工节点 A B C D E劳动合同管理工作标准 任务名称 节点 任务程序、重点及标准时限 相关资料 劳动程序《劳动合同123456存档审批 7人事通知单 89亲笔签名盖章 审核开始管理人员普通人员 兼职人员制 作 合 同劳动合同书租用劳务协议书一式两份个人留存劳动合同变更制作变更议劳动合同续订劳动合同 续订书 劳动合同解除劳动合同解除决定审批 审核签名确认审批 审核确定签署合同类别租用劳动合同书10合同签订C3行政及人力资源部根据当地有关规定和企业的实际情况编制劳动合同15个工作日书》行政及人力资源部根据劳动合同制定企业劳动合同中具体的实施条款,明确公司及员工各自的权利和义务7个工作日A3行政及人力资源部制定的劳动合同报公司领导审批1个工作日行政及人力资源部组织员工与企业签订劳动合同书3个工作日重点劳动合同的签订标准严格、合法劳动合同调整管理程序《合同续签申请》D8合同的续订:经双方同意,应在合同期满前一个月办理续签即时D7 合同变更需依据法定条款和协议条款1个工作日D9合同解除如出现争议,需经过调解、仲裁、诉讼等进行裁决根据实际情况合同终止,双方不再保持劳动关系1个工作日重点合同的续订、变更、解除、终止标准合法劳动合同文档管理程序《劳动合同》劳动合同统一由行政及人力资源部管理即时行政及人力资源部对员工劳动合同进行标识、存档1个工作日重点文档管理妥善保管、防止丢失、涂改及损坏标准公平、准确劳动合同管理制度节选公司《人力资源管理制度》第九章员工关系管理第一节劳动合同管理1.依据《劳动法》有关规定,员工与企业在平等自愿、协商一致的基础上签订劳动合同,明确双方的责任、权利和义务,以法律形式确定双方的劳动关系。
2.为确立公司与员工的劳动关系,明确双方的权利与义务,公司实施全员劳动合同制管理。
入场条件、工资发放、培训民用与军工工程劳务分包管理试行办法第一章总则第一条目的为明确劳务分包管理过程中的各部门、各分公司本部、工程管理部的责任,使劳务分包处于受控状态,满足公司各项管理要求,结合实际,特制定本办法。
第二条编制依据1、核二四发[2009]1号《企业发展和管控体系建设框架纲要》。
2、公司《供方资格与评价管理程序》(CNFC-GP-11)。
第三条适用范围民用与军工工程事业部(以下简称事业部)所属工程,将所承接工程的劳务作业发包给具有相应资质的劳务公司完成的活动,即包工不包料或包工包辅料性质的劳务作业分包。
第二章管理权限、职责第四条事业部管理权限、职责管理权限:6000万元以上民用项目、2000万元以上军工项目所属分包(简称限额以上项目)管理职责:1、负责限额以上项目分包计划审批;2、组织限额以上项目分包招标、开评标、定标、合同签订,视情况可以委托分公司本部进行;3、限额以上项目分包竣工结算审批;4、负责劳务分包商合格供方的审批,建立并维护《合格劳务分包商名录》。
第五条分公司本部职责管理权限:6000万元以下民用项目、2000万元以下军工项目所属分包(简称限额以下项目)管理职责:1、负责限额以下项目的分包计划审批,上报事业部备案;限额以上项目的分包计划上报,审批表见附表一;2、负责组织限额以下项目的分包招标、开评标、定标、合同签订,分包价格及合同电子版报事业部备案;受事业部委托时,招标前将限额以上项目分包的招标文件、邀请投标商名单发送事业部审定;开标后将分包报价对比表发送事业部,初选二至三家,共同进行二次及以上谈判后,选定中标单位(附谈判报告);组织合同签订,发送合同电子版,上报招标及合同签订审批表,见附表二;3、限额以下项目分包竣工结算审批;限额以上项目分包竣工结算审核并上报;4、组织劳务分包商的合格供方评价,并上报。
第六条工程管理部职责1、编制分包计划、招标文件,起草分包合同,及时上报;2、参与分包招标、开标、评标、谈判、定标、合同签订;3、负责劳务分包合同的履行,及时办理进度款、竣工结算,及时上报。
第1篇第一章总则第一条为规范劳务服务流程,提高劳务服务质量,保障劳务双方合法权益,根据国家相关法律法规,结合本地区实际情况,特制定本规定。
第二条本规定适用于本地区所有劳务服务企业、劳务派遣机构、用工单位及劳务人员。
第三条劳务服务流程管理应遵循以下原则:1. 公平、公正、公开原则;2. 诚信、守约、高效原则;3. 安全、健康、文明原则;4. 合同管理、流程规范原则。
第二章劳务服务企业及劳务派遣机构管理第四条劳务服务企业及劳务派遣机构应具备以下条件:1. 具有独立法人资格;2. 持有有效的营业执照;3. 持有劳务派遣经营许可证;4. 具有健全的组织机构和管理制度;5. 具有相应的资质证书。
第五条劳务服务企业及劳务派遣机构应按照以下流程进行劳务服务:1. 建立劳务人员档案,包括基本信息、健康状况、技能水平等;2. 与用工单位签订劳务派遣协议,明确双方的权利和义务;3. 对劳务人员进行岗前培训,提高其业务素质和安全生产意识;4. 根据用工单位需求,安排劳务人员到岗工作;5. 对劳务人员进行日常管理,包括考勤、考核、奖惩等;6. 定期对劳务人员进行健康检查,确保其身体健康;7. 及时与用工单位沟通,解决劳务人员在工作中的问题;8. 劳务人员离职时,办理相关手续,确保双方权益。
第六条劳务服务企业及劳务派遣机构应加强内部管理,严格执行以下规定:1. 严格执行国家法律法规,遵守职业道德;2. 加强员工培训,提高员工素质;3. 严格财务管理,确保资金安全;4. 严格执行合同条款,保障双方权益;5. 定期对劳务人员进行安全教育和培训,提高安全意识;6. 加强对劳务人员的关爱,关注其生活状况。
第三章用工单位管理第七条用工单位应具备以下条件:1. 具有独立法人资格;2. 持有有效的营业执照;3. 具有健全的组织机构和管理制度;4. 具有安全生产条件。
第八条用工单位应按照以下流程进行劳务服务:1. 与劳务服务企业或劳务派遣机构签订劳务派遣协议,明确双方的权利和义务;2. 提供符合国家法律法规和安全生产条件的劳动场所;3. 对劳务人员进行岗前培训,提高其业务素质和安全生产意识;4. 定期对劳务人员进行考核,确保其工作质量;5. 严格执行劳动合同,保障劳务人员的合法权益;6. 加强对劳务人员的关爱,关注其生活状况。
劳务(专业)分包结算管理实施细则第一章总则第一条为进一步加强公司劳务(专业)分包合同的履约管理,强化过程控制,规范工作流程,提升劳务管理水平,更好的控制劳务成本,结合公司实际,特制定本细则。
第二条对协作队伍办理结算是履行合同义务、责任的具体体现,各单位必须按时、规范地执行劳务(专业)分包结算程序,认真执行签字负责制,保证公司和协作队伍的合法权益。
第三条本细则适用于公司所属各单位。
第二章管理体系第四条建立公司、项目经理部两级劳务(专业)分包结算管理体系。
公司是劳务(专业)分包结算的监控层,项目经理部是劳务(专业)分包结算的执行层。
第五条公司成立劳务(专业)分包结算管理领导组:组长:公司总经理副组长:公司分管工经、生产工作的副总经理,总工程师,总会计师;组员:工程经济部(劳务结算中心)、工程管理部、物资管理部、机械管理部、安质环保部、财务部、劳务管理中心、审计部、人力资源部、法律合规部、纪委监察部、办公室等相关部门负责人。
领导组负责项目劳务(专业)分包结算的指导、监督、检查工作,组织研究决定劳务(专业)分包结算管理中的重要问题,原则上领导小组每季度定期召开工作会议,处理劳务(专业)分包结算相关事项。
领导小组下设办公室,办公室设在工程经济部(劳务结算中心),办公室主任由劳务结算中心主任兼任。
第六条项目经理部对应成立劳务(专业)分包结算管理工作小组,具体负责项目经理部劳务(专业)分包结算的实施、复核、监督,办公室设在工程经济部。
第三章职责分工第七条公司职能部门分工1.工程经济部(劳务结算中心):是劳务(专业)分包结算审批的主责部门,负责全公司劳务(专业)分包结算的指导、监督与管理;审核是否签订合同,结算单价是否按合同单价执行,合同外结算是否符合公司相关规定;督促项目经理部规范建立合同管理台账及劳务(专业)分包结算台帐;负责督导成本管理信息系统的正常运行。
2.工程管理部:负责全公司劳务(专业)分包工程收方计价的指导、监督与管理;审核收方控制数量及每月收方结算数量;督促项目经理部规范建立收方结算台账;督促项目经理部完成成本管理信息系统中控制数量及收方数量的审核录入工作。
基础行政人力流程图一、行政人事工作流程1、总图2、员工入职程序3、招聘4、绩效管理考核5、绩效管理评估6、薪酬7、社保8、奖惩9、岗位调整10、人才储备11、培训12、劳动合同13、入职14、使用转正15、考勤16、休假17、档案18、离职二、办公设备19、办公设备购买20、办公设备维修21、办公用品领用三、出差22、出差预算23、出差审批四、会议24、会议筹备25、会议流程26、会议组织五、资料27、资料保密及借阅六、考勤28、节假日休息29、考勤统计七、接待30、参观接待31、客户接待32、客户就餐招待八、档案33、意见收集34、文件通知35、文件整理36、档案管理37、存档维护38、档案借阅39、文件借阅九、公章40、刻章制领41、公章领用十、安全42、值班流程43、安全管理44、安全检查45、出入管理46、事故处理47、突发处置48、消防安全49、治安保卫十一、配套50、就餐管理51、宿舍管理52、车辆加油53、用车登记54、车辆维保55、肇事处理十二、卫生56、卫生维护57、卫生检查58、卫生奖惩十三、人事59、招聘计划60、招聘面试61、入职培训62、培训计划63、试用转正64、转正考核65、辞退流程办公设备购买管理工作流程办公设备管理工作流程图办公用品领用管理工作流程图员工出差审批管理工作流程员工出差管理工作流程图会前准备工作管理流程图会议管理工作流程会议组织工作流程技术资料保密管理工作流程图参观接待管理工作流程图客户接待管理工作流程图客户就餐招待管理工作流程提案管理工作流程办公室发文管理工作流程图办公室收文管理工作流程图档案管理工作流程图档案归档与维护管理工作流程图档案借阅与归还管理工作流程文件借阅管理工作流程图值班管理工作流程图人员出入管理工作流程图消防管理工作流程图治安保卫管理工作流程图。
节选公司《人力资源管理制度》第九章员工关系管理第一节劳动合同管理1.依据《劳动法》有关规定,员工与企业在平等自愿、协商一致的基础上签订劳动合同,明确双方的责任、权利和义务,以法律形式确定双方的劳动关系。
2.为确立公司与员工的劳动关系,明确双方的权利与义务,公司实施全员劳动合同制管理。
公司不与尚未与原单位解除劳动关系的人员签订劳动合同。
3.劳动合同的签订3.1新聘员工,公司将根据岗位性质与员工劳动关系,予以用工。
3.2 公司根据岗位实际情况,与员工签订有固定期及无固定期限劳动合同,具体如下:一年期劳动合同:适用于一般员工;二年期劳动合同:适用于公司急需人才、在校园特殊招聘的人员;三年期劳动合同:适用于公司中层以上管理人员;无固定期限劳动合同:适用于在合资公司连续工作十年以上的员工,双方同意续延劳动合同时,如员工提出订立无固定期限的劳动合同,经公司同意,可签订无固定期劳动合同。
4.劳动合同的变更4.1劳动合同履行过程中,公司调整员工的岗位,则劳动合同约定的工作内容相应变更,公司将不再另行与员工变更劳动合同,以《岗位变动通知书》为准。
4.2岗位变更,公司与员工双方达不成一致的,公司可以与员工协商解除劳动合同。
5.劳动合同的续签5.1劳动合同期满,双方均可决定续签或不续签劳动合同。
5.2续签劳动合同,公司将根据生产经营运作的实际需要,合同到期员工本人意愿及是否符合岗位条件等,提出是否续签的意见,并以书面形式告知员工。
6.辞职6.1在合同期内,员工申请辞职,需提前30天向公司提出书面申请,经批准,并按公司有关规定办理离职手续。
6.2员工如未按规定提前通知公司,给公司造成经济损失的,应根据合同的约定及国家有关法规承担违约责任。
7.劳动合同终止7.1劳动合同期满或者当事人约定的劳动合同终止条件出现,劳动合同即行终止。
7.2与员工终止劳动合同,公司提前30天以书面形式告知员工,并按劳动法相关规定办理。
7.3 劳动合同终止,员工应按公司有关规定办理离职手续。
劳务派遣管理制度(企业版)一、背景劳务派遣作为一种人力资源服务方式,对于企业来说具有一定的优势,例如弹性用工、灵活性、节约成本等。
但同时也存在一些问题,例如招聘难度、管理复杂等。
为了解决这些问题,企业需要制定劳务派遣管理制度,规范管理劳务派遣工作。
二、管理范围劳务派遣管理制度适用于企业招聘、管理、使用劳务派遣人员的各个环节。
三、工作流程1. 申请企业部门需要劳动力时,向人力资源部门提出申请。
人力资源部门根据企业的需求,选择劳务派遣公司,并与其签订合同。
2. 招聘劳务派遣公司负责招聘员工,选派符合企业职位需求的员工。
企业可对劳务派遣公司的招聘过程进行监督,以确保员工的招聘符合企业的要求。
3. 接派遣员工的管理企业接派遣员工后,应及时对员工进行身份登记、合同签订、工资支付等相关管理。
企业应根据员工的工作性质、岗位属性,制定员工的工作任务书,并根据工作任务书对员工进行培训。
4. 管理办法企业应按照规定管理劳务派遣员工的劳动时间、休息时间、加班、调休等问题,并严格执行相关国家、行业标准和规定。
如员工临时离职或欠缺考勤,应按劳动法相关规定处理。
5. 派遣到期派遣到期前一个月,企业应向劳务派遣公司通报相关员工的情况。
劳务派遣公司应按照约定时间对员工离职进行管理。
四、具体要求1. 企业应依法依规选择劳务派遣公司,合作方需有正规招聘渠道且合法有效。
2. 企业应为接派遣员工提供合理工作及休息条件,健全人性化管理制度。
如员工需安排夜班,企业应提供住宿或交通补贴。
2. 对于派遣员工,企业应明确其工作状态(兼职、全职)、岗位职责、工作地点、工作期限等相关要求,并严格执行国家和行业标准和规定。
3. 企业应定期开展对接派遣员工的岗位进行培训,以提高员工的工作技能和素质,提高员工的工作效率和质量。
4. 企业应及时处理员工的劳动争议、工资支付等问题,保证员工的合法权益。
五、日常监督企业应加强对接派遣员工的日常管理监督,包括对员工的工作状态、工作内容、工作时间、工资福利、合同时效性等进行监督。
劳务公司体系管理图文件排版存档编号:[UYTR-OUPT28-KBNTL98-UYNN208]项目部劳务管理工作职责(五)每月对劳务费结算支付和农民工工资支付情况进行认真了解,确保支付到位。
(六)每月定期召开“项目劳务管理工作例会”,领导小组全部成员必须参加,项目部负责会议签到、记录会议内容并将会议记录在项目部留存备查。
工作例会主要审议内容应包括:1、劳动力管理员提交的本月劳务管理、矛盾隐患排查相关工作开展情况;2、对本项目合同履约、结算支付、工资发放、农民工进退场变更、资料归档等各项工作进行总结、分析。
3、对本月发生的变更、洽商、合同外增量及时进行讨论、确认;4、对工程款、劳务费支付情况参照合同约定进行核对;5、提出对劳务管理工作存在的问题,并制定整改方案;6、对纠纷隐患制定化解方案;7、对上月例会提出的各项工作目标进行落实,并制定下月工作目标。
8、建设单位要对直接分包的施工单位的工程款、劳务费结算及支付工作负责。
三、总承包单位项目经理工作职责(一)负责牵头本项目劳务管理领导小组工作,为领导小组第一责任人,对项目劳务管理工作负总责,组织召开“项目劳务管理工作例会”。
(二)监督检查劳务单位施工队长持证上岗情况。
(三)监督检查总承包单位劳动力管理员工作。
(四)定期做好合同外增量、变更、洽商;施工现场临时派工等现象的签认、结算工作。
(五)主动与劳务分包企业协商解决双方存在的劳务费结算支付纠纷。
(六)积极配合市区建委、劳务协管员和街道、乡镇工作人员对本项目劳务管理的监督检查工作。
四、劳务单位施工队长工作职责(一)劳务单位施工队长是分包项目劳务管理工作直接责任人,应持证上岗。
(二)监督检查劳务单位劳动力管理员工作。
(三)主动向总承包单位项目经理报告合同外增量、施工现场临时派工等现象的签认、结算和支付工作。
(四)积极与总包单位协商解决双方间存在的劳务费结算支付纠纷。
(五)健全完善内部管理制度,避免发生内部劳资纠纷,确保不出现群体性事件,维护行业和社会稳定。
业务部工作职责业务部门工作职责*、负责联系企业并与企业进行洽谈。
2、负责初拟与企业的合作协议。
3、负责对企业进行考察,并针对考察结果做出相应的评估报告。
4、负责派遣员工到达企业的各项工作。
5、负责对企业的后续跟踪服务。
6、负责对派遣员工的后续跟踪服务。
业务部经理职责*、直接对总经理负责,协助总经理办理事务。
2、负责制定本部门月、季度、年度工作计划,呈报总经理。
3、全权负责安排部门工作以及部门职员的工作任务。
4、负责部门初步筛选的合作企业的洽谈事宜,并初拟合同。
5、负责对企业进行各方面的考察,并作出可行性报告,以书面的形式呈报总经理。
6、负责协调解决企业与派遣员工的突显问题。
7、负责与人力资源部主管沟通查询人员构成情况以便筛选企业。
7、负责与各部门之间的协调工作以及各部门之间的业务交叉安排。
9、负责解决部门部突显的问题。
业务部门职员工作职责*、个人对部门经理负责。
2、负责执行部门制定的工作计划。
3、根据部门工作计划,做出个人工作计划,必须逐步实施。
4、负责对企业的初步筛选并整理定位(根据人力部反馈所需求企业信息而定)。
5、负责对初步筛选的企业进行初步沟通,明确合作意向。
6、负责协助部门经理与企业的洽谈7、负责协助部门经理完成合作企业的初拟合同。
8、负责协助部门经理对企业进行考察。
9、负责协助部门经理对考察过的企业做出正确的评估,并以书面形式将评估报告呈报总经理审批。
*、负责对企业的跟踪服务。
**、负责对派遣员工的后续跟踪服务,并将概况反馈至部门领导处。
业务部门关于对企业和派遣员工的后续跟踪服务职责*、负责协助人力资源部安置对派遣员工到达企业的各种事宜(食宿等)。
2、负责派遣员工到达企业的食宿安排工作。
主要职责是协助企业安排,根据派遣员工提出的合理要求,协调企业给予解决。
3、负责为期一周的驻厂,了解派遣员工在工作和生活期间反馈的紧急的、突显出的主客观问题,与企业沟通协调解决。
4、负责回访员工与企业反馈的各种问题,与之沟通、协调并从速解决。
5、负责公司、派遣员工与企业的各种费用结算。
6、负责处理派遣员工的入、离职及手续的办理。
7、负责处理在与企业合作结束后的人员撤离等收尾工作。
业务部职责框架图:业务部门员工工作流程一、对企业的前期开发*、结合(根据)与人力资源部沟通的结果,按照人力资源部提出的企业条件,总结(结合)企业的用工时间等条件,初步锁定企业目标。
2、将企业的大致条件传达至业务部门各职员,开始寻找目标企业。
3、联系企业,明确合作意向。
联系企业的规流程如下:*)您好!请问您这是**公司吗?/你这是**公司人事部门吗?2)您好!请问贵公司人事部门的联系是什么?3)我这里是省*****劳务派遣,想与贵公司人事部门沟通看是否有用工需求。
我们公司现在有充足的人力资源。
3.* 对方:不需要,我们公司现在没有这个需求。
我方:好的,打扰您了,祝您工作顺利。
3.2 对方:那你稍等/记下我方:好的您。
4)转入**公司人力/人事部门。
4.* 向该公司简要介绍我公司4.2 向其咨询是否有用工需求,是否能够合作。
5)咨询该公司具体的用工时间6)若**公司人事部门有意向合作,向其索要该公司的招工简章。
7)结束语:希望您尽快将贵公司的招工简章以传真或的方式发至我公司。
我会立即将详细情况反馈给公司领导,尽快和您联系。
我公司的传真:****3********-********:*******63.4、将企业信息整理完整,交付领导,最终确定与企业合作的可行性是否存在。
5、*)不可以合作。
与该企业联系,表明不能满足该公司的需求。
2)可以合作。
与企业联系,表明在**期限会将人员送至贵公司。
咨询企业是否能接受在这一期间将人员上齐。
6、若企业询问收费标准。
我们的收费标准是*-*%,具体的明确收费标准在洽谈合作之时,再进行沟通。
7、向企业询问各方面细节问题。
(详见附件*)8、将上述所有信息、细节等完整的整理出,以书面的形式交付人力资源部。
二、对企业的中期谈判主要围绕公司利益最大化为中心。
*、向合作企业传送草拟的劳务派遣/输出协议。
在发送协议之前首先要确定企业所在地点的最低工资标准。
2、在一定期限之后,向该企业征求企业对合同有异议的方面。
并根据与企业的商定修改并完善合同。
3、公司收取劳务费用的时间定为:企业结算完工资之后的七个工作日。
三、后期服务对企业的服务首先就要在与企业约定的期限将人员补充到位。
后期服务主要是对企业和派遣员工的后续服务。
具体的服务细则见附件2、附件3。
*、在向合作企业派遣员工人数在5****-*****人之间,从派遣员工中筛选较有能力的人委任为驻厂代表。
驻厂代表公司给予一定的利益,初步设为*元/人/月的标准按照人数抽取。
驻厂代表必须维护公司利益。
2、在人数超过*****人的派遣员工,公司将派遣专人进行管理。
全权负责派遣员工各项事务。
做好公司、派遣员工、合作企业之间的沟通、协调。
3、公司定期与合作企业人事负责人和公司驻厂代表/专人,沟通了解当前状况。
了解容:*)合作企业。
员工的工作状态、对企业的满意度。
2)公司驻厂代表/专人。
派遣员工的心理状态;对工作及工作环境的看法;对食宿条件的看法;是否存在其他方面的问题等。
4、将回访的信息整理,就双方突显的问题,从中沟通、协调以其尽快的解决。
5、公司派专人每月定期到企业跟踪了解合作企业/派遣员工的具体情况。
主要还是了解第3条所提到的以及附件2、附件3种的部分容。
附件一合作前期对企业具体容细化了解询问流程:*、贵企业员工的食宿情况。
是否需要个人出钱,个人需要承担多少。
2、贵企业在员工到达企业工作时对于车费的承担。
2.* 否2.2 是3、贵公司对车费是全部承担还是承担部分,是到达公司之后立即支付还是一定的期限支付。
4、贵公司的主要工作容都有哪些。
5、贵公司的具体工作岗位设置都有哪些,岗位与岗位之间有哪些具体的差异(主要是岗位的劳动强度、岗位的工作标准方面)。
6、贵公司的工资标准是怎样的,一月综合工资在怎样一个区间(公司员工每个月的一般水平)。
7、贵公司的工资发放时间以及工资的发放形式。
8、贵公司的工资制度是以计件的形式还是以计时的形式计算的。
9、9.* 贵公司计时的基本工资是多少,加班费是怎么算的9.2 贵公司计件的形式是班组计件还是个人计件。
*、贵公司一般每天工作的准确时间,每月的工作天数、休息时间。
(必须有一个准确的、真实的时间标准)**、贵公司对员工年龄/性别/比例方面的要求。
*2、贵公司是否缴纳保险。
*3、贵公司是否有其它方面的福利待遇。
*4、贵公司是否会对新员工进行相关的岗前培训。
*5、贵公司对新员工到达之后是否还收取其他的费用。
附件二合作企业的后续跟踪服务流程:*、贵公司在我方人员工作期间存在怎样的看法。
2、我方员工在贵公司的工作是否得到认可。
3、我方员工在贵公司的工作是否存在贵公司认为不妥之处。
4、我方员工是否存在改进的方面。
5、贵公司有哪些好的建议及改良的方法。
6、其它临时出现的问题。
7、我会立即将情况反馈至领导处,尽快向您回复。
附件三针对派遣员工的后续跟踪服务流程:*、首先我代表公司向您表示问候。
2、你觉得在企业工作的怎么样,有什么样的感受。
3、您每天工作的强度如何。
4 您每天工作的时间段是什么时候。
5、您觉得企业食宿方面怎么样。
6、你是否认为有需要公司与企业进行沟通解决的客观存在事实。
7、您对企业各方面事宜是否满意。
8、您是否对企业存在有异议的方面。
9、您如果有什么事情或遇到什么问题可以和我们公司的驻厂人员反映或直接向公司反映,只要不违反务工公司的原则,我们会沟通协调并尽快为您解决的。
*、我会将您反映的情况反馈至领导处,同时会尽快的给您回复。
业务部对合作企业的考察*、合作企业每天/每月准确的工作时间,每周/每月工作天数,每周/每月休息天数。
2、员工的一般工资标准、发放时间、发放形式等3、企业员工的食宿情况:饭菜质、量等。
是否个人承担。
宿舍大致概况。
4、员工工作时的工作环境。
5、员工不同工作岗位的劳动强度,整个工作的劳动强度。
6、员工工作时的具体岗位设置。
7、对企业员工宿舍、食堂、工作场所的相片采集。
8、企业宣传资料的索取。
9、在新员工入职前所接受的培训,是否有偿培训等。
*、在企业与企业员工沟通,了解企业提供的信息以及考察所看到、听到信息的真实性。
对企业考察后的评估报告容*、对考察情况进行罗列。
2、针对考察情况,分析企业本身对人员流动性的影响。
3、指出该企业的优势与劣势及发展前景。
4、分析、论证与企业合作的可行性。
5、以书面形式呈交总经理审批。
业务部与人力资源部合作流程*、收集人力资源部对所选企业的条件。
2、汇总信息选定企业,反馈潜在合作企业人员需求条件至人力部。
3、对考察企业的各种细节信息以文件的形式下发至人力部。
4、会同人力部针对企业单子制定将人员送达企业的具体方案。
5、其他临时事宜。
业务部与办公室合作流程*、各项文件的初稿交付办公室,办公室校对下发或外传。
2、将业务部关于合作企业的所有信息汇总下发至办公室,供其学习,以便接待。
3、在每一单业务结束后,应将派遣企业及派遣员工的相关事宜以书面材料移交办公室。
4、其他各方面业务部门需要的支持。
5、其他临时事宜。
业务部 2*年*2月5日。