三相全控桥式整流电路仿真实验
- 格式:doc
- 大小:1.08 MB
- 文档页数:9
实验三三相桥式全控整流电路实验一、实验目的(1)加深理解三相桥式全控整流的工作原理。
(2)了解KC系列集成触发器的调整方法和各点的波形。
二、实验所需挂件及附件三、实验线路及原理实验线路如图3-13及图3-14所示。
主电路由三相全控整流电路及作为逆变直流电源的三相不控整流电路组成, 触发电路为DJKO2-1中的集成触发电路, 由KCO4.KC4l、KC42等集成芯片组成, 可输出经高频调制后的双窄脉冲链。
集成触发电路的原理可参考1-3节中的有关内容, 三相桥式整流及逆变电路的工作原理可参见电力电子技术教材的有关内容。
图3-13 三相桥式全控整流电路实验原理图四、实验内容三相桥式全控整流电路。
五、预习要求(1)阅读电力电子技术教材中有关三相桥式全控整流电路的有关内容。
(2))学习本教材中有关集成触发电路的内容, 掌握该触发电路的工作原理。
六、思考题(1)如何解决主电路和触发电路的同步问题?在本实验中主电路三相电源的相序可任意设定吗?答: ①采用宽脉冲触发或双脉冲触发发式。
在本实验中使脉冲宽度大于1/6个周期。
②在除法某个晶闸管的同时, 前一个晶闸管补发脉冲, 即用两个窄脉冲替代宽脉冲。
(2)在本实验的整流时, 对α角有什么要求?为什么?答:在本实验的整流时, 移相角度α角度为0-90度, 这是因为移相角度α超过90度就会进入逆变状态。
七、实验方法(1)三相桥式全控整流电路计算公式:U d =2.34U 2cosα (0~60O) U d =2.34U 2[1+cos(a+3)] (60o ~120o) 描绘α=300、600时Ud 、Uvt 的波形。
α=900时Ud的波形。
(2)故障现象的模拟当β=60°时, 将触发脉冲钮子开关拨向“断开”位置, 模拟晶闸管失去触发脉冲时的故障,观察并记录这时的Ud波形的变化情况。
八、实验报告(1)画出电路的移相特性U d =f (α)。
(2)画出α=30°、60°、90°时的整流电压U d 的波形。
《电力电子技术》实验报告学院专业学号姓名实验一三相桥式全控整流电路和实验一、实验目的1.熟悉三相桥式全控整流的工作原理。
2.了解集成触发器的调整方法及各点波形;3.对三相桥式全控整流的特性进行研究。
二、实验原理及线路实验线路如图1所示:~~图1 三相桥式全控整流及有源逆变电路实验线路图三相桥式全控整流原理如下:习惯上一般给六只晶闸管编号,共阴极三只依次为1、3、5,下面三只共阳极的依次为4、6、2,即VT1和VT4接A相,VT3和VT6接B相,VT5和VT2接C相。
在三相桥式全控整流电路中,以自然转换点作为控制角α的起算点,该点比相电压波形过零点滞后30°,即VT1、VT3、VT5的自然转换点,分别滞后于A、B、C相电压正向过零点30°;VT4、VT6、VT2的自然转换点分别滞后于A、B、C相电压负向过零点30°。
在三相桥式整流电路中,任何时刻必须保证有二只晶闸管同时导通才能形成电流回路。
每只管子导通120°(在强感性负载下)。
由于电路中共阴与共阳组换流点相隔60°,所以每隔60°有一次换流。
在阻性负载下,电路的控制角α最大移相范围为120°;在感性负载下,电路的控制角α最大移相范围为90°。
在三相桥式整流电路中,为保证电路正常工作,触发脉冲通常是双窄脉冲。
在三相桥式全控整流电路中,在阻性负载时,负载电压u d是六个不同线电压的组合。
当α=0°时,为三相线电压的正向包络线,每周期脉动六次,其波形频率为300Hz,其基本上是一个平稳直流。
若负载是电阻性负载,当控制角α≤60°时输出电流是连续的,当控制角α>60°时,输出电流波形发生断续。
因此输出电压平均值U d为控制角0≤α≤60°232233sin cos cos dU Uπαπα=2.34π++=⎰ωt td()=ωααU2控制角60°≤α≤120°d2233d() 2.341cos()3U Uππαππ+⎡⎤==++⎢⎥⎣⎦⎰ωtωtsinα输出电流平均值:dddUIR=流过每只晶闸管的平均电流:13dT dI I=流过每只晶闸管的电流有效值亦应根据电流的连续与断续的情况分别计算求出。
三相桥式全控整流电路Simulink仿真实验背景三相桥式全控整流电路是一种常用的交流调直流电路,可以将交流电源转换为稳定的直流电源,常用于工业生产中的大型电动机驱动系统等。
因此,在电力电子课程中,对于三相桥式全控整流电路的掌握至关重要。
Simulink 是 MATLAB 的拓展模块,可用于系统级模拟和建模,并广泛应用于电力电子学、控制工程、通信和信号处理等领域。
在本文中,我们将介绍三相桥式全控整流电路 Simulink 仿真实验的建模和仿真过程。
实验目的1.了解三相桥式全控整流电路的基本原理和结构;2.掌握 Simulink 的建模方法和使用;3.了解整流电路控制方式,以及开环控制和反馈控制的优缺点;4.通过实验数据分析,验证反馈控制的优势。
实验原理三相桥式全控整流电路三相桥式全控整流电路的基本原理如下图所示:三相桥式全控整流电路原理图三相桥式全控整流电路由三个交流源和六个晶闸管构成,晶闸管分别为 V1、V2、V3、V4、V5 和 V6,其中,V1 和 V6 为两端可控硅,V2 和 V4 为反向可控硅,V3 和 V5 为二极管。
通过对不同晶闸管的控制,可以将交流电源转换为稳定的直流电源。
Simulink 建模在 Simulink 中建立三相桥式全控整流电路模型的过程如下:1.创建模型首先,打开 MATLAB 并创建一个新的模型。
2.添加模块建立三相桥式全控整流电路模型,需要使用到 Simulink 的 SimPowerSystems 模块,因此需要在 Simulink 库中添加此模块。
具体方法为:在主界面上找到“Simulink 库浏览器”,然后在“SimPowerSystems”中选择需要使用的模块,如下图所示。
Simulink 库浏览器添加模块3.建立模型接着,我们开始建立模型。
首先,从 Simulink 库中拖拽“三相 AC Voltage Source”模块,然后拖拽“Three-Phase Controlled Rectifier”模块,连接二者,并设置模块的参数及输入信号。
三相全控桥式整流电路实验报告篇一:实验一、三相桥式全控整流电路实验实验一、三相桥式全控整流电路实验一、实验目的1. 熟悉三相桥式全控整流电路的接线、器件和保护情况。
2. 明确对触发脉冲的要求。
3. 掌握电力电子电路调试的方法。
4. 观察在电阻负载、电阻电感负载情况下输出电压和电流的波形。
二、实验类型本实验为验证型实验,通过对整流电路的输出波形分析,验证整流电路的工作原理和输入与输出电压之间的数量关系。
三、实验仪器1.MCL-III教学实验台主控制屏。
2.MCL—33组件及MCL35组件。
3.二踪示波器 4.万用表 5.电阻(灯箱)四、实验原理实验线路图见后面。
主电路为三相全控整流电路,三相桥式整流的工作原理可参见“电力电子技术”的有关教材。
五、实验内容和要求1. 三相桥式全控整流电路2. 观察整流状态下,模拟电路故障现象时的波形。
实验方法:1.按图接好主回路。
2.接好触发脉冲的控制回路。
将给定器输出Ug接至MCL-33面板的Uct端,将MCL-33 面板上的Ublf接地。
打开MCL-32的钥匙开关,检查晶闸管的脉冲是否正常。
(1)用示波器观察MCL-33的双脉冲观察孔,应有间隔均匀,相互间隔60的幅度相同的双脉冲。
(2)检查相序,用示波器观察“1”,“2”单脉冲观察孔,“1”脉冲超前“2”脉冲60,则相序正确,否则,应调整输入电源。
3.三相桥式全控整流电路(1)电路带电阻负载(灯箱)的情况下:调节Uct(Ug),使?在30o~90o范围内,用示波器观察记录?=30O、60O、90O 时,整流电压ud=f(t),晶闸管两端电压uVT=f(t)的波形,并用万用表记录相应的Ud和交流输入电压U2数值。
ou??= 30°uuia?tOuab=30O?ti a?=90O?tuuabacOuabuac??= 60°u(2)电路带阻感负载的情况下:在负载中串入700mH 的电感调节Uct(Ug),使?在30o~90o范围内,用示波器观察记录?=30O、60O、90O时,整流电压ud=f(t),晶闸管两端电压uVT=f(t)的波形,并用万用表记录相应的Ud和交流输入电压U2数值。
实验七 三相桥式全控整流电路实验一、实验目的了解三相桥式全控整流电路的工作原理,研究可控整流电路在电阻负载,电阻电感性负载,反电动势负载时的工作情况。
二、实验所需挂件及附件1. 电源控制屏2. 三相晶闸管触发电路3. 双踪示波器,万用表4. 晶闸管主电路5. 可调电阻,电感等三、实验原理1、电阻性负载图7-1 三相桥式全控整流电路(电阻性负载)及o 0=α波形阴极连接在一起的3个晶闸管(VT1,VT3,VT5)称为共阴极组;阳极连接在一起的3个晶闸管(VT4,VT6,VT2)称为共阳极组。
共阴极组中与a ,b ,c 三相电源相接的3个晶闸管分别为VT1,VT3,VT5,共阳极组中与a ,b ,c 三相电源相接的3个晶闸管分别为VT4,VT6,VT2。
晶闸管的导通顺序为VT1-VT2-VT3-VT4-VT5-VT6。
o 0=α表示各晶闸管从其自然换相点开始触发,得到的输出电压波形为其线电压的包络线。
图7-2 三相桥式全控整流电路(电阻性负载)o 30=α时波形从图可以看出,当o 60≤α时,u d 波形连续,对于电阻负载,i d 波形与u d 波形形状一样,也连续,每管工作120︒ ,每间隔60︒有一管换流。
60︒为波形连续和不连续的分界点。
α>60︒,由于对应线电压的过零变负,非同一相的共阴极组和共阳极晶闸管串联承受负压而关断,此时输出电压电流为零。
负载电流断续,各晶闸管导通角小于120︒。
晶闸管及输出整流电压的情况如下表所示:时段I II III IV V VI 共阴极组中导通的晶闸管VT1VT1VT3VT3VT5VT5共阳极组中导通的晶闸管VT6VT2VT2VT4VT4VT6整流输出电压u du α -u b=u abu α -u c=u αcu b –u c=u bcu b –u a=u bau c –u a=u cau c –u b=u cb三相桥式全控整流电路的特点:(1)2管同时通形成供电回路,其中共阴极组和共阳极组各1,且不能为同1相器件。
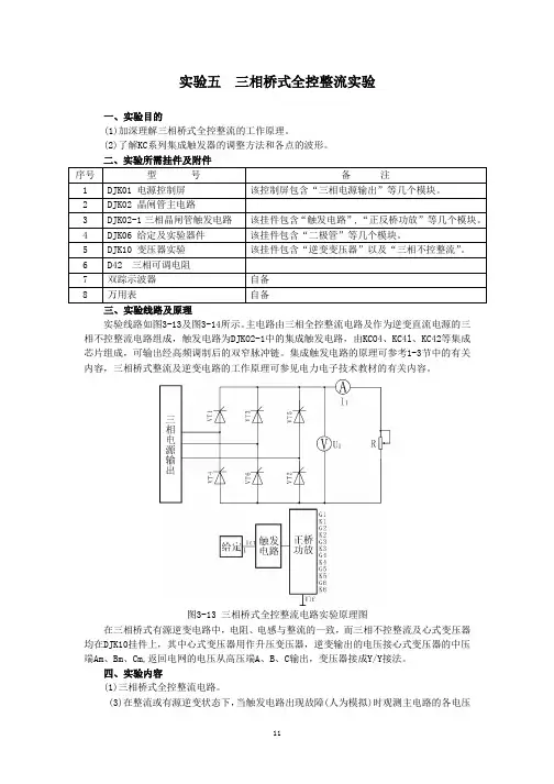
实验五三相桥式全控整流实验一、实验目的(1)加深理解三相桥式全控整流的工作原理。
(2)了解KC系列集成触发器的调整方法和各点的波形。
二、实验所需挂件及附件序号型号备注1 DJK01 电源控制屏该控制屏包含“三相电源输出”等几个模块。
2 DJK02 晶闸管主电路3 DJK02-1三相晶闸管触发电路该挂件包含“触发电路”,“正反桥功放”等几个模块。
4 DJK06 给定及实验器件该挂件包含“二极管”等几个模块。
5 DJK10 变压器实验该挂件包含“逆变变压器”以及“三相不控整流”。
6 D42 三相可调电阻7 双踪示波器自备8 万用表自备三、实验线路及原理实验线路如图3-13及图3-14所示。
主电路由三相全控整流电路及作为逆变直流电源的三相不控整流电路组成,触发电路为DJKO2-1中的集成触发电路,由KCO4、KC4l、KC42等集成芯片组成,可输出经高频调制后的双窄脉冲链。
集成触发电路的原理可参考1-3节中的有关内容,三相桥式整流及逆变电路的工作原理可参见电力电子技术教材的有关内容。
图3-13 三相桥式全控整流电路实验原理图在三相桥式有源逆变电路中,电阻、电感与整流的一致,而三相不控整流及心式变压器均在DJK10挂件上,其中心式变压器用作升压变压器,逆变输出的电压接心式变压器的中压端Am、Bm、Cm,返回电网的电压从高压端A、B、C输出,变压器接成Y/Y接法。
四、实验内容(1)三相桥式全控整流电路。
(3)在整流或有源逆变状态下,当触发电路出现故障(人为模拟)时观测主电路的各电压波形。
五、预习要求(1)阅读电力电子技术教材中有关三相桥式全控整流电路的有关内容。
(2)学习本教材1-3节中有关集成触发电路的内容,掌握该触发电路的工作原理。
六、思考题(1)如何解决主电路和触发电路的同步问题?在本实验中主电路三相电源的相序可任意设定吗?(2)在本实验的整流及逆变时,对α角有什么要求?为什么?七、实验方法(1)DJK02和DJK02-1上的“触发电路”调试①打开DJK01总电源开关,操作“电源控制屏”上的“三相电网电压指示”开关,观察输入的三相电网电压是否平衡。
实验三三相桥式全控整流电路实验一.实验目得1.熟悉MCL-18, MCL-33组件。
2.熟悉三相桥式全控整流电路得接线及工作原理。
二.实验内容1.MCL-18得调试2.三相桥式全控整流电路3.观察整流状态下,模拟电路故障现象时得波形。
三.实验线路及原理实验线路如图3-12所示。
主电路由三相全控整流电路组成。
触发电路为数字集成电路,可输出经高频调制后得双窄脉冲链。
三相桥式整流电路得工作原理可参见“电力电子技术”得有关教材。
四.实验设备及仪器1.MCL—Ⅱ型电机控制教学实验台主控制屏。
2.MCL-18组件3.MCL-33组件4.MEL-03可调电阻器(900 )6.二踪示波器7.万用表五.实验方法1.按图3-12接线,未上主电源之前,检查晶闸管得脉冲就是否正常。
(1)打开MCL-18电源开关,给定电压有电压显示。
(2)用示波器观察MCL-33得双脉冲观察孔,应有间隔均匀,相互间隔60o得幅度相同得双脉冲。
(3)用示波器观察每只晶闸管得控制极、阴极,应有幅度为1V—2V得脉冲。
注:将面板上得Ublf接地(当三相桥式全控整流电路使用I组桥晶闸管VT1~VT6时),将I组桥式触发脉冲得六个琴键开关均拨到“接通”, 琴键开关不按下为导通。
(4)将给定输出Ug接至MCL-33面板得Uct端,在Uct=0时,调节偏移电压Ub,使α=90o。
(注:把示波器探头接到三相桥式整流输出端即U d 波形, 探头地线接到晶闸管阳极。
)2.三相桥式全控整流电路(1)电阻性负载按图接线,将Rd调至最大450Ω (900Ω并联)。
三相调压器逆时针调到底,合上主电源,调节主控制屏输出电压U uv、U vw、U wu,从0V调至70V(指相电压)。
调节Uct,使α在30o~90o范围内变化,用示波器观察记录α=30O、60O、90O时,整流电压u d=f(t),晶闸管两端电压u VT=f(t)得波形,并记录相应得Ud与交流输入电压U2 数值。
实验四三相桥式全控整流及有源逆变电路实验1.实验目的(1)了解三相全控桥式整流电路的工作原理,研究可控整流电路在电阻—电感性负载时的整流输出电压u d、电流i d、晶闸管承受的电压u VT的波形及工作情况。
(2)了解三相全控桥式有源逆变电路的工作原理,研究在不同的控制角时输出的电压电流波形。
2.实验设备及仪器(1) MCL-Ⅱ型电机控制教学实验台主控制屏;(2) MCL-18控制和检测单元及过流过压保护组件;(3) MCL-33触发电路及晶闸管主回路组件;(4)MEL-03三相可调电阻器组件(900Ω,0.41A);(5)MEL-05波形测试及开关板组件;(6)双踪示波器;(7)万用电表;3.注意事项(1) 整流电路与三相电源连接时,一定要注意相序;(2) 整流电路的负载电阻不宜过小,应使i d不超过0.8A,同时负载电阻不宜过大保证i d超过0.1A,避免晶闸管时断时续;(3) 正确使用示波器,避免示波器的两根地线接在非等电位的端点上,造成短路事故。
4.实验步骤1)按图接线,未上主电源之前,检查晶闸管的脉冲是否正常a.用示波器观察MCL-33的双脉冲观察孔,应有间隔均匀,幅度相同的双脉冲。
b.检查相序,用示波器观察“1”“2”单脉冲观察孔,“1”脉冲超前“2”脉冲60°,则相序正确,否则,应调整输入电源。
c.用示波器观察每只晶闸管的控制极,阴极,应有幅值为1V—2V的脉冲。
=0时,触发脉冲滞后同步信号180︒d.调节MCL-33上锯齿波偏移电压,使Uct(即α=150︒)。
e.“交流电源输出调节”旋钮逆时针调到底,主回路串联电阻RP调至最大。
2) 研究三相桥式可控整流电路供电给阻感性负载时的工作情况:a) 将开关S 拨向左侧,接通主电源,顺时针旋转三相调压器,调节主控制屏输出电压UV U 、VW U 、WU U ,从0V 调至220V ;b) 将MCL-18组件上的开关S 1拨至正给定,S 2拨至给定;调节MCL —18上的脉冲移相电位器RP1旋钮,改变控制电压Uct ,观察在不同控制角α时的u d 、i d 、u VT 的波形;c) 记录α=30︒、α=60︒时u d 、i d 、u VT 的波形。
三相桥式全控整流电路仿真实验报告实验报告书实验项目:三相桥式全控整流及实验所属课程: 电力电子技术基础面向专业: 自动化学院(系): 物理与机电工程学院自动化系实验室: 电机与拖动代号: 4262012年 10 月 20 日一、实验目的:1.熟悉MCL-01, MCL-02组件。
2.熟悉三相桥式全控整流及有源逆变电路的接线及工作原理。
3.了解集成触发器的调整方法及各点波形。
第 2 页二、实验内容:1.三相桥式全控整流电路2.三相桥式有源逆变电路3.观察整流或逆变状态下,模拟电路故障现象时的波形。
三、实验主要仪器设备:1.MCL系列教学实验台主控制屏。
2.MCL—01组件。
3.MCL—02组件。
4.MEL-03可调电阻器。
5.MEL-02芯式变压器6.二踪示波器7.万用表三相桥式全控整流及有源逆变电路实验线路图及接线图五、实验有关原理及原始计算数据,所应用的公式:三相桥式全控整流电路的原理一般变压器一次侧接成三角型,二次侧接成星型,晶闸管分共阴极和共阳极。
一般1、3、5为共阴极,2、4、6为共阳极。
(1)2管同时通形成供电回路,其中共阴极组和共阳极组各1,且不能为同1相器件。
(2)对触发脉冲的要求:1)按VT1-VT2-VT3-VT4-VT5-VT6的顺序,相位依次差60。
2)共阴极组VT1、VT3、VT5的脉冲依次差120,共阳极组VT4、VT6、VT2也依次差120。
3)同一相的上下两个桥臂,即VT1与VT4,VT3与VT6,VT5与VT2,脉冲相差180。
(3)Ud一周期脉动6次,每次脉动的波形都一样,故该电路为6脉波整流电路。
(4)需保证同时导通的2个晶闸管均有脉冲,可采用两种方法:一种是宽脉冲触发一种是双脉冲触发(常用)(5)晶闸管承受的电压波形与三相半波时相同,晶闸管承受最大正、反向电压的关系也相同。
三相桥式全控整流电路实质上是三相半波共阴极组与共阳极组整流电路的串联。
在任何时刻都必须有两个晶闸管导通才能形成导电回路,其中一个晶闸管是共阴极组的,另一个晶闸管是共阳组的。
电力电子技术三相桥式全控整流电路仿真实验实验目的掌握三相桥式全控整流电路仿真模型的建立及模块参数和仿真参数的设置。
理解三相桥式全控整流电路的工作原理及仿真波形。
实验设备:MA TLAB/Simulink/PSB实验原理三相桥式全控整流电路如图3-1所示。
u2为电源电压,ud为负载电压,id为负载电流,uVT为晶闸管阳极与阴极间电压。
图3-1 三相桥式全控整流电路实验内容启动Matlab,建立如图3-2所示的三相桥式全控整流电路结构模型图。
图3-2 三相桥式全控整流电路模型双击各模块,在出现的对话框内设置相应的模型参数,如图3-3、3-4、3-5、3-6、3-7、3-8、3-9所示。
图3-3 交流电压源V a模块参数图3-4 交流电压源Vb模块参数图3-5 交流电压源Vc模块参数图3-6 同步脉冲发生器模块参数图3-7 触发脉冲控制角常数设置图3-8 触发脉冲封锁常数设置图3-9 负载模块参数系统仿真参数设置如图3-10所示。
图3-10 系统仿真参数运行仿真模型系统即可得到控制角为30º时,电源电压、触发信号、负载电流、负载电压的仿真波形,如图3-11所示。
图3-11 控制角为30º时的仿真波形(带电阻性负载)改变同步脉冲发生器模块的控制角,即可得到不同工作情况下的仿真波形。
例如将晶闸管控制角取为60º,即将触发脉冲控制角常数设置为60,此时的仿真波形如图3-12所示。
图3-12 控制角为60º时的仿真波形(带电阻性负载)改变串联RLC分支模块的参数即可改变负载类型。
例如,设置负载模块的参数R=10Ω,L=0.04H,电容为inf,即为阻感性负载,当晶闸管控制角取为45º(将触发脉冲控制角常数设置为45)时的仿真波形如图3-13所示。
图3-13 控制角为45º时的仿真波形(带阻感性负载)同理,在带阻感性负载的情况下,改变固定时间间隔脉冲发生器模块的初始相位角即可得到不同工作情况下的仿真波形。
基于三相桥式全控整流电路Matlab仿真实验报告 13351040 施定邦一、电路仿真原理及仿真电路图:图1图21、带电阻负载时当a≤60°时,电压波形均连续,对于电阻负载,电流波形与电压波形形状相同,也连续。
当a>60°时,电压波形每60°中的后一部分为零,电压波形因为晶闸管不能反向导通而不出现负值。
分析可知α角的移相范围是0°--120°。
2、带阻感负载时a≤60°时,电压波形连续,输出整流电压电压波形和晶闸管承受的电压波形与带电阻负载时十分相似,但得到的负载电流波形却有差异。
电容的容值越大电流波形就越平缓,近于水平直线。
a >60°时,电压波形则出现负值,是因为环流的作用使得电压反向。
分析可知α角的移相范围是0°--90°。
二、仿真过程与结果:设置三个交流电压源Va,Vb,Vc相位差均为120°,得到桥式全控的三相电源。
6个信号发生器产生整流电路的触发脉冲,六个晶闸管的脉冲按VT1-VT2-VT3-VT4-VT5-VT6的顺序依次给出,相位差依次为60°。
设置电源频率为50Hz:三、仿真结果1、带电阻负载:R=100Ω,无电容(1)α=0°时各波形如下:(2)α=30°各波形如下:(3)α=60°各波形如下:(4)α=90°各波形如下:2、带阻感负载:R=100Ω,H=1H (1)α=0°各波形如下:(2)α=30°各波形如下:(3)α=60°各波形如下:(4)α=90°各波形如下:(可以看到,和理论符合得很好,说明各参数设置合理,电路的工作状态接近于理想情况)实验总结:通过此次仿真实验,让自己对相关电路工作原理了解得更加详细和印象深刻,反正就是熟能生巧,然后多动手操作设置各种参数组合观察实验结果以得到比较理想的波形。
三相桥式全控整流电路实验实验目的1.熟悉触发电路及晶闸管主回路组件。
2.熟悉三相桥式全控整流及有源逆变电路的接线及工作原理。
二、实验内容1.三相桥式全控整流电路2. 三相桥式有源逆变电路3.观察整流或逆变状态下,模拟电路故障现象时的波形。
三、实验线路及原理主电路由三相全控变流电路及三相不控整流桥组成。
触发电路为集成电路,可输出经高频调制后的双窄脉冲链。
三相桥式整流及有源逆变电路的工作原理可参见“电力电子技术”的有关教材。
1)电源控制屏位于NMCL-32/MEL-002T等2)L平波电抗器位于NMCL-331R可调电阻位于NMEL-03/43)dU)位于NMCL-31A4)G给定(g6)U位于NMCL-33或NMCL-33F中ct7)晶闸管位于NMCL-33或NMCL-33F中8)二极管位于NMCL-33或NMCL-33F中四、实验设备和仪器1.教学实验台主控制屏2.触发电路及晶闸主回路组件3.电阻负载组件4.变压器组件5.双踪示波器(自备)6.万用表(自备)五、实验方法1.未上主电源之前,检查晶闸管的脉冲是否正常。
(1)用示波器观察触发电路及晶闸管主回路的双脉冲观察孔,应有间隔均匀,相互间隔60度的幅度相等的双脉冲。
(2)检查相序,用示波器观察触发电路及晶闸管主回路,中同步电压观察口“1”,“2”间隔120°。
脉冲观察孔,“1” 脉冲超前“2” 脉冲60°(及“1”号脉冲的第二个脉冲波与“2”号脉冲的第一个脉冲波相重叠)则相序正确,否则,应调整输入电源(任意对换三相插头中的两相电源)。
(3)用示波器观察每只晶闸管的控制极,阴极,应有幅度为1V—2V的脉冲。
(4)将调速系统控制单元的给定器输出Ug接至触发电路及晶闸管主回路面板的Uct端,调节偏移电压Ub,在Uct=0时,使α=150°。
2.三相桥式全控整流电路按图1接线,并将RD调至最大。
(感性负载时将700mH电感串入电阻负载)合上控制屏交流主电源。
实验三三相桥式全控整流电路实验一.实验目的1.熟悉MCL-18, MCL-33组件。
2.熟悉三相桥式全控整流电路的接线及工作原理。
二.实验内容1.MCL-18的调试2.三相桥式全控整流电路3.观察整流状态下,模拟电路故障现象时的波形。
三.实验线路及原理实验线路如图3-12所示。
主电路由三相全控整流电路组成。
触发电路为数字集成电路,可输出经高频调制后的双窄脉冲链。
三相桥式整流电路的工作原理可参见“电力电子技术”的有关教材。
四.实验设备及仪器1.MCL—Ⅱ型电机控制教学实验台主控制屏。
2.MCL-18组件3.MCL-33组件4.MEL-03可调电阻器(900?)6.二踪示波器7.万用表五.实验方法1.按图3-12接线,未上主电源之前,检查晶闸管的脉冲是否正常。
(1)打开MCL-18电源开关,给定电压有电压显示。
(2)用示波器观察MCL-33的双脉冲观察孔,应有间隔均匀,相互间隔60o的幅度相同的双脉冲。
(3)用示波器观察每只晶闸管的控制极、阴极,应有幅度为1V—2V的脉冲。
注:将面板上的Ublf接地(当三相桥式全控整流电路使用I组桥晶闸管VT1~VT6时),将I组桥式触发脉冲的六个琴键开关均拨到“接通”,琴键开关不按下为导通。
(4)将给定输出Ug接至MCL-33面板的Uct端,在Uct=0时,调节偏移电压Ub,使?=90o。
(注:把示波器探头接到三相桥式整流输出端即U d 波形, 探头地线接到晶闸管阳极。
)2.三相桥式全控整流电路(1)电阻性负载按图接线,将Rd调至最大450? (900?并联)。
三相调压器逆时针调到底,合上主电源,调节主控制屏输出电压U uv、U vw、U wu,从0V调至70V(指相电压)。
调节Uct,使?在30o~90o范围内变化,用示波器观察记录?=30O、60O、90O时,整流电压u d=f(t),晶闸管两端电压u VT=f(t)的波形,并记录相应的Ud和交流输入电压U2 数值。
题目:三相桥式全控整流电路仿真利用simpowersystems建立三相全控整流桥的仿真模型。
输入三相电压源,线电压380V,50Hz,内阻0.001欧姆。
使用“Universal Bridge”模块。
1、带电阻负载的仿真。
负载为电阻1欧姆。
仿真时间0.2s。
改变触发角alpha,观察并记录alpha=30 90 120 度时Ud、U vt1、Id的波形。
并画出电路的移相特性Ud=f(alpha)。
(1)alpha=30Utv1Id(2)alpha=90度(3)alpha=120度(4) 电路的移相特性Ud=f(alpha)2、带阻感负载的仿真。
R=1欧姆,L=10mH,仿真时间0.2s。
改变触发角alpha,观察并记录alpha=30 60 90 度时Ud,U vt1,Id的波形。
并画出电路的移相特性Ud=f(alpha)。
(1) alpha=30度(2) alpha=60度(3) alpha=90度(4) 电路的移相特性Ud=f(alpha)。
3、带阻感负载,R=1欧姆,L=10mH,仿真时间0.2s。
当触发角为30度时,从第六个周期开始移去A相上管的触发脉冲,观察并记录移去触发脉冲后Ud,Uvt,Id的波形。
并分析故障现象。
仿真图:分析故障现象:从第六个周期开始移去A相上管的触发脉冲后,晶闸管VT1因为没有触发信号不能导通,Uab、Uac变得不正常,所以输出Ud每6个波就有2个波形不对。
Uvt1去除脉冲之后由于不能导通,Uvt1=Ud+Ua.输出电流Id由于电压的波动变大且一个管子不能导通,电流变小,纹波变大。
三相桥式全控整流电路实验报告实验目的,通过搭建三相桥式全控整流电路,了解其工作原理和特性,掌握整流电路的调试方法和技巧。
实验器材,三相交流电源、三相桥式全控整流电路板、示波器、电压表、电流表、直流电源。
实验原理,三相桥式全控整流电路由六个可控硅组成,分别为T1、T2、T3、T4、T5、T6,接在三相交流电源上。
当T1和T4导通时,电流从A相正半周流向负极,当T2和T5导通时,电流从B相正半周流向负极,当T3和T6导通时,电流从C相正半周流向负极。
这样便实现了三相桥式全控整流电路的整流功能。
实验步骤:1. 按照实验电路原理图,搭建三相桥式全控整流电路。
2. 接通三相交流电源,调节电压和频率,观察整流电路的工作状态。
3. 使用示波器观察整流电路的输入输出波形,记录波形特点。
4. 调节触发脉冲的相位和宽度,观察整流电路的输出电压和电流变化。
5. 测量整流电路的输出电压和电流,绘制特性曲线。
实验结果与分析:通过实验观察和测量,我们得到了三相桥式全控整流电路的输入输出波形和特性曲线。
在不同触发脉冲相位和宽度的情况下,整流电路的输出电压和电流呈现出不同的变化规律。
当触发脉冲提前或延迟,整流电路的输出电压和电流波形会发生相位移动和变形,从而影响整流电路的工作效果。
结论:通过本次实验,我们深入了解了三相桥式全控整流电路的工作原理和特性,掌握了整流电路的调试方法和技巧。
同时,我们也发现了整流电路在不同触发脉冲条件下的输出特性,为今后的实际工程应用提供了重要的参考依据。
实验总结:三相桥式全控整流电路作为一种常见的电力电子器件,具有广泛的应用前景。
通过本次实验,我们不仅学习了整流电路的基本原理,还掌握了实际调试和测量的技能。
希望通过今后的实验和学习,能够更深入地理解电力电子技术,为工程实践和科研创新提供有力支持。
以上就是本次三相桥式全控整流电路实验的报告内容,希望能够对大家有所帮助。
三相全控桥式整流电路仿真实验
学院:交通院
专业:交通设备与控制工程
班级:1402
姓名:***
学号:06
一、日期:实验目的
(1)加深理解三相桥式全控整流及有源逆变电路的工作原理;
(2)了解KC系列集成触发器的调整方法和各点的波形。
(3)了解三相桥式全控整流电路 MATLAB的仿真方法,会设置各模块的参数。
(4)掌握SIMULINK模型库的调用,构成电力电子系统并利用MATLAB对系统进行仿真。
二、实验说明
本实验利用MATLAB软件对电力电子系统进行仿真实验。
我们是现场在实验室里建立好模型,然后仿真好,截图。
中间只有两天就要交报告,所以时间上还是非常紧的。
MATLAB/SIMULINK/Power System Blockset模型库中包含了常用的电力电子器件模型和整流、逆变电路模块以及相应的驱动模块,使用这些模块构建和编辑电力电子电路并仿真很方便的。
MATLAB电力电子器件模型使用的是简化的宏模型,它只要求器件的外特性与实际器件特性基本相符,而没有考虑器件内部的细微结构,属于系统级模型。
MATLAB的电力电子器件必须连接在电路中使用,也就是要有电流的回路,但是器件的驱动仅仅是取决于门极信号的有无,没有电压型和电流型驱动的区别。
电力电子器件在使用时一般都并联有缓冲电路,因此,在MATLAB中电力电子器件模型中也已经并联了简单的RC串联缓冲电路,简单缓冲电路的RC值可以在参数表中设置。
三、实验原理
三相桥式全控整流电路是应用最广泛的整流电路,完整的三相桥式全控整流电路由整流变压器、6个桥式连接的晶闸管、负载、触发器和同步环节组成(见下图)。
6个晶闸管依次相隔60°触发,将交流电整流为直流电。
三相桥式整流电路必须采用双脉冲触发或宽脉冲触发方式,以保证在每一瞬间都有两个晶闸管同时导通(上桥臂和下桥臂各一个)。
整流变压器采用三角形/星型联结是为了减少3的整倍数次谐波电流对电源的影响。
三相桥式全控整流原理电路
三相桥式整流电路的仿真使用MATLAB模型库中的三相桥和触发器的集成模块是很方便的。
用模型库中元器件组成的三相桥式整流电路的仿真模型如下图所示。
三相桥式整流电路的仿真模型
仿真模型中主要使用的元器件模块提取路径见下表,在模型的整流变压器和整流桥之间接入了一个三相电压-电流测量单元V-I是为观测方便。
整流器的输出电压和电流是通过多路测量器测量负载的电压和电流来实现的,当然也可以用电压和电流测量单元直接检测整流器输出单元和电流。
在整流器工作中保证触发脉冲与住电路同步很重要,仿真使用的6脉冲发生器是在同步电压过零时作为控制角α=0°的位置,因此在整流变压器采用△/Y-11联结时,同步变压器也可以采
用△/Y-11联结。
在同步信号关系难以确定时,可以发挥仿真的特点,将三相同步电压信号以不同的顺序连接到6脉冲发生器的AB、BC、CA3个同步输入端,然后运行该模型,观察整流器输出电压波形,如果电压波形在一周期中6个波头连续规则,则该整流器的同步是正确的。
负载和控制角可以按需要设定。
四、实验内容
(1)在三相桥式全控整流电路中,设电源相电压为220V,整流变压器输出电压为100V(相电压),观察整流器在不同负载,不同触发角时整流器输出电压、电流波形,测量其平均值,并观察整流器交流侧电流波形和分析其主要次谐波。
(2)设置模块参数
1)电源参数设置:电压设置为380V,频率设为50Hz。
要注意初相角的设置,a相的电压源设为0,b相的电压源设为-120,c相的电压源设为-240。
2)负载参数设置:电阻负载:电阻设为5Ω,电感为0,电容无穷大inf。
阻感负载:电阻负载:电阻设为45Ω,电感为1H,电容无穷大inf。
3)6-脉冲发生器:频率 50Hz,脉冲宽度取 10°,选择双脉冲触发方式。
4)三相晶闸管整流器参数设置如下图。
五.实验记录
1.三相桥式全控整流电路电阻负载(1)电阻负载30°
(2)电阻负载60°
(3)电阻负载90°
2.三相桥式全控整流电路阻感负载(1)阻感负载30°
(2)电阻负载60°(3)阻感负载90°
六.总结
通过仿真和分析,可知三相桥式全控整流电路的输出电压受控制角α和负载特性的影响,文中应用Matlab的可视化仿真工具simulink对三相桥式全控整流电路的仿真结果进行了详细分析,并与相关文献中采用常规电路分析方法所得到的输出电压波形进行比较,进一步验证了仿真结果的正确性。
采用Matlab/Simulink对三相桥式全控整流电路进行仿真分析,避免了常规分析方法中繁琐的绘图和计算过程,得到了一种直观、快捷分析整流电路的新方法。
应用Matlab /Simulink进行仿真,在仿真过程中可以灵活改变仿真参数,并且能直观地观察到仿真结果随参数的变化情况。
应用Matlab对整流电路故障仿真研究时,可以判断出不同桥臂晶闸管发生故障时产生的波形现象,为分析三相桥式整流电路打下较好的基础,是一种值得进一步应用推广的功能强大的仿真软件,同进也是电力电子技术实验较好辅助工具。