地下室外墙防水技术交底_正式
- 格式:doc
- 大小:25.09 KB
- 文档页数:12
地下室外墙防水施工技术交底一、适用范围:适用于朱雀E时代广场地下室外墙、顶板外露部分的单组分聚胺脂涂膜防水材料涂层防水冷作业施工,本工程采用Ⅰ、Ⅱ类单组分聚胺脂防水涂料。
二、施工准备:1、技术准备:①熟悉设计图纸及施工验收规范,掌握涂膜防水的具体设计和构造要求。
②编制涂膜防水工程施工方案、作业指导书。
2、材料要求:①单组分聚胺脂防水涂料:单组分聚胺脂防水涂料是以氰酸脂(TDI)、聚醚多元醇为主要原料,配以相关的助剂制成。
其属不含有机溶剂挥发的单组分柔性防水材料,在现场涂刷,经与水和潮气的化学反应形成高弹性涂膜防水层,是一种反应型高分子类涂料;外观呈均匀粘稠体状,无凝胶、结块,一般为黑褐色,材料需密封储存,置于阴凉干燥处,严禁与水接触。
②产品按拉伸性能分为Ⅰ类、Ⅱ类,其中Ⅰ类用于外露部分的水平面,Ⅱ类用于竖直立面。
③辅助材料:a、水泥:强度等级≥32.5级的普通硅酸盐水泥,用于配置水泥砂浆找平层、保护层或修补基层。
b、中砂:含泥量<3%。
c、聚脂无纺布、玻纤布或化纤无纺布,作为管根细部构造等部位胎体增强附加层使用。
3、主要机具:①电动机具:电动搅拌器。
②手用工具:水平铲、搅拌桶、小铁桶、橡胶和塑料刮板、毛刷、滚动刷、小抹子、弹簧秤、苕帚以及灭火器等。
4、作业条件:①地下室外墙侧壁底部防水层施工时遇地下室水位较高的情况,在单组分聚胺脂防水层施工前,必须先降低地下水位和进行降水处理,至少将地下水位降至防水层底标高以下500MM,以保证防水层的正常操作,直至施工完毕。
②涂膜防水层施工前,应将砼面层形成的0.2㎜以内的温度缝进行打磨,完后在其裂缝部位涂刷一道聚合物素水泥浆,对0.2-0.3㎜之间的温度缝,应在其部位增设一道防水附加层,对局部大于0.3㎜的裂缝,可沿裂缝方向切割“V”型槽,在其表面刷一道防水油膏,最后用1:2.5水泥砂浆抹平。
对原加固模板用的防水穿墙螺杆外露部位,应将其外露部位凿去原预留的木块,漏出凹槽,割去螺杆头,完后用1:2.5水泥防水砂浆将凹槽抹平。
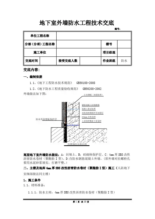
地下室外墙防水工程技术交底编号:交底内容:一、编制依据1.1、《地下工程防水技术规范》 GB50108-20081.2、《地下防水工程质量验收规范》 GB50208-2002防侧墙防水做法图高层地下室外墙防水做法:A:回填土、B:砖砌体保护层、C:4mm厚SBS改性沥青防水卷材(聚酯胎I型)、D:自防水钢筋混凝土外墙。
(原外墙对拉螺栓孔要用水泥砂浆填实,打磨平整。
)二、主楼及地库4mm厚SBS改性沥青防水卷材(聚酯胎I型)施工(人防地下室细部做法同主楼)1、施工条件1.1、材料准备:1.1.1、防水主材:4mm厚SBS改性沥青防水卷材(聚酯胎I型)1.1.2、防水辅材:基层处理剂、沥青基密封膏、附加层卷材、镀锌收口压条及固定螺钉1.2、施工机具准备:包括清理基层用工具,卷材铺贴用施工机具和辅助加热专用机具,必须配备的机具。
1.3.1、基层坚实、平整、干燥、干净;1.3.2、穿出基层的构件须安装完毕后方可进行防水施工;1.3.3、底板砼垫层应无明水,基层应干燥、干净;侧墙及顶板基层应干燥、干净。
2、施工工艺及施工细部节点处理地下全外包防水工程采用外防外贴法,根据现场施工,可先作立面,后作水平面,两面交角处交叉进行;垂直立面交角时,先作转角后作平面。
2.1、自粘卷材地下防水施工工艺2.1.1、施工工艺流程:施工准备—→基层处理—→涂刷专用基层处理剂—→细部附加层粘贴—→弹基准线—→大面自粘卷材铺贴—→卷材收头固定—→用卷材密封膏封闭—→质检2.1.2、操作要点及技术要求:2.1.2.1、基层处理:基层应坚实、干燥、平整、无灰尘、无油污,凹凸不平和裂缝处应用聚合物砂浆补平,施工前清理、清扫干净,必要时用吸尘器或高压吹尘机吹净。
2.1.2.2、涂刷基层处理剂:在铺贴卷材之前,涂刷专用基层处理剂,基层处理剂应均匀并完全覆盖所有部位,不得漏涂,尤其是细部。
用量约为0.20kg/m2。
在阴阳角等节点细部选用短柄刷将基层处理剂涂刷在已处理好的基层表面,并且要涂刷均匀,不得漏刷或露底。
地下室外墙防水施工技术交底一、工程概况***********高层住宅楼位于北环路,华北水利水电学院西侧。
本工程地下二层,地上三十层,局部三十二层,总高度102米,地下二层为变电所、水池、泵房等设备用房及库房,地下一层为车库、消防控制室。
1-30层为住宅,31-32层为设备间,总建筑面积51000m2。
工程由中建三局一公司总承建。
本工程地下室防水等级为二级,地下室外墙防水采用SBS改性沥青防水卷材。
二、材料要求:(1) 选用SBS改性沥青防水卷材,聚酯胎,卷材厚度为4mm(2) 用氯丁橡稀后涂刷在基层当基层处理剂,使用前必须搅拌均匀。
(3) 辅助材料:工业汽油,用于清洗机具,以及喷灯的燃料,XY404胶粘剂。
(4) 聚乙烯泡沫塑料,厚度为5mm三、施工机具:平铲、钢丝刷、棕笤帚、剪刀、刷子、长柄滚刷、铁抹子、喷灯、汽瓶四、基层处理:a) 表面应平整、光滑,无松动、起砂等缺陷。
b) 用1:2水泥砂浆粉20厚对外墙进行找平。
c) 基层应干燥,含水率不大于8%,测定方法是:将1m 见方的SBS卷材覆盖在基层表面上,静置2-3小时,若覆盖处的基层表面无水印,且紧贴基层一侧的卷材无凝结水痕,即为基层含水率小于8%。
五、卷材施工六、卷材施工:(1)施工流程:清理基层涂刷基层处理剂晾干粘贴附加层与底板卷材接茬墙面自上往下粘贴承台部分自下往上满铺卷材(2)涂刷基层处理剂:在已清理好的基层上用长柄滚刷将基层处理剂涂刷在基层上,要涂刷均匀,不得漏刷或露底,涂刷完毕后必须经过8小时以上达到干燥后才可进行热熔施工。
(3)细部处理:a.阴阳角应做附加层,厚度为4mm ,宽度为500mm。
b.SBS与SBC120 接茬的处理:卷材间的搭接宽度为150mm ,采用与两种卷材相容的粘胶剂进行粘接,且必须是SBS盖过SBC120。
C.卷材接头采用搭接,搭接长度不小于100mm。
(4)大面积粘贴:a.采用“滚铺法”,平、立面交叉搭接接缝留于承台平面上。
地下室外墙防水程三级安全技术交底阴角折裁图折线裁线阳角折裁图阳角附加图阳角折式图阳角组体图裁线折线阴角组体图阴角成型图阴角成型图注:两面交接阴阳角处附加层为500宽防水卷材上下各250mm4)注意事项双面自粘防水卷材防水层采用冷作业施工,材料进入工作面后不得以任何形式动用明火,如有钢筋焊接所产生的火星等,则焊接处卷材面需设临时保护措施。
卷材铺设完成后,要注意后续的保护。
卷材铺贴程序为:先节点,后大面;先低处,后高处;先高跨,后低跨;先远处,后近处。
施工区域应采取必要的、醒目的围护措施(周围提供必要的通道),4. 特殊部位的防水节点做法① 防水附加层做法:外墙与顶板、底板交接等阴阳角位置以及施工缝、后浇带等位置均设同材质的防水附加层一道,每边宽度不小于250mm 。
② 防水卷材收口处理:防水卷材收口位置采用金属压条加油膏密封。
③ 外墙后浇带位置处理:外墙后浇带迎水面砌筑240mm 宽页岩砖“U 型”挡土墙,与外墙同高,墙身中部设置240mm 宽,200mm 高的圈梁,并竖向至少每隔1000mm 设置A8拉结钢筋。
墙身外侧面抹1:3水泥砂浆找平并压光处理,挡土墙外侧防水层做法与地下室外墙防水层做法相同并连接成整体,所有阴阳角位置均做圆角或钝角处理并增设附加层一道。
④ 穿墙结构防水处理1)对拉螺杆防水处理对拉螺栓处,墙体开凿喇叭口,凹槽深度不小于20mm 。
使用聚合物防水砂浆封填,砂浆面高度不宜凸出混凝土面,在聚合物水泥砂浆面层采用聚氨酯刷Φ75mm 。
2)穿墙管道防水做法:结构浇筑前先预埋穿墙套管,防水卷材在套管位置往套管内翻150mm,穿墙管道与套管之间空隙采用石棉水泥填充密实,并在迎水面一侧管道口位置使用密封材料填充。
如下图所示:5、安全文明施工1)、正确使用安全“三宝”:进入施工现场必须戴安全帽;高空作业必须系好安全带,安全带与固定物的拉结必须加强检查。
2)、施工人员严禁酒后或疲劳作业。
3)、施工时材料应妥善放置,避免高空落物。
地下室外墙防水技术交底嘿,各位工友们!今天咱们来好好唠唠地下室外墙防水这档子事儿。
先来说说为啥这地下室外墙防水这么重要。
咱就说我之前经历过的一个事儿,有个小区的地下室,就因为防水没做好,一下雨那水就跟找到家似的往里渗。
业主们存放在地下室的东西都遭了殃,那损失可不小。
所以啊,咱们可得把这活儿干漂亮喽,不能马虎!首先,材料的选择那是相当关键。
得用那种质量过硬、经得起考验的防水材料。
千万别为了省几个钱,去选那些不靠谱的便宜货,到时候出了问题,麻烦可就大了。
在施工前,得把地下室外墙清理得干干净净,啥灰尘啊、杂物啊、凸起的疙瘩啊,统统都得弄走。
就好比你洗脸,不把脸上的脏东西洗掉,护肤品能吸收好吗?道理是一样一样的。
然后就是基层处理剂的涂刷。
这一步可不能着急,得均匀地涂,每个角落都别落下。
我见过有的工地,涂刷得那叫一个随心所欲,有的地方厚得跟抹了一层腻子似的,有的地方又薄得几乎看不到,这能行?接下来就是卷材的铺贴了。
这可是个技术活,得从低处往高处铺,就跟咱们爬山似的,一步一步往上走。
铺贴的时候,要注意卷材之间的搭接宽度,不能太宽也不能太窄,要恰到好处。
而且,一定要把卷材压实,不能让它有气泡或者褶皱,不然这水就容易从这些缝隙里钻进去。
在施工过程中,还得时刻注意天气。
要是赶上下雨,那可就得先停下来,不然雨水把材料淋湿了,影响施工质量。
我记得有一次,我们正干着活呢,突然下起了瓢泼大雨,大家手忙脚乱地把材料盖好,那场面,真是够狼狈的。
还有啊,施工完成后,可别以为就万事大吉了。
得做闭水试验,看看这防水效果到底咋样。
要是发现有渗漏的地方,赶紧返工,千万别拖着。
总之,地下室外墙防水这活儿,虽然看起来简单,但是每个环节都得精心对待。
咱们得把活儿干漂亮了,让业主们住得安心,咱们自己也能挺直腰板儿!好了,今天就跟大家说到这儿,都打起精神来,好好干活儿!。
地下室外墙防水安全技术交底地下室是在建筑物下方或者局部地处地下的建筑空间,通常用于储藏或者使用物品,但是由于地下室处于地下,容易被地下水或者雨水积聚。
因此,防水技术在地下室的建设中是至关重要的。
地下室外墙防水安全技术是指在地下室外墙的建设或者维护中采用的防水措施和安全措施,以保证地下室的防水安全性。
下面将从地下室水雨情况、外墙材料、防水施工、安全措施等几个方面详细介绍地下室外墙防水安全技术交底。
地下室水雨情况地下室的建设应根据地下水位、雨水情况等基本条件进行选址和建设,以降低建设和运营成本,提高安全性能。
地下室外墙防水安全技术应对地下室的水雨情况进行充分的研究和分析,以科学的方法采取措施,以确保地下室建设的安全性和可行性。
通过水文地质勘探确定地下水位在地下室建设过程中,需要进行土壤勘探和水文地质勘探,以确定地下水位的深度和推测地下水走向。
由于地下水深度和流向的复杂性,勘探点需有至少三个。
通过对勘探数据进行地质地貌分析、绘制地下水分布图,评估地下室顶部面积之内的地下水域,推测出地下室的最佳地点、深度和顶部高度。
通过降水调查确定雨水情况建筑物的外墙设计主要针对地下室降雨区的降雨情况,尤其是在地下室建设的城市区域,雨水管道和排水管道不通畅,降雨产生的积水极易对地下室结构造成损害。
因此,在建筑物设计过程中应尽可能在地下室周边铺设有效排水系统,以确保地下室外墙的防水安全。
外墙材料影响外墙防水安全的因素之一是外墙材料的选择。
地下室建造应选用耐水、防水、耐潮的材料,例如:•圆形钢筋混凝土外墙板•粉煤灰砖•轻质收缩混凝土•玻璃纤维增强水泥板等这些材料具有防水性、防火性、耐久性等优点。
外墙材料的选用要根据地下室的地质条件、水雨情况以及建筑用途等因素综合考虑,以确保外墙的防水安全性。
防水施工地下室外墙防水施工是地下室防水安全技术中非常重要的一环。
采用现代施工技术和材料对地下室的外墙进行防水,可以保证地下室建筑的防水安全性和使用寿命。
地下室外墙外防水施工安全技术交底交底内容1作业人员进入施工现场前必须进行三级教育,经考试合格后,方可进入施工现场;2、作业人员进入施工现场必须规范佩戴合格的安全帽,系好下颗带,锁好带扣;3、作业过程中,不得使用童工,作业人员身体不舒服时不得进入现场作业;4、作业现场严禁抽烟,作业人员喝酒后不得进入现场作业;不得穿皮鞋、塑料底鞋子进入作业现场;5、防水卷材等材料运输到现场必须轻拿轻放,不可使卷材产生损伤;防水卷材涂抹浆料时要轻柔,防止破坏防水卷材;防水卷材的现场裁割要专人负责,刀具要妥善保管,防止刀具从地下室顶部掉落伤人;6、局部作业需要动用气罐配合气枪烤烧时,需到项目安全管理部门开具动火证,配备充足的灭火器等有效的消防设施,并由专人监护;7、动火作业期间安全防护人员现场做好防护。
运输和储存氧气瓶、乙烘瓶等应直立放置,并加以固定。
搬运时不得碰撞。
使用时必须先点火后开气。
氧气瓶和乙焕瓶距离应保持在5米以上,与动火点保持在10米以上;8、作业人员通过已经搭设完备的马道进入作业部位,作业人员下到基坑底部作业时,亦需要搭设下行马道,在临边防护栏杆外作业人员必须规范佩戴挂设安全带;作业用爬梯上下两端要做好防滑包裹,有人在爬梯上作业时下部要有专人做好监护;9、作业人员于基坑下部施工作业时应注意四周安全,预防坍塌;上部作业人员向下吊运物料时,要小心谨慎,不可从上往下直接抛扔物料;10、基坑下部作业人员休息时要上到安全位置休息,不得在基坑内就地休息;11、防水作业中,临时用电必须由专业电工将电源接到作业部位,配备开关箱;不得私拉乱接,明火作业时,动火点应远离配电箱、电线等设施;12、恶劣天气时就当停止作业,不得不作业时,要做好防滑措施,要做好防风措施。
大雨天气时要做好已完成部位的成品保护措施。
13、如果需要夜间施工,由专业工长安排临时用电电工配合接线至作业现场,作业现场设立开关箱,照明灯具要充足,也要便于移动。
地下室外墙防水技术交底-(正式)背景介绍地下室作为一种多功能的空间,其可靠性和安全性在建造时需要特别关注。
防水技术是地下室建设中最为关键的一环,其是否达到标准将直接影响地下室功能的实现和持续的使用效果。
本次交底将重点介绍地下室外墙的防水技术,以确保建筑的安全性和可靠性。
防水材料的选择地下室外墙防水材料是地下室防水工作中非常重要的一部分,其选择直接影响着地下室的防水效果。
常用的防水材料包括大中小分子聚合物及其改性材料、清洁剂、防水涂料以及防水卷材等。
大中小分子聚合物及其改性材料大中小分子聚合物材料包括粘土、水泥、胶黏剂等。
这些材料具有良好的粘结性,能够很好地黏合外墙和墙面防水材料。
改性材料可以在聚合物的基础上增加一些防水剂、氧化剂、增强剂等成分,以提高其防水性能。
清洁剂楼体建成后,面积较大的外墙面积很容易被污染,防水效果将会受到影响。
此时我们需要使用清洁剂来清洁墙面,确保防水层不受污染。
建议选择温和型、有效去污、类环保的清洁剂。
防水涂料防水涂料是一种常用的地下室防水材料,它可以覆盖在外墙面上,通过填充膜中的毛细微孔来起到防水的效果。
防水涂料有纯丙橡胶、聚氨酯、聚合物防水涂料等几种类型,其中纯丙橡胶是质量比较好的一种。
防水卷材防水卷材是一种性能稳定、质地坚实、易于施工、防水性能的优良防水材料,具有压缩、撕裂、疲劳等为好的特点。
建议选择SBS改性沥青,其耐受性较强。
施工要点防水施工应该精细化、规范化,只有这样才能达到防水材料的最佳防水效果。
外墙处理地下室外墙必须进行平整处理,去除水泥渣、污渍、灰分、砂砾及落下的泥沙。
防水层施工首先用毛刷为防水层涂上底漆,再在其表层涂抹一层防水涂料,接着再涂布一层防水卷材。
需要注意的是,防水卷材的铺贴应该按照其规定进行施工,每次接口应有一定的重合量,同时要注意粘垫的平滑度。
管道安装地下室外墙的砖块施工和管道安装都应该在防水层建设之前完成,这样可以保证管道和砖块的固定和安全。
地下室外墙防水施工技术交底技术交底记录交底内容:一、材料及施工器具1、本工程地下室防水采用SBS改性沥青防水卷材(3+3mm厚),采用热熔法施工。
2、器具准备:喷灯、液化气罐、长短柄刷子、滚筒、扫帚、壁纸刀、合尺等二、施工前准备1、防水基层清扫干净,保持基层面光滑、平整无空鼓,起沙、凹凸不平等缺陷。
2、基层坚实、平整、干燥、干净。
3、底板砼垫层应无明水,基层应干燥、干净;侧墙及顶板基层应干燥、干净。
4、施工材料均易燃,需要准备消防器材三、施工工艺施工准备—→基层处理—→涂刷专用基层处理剂—→细部附加层粘贴—→弹基准线—→大面自粘卷材铺贴—→卷材收头固定—→用卷材密封膏封闭四、操作要点及要求1、基层处理按照设计要求把基层表面的尘土杂物清理干净,要求无起皮、起砂现象。
刷冷底子油一道。
2、附加层及细部处理对阴阳角、转角、墙体的水平、竖向施工缝、伸缩缝、后浇带两侧的竖缝及管道根部进行加强处理,方法是按细部形状将卷材剪好,形状合适后,再将卷材的底面铺贴在基层上,附加层必须贴实,粘贴牢固,无空鼓。
附加层的上下或左右延伸必须达到500mm(处理部位每侧不少于250mm。
检查全合格后再铺贴面层卷材。
各部位的细部做法见下图。
3、基础阴阳角处理基层阴阳角必须做成≥50mm的圆弧或45°(135°)八字角,阴阳角、立面内角、外角及施工缝处均做500mm宽的附加层4、阴阳角附加层铺贴平面阴阳角附加层卷材按上图所示外形的下料和裁剪。
附加层卷材铺贴时,不要拉紧,要自然松铺,无皱折便可。
P201胶泥151100结构止水环穿墙管道细部做法5、弹线定位6、铺贴卷材本工程地下室外墙防水采用SBS改性沥青3mm+3mm防水卷材附加层采用3mm的防水卷材。
在地下一层顶板标高为-0.8m、-1.5米、-0.4米的位置(顶板需做防水),卷材铺贴第一层由顶板以下100mm开始铺贴,第二层由顶板以下400mm开始铺贴。
由上往下第一层贴至基础筏板顶面以上1000mm的位置,第二层贴至基础筏板顶面以上700mm的位置。
地下室外墙防水技术交底广厦·静园工程分为A、B两部分。
B区有地下室,地下室外墙为防水混凝土挡土墙,外墙防水层设计为水泥基渗透结晶型防水涂料。
一、施工准备1、材料要求a、水泥基防水涂料应具有良好的耐水性、耐久性、耐腐蚀性及耐菌性;b、水泥基防水涂料应无毒、难燃、低污染;c、水泥基防水涂料应具有良好的湿干粘结性、耐磨性和抗刺穿性。
d、水泥基防水涂料的配制必须严格按涂料的技术要求进行,涂料用量不小于1.2kg/m2。
2、基层处理a、基层表面的气孔、凸凹不平、蜂窝、缝隙、起砂等,应修补处理,基层必须干净,无浮浆、无水珠、不渗水。
b、涂料施工前,基层阴阳角应作成圆弧形,阴角直径宜大于50mm,阳角直径宜大于10mm。
c、涂料施工前应先对阴阳角、预埋件、穿墙管等部位进行密封或加强处理。
3、操作人员要求a、地下室防水工程操作队伍必须有相应的资质。
b、主要的防水施工人员应持有建设行政部门或其指定单位颁发的职业资格证书。
二、操作工艺施工流程如下:基层清理→刷稀释液一道→第一道涂膜施工→第二道涂膜施工。
a、刷稀释液一道。
b、稀释液干燥4小时后才进行第一道涂膜施工,涂刷厚度必须均匀一致,不得有漏刷和鼓泡等缺陷。
c、第一道涂膜固化后方可涂刷第二道涂膜,第二道涂膜施工方法与第一道相同,但涂刷方向与第一道涂刷垂直,涂刷总厚度不小于0.8mm。
d、防水层应与基层粘结牢固,并形成连续不断的封闭防水涂膜,不允许有空鼓开裂、脱皮等现象,阴阳角等细节构造处理应严密,不得有脱层翘边等粘结不良现象。
三、质量验收标准1、验收标准A、主控项目a、水泥基防水层所用材料及配合比必须符合设计要求。
b、水泥基防水层及其转角处、变形缝、穿墙管道等细部做法均须符合设计要求。
B、一般项目a、水泥基防水层的基层应牢固,基面应洁净、平整,不得有空鼓、松动、起砂和脱皮现象;基层阴阳角处应做成圆弧形。
b、水泥基防水层的平整厚度应符合设计要求,最小厚度不得小于设计厚度的80%,即0.64mm。
地下室外墙防水技术交底地下室外墙防水技术交底1. 前言地下室外墙防水是建筑工程中一项非常重要的工作,其作用是防止地下室墙体遭受地下水的渗透和侵袭,确保地下室的结构安全和使用寿命。
本旨在详细介绍地下室外墙防水技术的各个环节和措施,以确保工程施工的质量和效果。
2. 工程概述地下室外墙防水工程的目标是在各项工作中确保地下室地面和墙体的防水完整性。
具体工作包括地下室外墙结构的材料选择、基础处理、隔离膜的选择与铺设、接头处理、保温层与隔离层的施工等。
3. 材料选择地下室外墙防水所需材料包括防水涂料、防水胶粘剂、防水卷材、分隔膜、保温层材料等。
在选择材料时,需要考虑其防水性能、耐久性、抗渗透性、易施工性等因素,并确保材料符合相关标准和规范要求。
4. 基础处理在进行地下室外墙防水工程前,需要对基础进行处理,包括清理基础表面的杂物、填补基础表面的凹凸不平以及做好基础防水层的施工准备工作。
5. 隔离膜选择与铺设隔离膜是地下室外墙防水工程中重要的一部分,用于隔离基础土壤和墙体结构之间的接触,防止地下水的渗透。
在选择隔离膜时,需要考虑其抗渗透性、耐久性和施工性能等因素,并根据具体情况进行适当的铺设与固定。
6. 接头处理地下室外墙防水工程中的接头处理非常重要,接头的处理质量直接关系到整个防水效果。
在处理接头时,应采用专用的防水胶材料或通过热熔焊接等方式进行处理,确保接头的紧密性和防水性能。
7. 保温层与隔离层施工保温层和隔离层是地下室外墙防水工程中的附加措施,旨在提升墙体的保温性能和防潮性能。
在施工过程中,需要选择合适的保温材料和隔离膜,并严格按照施工规范进行施工,确保其稳固性和防水性能。
8. 施工质量控制地下室外墙防水工程是一项极其重要的工程,施工质量的控制至关重要。
在施工过程中,应加强对施工人员的培训和监督,确保施工质量符合相关标准和规范,并进行必要的质量检测与验收。
扩展内容:1. 附件列表:- 防水施工方案- 防水材料供应合同- 防水施工监督日志- 防水施工技术交底记录- 防水施工质量检测报告2. 法律名词及注释:- 建筑工程:指建设、扩建、改建、装修建筑物、构筑物和其他工程的活动,包括土地整理、基础工程、主体工程、装饰装修工程等。
2.当做分项工程施工技术交底时,应填写“分项工程名称"栏,其它技术交底可不填写。
1.本表由施工单位填写,交底单位与接受交底单位各保存。
2.当做分项工程施工技术交底时,应填写“分项工程名称”栏,其它技术交底可不填写.
1.本表由施工单位填写,交底单位与接受交底单位各保存。
2。
当做分项工程施工技术交底时,应填写“分项工程名称”栏,其它技术交底可不填写.
2.当做分项工程施工技术交底时,应填写“分项工程名称”栏,其它技术交底可不填写。
2.当做分项工程施工技术交底时,应填写“分项工程名称”栏,其它技术交底可不填写。
本表由施工单位填写,交底单位与接受交底单位各保存。
1.
2.当做分项工程施工技术交底时,应填写“分项工程名称”栏,其它技术交底可不填写。
1.本表由施工单位填写,交底单位与接受交底单位各保存。
当做分项工程施工技术交底时,应填写“分项工程名称”栏,其它技术交底可不填写。
2.
1.本表由施工单位填写,交底单位与接受交底单位各保存。
当做分项工程施工技术交底时,应填写“分项工程名称”栏,其它技术交底可不填写。
2.
1.本表由施工单位填写,交底单位与接受交底单位各保存。
当做分项工程施工技术交底时,应填写“分项工程名称”栏,其它技术交底可不填写。
2.
1.本表由施工单位填写,交底单位与接受交底单位各保存。
2.当做分项工程施工技术交底时,应填写“分项工程名称”栏,其它技术交底可不填写。
1.本表由施工单位填写,交底单位与接受交底单位各保存。
当做分项工程施工技术交底时,应填写“分项工程名称”栏,其它技术交底可不填写2.。