皮带机选型计算
- 格式:xls
- 大小:22.00 KB
- 文档页数:12
永定庄延深()皮带机选型计算一、原始参数及工作条件 1、输送物料:原煤 2、物料容重:0.9t/m 3 3、物料粒度:0~300㎜ 4、生产能力: Q=1100t/h 。
5、安装条件:头部卸料、尾部给料。
水平总长L 1=451m 。
6、提升高度:H 1=12m7、倾角:β=0.2860二、传动滚筒上所需园周驱动力F U 及功率1、圆周驱动力 (1)承载分支运形阻力)212S S g G B RU RO U F F g Hq q q q q cfLg F +++++=式c —胶带机长度系数,c=1.25f--模拟摩擦系数,03.0=fL —输送机水平长,L=451mg--重力加速度,取s m g /8.9=Gq --每米物料的质量,mkg q G /97=Q —输送能力,Q=1100t/hv --带速,s m v /15.3=Bq --每米带的质量,初步选输送带st800,B=1200㎜、6.24=Bq ㎏/m 。
ROq --每米机长上托辊转动部分的质mkg q ro/325.20=H --提升高度,mH 121=2s F --清扫器阻力,NApu Fs 28806.010048.0532=⨯⨯==A--清扫器接触面积,A 2048.001.04.2201.02.1m =⨯+⨯⨯=3μ--清扫器与输送带间摩擦系数,6.03=up --清扫器刮板与输送带间的压力mN p/105=--1s F 托辊前倾阻力及导料槽阻力()εδμεεεs in c os 0g q q L C F G B +=取45.0=C,35.00=μ,02=ε,451=εL m)N con F 29542sin 286.08.9976.2445135.045.001=⨯⨯⨯+⨯⨯=εNb v gl I F v gl 6902122===ρμ 式smI v 337.0=,ml6=,m b 9.01=,6.02=μ,F s 3644690295411=+=()NFU 46675364428808.99712976.2429.6325.208.945103.025.11=++⨯⨯++⨯++⨯⨯⨯=2、驱动功率 (1)、传动滚筒轴功率 kWv F PU 147100015.3466751000/01=⨯==(2)、驱动电机功率 kWP P M 1731.185.01471.11.101⨯≈⨯=⨯=η=190.3kW三、胶带安系数 7.13700131200800max11=⨯=∙=F BS σ胶带强度满足要求永定庄延深()皮带机选型计算一、原始参数及工作条件 1、输送物料:原煤 2、物料容重:0.9t/m 3 3、物料粒度:0~300㎜ 4、生产能力: Q=1100t/h 。
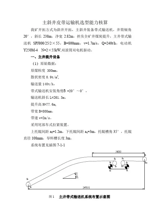
主斜井皮带运输机选型能力核算我矿开拓方式为斜井开拓,主斜井装备带式输送机,井筒倾角20°,斜长238m,净宽2.82m,担负全矿井煤炭提升,主井带式输送机SPJ800/25/2×55,B=800mm,v=1.7m/s,Q=240t/h,电动机Y250M-4 N=2×55kW,双滚筒双电机驱动。
一、主井提升设备(1)原始数据:原煤粒度 300mm,散状密度0.9t/m3,输送量140t/h,带式输送机安装角度δ=20°~0°,输送机斜长L=261.3m,提升高H=77.6m,带宽B=800mm,带速v=2m/s。
采用尾部车式拉紧装置。
上托辊间距a0=1.2m,下托辊间距a u=3m,托辊槽角35°,托辊直径108mm,导料槽长度3m。
系统布置见插图7-1-1图1 主井带式输送机系统布置示意图(2)带式输送机圆周驱动力及传动功率的计算1)主要阻力F H= CfL1g[q RO+q RU+(2q B+q G)Cosδ]+fL2g [q RO+q RU+(2q B+q G)]=4780.89N2)倾斜阻力:F st=q G gH=19.44×9.81×77.6=14798.8(N)3)主要特种阻力:F S1=Fε+F gl因为没有前倾上托辊:Fε上=0(N)物料与导料槽板间摩擦力:F gl=μ2I2VρgL/v2b12=11.9(N)F S1= Fε上+F gl =11.9 (N)4)附加特种阻力:F S2= F a+n3 F rF a——犁式卸料器附加阻力,无犁式卸料器 F a=0胶带与清扫器的摩擦阻力:n3 F r=APμ3式中:μ3=0.6 A弹=0.008 (A空=0.012)P=10×104代入式中得:F S2=1200(N)清扫器设置:1个清扫器,1个空段。
5)圆周驱动力:F u= F H+F st +F S1+F S2 =20791.6N式中:C——附加阻力系数,取1.31;f——模拟摩擦系数,取0.03;L——输送机长度,L=261.3m;q RO——每米上托辊转动部分质量,q RO=8.825kg/m;q RU——每米下托辊转动部分质量,q RU=2.927kg/m;q G——每米长输送物料的质量,q G =19.44kg/mq B——每米长输送带的质量,(PVG680S) q B=10.6kg/m;F H——主要阻力;F S1——主要特种阻力;F S2——附加特种阻力;F N ——附加阻力; F st ——倾斜阻力;δ——输送带倾角,δ=20°~0°。
一、原始参数1、带宽B=1200mm 2、带速V= 3.55m/s 3、上托辊间距a0= 1.2m 4、下托辊间距au=3m 5、走向长:L=1350m 6、提升高度H=40m 7、倾角β=6°8、上托辊槽角30°,下托辊槽角0°,托辊直径159mm ,轴承4G305。
9、皮带为st2000输送带二、各种参数计算1、运量计算:Q=3.6Svk ρ=1724.61t/h 物料的最大截面积:S=0.153m 2 (按30°槽角,20°堆积角,1200mm 带宽从《DTΤⅡ选型手册》表31中选取)倾斜系数:k=0.98(从《DTΤⅡ选型手册》表31中选取,按皮带机最大倾角6°选取)原煤的松散密度:ρ=900kg/m 32、模拟摩擦系数:f=0.033、按初定托辊参数得:上托辊单个辊转动部分质量q'RO =25kg 下托辊单个辊转动部分质量q'RU =20kg (托辊转动部分重量按下表选取)RO RO o 每米下托辊旋转部分质量q RU =q RU /a U =6.666666667kg 23.33333333皮带每米重量q B =21.6kg 134.9kg三、各段阻力计算每米下托辊旋转部分质量q t =q'RO /1.5+q'RU /3=每米原煤重量q G =Q/3.6V1200胶带输送机计算书阻力F:137589.0597NC N 附加阻力系数,按下表选取 1.06轴功率:P=FV/1000488.441162KW电机功率:P 0=KP/(0.96×0.88×0.9)770.8982987KW选用SSJ1200/4×315胶带输送机,总功率630KW满足要求。
五、输送带张力计算1、最小张力计算1)按传动条件传动滚筒均采用包胶滚筒,并使F Ⅰ=F Ⅱ=F/268794.53NS lmin ≥CFmaxC为传动系数,F max =1.2F165106.9N C=1/(e u α-1)0.667围包角α取210°F=C N Lfg[q t +(2q B +q G )cos β+gq G HS2min=S3min≥Cfmax110126.3N2)按垂度:a 对承载分支:S5min≥50/8(q G+q b)g1.5COS614303.95Nb 对回程分支:S4min≥50/8q b g3COS63947.279N 所以按垂度条件:S4min=S5min≥14303.95N14303.95N 回空段阻力计算F3=Lfg(q RU+q B cosβ)-gq B H2704.924S3min=S4min-F3=11599.03比较以上计算结果,最小张力应由传动条件确定,故取S3=110126.32、输送带张力计算:根据逐点计算法,S4=S3+F3=112831.2NS max=S1=S3+F=247715.4N六、胶带安全系数计算S1为胶带受力最大力,以此校核胶带安全系数;胶带安全系数=1200X2000/S19.688539308满足要求。
胶带机初步设计计算已知:运量Q=800t/h ,斜长L1=338m ,倾角β1=14°,斜长L2=930m ,倾角β2=0°带宽B=1000mm ,带速V=3.15m/s胶带缠绕示意图一、基本参数选输送机胶带St1250 每米带重q 0=28×1=28kg/m原上托辊直径φ133 4G305 旋转质量6.3kg/个原下托辊直径φ133 4G305 旋转质量16.09kg/个承载分支三托辊组旋转质量G t 2=3×6.3kg ,L t 2=1.5 m回承支平托辊旋转质量G tk =1×16.09kg ,L tk =3m按式(8),承载、回程托辊组转动部分旋转质量:q t= GL t2+G tK/L tK=3×6.3/1.5+16.09/3=18 kg/mt2/按式(9)q=Q/3.6v=800/(3.6×3.15)=70.55kg/m二、传动滚筒圆周力计算查表4、表5:f=0.035 C N =1.08按式(24) F=C N fLg[q t+(2q0+q)cosβ]+qgH= 1.08×0.035×9.81×{930×[18+(2×28+70.55) ×cos0.23°] +338×[18+(2×28+70.55) ×cos14°]}+70.55×(81.027-3.72)*9.81=67.5+53.5=121KN三、轴功率计算按式(25)P=FV=121×3.15=381 KW四、电机功率确定按式(26)P d=K d P/ηξξd=1.2×381/0.85=538 KW可选两台280kw电机。
五、输送带张力计算最小张力确定按双滚筒双传动,功率配比1:1(1)按传动条件:传动滚筒均采用铸胶滚筒并使FⅠ=FⅡ=F/2=124/2=62kN根据表6 μ=0.3取k a=1.2按式(28):S Lmin≥CF max则:a对于传动滚筒Ⅱ:取φⅡ=200°由表7 cⅡ=0.541S3min≥CⅡFⅡmax=0.541×(1.2×62)=40.3KNb对于传动滚筒Ⅰ:取φⅠ=200°由表7 cⅠ=0.541S2min≥CⅠFⅠmax=0.541×(1.2×62)=40.3KN亦即S3min≥S2min-FⅠ=40.3-62=-21.7KN所以按传动条件应满足S3min≥40.3 KN(2)按垂度条件:a、对承载分支按公式(29)S5min≥(100/8)(q+q0)gLtz cosβ=(100/8)(70.55+28)×9.81×1.5×cos0°=18.127 KNb、对回空分支按公式(30)S4min≥(100/8 )q0gLtk cosβ=(100/8)×28×9.81×3×cos0°=10.300KN所以按垂度条件满足S4min=S5min= 18.127KN根据式(31):回空分支区段上各项阻力和F3=F H3+F st3(F N3、F S3可忽略不计) 按式(32)(33)F H3=fLg(q t+q0)cosβ=0.035×9.81×[338×(16.09/3+28)×cos14°]=3.8 KNF St3=q0gH=70.55×9.81×81.027= 56KN所以F3=3.8+56=59.8KNS3min= S1-F=59.8-121=26KN<40.3KN比较上述计算结果:最小张力应有打滑条件定,故取S3=40.3KN六、输送带张力计算根据逐点计算法S3=40.3KNS4= S5=40.3-7.85=32.5KNS max=S1= S3+F=40.3+124=164.3 KN上变坡点力SS=164.3-56-4.6=103.7 KNF S=fLg(q t+q0)cosβ=0.035×9.81×338×(3*6.3/1.5+28)×cos14°=4.6 KNF St3=qgH=70.55×9.81×81.027= 56KN。
1.原始数据带宽B=1000mm;平均20度下运,长度220米,平巷长度160米,总长度380米。
运量Q=400t/h;带速V=1.9m/s;垂高H=75.244m。
2.计算参数2. 1选用输送带:PVC整体带芯输送带1250S,带强1325N/mm,每米长度质量q0=16kg/m;2. 2每米长度货载质量:q=Q/3.6V=58.5kg/m;2. 3上托辊组:1.2m一组,Φ108托辊:q t´=G′/a0=15.96/1.2=13.3kg/m;下托辊组:3m一组,Φ108托辊:q t"=G″/a0=14.18/3=4.73kg/m;每米托辊质量:q t= q t´+ q t"=18.03kg/m2. 4运行阻力皮带机运行的总阻力为:F a=C N fLg[q t+(2q0+q) cosβ]+qgH=1.18×0.012×160×9.8[18.03 +(2×16+58.5)×1]+1.18×0.012×220×9.8[18.03 +(2×16+58.5)×0.9396]-58.5×9.8×75.244=2409.366-39991.0533=-37581.687N2.5滚筒轴和电机的功率滚筒轴功率:P=10-3FV=10-3×37581.687×1.9=71.405KW匹配电机功率:P C=K d Pη/ξξd=1.2×71.405×0.95/0.95×0.95=90.196KW。
其中: K d 备用系数η传动装置效率ξ压降系数ξd功率不平衡系数故匹配2X75KW电机满足要求。
2.6各点张力计算2.6.1重段阻力W Z=[(q+q0+q t´)ω´×cosβ+( q+q0 )sinβ]gL=[(58.5+16+13.3)×0.025×1]×9.8×160+[(58.5+16+13.3)×0.025×0.9396-(58.5+16)×0.342]×9.8×220=-45831.464N2.6.2空段阻力W K=[( q0+q t")ω" cosβ-q0 sinβ]gL=[(16+4.73)×0.02×1]×9.8×160+[(16+4.73)×0.02×0.9396+16×0.342]×9.8×220=13288.376N2.6.3缠绕方式及张力方程图1 胶带缠绕示意图张力方程:S1=?S2=1.03S1S3=1.03S2S4=1.03S3S5=1.03S4S6=S5+W KS7=1.03S6S8=S7+W ZS9=1.03S82.6.4采用包胶滚筒,围包角θ=210º,摩擦系数µ=0.25,C=1/(eцθ-1)=0.667,传动系数K=1.3摩擦条件允许的最小点张力:S9min≥1.3CF/2=1.3×0.667×37581/2=16366.525N重段垂度条件:S8min≥5L1×(q+q0)Cosβ=525.05N2.6.5求得:S1=29628.2 NS2=30517.1 NS3=31432.56NS4=32375.539 NS5=33346.8 NS6=59923.55 NS7=61721.264 NS8=15889.8 NS9=16366.494 N2.7胶带强度验算胶带安全系数:m=B×S/S max=1000×1325/61721.264=21.467 胶带许用安全系数:[m]=m0K a C w/η0=3.5×1.3×1.5/0.7=9.75式中:胶带采用机械接头,接头效率为0.7,m >[m],故胶带强度满足要求。
一、皮带机的选型:二、皮带机的功率P 选型公式为:P=(L+50)*(WV/3400+Q/12230)+HQ/367三、L:皮带机水平投影长度(m)四、W:单位长度机器运动部分质量(Kg/m);五、V:皮带运行速度(m/s);六、Q:输送量(t/h);七、H:上运(下运)垂直长度(m);八、双机功率P=1.5P九、三机功率P=1.8P十、注:皮带宽度800mm 皮带宽度1000mm 皮带宽度1200mmW=57Kg/m;W=74Kg/m;W=90Kg/m;十一、根据上述公式带入113 队施工-490m 西翼提料斜巷巷道参数算得P﹤40KW,因此可选用型号为DSJ800/2*40,电机型号为YBS-40-4 的皮带机,该皮带机使用的是800mm 宽度的皮带,单电机运行平巷最大运程为400m,斜巷下运最大运程可达到550m,符合施工要求。
皮带机配置双电机,以便在一台电机无法运转的时候,启动另一台电机,减少影响生产时间。
二、关于斜巷倾角较大,矸石在皮带机上易滚落的问题。
1、由于斜巷倾角较大,安装皮带前应注意一下几点:(1)安装皮带机时尽量抬高皮带机头,以减少皮带机的坡度。
根据-490m 西翼提料斜巷断面高度为3.7m,机头抬高1.0m;(2)上平巷变坡点处卧1m 深的底,便于铺设的H 和纵梁能够平稳过渡至上平巷,减小因皮带面落差较大,造成洒矸或较大的矸石滚落构成安全威胁;(3)安装前,根据巷道中心线定出皮带机的中心线,清理平整安装地点,保证H 架和纵梁的平直,允许H 架和纵梁有一定的倾角,但每隔30m 处必须用钢丝绳将H 架和纵梁带紧。
在永久性的皮带巷道中可采用定点浇筑的方式固定H 架,保证H 架和纵梁的平直和牢固。
2、耙矸机皮带机尾的转载装置:(1)当耙矸机的卸料槽直接座在皮带机尾上时(情况较少),需加工一个梯形的漏斗,在漏斗的内表面铺上皮带面,所铺的皮带面长度要超过漏斗底部400mm,这样既增加了漏斗的使用寿命,也能对卸下的矸石起缓冲作用,对机尾的起保护作用,还能有效得防止机尾部位洒矸和夹矸现象。
34下运输皮带机验算一、原始条件:1、输送长度L=600米其中:L1=50m α1=0 °,L2=300m,α2=15 °,L3=240m,α2=9.25°,2、输送物料:原煤3、胶带每米重量qd=22 kg/m4、货载最大粒度横向尺寸amax=300 mm5、胶带宽度B=1000mm6、胶带运行速度 V=2.5m/s7、货载堆积角30°8、输送机小时运输能力:A=630t/h二、胶带强度计算m:式中:m-安全系数最小安全系数要求大于7。
B-胶带宽度cm B=100cmGx-胶带强度kg/cm Gx=2000 kg/cmSmax-胶带最大静张力(kg)计算胶带最大静张力Smax计算示意图如下:12347634下运输皮带机示意图9°1515°51、计算胶带运行阻力1)、重段阻力计算:4-5 段的阻力F4-5 F 4-5 = 【(q 0+q d +q g ‘) L 1 W ‘cos0°+(q 0+q z )L 1sin0°】+【(q 0+q d +q g‘)L 2W ‘cos15°+(q 0+q z )L 2sin15°】+【(q 0+q d +q g ‘) L 3W ‘cos9.25°+(q 0+q z )L 3sin9.25°】式中:q 0-每米胶带上的货载重量(kg/m )A -运输生产率(吨/小时)考虑生产潜力取 则063070/3.6 3.6 2.5A q kg m v ===× L 4-5重载长度m L 4-5=600 m q d -胶带每米自重kg/m , q d =22 kg/mq g ‘-折算每米长度上的上托辊转动部分的重量G g ‘-每组上托辊转动部分重量 G g ‘=13 kg L g ‘-上托辊间距(米), 取L g ‘=1.1 m 则1311.82/12/1.1g q kg m kg m === W ‘-槽形托辊阻力数, 查资料W ‘=0.05F 4-5=【(70+22+12)×50×0.05cos0°+(70+22)×50sin0°】+【70+22+12)×300×0.05cos15°+(70+22)×300sin15°】+【(70+22+12)×240×0.05cos9°15+(70+22)×240sin9°15】 =22730kg2)、空段阻力计算2-3段阻力F2-3 按平巷计算: F 2-3=(qd+qg")L 2-3W"式中:q g"-折算到每米长度上的下托辊转动部分的重量G g"-每组下托辊转动部分重量G g"=18.2 kg L g"-下托辊间距(米) L g"= 3 m 则:"18.26/3g q kg m == , L 2-3≈11.5 m W"-胶带在下托辊上运行阻力段, 查资料W"=0.025 所以:F 2-3 = (22+6)×11.5×0.025=8.05kg 1-12段阻力F 1-12,F 1-12 = (q d +q g ‘") L 1-12W ‘"式中:q g ‘"-1-12段折算每平长度上的下托辊转动部分重量G g‘"-每组下托辊转动部分重量G g‘"=16 kg L g‘"-此下托辊间距L g‘"=3m'"165.33/3gq kg m==W‘"-胶带在下托辊上动作阻力系数,查表得:W‘"=0.025F1-12=(22+5.33)×10×0.025=6.83 kg10-11 段阻力F10-11=[(q d+q g")L10-11W"cos15°-q d L10-11sin15°]+ [(q d+q g")L10-11W"cos9.25°-q d L10-11sin9.25°]式中:L10-11= 300 m+520m=820m则F10-11=-2786.38kg9-10段阻力:F9-10= (q d+q g‘")L9-10W‘"=(22+5.33)×15×0.25 =10.25kg6-7段阻力:F6-7=(q d+q g")L6-7W"cos15°-q d L6-7sin15°=(22+6)150×0.025cos15°-22×150sin15°=-753kg附加阻力F阻=7KN所以总运行阻力:F=22730+8.05+6.83 -2786.38+10.25-753+700=19915.75Kg=199.15 75(KN)3、功率计算传动滚筒轴功率:P=F*V=199.1575*2.5=498KN(带速取V=2.5m/s) 1、参照皮带机选型计算63页说明:选择电动机备用功率为15%-20%,电动机容量为:所需电动机功率:P1=K*P=1.20*498=597.6KW所以采用双机 2*315KW>597.6KW 满足使用要求。
皮带机选型计算输送长度L=1040m安装倾角β=5°COS β=0.996运输能力A=800t/h SIN β=0.087散集容重γ=1.34t/m 3带宽B=1000mm 1m 货载断面系数K=458倾角系数C=0.95三联辊阻力系数ω=0.04平辊阻力系数ω1=0.035二、带速计算V=A/KB2γC2.223581m/s取带速V= 2.5m/s三、皮带机参数选择选择PVC1000S 整芯胶带胶带每米重量qd=15Kg胶带每米载重量q=A/(3.6V)88.9Kg上托辊转动质量q1=G1/Lt1式中:G1上托辊重量11.3KgLt1上托辊间距下托辊转动质量q2=G2/Lt2式中:G2上托辊重量5KgLt2上托辊间距四、阻力计算1、重段阻力W7-8=上运取“+”14187.0Kg2/空段阻力W5-6=带式输送机选型一、原始参数(q+qd+q1)L7-8ωCOS β±(q+qd)L7-8SIN β(qd+q2)L5-6ω1COS β±qdL5-6SIN β下运取“-”-633.7Kg 五、各点张力计算取C= 1.06S7=5(q+qd)Lt1COS β776.2Kg 2、各点张力值计算S8=S7+W7-814963.2Kg S9=S10=CS815860.9Kg S6=S7/C 732.3Kg S5=S6-W5-61366.0Kg S4=S3=S5/C 1288.7Kg S2=S1=S3/C 1215.7Kg 六、计算电机功率取K= 1.2η=0.85KW 366.11、按悬垂度计算重段最小张力K*(S10-S1)*V/102*ηN=选型计算17Kg1.5m15Kg3m。
矿山综放工作面运输顺槽皮带机选型计算一、已知参数:输送物料:原煤物料比重ρ=1000kg/m3运量Q=2000t/h运距L=1100m 平均输送角度δ=6°提升高h=110m二、自定义参数:根据以上参数初选带宽B=1200mm,带速υ=4.0m/s,上托辊间距a O=1.5m,下托辊间距a U=3.0m,上托辊槽角λ=35°,托辊辊径=159mm。
三、验算输送能力:由《DTII型固定式带式输送机设计选用手册》表31查得该输送机最大物料截面积S=0.19m2(动堆积角为30°时)由《DTII型固定式带式输送机设计选用手册》表32查得倾斜输送机面积折减系数k=0.93最大输送量Q max=3.6Sυkρ=3.6X0.19X4.0X0.93X1000=2544.5t/h>2000t/h满足要求。
四、驱动力及功率计算初选胶带型号为PVG2000S,则胶带每米重量为q B=27kg/m。
上托辊采用槽型托辊,辊径=159mm,辊长=465mm,轴承采用4G306,托辊间距为1.5m,前倾角度ε=2°。
下托辊采用V型托辊,辊径=159mm,辊长=700mm,轴承采用4G306,托辊间距为3.0m。
查型谱表第7.1节得单个上托辊转动部分质量q R O′=10.53kg,单个下托辊转动部分质量q R U′=13.38kg。
则上托辊组每米转动部分质量q R O=n q RO′/a O=3X10.53/1.5=21.06kg/m下托辊组每米转动部分质量q R U=n q RU′/a U=2X13.38/3=8.92kg/m每米输送物料质量q G=Q/(3.6υ)=2000/(3.6X4)=138.89kg/m由《DTII型固定式带式输送机设计选用手册》表33查得附加阻力系数C=1.084由《DTII型固定式带式输送机设计选用手册》表34查得托辊模拟摩擦系数f=0.03则驱动滚筒圆周力F U=CfLg[q RO+q RU+(2q B+q G)]+ q G Hg+F S其中特种阻力F S包括以下几项:①上下托辊组的前倾阻力:Fε=Fε1+Fε2=Cεμ0L e(q B+q G)gCosδSinε+μ0L e q B gCosλCosδSinε=8841N其中查表得托辊和胶带间的摩擦系数μ0=0.35,Le表示承载段和回程段有前倾托辊长度=900m。
1、输送能力的确定根据井下开拓及盘区巷道布置, 北部工作面的来煤均通过 工作面顺槽带式输送机给入 Ⅰ段胶带大巷带式输送机。
北部工作面来煤为800t/h ,加上掘进煤500t/h , Ⅰ段胶带大巷带式输送机运量达到1300t/h 。
2、带式输送机倾角及长度胶带大巷带式输送机倾角与运输大巷巷道一致,为3‰,根据巷道布置,带式输送机总长700m 。
3、带宽和带速的确定根据输送机的输送能力,初定本带式输送机的带宽为1200mm ,带速为3.15m/s ,暂定胶带为ST1000阻燃型钢丝绳芯胶带。
4、初定设计参数输送能力Q=1300t/h ,机长L=700m ,取倾角δ=0°,上托辊间距a o =1.2m ,槽角35°,下托辊间距a u =3.0m ,上下托辊辊径133mm 。
5、由带速、带宽验算输送能力式中:k —倾斜系数,k=1;S —输送带上物料的最大横截面,S=0.1650㎡;—带速,=3.15m/s ;ρ—物料松散密度,ρ=900kg/m 3;Q =3.6×0.1650×3.15×1×900=1684t/h >1300t/h ,满足要求。
按照煤的最大粒度校核胶带宽度: 式中:d max —煤的最大粒度,mm 。
由此可以看出,可以满足Q=1300t/h 的输送能力。
6、计算圆周驱动力和传动功率驱动圆周力:F u =CF H +F S1+F S2+F St式中:C —附加阻力系数,C=1.14;ρSvk Q 6.3=v v mm d B 80020030022002max =+⨯=+≥F H —输送机的主要阻力,F H =fLg[q RO +q RU +(2q B +qG ) cos δ];q RO —承载分支托辊每米长旋转部分质量,q RO =22.14/1.2=18.45kg/m ;q RU —回程分支托辊每米长旋转部分质量,q RU =20.74/3=6.9kg/m ;q B —每米长输送带的质量,40.8kg/m ;q G —每米长输送物料的质量,q G =m kg v Q /64.11415.36.313006.3=⨯=⨯; g —重力加速度,g=9.81m/s 2;f —模拟摩擦系数,f=0.028;L —输送机水平长度,700m ;δ—输送机在运行方向的倾斜角,δ=0°;υ—输送带速度,υ=3.15m/s ;经计算,F H =42.6kN 。
西翼运输皮带机选型计算工作面下付巷选用2台皮带机,型号: DSJ80/40/2*55kw ,根据对比,按照最长、坡度最大的第一部皮带进行验算:一、原始数据最大出碴量:Q=400t/h 碴密度:r=900kg/m 3运输长度:L=851m 平均坡度:δ=1°带 速:V=2m/s 碴最大块度:Amax=300mm倾角系数:k=1二、选型计算:1、计算胶带宽度:物料在输送带上最大截面积A 为:A=k v r Q ⨯⨯⨯6.3=400/6480=0.062m 2 根据查表中堆积角θ=25°、槽角α=35°时,带宽为800mm 的输送带上允许物料堆断积面积为0.0754m 2此值大于计算所需的堆积断面积,则选用带宽为800mm 的胶带满足使用需要。
2、带宽校核:B ≥2Amax+200=2×300+200=800mm ≤800mm 满足要求3、求圆周驱动力FF=F H +F N +F S1+F S2+F St式中:F H ——主要阻力F N ——附加阻力F S1——特种主要阻力F S2——特种附加阻力F St——倾斜阻力对于机长大于80m的输送机附加阻力F N明显小于主要阻力,可用简便的方式进行计算,因此引入系数C做简化计算F=F H+F N+F S1+F S2+F St=CF H+F S1+F S2+ F St式中:C——与输送机长度有关的附加阻力系数(查表取1.12)(1)主要阻力:F H =ƒLg[(2q B+q G)cosβ+q RO+q RU]=0.03×851×9.8[(43+56)×cos1°+5.16+2.4]=26657N式中:ƒ——摩擦系数(查表得0.03)L——输送机长度851mg——重力加速度,取9.8m/s2m RO——承载分支中一组托辊旋转部分质量,Kgm RU——回程分支中一组托辊旋转部分质量,KgL RO——承载分支(上)托辊间距L RU——回程分支(下)托辊间距查表得:m RO=7.74 m RU=7.15 取L RO=1.5m L RU=3m则q RO=m RO/L RO=5.16Kg/m q RU=m RU/L RU=2.4Kg/mq RO——承载分支托辊组每米长度旋转质量,Kg/mq RU——回程分支托辊组每米长度旋转质量,Kg/mq B——每米长度输送带质量,查表取21.5kg/mq G ——每米长度输送物料质量,q G =vQ 6.3=400/3.6×2=56kg/m (2)特种主要阻力:F S1=F Sa +F Sb =0+851=851N式中:F Sa ——托辊前倾摩擦阻力,未安装前倾托辊,故F Sa =0F Sb ——导料板摩擦阻力F Sb =21222b v rglIv u =222495.0268.990015.07.0⨯⨯⨯⨯⨯=98.0834=851N 式中:u 2——物料与导料板摩擦系数,查表取0.7b 1——导料板之间宽度,查表取0.495Iv ——输送能力,Iv=Svk=0.0754×2×1=0.15S ——输送带上物料最大截面积,查表取0.0754l ——导料板长度,按2处给煤点,每处3米,共6米(3)附加特种阻力:F S2=F Sc +F Sd =4032+0=4032N式中:F Sc ——清扫器摩擦阻力F Sd ——犁式卸料器摩擦阻力,无犁式卸料器,故F Sd =0清扫器阻力:F Sc =n 3A рu 3=4×0.012×8×104×0.7=2688N 式中:n 3——清扫器数量,取4(机头、机尾和中间部分)A ——清扫器与皮带接触面积,查表取0.012р——清扫器与皮带之间的压力,查表取8×104N/m 2u 3——清扫器与皮带之间的摩擦系数,查表取0.7(4)倾斜阻力:F St =q G Hg=q G ×sin1×L ×g=56×0.017×851×9.8=7940N(5)圆周驱动力:F=CF H +F S1+F S2+F St =1.12×26657+851+2688+7940=41335N(6)电机功率: N=m Fv η1000=85.010********⨯⨯=97kW 式中:η——传动效率,取0.85计算结果:电机功率2×55kW 便能满足要求。
皮带机电机功率的简便校验及实例分析一、皮带机电机功率校验所涉及的主要计算公式:1、电机功率计算公式:电机功率=(0.85*0.9*圆周驱动力*带速)/10002、圆周驱动力计算公式:公式一:圆周驱动力=2*主要阻力+附加阻力+特种主要阻力+特种附加阻力+倾斜阻力(该公式适用于输送机小于80m的条件下)公式二:圆周驱动力=系数*主要阻力+附加阻力+特种主要阻力+特种附加阻力+倾斜阻力(该公式适用于输送机大于或等于80m的条件下,系数取值参考表一)3、主要阻力计算公式:主要阻力= 0.03*输送机长度(即头尾滚筒中心距)*9.81*[上托辊质量/上托辊间距+下托辊质量/下托辊间距+2*每米长度输送带质量+皮带小时输送料量/(3.6*带速)]。
其中:上、下托辊质量数值的选取,可参考表二。
每米长度输送带质量的选取,可参考表三。
表二:上、下托辊质量选取参考表表三:每米长度输送带质量选取参考表注:(1)、该表为上、下胶面厚度分别小于6mm、1.5mm条件下的质量取值,当上、下胶面厚度大于或等于6mm、1.5mm时,每米长度输送带质量需要乘以1.13系数。
(2)对于棉帆布带和尼龙芯带的每米长度输送带质量,为了简便,按上、下胶面厚度分别为4.5mm、1.5mm考虑,选取相应数值。
3、附加阻力计算公式:附加阻力=1.15*(皮带小时输送料量*带速)4、主要特种阻力计算公式:主要特种阻力=0.4*槽型系数*输送机长度*[每米长度输送带质量+皮带小时输送料量/(3.6*带速)]*9.81*0.026其中:槽型系数的选取,30°槽角时取0.4;35°槽角时取0.43;40°槽角时为0.5。
5、附加特种阻力计算公式:附加特种阻力=1470*清扫器个数+带宽(米)*15006、倾斜阻力计算公式:倾斜阻力=9.81*物料提升高度(米)*皮带小时输送料量/(3.6*带速)二、具体校验实例:以某干选皮带的电机功率校验为例。
⽪带机选型原始数据:平均倾⾓δ=20°,上运倾斜长度L=400m,,提升⾼度H=137.87m,原始块度0~300mm,堆积密度ρ=1700kg/m3,净堆积⾓α=45°,输送能⼒Q=60T/h.(⼀)主要参数选取1.选择设计参数由表5-2-6选取:带宽B=800mm,带速v=0.8m/s,输送机如下图所⽰,上托辊间距α0=1200mm,下托辊间距αU=3000mm,托辊槽⾓λ=35°,托辊辊径89mm2.核算输送能⼒由式(5-2-1)得Q=3.6vkρ由α=40°查表5-2-2、表5-2-3得θ=25°,S=0.0897m2. 根据δ=20°,查表5-2-4得κ=0.81.则Q=3.6*0.0897*0.8*0.81*1700=355.73>60t/h故满⾜要求。
3.根据矸⽯粒度核算输送带带宽由表5-2-5可知B=800mm,带宽可满⾜粒度要求。
(⼆)计算圆周驱动⼒和传动功率1.圆周驱动⼒F UF U=CF H+F S1+F S2-F St=CfLG[q RO+q QU+(2q B+q G)cosδ]+ F S1+F S2-q G Hg(1)主要阻⼒计算:由表5-2-8查取f=0.022;由表5-2-10查得G1=7.74kg,G2=7.15kg.则q RO=7.74/1.2=6.45kg/mq RU=7.15/3=2.38kg/m由式(5-2-5)得载每⽶质量:q G=Q/3.6v=60/3.6*2=20.83kg/m查表(5-2-15)得钢丝绳芯输送带每⽶质量q B=75kg/m.由式(5-2-4)计算主要阻⼒为F H=fLg[q RO+q RU+(2q B+q G)cosδ]=0.022*400*9.81*[6.45+2.38+(2*75+20.83)*cos20°] =14606.04N(2)倾斜阻⼒计算:F St=g(q B+q G)H=9.81(75+20.83)*137.87=129610.53N(3)主要特种阻⼒F S1、附加特种阻⼒F S2此处不考虑。
皮带机选型计算书设计:审核:科长:机电副总:总工程师:目录第一章概述 (2)第二章煤4六采皮带机选型计算 (2)第三章煤4六采下山皮带机选型计算 (5)第四章煤4六采上山皮带机选型计算 (11)第五章结论 (14)第一章概述我矿煤4六采皮带系统担负着煤4六采系统的原煤运输任务,原煤从工作面运出,经顺槽皮带运到下山(上山)皮带,再运到煤4六采暗斜井皮带,再运到煤4六采煤仓,经四采皮带带运输到副巷皮带运输系统。
第二章煤4六采皮带机选型计算一、概况:煤4六采暗斜井皮带斜长471m,水平投影长度455m,提升高度112.5m,设计运量800T/h,上运平均倾角13.9°,采用机头卸载,堆积密度0.9t/m3。
二、参数选择计算:1、皮带机采用机头集中驱动方式,带宽1m,原煤堆积角θ=30º。
2、计算带速:V=Q/3600S×K×ρ=800/3600×0.124×0.91×0.9=2.19m/s初定带速为2.5m/s式中:Q-胶带运输能力t/hS-输送带上物料的截面积,取0.124m2K-输送机的倾角系数,按最大倾角13.9°ρ-物料的堆积密度,取0.9t/m33、初步选择皮带机:机架采用DTⅡ系列,上托辊采用DTⅡ04C0133型槽型托辊,托辊间距1.2m,下托辊采用DTⅡ04C2533V型托辊,托辊间距3m,按原煤堆积角θ=30º,胶带选取ST1600钢丝绳芯胶带。
4、计算其它参数:上托辊转动部分质量q t′=3*6.3/1.2=15.75kg/m下托辊转动部分质量q t″=2*9.1/3=6.07kg/m胶带每米载重q=Q/(3.6V)=88.9kg/m胶带每米重量26.1kg/m5、皮带机布置形式:三、阻力计算:选择W′=0.035,W″=0.025重段阻力:W5-6=g(q+q d+q t′)L5-6W′+g(q d+q)H=9.81×(88.9+26.1+15.75)×455×0.035。
皮带选型计算已知条件:原煤p =20,y =0.85th,Xmx=0.3m,输送量Q=300th,长度L=800m,倾角B =4。
一、初步选用带速v=2 m二、带宽初步选带宽B=800mm,Cst=0.97,K=363 B=√Q/(Kγv Cst) =√300/(363*0.85*2*0.88) =0.74m B≥2 Xmax+0.2=0.8m 因此选用B=800mm因此选用B-800mm三、预选用PVG800S皮带Sn=8.6*105 N q0=11.2kg/m四、托辊选用中φ108qt=Gtz/ltz+Gtk/ltk=10.6/1.2+8.78/3=11.8 kg五、计算传动滚筒圆周力q=Q/3.6/v=300/3.6/2=41.7 kg F=CNfLg[qt+(2 q0+ q)cosβ]+g qH轴功率:P=Fv/1000=25955*2/1000=51.9kw六、电机功率Pd=kdP/(εδδd)=1.15*51.9/(0.88*0.9*0.95)=79.3kw 选择双电机驱动,单机功率40kw七、最小张力确定F1=F2=F/2=25955/2=12977.5N最小张力应满足SLmin=CFmaxFmax=K,F1=1.4*12977.5=18168 .5NSLmin=CFmax=0.541* 181685=98292N按不打滑条件应满足SLmin二9829 2N(1)对承载分支Szmin > 50*(q+ qo)gLu cosp /8=50*(41.7+11.2)*9.8*1.2* cos4/8=3880.2N(②)对回空分支Skmn > 509ogLk cosp /8-50* 11.2*9.8* 3* cos4/8=2053 9N 按垂度应满足Szmn> 3880.2N八、输送带张力令S1-9829.2NS2= S1=9829 2NS3=1.04*S2=1.04 *9829.2=102223NS4=S3=10222.3NS5=1.04S4=1.04* 10222.3=10631.2NFas=Lg(Gvlu+qocosp)-0.03*460*9.*(3+11.2*cos4)=1917. 4NFsus= gqoHs=9.8*112*(460* sin4)-3534.3NS6=S5+ FHs- Fs-10631.2+191743534.3=9014.3NS7=1.04*S6=1.04*9014.3=93749N> 38802N满足承载垂度最小张力要求S10=S1+F=98292+25955-35784.2N=Smax九、输送带强度计算[m]=mo*k*CwE 0=3.5*14*1.5/0.7=10.5M=S Smx=800* 1080/35784.2-24.2>10.5因此PVG1000S满足要求选用SSJ8002*40型皮带输送机。