接近开关如何与PLC的DI如何连接-
- 格式:doc
- 大小:13.50 KB
- 文档页数:2
PLC与接近、光电开关的接线问题PLC与接近、光电开关的接线问题一:引言PLC的数字量输入接口并不复杂,我们都知道PLC为了提高抗干扰能力,输入接口都采用光电耦合器来隔离输入信号与内部处理电路的传输。
因此,输入端的信号只是驱动光电耦合器的内部LED导通,被光电耦合器的光电管接收,即可使外部输入信号可靠传输。
目前PLC数字量输入端口一般分单端共点与双端输入,各厂商的单端共点的接口有光电耦合器正极共点与负极共点之分,日系PLC通常采用正极共点,欧系PLC习惯采用负极共点;日系PLC供应欧洲市场也按欧洲习惯采用负极共点;为了能灵活使用又发展了单端共点可选型,根据需要单端共点可以接负极也可以接正极。
于这些区别,用户在选配外部传感器时接法上需要一定的区分与了解才能正确使用传感器与PLC为后期的编程工作和系统稳定奠定基础。
二:输入电路的形式 1、输入类型的分类PLC的数字量输入端子,按电源分直流与交流,按输入接口分类单端共点输入与双端输入,单端共点接电源正极为SINK,单端共点接电源负极为SRCE。
2、术语的解释 SINK漏型 SOURCE源型SINK漏型为电流从输入端流出,那么输入端与电源负极相连即可,说明接口内部的光电耦合器为单端共点为电源正极,可接NPN型传感器。
SOURCE源型为电流从输入端流进,那么输入端与电源正极相连即可,说明接口内部的光电耦合器为单端共点为电源负极,可接PNP型传感器。
国内对这两种方式的说法有各种表达: 1)、根据TI 的定义,sink Current 为拉电流,source Current为灌电流, 2)、按接口的单端共点的极性,共正极与共负极。
这样的表述比较容易分清楚。
3)、SINK为NPN接法,SOURCE 为PNP接法。
4)、SINK为负逻辑接法,SOURCE为正逻辑接法。
5)、SINK为传感器的低电平有效,SOURCE为传感器的高电平有效。
这种表述的笔者接触的最多,也是最容易引起混淆的说法。
接近开关的接线方法接近开关是一种用于检测物体靠近或远离的传感器,广泛应用于工业自动化领域。
正确的接线方法对于接近开关的正常工作至关重要。
本文将介绍接近开关的接线方法,帮助您正确地安装和使用接近开关。
首先,接近开关通常有三个接线端子,分别是电源端子(通常标有“+”和“-”)、输出端子和地线端子。
接近开关的电源端子用于连接电源,输出端子用于连接控制器或执行器,地线端子用于接地。
接近开关的接线方法一般分为两种,分别是PNP型和NPN型。
PNP型接近开关的接线方法如下,首先将电源的正极连接到接近开关的“+”端子,负极连接到接近开关的“-”端子,然后将输出端子连接到控制器或执行器。
最后,将地线端子接地。
这样就完成了PNP型接近开关的接线。
NPN型接近开关的接线方法如下,首先将电源的负极连接到接近开关的“-”端子,正极连接到接近开关的“+”端子,然后将输出端子连接到控制器或执行器。
最后,将地线端子接地。
这样就完成了NPN型接近开关的接线。
在接线过程中,需要注意以下几点,首先,接近开关的电源电压必须与控制器或执行器的工作电压匹配,否则会导致设备无法正常工作或损坏。
其次,接近开关的输出端子需要根据具体的控制需求连接到相应的设备上,确保信号传输的准确性和稳定性。
最后,接近开关的地线端子必须接地,以确保设备的安全运行。
总之,接近开关的接线方法是安装和使用接近开关的重要环节,正确的接线方法可以保证设备的正常工作,提高生产效率,降低故障率。
希望本文介绍的接近开关的接线方法对您有所帮助,谢谢阅读!。
接近开关与PLC连接方法一、接近开关的连接方法接近开关分为两线制、三线制、四线制三种,其中两线制的连线方式最为简单,和普通按钮开关的接线方式一样,如果是三线制的传感器,那就要区分NPN和PNP,四线制的传感器就是多出一根OUT 输出线,可以同时输出两组信号。
NPN型和PNP型接线开关会有三根出线,分别为棕色VCC、蓝色0V,黑色OUT信号线,连线规则是棕正蓝负黑信号,下图是各个不同类型的传感器的接线说明以及内部结构原理,PLC输入端的漏型和源型决定了选用传感器的类型。
二、NPN、PNP区分外观辨别法接近开关出厂都会标明传感器的类型,在铭牌处还会标注NO或者NC,在购买的时候要认清楚标识,并且选择适合自己输入的类型;电源检测法电源检测法是第一种方法行不通的时候进行检测,准备万用表、开关电源,把三线制接近开关按照棕正蓝负的原则进行接线,空出黑线,连接以后会出现两种状态:①未触碰被测物检测灯亮为常闭②未触碰被检测物检测灯不亮为常开。
当没有触碰检测物,使用万用表直流电压档测量黑线与电源0V,测量值为0,检测物体以后电压值为24V,那么就是PNP;反之就是NPN。
三、PLC漏型和源型PLC品牌众多,但是无论哪一个品牌输入端都会有漏型输入方式和源型输入方式之分,下面就以三菱FX3U系列PLC为例介绍一下。
漏型输入是指电流经过外部开关,从模块的通道流入到模块内部;再经过内部电路,从公共端流出的接线方式。
在漏型输入中,公共端作为电源负极(共阴极),接线方式公共端S/S与24V连接,输入开关接入0V与X输入点;源型输入是指电流从模块的公共端流入,从模块的输入通道流出的接线方式。
源型输入的公共端作为电源正极(共阳极),接线方式公共端S/S与0V连接,输入开关接入24V和X输入点。
四、接线开关与PLC的连接方式无论是NPN型还是PNP型接入PLC的方式都相同,都为棕正蓝负黑信号,但是在选型的时候要注意PLC的输入类型,根据输入类型来选择传感器类型。
接近开关与PLC连接请各位高手指教: 10~30VDC接近开关与PLC连接时,如何判断用PNP还是NPN???谢谢!!!首先找到接近开关的电源端和输出端。
如果是两线制,则应该有+VDC端、输出端)或者“-”端!对于源型输入的PLC例如莫迪康、西门子等(看看你是采用何种PLC)你可以将PLC自带的+24V 传感器电源联接于+VDC端!接近开关的输出端就可以联接于PLC的输入端!对于源型输入的PLC,一旦接近开关动作,PLC输入端就会得到略小于PLC传感器电源的直流电压,从而使PLC开关量输入有效!对于三菱等PLC,由于它接收漏输入,故接近开关电源端应联接于输入端(例如X10),而输出(或者是“-”端应联接与电源地端,一旦接近开关动作,接近开关输出变低(或者接近地电位),就使得PLC 输入有效!三线式的接近开关必须联接传感器的正电源和地端!传感器电源必须与接近开关的电源属同一电源或者应该有电流形成回路才能工作!三菱则不必区别,因为它的开关量输入已经自带电源了!需要注意:有些接近开关虽然为两线式,但有三根线,其中有一根是屏蔽线,应区别开来!总结:对于PLC的开关量输入回路。
我个人感觉日本三菱的要好得多,甚至比西门子等赫赫大名的PLC都要实用和可靠!其主要原因是三菱等日本PLC从欧美那儿学来技术并优化设计,做到:1、采用漏输入,输入端本来就设计为对地短路就引发开入有效!不会对电源系统构成危害,也不会由于电源故障影响其他输入回路的正常工作!2、采用源输入,是共电源输入端。
在工程实际应用中往往有太多的电缆,你可能无法保证电缆的相互接触、破损,说不定共电源的开关量线路会无意接触到设备地、外壳、其他地电位。
因此可能断路电源供应回路。
造成电源损坏或者烧掉保险,从而可能影响其他输入回路的正常工作。
除非,每个输入回路加保险……应用成本较高也容易出现其他故障!以上绌作仅自身体会,算是抛砖引玉!欢迎交流。
接近开关与plc连接这接近开关与PLC接线很简单,接近开关是三线的:棕色线接PLC输入端DC24+,兰色线接PLC输入端的COM,黑色线接你需要控制的输入端上;接近开关是二线的:兰色线接PLC输入端的COM,黑色线接你需要控制的输入端上就可以了.1、二线接法是直接串联在电路中,就和普通开关一样(即一个触点),只是这个触点分正负而已。
2、三线中分别是棕、蓝和黑三色,听人家说棕是+、蓝是-、黑是信号线,这个我这样理解不知道对不对:(1)黑线和蓝线(-)之间是开关量输出(即是一个常开或常闭触点)直接串联到回路中。
(2)棕色和蓝线之间是外加电源,驱动这个开关工作请问高手,我上述对接近开关的理解是否正确,请指教。
棕色接 + 24伏 ,蓝色接 0伏 ,黑线是输出信号线.三线的接近开关有PNP ,NPN 之分. PNP输出高电平(正电压) .NPN输出低电平(0伏)PNP的黑线(正电压)对蓝色接(0伏)为输出信号,带负载.NPN的黑线(0伏)对棕色(+24伏)为输出信号,带负载.按极性分,三极管有PNP和NPN两种,而二极管有P型和N型之分。
多数国产管用xxx表示,其中每一位都有特定含义:如3 A X 31,第一位3代表三极管,2代表二极管。
第二位代表材料和极性。
A 代表PNP型锗材料;B代表NPN型锗材料;C为PNP型硅材料;D 为NPN型硅材料。
第三位表示用途,其中X代表低频小功率管;D代表低频大功率管;G代表高频小功率管;A代表高频大功率管。
最后面的数字是产品的序号,序号不同,各种指标略有差异。
注意,二极管同三极管第二位意义基本相同,而第三位则含义不同。
对于二极管来说,第三位的P代表检波管;W代表稳压管;Z代表整流管。
上面举的例子,具体来说就是PNP型锗材料低频小功率管。
对于进口的三极管来说,就各有不同,要在实际使用过程中注意积累资料。
常用的进口管有韩国的90xx、80xx系列,欧洲的2Sx系列,在该系列中,第三位含义同国产管的第三位基本相同。
接近开关与PLC的接线方法摘要:本文主要分析了数字量输入时PLC内部电路常见的几种形式,SINK- 拉电流输入,SOURCE- 灌电流输入,并结合传感器常见几种输出形式和经常遇到的NPN和PNP输出,以及单端与双端接口,给出了和不同的PLC电路形式连接时的接线方法。
关键词: PLC SINK- 拉电流输入 NPN输出 SOURCE- 灌电流输入 PNP输出单端双端接口一:引言PLC的数字量输入接口并不复杂,我们都知道PLC为了提高抗干扰能力,输入接口都采用光电耦合器来隔离输入信号与内部处理电路的传输。
因此,输入端的信号只是驱动光电耦合器的内部LED导通,被光电耦合器的光电管接收,即可使外部输入信号可靠传输。
目前PLC数字量输入端口一般分单端共点与双端输入,各厂商的单端共点(Com)的接口有光电耦合器正极共点与负极共点之分,日系PLC通常采用正极共点,欧系PLC习惯采用负极共点;日系PLC供应欧洲市场也按欧洲习惯采用负极共点;为了能灵活使用又发展了单端共点(S/S)可选型,根据需要单端共点可以接负极也可以接正极。
由于这些区别,用户在选配外部传感器时接法上需要一定的区分与了解才能正确使用传感器与PLC为后期的编程工作和系统稳定奠定基础。
二:输入电路的形式1、输入类型的分类PLC的数字量输入端子,按电源分直流与交流,按输入接口分类由单端共点输入与双端输入,单端共点接电源正极为SINK(sink Current 拉电流),单端共点接电源负极为SRCE(source Current 灌电流)。
2、术语的解释SINK漏型SOURCE源型全球独家推出 全覆盖型省配线解决方案SINK漏型为电流从输入端流出,那么输入端与电源负极相连即可,说明接口内部的光电耦合器为单端共点为电源正极,可接NPN型传感器。
SOURCE源型为电流从输入端流进,那么输入端与电源正极相连即可,说明接口内部的光电耦合器为单端共点为电源负极,可接PNP型传感器。
接近开关与PLC连接方法接近开关(Proximity Switch)是一种常见的电子开关装置,用于检测物体的存在或离开。
它通常由一个传感器部分和一个电子控制模块组成。
PLC(Programmable Logic Controller)是一种可编程逻辑控制器,用于自动化控制系统中的逻辑运算和输入/输出接口。
接近开关和PLC可以相互连接,共同工作以实现自动化控制。
接近开关的工作原理是通过接近物体时被感应出的电磁感应或红外线感应来控制开关的状态。
它有不同的类型,包括磁性接近开关、电感式接近开关、光电接近开关等。
而PLC是基于电脑技术的控制设备,通过根据预先设定的程序来对输入和输出进行逻辑运算,从而控制生产线或机械设备的运行。
要将接近开关与PLC连接起来,可以按照以下步骤进行操作:第一步:选择合适的接近开关根据实际需要选择合适的接近开关类型。
不同的接近开关适用于不同的环境和物体探测需求。
例如,磁性接近开关适用于金属物体的探测,光电接近开关适用于非金属物体的探测。
第二步:安装接近开关将接近开关固定在需要被探测物体的位置上。
根据接近开关的类型和规格,进行正确的安装和固定。
确保接近开关与被探测物体之间的距离和角度都符合要求。
第三步:接线连接将接近开关的输出端与PLC的输入端连接。
通常,接近开关的输出信号是通过开关状态的改变来表示的,可以是一个开关量信号(0或1)、模拟信号(电压或电流变化)等。
根据接近开关和PLC的信号类型匹配,选择适当的连接方式,如使用导线、继电器等。
第四步:PLC编程在PLC中编写相应的逻辑程序,根据接近开关的输出信号来控制其他设备或执行特定的操作。
通过PLC的编程软件,可以设置接近开关的输入为逻辑元件,并定义相应的控制逻辑。
例如,当接近开关探测到物体时,PLC通过输出信号来控制机械臂移动等操作。
第五步:测试与调试连接完成后,进行测试与调试。
确保接近开关和PLC的连接正确可靠,检查系统的响应是否符合预期。
摘要:本文主要分析了数字量输入时PLC内部电路常见的几种形式,SINK- 拉电流输入,SOURCE- 灌电流输入,并结合传感器常见几种输出形式和经常遇到的NPN和PNP输出,以及单端与双端接口,给出了和不同的PLC电路形式连接时的接线方法。
关键词: PLC SINK- 拉电流输入 NPN输出 SOURCE- 灌电流输入 PNP输出单端双端接口一:引言PLC的数字量输入接口并不复杂,我们都知道PLC为了提高抗干扰能力,输入接口都采用光电耦合器来隔离输入信号与内部处理电路的传输。
因此,输入端的信号只是驱动光电耦合器的内部LED导通,被光电耦合器的光电管接收,即可使外部输入信号可靠传输。
目前PLC数字量输入端口一般分单端共点与双端输入,各厂商的单端共点(Com)的接口有光电耦合器正极共点与负极共点之分,日系PLC通常采用正极共点,欧系PLC习惯采用负极共点;日系PLC供应欧洲市场也按欧洲习惯采用负极共点;为了能灵活使用又发展了单端共点(S/S)可选型,根据需要单端共点可以接负极也可以接正极。
由于这些区别,用户在选配外部传感器时接法上需要一定的区分与了解才能正确使用传感器与PLC为后期的编程工作和系统稳定奠定基础。
二:输入电路的形式1、输入类型的分类PLC的数字量输入端子,按电源分直流与交流,按输入接口分类由单端共点输入与双端输入,单端共点接电源正极为SINK(sink Current 拉电流),单端共点接电源负极为SRCE(source Current 灌电流)。
2、术语的解释SINK漏型SOURCE源型SINK漏型为电流从输入端流出,那么输入端与电源负极相连即可,说明接口内部的光电耦合器为单端共点为电源正极,可接NPN型传感器。
SOURCE源型为电流从输入端流进,那么输入端与电源正极相连即可,说明接口内部的光电耦合器为单端共点为电源负极,可接PNP型传感器。
国内对这两种方式的说法有各种表达:1)、根据TI的定义,sink Current 为拉电流,source Current为灌电流,2)、由按接口的单端共点的极性,共正极与共负极。
1.二线制接近开关有两根线,一根为电源24V+,另一根为开关信号输出。
2.NPN的三线式接近开关是输出低电平。
棕色接正,蓝色接负,黑色接入输入端就可以了。
3.PNP的三线式接近开关是输出高电平。
棕色线连正极,蓝色连负极,黑色线一端连PLC输入。
三线式接近开关:bk (black )黑色:般为输出线,输出为常开。
bn (brown)棕色:般为电源线,接电源正极。
bu(blue )监色:一般为电源线,接电源负极。
wh(white )白色:一般为输出线,输出为常闭。
npn:黑色一端接负载,负载另外一端接电源正极。
pnp:黑色一端接负载,负载另外一端接电源负极。
接近开关有两线制和三线制之区别,三线制接近开关又分为NPN型和PNP型,它们的接线是不同的。
两线制接近开关的接线比较简单,接近开关与负载串联后接到电源即可。
三线制接近开关的接线:红(棕)线接电源正端;蓝线接电源0V端;黄(黑)线为信号,应接负载。
而负载的另一端是这样接的:对于NPN型接近开关,应接到电源正端;对于PNP型接近开关,则应接到电源0V端。
接近开关的负载可以是信号灯、继电器线圈或可编程控制器PLC的数字量输入模块。
需要特别注意接到PLC数字输入模块的三线制接近开关的型式选择。
PLC数字量输入模块一般可分为两类:一类的公共输入端为电源0V,电流从输入模块流出(日本模式),此时,一定要选用NPN型接近开关;另一类的公共输入端为电源正端,电流流入输入模块,即阱式输入(欧洲模式),此时,一定要选用PNP型接近开关。
千万不要选错了。
两线制接近开关受工作条件的限制,导通时开关本身产生一定压降,截止时又有一定的剩余电流流过,选用时应予考虑。
三线制接近开关虽多了一根线,但不受剩余电流之类不利因素的困扰,工作更为可靠。
两线制与三线制接近开关,跟PLC,继电器,指示灯如何接线接近开关分为两线制和三线制,其中三线制用的最多。
接近开关的接线方法,只跟NPN还是PNP有关,而与感性还是容性无关。
两线制接近开关类似按钮开关,只是触点的导通,所以不分NPN和PNP。
三线制接近开关有三根线,分别是棕色,蓝色,黑色。
不光接近开关,光电开关,光纤开关等传感器都采用这三种颜色,已经成为世界通用标准。
其中棕色接24V,蓝色接0V,黑色就是信号输出。
而两线制接近开关是没有黑色那根线的。
我们先看三线制接近开关的普通接法。
如上图所示,左侧是PNP接法,右侧是NPN接法,接近开关接到继电器的线圈上。
接到指示灯,或24V线圈的接触器,也采用此种接法。
PNP是高电平有效,所以,当接近开关有输出的时候,输出的是高电平信号,也就是24V,因此,PNP接法就是在输出也就是黑色和蓝色之间接负载。
两线制接近开关的PNP接法如下接法是一样的,棕色接24V,蓝色接0V。
注意,两线制开关相当于按钮开关,所以一定要接负载,防止短路。
接近开关接到PLC,就需要改变PLC的接线方法,来实现NPN还是PNP如上图所示,左侧是PNP接法,右侧是NPN接法。
黑色的是信号线,所以接到PLC的输入上。
而PNP的接法是高电平有效,所以PLC的输入公共端要和0V短接,这样,24V通过接近开关接入到PLC 的输入上,就实现了高电平的输入。
两线制接近开关接入PLC如上图所示,左侧是PNP接法,右侧是NPN接法。
由于两线制接近开关相当于是按钮开关,所以接法一致,需要注意的是,两线制接近开关的接线是分正负的,也就是棕色接24V,蓝色接0V.。
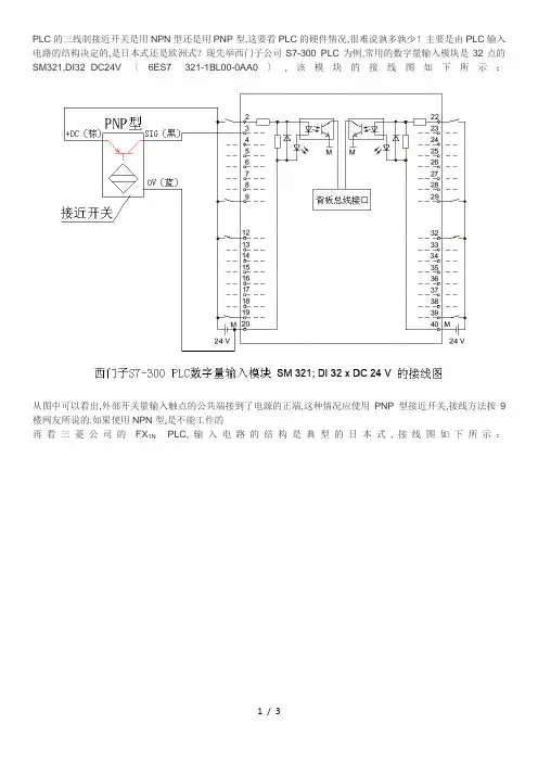
PLC的三线制接近开关是用NPN型还是用PNP型,这要看PLC的硬件情况,很难说孰多孰少!主要是由PLC输入电路的结构决定的,是日本式还是欧洲式?现先举西门子公司S7-300 PLC为例,常用的数字量输入模块是32点的SM321,DI32×DC24V〔6ES7 321-1BL00-0AA0〕,该模块的接线图如下所示:从图中可以看出,外部开关量输入触点的公共端接到了电源的正端,这种情况应使用PNP型接近开关,接线方法按9楼网友所说的.如果使用NPN型,是不能工作的再看三菱公司的FX1N PLC,输入电路的结构是典型的日本式,接线图如下所示:从图中可以看出,外部开关量输入触点的公共端接到了电源的0V端,这种情况应使用NPN型接近开关,接线方法还是按9楼网友所说的〔只不过PLC的"M",相当于三菱系列中的"COM"〕.同理,三菱PLC如果使用PNP型接近开关,也是不能工作的!PNP、NPN接近开关都属于集电极开路输出信号形式,但二者存在一些不同:1、NPN的输出电路OUT端通过接近开关内部的开关管和0V连接,当传感器动作时,开关管饱和导通,OUT端和0V 端相通,输出接近0V的低电平信号,当其连接PLC,电流从PLC的公共端〔S/S或M端,下同〕流入,从PLC的输入端流出,此即为PLC的漏型电路形式,NPN接近开关不能接源型输入电路的PLC,如图12、PNP的输出电路OUT端通过接近开关内部的开关管和+V连接,当传感器动作时,开关管饱和导通,OUT端和+V 端相通,输出接近+V的高电平信号,当其连接PLC,电流从PLC的公共端流出,从PLC的输入端流入,此即为PLC的源型电路形式,PNP接近开关不能接漏型输入电路的PLC,如图23、选择接近开关类型是要根据控制器如plc的I/O的电源接入方式的不同来确定,考虑其输出特点不同,要注意其各自使能状态的逻辑电平的差别:对NPN型接近开关,其"+V"接外电源的负极性端,"0V"经过外电源的正极性端后接PLC的公共端,"OUT"接PLC的信号输入端,动作时输出低电平信号,电流从PLC的公共端流入PLC、从PLC的输出端流出PLC.对于接近开关来说则是电流从其"0V"和"+V"端流出接近开关,从"OUT"端流入接近开关,见图3对PNP型接近开关,其"+V"接外电源的正极性端,"0V"经过外电源的负极性端后接PLC的公共端,"OUT"接PLC的信号输入端,动作时输出高电平信号,电流从PLC的公共端流出PLC、从PLC的输出端流入PLC.对于接近开关来说则是电流从其"+V"端流入接近开关,从"0V"和"OUT"端流出接近开关,见图4。
PLC与接近开关、光电开关的接线问题收藏此信息打印该信息添加:佚名来源:未知摘要:本文主要分析了数字量输入时PLC内部电路常见的几种形式,SINK-拉电流输入,SOURCE-灌电流输入,并结合传感器常见几种输出形式和经常遇到的NPN和PNP输出,以及单端与双端接口,给出了和不同的PLC电路形式连接时的接线方法。
关键词:PLC SINK-拉电流输入NPN输出SOURCE-灌电流输入PNP输出单端双端接口一:引言PLC的数字量输入接口并不复杂,我们都知道PLC为了提高抗干扰能力,输入接口都采用光电耦合器来隔离输入信号与内部处理电路的传输。
因此,输入端的信号只是驱动光电耦合器的内部LED导通,被光电耦合器的光电管接收,即可使外部输入信号可靠传输。
目前PLC数字量输入端口一般分单端共点与双端输入,各厂商的单端共点(Com)的接口有光电耦合器正极共点与负极共点之分,日系PLC通常采用正极共点,欧系PLC习惯采用负极共点;日系PLC供应欧洲市场也按欧洲习惯采用负极共点;为了能灵活使用又发展了单端共点(S/S)可选型,根据需要单端共点可以接负极也可以接正极。
由于这些区别,用户在选配外部传感器时接法上需要一定的区分与了解才能正确使用传感器与PLC为后期的编程工作和系统稳定奠定基础。
二:输入电路的形式1、输入类型的分类PLC的数字量输入端子,按电源分直流与交流,按输入接口分类由单端共点输入与双端输入,单端共点接电源正极为SINK(sink Current拉电流),单端共点接电源负极为SRCE (source Current灌电流)。
2、术语的解释SINK漏型SOURCE源型SINK漏型为电流从输入端流出,那么输入端与电源负极相连即可,说明接口内部的光电耦合器为单端共点为电源正极,可接NPN型传感器。
SOURCE源型为电流从输入端流进,那么输入端与电源正极相连即可,说明接口内部的光电耦合器为单端共点为电源负极,可接PNP型传感器。
接近开关与PLC连接输入传感器为接近开关时,只要接近开关的输出驱动力足够,漏型输入的PLC输入端就可以直接与NPN集电极开路型接近开关的输出进行连接。
如图当采用PNP集电极开路型接近开关时,由于接近开关内部输出端与0V间的电阻很大,无法提供电耦合器件所需要的驱动电流,因此需要增加“下拉电阻”。
如图。
增加下拉电阻后应注意,此时的PLC内部输入信号与接近开关发信状态相反,即接近开关发信时,“下拉电阻”上端为24V,光电耦合器件无电流,内部信号为“0”;未发信时,PLC内部DC24V与0V之间,通过光电耦合器件、限流电阻、“下拉电阻”经公共端COM构成电流回路,输入为“1”。
下拉电阻的阻值主要决定于PLC输入光电耦合器件的驱动电流、PLC内部输入电路的限流电阻阻值。
通常情况下,其值为1.5—2KΩ,计算公式如下:公式:R≤[(Ve-0.7)/Ii]-Ri式中:R——下拉电阻(KΩ)Ve——输入电源电压(V)Ii——最小输入驱动电流(mA)Ri——PLC内部输入限流电阻(KΩ)公式中取发光二极管的导通电压为0.7V。
源型输入的PLC输入端就可以直接与PNP集电极开路型接近开关的输出进行连接。
如图相反,当采用NPN集电极开路型接近开关时,由于接近开关内部输出端与24V间的电阻很大,无法提供电耦合器件所需要的驱动电流,因此需要增加“上拉电阻”。
如图,增加上拉电阻后应注意,此时的PLC内部输入信号与接近开关发信状态相反,即接近开关发信时,“上拉电阻”下端为0V,光电耦合器件无电流,内部信号为“0”;未发信时,PLC内部DC24V与0V之间,通过光电耦合器件、限流电阻、“上拉电阻”经公共端COM构成电流回路,输入为“1”。
上拉电阻的阻值主要决定于PLC输入光电耦合器件的驱动电流、PLC内部输入电路的限流电阻阻值。
通常情况下,其值为1.5—2KΩ,其计算公式与下拉电阻计算公式相同。
接近开关怎么接线
接近开关,是非常常见的检测元件。
它可以检测物体的有无,根据被检测物体,可以分为容性接近开关和感性接近开关两种。
其中,容性接近开关用于检测非金属,感性接近开关用于检测金属(主要是铁)。
接近开关,输出的是数字量信号,因此,对于PLC来说,接近开关就是输入信号。
最常用的接近开关有三根线分别为,棕色,蓝色,黑色。
其中,棕色接24V,蓝色接0V,是给接近开关供电的,黑色是接近开关的输出,接到PLC上。
如上图所示,这就是接近开关的接线!!不光接近开关,光电开关,各种光纤开关,都采用这种接法。
而棕蓝黑三色已经成为了国际标准。
根据输出极性,接近开关分为NPN 和PNP 两种,因此,NPN输出的接近开关,只能接到采用NPN接法的PLC上,如果接到PNP接法的PLC上,PLC是接受不到来自接近开关的信号的。
接近开关如何与PLC的DI如何连接?
很多工程师在使用PLC的数字量输入点的时候,时常都会问厂家PLC的DI 点可不可以接NPN或是PNP的接近开关,抑或是咨询两线制/三线制/四线制的接近开关如何与PLC的DI点连接,本周就先跟大家简单分享这两个问题。
首先我们先说下接近开关,对接近它的物体有“感知”能力的元件,这类传感器不需要接触到被检测物体,当有物体移向传感器,并接近到一定距离时,传感器就有“感知”,通常把这个距离叫“检出距离”,利用传感器对接近物体的敏感特性制作的开关,就是接近开关,接近开关分两线制、三线制及四线制。
1、两线制接近开关
(1)有两根线
(2)需要串联在电路上使用
(3)相当于一个普通开关,有正负极
2、三线制接近开关
(1)有三根线
(2)需要单独供电电源才能工作
(3)一路输出,两种输出形式:NPN/PNP
3、四线制接近开关
(1)有四根线
(2)需要单独供电电源才能工作
(3)两路输出,NC/NO
(4)输出形式:NPN/PNP。