建筑制图习题及答案
- 格式:doc
- 大小:3.43 MB
- 文档页数:82
建筑制图基础练习题及答案一、填空题1、按照建筑制图标准规定,图纸幅面是指图纸本身的大小规格。
A0图纸的图幅b×l== 841×1189 ,图框线与图幅线之间的间隔a为 25 ,c为10 。
2、图样的比例为图形与实物相对应的线性尺寸之比;图纸上的尺寸,应以尺寸数字为准,不得从图样上直接量取。
3、尺寸单位除标高及总平面是以米为单位外,其他必须以毫米为单位。
角度的尺寸线应以圆弧表示。
4、尺寸应尽量布置在投影图的轮廓之外,并位于两个投影之间。
同方向的尺寸可以组合起来,排成几道,小尺寸在内,大尺寸在外,相互间平行、等距,距离约为 7~10 mm。
5、剖视图分为全剖视图、半剖视图、局部剖视图,它的剖切方法有单一剖切面剖切、阶梯剖、旋转剖;断面图包括移出断面图、重合断面图和中断断面图。
6、剖视图的剖切符号表示剖切面的起、迄、转折位置及投射方向。
剖切符号由剖切位置线和剖视方向线组成,他们分别用长度为 6~10 毫米和 4~6 毫米的粗实线来表示。
二、简答题:1、按照《房屋建筑统一制图标准(GB/T50001-2001)》规定,尺寸包括哪些内容?各部分的绘图规定是什么?尺寸的排列与布置有什么要求?答:一个完整的尺寸包括:尺寸界线、尺寸线、尺寸起止符号和尺寸数字。
各部分的绘图规定:(1)尺寸界线用细实线画,应与被注长度垂直,其一端应离开图样轮廓线不小于2mm,另一端宜超出尺寸线2mm—3 mm;(2)尺寸线用细实线画,应与被注长度平行,其两端不宜超出尺寸界线;(3)尺寸起止符号应用中粗斜短线画,其倾斜方向应与尺寸界线成顺时针45°角,长度宜为2 mm —3mm。
对于以圆弧为尺寸界线的起止符号,宜用箭头。
(4)尺寸数字应依据其方向注写在靠近尺寸线的上方中部。
尺寸数字的长度单位,通常除高程及总平面图上以米(m)为单位外,其他都以毫米(mm)为单位。
尺寸的排列与布置要求:画在图样外围的尺寸线,与图样最外轮廓线的距离不宜小于10 mm;平行排列的尺寸线间距为7 mm~10 mm,且应保持一致;互相平行的尺寸线,应从被注轮廓线按小尺寸近、大尺寸远的顺序整齐排列。
1 . 已知圆柱切割后的主、俯视图,正确的左视图是A. B. C. D.答案:C2 . 底层平面图能反映的图示内容为A.女儿墙B.上人孔C.檐沟的位置D.剖切位置符号答案:D3 . 若一直线H和W面投影都垂直于Y轴,则该直线一定为A.水平线B.正平线C.正垂线D.铅垂线答案:B4 . 认真阅读楼梯二层平面图,可以知道该楼梯层间休息平台的净尺寸为A.2000X3100B.2000X3300C.2100X3100D. 2100X3300 答案:A5 . 组合体的尺寸有三部分组成,分别是定位尺寸、定形尺寸和A.细部尺寸B.总体尺寸C.轴线尺寸D.标高尺寸答案:B6 . 画在图样轮廓线外围的尺寸线,与图样最外轮廓线的距离,不宜小于A.5mmB.10mmC.15mmD.20mm 答案:B7 . 建筑材料图例中,表示矿渣材料的是A. B. C. D.答案:D8 . 在三视图中,H面投影和V面投影之间关系是A.长对正B.宽相等C.高平齐D.无法确定答案:A9 . 若一直线V和W面投影都平行于Z轴,则该直线一定为A.水平线B.正平线C.正垂线D.铅垂线答案:D10 . 下列常用建筑材料图例中,表示石材的是A. B. C. D.答案:B11 . 如建筑区地形起伏较大,应在总平图上画出A.定位轴线B.指北针C.等高线D.标高答案:C12 . 在建筑平面图中,位于②和③轴线之间的第一根分轴线的编号应为A.2/1B.3/1C.1/2D.1/3 答案:C13 . 建筑总平面图中可以表示建筑物朝向的符号为A.等高线B.指北针C.定位轴线D.对称符号答案:B14 . 为使建筑立面图简洁大方,体现建筑立面的不同层次,使其外形更清晰,常用的手法是A.比例不一B.线条处理C.虚实对比D.色彩处理答案:B15 . 根据所给左侧立面图和平面图,选择正确的正立面图A. B. C.D答案:D16 . 中间各层平面图除要表达本层室内情况外,只需画出本层的室外阳台和下一层的A.窗B.门C.阳台D.雨蓬和遮阳板答案:D17 . 代号GJ是指A.挂架B.钢筋C.刚架D.构件答案:C18 . 相互平行的图例线,其净间隙或线中间隙不宜小于A.0.13mmB.0.15mmC. 0.18mmD.0.20mm 答案:D19 . 根据梁的1-1移出断面图,判断图一、图二、图三和图四中,绘制正确的断面图是A.图一B.图二C.图三D.图四答案:D20 . 能反映女儿墙的平面图是A.底层平面图B.楼层平面图C.屋顶平面图D.局部平面图答案:C21 . 以建筑立面图为施工依据的是A.安装门窗B.施工放线C. 安装设备D. 立面装饰及构造做法答案:D22 . A2图纸中,若图框线线宽为b,则标题栏外框线为A.bB.0.7bC.0.5bD.0.25b 答案:B23 . 在标注建筑平面图的外部尺寸中,门窗洞口和洞间墙的尺寸的标注位置一般为A.局部尺寸B.中间的一道尺寸C.最外的一道尺寸D.最里面的一道尺寸答案:D24 . 建筑立面图中需要标注出的房间高度是A.净高B.空间高C.层高D.矢高答案:C25 . 在建筑施工图中,用来反映剖面图剖切位置的剖切符号应标注在A.底层平面图B.二层平面图C.三层平面图D.顶层平面图答案:A26 . 粗实线一般用于A.可见轮廓线B.不可见轮廓线C.主要可见轮廓线D.假想轮廓线答案:C27 . 若某组合体是由若干个基本体通过一个或几个面连接形成的,则该组合体的组合方式称为A.叠加B.切割C.混合D.挖除答案:A28 . 根据所给左侧立面图和平面图,选择正确的正立面图A. B. C. D.答案:B29 . 若平面平行于某一投影面,则在该投影面上的投影A.积聚成线B.为实形C.为类似形D.为相似形答案:B30 . 建筑总平面图中的风玫瑰图表示A.风速B.朝向C.风力D.风向频率答案:D31 . 求作两回转体相贯线的投影,实际上就是求作两回转体表面投影的A.特殊点B.不同点C.相交点D.共有点答案:D32 . 关于断面图例画法描述不正确的是A.图例线应间隔均匀,疏密适度,做到图例正确,表示清楚B.两个相同的图例相接时,图侧线宜错开或使倾斜方向相反C.不同品种的同类材料使用同一图例时附加必要的说明D.两个相邻的涂黑图例间应留有空隙,其净宽度不得小于1mm答案:D33 . 确定组合体中各基本形体之间相对位置的尺寸称为A.定形尺寸B.定位尺寸C.定量尺寸D.总尺寸答案:B34 . 当正多边形的边数较多或者边数为奇数时,一般采用的方法是A.几何法B.查表法C.等分圆周法D.近似等分圆周法答案:B35 . 能表达房屋平面形状和房间平面布置的图样是A.建筑总平面图B.底层建筑平面图C.局部平面图D.屋顶平面图答案:B36 . 属于投影面平行面投影特性的是A.三直线B.三类似框C.一框两直线D. 两框一斜线答案:C37 . 底面为多边形,所有棱线均相交于一点的立体,称为A.棱柱体B.棱锥体C.圆柱体D.圆锥体答案:B38 . 认真阅读墙身详图,我们可以知道防火保温板应设在A.内墙面B.外墙面C.内墙和外墙面D.内墙或外墙面答案:B39 . 认真阅读楼梯底层平面图,可以知道该楼梯段的级数为A.9B.10C.11D.12 答案:C40 . 在建筑总平面图中,标高数字注写到小数点以后的位数为A.一B.二C.三D.四答案:B41 . 若详图与被索引的图样在同一张图纸内,正确的详图符号是A. B. C. D.答案:D42 . 剖面图中,不适合用来做剖面剖切符号编号的是A.阿拉伯数字B.罗马数字C.拉丁字母D.希腊字母答案:D43 . 若一直线V和W面投影都垂直于Z轴,则该直线一定为A.水平线B.正平线C.正垂线D.铅垂线答案:A44 . 已知A点的坐标(20,10,5),则A点到W面的距离为A.20B.15C.10D. 5 答案:A45 . 在三视图的三等关系中,高平齐是指侧立投影与A.正立投影B.水平投影C.底面投影D.直立投影答案:A46 . 工程上的标高投影采用的投影法是A.斜投影B.多面正投影C.平行投影D.单面正投影答案:D47 . 建筑剖面图中,为了清楚地表达建筑细部的材料及构造层次,常在这些部位绘制建筑详图。
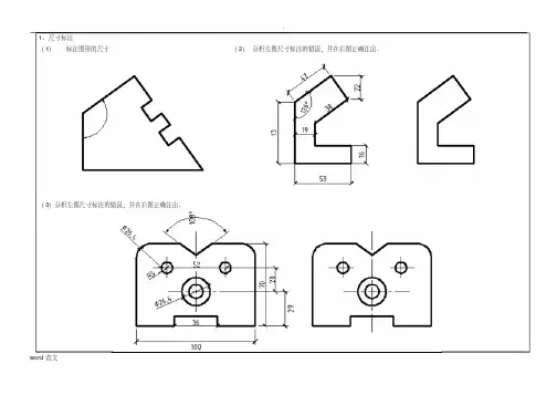
.1、尺寸标注(1)标注图形的尺寸(2)分析左图尺寸标注的错误,并在右图正确注出。
(3)分析左图尺寸标注的错误,并在右图正确注出。
word范文.word 范文2-1、求各点的第三投影,并填上各点到投影面的距离。
2-4 已知E (22,30,20),F 点在E 点之左10mm ,之下10mm ,之后10mm ;G 点在E 点的正右方12mm ,作出点 E 、F 、G 的三面投影。
A 点距V 面()、距H 面()、距W 面()B 点距V 面()、距H 面()、距W 面()C 点距V 面()、距H 面()、距W 面()D 点距V 面()、距H 面()、距W 面()E 点距V 面()、距H 面()、距W 面()F 点距V 面()、距H 面()、距W 面()2-3、比较A 、B 、C 三点的相对位置。
(上、下)A 点在B 点(左、右)(前、后)(上、下)B 点在C 点(左、右)(前、后)(上、下)C 点在A 点(左、右)(前、后).word 范文2-5 在立体的投影图上,标出直线的三个投影,并说明其对投影面的相对位置(参照立体图)。
(1)(2)2-6判断下列直线的位置。
AB 是_________线;BK 是_________线;AC 是_________线。
DE 是_________线;DF 是_________线;GH 是_________线。
.AB是,CD是,EF是,MN是。
2-7判别AB和CD两直线的相对位置(平行、相交、交叉)。
2-8 完成平面五边形ABCDE的投影。
2-9 完成正方形ABCD的两面投影。
word范文word 范文2-10 如图中平面A 所示,在投影图中标出各平面的三个投影,2-11 补画各平面图形的第三面投影,并填写它们是何种位置平面。
并写出属何种位置平面。
_________面__________面A 是_________面;B 是_________面;C 是_________面;D 是_________面。
1、尺寸标注(1)标注图形的尺寸(2)分析左图尺寸标注的错误,并在右图正确注出。
(3)分析左图尺寸标注的错误,并在右图正确注出。
1 / 792 / 792-1、求各点的第三投影,并填上各点到投影面的距离。
2-4 已知E (22,30,20),F 点在E 点之左10mm ,之下10mm ,之后 10mm ;G 点在E 点的正右方12mm ,作出点E 、F 、G 的三面投影。
A 点距V 面( )、距H 面( )、距W 面( )B 点距V 面( )、距H 面( )、距W 面( )C 点距V 面( )、距H 面( )、距W 面( )D 点距V 面( )、距H 面( )、距W 面( )E 点距V 面( )、距H 面( )、距W 面( )F 点距V 面( )、距H 面( )、距W 面( )2-3、比较A 、B 、C 三点的相对位置。
(上、下)A 点在B 点 (左、右)(前、后)(上、下)B 点在C 点 (左、右)(前、后)(上、下)C 点在A 点 (左、右)(前、后)3 / 792-5 在立体的投影图上,标出直线的三个投影,并说明其对投影面的相对位置(参照立体图)。
(1) (2)2-6判断下列直线的位置。
AB 是_________线;BK 是_________线;AC 是_________线。
DE 是_________线;DF 是_________线; GH 是_________线。
AB是,CD是,EF是,MN是。
2-7判别AB和CD两直线的相对位置(平行、相交、交叉)。
2-8 完成平面五边形ABCDE的投影。
2-9 完成正方形ABCD的两面投影。
4 / 795 / 792-10 如图中平面A 所示,在投影图中标出各平面的三个投影, 2-11 补画各平面图形的第三面投影,并填写它们是何种位置平面。
并写出属何种位置平面。
_________面 __________面A 是_________面;B 是_________面;C 是_________面;D 是_________面。
《建筑工程制图》试题及参考答案《建筑工程制图》是建筑工程领域的一门基础课程,旨在培养学生掌握建筑工程制图的基本知识和技能,能够阅读和绘制建筑工程图纸。
下面是这门课程的试题及参考答案。
一、单项选择题1、下列哪个投影法不是工程图样中常用的? A. 正投影法 B. 斜投影法 C. 轴测投影法 D. 透视投影法答案:D2、在建筑工程图纸中,下列哪个符号代表的是窗户? A. ▭ B. Ⓒ C. ╳ D. dg 答案:B3、下列哪一条线型在建筑工程图纸中表示的是墙线? A. 实线 B. 虚线 C. 点划线 D. 双点划线答案:A二、多项选择题1、下列哪些是建筑工程制图中的基本视图? A. 正视图 B. 俯视图C. 左视图D. 轴测图答案:ABC2、在建筑工程图纸中,下列哪些符号代表的是门? A. ⊕ B. 亞 C. renoer D. dg 答案:BCD三、简答题1、请简述建筑工程制图的基本原理和步骤。
答案:建筑工程制图的基本原理是投影法,即将三维空间的物体通过投影变换转换成二维平面图形。
制图的基本步骤包括确定绘图比例、绘制图形、标注尺寸和添加图框等。
2、请简述建筑工程图纸中常用的线型及其含义。
答案:建筑工程图纸中常用的线型有实线、虚线、点划线和双点划线。
实线表示可见轮廓线,虚线表示不可见轮廓线,点划线表示中心线或对称线,双点划线表示相邻两部分的辅助线。
四、综合题请根据以下给定的建筑平面图,绘制出对应的立面图和剖面图。
答案:(在此处绘制对应的立面图和剖面图)参考试题及参考答案关键词:、机器学习、大数据、自动化、未来、挑战、机遇在21世纪,人类社会正面临着一次前所未有的科技革命,那就是以、机器学习、大数据和自动化等为代表的第四次工业革命。
这次革命不仅对传统行业和领域产生了深远的影响,还为各行各业带来了前所未有的挑战和机遇。
本文将就这些技术在未来可能带来的影响进行探讨。
首先,我们来看看人工智能和机器学习。
这两项技术常常被放在一起讨论,因为机器学习是人工智能的一个重要分支。
《建筑制图》课程习题集一、作图题11.求R面与六棱锥各侧面的交线求球被R面截断后的投影及断面实形3.补全圆锥被R面截断后的V投影4.补全被截切后圆锥的三面投影。
5.补全相贯体的H面投影。
6.作半球与四棱柱的相贯线,并补全贯体的V面投影和W面投影。
7.补全两相贯圆柱体的V面投影。
8.补全两相贯圆柱体的V面投影。
9.补全图中的V面投影。
二、作图题310.作正垂面Q垂直于正平线CD11. 求作水平线MN 与交叉三直线AB 、CD 、EF 相交。
b a e ba'''''12. 已知等腰三角形ABC 的顶点C 在直线EF 上,AB 为正平线,求此三角形的两面投影。
13.已知点K到三角形的距离为30,求K点到H面的投影k。
14.过点B作矩形ABCD,短边AB=25且垂直于V面,长边BC=40,α=30°,求作矩形ABCD 的V、H投影15.补出第三面视图,在投影图上注全各指表面的名称并填出平面对投影面的相对位置。
16.补出第三面视图,在投影图上注全各指表面的名称并填出平面对投影面的相对位置。
17.已知五边形平面上的V投影和部分H投影,试补全其H投影。
18.已知条件如图1。
(1)投影图上注明各指定表面(Q,R,S,M,N)的名称,如P面名称,V 面用p’标出,H面用p标出;(2)填空。
,19.已知条件如图1。
(1)在投影图上注明各指定表面(P、Q、R、M)的名称,如F面名称,V面用f’标出,H面用f标出;(2)填空。
P面平行于( )投影面Q面垂直于( )投影面R面平行于( )投影面AB是( )面和( )面的交线三、填空题20.判断线面位置关系判断下列各题中直线与平面相对位置(平行、相交垂直、相交不垂直),并填写在括号里。
21.判断下列各题中平面与平面相对位置(平行、相交垂直、相交不垂直),并填写在括号里。
22.判断下列各题中平面与平面、直线与平面的相对位置(平行、相交垂直、相交不垂直),并填写在括号里。
建筑制图习题及答案 Company number:【WTUT-WT88Y-W8BBGB-BWYTT-19998】一、判断题(在下面的横线上填写两直线的相对位置)(10分)两直线;两直线;两直线;两直线;两直线二、选择题(12分)1.已知点A(20,0,0)和点B(20,0,10),关于点A和点B的相对位置,哪一种判断是正确的()A、点B在点A前面B、点B在点A上方,且重影于V面上C、点A在点B下方,且重影在OX轴上D、点A在点B前面2.侧垂面的H投影()。
A、呈类似形B、积聚为一直线C、反映平面对W面的倾角D、反映平面对H面的倾角3.两等直径圆柱轴线正交相贯,其相贯线是()A、空间曲线B、椭圆C、直线D、圆4.正垂面与侧垂面相交,其交线是()。
A、侧垂线B、水平线C、一般线D、正平线5.选择正确的三面投影图()。
(A)(B)(C)6.选择形体正确的W面投影()。
三、过点M作一条与平面ABC平行的水平线。
(6分)四、补全组合体H面、V面上所缺的线(8分)五、补绘组合体的H面投影(17分)六、补全两形体的相贯线(10分)七、补绘被截圆锥的另外两面投影。
(18分)八、在指定位置绘出下面构件的1-1剖面图和2-2断面图(19分)。
试卷答案一、判断题(在下面的横线上填写两直线的相对位置)(10分)两直线平行;两直线相交;两直线相交;两直线交叉;两直线交叉二、选择题(12分)1.已知点A(20,0,0)和点B(20,0,10),关于点A和点B的相对位置,哪一种判断是正确的( C )A、点B在点A前面B、点B在点A上方,且重影于V面上C、点A在点B下方,且重影在OX轴上D、点A在点B前面2.侧垂面的H投影(A )。
A、呈类似形B、积聚为一直线C、反映平面对W面的倾角D、反映平面对H面的倾角3.两等直径圆柱轴线正交相贯,其相贯线是(B )A、空间曲线B、椭圆C、直线D、圆4.正垂面与侧垂面相交,其交线是(C)。
建筑制图习题及答案 Corporation standardization office #QS8QHH-HHGX8Q8-GNHHJ8一、判断题(在下面的横线上填写两直线的相对位置)(10分)两直线;两直线;两直线;两直线;两直线二、选择题(12分)1.已知点A(20,0,0)和点B(20,0,10),关于点A和点B的相对位置,哪一种判断是正确的()A、点B在点A前面B、点B在点A上方,且重影于V面上C、点A在点B下方,且重影在OX轴上D、点A在点B前面2.侧垂面的H投影()。
A、呈类似形B、积聚为一直线C、反映平面对W面的倾角D、反映平面对H面的倾角3.两等直径圆柱轴线正交相贯,其相贯线是()A、空间曲线B、椭圆C、直线D、圆4.正垂面与侧垂面相交,其交线是()。
A、侧垂线B、水平线C、一般线D、正平线5.选择正确的三面投影图()。
(A)(B)(C)6.选择形体正确的W面投影()。
三、过点M作一条与平面ABC平行的水平线。
(6分)四、补全组合体H面、V面上所缺的线(8分)五、补绘组合体的H面投影(17分)六、补全两形体的相贯线(10分)七、补绘被截圆锥的另外两面投影。
(18分)八、在指定位置绘出下面构件的1-1剖面图和2-2断面图(19分)。
试卷答案一、判断题(在下面的横线上填写两直线的相对位置)(10分)两直线平行;两直线相交;两直线相交;两直线交叉;两直线交叉二、选择题(12分)1.已知点A(20,0,0)和点B(20,0,10),关于点A和点B的相对位置,哪一种判断是正确的(C )A、点B在点A前面B、点B在点A上方,且重影于V面上C、点A在点B下方,且重影在OX轴上D、点A在点B前面2.侧垂面的H投影(A )。
A、呈类似形B、积聚为一直线C、反映平面对W面的倾角D、反映平面对H面的倾角3.两等直径圆柱轴线正交相贯,其相贯线是(B )A、空间曲线B、椭圆C、直线D、圆4.正垂面与侧垂面相交,其交线是(C?)。
(建筑制图)试题及答案一、选择题(每题2分,共20分)1. 在建筑制图中,表示建筑物平面布局的图是:A. 平面图B. 立面图C. 剖面图D. 详图答案:A2. 建筑制图中的尺寸线通常采用哪种线型?A. 虚线B. 点画线C. 粗实线D. 细实线答案:D3. 建筑制图中,用于表示建筑物高度的图是:A. 平面图B. 立面图C. 剖面图D. 详图答案:B4. 建筑制图中的图例是用来表示:A. 材料B. 尺寸C. 比例D. 颜色答案:A5. 在建筑制图中,表示建筑物内部结构的图是:A. 平面图B. 立面图C. 剖面图D. 详图答案:C6. 建筑制图中,用于表示建筑物内部空间分隔的图是:A. 平面图B. 立面图C. 剖面图D. 详图答案:A7. 建筑制图中,用于表示建筑物内部细节的图是:A. 平面图B. 立面图C. 剖面图D. 详图答案:D8. 在建筑制图中,表示建筑物与周围环境关系的图是:A. 总平面图B. 立面图C. 剖面图D. 详图答案:A9. 建筑制图中,用于表示建筑物内部管道布置的图是:A. 给排水图B. 电气图C. 结构图D. 详图答案:A10. 在建筑制图中,表示建筑物内部电气系统布置的图是:A. 给排水图B. 电气图C. 结构图D. 详图答案:B二、填空题(每题2分,共20分)1. 建筑制图中的______是用来表示建筑物的尺寸和位置。
答案:尺寸线2. 建筑制图中的______是用来表示建筑物的垂直高度。
答案:立面图3. 建筑制图中的______是用来表示建筑物的内部结构。
答案:剖面图4. 建筑制图中的______是用来表示建筑物的详细构造。
答案:详图5. 建筑制图中的______是用来表示建筑物与周围环境的关系。
答案:总平面图6. 建筑制图中的______是用来表示建筑物的平面布局。
答案:平面图7. 建筑制图中的______是用来表示建筑物内部的管道布置。
答案:给排水图8. 建筑制图中的______是用来表示建筑物内部的电气系统布置。
一、判断题(在下面的横线上填写两直线的相对位置)(10分)两直线;两直线;两直线;两直线;两直线二、选择题(12分)1.已知点A(20,0,0)和点B(20,0,10),关于点A和点B的相对位置,哪一种判断是正确的?()A、点B在点A前面B、点B在点A上方,且重影于V面上C、点A在点B下方,且重影在OX轴上D、点A在点B前面2.侧垂面的H投影()。
A、呈类似形B、积聚为一直线C、反映平面对W面的倾角D、反映平面对H 面的倾角3.两等直径圆柱轴线正交相贯,其相贯线是()A、空间曲线B、椭圆C、直线D、圆4.正垂面与侧垂面相交,其交线是()。
A、侧垂线B、水平线C、一般线D、正平线5.选择正确的三面投影图()。
(A)(B)(C)6.选择形体正确的W面投影()。
三、过点M作一条与平面ABC平行的水平线。
(6分)四、补全组合体H面、V面上所缺的线(8分)五、补绘组合体的H面投影(17分)六、补全两形体的相贯线(10分)七、补绘被截圆锥的另外两面投影。
(18分)八、在指定位置绘出下面构件的1-1剖面图和2-2断面图(19分)。
试卷答案一、判断题(在下面的横线上填写两直线的相对位置)(10分)两直线平行;两直线相交;两直线相交;两直线交叉;两直线交叉二、选择题(12分)1.已知点A(20,0,0)和点B(20,0,10),关于点A和点B的相对位置,哪一种判断是正确的?( C )A、点B在点A前面B、点B在点A上方,且重影于V面上C、点A在点B下方,且重影在OX轴上D、点A在点B前面2.侧垂面的H投影(A)。
A、呈类似形B、积聚为一直线C、反映平面对W面的倾角D、反映平面对H 面的倾角3.两等直径圆柱轴线正交相贯,其相贯线是(B)A、空间曲线B、椭圆C、直线D、圆4.正垂面与侧垂面相交,其交线是(C)。
A、侧垂线B、水平线C、一般线D、正平线5.选择正确的三面投影图( A )。
(A)(B)(C)6.选择形体正确的W面投影( D )。
建筑制图与识图习题与答案一、单选题(共50题,每题1分,共50分)1、长仿宋字的宽度为10毫米,那么字高为()mm。
A、20B、7C、10D、14正确答案:D2、图号应从()开始编制。
A、1B、3C、0D、2正确答案:A3、建筑结构按层数来划分有底层结构、高层结构与()。
A、框架结构B、排架结构C、多层结构D、墙结构正确答案:C4、一套完整的装饰施工图,一般由()图纸组成。
A、装饰平面图B、装饰平面图C、装饰平面图D、装饰平面图正确答案:A5、指北针符号,圆用细实线绘制,圆的直径正确的是()。
A、22mmB、25mmC、20mmD、24mm正确答案:D6、相互平行的图线,其间隙不宜小于其中的粗线宽度且又不小于()mm。
A、0.7B、0.5C、0.9D、0.4正确答案:A7、断面的剖切符号应只用剖切位置线表示,并应以()线绘制。
A、细实线B、单点长画线C、粗实线D、中虚线正确答案:C8、平行于投影的圆,其正投影图为()。
A、扩大了的圆B、缩小了的圆C、实圆D、扁圆正确答案:C9、装饰施工图是按()的基本方法来表示室内各部位相互关系。
A、线条B、符号C、比例D、投影视图正确答案:D10、7-9层的住宅属于()。
A、中高层B、底层C、多层D、高层正确答案:A11、尺寸线用来表示()。
A、尺寸的起止B、所注尺寸的范围C、尺寸大小D、尺寸的方向正确答案:D12、横式使用的图纸,其装订边在图纸的()。
A、上方B、右方C、左方D、哪方均可正确答案:C13、绘制指北针的尾部宽度为()mm。
A、3B、4C、5D、6正确答案:A14、室内立面索引符号应由直径为10mm的圆形及注视方向()三角深色图形组成。
A、任意B、锐角C、等边D、等腰直角正确答案:D15、有关门窗的开关线,下述论点正确的是()。
A、窗的开关线向外开用虚线表示,向内开用实线表示B、门的开关线在立面图上表示C、窗的开关线在平面图上表示D、门的开关线在平面图上表示,窗的开关线在立面图上表示正确答案:D16、下列选项中,不属于平面图的基本内容的是()。
建筑制图基础试题及答案
一、单项选择题(每小题仅有1个正确答案,请将正确答案的序号填入括号里,每小题2分,共20分)
1.图纸的幅面的简称是(A) A.图幅 B.图框C.标题栏 D.会签栏
2.幅面代号为A2的图纸长、短边尺寸分别是( C)
A.1189mm、841mmB. 841mm、594mmC.594mm、420mmD.297mm、210mm
3.图样及说明中的汉字宜采用(A)A.长仿宋体 B.黑体C.隶书D.楷体
4.标注圆弧的弧长时,表示尺寸线应以(B) A.箭头 B.该圆弧同心的圆弧线 C.标注圆弧的弦长 D.平行与圆弧的直线5.在制图中,把光源称为(A )
A.投影中心 B.投影线 C.投影面 D.投影法
6.形成物体的最基本几何元素包括(A )
A.点、直线和平面B.点、曲线和曲面C.点、曲线和平面D.曲面、曲线、直线
7.投影面展开之后,W,H两个投影都反映形体的宽度,这种关系称为(D)
A.长对正B.高平齐 C.高平正D.宽相等8.构成形体最基本的几何元素是( A )。
一、判断题在下面的横线上填写两直线的相对位置10分两直线两直线两直线两直线两直线二、选择题12分1已知点A2000和点B20010关于点A和点B的相对位置哪一种判断是正确的A、点B在点A前面B、点B在点A上方丏重影于V面上C、点A在点B下方丏重影在OX轴上D、点A在点B前面2侧垂面的H投影。
A、呈类似形B、积聚为一直线C、反映平面对W面的倾角D、反映平面对H面的倾角3两等直径圆柱轴线正交相贯其相贯线是A、空间曲线B、椭圆C、直线D、圆4正垂面不侧垂面相交其交线是。
A、侧垂线B、水平线C、一般线D、正平线5选择正确的三面投影图。
A B C 6.选择形体正确的W面投影。
三、过点M作一条不平面ABC平行的水平线。
6分四、补全组合体H面、V面上所缺的线8分五、补绘组合体的H面投影17分六、补全两形体的相贯线10分七、补绘被截圆锥的另外两面投影。
18分八、在指定位置绘出下面构件的1-1剖面图和2-2断面图19分。
试卷答案一、判断题在下面的横线上填写两直线的相对位置10分两直线平行两直线相交两直线相交两直线交叉两直线交叉二、选择题12分1已知点A2000和点B20010关于点A和点B 的相对位置哪一种判断是正确的 C A、点B在点A前面B、点B在点A上方丏重影于V面上C、点A在点B下方丏重影在OX轴上D、点A在点B前面2侧垂面的H投影 A 。
A、呈类似形B、积聚为一直线C、反映平面对W面的倾角D、反映平面对H面的倾角3两等直径圆柱轴线正交相贯其相贯线是 B A、空间曲线B、椭圆C、直线D、圆4正垂面不侧垂面相交其交线是C 。
A、侧垂线B、水平线C、一般线D、正平线5选择正确的三面投影图 A 。
A B C 6.选择形体正确的W面投影 D 。
三、过点M作一条不平面ABC平行的水平线。
6分四、补全组合体H面、V面上所缺的线8分五、补绘组合体的H面投影17分六、补全两形体的相贯线10分七、补绘被截圆锥的另外两面投影。
建筑制图试题库及参考答案一、选择题(将正确答案的序号填入括号内)1.建筑工程图一般采用()。
A.正投影图B.轴测投影图C.透视投影图D.标高投影图2.用正投影图表达形体,至少需要()个投影。
A.1B.2C.3D.43.整个空间共有8个投影区,我国和世界上大部分国家均采用第()投影区。
A.一B.二C.三D.七4.水平投影面用()表示,其边缘的两根投影轴为()轴和()轴。
A.V、X、YB.H、X、ZC.W、Y、ZD.H、X、Y5.点P的正面投影用()表示。
A.pB.p′C.p″D.P6.如果M点的坐标为(10,20,30),N点的坐标为(30,20,10),那么,M点和N点到()的距离相等。
A.V面和H面B.V面和原点OC.H面和W面D.H面和原点O7.水平投影无法反映的坐标是()。
A.XB.YC.Z8.侧面投影无法反映的坐标是()。
A.XB.YC.Z9.图1中,位于H面上的点是()。
A.AB.BC.CD.E10.图1中,位于V面上的点是()。
A.AB.BC.CD.E11.图1中,位于W面上的点是()。
A.AB.BC.CD.E12.图1中,位于X轴上的点是()。
A.AB.GC.ED.F13.图1中,位于Y轴上的点是()。
A.AB.GC.ED.F14.图2中,A点位于B点的()。
A.左前下方B.左后下方C.右前下方D.右后下方15.图2中,B点位于C点的()。
A.左前上方B.左后上方C.右前上方D.右后上方图 1图 216.图2中,C点位于A点的()。
A.右后上方B.右后下方C.右前上方D.右前下方17.图3中,直线AB为()。
A.水平线B.正平线C.侧平线D.一般位置直线18.图3中,直线BC为()。
A.水平线B.正平线C.侧平线D.一般位置直线19.图3中,直线CD为()。
A.水平线B.正平线C.侧平线D.一般位置直线20.图3中,直线AD为()。
A.水平线B.正平线C.侧平线D.一般位置直线21.图4中,直线AB为()。
填空(空格或括号里面内容)一、1通过对鼠标右键的定义可以使右击实现同按回车键相同的功能活着显示快捷菜单两种2构造线在绘图过程中主要起辅助线作用3绘制多边形和多段线的简捷命令是pol和pl4绘制多边形最常用另外两种方法是内接圆法和外切圆法5多线命令的对正方式有上无和下三种6拟合多段线的方式有圆弧拟合样条曲线拟合7 AutoCAD 2004允许用户使用绝对坐标值和相对坐标值二、1缩放命令可以通过指定一定的比例将所选的图形对象放大或缩小2如果要绘制如图••使用基本命令中的偏移将会十分方便3执行【阵列】命令时,分别为矩形阵列和环形阵列其中环形阵列方式….4如果想恢复前几次删除的图形,可以使用UNDO命令5执行【修剪】命令操作时,先选择剪切的边间,后选择剪切的对象6使用【拉伸】命令必须使用交叉窗口来选择图形对象7【打断于点】实际上是【打断】命令的派生命令三、1. 2004中的设计中心命令相当于Windows操作系统中的资源管理器。
2AutoCAD把每个图形对象的所有特性都记录在【对象特性】对话框里3使用【边界图案填充】进行填充时,有拾取点和选择对象两中方式4执行菜单【绘图】|【图案填充】命令,有射线法和填充填充四、1定义块优点,4条提高绘图效率建立块的完整的库节省磁盘的存储空间便于图形修改2在命令行里输入BMAKE或BLOCK激活定义块命令3在【对象】对话框中有【保留】…彳个选项,其中【转化为块】选项4块的多重插入就是在块插入的同时进行矩形阵列5编辑属性的方法3种单一编辑全局编辑块属性管理器五到九I. 在用鼠标绘制水平线和垂直线时~单击快捷键(f8)即可打开或关闭正交功能2•绘图时,长留下一些修改的痕迹,利用(重画)命令可以刷新屏幕或当前视图3. 在cad2004中提供了各种系统变量,系统变量通常有(整数型)(实数型)(点)(开关)或(文本字符串)4. 执行工具查询(列表显示)命令,可以查询图形的质量特征。
一、填空题(本大题共11小题,每空1分,共40分)1、图纸幅面的基本尺寸规定有五种,其代号分别为A0,A1.A2,A3,A4,2、组合体的组合方式有:叠加式,切割式,混合式。
3、轴测投影图按投影方向的不同分为正轴测投影和斜轴测投影,按轴向伸缩系数不同分为等测投影,二测轴投影,三测轴投影。
4、投影面的平行面,平行于H面称为水平面,平行于V面称为正平面,平行于W面称为侧平面。
5、一般可见轮廓线用实线线型来画,不可见轮廓线用虚线来画,中心线、对称线、定位轴线用点划线来画,不需画全的断开界线用折断线来画6、H面上得到的投影称为水平投影图、V面上得到的投影称为正立投影图、W面上得到的投影称为侧立投影图7、一套完整的工程施工图,根据其内容分为施工首页图、建筑施工图、结构施工图、设备施工图。
8、轴测投影图按投影方向的不同分为正轴测投影和斜轴测投影,按轴向伸缩系数不同分为等测投影、二测轴投影、三测轴投影。
9、投影面的垂直面,垂直于H面称为铅垂面,垂直于V面称为正垂面,垂直于W面称为侧垂面10、一般可见轮廓线用实线线型来画,不可见轮廓线用虚线来画,中心线、对称线、定位轴线用点划线来画,不需画全的断开界线用折断线来画。
11、为了清晰表达物体的内部构造,假想用一个剖切平面将形体切开,移去剖切平面与观察者之间的部分形体,将剩下的部分形体向投影面做正投影,所得到的投影图,称为剖面图一、填空题(每空1分,共40分)1. A0,A1,A2,A3,A42.叠加式,切割式,混合式3. 正轴测投影,斜轴测投影,等测投影,二测轴投影,三侧轴投影4. 水平面,正平面,侧平面5. 实线,虚线,点划线,折断线(或者波浪线)6. 水平投影图(平面图),正立投影图(正面图),侧立投影图(侧面图)7.施工首页图(首页),建筑施工图(建施),结构施工图(结施),设备施工图(设施)8. 正轴测投影,斜轴测投影,等测投影,二测轴投影,三侧轴投影9. 铅垂面,正垂面,侧垂面10. 实线,虚线,点划线,折断线(或者波浪线)11. 剖面图二、简答题(每小题6分,共12分)1、剖面图和断面图的区别1.(1)剖面图的投影面在剖切体的后方,而断面图的投影面在剖切面上,剖面图中包含剖切面及其后面的形体,断面图中只包含剖切面的投影(2)剖切符号不同(3)剖面图可以有多个剖切面,断面图一般只有一个剖切面,剖面图为了表达形体的内部形状和结构,断面图只画出某一局部断面的形状2、剖面图中,如何判定剖切方向2.剖视方向线在剖切位置线的哪一侧则表示向哪一个方向投影三、作图题(每题6分,共48分)补绘基本形体的第三投影答:答:答:6 完成所给四棱柱的第三面投影及其表面上线12的三面投影答:答:8 完成所给球表面上线段的三面投影答:。
1、尺寸标注
(1)标注图形的尺寸(2)分析左图尺寸标注的错误,并在右图正确注出。
(3)分析左图尺寸标注的错误,并在右图正确注出。
2-1、求各点的第三投影,并填上各点到投影面的距离。
2-4 已知E (22,30,20),F 点在E 点之左10mm ,之下10mm ,之后 10mm ;G
点在E 点的正右方12mm ,作出点E 、F 、G 的三面投影。
A 点距V 面( )、距H 面( )、距W 面( )
B 点距V 面( )、距H 面( )、距W 面( )
C 点距V 面( )、距H 面( )、距W 面( )
D 点距V 面( )、距H 面( )、距W 面( )
E 点距V 面( )、距H 面( )、距W 面( )
2-3、比较A 、B 、C 三点的相对位置。
(上、下)
A 点在
B 点 (左、右) (前、后)
(上、下)
B 点在
C 点 (左、右) (前、后) (上、下) C 点在A 点 (左、右) (前、后)
F 点距V 面( )、距H 面( )、距W 面( )
2-5 在立体的投影图上,标出直线的三个投影,并说明其对投影面的相对位置(参照立体图)。
(1) (2)
2-6判断下列直线的位置。
AB 是_________线; BK 是_________线; AC 是_________线。
DE 是_________线; DF 是_________线; GH 是_________线。
AB是,CD是,EF是,MN是。
2-7判别AB和CD两直线的相对位置(平行、相交、交叉)。
2-8 完成平面五边形ABCDE的投影。
2-9 完成正方形ABCD的两面投影。
2-10 如图中平面A 所示,在投影图中标出各平面的三个投影, 2-11 补画各平面图形的第三面投影,并填写它们是何种位置平面。
并写出属何种位置平面。
_________面 __________面
A 是_________面;
B 是_________面;
C 是_________面;
D 是_________面。
2-12 判别图中所指的表面是曲面或平面,如果为平面,指出它属于哪一类平面。
(1) (2) (3)
(4) (5) (6)
A 面是 。
B 面是 。
C 面是 。
A 面是 。
B 面是 。
C 面是 。
A 面是 。
B 面是 。
C 面是 。
A 面是 。
B 面是 。
C 面是 。
A 面是 。
B 面是 。
C 面是 。
A 面是 。
B 面是 。
C 面是 。
2-13 补画平面的第三投影。
2-14 已知矩形PQRS上的一个五边形ABCDE的V面投影,作出它的H面的投影。
2-15 AN和AM分别是△ABC上的正平线和水平线,试完成△ABC的水平投影。
2-16求直线与平面的交点K,并判断(1)(2)(3)的可见性。
(1)(2)
3-1、补绘基本形体的第三投影
(1)(2)(3)(4)(5)(6)3-2、补绘基本形体的第三投影
(1)(2)(3)(4)(5)(6)
3-3、正六棱柱被正垂面P截断,补全截断体的H面投影,作出
截断体的W面投影及断面的真形。
3-18、完成平面体被平面截切后的水平投影并作出侧面投影。
3-6.求房屋的表面交线。
并完成其V面投影和H面投影。
3-7.作屋面交线的H面投影,并补全这个房屋模型的H面投影。
3-8、求作烟囱与圆拱屋面的交线。
3-9、求作两圆柱筒的表面交线
(1)(2)
(3)(4)
(1) (2)
.
.
34 56
.
. 6 8
4-2 根据组合体的两投影画出第三投影。
12、
.
4-3 根据组合体的两投影画出第三投影,并徒手画出其轴测图。
1、2、
.
.
正立面图1:100 左侧立面图1:100
.
5-2 补全剖面图中所缺的线。
1
5-5-1、作1-1剖面图。
Array
5-3 补绘W投影,并将V、W投影改作合适的剖面。
材料混凝土。
5-4、作组合体的1-1剖视。
.
5-5、作建筑形体的2-2、3-3剖面。
5-6、作建筑形体的2-2、3-3剖面。
5-7.将正立面图改为1—1剖面。
画在图形的右边。
材料钢筋混凝土。
.
5-8、根据给出的视图,作出2-2剖面图。
.
.
.
5-9、画出1-1断面图、2-2剖面图。
5-10.作檩条的1-1、2-2断面图。
(材料:木材)。
5-11.已知空腹鱼腹式吊车梁的正立面图和1-1、2-2断面图,请画出3-3、4-4、5-5、6-6的断面图。
.
.
5、尺寸标注
(1) 标注图形的尺寸 (2) 分析左图尺寸标注的错误,并在右图正确注出。
(3)分析左图尺寸标注的错误,并在右图正确注出。
第二章点、直线、平面的投影————点的投影班级学号姓名
.
A点距V面(5 )、距H面(6)、距W面(8 )
B点距V面( 4 )、距H面( 3 )、距W面( 2 )C点距V面( 2 )、距H面( 2 )、距W面(2)D点距V面(0)、距H面( 3 )、距W面( 6 )E点距V面( 2 )、距H面(0 )、距W面( 3 )F点距V面(6 )、距H面(5 )、距W面(0 )
2-3、比较A、B、C三点的相对位置。
(下)mm
B点在A点(左)mm
(前)mm
(上)mm
B点在C点(左)mm
(后)mm
(下)mm
C点在A点(右)mm
(前)mm
.
.
. 2-4 已知E(22,30,20),F点在E点之左10mm,
之下10mm,之后10mm;G点在E点的正右方
12mm,作出点E 、F 、G的三面投影。
.
.
.
15第二章点、直线、平面的投影————直线的投影班级学号姓名
.
2-23判别AB和CD两直线的相对位置(平行、相交、交叉)。
.
22 .
第二章点、直线、平面的投影———两直线的相对位置班级学号姓名
.
.
26
2-44 判别图中所指的表面是曲面或平面,如果为平面,指出它属于哪一类平面。
(1)
(2)
(3)
A 面是 正垂面 。
B 面是水平面 。
C 面是 侧平面 。
A 面是 水平面 。
B 面是 圆柱面 。
C 面是 正平面 。
A 面是侧平面 。
B 面是 正平面 。
C 面是 水平面 。
.
(4)
(5)
(6)
27
第二章 点、直线、平面的投影——平面的投影 班级 学号 姓名
A 面是 圆柱面 。
B 面是 水平面 。
C 面是 铅垂面 。
A 面是 正平面 。
B 面是 侧垂面 。
C 面是 水平面 。
A 面是 侧垂面 。
B 面是 水平面 。
C 面是 水平面 。
. Array
.
.
.
.
.
第三章平面体的截交线班级学号姓名
.
.
第三章平面体的截交线班级学号姓名
.
.
.。